空分装置冷箱面漆涂刷
- 格式:doc
- 大小:53.00 KB
- 文档页数:6
.外压缩、全精馏制氩空气分别设备现场安装一般技术要求1前言膨胀机、工艺液氩泵的安装,这些设备的安装,应按制造厂相应的技术文件及图纸要求进行。
本成套设备之仪、电系统的安装技术要求,详见仪、电系统的相关文件。
本文件阐述了从设备基础准备至装置具备试运转条件(不包括试运转)的各安装阶段的要求、原则及基本方法。
安装单位可依照本文件要求,拟定安装细则,安装施工及查收规,除需符合本文件要求外,同时须切合劳动部《压力容器安全技术监察规程》及以下相关规。
GB50235-1997工业金属管道工程施工及查收规GB50264-1997工业设备及管道绝热工程设计规GBJ126-1989工业设备及管道绝热工程施工及查收规GB50236-1998现场设备、工业管道焊接工程施工及查收规HGJ201-1983化工工程起重施工规HGJ202-1982脱脂工程施工及查收规HGJ211-1985化工塔类设备施工及查收规JBJ23-1996机械设备安装工程施工及查收通用规JBJ30-1996制冷设备、空气分别设备安装工程施工及查收规JB/T6895-1993铝制空气分别设备安装焊接技术规JB/T5902-1992空气分别设备用氧气管道技术条件2基础灌浆常例灌浆洗并配置地脚螺栓,地脚螺栓孔应无杂物,在地脚螺栓和螺栓孔之间,应用水泥砂浆填充满,直到螺栓孔顶。
在地脚螺栓的水泥砂浆硬化此后,必定对设备进行最后调整。
机器设备的基础安装请参看其相应的技术文件。
冷箱基础2.1.1 空分塔冷箱基础,除拥有足够强度和防范沉陷倾斜等一般性要求外,还需考虑到它所承载的设备是处于低温下工作的特点。
冷箱基础所承载的设备负荷,由基础图纸规定。
基础表面温度,在正常运转时为-30 ℃~ -90 ℃,在漏液情况下为 >-190 ℃。
冷箱基础由基础本体、隔水板、隔冷层和面层所组成(以以以下列图)。
基础本体。
基础本体是采用拥有防水和抗冻性能的混凝土,其抗渗标号不小于 B12*,抗冻标号不小于MP75**,并经设备总重量 1.5 倍的力预压以防基础偏斜。
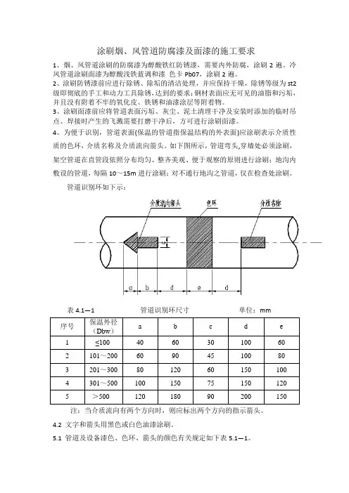
涂刷烟、风管道防腐漆及面漆的施工要求
1、烟、风管道涂刷的防腐漆为醇酸铁红防锈漆,需要内外防腐,涂刷2遍。
冷风管道涂刷面漆为醇酸浅铁蓝调和漆色卡Pb07,涂刷2遍。
2、涂刷防锈漆前应进行除锈、除垢的清洁处理,并应保持干燥,除锈等级为st2级即彻底的手工和动力工具除锈,达到的要求:钢材表面应无可见的油脂和污垢,并且没有附着不牢的氧化皮、铁锈和油漆涂层等附着物。
3、涂刷面漆前应将管道表面污垢、灰尘、泥土清理干净及安装时添加的临时吊点、焊接时产生的飞溅需要打磨干净后,方可进行涂刷面漆。
4、为便于识别,管道表面(保温的管道指保温结构的外表面)应涂刷表示介质性质的色环,介质名称及介质流向箭头。
如下图所示,管道弯头,穿墙处必须涂刷,架空管道在直管段依照分布均匀、整齐美观、便于观察的原则进行涂刷;地沟内敷设的管道,每隔10~15m进行涂刷;对不通行地沟之管道,仅在检查处涂刷。
管道识别环如下示:
表4.1—1 管道识别环尺寸单位:mm
注:当介质流向有两个方向时,则应标出两个方向的指示箭头。
4.2 文字和箭头用黑色或白色油漆涂刷。
5.1 管道及设备漆色、色环、箭头的颜色有关规定如下表5.1—1。
表5.1—1
6、现场制作的支吊架,宜先涂刷2度防锈底漆,再涂刷1~2度银灰色调合漆。
空分装置冷箱安装施工方案053101.施工概述2.设备要求2.1空分装置冷箱:按照制造商提供的技术参数和图纸要求进行选择。
2.2安装场地:需满足设备的尺寸和重量要求,地面平整、坚固,通风良好。
2.3管道系统:包括进气管道、出气管道和冷却水管道等。
3.施工步骤3.1基础施工3.1.1根据设备尺寸,施工现场进行测量并标识基础图纸。
3.1.2打地钻孔并进行土方开挖,挖掉不符合标准的土壤,并保持基础桩底平整。
3.1.3根据基础桩的设计进行浇筑混凝土,并进行捣实。
3.2设备安装3.2.1安装基础设备:包括安装冷箱、安装氮气容器、安装氧气容器等。
3.2.2进行冷箱和容器的接口连接,并进行密封处理。
3.2.3将进气管道和出气管道连接到冷箱上,并进行密封。
3.2.4连接冷却水管道并进行漏水测试。
3.3管道系统施工3.3.1布置管道线路,保证管道安装的合理性和美观性。
3.3.2进行管道焊接及安装固定支架,确保其牢固稳定。
3.3.3进行管道系统的压力测试,确保无泄漏现象。
3.4系统调试3.4.1检查冷箱及设备的外观、密封性等情况。
3.4.2检查管道系统的连接情况,确保无渗漏。
3.4.3进行气体充填和排气操作,检查系统的工作状态。
3.4.4根据设备厂家的要求,进行系统的参数调整。
4.安全措施4.1施工人员需佩戴安全帽、手套等防护设备。
4.2施工现场需设置安全警示标志,确保施工区域不受外界干扰。
4.3设备运输和安装过程中,需严格遵守操作规程,确保安全。
5.施工计划5.1按照施工步骤制定详细的施工计划并进行时间节点管理。
5.2确保施工进度与质量的有效控制,及时解决施工中的问题。
6.工程材料6.1基础施工所需材料:混凝土、钢筋及配件等。
6.2设备安装所需材料:连接件、密封材料、冷却水管道等。
6.3管道系统所需材料:管道、阀门、焊材等。
7.施工验收根据设备制造商提供的技术参数和图纸要求,进行设备的安装验收。
确保设备的安装质量和性能达到设计要求。
冷库喷涂的施工方案1. 引言冷库喷涂是指在冷库的内部和外部表面进行涂饰,以提高冷库的保温性能和防腐蚀能力。
本文将介绍冷库喷涂的施工方案,包括施工准备、涂料选择、施工步骤和注意事项。
2. 施工准备在进行冷库喷涂之前,需要进行以下准备工作:2.1 清洁表面冷库表面需要彻底清洁,去除油污、灰尘等杂物,以确保涂料能够附着在表面上。
可使用清洁剂和水进行清洗,若有顽固的污渍,可以使用刷子进行擦洗。
2.2 修复表面缺陷冷库表面若有明显的裂缝、起壳或脱落的地方,需要先进行修复。
可使用专门的修补材料,填补表面缺陷,使表面平整。
2.3 确定涂料类型根据不同的环境条件和需求,选择适合的冷库喷涂涂料。
常见的涂料包括聚氨酯涂料、环氧涂料和聚酯涂料等。
2.4 确定施工工艺根据冷库的具体情况,制定施工工艺方案。
考虑涂料的厚度、涂布方式以及施工步骤等。
3. 涂料选择不同类型的冷库需要选择不同的涂料,以下是常见的冷库涂料选择建议:3.1 聚氨酯涂料聚氨酯涂料具有良好的耐候性、耐化学腐蚀性和良好的附着力,适用于室内和室外冷库。
它能够有效防止冷库内外温差对涂料层的影响。
3.2 环氧涂料环氧涂料具有优异的耐化学腐蚀性和耐磨性,适用于冷库内部。
它能够有效防止冷库内部水分对涂料层的侵蚀,并能保持冷藏食品的卫生。
3.3 聚酯涂料聚酯涂料具有良好的耐化学腐蚀性、耐候性和耐磨性,适用于室外冷库。
它能够有效防止冷库外部温差对涂料层的影响,保持冷库的外观美观。
4. 施工步骤冷库喷涂的一般施工步骤如下:4.1 喷涂底漆首先进行底漆喷涂,底漆的主要作用是加强涂料与基面的附着力,提高涂料的耐久性。
底漆选择应与涂料相匹配,并按照涂料的要求进行操作。
4.2 喷涂中间涂料在底漆干燥后,进行中间涂料的喷涂。
中间涂料的主要作用是增加涂层的厚度,并提高涂料的防腐蚀性能。
中间涂料的选择应根据冷库的使用环境来确定。
4.3 喷涂面涂料待中间涂料干燥后,进行面涂料的喷涂。
面涂料的主要作用是提供涂层的颜色和外观效果。
综 合重 大一 般空分装置冷箱面漆涂刷技 术 施 工 方 案编制: 校审: 批准:空分装置冷箱面漆涂刷技术施工方案目录1 工程概况 (1)2 编制依据 (1)3 施工及资源准备 (1)4 防腐施工技术要求 (1)5 蜘蛛人施工安全措施 (2)6 应急预案 (3)7 JHA分析报告 (3)1 工程概况1.1适用范围本专业方案适用于工程冷箱涂刷面漆工程施工。
1.2工程概况空分装置冷箱标高63米,其中底漆施工是在安装前预制完成的,为了形象更美观,面漆在安装完成后在进行涂刷,由于高度太高,工程造价比较低,如果搭设脚手架从工程造价到现场实际情况都不允许,根据工程的特点,特制定冷箱外层面漆采用蜘蛛人涂刷的施工方案。
2 编制依据a)《建筑施工高处作业安全技术标准》(JGJ80-91)b)《石油化工设备和管道涂料防腐蚀技术规范》SH3022-1999c)《工业设备、管道防腐蚀工程施工及验收规范》HGJ229-1991d)施工现场工作环境3 施工及资源准备A)....... 应有专业技术人员负责技术、质量管理和安全管理根据施工图纸、设计要求、施工及验收规范等编制施工方案、作业指导书,作业前应对操作人员做好现场施工技术交底;并强调技术措施、质量要求和成品保护。
b)....... 对蜘蛛人进行有关的技术和安全知识的上岗前培训等。
c)....... 冷箱外部(包括斜支撑及支架)涂刷两遍白色聚氨酯面漆,梯子、平台等涂刷两遍灰色聚氨酯面漆,栏杆劳动保护涂刷两遍黄色聚氨酯面漆。
4 防腐施工技术要求4.1.1.1在涂漆施工过程中,必须按照油漆供货方的说明书的要求施工。
油漆使用时,在调制过程须充分搅拌,按使用量进行兑制,而且坚持“用多少,调制多少”的原则。
4.1.1.2在进行油漆涂装前,须对金属表面进行确认。
除锈未彻底表面有灰尘或泥土等杂物时,必须进行表面清洁。
前道工序不合格,下道工序不得施工。
4.1.1.3油漆涂刷时,应少蘸多刷,纵横交错,不得漏刷、流淌,确保每道漆层均匀覆盖金属表面,而且厚薄一致。
化工设备刷油漆的流程和注意事项下载温馨提示:该文档是我店铺精心编制而成,希望大家下载以后,能够帮助大家解决实际的问题。
文档下载后可定制随意修改,请根据实际需要进行相应的调整和使用,谢谢!并且,本店铺为大家提供各种各样类型的实用资料,如教育随笔、日记赏析、句子摘抄、古诗大全、经典美文、话题作文、工作总结、词语解析、文案摘录、其他资料等等,如想了解不同资料格式和写法,敬请关注!Download tips: This document is carefully compiled by theeditor. I hope that after you download them,they can help yousolve practical problems. The document can be customized andmodified after downloading,please adjust and use it according toactual needs, thank you!In addition, our shop provides you with various types ofpractical materials,such as educational essays, diaryappreciation,sentence excerpts,ancient poems,classic articles,topic composition,work summary,word parsing,copy excerpts,other materials and so on,want to know different data formats andwriting methods,please pay attention!化工设备刷油漆流程。
1. 设备准备。
拆除设备上不需要刷漆的部件。
设备油漆复涂工艺流程
1. 表面预处理
- 彻底清理设备表面,去除油污、锈迹和旧漆层
- 打磨或者化学处理,使表面粗糙以增加附着力
2. 防腐底漆处理
- 根据设备材质选择合适的防腐底漆
- 均匀涂刷1-2遍底漆,需彻底干燥固化
3. 面漆涂刷
- 选择合适的面漆颜色和种类(如环氧漆、聚氨酯漆等)
- 先涂刷面漆第一遍,待半干后再涂刷第二遍
- 保证漆膜厚度均匀,色泽一致
4. 固化养护
- 涂刷完成后需要在适当的环境下固化
- 避免阳光直晒、受潮、温湿度剧烈变化等不良因素
- 固化期间定期检查,及时修补漆面缺陷
5. 检查验收
- 全面检查漆膜外观质量、厚度、附着力
- 确认无裂纹、起泡、脱落等问题
- 验收合格后方可投入使用
以上是一个典型的设备油漆复涂工艺流程,具体操作细节需遵循相关
技术规范并根据实际情况调整。
正确的工艺流程可以确保设备表面保护效果,延长使用寿命。
空分装置冷箱和压缩机基础施工方案在空分装置的运作过程中,冷箱和压缩机扮演着至关重要的角色。
冷箱作为空分装置中的核心部件,负责将空气冷却至所需温度,而压缩机则是空气压缩的关键设备。
在进行安装和施工时,需要特别注意施工方案的设计与执行,以确保设备的正常运转和长期稳定性。
冷箱基础施工方案1. 地基准备在安装冷箱之前,必须确保地基平整、坚固,并符合设计要求。
应根据冷箱的尺寸和重量确定地基的具体尺寸和承重能力,以确保设备稳固安全地安放在地基上。
2. 冷箱安装在冷箱安装时,应遵循制造商提供的安装说明书,按照其中的步骤和方法进行安装。
安装过程中需特别注意冷箱的定位和水平度,确保设备安放正确且水平,以避免设备运转过程中出现问题。
3. 冷箱连接连接冷箱时,应按照设计要求连接冷却管道和电气线路。
连接管道时应仔细检查管道接口的密封性和安全性,确保气体传输的畅通与安全。
压缩机基础施工方案1. 压缩机基座在安装压缩机之前,应先制作良好的基座。
基座的设计应考虑到承重能力、防震性能以及后期维护工作的便捷性。
基座的尺寸和高度应符合压缩机的安装要求。
2. 压缩机安装在安装压缩机时,应严格按照压缩机的安装说明书进行操作,确保安装步骤的正确性。
安装过程中应特别注意压缩机的定位和固定,防止设备在运转过程中产生位移或震动。
3. 压缩机连接连接压缩机时,应根据设计要求连接压缩机的进气口和排气口。
连接管道时应注意安全密封和气密性,以确保压缩机正常运转。
综上所述,空分装置中冷箱和压缩机的基础施工方案至关重要,合理的施工方案能够确保设备的正常运转和长期稳定性。
在实际工程中,施工人员应严格按照设计要求和操作规程进行操作,并定期进行设备的检查与维护,以确保设备的长期运行和性能稳定。
12、防腐保温涂漆施工方案1、工程概况辽宁大唐国际阜新日产1200万Nm3煤制天然气项目一期空分装置由两套49000Nm3/h(O2)的开封空分集团有限公司设计制造的空分装置和一套开工空压站构成。
包括空气压缩、空气净化、空气分离、液体贮存,其中有大量工艺管道及设备需防腐、保温、保冷,故做防腐绝热工程施工方案,仅供本工程投标阶段使用。
待工程开工,施工图、技术资料、现场条件清楚之后,再进一步优化和完善方案。
23、施工前准备3.1防腐蚀工程施工前应具备下列条件:3.1.1设计及其它技术文件齐全,施工图纸业经会审。
3.1.2设备、管子、管件外壁附件的焊接,必须在防腐蚀工程施工前完成,在防腐蚀工程施工过程中,严禁进行施焊、气割直接敲击等作业。
3.1.3受压的设备、管子、管件在防腐蚀工程施工前,必须按有关规定进行强度或气密性检查,合格后方可进行防腐施工。
3.1.4钢制的设备、管子、管件的钢材表面,不得有伤痕、气孔、夹渣、重叠皮、严重腐蚀斑点,加工表面必须平整,表面局部凸凹不得超过2mm。
3.1.5检查工艺管道安装是否按施工图尺寸进行排列就位,以免管道之间空间不合格造成无绝热层间隙。
3.2绝热层施工前必须具备下列条件:3.2.1支承件及固定件就位齐备。
3.2.2设备、管道的支、吊架及结构附件、仪表接管部件等均已安装试压合格。
3.2.3电伴热或热介质伴热管均已安装就绪,并经过通电或试压合格。
4、材料检验4.1油漆及绝热材料应符合设计及规范的要求。
4.2不同厂家、不同品种的防腐蚀涂料,不宜掺合使用。
4.3保温材料进厂时要求抽检下列数据:4.3.1主保温材料的导热系数、含水量、氯离子含量。
4.3.2主保温材料及辅助材料不燃性能(氧指数)。
4.3.3材料是否有出厂合格证,是否符合规范和设计要求。
4.4保温材料应存放在棚子里,并用塑料布盖严,避免受潮,保温材料应在任何时候都应是干燥的。
5、金属表面处理5.1金属表面的除锈采用钢丝刷或电动砂轮机。
目 录1。
目的 2。
编制依据 3。
准备工作 4。
.油漆工艺 5。
表面处理方法6。
涂漆7。
质量检查8.成品保护 9。
安全 10。
油漆说明 11。
主要机具1.目的:本方案确定了北京BOE 空分工程钢结构、管道、支架油漆的施工. 2。
编制依据:2。
1《工业设备、管道防腐蚀工程施工及验收规范》HGJ229-91; 2.2施工图纸;2。
3本工程所版发的文件A4-041—001-1,规范04035—64—G —20 2.4杭氧液空标准GS.271。
01-C 3。
准备工作:3。
1设计及其他技术文件齐全,施工图纸业经会审;3.2完成施工方案和技术交底,进行了安全技术教育和必要的技术培训; 3。
3型钢,管子及管件应具备出厂合格证;3。
4材料,机具,检测仪器,施工设施及场地已齐备;3。
5在防腐蚀工程施工过程中,必须进行中间检查;防腐蚀工程完工后,应立即进行验收;3。
6设备,管子及管件外壁附近的焊接,必须在防腐蚀工程施工前完成,并核实无误;在防腐蚀工程施工过程中,严禁进行施焊,气割,直接敲击等作业;3.6管子,管件的钢材表面,不得有伤痕,气孔,夹渣,重叠皮,严重腐蚀斑点;加工表面必须平整,表面局部凹凸不得超过2mm ;3.7管子,管件表面的锐角,棱角,毛边,铸造残留物,必须彻底打磨清理,表面应光滑平整,圆弧过渡;3。
8涂料应有制造厂的质量证明书; 3。
9焊缝及其标记在压力试验前不应涂漆; 3。
10管道安装后不易涂漆的部位应预先涂漆。
4。
油漆工艺:55。
1 涂漆前的表面处理所有管道,管件和碳钢构件在涂漆前应根据防腐涂料表面处理等级要求对其表面进行认真除锈处理。
若采用喷砂除锈,其表面粗糙度应控制在40微米以下. 5。
2人工处理:钢表面上松散的氧化皮、锈蚀和老化涂层可用钢丝刷刷掉、砂皮纸砂去、用手工工具刮掉或铲除.5.3动力处理:在清除松散的氧化皮、锈蚀和老化涂层时,用动力工具比用人工效果好,而且省力。
但是动力工具不能除去紧紧附着在钢表面的锈蚀和氧化皮.通常采用的动力工具,包括钢丝刷、冲击工具、砂轮机及砂皮磨光机。
空分装置冷箱安装方案-王贤红№ 中国化学工程第三建设有限公司马钢比欧西空分项目一号空分装置冷箱安装工程施工方案(措施)(建设单位签章)批准:审定:审核:编制:会签:中化三建马钢比欧西空分项目经理部2021年 12 月 23 日目录1、工程概述2、编制依据3、施工程序4、施工方法及技术要求5、施工进度计划6、工程质量控制措施7、安全技术措施8、施工平面布置图9、劳动力需用计划10、施工机具、计量器具及施工手段用料计划 11、季节性施工技术措施12、职业安全卫生与环境管理、文明环境措施 13、冷箱钢结构安装工程危害辩识、评价控制措施表附:一号空分装置冷箱结构安装平面布置示意图一号空分装置冷箱结构安装进度计划1、工程概述1.1工程概况本工程为马钢比欧西空分项目,装置规模为4万m3/h。
业主:马鞍山马钢比欧西气体有限责任公司设计单位:北京中寰工程管理有限公司监理单位:马钢设计研究院有限责任公司项目管理公司:北京美盛沃利工程技术有限公司施工单位:中国化学工程第三建设公司空分冷箱设备是该装置的关键设备之一,根据提供的设计图纸和资料,冷箱由NA-BOX 和EA-BOX 两部分组成,材质大部分为碳钢。
设计参数如下:(1)NA-BOX,尺寸为9.11mx10.79m,高度为57.6m(局部为51.2m), 箱体由四面冷箱板、两块顶板和底部支撑桁架组成。
冷箱板每3米一层,共19层,采用螺栓及焊接两种连接形式。
在底部支撑桁架的顶部(15.2m标高),设有一层带低温防护的平台用于安装氩塔。
在冷箱内部,沿高度设有三道水平桁架拉接东西向箱体两侧墙板。
(2)EA-BOX:EA冷箱钢结构外壳由侧墙、顶板、吊架和两个屋面桁架组成。
冷箱直接座在基础上。
EA冷箱的尺寸为7.2mx10.9m,高度约为15m。
为了指导现场施工,特编制此施工方案(脚手架搭设方案、防腐刷漆方案见相应方案)。
1.2工程特点1.2.1冷箱结构高大,空中组对施工难度大,垂直度要求高。
HK 四川空分设备(集团)有限责任公司企业标准HKB 8-19-2011空分冷箱安装技术条件2011-12-1 发布2011-12-01 实施HKB 8-19-2011前言本标准是为规范空分冷箱的安装而制定的。
本标准由工程部负责起草。
本标准起草人:本标准审校人:本标准批准人:空分冷箱安装技术条件1适用范围1.1 本标准规定了四川空分设备(集团)有限责任公司(简称川空)设计、制造的空分冷箱的安装技术要求。
1.2 本标准适用于川空设计、制造的切换式流程、分子筛净化吸附式流程、规整填料精馏塔及全精馏无氢制氩流程、氧气(氮气)内压缩流程和液体空分设备流程的空分冷箱现场安装。
1.3 本标准不适用空分冷箱以外的设备、机器、管路的安装,这些设备、机器、管路的安装,应按各相应的安装标准或技术文件进行。
1.4 产品图样和技术文件对产品安装有特殊要求时,应按相应的产品图样和技术文件规定执行。
安装单位可根据本标准要求拟订安装细则。
2规范性引用文件TSG R0004-2008 固定式压力容器安全技术监察规程TSG D0001-2009 压力管道安全技术监察规程——工业管道GB 150-1998 钢制压力容器JB/T 4734-2002 铝制焊接容器规定JB/T 5902-2001 空气分离设备用氧气管道技术条件JB/T 6895-2006 铝制空气分离设备安装焊接技术规范JB/T 6896-2007 空气分离设备表面清洁度GB 16912-2008 深度冷冻法生产氧气及相关气体安全技术规程GB 50274-1998 制冷设备、空气分离设备安装工程施工及验收规范GB 50235-1997 工业金属管道工程施工及验收规范GB 50236-1998 现场设备、工业管道焊接工程施工及验收规范JB/T 4730-2005 承压设备无损检测HGJ 20202-2000脱脂工程施工及验收规范JC/T 1020-2007 低温装置绝热用膨胀珍珠岩3冷箱基础3.1 空分冷箱基础,除具有足够强度和防止沉陷倾斜等要求外,尚需特别考虑它所承载的设备是处于低温下工作的特点。
空分冷箱防腐技术规范书本页仅作为文档封面,使用时可以删除This document is for reference only-rar21year.March空分冷箱及附属设备防腐技术规范书编制:审核:审批:华能(天津)煤气化发电有限公司2016年07月目录一、总则 (4)二、项目概况 (5)三、招标方工作范围 (5)四、技术要求 (5)五、投标方施工范围 (7)六、质量保证 (7)七、验收方式 (8)八.交货方式 (8)一、总则1.本规范书适用于华能(天津)煤气化发电有限公司空分冷箱及附属设备防腐施工项目2.本规范书规定了华能(天津)煤气化发电有限公司空分主冷箱及附属设备防腐施工项目质量、技术等方面的要求3.本规范书规定华能(天津)煤气化发电有限公司空分主冷箱及附属设备防腐施工项目范围包括主冷箱、副冷箱、大氮槽、小氮槽、液氧槽、液氩槽及附属的栏杆、爬梯、平台以及冷箱顶部平台加固。
4.投标方向如没有以书面形式对本技术协议的条文提出异议,那么招标方可以认为投标方提供的服务完全满足本技术规范书的要求,投标方在施工前应向招标方提供一份详尽的项目施工方案或作业计划书。
5.在双方签订合同后,招标方有权以书面形式提出因技术协议标准和规程发生变化而产生的一些补充修改要求,具体款项由招、投标双方共同商定。
6.本规范书所使用的标准如遇与投标方所执行的标准发生矛盾时,按技术要求较严格的标准执行。
7.投标方必须取得国家质检部门颁发的相关资质,方可从事相应的活动。
能够胜任华能(天津)煤气化发电有限公司空分主冷箱、副冷箱大氮槽、小氮槽、液氧槽、液氩槽及附属的过桥、栏杆、楼梯及平台防腐施工项目,能够提供全面、完善的优质服务。
8. 招标方在本规范书中所提及的要求都是最低限度的要求,并未对一切技术细节作出规定,也未充分地详述有关标准和规范的条文,但投标方应保证提供符合本技术协议和行业维护标准要求及相应服务二、项目概况1 本次冷箱防腐施工范围主要为空分主冷箱、副冷箱、大氮槽、小氮槽、液氧槽、液氩槽及附属的栏杆、爬梯、平台、以及冷箱顶部平台加固。
PCEC项目冷箱结构喷砂油漆施工.PCEC项目冷箱结构喷砂油漆施工施工组织设计方案目录一、工程概述 ------------------------------------------------------------------------------------------- 1二、编制依据和原则 ---------------------------------------------------------------------------------- 1三、施工准备 ------------------------------------------------------------------------------------------- 2四、施工工艺流程 ------------------------------------------------------------------------------------- 4五、分部分项工程的主要施工方法 ---------------------------------------------------------------- 4六、质量检查 ------------------------------------------------------------------------------------------ 13七、确保工期的技术组织措施 --------------------------------------------------------------------- 14八、安全保证措施 ------------------------------------------------------------------------------------ 18九、文明与环保施工措施 --------------------------------------------------------------------------- 26施工组织设计方案一、工程概述普城PCEC项目冷箱结构工程,筒体结构及面板的喷砂、底漆在车间完成。
综 合
重 大
一 般
空分装置冷箱面漆涂刷
技 术 施 工 方 案
编制: 校审: 批准:
空分装置冷箱面漆涂刷技术施工方案
目录
1 工程概况 (1)
2 编制依据 (1)
3 施工及资源准备 (1)
4 防腐施工技术要求 (1)
5 蜘蛛人施工安全措施 (2)
6 应急预案 (3)
7 JHA分析报告 (3)
1 工程概况
1.1适用范围
本专业方案适用于工程冷箱涂刷面漆工程施工。
1.2工程概况
空分装置冷箱标高63米,其中底漆施工是在安装前预制完成的,为了形象更美观,面漆在安装完成后在进行涂刷,由于高度太高,工程造价比较低,如果搭设脚手架从工程造价到现场实际情况都不允许,根据工程的特点,特制定冷箱外层面漆采用蜘蛛人涂刷的施工方案。
2 编制依据
a)《建筑施工高处作业安全技术标准》(JGJ80-91)
b)《石油化工设备和管道涂料防腐蚀技术规范》SH3022-1999
c)《工业设备、管道防腐蚀工程施工及验收规范》HGJ229-1991
d)施工现场工作环境
3 施工及资源准备
A)....... 应有专业技术人员负责技术、质量管理和安全管理根据施工图纸、设计要求、施工及验收规范等编制施工方案、作业指导书,作业前应对操作人员做好现场
施工技术交底;并强调技术措施、质量要求和成品保护。
b)....... 对蜘蛛人进行有关的技术和安全知识的上岗前培训等。
c)....... 冷箱外部(包括斜支撑及支架)涂刷两遍白色聚氨酯面漆,梯子、平台等涂刷两遍灰色聚氨酯面漆,栏杆劳动保护涂刷两遍黄色聚氨酯
面漆。
4 防腐施工技术要求
4.1.1.1在涂漆施工过程中,必须按照油漆供货方的说明书的要求施工。
油漆使用时,在
调制过程须充分搅拌,按使用量进行兑制,而且坚持“用多少,调制多少”的原
则。
4.1.1.2在进行油漆涂装前,须对金属表面进行确认。
除锈未彻底表面有灰尘或泥土等杂
物时,必须进行表面清洁。
前道工序不合格,下道工序不得施工。
4.1.1.3油漆涂刷时,应少蘸多刷,纵横交错,不得漏刷、流淌,确保每道漆层均匀覆盖
金属表面,而且厚薄一致。
4.1.1.4现场防腐时,要对附近不需涂漆的材料或部位加以防护,以防止污染。
4.1.1.5必须按金属主体涂漆顺序进行施工,前一道油漆实干后方可进行下一道油漆施
工。
4.1.1.6表面光滑平整、颜色一致,无漏涂、针孔、气泡、流坠、粉化和破损等现象。
5 蜘蛛人施工安全措施
5.1使用吊板的准备工作:
5.1.1施工前先观察天气,能见度低或雾雨天气不能施工。
5.1.2现场勘查
5.1.3工具准备
5.1.4工作人员穿戴整齐,佩戴好安全带,检查安全带上的自锁装置是否可用。
5.1.5现场安全监督人员到位,顶部和地面都应配备。
放置高空作业指示牌。
5.2蜘蛛人应在下列环境下工作:
5.2.1环境温度-20~+40℃;
5.2.2环境相对温度不大于90%(25℃);
5.2.3工作处阵风风速不大于8.3M/S(相当于5级风力)。
5.3作业人员身体要求
5.3.1为保证高空作业人员安全,国标要求,施工人员体重不能超过75KG。
必须有良好
的身体条件和心理素质,血压正常,视力良好,无恐高症。
5.3.2冷箱顶部设立专人保护,遇到紧急情况可对绳索进行加固处理。
5.3.3底部也需设立专职安全人员进行巡视。
5.4作业工具安全要求
5.4.1吊具的全部承载重量不能超过165KG。
固定吊具绳索的固定点的承载能力必须大
于330KG。
5.4.2先在冷箱顶部找合适的位置拴住绳索(工作绳和生命绳),绳子要多栓几圈,反
复负重试验,做到万无一失,将所有绳子的搭脚、搭沿、搭棱处都用橡胶垫底,
以防止摩擦。
5.4.3座板式单人吊具必须固定在工作绳上,当发生意外坠落状况时,作业人员能通过
安全带将自己锁定在生命绳上,以防坠落。
5.4.4安全带上的自锁钩应扣在单独悬挂于建筑物顶部牢固部位的安全(生命)绳上,
作业前应对安全带进行检查,严禁使用不合格和损坏的安全带。
5.4.5施工使用的安全(生命)绳不能有接头,不能使用丙纶纤维材料。
5.4.6吊板和绳索必须处于良好的工作状态,如吊板有发毛、部分丝股有断裂现象,应
立即更新和更换。
6 应急预案
6.1.1目的和范围
本预案明确了项目部与各二级单位的职责和应急程序,以确保工作流程畅通、保证项目部与各参建单位的组织协调。
本预案适用于工程项目部所承建的工程施工现场的应急管理。
6.1.2高处坠落外伤急救常识
a)施工现场一旦发生高处坠落事故,伤员一般都会伴有外伤和骨折,对于这类伤员
的急救一定要小心,避免二次伤害给伤员带来严重的后果。
b)首先要注意尽量减少移动伤员,在现场没有担架、木板等的情况下,必须三人以
上配合移动伤员,一人托住头颈部,另一人托住腰部,第三人托住下肢,三人同
时抬起移动,注意不要把伤员身体扭动、弯曲。
头部受伤的伤员先用衣物折成圆
形将头部固定,等待救护车到来,有训练有素的救护人员搬动伤员。
c)如初步判断腰部骨折的伤员须马上让病人平卧在担架或木板上,平稳地搬运至医
院。
7 JHA分析报告
FCC施工现场工作危险性分析报告。