公司固定资产管理制度(附全套流程图及表格)
- 格式:doc
- 大小:919.50 KB
- 文档页数:20
XXX有限公司固定资产管理制度(2019-9-20)一、总则第一条为了加强公司对固定资产的管理,明确资产管理和使用部门的职责,确保固定资产的安全与完整,提高固定资产的使用效率,特制定本制度。
第二条本制度所指的固定资产是指单位价值在1000元以上、使用期限超过一年,并且在使用过程中保持原有物质形态的资产,包括房屋及建筑物、用于生产经营的机器机械设备、运输设备、工具器具以及其他与生产、经营有关的设备、器具、工具等。
非生产经营性设备单位价值在2000元以上,且使用年限在二年以上的也作为固定资产管理。
不具备以上条件的物质设备,则作为低值易耗品。
第三条本制度适用于本公司及子公司与固定资产的取得、使用、盘点、处置、转移等活动有关的部门及个人。
二、固定资产分类与编码第四条公司的固定资产分为五大类:1、房屋及建筑物,是指公司拥有的供生产经营使用和为职工生活福利服务的房屋、建筑物及其附属设备,如厂房、办公用房、仓库、食堂、宿舍等。
2、机器机械设备,是指各种机器、机械、机组、生产线及其配套设备,各种动力、输送、传导设备等。
3、交通运输工具,是指企业所拥有的交通及运输工具,如汽车、叉车等。
4、电子设备,本项所称的电子设备,是指由集成电路、晶体管、电子管等电子元器件组成,应用电子技术(包括软件)发挥作用的设备,包括计算机、空调、复印机、投影仪、打印机等,以及由电子计算机控制的机器人、数控或者程控系统等。
5、办公家具,是指用于办公及生活用的桌椅、沙发、家具、书橱等。
第五条公司对固定资产实行编码管理。
1、固定资产后取得后,由人事行政部予以分类编号并粘贴标签。
对于成套设备,各组成部分如单独领用,应分别编号,如购置一套计算机,主机、显示器应分别编号,键盘、鼠标易损可以不单独编号。
2、固定资产的编码方法固定资产编码采用4层8位数字代码表示:第1位表示固定资产的类别;第2、3位表示固定资产取得年份的后两位数;第4、5位表示固定资产取得月份;第6、7、8位表示流水号。
固定资产管理制度(附带管理用表格)一、制度目的本制度的目的是为了规范和加强固定资产管理工作,采取科学的方法和规范的管理,保证固定资产的安全、稳定、有效使用和准确账务,最大限度地提高资产的使用效率、科学管理水平和经济效益。
二、适用范围本制度适用于公司内所有固定资产的管理。
三、重要定义1. 固定资产:指公司所有货币与货币等价物购买并拥有、使用期限长达一年以上、单价高于国家规定标准的、用于生产经营业务的资产,包括土地、建筑物、机器设备、运输工具、家具器材、电子设备等。
2. 资产编码:为每一笔资产编制一个唯一的数字编码。
3. 购置价值:指固定资产的实际购置价格,包括原值、关税、运费、装卸费、保险费。
4. 发票制度:每张发票上必须标明购置资产的名称、型号、数量、单价、金额、税额及出售方名称、地址、税务登记号、日期等内容,所有资产购置票据均纳入公司财务报表。
四、固定资产管理流程1. 采购流程(1)采购需求:根据公司的经营计划,财务会计部门根据实际资产需求,填写《固定资产采购申请表》(附表1),提出采购建议。
(2)审核申请:财务会计部门根据采购申请进行审核,在确认申请无误后,将《固定资产采购申请表》报至总经理办公室。
(3)编制采购计划:总经理办公室按照申请的时间、资金筹措和急需程度等因素编制采购计划。
(4)招标发包:总经理办公室根据采购计划,向固定资产销售商或经销商发出采购招标文件。
(5)评标:总经理办公室组织评标委员会对招标方案进行评审,评选出最有利的承包商。
(6)合同签订:总经理办公室与承包商签订购买协议或固定资产购置合同。
(7)设备验收:财务会计部门与使用部门共同指导验收购置资产,验货合格后方可保管。
2. 投资流程(1)立项:各部门提交并汇总固定资产投资计划,由总经理办公室对计划进行审核。
(2)编制预算:编制固定资产投资预算,经总经理审批后立项并报公司领导同意。
(3)建设方案设计:资产管理部门组织专家,制定固定资产投资建设方案。
固定财产管理制度第1章总那么第 1 条为增强公司固定财产管理,提升固定财产使用效益,优化财产配置,保证公司经营管理目标的实现,依据国家有关法例,联合公司实质状况,特拟订本制度。
第 2 条固定财产是指派用限期超出 1 年,单位价值在规定的标准〔2000 元〕以上,并在使用过程中保持原有实物形态不变的房子、建筑物、机器设施、工具等。
第 3 条公司综合部是公司财产的归口管理部门,负责财产的购买、保留、维修、报废、清点等工作;公司财务部是固定财产的价值管理部门,负责固定财产的价值核算。
第 4 条固定财产管理的内容包含财产购买、财产调剂和调拨、财产核算、财产保留、清点及处理。
第2章财产购买第 6 条公司固定财产购买应该归入全面估量管理系统。
公司综合部行政总务负责统计各部门固定财产申购状况、编制公司年度固定财产投资方案与估量、安排财产购买等事项。
第 7 条每年年终综合部向各财产使用部门下发 ?固定财产需求统计表?〔附件 1〕,各部门申报本部门固定财产购买需求,经部门负责人审查后提交综合部。
第 8 条固定财产的使用部门在申报固定财产需求时应试虑固定财产的使用状况、公司展开战略和经营目标等要素;对固定财产的投资工程还需进行可行性进行研究和剖析,组织专家进行论证;关于30万元以上的固定财产投资工程,应该考虑邀请独立的中介机构或专业人士进行可行性研究与评论。
可行性研究成就、公司领导审批建议连同需求统计表一并提交综合部。
第 9 条综合部行政总务对各部门提交的?固定财产需求统计表?进行审查汇总,编制?固定财产购买方案表? 〔附件 2 〕,经综合主管审查后,提交财务主管、分管副总审查、总经理审批。
审批通事后的固定财产购买估量将归入全面估量管理。
第 10 条每个月方案工作会前,综合部应该依据年度固定财产购买方案安排本月固定财产购买方案与估量,并填写?固定财产购买审批表?〔附件 3〕,提交公司工作方案会审批,审批通事后由财务部依据会议要求负责均衡资本进出工作。
固定资产管理制度一、为了加强公司固定资产管理,规范固定资产管理流程,明确在申购、采购、使用、报废等各环节的权、责、利,明确部门与员工的职责,结合公司现有实际情况,特制定本制度。
二、固定资产的标准本公司将单位价值在1000元以上或使用期限超过2年的设备、器具、工具,作为固定资产管理。
三、固定资产的分类1、电子设备:包括显示器、主机、打印机、传真机、复印机、电话,装订机等相关办公设备;2、办公家具:包括空调、饮水机、文件柜、办公桌椅等;3、其它:一切与公司经营、办公有关的其它物品。
四、固定资产的管理固定资产的购置、验收、领用、变更、报废等,都由行政部统一管理。
分发到个人使用的固定资产,由个人管理和保管。
行政部管理职责:1、审核部门要求申购的固定资产是否合理;2、验收采购回来的固定资产是是否合格,合格后入库;3、将固定资产的日常管理和使用落实到个人;4、对固定资产的变更进行记录;5、审核使用年限过长的固定资产是否可以报废;6、对固定资产编号、登记、每年固定盘点固定资产,做到账物相符。
个人管理职责:1、负责监管、保存好分配到个人使用的固定资产,公司实施“谁使用,谁保管"的原则。
固定资产发生遗失,非正常损耗,保管人应当承担赔偿责任。
若非正常损耗,保管人能够指证责任人的,免除赔偿责任;2、保持固定资产的日常清洁卫生;3、固定资产损坏以后,及时上报行政部修理或更换。
固定资产核算部门1、财务部为公司固定资产的核算部门;2、财务部设置固定资产账目;3、财务部对固定资产的增减变动进行财务处理;4、财务部会同行政部对固定资产进行盘点,做到帐物相符。
5、根据实际情况协同固定资产管理部门(行政部)对资产计提减值准备五、固定资产的购置1、公司实施“谁使用,谁申购”的原则进行申购。
各部门要购置固定资产,需填写“固定资产申购单”(格式后附1),由部门经理、财务经理、总经理审核后,行政部备案;2、经批准后,由行政部安排专人负责采购,一定要写清楚购买物品的品牌、规格、数量、金额.3、固定资产收到后,由行政部负责验收并同时对固定资产进行编号;4、各部门应于每月25日之前将下月的固定资产申购单交到行政部,审核完成后,采购部应在次月10日前完成采购流程,行政部验收后交到使用人手中。
××××工程有限公司作业文件1 目的加强固定资产的保管及使用管理。
2 范围适用于公司固定资产的管理控制。
3 定义固定资产使用期限超过一年的房屋、建筑物、机器、运输工具以及其他与生产经营有关的设备、器具、工具等。
不属于生产经营主要设备的物品,单位价值在2000元以上,并且使用期限超过两年的,也应当作为固定资产。
固定资产分类固定资产按使用用途分为以下几类:1)生产经营用固定资产;2)非生产经营用固定资产;3)租出固定资产;4)未使用固定资产;5)不需用固定资产;6)土地;7)融资租入固定资产。
固定资产管理固定资产管理方面一切管理工作的总称。
主要包括建立和健全固定资产管理机构和规章制度,提高固定资产利用率,进行固定资产新增、调拨、报废等核算分析的全过程。
4 权责公司所有部门负责各自管内固定资产的使用管理。
财务部为固定资产综合管理部门,并侧重于价值管理。
行政部为固定资产具体管理执行部门,并侧重于事务性管理。
采购部为采购计划执行部门。
固定资产的使用部门既是该固定资产的主管部门,也是固定资产实物动态管理和技术管理的职能部门。
××××-ZY-XZ-03 办公文件管理规定版本页次3/8 5 内容固定资产管理工作流程见图1。
固定资产管理工作说明见表1。
固定资产管理的其他具体要求5.3.1固定资产的日常维护1)固定资产使用部门负责该资产的维护、建修、试验和运行管理,做到管好、用好各类固定资产,保证固定资产完好无损,努力提高其利用率。
2)设立固定资产管理的专责人员,负责固定资产的日常变动情况和技术状况的管理。
3)各部门与行政部对生产和非生产经营固定资产的实物动态管理应有明确分工,行政部门对房产及土地使用权的管理应有专人负责。
4)专人负责对固定资产的购置,闲置设备的保管,报废设备的处理。
5)根据固定资产报废清单收集、归类、管理退出生产领域的资产,凡经验收可继续使用的资产,按清单建卡入账妥善保管,以便管理和使用;属于报废资产,由行政部会同有关部门组织鉴定,统一处理。
资产管理流程说明及流程图为了规范固定资产的配置、使用和报废等环节,加强内部控制,本单位根据相关法律法规和实际情况,制定了固定资产管理制度。
一、资产管理流程一)流程概况本流程主要涉及固定资产的购置、验收、领用和处置等节点和岗位分工,并对关键流程节点进行详细说明。
固定资产是指使用年限超过1年、单位价值在1000元以上(专用设备为1500元以上),并在使用中保持原有实物形态的资产。
即使单位价值未达到规定标准,但使用期限超过1年的大批同类物资,如桌椅、橱柜等,也视为固定资产。
本单位的固定资产一般分为六类:房屋及构筑物、通用设备、专用设备、艺术品和陈列品、图书档案、家具、用具、装具及植物等。
二)固定资产管理流程所涉及的科室及职责1.总务处总务处负责制定固定资产管理办法及相关规章制度,并配备专职或兼职管理人员,负责固定资产的购建、登记、调拨、清查盘点、核销等工作。
2.各功能室各功能室负责人为本处室固定资产管理的第一责任人,指定专人负责本处室固定资产的领用、保管、清查、移交工作。
3.单位领导按照相关审批权限规定,对固定资产预算、购置、调拨、处置等事项进行审核。
二、固定资产管理流程描述一)国有资产配置计划申报及审核子流程1.流程图2.流程节点简要说明节点1:使用科室提出固定资产采购申请,并上报总务处。
节点2:总务处对固定资产采购进行汇总。
节点3:单位领导对具体申请进行审批。
固定资产采购流程:在年度预算内的采购需要直接报政府采购办,而预算外的采购则需要经过国资部门审批后再报政府采购办。
政府采购办公室确定采购方式后,按照方式进行采购。
采购完毕后,总务处和使用科室需要对所购置的固定资产进行验收、入库、登记和记账,以确保帐、物相符。
固定资产出租、出借流程:总务处需要填写房屋出租、出借申请,然后经过校长办公会审批并形成内部决议。
主管部门对具体申请进行审批,然后___进行审批备案。
在出租、出借前,需要由评估机构对房屋进行评估,评估机构的选取是从县财政局国资部门建立的中介机构预选库中抽取。
企业固定资产控制流
程和表单
6.1 资产管理与审批控制6.1.1 固定资产管理流程1.固定资产管理流程与风险控制图
2.固定资产管理流程控制表
6.1.2 固定资产计提折旧审批流程1.固定资产计提折旧审批流程与风险控制图
2.固定资产计提折旧审批流程控制表
6.2 资产取得与验收控制6.2.1 固定资产请购流程1.固定资产请购流程与风险控制图
2.固定资产请购流程控制表
6.2.2 固定资产租赁流程1.固定资产租赁流程与风险控制图
百度文库- 让每个人平等地提升自我
11 2.固定资产租赁流程控制表。
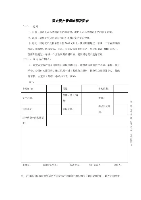
固定资产管理流程及图表(一)、总则:1、目的﹕规范公司各类固定资产的管理,维护公司各类固定资产的安全完整。
2、范围﹕适用于全公司范围内的各类固定资产资的管理。
3、定义﹕固定资产是指单位价值2000元以上,使用年限超过一年或一个营业周期的房屋、建筑物、机械设备、工具、办公设施等有形资产;单位价值在2000元以下、使用年限超过一年或一个营业周期的耐用品,视同固定资产进行管理。
(二)、固定资产购入:1、购置固定资产需由请购部门编制申购计划,详细填写欲购资产名称、单位、预计单价,必要时应附图样、施工说明书或者其他有关资料,报公司总部财务中心、行政部审核,由董事长批准。
格式如下表一所示:表一:第一联:存根第二联:财务第三联:行政/网络中心董事长: 总部财务中心: 行政中心: 部门负责人: 申购人:2、对口部门根据审批完毕的“固定资产申购单”组织购买(对口采购部门:软件归网络中心,办公设备设施及其他类资产归行政人事中心。
下同),并派专人验收,并填制“固定资产验收单”一式两份(格式如表二所示:)表二:第一联:存根第二联:财务第三联:行政/网络中心部门负责人: 验收人: 经手人:3、仓库根据固定资产验收单办理入库收续,对口单位将《入库单》(如表三所示)及固定资产原始凭证(发票,固定资产验收单等)一并转财务入帐,同时行政部也根据入库单做固定资产台帐。
表三:第一联:存根第二联:财务第三联:行政审核人:制单人:(三)、固定资产领用1、 总部财务中心开具《出仓单》(如下表四所示)(有库存的:提供出库申请报告,服务器托管:提供托管协议),经行政部在出仓单上提供资产编码后,交仓库发货于使用单位。
财务、行政部依据第二联、第三联分别登记固定资产台帐。
表四:第一联:存根 第二联:财务 第三联:行政部门主管: 会计: 记帐: 保管:提货人:制单:(四)、固定资产异动1、 因人员调动、离职等涉及到资产保管人变动的,应填写《固定资产移交清单》(如表五所示),并在部门主管在现场的情况下,办理变更手续。
固定资产管理制度第1章总则第 条 为加强公司固定资产管理,提高固定资产使用效益,优化资产配置,确保公司经营管理目标的实现,根据国家有关法规,结合公司实际情况,特制定本制度。
第 条固定资产是指使用期限超过 年,单位价值在规定的标准( 元)以上,并在使用过程中保持原有实物形态不变的房屋、建筑物、机器设备、工具等。
第 条 公司综合部是公司资产的归口管理部门,负责资产的购置、保管、维修、报废、清查等工作;公司财务部是固定资产的价值管理部门,负责固定资产的价值核算。
第 条 固定资产管理的内容包括资产购置、资产调剂和调拨、资产核算、资产保管、清查及处置。
第 章 资产购置第 条公司固定资产购置应当纳入全面预算管理体系。
公司综合部行政总务负责统计各部门固定资产申购情况、编制公司年度固定资产投资计划与预算、安排资产购置等事项。
第 条每年年底综合部向各资产使用部门下发《固定资产需求统计表》(附件 ),各部门申报本部门固定资产购置需求,经部门负责人审核后提交综合部。
第 条 固定资产的使用部门在申报固定资产需求时应考虑固定资产的使用情况、公司发展战略和经营目标等因素;对固定资产的投资项目还需进行可行性进行研究和分析,组织专家进行论证;对于 万元以上的固定资产投资项目,应当考虑聘请独立的中介机构或专业人士进行可行性研究与评价。
可行性研究成果、公司领导审批意见连同需求统计表一并提交综合部。
第 条综合部行政总务对各部门提交的《固定资产需求统计表》进行审核汇总,编制《固定资产购置计划表》(附件 ),经综合主管审核后,提交财务主管、分管副总审核、总经理审批。
审批通过后的固定资产购置预算将纳入全面预算管理。
第 条 每月计划工作会前,综合部应当根据年度固定资产购置计划安排本月固定资产购置计划与预算,并填写《固定资产购置审批表》(附件 ),提交公司工作计划会审批,审批通过后由财务部根据会议要求负责平衡资金收支工作。
第 条制定月度购置计划时应当注意以下几点:( )固定资产购置应坚持多方询价(不少于三方)的原则,保证资产购置价格的合理性。
1、固定资产购置流程1.1固定资产预算审批流程图1.4、验收流程1.5、登记流程、外部租赁流程、融资租赁流程、抵押资产租借处理流程3、固定资产闲置处理流程3.1、封存及闲置设备处理流程3.2、固定资产报废流程固定资产管理流程图目录公司固定资产管理表格一、财产保管卡二、财产保管簿部门:设簿日期:三、房屋登记卡四、固定资产登记卡(正面)总账科目:本卡编号:明细科目:财产编号:1.本卡适用于机械设备、运输设备、机电性什项设备,新卡的填写由会计部门填制。
2.本卡编号由保管卡片单位自编。
3.附属设备栏:应填名称、规格及数量。
4.折旧提列情况栏的填写:①日期写开始填列的日期,以后各年度如无变列则填该年的元月一日,年度增减时另行填写变动提列的开始日期。
②期提列为以会计年度为准,如期中有所变动时可分填几行。
③产净值为资产价值余额减截止本期累计后的余额。
五、固定资产购置申请单单位:年月日六、固定资产申购计划单七、固定资产增加单管理部门:财产编号:使用部门:会计科目:年月日填单注意事项:1.以费用支出的固定资产其会计科目除一级科目外,应加填二级科目。
2.附属设备栏;应详细逐件填列,如电动机、仪表等。
3.资产成本记录簿:填写成本科目,如内购、外购、关税、运输费、基础工程、配管线等。
八、固定资产扩充(报废)计划表年度九、固定资产停(启)用、封存通知表十、固定资产增减表管理部门:使用部门:年月编号:一式三联:管理部门、会计、使用部门填表注意事项:1.会科科目栏:资本支出时以一级科目表示,以费用支出时除填一级科目外应加标明二级科目。
2.资产名称栏:以中文书写,如有附属设备(如发电机仪表等)应于次行顺序列出,但金额可以免填。
3.以费用支出的资产,耐用年数年折旧额免填。
4.本表应于次月十五日前由会计部门编妥送管理部门核对,采用电脑处理的部门以电脑报表代替。
十一、固定资产减损单管理部门:使用部门:财产编号:年月日填单注意事项:机械设备报损其附属设备的处理情况应在拟处理办法档内特别注明。
为加强公司固定资产管理,提高固定资产使用效益,优化资产配置,确保公司经营管理目标的实现,根据国家有关法规,结合公司实际情况,特制定本制度。
固定资产是指使用期限超过 1 年,单位价值在规定的标准(2000 元)以上,并在使用过程中保持原有实物形态不变的房屋、建造物、机器设备、工具等.公司综合部是公司资产的归口管理部门,负责资产的购置、保管、维修、报废、清查等工作;公司财务部是固定资产的价值管理部门,负责固定资产的价值核算。
固定资产管理的内容包括资产购置、资产调剂和调拨、资产核算、资产保管、清查及处置。
公司固定资产购置应当纳入全面预算管理体系。
公司综合部行政总务负责统计各部门固定资产申购情况、编制公司年度固定资产投资计划与预算、安排资产购置等事项。
每年年底综合部向各资产使用部门下发《固定资产需求统计表》 (附件 1) ,各部门申报本部门固定资产购置需求,经部门负责人审核后提交综合部。
固定资产的使用部门在申报固定资产需求时应考虑固定资产的使用情况、公司发展战略和经营目标等因素;对固定资产的投资项目还需进行可行性进行研究和分析,组织专家进行论证;对于30 万元以上的固定资产投资项目,应当考虑礼聘独立的中介机构或者专业人士进行可行性研究与评价。
可行性研究成果、公司领导审批意见连同需求统计表一并提交综合部.综合部行政总务对各部门提交的《固定资产需求统计表》进行审核汇总,编制《固定资产购置计划表》 (附件 2),经综合主管审核后,提交财务主管、分管副总审核、总经理审批。
审批通过后的固定资产购置预算将纳入全面预算管理。
每月计划工作会前,综合部应当根据年度固定资产购置计划安排本月固定资产购置计划与预算 ,并填写《固定资产购置审批表》 (附件 3),提交公司工作计划会审批,审批通过后由财务部根据会议要求负责平衡资金收支工作。
制定月度购置计划时应当注意以下几点:(1)固定资产购置应坚持多方询价 (不少于三方)的原则,保证资产购置价格的合理性。
XXX有限公司固定资产管理制度(2019-9-20)一、总则第一条为了加强公司对固定资产的管理,明确资产管理和使用部门的职责,确保固定资产的安全与完整,提高固定资产的使用效率,特制定本制度。
第二条本制度所指的固定资产是指单位价值在1000元以上、使用期限超过一年,并且在使用过程中保持原有物质形态的资产,包括房屋及建筑物、用于生产经营的机器机械设备、运输设备、工具器具以及其他与生产、经营有关的设备、器具、工具等。
非生产经营性设备单位价值在2000元以上,且使用年限在二年以上的也作为固定资产管理。
不具备以上条件的物质设备,则作为低值易耗品。
第三条本制度适用于本公司及子公司与固定资产的取得、使用、盘点、处置、转移等活动有关的部门及个人.二、固定资产分类与编码第四条公司的固定资产分为五大类:1、房屋及建筑物,是指公司拥有的供生产经营使用和为职工生活福利服务的房屋、建筑物及其附属设备,如厂房、办公用房、仓库、食堂、宿舍等.2、机器机械设备,是指各种机器、机械、机组、生产线及其配套设备,各种动力、输送、传导设备等。
3、交通运输工具,是指企业所拥有的交通及运输工具,如汽车、叉车等。
4、电子设备,本项所称的电子设备,是指由集成电路、晶体管、电子管等电子元器件组成,应用电子技术(包括软件)发挥作用的设备,包括计算机、空调、复印机、投影仪、打印机等,以及由电子计算机控制的机器人、数控或者程控系统等.5、办公家具,是指用于办公及生活用的桌椅、沙发、家具、书橱等。
第五条公司对固定资产实行编码管理。
1、固定资产后取得后,由人事行政部予以分类编号并粘贴标签.对于成套设备,各组成部分如单独领用,应分别编号,如购置一套计算机,主机、显示器应分别编号,键盘、鼠标易损可以不单独编号。
2、固定资产的编码方法固定资产编码采用4层8位数字代码表示:第1位表示固定资产的类别;第2、3位表示固定资产取得年份的后两位数;第4、5位表示固定资产取得月份;第6、7、8位表示流水号。
公司固定资产管理制度附全套流程图及表格公司固定资产管理制度一、目的为规范公司的固定资产管理流程,明确责任、加强管理,实现对固定资产的全面监管和有效利用,保障公司资产的安全和价值,特制订本规定。
二、适用范围适用于公司所有固定资产的管理,包括固定资产的购置、领用、存储、使用、维护、报废等所有环节。
三、职责分工1. 公司领导:负责统筹公司的固定资产管理工作,确定固定资产管理的政策、红线与标准;并进行把握。
2. 财务部:负责做好固定资产的会计核算及汇总存档,若发现账目错误、核算不准确应及时处理及上报;提供固定资产管理的专业建议。
3. 采购部:负责固定资产的购置工作,要进行严格的选购、比较再决定,确定价格、供应商的选择和质量检验。
4. 使用部门:负责对固定资产的存放、使用、保养、维护和保管,如发现固定资产的损坏、缺陷及故障应及时通知维修部门进行处理。
5. 维修部门:负责工具及设备的维修、保养,如执意报废应经过相关部门批准。
四、固定资产管理流程图*购入/>采购部 // // // 发票// /*存档 V财务部 <加入>\\ /\\ /发放部门/ \\*添加&查询 *固定资产管理系统五、表格1. 固定资产购置申请表名称:固定资产购置申请表属性:有规范的固定资产购置申请流程和表单,便于统计。
领用人:采购部门。
用途:供领用人员使用,指导采购,查看资产购买情况。
2. 固定资产归还单名称:固定资产归还单属性:有规范的固定资产归还流程和表单,便于统计。
领用人:使用部门。
用途:供领用人员使用,指导资产归还,查看资产的情况。
3. 固定资产调拨单名称:固定资产调拨单属性:有规范的固定资产调拨流程和表单,便于统计。
领用人:使用部门。
用途:供领用人员使用,指导资产调拨,查看资产的情况。
4. 固定资产台账名称:固定资产台账属性:有规范的固定资产存储流程和表单,便于统计。
领用人:财务部门。
用途:供领用人员使用,指导资产存储,查看资产的情况。
公司单位固定资产管理流程及资产统计表一、固定资产管理的流程①固定资产购置计划登记1)对于要求添置资产的部门或个人应填写《固定资产购置申请单》,直属部门经理批准,财务部审核(依据预算或其他),最后总经理签字批准。
2)固定资产的采购由办公室执行。
②固定资产入库购置的资产到达公司后,由办公室负责组织相关部门验收。
验收合格后,进行资产编号,然后填写“固定资产入库单”办理入库手续。
③固定资产领用及登记1)领用部门或人员凭批准的《固定资产领用单》,交办公室,由行政部负责配发相关固定资产。
2)所有固定资产的领用,领用人在《固定资产卡片》和《固定资产标签》上签字。
3)所有资产经行政部入资产库后,需进行登记工作,包括:记帐、建立卡片、标签等。
4)卡片由办公室制作,至少一式二份,由办公室、财务各留一份存档。
④固定资产的维修1)资产的维修、更换、升级、添加等均需交办公室执行;2)对于资产进行维修申请,由资产使用部门/人员填写《固定资产维修申请单》后交予行政部,在获得相关批准后,由行政部负责联系维修。
⑤固定资产的报废固定资产由于正常使用而磨损,最后丧失其使用价值或由于自然侵蚀、意外事故造成固定资产无法修复的毁损或由于其他原因需对固定资产进行报废,需办理相关报废手续。
1)固定资产使用部门或保管部门填写“固定资产报废审批单”,列明固定资产报废原因及固定资产的原值、净值等,鉴定小组签署意见后报分管副总经理、总经理批准后转入固定资产清理程序。
2)在清理过程中,注意节约费用,实事求是对残料进行作价。
3)报废资产处理完毕,对固定资产及时登记,核销账簿记录及固定资产卡片。
保持账、卡、物一致。
⑥固定资产的盘点公司定于每月对资产进行一次实物的清点,清点工作由办公室组织,各部门应给予积极的配2)清点完成后,行政部及财务部需填写《固定资产月盘点表》。
固定资产统计表单位名称:统计时间:。
XXX有限公司固定资产管理制度(2019-9-20)一、总则第一条为了加强公司对固定资产的管理,明确资产管理和使用部门的职责,确保固定资产的安全与完整,提高固定资产的使用效率,特制定本制度。
第二条本制度所指的固定资产是指单位价值在1000元以上、使用期限超过一年,并且在使用过程中保持原有物质形态的资产,包括房屋及建筑物、用于生产经营的机器机械设备、运输设备、工具器具以及其他与生产、经营有关的设备、器具、工具等。
非生产经营性设备单位价值在2000元以上,且使用年限在二年以上的也作为固定资产管理。
不具备以上条件的物质设备,则作为低值易耗品。
第三条本制度适用于本公司及子公司与固定资产的取得、使用、盘点、处置、转移等活动有关的部门及个人。
二、固定资产分类与编码第四条公司的固定资产分为五大类:1、房屋及建筑物,是指公司拥有的供生产经营使用和为职工生活福利服务的房屋、建筑物及其附属设备,如厂房、办公用房、仓库、食堂、宿舍等。
2、机器机械设备,是指各种机器、机械、机组、生产线及其配套设备,各种动力、输送、传导设备等。
3、交通运输工具,是指企业所拥有的交通及运输工具,如汽车、叉车等。
4、电子设备,本项所称的电子设备,是指由集成电路、晶体管、电子管等电子元器件组成,应用电子技术(包括软件)发挥作用的设备,包括计算机、空调、复印机、投影仪、打印机等,以及由电子计算机控制的机器人、数控或者程控系统等。
5、办公家具,是指用于办公及生活用的桌椅、沙发、家具、书橱等。
第五条公司对固定资产实行编码管理。
1、固定资产后取得后,由人事行政部予以分类编号并粘贴标签。
对于成套设备,各组成部分如单独领用,应分别编号,如购置一套计算机,主机、显示器应分别编号,键盘、鼠标易损可以不单独编号。
2、固定资产的编码方法固定资产编码采用4层8位数字代码表示:第1位表示固定资产的类别;第2、3位表示固定资产取得年份的后两位数;第4、5位表示固定资产取得月份;第6、7、8位表示流水号。
其分类结构如图所示。
3、固定资产类别及代码4、固定资产编码示例例如人事行政部2019年10月5日购置显示器一台,则编号为4 19 10 001三、固定资产计价与折旧第六条公司的固定资产原值,应按其不同来源渠道分别确定。
1、购进的固定资产以进价加运输、装卸、包装、保险等费用作为原价,需安装的固定资产,还应包括安装费用;从国外进口设备的原价还应包括按规定支付的关税和附加税;2、投资方投入的固定资产,以投资时各方议定的价格作为入账价值;3、自制自建的固定资产,以制造或建造过程中所发生的实际支出为原价;4、公司对固定资产进行改良所发生的能够增加固定资产价值的支出,要调增固定资产的账面价值;5、盘盈的固定资产,按同类或类似固定资产的市场价格,减去按该项资产的新旧程度估计的价值损耗后的余额,作为入账价值。
6、公司购置计算机硬件所附带的、未单独计价的软件,与所购置的计算机硬件一并作为固定资产管理。
单独计价的软件视用途按有关规定摊销。
7、已达到预定可使用状态但尚未办理竣工决算手续的固定资产,可先按估计价值记账,待确定实际价值后,再行调整。
8、固定资产的入账价值,还应包括公司为取得固定资产而交纳的契税、耕地占用税、车辆购置税等相关税费。
9、为购建固定资产而发生的借款费用,按国家有关规定,应予以资本化。
第七条公司固定资产应按原值入帐,入帐后固定资产价值不能随意变动。
凡属下列情况者方可调整固定资产账面价值:1、增加补充设备或对固定资产进行改良;2、将固定资产一部分拆除;3、根据实际价值调整原来的暂付价值;4、发现原有固定资产价值有错误;5、根据国家规定对固定资产重新估价。
第八条不得随意计提固定资产减值准备。
当有确切的证据表明该类或个别固定资产已经而且在可预见的未来低于市场价值时,经相关部门确认并经总经理批准后,方可对低于市价的差额计提固定资产减值准备。
第九条根据企业会计准则规定,结合本公司的具体情况,折旧方法采用平均年限法。
固定资产的净残值为固定资产原值的5%。
本公司各类固定资产的预计使用年限为:固定资产类别预计使用年限(年)房屋建筑物20机器机械设备5交通运输工具5办公家具5电子设备3第十条除以下情况外,企业应对所有固定资产计提折旧:1、已提足折旧仍继续使用的固定资产;2、按规定单独估价作为固定资产入账的土地。
第十一条当月新增加的固定资产,当月不计提折旧,从下月起计提折旧;当月减少的固定资产,当月仍计提折旧,从下月起不计提折旧;提前报废的固定资产,其净损失计入营业外支出,不再补提折旧。
第十二条已达到预定可使用状态但尚未办理竣工决算的固定资产,应当按照估计价值确定其成本,并计提折旧;待办理竣工决算后再按实际成本调整原来的暂估价值,但不需要调整原已计提的折旧额。
第十三条平均年限法的固定资产折旧率和折旧额的计算公式如下:年折旧率=(l-预计净残值率)÷预计使用寿命(年)×l00%月折旧率=年折旧率÷12月折旧额=固定资产原价×月折旧率第十四条按照规定提取的固定资产折旧,分别按用途性质计入制造费用、管理费用和销售费用等。
四、固定资产取得、验收及领用第十五条固定资产的取得实行预算管理制度1、固定资产的使用部门在每年年底编制本部门下一年度的固定资产预算方案,经部门经理审核后交人事行政部。
人事行政部人员进行整理和汇总,编制固定资产预算。
2、预算审批实行集体决策和审批,由人事行政部经理将预算报告提交至财务部经理,财务部经理审核后提交至财务管理中心总监,财务管理中心总监审核后提交至总经理,总经理组织总经理办公会审议,审议通过后总经理签字下发相关部门。
3、预算报告应从低到高层层审批,每一级审批都应在报告上签名并提出修订建议,防止出现决策失误而给公司造成重大损失。
4、各相关部门应严格执行固定资产投资预算。
对于预算内固定资产投资项目,有关部门应严格按照预算执行进度办理相关手续。
5、对于超预算或预算外固定资产投资项目,应由固定资产相关责任部门提出申请,经总经理审批后再办理相关手续。
第十六条固定资产购置流程1.固定资产的购置由固定资产使用部门填制《固定资产购置申请单》,若属预算外采购,还需递交《预算外固定资产购置说明》。
2.《固定资产购置申请单》由固定资产申购部门经理审核签字后交至人事行政部经理审批,3.人事行政部经理对使用部门提交的购置单进行审核,签字后提交至财务部经理。
4.财务部经理审核签字后提交至财务管理中心总监。
5.财务管理中心总监审核签字后由人事行政部询价、比价,审核表连同报价表一并提交至总经理。
6.总经理审批签字后送交人事行政部进行采购。
第十七条固定资产购置的审批控制1.固定资产使用部门应根据年度固定资产预算以及实际的使用需要详细填列《固定资产购置申请单》。
2.《固定资产购置申请单》的内容应包括固定资产名称、规格、型号、预算金额、实际价格、主要制造厂商以及购置原因等。
3.预算外购置应详细说明购置原因。
4.购置审核审批的内容包括购置目的、购置金额大小、购置的数量、是否符合公司实际需要、购置申请是否由部门经理审核、是否属于预算外购置、是否超预算和超预算原因等。
5、单笔金额超过30万元以上的固定资产购置申请,固定资产使用部门和人事行政部(采购部门)必须进行充分的市场调研,编制可行性研究报告。
报告的内容包括:详细论述购置理由、效益预测、使用效率、选型依据、安装及使用条件等。
6、固定资产购置申请,必须经过总经理审批签字后方可执行。
7、单次采购批量金额大于30万元的固定资产,人事行政部(采购部门)应提交“招标采购申请”,对不宜招投标的,应当进行市场调查和多渠道询价,然后确定供货商。
列入国家项目计划要求的固定资产必须进行招标采购。
8、固定资产经审核为自建或自制的,人事行政部应在《固定资产购置申请表》上写明自建或自制,并附固定资产决算报告,财务依此进行成本核算。
第十八条固定资产验收、入库程序1、采购人员应与厂商联系送货时间及地点。
固定资产送达时,请购单位、采购人员、人事行政部均应派员会同点收数量、检查品质及规格是否与《固定资产购置申请单》相符。
2、固定资产验收合格后,人事行政部开具《固定资产验收登记单》并登记固定资产管理台账,采购人员将固定资产交请购单位使用。
《固定资产验收登记单》一式三联,人事行政部、财务部、使用部门各持一联。
3、人事行政部(采购部门)将《固定资产购置申请单》﹑《购置合同》﹑《固定资产验收登记单》、发票一同送交财务做付款入账之依据。
月末货到票未到,应将除发票外的单据送交财务做暂估入账处理。
4、自制或自建固定资产完工后,由人事行政部组织验收,验收合格的由人事行政部开具《固定资产验收登记单》,验收人员签字确认。
《固定资产验收登记单》一式三联,一份由人事行政部留存,一份交财务部进行相应的帐务处理,一份交使用部门。
5、人事行政部按固定资产编码规则编制固定资产编号并签发固定资产卡片,固定资产卡片一式三份,财务部、人事行政部门和使用部门各一份。
各部门根据固定资产卡片登记固定资产管理台账。
6、《固定资产验收登记单》同时做为验收、入库单据使用(验收、入库两单合一)。
第十九条固定资产的领用1、使用部门需要领用固定资产的,固定资产使用人员提出领用申请,到人事行政部开具固定资产出库单领用。
2、固定资产出库单一式三联,一份由人事行政部留存,一份交财务部,一份交使用部门。
3、一般情况下,固定资产的验收、入库、领用应同时进行,出库单应随着入库单(验收登记单)一起传递到财务部,如入库后未立即领用的,出库单的财务联应由人事行政部传递至财务部。
五、固定资产处置与内部转移第二十条固定资产的内部转移1、固定资产变更使用部门和使用人的,由人事行政部提出意见,并填写《固定资产内部转移单》,经转出部门、转入部门、人事行政部等部门会签,会签单交财务部作内部转移账务处理。
2、《固定资产内部转移单》一式四联,第一联由人事行政部留存,更新固定资产台账,第二联送交财务部门,第三联送交转入部门,第四联送交转出部门。
3、固定资产转移时,应注意固定资产编号保持不变,台账要填写清楚新的使用部门和新的使用人,以便监督管理。
第二十一条固定资产的处置1、固定资产的处置包括盘盈、盘亏、报废、出售、出租、出借等事项;2、固定资产的处置应由使用部门提出并填写《固定资产处置申请单》,人事行政部组织相关部门鉴定后拟定处理意见,报总经理批准后实行。
严禁私自自制、移装、改装公司的固定资产,不得拆卸、挪用零件和自行处理。
3、固定资产处置后,人事行政部应将批准的《固定资产处置申请表》复印件及相关资料交至财务部,财务部对固定资产进行相应的账务处理。
4、《固定资产处置申请表》一式三联,第一联由人事行政部留存,更新固定资产台账,第二联送交财务部门,第三联送使用部门。