固定资产管理表格大全
- 格式:doc
- 大小:80.00 KB
- 文档页数:5
固定资产清单表(完整版)
一、引言
此固定资产清单表(完整版)为了便于管理和追溯公司的固定资产,记录了所有固定资产的详细信息。
本表包含了每个资产的基本信息,例如资产编号、资产名称、规格型号、购置日期、购置金额等。
二、表格结构
三、表格说明
1. 资产编号
每个固定资产都有独一无二的资产编号,用于标识和区分不同的资产。
2. 资产名称
资产名称是对固定资产的简要描述,以便于识别和查找。
3. 规格型号
规格型号描述了固定资产的技术参数和特性。
4. 购置日期
购置日期是指资产购买或租赁的具体日期。
5. 购置金额
购置金额是指购买或租赁资产所支付的金额。
6. 存放位置
存放位置描述了资产所放置的地点或部门。
四、使用方法
使用此固定资产清单表,您可以轻松地查找、管理和追溯公司的固定资产。
您只需在表格中添加新的资产信息或更新现有资产信息即可。
五、总结
通过使用这份固定资产清单表(完整版),您可以更加方便地管理和追踪公司的固定资产。
请确保定期更新资产信息,以保持表格的准确性和实用性。
固定资产增加单管理部门:财产编号:使用部门:一式三联:(1)管理部门(2)会计部门(3)使用部门填单注意事项:(1)以费用支出的固定资产其会计科目除一级科目外,应加填二级科目。
(2)附属设备栏;应详细逐件填列(如马达、仪表等)。
(3)资产成本记录簿:填写成本科目(如购、外购、关税、运什费、基础工程、配管线等项)。
固定资产扩充(报废)计划表年度盘存单一式三份:(1)管理部门自存(2)会计部门(3)总管理处总经理室固定资产增减表附表1管理部门管理部门:主管经办会计部门:主管经办一式三联:(1)管理部门(2)会计(3)使用部门填表注意事项:(1)会科科目栏:资本支出时以一级科目表示,以费用支出时除填一级科目外应加标明二级科目。
(2)资产名称栏:以中文书写,如有附属设备(如发电机仪表等)应于次行顺序列出,但金额可以免填。
(3)以费用支出的资产,耐用年数年折旧额免填。
(4)本表应于次月十五日前由会计部门编妥送管理部门核对,采用电脑处理的部门以电脑报表代替固定资产增加单管理部门:财产编号:使用部门:一式三联:(1)管理部门(2)会计部门(3)使用部门填单注意事项:(1)以费用支出的固定资产其会计科目除一级科目外,应加填二级科目。
(2)附属设备栏;应详细逐件填列(如马达、仪表等)。
(3)资产成本记录簿:填写成本科目(如购、外购、关税、运什费、基础工程、配管线等项)。
固定资产减损单管理部门:使用部门:年月日财产编号:一式四联:(1)管理部门(2)会计(3)使用部门(4)资材仓库填单注意事项:机械设备报损其附属设备的处理情况应在拟处理办法档特别注明。
固定资产移转单管理部门(移出)(移入)使用部门(移出)(移入)年月日财产编号:一式四份:(1)管理部门(2)会计(3)移入部门(4)移出部门闲置固定资产明细表固定资产登记卡(正面)总帐科目:本卡编号:附属设备保险费备注日期凭单号码摘要单位数量资产价值每月折旧额借方贷方余额(反面)移动情况折旧提列情况备注年月日使用部门用途保管员年月日本期提列数截止本期累计数资产净值填表注意事项:(1)本卡适用于机械设备、运输设备、机电性什项设备、新卡的填写由会计部门填制。
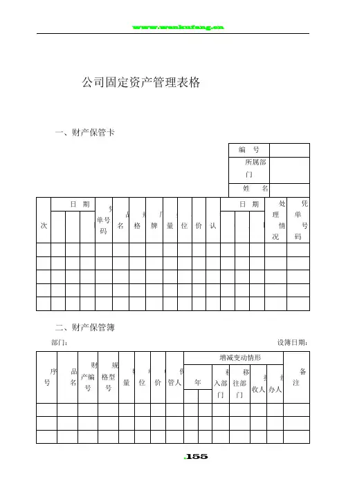
公司固定资产管理表格一、财产保管卡二、财产保管簿部门:设簿日期:三、房屋登记卡(正面)四、固定资产登记卡(正面)总账科目:本卡编号:明细科目:财产编号:填表注意事项:1.本卡适用于机械设备、运输设备、机电性什项设备,新卡的填写由会计部门填制。
2.本卡编号由保管卡片单位自编。
3.附属设备栏:应填名称、规格及数量。
4.折旧提列情况栏的填写:①日期写开始填列的日期,以后各年度如无变列则填该年的元月一日,年度增减时另行填写变动提列的开始日期。
②期提列为以会计年度为准,如期中有所变动时可分填几行。
③产净值为资产价值余额减截止本期累计后的余额。
五、固定资产购置申请单单位:年月日审批:财务总监:主管:六、固定资产申购计划单注本表一式二份,综合行政部、财务部各一份。
七、固定资产增加单管理部门:财产编号:使用部门:会计科目:年月日本单一式三联,管理部门、会计部门、使用部门各一联。
填单注意事项:1.以费用支出的固定资产其会计科目除一级科目外,应加填二级科目。
2.附属设备栏;应详细逐件填列,如电动机、仪表等。
3.资产成本记录簿:填写成本科目,如内购、外购、关税、运输费、基础工程、配管线等。
八、固定资产扩充(报废)计划表九、固定资产停(启)用、封存通知表十、固定资产增减表管理部门:使用部门:年月编号:管理部门:主管经办:会计部门:主管经办:一式三联:管理部门、会计、使用部门填表注意事项:1.会科科目栏:资本支出时以一级科目表示,以费用支出时除填一级科目外应加标明二级科目。
2.资产名称栏:以中文书写,如有附属设备(如发电机仪表等)应于次行顺序列出,但金额可以免填。
3.以费用支出的资产,耐用年数年折旧额免填。
4.本表应于次月十五日前由会计部门编妥送管理部门核对,采用电脑处理的部门以电脑报表代替。
十一、固定资产减损单管理部门:使用部门:财产编号:年月日一式四联:管理部门、会计、使用部门、资材仓库。
填单注意事项:机械设备报损其附属设备的处理情况应在拟处理办法档内特别注明。
公司固定资产管理表格一、财产保管卡二、财产保管簿部门:设簿日期:(正面)四、固定资产登记卡(正面)总账科目:本卡编号:明细科目:财产编号:(反面)1.本卡适用于机械设备、运输设备、机电性什项设备,新卡的填写由会计部门填制。
2.本卡编号由保管卡片单位自编。
3.附属设备栏:应填名称、规格及数量。
4.折旧提列情况栏的填写:①日期写开始填列的日期,以后各年度如无变列则填该年的元月一日,年度增减时另行填写变动提列的开始日期。
②期提列为以会计年度为准,如期中有所变动时可分填几行。
③产净值为资产价值余额减截止本期累计后的余额。
五、固定资产购置申请单单位:年月日六、固定资产申购计划单七、固定资产增加单管理部门:财产编号:使用部门:会计科目:年月日填单注意事项:1.以费用支出的固定资产其会计科目除一级科目外,应加填二级科目。
2.附属设备栏;应详细逐件填列,如电动机、仪表等。
3.资产成本记录簿:填写成本科目,如内购、外购、关税、运输费、基础工程、配管线等。
八、固定资产扩充(报废)计划表年度十、固定资产增减表管理部门:使用部门:年月编号:办:一式三联:管理部门、会计、使用部门填表注意事项:1.会科科目栏:资本支出时以一级科目表示,以费用支出时除填一级科目外应加标明二级科目。
2.资产名称栏:以中文书写,如有附属设备(如发电机仪表等)应于次行顺序列出,但金额可以免填。
3.以费用支出的资产,耐用年数年折旧额免填。
4.本表应于次月十五日前由会计部门编妥送管理部门核对,采用电脑处理的部门以电脑报表代替。
十一、固定资产减损单管理部门:使用部门:财产编号:年月日填单注意事项:机械设备报损其附属设备的处理情况应在拟处理办法档内特别注明。
十二、固定资产出售比价单管理部门:十三、闲置固定资产明细表管理部门:制表日期:年月日共页第页十四、固定资产报废报损审批表财产编号:单位:年月日十五、固定资产移转单(移出)__________________管理部门:(移入)__________________(移出)__________________使用部门:(移入)__________________财产编号:年月日十六、固定资产盘存表部门:存放地点:盘存时间:。
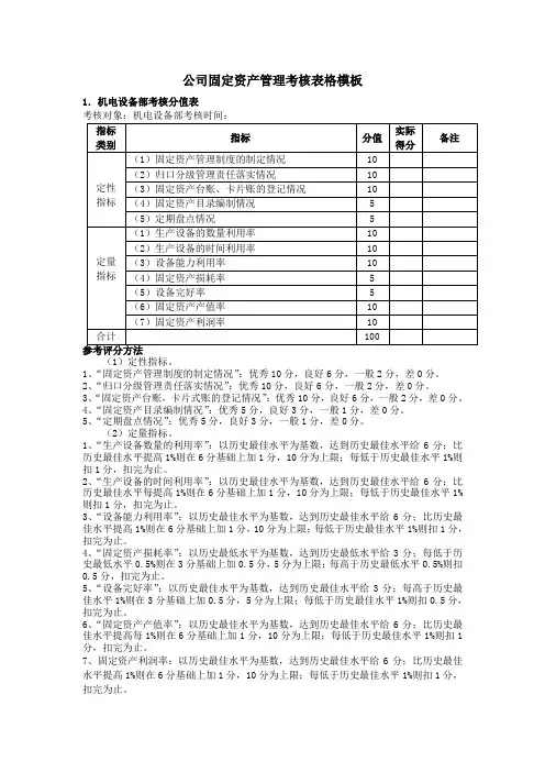
公司固定资产管理考核表格模板1.机电设备部考核分值表(1)定性指标。
1、“固定资产管理制度的制定情况”:优秀10分,良好6分,一般2分,差0分。
2、“归口分级管理责任落实情况”:优秀10分,良好6分,一般2分,差0分。
3、“固定资产台账,卡片式账的登记情况”:优秀10分,良好6分,一般2分,差0分。
4、“固定资产目录编制情况”:优秀5分,良好3分,一般1分,差0分。
5、“定期盘点情况”:优秀5分,良好3分,一般1分,差0分。
(2)定量指标。
1、“生产设备数量的利用率”:以历史最佳水平为基数,达到历史最佳水平给6分;比历史最佳水平提高1%则在6分基础上加1分,10分为上限;每低于历史最佳水平1%则扣1分,扣完为止。
2、“生产设备的时间利用率”:以历史最佳水平为基数,达到历史最佳水平给6分;比历史最佳水平每提高1%则在6分基础上加1分,10分为上限;每低于历史最佳水平1%则扣1分,扣完为止。
3、“设备能力利用率”:以历史最佳水平为基数,达到历史最佳水平给6分;比历史最佳水平提高1%则在6分基础上加1分,10分为上限;每低于历史最佳水平1%则扣1分,扣完为止。
4、“固定资产损耗率”:以历史最低水平为基数,达到历史最低水平给3分;每低于历史最低水平0.5%则在3分基础上加0.5分,5分为上限;每高于历史最低水平0.5%则扣0.5分,扣完为止。
5、“设备完好率”:以历史最佳水平为基数,达到历史最佳水平给3分;每高于历史最佳水平1%则在3分基础上加0.5分,5分为上限;每低于历史最佳水平1%则扣0.5分,扣完为止。
6、“固定资产产值率”:以历史最佳水平为基数,达到历史最佳水平给6分;比历史最佳水平提高每1%则在6分基础上加1分,10分为上限;每低于历史最佳水平1%则扣1分,扣完为止。
7、固定资产利润率:以历史最佳水平为基数,达到历史最佳水平给6分;比历史最佳水平提高1%则在6分基础上加1分,10分为上限;每低于历史最佳水平1%则扣1分,扣完为止。
公司固定资产表格模板
说明:
1.序号:资产的序号,用于标识每一项资产。
2.资产编号:资产的唯一标识码,用于追踪和管理。
3.资产名称:资产的名称或型号。
4.资产类别:如办公设备、办公家具、办公电器等。
5.购入日期:资产的购买日期。
6.购入价格:资产的购买价格。
7.使用部门:资产所属的使用部门或团队。
8.使用状态:如“在用”、“闲置”、“报废”等。
9.折旧年限:资产的预计折旧年限。
10.累计折旧:资产已计提的折旧金额。
11.残值:资产预计的残值或报废时的价值。
12.净值:资产的净值,即购入价格减去累计折旧后的价值。
这个表格只是一个基础模板,具体的列和字段可能需要根据公司的实际需求进行调整。
例如,可能还需要添加关于资产维护、维修、保险、转移等其他相关信息的列。
固定资产管理制度固定资产的定义和分类一、固定资产定义根据国家《企业会计制度》相关规定,固定资产是指为生产商品、提供劳务、出租或经营管理而持有的使用寿命超过一个会计年度的有形资产。
结合本行业资产特点,公司固定资产价值划分标准为单价500元,不符合固定资产标准的,划为低值易耗品管理,按低值易耗品规定管理。
二、固定资产分类根据公司的实际运营管理的需要,把固定资产划分为以下六大类别,财务部会同人事部编制固定资产分类目录。
公司固定资产管理台账应严格按照该目录的分类进行登记。
1、工具设备:把枪(数据采集器)、液压拖车、叉车、打包机、电子秤、仪器等。
2、通讯设备:如服务器、通讯交换机、传真机、对讲机等。
3、计算机系统:如电脑、打印机、扫描仪等。
4、办公设备:如办公家具、办公电器等。
5、未使用固定资产。
6、不需用固定资产。
固定资产管理责任划分一、财务部负责本公司的固定资产账务核算工作。
财务部建立固定资产卡片与核算台账。
二、人事部负责管理全公司的固定资产,应建立全公司固定资产实物管理台账,将资产的管理责任落实到使用人。
三、固定资产的使用部门和使用人为固定资产直接管理责任人,固定资产经验收合格后,不管固定资产所处位置如何,使用部门应指定相关责任人负责本部门固定资产的管理并建立固定资产使用台账。
四、固定资产管理责任人的规定固定资产的管理责任人分为3个等级,即公司级管理责任人、部门级管理责任人和个人管理责任人。
五、固定资产所处的位置固定资产管理责任人应清楚该资产所处的位置。
即使资产被转往其它位置,其维护责任仍属于管理责任人,资产位置的改变并不构成使用部门的改变。
因此固定资产管理责任人应与固定资产所在部门进行协调以确保该固定资产处于正常的维护中。
固定资产的计价、折旧办法1、固定资产计价固定资产按取得时的实际成本作为入账价值,固定资产取得的成本应当根据具体情况分别确定。
2、折旧办法(1)、固定资产计提折旧范围,除下列情况外,公司应对所有固定资产计提折旧:长期闲置不使用的固定资产、已提足折旧继续使用的固定资产、提前报废的固定资产。
公司固定资产盘点表格模板公司名称:____________________日期:_________________________资产编号资产名称购置日期原值(元)使用部门使用状况__________________________________________________________ ____________公司固定资产盘点表格使用说明:1. 此表格用于记录公司的固定资产盘点情况。
每项资产需要按照表格的要求填写相关信息。
2. 资产编号:每个固定资产应有唯一编号,用于标识和追踪资产。
3. 资产名称:填写相应的资产名称,如机器设备、办公家具等。
4. 购置日期:填写该资产的购置日期,用于计算使用年限和折旧。
5. 原值:填写该资产的购置价值,单位为元。
6. 使用部门:填写该资产所属的使用部门,便于统计和管理。
7. 使用状况:填写该资产的使用状况,如正常、维修中、报废等。
8. 可根据实际需要添加额外的列或信息。
示例:资产编号资产名称购置日期原值(元)使用部门使用状况__________________________________________________________ ____________001 计算机 2020-01-01 5000 IT部正常使用002 打印机 2020-02-15 2000 行政部正常使用003 会议桌 2020-03-10 3000 行政部正常使用004 椅子 2020-03-10 500 行政部正常使用005 服务器 2019-12-01 10000 IT部正常使用006 空调 2020-05-20 8000 设备部正常使用注意事项:1. 在盘点时,请仔细核对资产的信息,并填写准确无误。
2. 如有新增或报废的资产,需要及时更新表格,并注明相关信息。
3. 盘点结束后,应将表格保存备份,方便日后参考和资产管理。
4. 为了确保资产盘点的准确性和全面性,可使用多人合作的方式进行盘点,或者采用资产管理软件辅助盘点工作。
固定资产管理表格大全安徽商之都合肥新华店办公用品购置领用表2013年11月28日名称单位数量单价总价采购人员验收人员领用部门(人) 部门印章杖 4 60 240元陈文傅煜佳矿泉水箱 5 216 海红傅煜佳电水瓶个 5 255 1275 陈文傅煜佳精皖香烟包 4 26 104 陈文傅煜佳标识贴纸盒 14 海红傅煜佳水瓶只 8 28 248 王婷婷傅煜佳洋葱公斤 1.562 傅煜佳53.52 海红盒纸盒 6 傅煜佳安徽商之都合肥新华店固定资产领用登记表2013年11月29日中二斗柜20组、分体五节柜2组、会计凭证柜2组、保险柜4组序号资产名称单位数量领用日期领用部门(人)组 8 2013.11.29 运营招商部组 4 2013.11.29 后勤管理部 1 中二斗柜组 3 2013.11.29 综合管理部组 4 2013.11.29 财务信息部组 1 2013.11.29 财务信息部 2 分体五节柜组 1 2013.11.29 综合管理部 3 会计凭证柜组 2 2013.11.29 财务信息部 4 保险柜组 4 2013.11.29 财务信息部2安徽商之都合肥新华店固定资产使用保管登记表(年度发各部门填报)部门: 物品存放地:使用保使用人固定资产名称规格型号数量编号原值领用人、时间备注管人变更3安徽商之都合肥新华店固定资产购置申请表申请部门申请时间固定资产名称规格型号单位数量预计单价预计总价总计财务部负申请部门行政部负责人责人意见: 负责人意意见:见:年月日年月日年月日总经理意见:4安徽商之都合肥新华店固定资产报废申请表申请部门经办人申请时间固定资产名称规格型号单位数量购置原值残值报废原因总计申请部门行政部负责人负责人意见意见年月日年月日财务部负责总经理意见人意见年月日年月日备注5安徽商之都合肥新华店固定资产盘点统计表资产资产资产规格责任人使用人存放资产与账面备类别编号名称型号地点现状是否相注符资产盘点人: 主管资产负责人: 填表人:年月日填表说明:资产现状分为在用、闲置、需维修、待报废四项内容。