瓦楞纸箱内尺寸、制造尺寸及外尺寸计算
- 格式:docx
- 大小:13.30 KB
- 文档页数:4
纸箱外径尺寸、制造尺寸、内径尺寸详解
内径尺寸或内尺寸:是瓦楞纸箱成箱后的内部空间尺寸,比内装物的整体尺寸略大。
生产尺寸或制造尺寸:内径尺寸加所使用瓦楞纸板的厚度为制造尺寸。
外径尺寸或外尺寸:实际制造的尺寸加所使用瓦楞纸板的厚度为外径尺寸。
纸箱是用瓦楞纸板生产加工做出来的,瓦楞纸板是有一定厚度的,分为A、B、C、E等楞型,瓦楞纸板的厚度由瓦楞高度决定,相同的瓦楞,坑数起高,其厚度也就越高;生产纸箱时,为了使瓦楞纸板良好的弯折,通过压线破坏瓦楞纸板内部的瓦楞结构、使其里纸收缩,面纸延伸,成波浪型,现在薄刀分纸压痕机仅对里线压线,面纸上没有两条压痕线,是平整的。
正是源于这个原因才产生了上面所说到的三种尺寸。
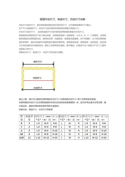
纸箱外径尺寸、制造尺寸、内径尺寸的关系示意图:
通过上图,我们可以看到瓦楞纸箱的外径尺寸=瓦楞纸箱内径尺寸+两个瓦楞纸板的厚度。
瓦楞纸箱的内径尺寸比瓦楞纸箱展开时线与压线间的距离要略短一些,因为折弯处基本没有空隙,基本是实的,越高瓦楞纸板的被折弯的长度越多。
纸箱内径、制造尺寸、外径尺寸转换表
楞别纸板厚
度
内径尺寸(mm)长(L)
*宽*(W)高(H)
制造尺寸(mm)长(L)
*宽*(W)高(H)
外径尺寸(mm)长(L)
*宽*(W)高(H)
B 3 L-3 W-3 H-6 L W H L-3 W-3 H-6
C 4 L-4 W-4 H-8 L W H L-4 W-4 H-8 A 5 L-5 W-5 H-10 L W H L-5 W-5 H-10 AB 8 L-8 W-8 H-16 L W H L-8 W-8 H-16 ACB 12 L-12 W-12 H-24 L W H L-12 W-12 H-24。
纸箱外径尺寸、制造尺寸、内径尺寸的关系及相互转换表三大名词解释:1、内径尺寸,或内尺寸:就是瓦楞纸箱成箱后的内部空间尺寸,比内装物的整体尺寸略大。
2、生产尺寸,或制造尺寸:内径尺寸加所使用瓦楞纸板的厚度为制造尺寸。
3、外径尺寸,或外尺寸: 实际制造的尺寸加所使用瓦楞纸板的厚度为外径尺寸。
三大尺寸产生的原因:大家都知道,纸箱就是用瓦楞纸板生产加工做出来的,瓦楞纸板就是有一定厚度的,分为A、B、C、E、F等楞型,瓦楞纸板的厚度由瓦楞高度决定,相同的瓦楞,坑数起高,其厚度也就越高;生产纸箱时,为了使瓦楞纸板良好的弯折,通过压线破坏瓦楞纸板内部的瓦楞结构、使其里纸收缩,面纸延伸,成波浪型,现在薄刀分纸压痕机仅对里线压线,面纸上没有两条压痕线,就是平整的。
正就是源于这个原因才产生了上面所说到的三种尺寸。
纸箱外径尺寸、制造尺寸、内径尺寸的关系示意图:三个尺寸大小排名:纸箱外径> 生产尺寸> 内径尺寸。
通过上图,我们可以瞧到瓦楞纸箱的外径尺寸=瓦楞纸箱内径尺寸+两个瓦楞纸板的厚度。
示意图中就是用点对平压线方法,平常我们可能会遇到三点式或五点式压线方法成型瓦楞纸箱,其目的也就是一样,通过压线轮底线的凸出部分把瓦楞纸板的受压部位挤进瓦楞纸板的中心位置。
瓦楞纸箱的内径尺寸比瓦楞纸箱展开时线与压线间的距离要略短一些,因为折弯处基本没有空隙,基本就是实的,越高瓦楞纸板的被折弯的长度越多。
纸箱内径、制造尺寸、外径尺寸转换表:备注:1、以上仅为各瓦楞的最高限值的转换,纸板厂实际生产时,各瓦楞基本就是走低限,可以省不小材料。
瓦楞大小范围值可参考上面给出的两篇专题。
2、当客户有特殊要求时,请依实际需要而定;3、对于其它纸箱,如异型箱的尺寸转换,可参照以上规律进行相应的变化。
总之在瓦楞纸箱的生产中,要根据使用的生产设备、不同的生产工艺、所使用的不同楞型纸板,以及内装商品的种类与性质来确定,才能制造出保护商品、美化商品的瓦楞纸箱。
瓦楞纸箱的外径尺寸、内径尺寸及制造尺寸的分析在瓦楞纸箱加工过程中,我们常常遇到纸箱尺寸的问题。
大部分企业是按外径尺寸加工纸箱,对于什么是制造尺寸不清楚。
瓦楞纸箱使用企业也并没有因纸箱尺寸问题提出异议。
外径尺寸、内径尺寸与制造尺寸是否有区别?为什么在瓦楞纸箱生产过程中,要换算成制造尺寸?在理论上得出的结论和实践中的结果是否有出路?带着这些问题我们进行下面的分析和研究。
一、长方体的体积计算公式我们知道长方体是由4组平行线组成,计算公式是长×宽×高。
两点成一线,三点成一面。
假设长方体的尺寸为:长400mm ,宽300mm ,高200mm 。
二、长方体的表面积的计算公式长方体的表面积是由六个面组成,所以:面积=2(长×高)+2(长×宽)+2(高×宽)=2 【(长×高)+(长×宽)+(高×宽)】=2【长×(高+宽)+(高×宽)】三、瓦楞纸箱的展开面积公式如果按上述展开面积计算瓦楞纸箱的展开面积的话,纸板利用率太低了。
我们把上、下长×宽分别取二分之一,纸板的利用率提高了很多。
但仍浪费了2(宽×宽)的面积。
其计算公式为:2(长+宽)×(宽+高)。
所以瓦楞纸箱的展开面积比纸箱的表面积大了2(宽×宽)。
为了方便记忆,我们把前后(长×高)称正唛,左右(高×宽)称侧唛,上(1/2长×宽)称上摇盖,把下(1/2长×宽)称下摇盖,把上(1/2宽×宽)称上内摇盖,把下(1/2宽×宽)称下内摇盖。
正唛、侧唛、上摇盖、下摇盖、上内摇盖和下内摇盖都是二个面积。
四、接舌由于纸箱是盛物体的容器,所以在加工时,需要连接起来。
我们设计了连接用的接舌。
则瓦楞纸板面积公式修改为:瓦楞纸箱面积(㎡)=【2(长+宽)+接舌宽】×(宽+高)上内摇盖、下内摇盖的面积和接舌宽×(宽+高)的面积是庸余面积,是比纸箱表面积多出来的面积。
纸箱制造尺寸确定方法2. 瓦楞纸板厚度Thickness :单瓦楞纸板厚度=面纸厚度+楞高+里纸厚度双瓦楞纸板厚度=面纸厚度+楞高+中隔纸厚度+楞高+里纸厚度按GB/T 6544-2008《瓦楞纸板》:单瓦楞纸板厚度应高于下表所规定相应楞高的下限值。
多层瓦楞纸板厚度应高于下表所规定相应3. BC 双瓦楞纸箱制造尺寸(即模切线尺寸)确定方法(单位mm) 3.1 叠摇盖L 1=L O -5, L 2=L O -10, (L 2与纸箱接头钉合或粘合,包括纸板厚度t, Lo 2= L 2 +t, 故L 1 > L 2)W=W O -5H=H O -25叠摇盖长F=W O -103.2 平摇盖L 1=L O -5, L 2=L O -10,W=W O -5H=H O -15平摇盖长F=(W O -1)÷24. 双芯单C 瓦四层箱制造尺寸(即模切线尺寸)确定方法(单位mm)4.1叠摇盖L 2=L O -7, L 1=L O -3,W=W O -5H=H O -16叠摇盖长F =W O -74.2 平摇盖L 2=L O -7, L 1=L O -3,W=W O -5H=H O -8平摇盖长F =(W O -2)÷2说明:1. 其它单瓦、双瓦楞型纸箱制造尺寸确定方法,可参照以上方法、针对不同瓦楞厚度作相应加减。
2. 因纸箱纸板厚度也存在公差,且各纸箱厂工艺处理存在一点差异,不同纸箱厂制造尺寸确定方法可能会同样存在一点差异,但最终检测标准唯一的, GB 包装箱图纸中尺寸标准常规按外尺寸。
3. 以上适用于内装物为推车单独产品的包装(箱内有空间,折叠后内侧摇盖置于箱内部);对于纸箱偏方、内装物充满整个内部空间的,确定制造尺寸时需考虑所有重叠摇盖的总厚度。
⑴4.其他因素⑴网纹辊的磨损⑵承印物表面拉毛掉粉⑶网点形状不规则⑹网纹辊不清晰。
版次:C分发号:质量管理体系文件瓦楞纸箱设计要求文件编号:DSQS/CG-002-07-2010编制/日期:审核/日期:会签/日期:批准/日期:发布日期:实施日期:例子:五种不同造型结构设计方案:说明:1、同样装24只产品,不同的造型结构带来不同的纸板展开面积,意味着不同的成本,般宽度窄的纸箱成本会低些。
2、设定排列方法时要特别注意装好后与集装箱的宽度及高度是否匹配,纸箱高度与集装箱高度还涉及堆高层数,决定了最下层纸箱承受以配置对应的材质。
二、内径尺寸/制造尺寸/外型尺寸与纸板厚度的关系:瓦楞纸板折角后尺寸变化剖示:页次第4页共3页批准审核编制实施日期0201型箱经折角后长宽尺寸变化剖示:0201型箱经折角后高度尺寸变化剖示:页次第5页共3页批准审核编制实施日期04型折叠箱的尺寸变化关系图析:说明:我司纸箱尺寸定义为“外径尺寸”,测量方案简单设定为两压线间距,(若是全叠盖纸箱的高度测量值不含上摇盖厚度)。
三、造型結构设计程序:(1)设计构想:①、容器内容物的盛装量和盛放的排列结构方式②、容器造型结构的基本形体和构成方式③、纸板材料选配,成型工艺手段,包装使用操作④、制造成本、运输费用、商品安全系数等(2)样品制作:批量定单及高要求的客户需打样箱试装。
(3)试装试验:部分产品不光要试装箱规是否合适,还需试验静压与摔箱等强度测试。
(4)图纸绘制:不同的造型结构都由不同的图线符号、结构部位代号及加工工艺代号表示。
页次第6页共3页批准审核编制实施日期图线符号:结构部位代号:加工工艺代号,符号:页次第7页共3页批准审核编制实施日期四、抗压强度与耐破强度的设计与計算:注:K在下面会作详细介绍。
五、安全系数的测算:印刷工艺\箱规比例\开孔\模切工艺对纸箱抗压强度的影响关系:1、印刷工艺:单色印刷\双色及三色印刷\四色套印\满版面实地--减6~8%,文字内容越多,印刷面积越大,减幅越大(减10-15%),四色套印减20%,满版面实地减20%,满版实地加多色减30%。
按瓦楞纸箱制造工艺原理,用一张一定长、宽的瓦楞纸板,以制造尺寸为基准,进行压痕、弯折后,钉(粘合)合而成型。
压痕必须压透,弯折是向内成90°。
这样,一张瓦楞纸板上,产生了由里向外的排序:内径线→纸板厚度→压痕线→纸层厚度→外径线。
于是,瓦楞纸箱三种尺寸的内在关系便展现在我们的面前:一、过去沿用的公式是:1、制造尺寸=内尺寸+纸板尺寸2、外尺寸=制造尺寸+纸板厚度3、内尺寸+2个纸板厚度=外尺寸经实践,发现按这个公式制造的纸箱,外尺寸比客户需要的实际尺寸要小。
例如用五层纸板(厚7mm以上),客户要求制做外尺寸(长×宽×高)=400×260×260(mm)的纸箱,按公式推算,制造尺寸=外尺寸-纸板厚度,即制造尺寸=393×253×253 。
按这个数字做出的箱子,外尺寸却=395×255×255比实际小了5mm。
二、新的计算公式是:1、内尺寸+纸板厚度=制造尺寸2、制造尺寸+纸层厚度=外尺寸3、内尺寸+纸板厚度+纸层厚度=外尺寸以上公式适用于纸箱的长、宽面。
根据上面所揭示的原理,纸箱高面由于上下各有一条横压线,各有一个90°弯折,所以箱高尺寸的关系是:1、内尺寸+2个纸板厚度=制造尺寸2、制造尺寸+2个纸层厚度=外尺寸3、内尺寸+2个纸板厚度+2个纸层厚度=外尺寸纸层厚度:三层纸板通常=1mm,五层纸板=2mm,七层纸板可按3mm计算。
三、沿用的公式与新计算公式的区别:沿用公式的错误所在:按着这个公式,会在一张瓦楞纸板上,压痕线的上下各出现一个纸板厚度,即在同一个纸板的同一处出现两个纸板厚度,重复计算,故出现计算错误。
新公式则是把瓦楞纸板经过压痕和90°弯折后,区分为纸板厚度(实为纸板高度)和纸层厚度(压痕下纸的叠加厚度),符合客观实际,因而是正确的。
用它计算出来的瓦楞纸箱尺寸,不论是内尺寸、制造尺寸还是外尺寸,都是非常准确的,也是非常实用的。
纸箱内外尺寸一、定义:内尺寸:纸箱合成型后内部尺寸=被包装物的体积内尺寸长度:箱内底面稍长边的尺寸内尺寸宽度:箱内底面稍短边的尺寸内尺寸高度:箱内顶面到底面的尺寸外尺寸:箱最外轮廓尺寸=制造尺寸二、纸箱外尺寸纸箱在内尺寸的基础上设计外尺寸国际五层纸板内尺算外尺长宽高各加1,1,1.7cm 三层长宽高各加0.4,0.4,0.6cm 国内标准: 五层BC 坑不加强坑,长宽高各加1,1,1.5cm五层BC 坑加强坑,长宽高各加 1.2,1.2,1.7cm三层 B 坑长宽高各加0.6,0.6,1.2cm 三层 C 坑长宽高各加0.7,0.7,1.3cm 内箱尺寸换外箱尺寸:内箱组合后的尺寸长宽高各加2,2,2.5cm(五层)三、纸箱制造尺寸(用外尺寸计箱,设长=X, 宽=Y,高=H)五层BC 坑纸板用料尺寸(两页):纸宽=Y+H+2>1cm(啤边),长=X+Y+4.5>2.7cm(结口)压线:上盖=下盖=Y/2+(0.2~0.3cm)中高= H长,宽= X,Y,4.5>2.7cm 结口四、有些客户的外尺寸(箱体积)为制造尺寸长+0.5,宽-0.5,高+1cm(五层BC 坑纸板用料)它的内尺换外尺公式为长宽高各加 1.5,0.5,2cm(五层BC 坑纸板用料)五、纸板是按英寸来开的,所以在纸箱算用料时,当刚好在一个度点上,就要想办法可在纸箱尺寸的宽与高各减0.2cm 来减少一个度的用料.但最好经相关人员确认六、公司内部各客户的尺寸算法1、美的饮水机外尺为:制造尺寸长+0.5cm纸板厚, 宽,高都相同.2、美的电磁炉外尺为:制造尺寸=外尺寸3、美的炊具外尺寸为:制造尺寸=外尺寸4、美的家用电器外尺为:制造尺寸5、美的开利外尺为:制造尺寸6、美的风扇外尺为:制造尺寸7、格兰仕空调外尺为:制造尺寸8、格兰仕微波炉外尺为:制造尺寸9、格兰仕小家电外尺为:制造尺寸10、亿龙电器外尺为:制造尺寸11、百明实业外尺为:制造尺寸12、松下空调外尺为:制造尺寸13、华凌空调外尺为:制造尺寸14、。
瓦楞纸箱是用瓦楞纸板制成的包装运输纸箱,是必不可少的外包装容器,它具有保护性强,密封性和印刷性好、轻便、牢固、便于装卸运输等特点。
被广泛用于家用电器、纺织品、食品等运输包装。
用来制作纸箱的瓦楞纸板是一种十分优良的包装材料,可以纸代木、以纸代塑,加上纸材料可以回收利用,是绿色包装材料,因而受到重视环保的现代社会的青睐,具有良好的发展前景。
瓦楞纸箱是用瓦楞纸板制成的包装运输纸箱,是必不可少的外包装容器,它具有保护性强,密封性和印刷性好、轻便、牢固、便于装卸运输等特点。
被广泛用于家用电器、纺织品、食品等运输包装。
用来制作纸箱的瓦楞纸板是一种十分优良的包装材料,可以纸代木、以纸代塑,加上纸材料可以回收利用,是绿色包装材料,因而受到重视环保的现代社会的青睐,具有良好的发展前景。
== '''瓦楞纸箱直接胶印新技术的市场前景''' ==瓦楞纸箱直接胶印新技术呈现出良好的市场前景。
一方面,胶印本身的特点和胶印彩色印刷的优异质量,迎合了瓦楞纸箱印刷的发展需求。
由于瓦楞纸板本身特有的结构组织,其印刷属于轻压力印刷。
在印刷、加工的过程中,必须以保证纸箱的抗压强度满足使用要求为前提,不能对其抗压强度产生过大的影响,因此,在保证印刷质量的同时需要尽量地减少印刷压力。
而胶印具有印刷压力轻,印刷成本低,装版调机时间短,印刷质量好的优点,迎合了瓦楞纸箱印刷的高质量、多色彩发展方向。
另一方面,新型瓦楞纸板的研制成功,为实现瓦楞纸板直接胶印做出了重要贡献。
市场对包装有少而轻的要求,新型的细瓦楞纸板受到关注,恰好细瓦楞纸板表面平整,特别适合胶印印刷。
其中g型和f型瓦楞纸板稳固性很好,进行实地印刷也没问题。
与此同时,现代胶印机技术的发展,补充了新的设备和新的技术。
高档、高速、高效、高精度、多色、光机电一体化的现代胶印机能够满足瓦楞纸箱印刷的质量要求。
罗兰900胶印机,既可以作为普通的胶印机,又可以印刷瓦楞纸,并且对1㎜厚的瓦楞纸,还配备了不停机给纸装置;高宝在全印展上展示的五色加上光(ra 105-5+l alv cx)对开单张纸胶印机,最厚的承印材料为1.2㎜,配置不停机飞达,自动换版,厚卡纸、瓦楞纸装置。
纸箱外径尺寸、制造尺寸、内径尺寸的关系及互相转换表三大名词解释:1、内径尺寸,或内尺寸:是瓦楞纸箱成箱后的内部空间尺寸,比内装物的整体尺寸略大。
2、生产尺寸,或制造尺寸:内径尺寸加所使用瓦楞纸板的厚度为制造尺寸。
3、外径尺寸,或外尺寸:实际制造的尺寸加所使用瓦楞纸板的厚度为外径尺寸。
三大尺寸产生的原因:大家都知道,纸箱是用瓦楞纸板生产加工做出来的,瓦楞纸板是有一定厚度的,分为A、B、C、E、F等楞型,瓦楞纸板的厚度由瓦楞高度决定,相同的瓦楞,坑数起高,其厚度也就越高;生产纸箱时,为了使瓦楞纸板良好的弯折,通过压线破坏瓦楞纸板内部的瓦楞结构、使其里纸收缩,面纸延伸,成波浪型,现在薄刀分纸压痕机仅对里线压线,面纸上没有两条压痕线,是平整的。
正是源于这个原因才产生了上面所说到的三种尺寸。
纸箱外径尺寸、制造尺寸、内径尺寸的关系示意图:三个尺寸大小排名:纸箱外径 > 生产尺寸 > 内径尺寸。
通过上图,我们可以看到瓦楞纸箱的外径尺寸=瓦楞纸箱内径尺寸+两个瓦楞纸板的厚度。
示意图中是用点对平压线方法,平常我们可能会遇到三点式或五点式压线方法成型瓦楞纸箱,其目的也是一样,通过压线轮底线的凸出部分把瓦楞纸板的受压部位挤进瓦楞纸板的中心位置。
瓦楞纸箱的内径尺寸比瓦楞纸箱展开时线与压线间的距离要略短一些,因为折弯处基本没有空隙,基本是实的,越高瓦楞纸板的被折弯的长度越多。
纸箱内径、制造尺寸、外径尺寸转换表备注:1、以上仅为各瓦楞的最高限值的转换,纸板厂实际生产时,各瓦楞基本是走低限,可以省不小材料。
瓦楞大小范围值可参考上面给出的两篇专题。
2、当客户有特殊要求时,请依实际需要而定;3、对于其它纸箱,如异型箱的尺寸转换,可参照以上规律进行相应的变化。
总之在瓦楞纸箱的生产中,要根据使用的生产设备、不同的生产工艺、所使用的不同楞型纸板,以及内装商品的种类和性质来确定,才能制造出保护商品、美化商品的瓦楞纸箱。
三大名词解释:1、内径尺寸,或内尺寸:是瓦楞纸箱成箱后的内部空间尺寸,比内装物的整体尺寸略大。
纸箱内外径公式转换1已知外径尺寸:⑴制造尺寸(长)二纸箱外径长-1个纸板厚度⑵制造尺寸(宽)二纸箱外径宽-1个纸板厚度⑶制造尺寸(高)二纸箱外径高-2个纸板厚度2、已知内径尺寸:⑴制造尺寸(长)=纸箱内径长÷1个纸板厚度⑵制造尺寸(宽)=纸箱内径宽+1个纸板厚度⑶制造尺寸(高)二纸箱内径高÷2个纸板厚度3、当压线深度=1/2纸板厚度时:外径尺寸=制造尺寸+1个纸板厚度制造尺寸=内径尺寸+1个纸板厚度外径尺寸=内径尺寸+1个纸板厚度4、当压线深度二纸板厚度时:外径尺寸=制造尺寸=内径尺寸÷2纸板厚度扩展资料:纸箱常用的有三层、五层,七层使用较少,各层分为里纸、瓦楞纸、芯纸、面纸,里、面纸有茶板纸、牛皮纸,芯纸用瓦楞纸,各种纸的颜色和手感都不一样,不同厂家生产的纸(颜色、手感)也不一样。
瓦楞纸箱制造尺寸的量法:1纸箱的制造尺寸为制箱时的下料尺寸。
制造尺寸以展开的箱坯上的压线为度量的基准。
2、分切机上的压痕混在压线位置上压出的是一条沟,压线是这条沟槽的中心线。
两条压线的距离就是制造尺寸。
3、将制造尺寸转换为内、外径尺寸可以通过表2速成,但它们也分别有自己的测量方法。
为了便于实际工作中的计算,统一采取加"8"加"4"的规则,即将横向方向上接头和回丝的总和定为8cm,纵向方向上回丝总合定为4cmβ1平口箱面积计算公式平口箱的面积计算可以由下面两条公式表示:单拼纸箱面积S=〔(长+宽)×2+8)×(宽+高+4)双拼纸箱面积S=((长+宽+8)×2)×(宽+高+4)2、上全盖下插口式纸箱面积计算公式切长:1=(长+宽)X2+接头+回丝瓦高:H=I/2宽+插口+高+宽+回丝面积:S=1×H。
瓦楞纸箱内尺寸计算
瓦楞纸箱也是包装中最常见的一种,但是怎么样掌握适当的尺寸是有计算方法的,当设计人员设计好包装时,便会有一个尺寸用来生产包装,通常这种尺寸有两种,我们称之为内尺寸和外尺寸。
那内尺寸和外尺寸又是怎样计算的呢?我们来共同学习一下吧。
内尺寸计算公式:XI二XmaxNx+d(Nx-1)+T+kl
式中:XI ----------------- 纸箱内部尺寸,mm;
Xmax ------------ 内装物在X方向上的最大外尺寸,mm;
Nx ---------------- 装物在X方向上的排列件数;
d ---------------- 中包装间隙系数,mm;
mm;
T ---------------- 隔衬及缓冲厚度,mm; kl ------------------ 尺寸xx系数,
如现已知:1max=400mmbmax=300mmhmax=300mm
n1=10nb=2nh=2
排列方式:10*2*2
查瓦楞纸箱内尺寸xx系数K表,可得:
KL=3mmKB=3mmKH=2mm
贝心Li=40*10+(10-1)*1+3=412mm
Bi=150*2+(2-1)*1+3=304mm
Hi=150*2+(2-1)1+2=303mm
计算制造尺寸
由内尺寸计算制造外尺寸
1、制造尺寸公式:X= Xi+( ni-a)t
式中:X 瓦楞纸箱长、宽、高制造尺寸(mm)
Xi --------- 纸箱内尺寸(mm)
t ----------- 瓦楞纸箱计算厚度(mm)
ni ---------- 由内向外纸板层数
a ---------- 系数
这是理论公式,在实际生产中要根据情况加上适当的xx系数,即:
X=Xi+( ni-a)t+k
因为瓦楞纸板厚度与瓦楞型和纸板层数有关,(ni-a)与箱型有关,一旦楞型,
纸板层数和箱型确定,纸板厚度也就基本确定,所以,在实际设计中,可将上式中的(ni-a)再加上1—3毫米的xx系数而合并成一个常数,任用K表示,则上式简化为:X=XI+K
其中:X ----------- 瓦楞纸箱长宽高制造尺寸(mm)
Xi --------- 纸箱内尺寸(mm)
K ---------- 制造尺寸的xx系数(mm)
2、对接摇盖制造尺寸
在纸箱摇盖对接封合的箱型中,摇盖尺寸理论值应为箱宽制造尺寸的1/2,但是由于摇盖回弹作用,必然在摇盖对接外产生间隙,使封箱不严造成内装物遭尘埃污染,因此,对接摇盖宽度制造尺寸都应一xx值,xx值为摇盖伸长系数X、
f,贝心F=B1/2+Xf
其中:F ----------- 纸箱对接摇盖宽度(mm)
B1 ---------- 纸箱非接合端面宽度制造尺寸(mm)
计算瓦楞纸箱外尺寸
由制造尺寸计算瓦楞纸箱的外尺寸
在流通过程中,不论运费的计算,还是箱面标志中的体积,都要以外尺寸
式中:X 瓦楞纸箱长、宽、高制造尺寸(mm)
为准,因此,在纸箱设计中,不光根据尺寸确定制造尺寸,还要根据制造尺寸计算外尺寸,计算公式:Xo --------------------- 纸箱的外尺寸(mm)
Xmax --------- 纸箱最大制造尺寸(mm)
K ---------- 纸箱外尺寸xx系数(mm)。