支撑渗沟施工技术交底--
- 格式:docx
- 大小:186.35 KB
- 文档页数:7
新建铁路云桂线(云南段)站前工程YGT-8标段工程技术交底书工程名称路基基础交底项目填方交底单位中铁十九局集团云桂铁路云南段八标二分部施工里程D2K701+630-D2K701+730内容:一、填土路基施工方法及工艺要求路基填筑采用水平分层填筑施工方法进行,挖掘机(装载机)装土配合自卸汽车运料,推土机粗平,平地机精平,振动压路机碾压压实。
形成“挖、装、运、平、压、修”一条龙作业,并按“四区段(填料区段、平整区段、碾压区段、检验区段),八流程(施工准备、填料装运、分层填筑、摊铺平整、振动碾压、检测签认、路基成型、路基整修)水平填筑的方法进行施工。
每个区段的长度按碾压机械的最佳距离确定,但最短不能少于40米,从中找出主要矛盾线(施工区段)来控制路基填筑进度。
路基填筑施工工序流程为测量放线、清表、基底处理、摊铺碾压、压实工艺、坡面修整。
(一)测量放线路基基底天然土层碾压经自检合格,对中线,边桩进行复测,直线部分每25米设一个中线桩,曲线每20米设一个整里程桩,在距边桩10米距离的外方向设护桩,以利边桩丢失后及时恢复。
半挖半填断面要放出挖方侧坡顶点和填方侧的坡脚点。
挖填交界断面要放出挖方端坡顶点所在的断面的中心桩、边桩。
根据现场情况布设高程控制点,测其标高,埋设高程和距离控制桩。
(二)清表将路基用地范围内的树木砍伐或移植,将垃圾、有机物残渣及原地面以下至少30cm内草皮、农作物、根系及表土、淤泥全部清除,有计划的堆放储存,留作绿化或弃土场覆土造田用。
对坑、池、窖等进行局部分层回填、夯实处理,分层厚度不得大于50cm。
场地清理后进行全面平整、碾压,使密实度达到设计要求。
(三)基底处理1、地基表层处理基底为松散土层(旱地厚度不超过30cm时,清除杂草后碾压至90%密实度,当松散厚度大于30cm时,应将其翻开,分层压实至90%;填高小于路床厚度(80cm),按下路床的要求(≥96%)处治。
地面自然横坡缓于1∶5,而覆盖层下基岩横坡缓于1∶10~1∶5时,清除地表耕植土并压实后直接填筑路基;而覆盖层下基岩横坡陡于1:5时,先清除地表耕植土,然后挖成台阶(宽度大于碾压机具宽度的1.5倍)后再填筑路基,覆盖土含水量过大时,先翻晒后碾压,压实度达90%;自然坡度陡于1∶5且机岩面横坡陡于1∶5时挖台阶(覆盖较厚通过震动压实地基,压实度达到90%);机岩斜坡上的覆盖较薄时,应将其清除后挖(凿)台阶,自然横坡陡于1∶2.5的路段,先彻底清除覆盖土,凿台阶,以满足路基稳定性的要求。
一、工程名称:_______工程二、交底日期:_______年_______月_______日三、施工单位:_______四、分项工程名称:渗沟施工五、交底提要:为确保渗沟施工过程中的安全,现将渗沟施工的安全技术要求及注意事项进行交底,请全体施工人员认真学习并严格遵守。
六、交底内容:1. 施工前的准备工作(1)对施工人员进行安全教育培训,提高安全意识。
(2)检查施工机械、设备、工具是否完好,确保其安全性能。
(3)检查施工场地,确保场地平整、排水畅通。
(4)对施工人员进行技术交底,明确施工流程、操作规范及安全注意事项。
2. 施工过程中的安全要求(1)施工人员必须佩戴安全帽、安全带等个人防护用品。
(2)施工前,对施工人员进行安全教育,确保其了解渗沟施工的安全注意事项。
(3)施工过程中,严格按照施工方案进行操作,不得擅自更改施工方法。
(4)施工人员应遵守施工现场的安全规定,不得酒后施工、疲劳作业。
(5)施工现场应设置安全警示标志,确保施工区域安全。
3. 施工过程中的注意事项(1)施工人员应严格按照设计要求进行施工,确保渗沟的尺寸、深度、坡度等符合设计要求。
(2)施工过程中,注意观察渗沟的稳定性,发现异常情况及时报告并采取措施。
(3)在施工过程中,应保持施工区域的整洁,不得随意堆放杂物。
(4)施工过程中,注意保护地下管线、电缆等设施,避免损坏。
(5)施工结束后,对渗沟进行验收,确保其质量符合要求。
七、应急预案1. 发生安全事故时,立即停止施工,启动应急预案。
2. 报告上级领导,及时组织救援。
3. 保护现场,协助相关部门进行调查和处理。
4. 对受伤人员进行救治,并做好善后处理工作。
八、总结渗沟施工过程中,安全至关重要。
请全体施工人员严格遵守安全技术要求,确保施工安全。
如有疑问,请及时向项目负责人或安全员咨询。
特此交底!施工单位:_______项目负责人:_______安全员:_______。
支撑渗沟施工作业指导书1 目的指导工人对支撑渗沟的施工作业。
2 适用条件及范围本作业指导书适用于武广客专中铁五局五总队管段的支撑渗沟施工工程。
3 施工准备(1)审阅图纸:仔细审阅设计文件及技术室绘制的施工图纸,审核有无不当之处,图纸所标注的尺寸有无错误、遗漏,是否详尽,有无不明白的地方等;立即与技术主管或相关的技术人员联系,以便及时更正、标注明确。
(2)现场放样及复核:对照施工图纸及技术交底要求,结构物的具体位置,并作好相应的施工调查工作。
(3)根椐现场放样及复核,复核新建排水系统与原灌排系统的连接是否顺畅,不顺畅的不能满足排水要求的,要及时向技术室反映,以便技术人员对排水系统的进一步调整。
(4)施工技术交底:技术人员根据设计图纸、外业及内业资料编制规范的施工技术交底。
施工技术交底资料严格按照技术交底表格格式(可带附件),技术交底应有交底图、文字说明及施工注意事项,并有交接双方签字记录等。
4 主要机具设备挖掘机、汽车、混凝土拌和机、砂浆拌和机、小直径插入式捣固器、潜水泵、装载机。
5 劳动组织施工负责人1人,技术2人,安全1人,质量1人,石工15人,混凝土工5人,电工1人,其他杂工5~15。
6 施工方法6.1材料准备(1)根据设计要求,组织所需材料进场,并即时对所有进场材料进行送检,合格后方可用于本工程。
对于不合格材料要即时将其清理除场,不允许不合格材料留在施工场地内。
(2)所有材料必须分类堆码整齐,并做好相应的标识牌。
6.2施工要求(1)渗沟的开挖宜自下游向上游进行开挖,应随挖随即进行支撑并迅速回填,不可暴露太久,以免造成坍塌,渗沟应间隔进行开挖。
(2)渗沟沟槽开挖必须保证沟槽两壁平顺,基础表面应平整,严禁出现反坡或凸凹不平现象。
(3)渗沟沟内用作排水和渗水的填充料在使用前必须经过筛选和清洗,回填时应防止土工织物的渗沟受到损伤。
(4)沿渗沟每隔10~15m或当渗沟通过软硬岩层分界处时应设置伸缩缝或沉降缝。
技术交底表格编号技术交底书38项目名称昌赣客专CGZQ-7标第 1 页共 2 页交底编号工程名称DK253+450~DK254+435.8段路基设计文件图号施工部位路堑边坡支撑渗沟交底日期2015年 12 月 20 日技术交底内容:一、工程简介:DK253+450~DK254+435.8,工点长985.8m,前接路基,后接泰和赣江特大桥DK253+500-DK253+757.5、DK253+882.5- DK253+982.5左侧、 DK253+582.5- DK254+197.5、DK254+410- DK254+435.8段右侧路堑边坡设支撑渗沟,渗沟宽1.5m,深1.5m,路堑采用骨架护坡地段纵向间距7.3m,骨架护坡地段设置于主骨架处。
二、准备工作1、根据设计要求,组织所需材料进场,并及时对所有进场材料进行送检,合格后方可用于施工。
对于不合格的材料要即时清出场地,不允许不合格的材料留在施工场地内。
2、所有材料必须堆码整齐,并做好相应的标识牌。
三、施工工艺1、测量放样复合对照施工图纸及技术交底的要求,结构物的具体位置,进行现场放样,并复合地下排水系统与地表排水系统以及新建排水系统与原灌排系统的连接是否顺畅,不顺畅的或不能满足排水要求的,要及时向技术部门反映,以便技术人员对排水系统的进一步调整。
2、沟槽开挖沟槽采用人工配合机械开挖。
土质地段机械开挖至沟槽底时,预留10~20cm采用人工开挖。
石质地段开挖时,先爆破或机械松动后再人工整形。
沟槽开挖宜自下向上进行开挖,应随挖随机进行支撑,并迅速回填,不可暴露太久,以免造成坍塌,渗沟应间隔进行开挖。
沟槽开挖必须保证两壁平顺,基础表面应平整,严禁出现反坡或凹凸不平现象。
交底人:复核人:接受人:时间:。
渗沟施工技术交底1. 工程概况本项目为XXX工程,位于XXX地区,主要包括XXX渗沟,用于实现XXX目的。
渗沟施工质量直接关系到整个工程的运行效果和寿命,因此,必须严格按照以下技术要求进行施工。
2. 施工准备1.熟悉施工图纸和相关技术规范,了解渗沟的结构形式和施工要求。
2.准备施工所需的各种材料、设备和工具,确保质量合格。
3.对施工人员进行技术培训和安全教育,确保施工人员了解渗沟施工工艺和注意事项。
4.准备施工记录和验收资料,确保施工过程可追溯。
3. 施工工艺1.土方工程:根据设计图纸,开挖渗沟沟槽,确保沟槽尺寸和坡度符合要求。
注意保持沟槽稳定,防止坍塌。
2.基础处理:对沟槽基础进行处理,确保基础坚实、平整。
基础处理方法应根据地质条件选择,如压实、排水、换填等。
3.砌筑渗沟:按照设计要求,选用合适的材料(如砖、石、混凝土等)砌筑渗沟。
砌筑过程中,注意砂浆饱满,砖石间错缝,确保结构稳定。
4.防水层施工:在渗沟砌筑完成后,施工防水层,防止水分渗透。
防水层材料可选用防水砂浆、防水涂料等。
5.排水设施:根据设计要求,设置排水设施,如排水管、排水沟等,确保渗沟内水分能够及时排出。
6.回填及压实:施工完成后,对渗沟进行回填,并分层压实,确保回填土密实。
4. 施工质量控制1.严格把控材料质量,确保原材料合格。
2.加强施工过程监控,确保施工质量符合设计要求。
3.做好施工记录,及时反馈施工过程中出现的问题,确保问题得到及时解决。
4.施工完成后,组织验收,确保工程质量达到预期目标。
5. 安全文明施工1.加强施工现场安全管理,严格执行安全规定,防止安全事故发生。
2.做好文明施工,保持施工现场整洁,遵守环保法规。
3.对施工人员进行安全教育,提高安全意识。
6. 施工进度及验收1.按照施工计划组织施工,确保工程进度。
2.施工过程中,加强沟通协调,确保各环节顺利进行。
3.工程完成后,及时组织验收,确保工程质量。
请各位施工人员严格遵循其他技术要求,确保渗沟施工质量,为整个工程的成功奠定基础。
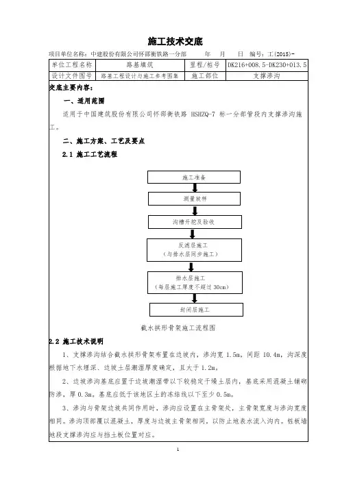
施工技术交底项目单位名称:中建股份有限公司怀邵衡铁路一分部年月日编号:工(2015)-单位工程名称路基填筑里程/桩号DK216+008.5-DK230+013.5 设计文件图号路基工程设计与施工参考图集施工部位支撑渗沟交底主要内容:一、适用范围适用于中国建筑股份有限公司怀邵衡铁路HSHZQ-7标一分部管段内支撑渗沟施工。
二、施工方案、工艺及要点2.1 施工工艺流程施工准备测量放样沟槽开挖及验收反滤层施工(与排水层同步施工)排水层施工(每层施工厚度不超过30cm)封闭层施工截水拱形骨架施工流程图2.2 施工技术说明1、支撑渗沟结合截水拱形骨架布置在边坡内,渗沟宽1.5m,间距10.4m,沟深度根据地下水埋深、边坡土层潮湿厚度确定,且大于1.2m。
2、边坡渗沟基底应置于边坡潮湿带以下较稳定干燥土层内,基底采用混凝土铺砌防渗,厚0.3m。
基底应低于该地区土的冻结线以下至少0.5m。
3、渗沟与骨架边坡共同作用时,渗沟应设置在主骨架处,主骨架宽度与渗沟宽度相同。
渗沟顶部覆以混凝土,厚度与边坡主骨架相同,以防止地表水流入沟内。
桩板墙地段支撑渗沟应与挡土板位置对应。
4、渗沟断面采用矩形。
排水层采用干砌片石充填。
排水层与深水沟壁土之间需设置反滤层,反滤层采用砂砾石和卵砾石,各层厚0.15m。
5、当渗沟顶部和基础采用混凝土浇筑时,强度不得低于C25混凝土。
6、渗沟的出水口应与纵向排水设施或挡土墙上的排水孔紧密衔接,保证排水通畅。
其下部设排水孔,排水孔出口位于路堑平台以上,排水孔采用φ=0.1m的pvc排水管。
2.3施工方法1、施工准备(1)根据设计要求,组织所需材料进场,并及时对所有进场材料进行送检,合格后方可用于施工。
对于不合格的材料要即时清出场地,不允许不合格的材料留在施工场地内。
(2)所有材料必须堆码整齐,并做好相应的标识牌。
2、测量放样复合对照施工图纸及技术交底的要求,结构物的具体位置,进行现场放样,并复合地下排水系统与地表排水系统以及新建排水系统与原灌排系统的连接是否顺畅,不顺畅的或不能满足排水要求的,要及时向技术部门反映,以便技术人员对排水系统的进一步调整。
新建蒙西至华中地区铁路湘赣段路基工程编号:MHTL32-LJJD-009支撑渗沟+浆砌片石拱形骨架护坡施工技术交底中铁二十四局集团有限公司蒙华铁路MHTJ-32标段项目经理部二〇一七年三月支撑渗沟+浆砌片石拱形截水骨架施工技术交底1、支撑渗沟+拱形骨架结构尺寸说明坡,骨架净距3.0m,主骨架厚度0.8m,拱骨架厚0.6m,骨架内采用喷播植草+栽种灌木结合防护。
其中两侧路基边坡设支撑渗沟,渗沟宽1.5m,纵向间距8.3m,设置于主骨架处,具体布置详见施工图。
骨架护坡镶边与堑顶连接大样图骨架护坡的起、终点侧边及顶部设镶边,底部基础设斜长0.8m(斜长)的镶边,下镶边厚度0.4m。
踏步:延纵向坡面长度每隔100m在主骨架设置一处踏步;如纵向坡面长度不大于100m时,应在最高处设置一处踏步,踏步宽0.6m,单级高0.2m,厚度根据主骨架厚度而确定。
2、原材料技术要求原材料到进场前(片石、中粗砂、水泥),立即通知实验室人员到现场取样,实验室出合格报告后,方可使用。
片石强度为不小于30Mpa,石料最短边厚度不得小于15cm,要求不能使用薄片石,片石进场前,立即通知实验室到现场取样,由实验室出合格报告后,才可以使用。
不合格片石,不得使用。
3、按设计结构尺寸排版刻槽。
路堤与路堑拱骨架排版:路堤应从路肩处向下坡脚排版,最下面坡面斜高高度小于3m时,则不设置拱骨架。
路堑应从路肩向上路堑顶面排版,最上面的坡面斜高高度小于3m,则不设置拱骨架。
测量放线,把坡顶和坡脚线放样出来,人工将坡面清刷大体顺直美观,现场用灰线画出主骨架和拱骨架的位置,主骨架沟槽可以采用小型挖机开挖。
挖机斗宽宜采用40cm的斗宽。
人工挂线清理主骨架并开挖拱骨架。
基槽开挖成型后深度为50~70cm。
沟槽检测,沟槽深度偏差:+30mm、0。
主骨架刻槽深度为70cm,拱形骨架刻槽深度为50cm。
4、砂浆拌制技术要求砂浆设计配合比为:水泥:砂:水 1:5.06:0.77每方用量kg:水泥:砂:水 293:1482:225现场砂浆严格按照配合比进行,水泥采用分宜海螺P.042.5水泥,严禁使用P.032.5水泥代替,每盘砂浆按水泥1包(每包水泥50kg)进行拌制,中粗砂每桶重量为15kg,水每桶重量为7.8kg,每盘砂浆需用砂17桶,每盘砂浆需水5桶。
支撑渗沟施工技术交底1.前言支撑渗沟是建筑工地上常见的一种地下水的控制措施,其施工质量好坏直接影响着建筑物的安全性。
为了确保支撑渗沟施工质量,本次技术交底将对支撑渗沟的施工工艺、施工注意事项、验收标准等进行详细分析说明,以便施工人员在工作中能够遵照规范执行,确保施工质量,保障工地安全。
2.施工工艺2.1.基础准备在支撑渗沟施工前,需严格按照设计文件要求进行道路、人行道、草皮等的拆除工作,使施工现场裸露出需要施工的墙体和地表结构。
2.2.支撑渗沟施工步骤2.2.1.第一步,准备材料准备好需要使用的支撑材料、钢丝绳、液压顶杆和其他工具,提前检查设备的合格性,做好施工前材料储存。
2.2.2.第二步,测量墙面高度利用测量仪器精确测量被支撑的墙体高度,以确定支撑固定材料的长度和规格。
2.2.3.第三步,固定钢支撑架根据墙体高度和设计要求选择合适长度和规格的支撑架,将支撑架固定在墙面上,注意每一个支架必须夯实以保证其安全可靠。
2.2.4.第四步,搭设模板和斜撑在进行支撑工作时,必须先搭设模板,其中包括竖向支撑和横向支撑,支撑架之间使用斜撑连接固定,以确保支撑结构稳固可靠,模板制作要求精确,模板间距不得超过设计要求。
2.2.5.第五步,施工混凝土浇注支撑架固定、模板搭设完毕之后,开始进行混凝土浇筑,流动性好的混凝土倾倒在墙体上,并在混凝土表面进行细节处理。
在混凝土的充分固化后,可以拆除模板和支撑结构。
3.施工注意事项3.1.施工现场施工现场必须保持干燥、卫生和整洁,特别是在混凝土浇筑时,必须避免雨水、沙土和泥浆的进入,影响施工质量,造成延误。
3.2.材料储存材料储存要做到分类规整,在施工现场场地不太够的情况下,分类储存会使工人更方便和快捷。
3.3.注意施工工具的使用注意施工工具的使用情况,经常对工具进行清理,保持良好的工作状态,程序无误,以确保施工操作的准确性和安全性。
3.4.严格按照施工要求进行施工施工人员应严格按照现场要求进行施工,特别是在混凝土浇筑过程中,千万不能有纵向和横向偏差,否则将对接下来的水泥做出负面的影响。
支撑渗沟施工技术交底书
3、质量标准
表3-1 支撑渗沟允许偏差、检验数量及检验方法
序号检验项目允许偏差检验方法
1 沟中心位置+50mm 仪器测量或尺量
2 沟底高程+20mm 仪器测量
3 申购断面尺寸-20,+50mm 尺量
4、安全措施
(1)认真贯彻“安全第一,预防为主”的方针,根据国家有关规定、条例,结合施工单位实际情况和工程的具体特点,建立完善的施工安全保证体系,执行安全生产责任制,明确各级人员的职责,抓好工程的安全生产。
(2)关键工序上墙,技术工种持证上岗。
参与施工的人员均应经过培训和技术交底,熟悉施工序流程及关键环节。
(3)安全防护措施齐备,设备器具必须合理使用。
严禁对运转中的设备进行维修、保养调整等作业。
(4)与当地气象部门加强联系,了解近期气象预报,掌握雨讯情况,做到心中有数,一旦遇有灾害性天气和水情,及时做出部署。
(5)交叉施工的工程项目,在施工前了解交叉施工作业内容、施工时间、安全注意事项等,必要时派专人进行协调、防护,确保安全。
编制复核审核。
工程技术交底单工程名称:ss新建铁路dffJ—f标DdKdfdfd+dff~DfKfds+fffffff段路基施工单位:fsfsfsdfdsf公司fsdfs新建铁路GGTJ—df标项目经理部第dfd项目部交底单名称路基D3Kfsf1+fds~D3Kffd+fdfsd段边坡防护技术交底交底依据区间路基设计图、路基工程设计与施工专用图里程桩号D3Kfdf+dfd~D3Kfd+fdfdfdfd工程部位路基一、交底范围:1、D3K+dsdfs~D3K+sdfd段,长20m,线路左侧路堑挖方边坡设置人字型截水骨架内喷播植草间植灌木护坡,详见“xcx施路专-09”图。
2、D3K+dsdfs~D3K+sdfd段,段,长225m,线路左侧路堑挖方边坡设置人字型截水骨架内喷播植草间植灌木护坡,主骨架间距5m,支骨架3m,详见“xx施路专-10-2”图。
在D3K1xcxc+1cx、D3K12cx+cxc0、D3Kcxc2+cx、D3K1cxc+cxc断面共设置四道检查踏步,详见“xcx施路专-10-3”图。
每间隔一个主骨架将主骨架改为支撑渗沟,共二十道,详见“xcx施路专-22”图,并于支撑渗沟设置拦水缘3、D3K+dsdfs~D3K+sdfd段,段,长10m,线路左侧路堑挖方边坡设置喷播植草间植灌木护坡,详见“xcx施路专-9”图。
4、D3K+dsdfs~D3K+sdfd段,段,长270m,线路右侧路堑挖方一级边坡设置人字型骨架内噴播植草间植灌木护坡。
主骨架净距为5m,支骨架净距3.0米,详见“xc施路专10-2”图,在D3K1xcx+xcx、D3K1xc+xc、D3K1cx2+xcx、D3Kc+xcx断面共设置四道检查踏步,详见“cxc施路专-10-3”图。
每间隔一个主骨架将主骨架改为支撑渗沟,共24道,详见“xcx施路专-22”图,并于支撑渗沟设置拦水缘.5、D3K+dsdfs~D3K+sdfd段,段,长51m,线路右侧路堑挖方二级边坡设置人字型骨架内噴播植草间植灌木护坡。
渗沟、盲沟技术交底盲沟渗沟施工技术交底一、工程概况:本工程位于k51+540-k77+780路基全线路堑、换填边沟底部设置纵向渗沟,在挖方段落、换填段落采用横向盲沟。
二、渗沟施工方法:测量放线----设置水准控制点----土方机械开挖----人工修坑壁----铺设渗水土工布----土工布底面及两侧涂抹高20cm沥青----铺设固定D=10cm透水管----填码3-6cm碎石。
(一) 渗沟结构形式:①Ⅰ型渗沟尺寸高45cm、宽80cm,四周用渗水土工布包裹,顶面搭接宽度为20cm,两侧及底面涂抹沥青,两侧涂抹高度20cm,底面铺设D=10cm软式透水管。
渗沟内填筑3-6cm碎石。
②Ⅱ型渗沟尺寸高50cm、宽80cm ,四周用渗水土工布包裹,顶面搭接宽度为20cm,两侧及底面涂抹沥青,两侧涂抹高度20cm,底面铺设D=10cm软式透水管。
渗沟内填筑3-6cm碎石。
(二)渗沟技术要求及措施:1.测量放线:按照图纸要求,要求测量组将地下渗沟的边线、控制线放出来。
2.设置水准控制点:测量组在地下渗沟周围设置标高控制点,控制点要求设置明显便于利用。
水准点设置好后需要进行保护,设置明显标志以免破坏。
水准点应在每段地下渗沟位置设置。
3.土方机械开挖:放线及水准控制点设置好了以后,开始进行地下渗沟的土方开挖。
土方开挖要求垂直开挖,由于开挖深度较大,因此要求机械操作员要较好的控制,避免开挖时触及边坡导致边坡塌方。
土方挖至设计标高之上较小时采用人工清槽的方式挖土至设计标高。
开挖出的土方要求至少距离坑边2m以上,避免荷载过大导致坑壁塌方。
4.人工修坑壁:机械开挖完成后,由于机械开挖时坑壁较为粗糙,因此要采取人工方式进行坑壁的修顺修直。
5.铺贴渗水土工布:采用人工滚铺土工布:布面要平整,并适当留有变形余量土工布的安装通常用搭接、侧壁钉固。
搭接宽度一般为不小于0.2M。
铺固完成后要在底面及侧面涂抹高20cm沥青,一定要保证涂抹率100%,避免渗水从渗沟底侧面较低处向路基内溢出。
一、交底对象接受交底单位:[具体施工班组或单位名称]交底日期:[具体日期]二、交底内容一、一般安全规定1. 人员要求:所有参与浆砌渗水沟施工的工人必须熟悉本工种的安全操作规程,并已通过“三级”安全教育方可上岗。
施工过程中不得违章作业,严格遵守劳动纪律。
2. 个人防护:进入施工现场必须佩戴安全帽,正确使用个人防护用品。
严禁穿高跟鞋、拖鞋和光脚作业,施工现场严禁吸烟,酒后不得上岗作业。
3. 照明设施:夜间作业必须有足够的照明设施,严禁使用碘钨灯等不符合安全标准的照明设备。
4. 机械设备:机械操作人员必须熟悉设备的使用性能和安全操作规程。
设备技术状态必须良好,安全设施齐全有效,外露传动部分必须有防护装置,严禁带病作业。
5. 作业前检查:作业前必须检查设备技术状态和安全设施是否完好,试转正常后方可进行作业。
6. 车行安全:由于路面施工车辆较多,施工人员需注意车行安全,遵守交通规则。
二、针对性安全交底内容1. 材料运输:人工手推车推(抬)运石块时,脚手跳板应铺满,如人工抬,跳板宽度应大于60cm;如用手推车,跳板宽度应大于150cm。
严禁出现探头板,跳板接头处用铅丝绑扎牢固。
2. 脚手架与平台:脚手架或作业平台上堆放的物品不得超过1吨,砌筑材料应随到随砌。
确保脚手架或平台稳固,必要时进行加固。
3. 砌筑作业:搬运砌筑材料时,应听从指挥信号;砌筑材料运到砌筑面时,作业人员应避让,待材料停稳后方可向前砌筑。
4. 大块石料抬运:人工抬运大块石料时,应绑捆牢靠,抬运动作协调一致,缓慢进行。
5. 防滑措施:施工现场湿滑处应设置防滑措施,如铺设草垫、麻袋等。
6. 紧急处理:遇有突发情况,如人员受伤、设备故障等,应立即停止作业,并采取相应措施进行处理。
三、质量要求1. 确保浆砌渗水沟的施工质量符合《铁路混凝土工程质量检验评定标准》TB10424-2010等相关规范要求。
2. 砌体砂浆配合比准确,砌缝饱满,无蜂窝、麻面等缺陷。
施工技术交底
项目单位名称:中建股份有限公司怀邵衡铁路一分部年月日编号:工(2015)-
交底主要内容:
一、适用范围
适用于中国建筑股份有限公司怀邵衡铁路HSHZQ-:标一分部管段内支撑渗沟施工
4、渗沟断面采用矩形。
排水层采用干砌片石充填。
排水层与深水沟壁土之间需设置反滤层,反滤层采用砂砾石和卵砾石,各层厚0.15m。
5、当渗沟顶部和基础采用混凝土浇筑时,强度不得低于C25混凝土。
6渗沟的出水口应与纵向排水设施或挡土墙上的排水孔紧密衔接,保证排水通畅。
其下部设排水孔,排水孔出口位于路堑平台以上,排水孔采用© =0.1m的pvc排水管。
2.3施工方法
1、施工准备
(1)根据设计要求,组织所需材料进场,并及时对所有进场材料进行送检,合格后方可用于施工。
对于不合格的材料要即时清出场地,不允许不合格的材料留在施工场地内。
(2)所有材料必须堆码整齐,并做好相应的标识牌。
2、测量放样复合
对照施工图纸及技术交底的要求,结构物的具体位置,进行现场放样,并复合地下排水系统与地表排水系统以及新建排水系统与原灌排系统的连接是否顺畅,不顺畅的或不能满足排水要求的,要及时向技术部门反映,以便技术人员对排水系统的进一步调整。
3、沟槽开挖
沟槽采用人工配合机械开挖。
土质地段机械开挖至沟槽底时,预留10〜20cm采用
人工开挖。
石质地段开挖时,先爆破或机械松动后再人工整形。
沟槽开挖宜自下向上进行开挖,应随挖随机进行支撑,并迅速回填,不可暴露太久,以免造成坍塌,渗沟应间隔进行开挖。
沟槽开挖必须保证两壁平顺,基础表面应平整,严禁出现反坡或凹凸不平现象。
4、反滤层和排水层施工
用作排水和渗水的填充料在使用前必须经过筛选和清洗。
反滤层采用人工填筑,排水层分层同步施工。
采用两种不同粒径的集料时不应混填,严禁采用非渗水性土代排水层采用干砌片石时,每层施工厚度不宜超过30cm干砌时,除应断面整齐,砌筑密,互相错缝和同层(排)片石大小一致外,尚应符合下列规定:
①排水层应选用扁形和易于衔接的片石,其长轴线应垂直斜坡。
②片石应长卧扁立。
分层立砌时,接缝应错开。
当片石不易互相衔接时上下邻层
应向相反方向略为倾斜,如下图所示。
購2的片石’不JB同曲片石,
接薙错开立砌略fl认字磁SB法
7、支撑渗沟中心间距、沟身长度、断面尺寸、反滤层厚度、封闭层厚度允许偏差及检验标准应符合下表规定。
附图:
1、支撑渗沟出口与护坡相接主沟断面图
2、支撑渗沟出口与挡墙相接主沟断面图
3、支撑渗沟出口与桩板墙相接主沟断面图
4、支撑渗沟横断面图
编制人复核人签发人
接受人
附图二:支撑渗沟出口与挡墙相接主沟断面图■J
附图一:支撑渗沟出口与护坡相接主沟断面图
猛£*,手耐胡£ . H —叶石占
彩出口与挡墙拍叱洵纵斷砂悩 …
1: 100
附图三:支撑渗沟出口与桩板墙相接主沟断面图
盘進比申荷护轩〕碑畅、刊濟.扎冷五
湊沟出口与扼板堵#时t 主沟処斷血图
匸帥 "恥*仇-
附图四:支撑渗沟横断面图
【
土
h
曲曜
Sl^l) —
*■,-庐 百.:u 匸//
0. IS /
/»*< { QL
am 土鼻丄JIO *J f P 牝塑耳
■玛雎*姉卵赫,坤石.碼不丸呂竝。