钢支撑施工技术交底
- 格式:doc
- 大小:2.63 MB
- 文档页数:14
钢支撑施工技术交底钢支撑,是一种常用的工程施工支撑手段。
它以钢材为主要材料,并通过一系列的施工工序进行安装和固定。
本文将对钢支撑的施工技术进行详细介绍,包括施工前的准备工作、现场安装流程和注意事项等内容。
一、施工前的准备工作1. 设计和测量工作:在进行钢支撑施工之前,首先需要进行设计和测量工作。
根据设计方案,确定支撑的形式和尺寸,并进行实地勘测和测量,确保施工的准确性和安全性。
2. 材料准备:钢支撑施工所需的材料主要包括钢材、连接件和固定材料等。
在进行施工前,需要对所需材料进行验收,并确保其质量和数量符合设计要求。
3. 人员组织和培训:钢支撑施工需要一定的专业知识和技术能力,因此需要合理组织施工人员,并确保其具备相关的培训和资格证书。
同时,施工现场需要配备专业的监理人员,确保施工按照规定进行。
二、现场安装流程1. 地基处理:在进行钢支撑施工之前,需要对地基进行处理。
根据设计要求,清理地基表面,并确保地基平整、坚固。
2. 钢支撑的搭设:根据设计要求,进行钢支撑的搭设工作。
首先安装垂直支撑,然后进行水平支撑的安装。
在安装过程中,需要注意支撑的位置和角度,并使用水平仪进行调整。
3. 连接和固定:在完成钢支撑的搭设之后,需要进行连接和固定工作。
使用适当的连接件和固定材料,将钢支撑连接在一起,并固定在地基上。
连接时,需要保证连接牢固,固定时,需要按照设计要求进行。
4. 检查和调整:在钢支撑的安装完成后,需要进行检查和调整工作。
检查支撑的连接是否牢固,支撑是否垂直、水平。
如有问题,及时进行调整和处理。
三、注意事项1. 安全第一:在进行钢支撑施工时,安全是最重要的。
施工人员要佩戴好安全装备,严格按照安全操作规程进行施工,确保施工过程中的安全。
2. 合理使用材料:在钢支撑施工中,要合理使用材料,避免浪费。
材料的选择要符合设计要求,并进行验收。
在使用连接件和固定材料时,要选用合适的材质和规格。
3. 检查施工质量:在施工过程中,要随时检查工作质量。
一、交底目的为确保基坑钢支撑施工过程中的安全,提高施工人员的安全意识,降低安全事故发生的风险,特制定本安全技术交底。
二、交底对象1. 基坑钢支撑施工全体人员;2. 施工现场管理人员;3. 相关施工技术人员。
三、交底内容1. 基坑钢支撑工程概况(1)工程名称:____________________;(2)工程地点:____________________;(3)施工内容:____________________;(4)工期:____________________。
2. 安全生产责任制(1)施工单位应建立健全安全生产责任制,明确各级人员的安全职责;(2)施工现场应设置安全警示标志,确保施工人员知晓安全风险;(3)施工现场应配备必要的安全防护设施和应急救援设备。
3. 施工前准备(1)施工前,应对施工现场进行勘察,了解地质条件、周边环境等情况;(2)施工前,应对施工人员进行安全教育培训,确保其掌握安全操作技能;(3)施工前,应对施工设备进行检查,确保其处于良好状态。
4. 施工过程安全措施(1)基坑开挖过程中,应严格按照设计要求进行支护,确保支护结构稳定;(2)施工人员应佩戴安全帽、安全带等个人防护用品;(3)施工过程中,应加强现场巡查,及时发现并消除安全隐患;(4)施工过程中,应严格按照施工方案进行操作,不得擅自更改;(5)施工过程中,应保持施工现场整洁,避免杂物堆积。
5. 钢支撑安装与拆除安全措施(1)安装前,应对钢支撑进行检查,确保其质量符合要求;(2)安装过程中,施工人员应按照操作规程进行操作,确保安装质量;(3)拆除过程中,应先检查拆除部位,确保其稳定;(4)拆除过程中,施工人员应佩戴安全带,防止坠落;(5)拆除过程中,应使用专用工具,不得使用蛮力。
6. 遇险情时的应急处理(1)发生险情时,应立即停止施工,迅速组织人员撤离危险区域;(2)采取必要措施,控制险情发展,防止事故扩大;(3)及时上报险情,启动应急预案,进行救援。
钢支撑安装技术交底本文旨在介绍钢支撑的安装技术交底,包括施工前准备、现场施工步骤及注意事项等。
关于如何安全、合理地进行钢支撑的安装,我们希望通过此文为工程施工人员提供参考,以确保钢支撑的安装质量,有利于加强现场安全。
1. 施工前准备在进行钢支撑安装前,施工人员必须认真了解设计文件和施工图纸,并进行详细施工计划,明确作业任务与职责分工等内容。
同时,施工现场必须进行安全检查,对危险源和周围环境进行评估,确保施工安全。
1.1 设备准备在钢支撑的安装过程中,需要准备以下设备:•吊车或起重机•电钻、电锤、螺丝刀等电动工具•手动工具,如扳手、批刀、锤子等•安全带•短绳、长绳等各种绳索1.2 材料准备在钢支撑的安装过程中,需要准备以下材料:•钢支撑材料,如钢管、托架等•金属配件,如螺栓、螺母、垫圈等•碳钢焊条或者钢铆钉2. 现场施工步骤2.1 钢支撑预装调在进行钢支撑的安装之前,需要进行预组装的准备工作。
预组装可以方便后续的安装工作,减少工期延误和质量问题。
预组装就是将钢支撑杆、支撑口、螺栓、垫圈等部件组装在一起,调整好连接孔的位置和高度,最终完成一套完整的钢支撑系统。
2.2 工业爬梯的搭建安装钢支撑需要在较高位置进行,例如天花板、墙壁和地面等。
因此,需要在施工现场搭建安全稳固的工业爬梯。
工业爬梯的搭建是施工的重要环节,必须在工程技术人员指导下进行,保证搭建质量符合安全标准。
2.3 固定钢支撑当钢支撑的组装完成后,需要将其固定在预定的位置。
钢支撑的固定包括地面固定和墙壁固定两类。
地面固定需要使用膨胀螺栓来固定,而墙壁固定则需要使用钻孔和膨胀螺栓固定。
2.4 调整和固定高度在钢支撑固定后,需要进行高度调整。
施工人员通过电动工具或手动工具等方式调整钢支撑的高度,保证钢支撑在预定的高度范围内。
在调整高度时,需要使用水平仪或激光仪来检测钢支撑是否水平平整。
在高度调整完成后,需用人工或电动工具固定好高度。
2.5 焊接一般来说,在钢支撑的安装过程中,需要进行一些焊接工作,以增加钢支撑的强度和稳定性。
一、交底对象1. 施工单位:XXX单位2. 施工班组:XXX班组3. 作业人员:全体参与钢支撑施工的作业人员二、交底时间XXXX年XX月XX日三、交底地点施工现场:XXX地点四、交底内容1. 施工现场安全规定(1)所有进入施工现场的人员必须佩戴安全帽,高空作业人员必须佩戴安全带,并系牢。
(2)施工现场严禁酒后作业、吸烟、使用明火。
(3)施工现场严禁攀登、跨越防护设施。
(4)施工现场严禁乱丢垃圾、杂物。
2. 钢支撑材料及设备安全要求(1)钢支撑材料应符合国家标准,不得使用劣质、损坏的材料。
(2)钢支撑材料进场时,需进行验收,确保材料质量合格。
(3)钢支撑设备应定期进行检查、保养,确保设备运行正常。
3. 钢支撑施工安全操作规程(1)施工前,应对施工人员进行安全技术培训,确保其掌握相关操作技能。
(2)施工过程中,严格按照施工方案进行操作,不得擅自更改施工方案。
(3)施工过程中,应保持施工现场整洁,不得随意堆放材料、设备。
(4)施工过程中,应遵守下列安全操作规程:a. 搬运钢支撑材料时,应使用专用工具,确保材料平稳放置。
b. 钢支撑材料吊装时,应使用起重机或吊车,并确保吊装安全。
c. 钢支撑安装过程中,应确保支撑体系稳定,防止倾倒。
d. 钢支撑拆除过程中,应按顺序拆除,防止发生意外。
4. 高空作业安全要求(1)高空作业人员必须佩戴安全带,并系牢。
(2)高空作业时,应使用安全绳,确保作业人员安全。
(3)高空作业区域周围应设置安全警戒线,防止无关人员进入。
(4)高空作业时,应确保作业区域干燥、无积水。
5. 防火、防爆安全要求(1)施工现场严禁使用明火,如需动火作业,需办理动火作业许可证。
(2)施工现场应配备足够的消防器材,确保消防设施完好。
(3)施工现场应定期进行消防安全检查,确保消防安全。
五、交底要求1. 施工单位、施工班组及作业人员应认真学习本交底内容,确保安全施工。
2. 施工单位应将本交底内容纳入施工培训计划,确保作业人员熟练掌握。
钢支撑安全技术交底1. 引言本文档旨在向相关工作人员详细介绍钢支撑在施工过程中的安全技术要点和操作规程。
钢支撑是一种常用且重要的支撑结构,确保施工期间的安全和稳定性至关重要。
本文档将详细介绍钢支撑的安全要求、施工流程和注意事项,以便工作人员能够正确操作和使用钢支撑,确保施工作业的顺利进行。
2. 钢支撑的安全要求钢支撑作为施工现场的一种重要设备,需要满足一些安全要求以确保其可靠性和稳定性。
2.1 材料要求钢支撑的材料应满足相关标准,包括强度、可焊性、耐腐蚀性等要求。
在使用前,应进行材料性能测试和质量检测,确保材料符合标准,并对相关测试结果进行记录。
2.2 设计要求钢支撑的设计应满足工程项目要求,并依据相应的标准和规范进行。
设计过程中应考虑施工环境、荷载条件和施工期间的变化等因素,以确保钢支撑的承载能力和稳定性。
2.3 安装要求钢支撑的安装过程需严格按照施工图纸和相关规范进行。
在安装前,应对施工现场进行勘察,确保地基承载能力符合要求,并根据实际情况选择合适的支撑形式和材料。
安装过程中,应保证支撑结构的稳定,并注意施工现场的平整和排水。
3. 钢支撑的施工流程钢支撑的施工流程包括准备工作、安装工作、检查和验收等环节。
下面将详细介绍每个环节的要点。
3.1 准备工作•对施工现场进行勘察,了解地基情况和环境条件,确保其符合支撑要求。
•检查钢支撑材料的数量和质量,确保满足施工需要。
•准备施工图纸、工作计划和安全措施等文件,以指导施工过程。
3.2 安装工作•根据设计要求,选择合适的支撑类型和安装方法。
•在施工现场设置基线和控制点,确保支撑位置准确。
•按照施工图纸和规范要求,逐步进行支撑安装,注意连接处的紧固和固定。
•在安装过程中,必要时进行支撑的调整和校正,确保整个结构的稳定性。
3.3 检查和验收•在安装完成后,对钢支撑结构进行全面检查,包括材料质量、连接方式、紧固情况等。
•检查支撑的垂直度、水平度和偏差等指标,确保其满足设计要求。
为确保木工钢支撑在施工过程中的安全,预防安全事故的发生,特进行本次安全技术交底。
二、交底内容1. 施工人员安全要求(1)所有参与木工钢支撑施工的人员必须佩戴安全帽、安全带,并严格遵守各项安全操作规程。
(2)高空作业人员必须系好安全带,并使用安全绳,确保作业安全。
(3)施工现场应设置安全警示标志,提醒施工人员注意安全。
2. 材料设备安全要求(1)使用的木工钢支撑材料应符合国家标准,确保质量可靠。
(2)施工前,对材料进行验收,确保材料尺寸、规格符合要求。
(3)严禁使用已损坏、变形的木工钢支撑材料。
3. 施工工艺安全要求(1)木工钢支撑搭设前,应根据施工图纸和设计要求,制定详细的施工方案。
(2)搭设过程中,严格按照施工方案进行操作,确保搭设质量。
(3)搭设完成后,对木工钢支撑进行自检,发现问题及时整改。
4. 施工现场安全要求(1)施工现场应保持整洁,严禁堆放杂物,确保通道畅通。
(2)施工现场应设置消防设施,确保消防通道畅通。
(3)施工现场应设置排水设施,防止雨水浸泡木工钢支撑。
5. 拆除安全要求(1)拆除木工钢支撑前,应对现场进行安全检查,确保无安全隐患。
(2)拆除过程中,严禁使用暴力方法,防止造成安全事故。
(3)拆除后的材料应及时清理,防止堵塞通道。
三、安全注意事项1. 施工人员应熟悉木工钢支撑的搭设、拆除方法,掌握安全操作技能。
2. 施工过程中,密切关注木工钢支撑的受力情况,发现异常及时处理。
3. 严格遵守施工现场的各项安全规定,确保施工安全。
四、应急处理1. 发生安全事故时,立即停止施工,组织人员抢救受伤人员。
2. 保护现场,等待相关部门进行调查处理。
3. 按照事故原因,分析原因,制定预防措施,防止类似事故再次发生。
五、总结本次安全技术交底旨在提高施工人员的安全意识,确保木工钢支撑施工过程中的安全。
请各施工人员认真学习,严格遵守各项安全规定,确保施工安全。
一、交底目的为确保钢支撑施工过程中的安全,防止事故发生,提高施工人员的安全意识和操作技能,特制定本安全技术交底。
二、交底对象全体参与钢支撑施工的作业人员、管理人员及现场监理人员。
三、交底时间[填写具体日期]四、交底内容1. 施工人员基本要求- 所有人员必须佩戴安全帽,高空作业人员必须佩戴安全带,并系牢。
- 作业前必须进行身体检查,确认无高血压、心脏病等不宜高空作业的疾病。
- 作业人员必须经过专业培训,掌握钢支撑施工的基本知识和技能。
2. 材料及设备要求- 钢支撑材料必须符合国家相关标准,表面无锈蚀、裂纹等缺陷。
- 钢支撑连接件(如扣件、螺栓等)必须齐全,规格符合要求,无损坏。
- 施工设备(如切割机、电焊机等)必须经过检验,确保安全可靠。
3. 施工工艺及操作要点- 钢支撑安装前,必须根据设计图纸进行测量放样,确保位置准确。
- 钢支撑安装过程中,必须保证连接牢固,不得出现松动现象。
- 钢支撑安装完成后,必须进行验收,确保满足设计要求。
- 高空作业时,必须采取安全防护措施,如设置安全网、安全带等。
4. 安全注意事项- 严禁酒后作业,施工现场禁止吸烟。
- 作业人员必须严格遵守操作规程,不得擅自改变施工工艺。
- 施工现场必须保持整洁,及时清理施工垃圾。
- 遇到六级以上大风、雨雪等恶劣天气,应暂停施工。
5. 事故应急处理- 发生安全事故时,立即停止施工,组织人员进行救援。
- 及时上报事故情况,并按照相关规定进行处理。
五、交底签字[填写交底人姓名及职务][填写被交底人姓名及职务][填写日期]六、附件1. 钢支撑施工方案2. 安全技术操作规程3. 事故应急预案七、注意事项1. 本安全技术交底适用于钢支撑施工全过程。
2. 施工过程中,如遇特殊情况,应及时调整安全技术措施。
3. 施工人员必须认真学习本安全技术交底,确保施工安全。
八、结语安全生产,人人有责。
希望大家高度重视钢支撑施工安全,共同营造安全、有序的施工环境。
钢支撑安全技术交底第一节工程概况本项目为XXX工程,位于XXX地区,主要包括钢结构主体、混凝土结构、建筑装饰等工程。
其中,钢支撑系统作为钢结构主体的重要组成部分,其安全性能直接关系到整个工程的安全稳定。
为确保钢支撑施工安全,特制定本技术交底。
第二节钢支撑施工安全技术要求1. 钢支撑材料(1)选用合格的钢材,符合国家相关标准要求。
(2)钢材表面应光滑、无裂纹、无锈蚀,焊缝饱满,符合设计要求。
2. 钢支撑安装(1)根据设计图纸,准确放样,确保钢支撑的位置、标高和倾斜度符合要求。
(2)钢支撑安装前,应检查支撑连接部位的焊接质量,确保焊接牢固。
(3)安装过程中,应采用专用工具,避免使用对钢材产生损伤的工具。
(4)钢支撑安装就位后,应进行验收,确保支撑稳定、可靠。
3. 钢支撑拆除(1)拆除钢支撑前,应制定详细的拆除方案,明确拆除顺序、方法和安全措施。
(2)拆除过程中,应遵循先上后下、先外后内的原则,确保拆除安全。
(3)拆除钢支撑时,应采用专用工具,避免对周围结构产生不利影响。
(4)拆除完成后,应对施工现场进行清理,确保工程顺利进行。
第三节安全措施及注意事项1. 施工人员应具备相应的资质,熟悉钢支撑施工工艺和安全操作规程。
2. 施工现场应设置安全防护措施,包括施工现场围挡、警示标志、安全网等。
3. 施工过程中,应严格遵守“十不烧”原则,防止火灾事故的发生。
4. 高处作业时,应采取防坠落措施,如使用安全带、设置防护栏等。
5. 施工现场应定期进行安全检查,发现问题及时整改。
6. 施工过程中,应做好个人防护,如佩戴安全帽、手套、防尘口罩等。
第四节质量保证1. 钢支撑施工过程中,应严格执行国家相关标准和规范,确保施工质量。
2. 加强对施工人员的技术培训和质量意识教育,提高施工质量。
3. 加强施工现场管理,严格把控施工材料、施工工艺和施工过程。
4. 做好施工记录,为工程验收和维护提供依据。
通过以上措施,确保钢支撑施工安全、质量可靠。
钢支撑施工安全技术交底一、危险源辨识起重伤害,物体打击,高处坠落,机械伤害。
二、现场一般安全要求:1、经医生检查认为不适宜高空作业的人,不得进行高空作业。
2、进入现场所有作业人员必须戴好合格的安全帽,系好帽带,锁好带扣;3、作业时认真执行安全操作规程,杜绝违章作业和野蛮施工;4、高空作业必须配戴安全带;5、严禁酒后上岗作业,现场严禁吸烟,严禁穿拖鞋和光背作业;6、禁止私自拆改防护设施,施工现场禁止打闹;7、禁止操作与自已无关的机械设备。
电工应持证上岗,非电工不得修理和拆改电器设施;8、作业时要确保作业点上方有无危险,作好防护措施有专人监护,严禁上下交叉作业;9、现场施工人员必须进行安全教育培训(标识卡),经安全考试合格后方可上岗;三、钢支撑作业相关要求:1、加强对现场施工人员的安全、文明施工的宣传教育,提高其安全文明施工及自身保护意识。
2、施工现场应由专人负责管理,确保道路畅通、平整;3、严格按照安全生产的有关条例进行施工作业,正确操作使用机械设备。
4、吊车、挖机进行施工作业时,应有专人指挥,看清周围,防止撞到人、电、线等物体。
5、型钢、支撑等长构件起吊时必须加强指挥,避免因惯性等原因发生碰撞事故。
6、注意安全用电,工地内电线应理顺,不能乱拉乱挂,加强安全用电,统一使用标准安全电箱,教育职工自觉遵守安全用电制度和持证上岗制,防止用电事故发生,除电工外,其他操作人员不得擅自接电。
7、专人负责现场安全值班,加强设备材料保管,做好防偷盗等保卫工作。
8、施工现场必须做到安全生产,生产不忘安全。
进入现场正确戴好安全帽,施工现场要设有围栏、隔离墙,加强消防管理,按规定布置消防器材,使用阻燃材料搭建临时房,杜绝火灾事故。
9、吊车司机、指挥、电焊工、电工必须持证上岗。
10、严格遵守吊装“十不吊”规定。
11、钢支撑安装与挖土同时进行,必须特别注意安全;施工人员不得进入挖土机回转半径内,挖土机与吊车停放位置应尽量避免把杆回转半径相交错。
钢支撑施工技术交底1. 工程概况本项目为XXX工程,位于XXX地区,主要包括XXX栋建筑物、XXX配套设施等。
工程占地面积XXX平方米,总建筑面积XXX平方米。
本工程钢支撑施工涉及到建筑物地下室、裙楼及主楼等部位。
2. 钢支撑施工要求2.1 钢支撑材料要求•钢支撑材料应符合国家现行标准及设计要求,具备相应的材质证明文件。
•钢支撑应进行防锈、防腐处理,表面涂刷防锈漆。
•钢支撑连接部位应采用焊接或螺栓连接,连接强度应满足设计要求。
2.2 钢支撑安装要求•钢支撑安装前应进行现场验收,确保材料及尺寸符合设计要求。
•钢支撑应按照设计图纸进行安装,保证支撑的稳定性和可靠性。
•钢支撑与建筑结构连接部位应采用可靠连接方式,确保连接牢固。
2.3 钢支撑施工安全要求•钢支撑施工过程中应严格遵守相关安全规定,确保施工人员安全。
•施工现场应设置安全警示标志,提醒施工人员注意安全。
•钢支撑安装过程中,应采取措施防止钢支撑脱落、变形等安全事故。
3. 钢支撑施工流程3.1 施工准备•按照设计图纸核实钢支撑材料,准备相应的施工机具和工具。
•对施工人员进行技术交底和安全培训,确保施工人员了解施工要求和安全注意事项。
3.2 钢支撑安装•按照设计图纸进行钢支撑安装,先安装地下室、裙楼部位的钢支撑,再安装主楼部位的钢支撑。
•钢支撑安装过程中,应采取临时固定措施,确保钢支撑稳定。
•钢支撑安装完毕后,进行验收,确保支撑稳定、连接牢固。
3.3 施工质量控制•钢支撑安装过程中,应定期对施工质量进行检查,发现问题及时整改。
•钢支撑验收合格后,应填写验收记录,并报送相关单位进行备案。
4. 施工注意事项•钢支撑施工前,应详细了解设计图纸和施工要求,确保施工顺利进行。
•钢支撑施工过程中,应密切关注施工现场的变化,及时调整施工策略。
•钢支撑施工完成后,应加强巡查和维护,确保支撑体系的稳定性和安全性。
其他为钢支撑施工技术交底的主要内容,希望对施工过程中的各项工作有所帮助。
钢支撑安全技术交底1. 背景钢支撑作为施工现场必不可少的构件,其使用安全至关重要。
由于钢支撑工作环境复杂,操作场地狭小,加之施工异地施工队伍组成及施工进度快节奏等因素,钢支撑安全问题严峻。
因此,有必要对钢支撑安全问题进行技术交底及培训,以追求施工安全和效率兼备。
2. 交底目的本次技术交底的主要目的是让施工队员们了解钢支撑安全使用的相关技术要求和使用方法,提高施工队员的安全意识和操作水平,规范施工现场的安全生产。
同时,也希望每一位施工队员都认真思考自身在施工中应该如何做到职责心、安全、质量到位。
3. 交底内容3.1 钢支撑定义及分类钢支撑是指用于支撑及限制构件位移的结构杆件,主要用于钢结构、混凝土结构、临时建筑等领域。
其按形状分为无穿孔型和有穿孔型,按材质分为铝合金型和铝碳钢型。
钢支撑产品的使用必须符合国家标准、行业标准和关于施工相关法律法规的规定。
3.2 钢支撑的安全防范在钢支撑使用过程中,必须遵守相关安全防范措施,严禁在施工过程中使用已经损坏、变形、微裂纹等不合格的支撑件,严防因支撑性能不佳或缺少支撑而导致的危险事故。
1.支撑件的检验:支撑件施工前必须进行检验,确保存在的缺陷及不合格的支撑件得以淘汰,保证施工过程的绝对安全。
2.支撑件的连接:支撑件在现场安装前,必须按安装要求进行加工或配合,所有连接螺纹丝必须紧固,同时必须有扭力计系数作为辅助工具检验螺纹丝的紧固程度。
3.支撑件的使用限制:指导施工人员严格按照使用说明、承载力及规定工作环境配置支撑件,确保符合施工的技术标准,从而避免出现由于超负荷或不当使用而引发的安全事故。
4.支撑件的保养:支撑件在使用前和使用中都要进行防锈、防腐、升降和维修等保养措施,确保其在良好状况下的持续使用。
3.3 钢支撑的操作流程1.出库验货:当支撑件出库时,必须进行验货工作,确保支撑件数量和质量的准确性和可靠性。
2.支撑件运输:在运输、登车或卸货过程中,必须采取安全防范措施,严禁斗车疏运、超载或强行拉动支撑件,避免因意外事故带来不必要的人员损失和财产损失。
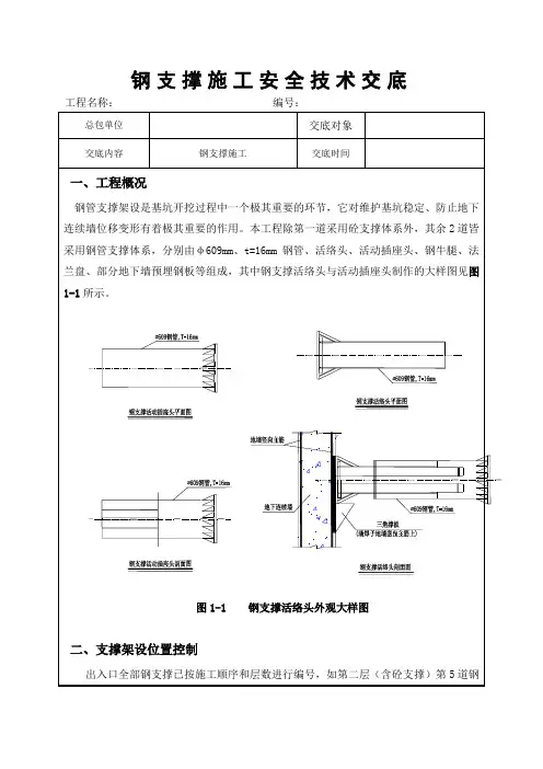
C区钢支撑施工技术(安全)交底一、工程概况1、交底范围杭州地铁5号线xxxx站C区基坑长72.6m,端头井段宽28m,标准段宽25.2m, 交底范围平面图:xxxxC区基坑范围平面图2、C区支撑概况C区标准段位于22号-27号轴线之间,采用四道砼支撑十二道钢支撑,每道钢支撑共计19根直撑;端头井位于27号-28号轴线之间,采用四道砼支撑十三道钢支撑+一道钢倒撑,每道钢支撑共计8根斜撑。
为降低基坑开挖风险,当基坑深层水平位移超过预警值25mm时,在第二、三、四道砼支撑面以上0.5m位置设置一道临时钢支撑,临时钢支撑数量、水平相对位置和钢支撑型号与标准段第五、六道钢支撑相同。
C区除钢倒撑采用支撑采用①609山山,壁厚1=16山山的钢管外,其他钢支撑均采用采用①800mm,壁厚弋=16山山的钢管。
钢支撑平面布置请详见:附件一:第二、三、四道钢支撑平面布置图。
附件二:第五、六道钢支撑平面布置图。
附件三:第七道钢支撑平面布置图。
3、周边环境xxxxC区周边环境较为简单,吊车行走路面坚实平坦,且周围无架空电线等事物,不影响钢支撑吊装作业。
二、钢支撑施工场地布置及作业准备1、施工场地布置50t履带吊行车路线及周转材料堆放区域均设布置在C区南侧便道,25汽车吊作业区域设置在C区北侧便道。
2、作业准备(1)资料准备①《杭州地铁5号线SG5-21标钢支撑架设及拆除方案》②《杭州地铁5号线SG5-21标C区钢支撑施工技术交底》③《千斤顶校准证书》3、机械人员准备根据工期,施工安全质量要求,钢支撑机械配置和人员配备如下表3-1和3-2:吊车选型分析:50T履带吊臂长28m,基坑宽度25.2m,最大作业半径约16m,最大起吊重量为6.4t,大于钢支撑4T的最大起吊重量符合要求。
表3-2人员配备一览表4、材料准备三、施工工艺1、施工流程施工工艺流程图2、测量放样待土方开挖至支撑底部以下0.8m的位置,先对墙面泥土进行清除,然后测量人员根据设计图对钢支撑在墙面的中心位置进行放样,并将钢系梁的控制标高标记在格构柱上。
钢支撑技术交底及安全技术交底1. 引言在建筑领域,钢支撑是一种重要的结构技术,用于增强建筑物的稳定性和抗震能力。
本文将详细介绍钢支撑技术的基本原理、施工过程以及相关的安全技术要求。
2. 钢支撑技术的基本原理钢支撑技术是通过在建筑结构中使用钢材支撑件来增强结构的承载能力和稳定性。
钢支撑可以有效地抵抗水平和垂直荷载,并提高建筑物的整体刚度。
2.1 钢支撑的种类钢支撑可以分为以下几种类型: - 桁架支撑:由钢管或钢板制成,形状类似于桁架结构。
- 柱状支撑:直立的钢柱,用于增强某一区域的承载能力。
- 斜撑支撑:倾斜的钢杆,用于提供对拉和抗压的支撑。
2.2 钢支撑的作用钢支撑在建筑中具有以下重要作用: - 提供水平支撑:在风荷载或地震等外力作用下,保持建筑物整体的稳定性。
- 分担荷载:将荷载从主要结构转移到钢支撑上,减轻主要结构的压力。
- 加固结构:通过增加钢支撑件,将弯曲或倾斜的结构部分加固,提高结构的稳定性。
3. 钢支撑技术的施工过程钢支撑技术的施工过程需要经过规划、准备、安装和验收等步骤。
3.1 规划阶段在规划阶段,需要进行详细的结构设计和施工方案的制定。
根据建筑物的结构和需求,确定钢支撑的类型、位置和数量,并进行相应的计算和模拟分析。
3.2 准备阶段在准备阶段,需要进行以下工作: - 采购钢材和相关材料:根据设计要求,采购合适的钢材和相关材料,确保其质量和规格符合要求。
- 制定安全措施:制定施工期间的安全措施,包括防护装备、作业规范和工作区域划分等。
- 准备施工设备:准备好所需的施工设备和工具,包括起重机、焊接设备和测量工具等。
3.3 安装阶段在安装阶段,按照设计和施工方案,进行钢支撑的安装工作。
具体步骤如下: 1. 清理施工现场:清理施工区域,并确保施工区域的平整和无障碍。
2. 安装连接件:将连接件固定在建筑结构上,用于连接钢支撑。
3. 安装钢支撑:根据设计和标高要求,逐个安装钢支撑,并进行必要的调整和对齐。
C 区钢支撑施工技术(安全)交底一、工程概况 1、交底范围杭州地铁5号线xxxx 站C 区基坑长72.6m ,端头井段宽28m ,标准段宽25.2m ,交底范围平面图:xxxxC 区基坑范围平面图2、C 区支撑概况C 区标准段位于22号-27号轴线之间,采用四道砼支撑+二道钢支撑,每道钢支撑共计19根直撑;端头井位于27号-28号轴线之间,采用四道砼支撑+三道钢支撑+一道钢倒撑,每道钢支撑共计8根斜撑。
为降低基坑开挖风险,当基坑深层水平位移超过预警值25mm 时,在第二、三、四道砼支撑面以上0.5m 位置设置一道临时钢支撑,临时钢支撑数量、水平相对位置和钢支撑型号与标准段第五、六道钢支撑相同。
C 区除钢倒撑采用支撑采用Φ609mm ,壁厚t=16mm 的钢管外,其他钢支撑均采用采用Φ800mm ,壁厚t=16mm 的钢管。
钢支撑平面布置请详见:附件一:第二、三、四道钢支撑平面布置图。
附件二:第五、六道钢支撑平面布置图。
附件三:第七道钢支撑平面布置图。
3、周边环境xxxxC 区周边环境较为简单,吊车行走路面坚实平坦,且周围无架空电线等事物,不影响钢支撑吊装作业。
本次交底范围C 区F 区A 区C 区E 区E 区B 区二、钢支撑施工场地布置及作业准备1、施工场地布置50t履带吊行车路线及周转材料堆放区域均设布置在C区南侧便道,25汽车吊作业区域设置在C区北侧便道。
2、作业准备(1)资料准备①《杭州地铁5号线SG5-21标钢支撑架设及拆除方案》②《杭州地铁5号线SG5-21标C区钢支撑施工技术交底》③《千斤顶校准证书》3、机械人员准备根据工期,施工安全质量要求,钢支撑机械配置和人员配备如下表3-1和3-2:表3-1机械配置一览表吊车选型分析:50T履带吊臂长28m,基坑宽度25.2m,最大作业半径约16m,最大起吊重量为6.4t,大于钢支撑4T的最大起吊重量符合要求。
表3-2人员配备一览表5 杂工2人打扫清洁卫生4、材料准备序号钢支撑型号基坑宽度单根配节(m)根数/个数1 Φ800(t=16mm)25.2m 6+6+6+3+2+1.5 18*5=602 Φ800(t=16mm)28m 6+6+6+6+2+1.8 2*5=103 Φ800(t=16mm) 2.12m 2+1.8 1*3=34 Φ800(t=16mm)8.34m 6+0.5+1.5 1*3=35 Φ800(t=16mm)12.59m 6+3+2+1.5 1*3=36 Φ800(t=16mm)17.11m 6+6+3+1.8 1*3=38 Φ609(t=16mm)13.1m 6+3+2+1.8 6+3+2+1.89 Φ609(t=16mm)7.78m 6+1.5 6+1.510 Φ609(t=16mm) 4.42m 2+1.8 2+1.811 Φ609(t=16mm) 5.66m 3+1+1.5 3+1+1.512 Φ609(t=16mm)13.65m 6+3+2+0.5+1.8 6+3+2+0.5+1.813 应力计钢垫板/ 0.05*0.9*0.9 12三、施工工艺1、施工流程施工工艺流程图2、测量放样待土方开挖至支撑底部以下0.8m的位置,先对墙面泥土进行清除,然后测量人员根据设计图对钢支撑在墙面的中心位置进行放样,并将钢系梁的控制标高标记在格构柱上。
部位支撑中心标高(m) 系梁下表面标高(m) 第二道临时钢支撑-8.9 -9.7第三道临时钢支撑-12.75 -13.55第四道临时钢支撑-16.55 -17.35第五道钢支撑(标准段)-21.35 -22.15第六道钢支撑(标准段)-24.65 -25.45第五道钢支撑(端头井斜撑)-20.55 -21.35第六道钢支撑(端头井斜撑)-23.25 -24.05第七道钢支撑(端头井斜撑)-25.95 -26.75钢支撑架设标高表3、钢支撑预拼装(1)钢支撑材料采用Φ800(t=16mm)和Φ609(t=16mm)两种,拼装钢支撑的钢管长度有2m、3m、6m三种,短节为0.3m、0.5m、1m,活络头长度为1.5m 和1.8m两种(允许最大可调节长度为30cm)。
(2)钢支撑吊装前需在指定区域进行预拼装,若该区域内有部分地方不平整,作业队需采取垫方木或其他措施使拼装的钢支撑轴心偏差在误差允许范围内,排除连接问题后;再拆解为两节分别吊装入坑内。
示意图如下:钢支撑拼装示意图(3)钢支撑详细配节长度如下表:钢支撑配节表序号钢支撑型号基坑宽度配节备注1 Φ800(t=16mm)25.2m 6+6+6+3+2+1.5(活络头)2 Φ800(t=16mm)28m 6+6+6+6+2+1.8(活络头)3 Φ800(t=16mm) 4.1m 2+1.8(活络头)4 Φ800(t=16mm)8.34m 6+0.5+1.5(活络头)5 Φ800(t=16mm)12.59m 6+3+2+1.5(活络头)6 Φ800(t=16mm)17.11m 6+6+3+1.8(活络头)7 Φ800(t=16mm)25.8m 6+6+6+6+1.5(活络头)8 Φ609(t=16mm)13.1m 6+3+2+1.8(活络头)9 Φ609(t=16mm)7.78m 6+1.5(活络头)10 Φ609(t=16mm) 4.42m 2+1.8(活络头)11 Φ609(t=16mm) 5.66m 3+1+1.5(活络头)12 Φ609(t=16mm)13.65m 6+3+2+0.5+1.8(活络头)(4)加工误差钢支撑加工误差表4、钢支撑牛腿及系梁焊接土方开挖达到指定标高后(低于钢支撑底面80cm),测量人员进行放样,随后安排人员凿除地连墙预埋钢板,并在钢板和格构柱上焊接牛腿(150mm×200mm×21mm)做为钢支撑和系梁的支点。
焊接示意图如下:牛腿系梁安装示意图(1)每块预埋钢板上需焊接2个牛腿,牛腿间距20cm,通过测量人员放样确定焊接高度和部位,两个牛腿标高差≤5mm,以保证钢支撑架设时平整度符合要求。
(2)格构柱上应焊接8个牛腿,先焊接系梁下部4个牛腿,随后安装2根系梁,最后在焊接系梁上部4个牛腿将系梁固定。
(3)连系梁在连接时,将左右两边的系梁用直径25的钢筋连接,钢筋于系梁的焊接长度不小于20cm,如下图所示:牛腿系梁连接示意图(4)斜撑支座采用标准支座,满焊于钢围檩之上。
焊接好的钢牛腿应保证直角垂直,斜撑角度α应根据现场实测角度而定,并有足够的稳定性,不得出现歪扭、虚焊现象。
800直径钢支撑斜撑支座示意图609直径钢支撑斜撑支座示意图(5)钢围檩采用两根工字钢拼接而成,钢围檩宽度为0.74m,高0.85m,标准长度为6m,转角部分根据实际长度加工。
钢围檩随支撑受力方向逆向逐段吊装,钢围檩在场外焊接成型后运至现场,人工配合吊车、挖掘机将钢围檩安放于钢牛腿上,钢围檩背后采用灌浆料填补平整,以便使围檩均匀受力。
钢围檩标准断面图钢围檩角部平面图5、钢支撑吊装钢支撑吊装分两次进行,将地面上预拼装的两节钢支撑分别安装到牛腿系梁上,最后在基坑内完成两节钢支撑的连接工作。
吊装采用50T履带吊和25T汽车吊配合施工,钢丝绳直径不小于1.5cm,在支撑两端各设置一个吊点,并在一端设置缆风绳,由指挥人员统一协调吊入坑内。
吊装施工前应该检查预拼装的两节支撑螺栓是否拧紧,钢丝绳是否有严重损坏情况,在吊装施工前应排除安全隐患。
钢支撑在安装时相邻两根钢支撑活络头不能在同一个侧,必须一正一反放置。
钢支撑安装示意图钢支撑架设完毕后因还有其他工序施工难免发生碰撞,为保证支撑稳固,需进行固定。
在钢支撑中端采用φ22的预弯钢筋抱箍焊接于钢连梁上,焊缝长度不得少于220mm,靠近格构柱位置的支撑必须采用16的槽钢做成方形卡槽,以防止支撑移动动。
支撑两端上部位置需凿出一根地连墙主筋用直径10mm的钢丝绳穿过以吊住支撑端头位置防止支撑碰撞坠落,每根钢丝绳上的紧固卡扣不得少于3个。
钢支撑端头处防坠落措施图钢支撑中间固定示意图6、施加预应力(1)钢支撑吊装到位后,不要松开吊钩,将活络头拉出顶住顶冠梁或钢围檩,再将2台200t液压千斤顶放入活络头子顶压位置,为方便施工并保证千斤顶预加轴力一致,千斤顶采在钢支撑两侧对称、等距放置且同步施加轴力,接通油管后,及时检查各节点的连接状况,经确认符合要求后即可开泵施加预应力,采用分级施加一共分4级,每级施加过程中都应该将钢锲敲紧,然后稳压5分钟,再进行下一级加力,第一级施加50%,第二级施加80%,第三级施加100%,第三级施加120%,预应力施加到位后,在活络头子中锲紧垫块,然后回油松开千斤顶,完成该根支撑的安装。
千斤顶施加预应力时,对预应力值做好记录备查。
各道支撑预应力施加详情如下标所示:预应力分级施加表第二、三、四道临时钢支撑在施加预应力时直接一次性施加到位,第二、三道临时钢支撑施加600KN,油表读数为19Mpa,第四道临时钢支撑施加700KN,油表读数为23Mpa。
架设好的所有钢支撑需根据基坑轴力监测数据补加预应力。
(2)预应力施加完成后,钢锲往往会松动,造成钢支撑轴力损失。
为此每间隔2-5小时排专人对钢锲进行复查,发现松动的应该及时敲紧,对于松动情况严重的钢支撑应该重新施加预应力。
(3)钢支撑预应力施加后由于支撑自身受力被压缩变形,原本拧紧的高强螺栓会出现松动的情况,为防止发生意外事故,应力施加完成后应立即安排人员重新将螺栓拧紧。
7、钢支撑拆除待结构底板施工完成,且强度达到设计要求后方可拆除对应部位的钢支撑,钢支撑拆除时施工顺序如下:钢支撑拆除工序图在拆除钢支撑时,应步缓慢的释放轴力,应避免瞬间预加轴力释放过大而导致的结构局部变形、开裂;起吊时采用50T履带吊和25T汽车吊两点起吊,避免在起吊时与其他物体发生碰撞,损坏预埋钢筋和其他预埋件,做好对结构砼及侧墙钢筋的保护。
钢支撑拆除方法:吊装液压顶至活络端逐渐加力,施加预应力至设计支撑轴力后,采用铁锤敲打方式将铁块取出。
逐级卸除压力后,指挥工通知吊车司机吊离钢支撑。
四、质量控制和检验1、钢支撑材料质量控制⑴钢支撑配节长度宜比基坑宽度短10~30cm,且优先使用长度较长的钢支撑节段,减少中间接头数量。
⑵钢支撑钢管直径偏差不得超过3mm,管壁不得出现裂纹、螺旋焊缝,且焊缝饱满。
⑶钢支撑进场前必须将支撑上杂物清理干净,且需统一涂好蓝色油漆才能进入施工场地。
⑷钢支撑标准节和短节两个端头处必须是由法兰盘接头,所有带法兰盘的钢支撑及活络头均不得出现凹陷、不平整且法兰盘螺栓损坏等现象,法兰盘厚度不得小于30mm,否则不得使用。
⑸钢围檩的型钢型号、肋板、连续钢板尺寸及厚度要符合设计要求,钢围檩表面应平整、顺直、无油污、无锈蚀和损伤,架设钢围檩的牛腿钢板厚度不得小于15mm,牛腿长度要超过钢围檩10cm,焊接采用双面角焊缝,焊缝高度不得小于10mm。