一级锅炉水质处理 项目代号G4
- 格式:doc
- 大小:21.00 KB
- 文档页数:2
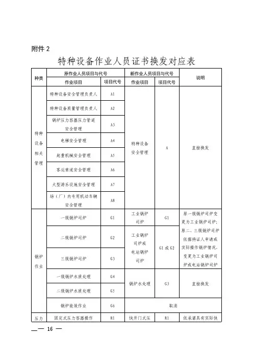
特种作业代号 Final approval draft on November 22, 2020质量技术监督局上岗证书:可申报工种:序号种类作业项目项目代号01 特种设备相关管理特种设备安全管理负责人 A1 特种设备质量管理负责人 A2锅炉压力容器压力管道安全管理 A3电梯安全管理 A4起重机械安全管理 A5客运索道安全管理 A6大型游乐设施安全管理 A7场(厂)内专用机动车辆安全管理 A802 锅炉作业一级锅炉司炉 G1二级锅炉司炉 G2三级锅炉司炉 G3一级锅炉水质处理 G4二级锅炉水质处理 G5锅炉能效作业 G603 压力容器作业固定式压力容器操作 R1移动式压力容器充装 R2氧舱维护保养 R304 气瓶作业永久气体气瓶充装 P1液化气体气瓶充装 P2溶解乙炔气瓶充装 P3液化石油气瓶充装 P4车用气瓶充装 P505 压力管道作业压力管道巡检维护 D1带压封堵 D2带压密封 D306 电梯作业电梯机械安装维修 T1电梯电气安装维修 T2电梯司机 T307 起重机械作业起重机械机械安装维修 Q1 起重机械电气安装维修 Q2起重机械指挥 Q3桥门式起重机司机 Q4塔式起重机司机 Q5门座式起重机司机 Q6缆索式起重机司机 Q7流动式起重机司机 Q8升降机司机 Q9机械式停车设备司机 Q1008 客运索道作业客运索道安装 S1客运索道维修 S2客运索道司机 S3客运索道编索 S409 大型游乐设施作业大型游乐设施安装 Y1大型游乐设施维修 Y2大型游乐设施操作 Y3水上游乐设施操作与维修 Y410 场(厂)内专用机动车辆作业车辆维修 N1叉车司机 N2搬运车牵引车推顶车司机 N3内燃观光车司机 N4蓄电池观光车司机 N511 安全附件维修作业安全阀校验 F1安全阀维修 F212 特种设备焊接作业金属焊接操作(注)非金属焊接操作准备资料两寸红底照片4张,身份证复印件正反面,最高学历证书复印件。
45天拿证。
一级锅炉水质处理G4 特种作业人员考试试卷1. 当原水中有NaHCO3存在时,这种水质属于()。
<A>. 有永久硬度的水;<B>. 有暂时性硬度的水;<C>. 有负硬度的水;<D>. 有碳酸盐硬度的水2. 锅炉水处理药剂、树脂出厂时,应提供相关的技术资料,不包括()。
<A>. 产品合格证;<B>. 使用说明书;<C>. 产品监督检验报告3. 树脂交联度越低,含水率越大,交换容量也越大,但机械强度变差。
()<A>. 正确;<B>. 错误4. 配制热的浓碱液时,必须在通风良好的地点或通风柜内进行。
溶解的速度要慢,并经常以木棒搅拌。
<A>. 正确<B>. 错误5. 排污系统有人正在检修时,可以排污。
<A>. 正确<B>. 错误6. 下列哪种情况表明树脂质量较差甚至是伪劣树脂。
()<A>. 颜色混杂不匀<B>. 颗粒大小不一、半球状颗粒较多<C>. 含水率较高<D>. 机械强度较差,用手指便能捻碎7. 酸、碱、盐三类物质的共同点是()。
<A>. 都是电解质;<B>. 都含有氧元素;<C>. 都含有碳元素;<D>. 都含有酸根8. 树脂颗粒大小相差很大,对运行的影响是()。
<A>. 反洗强度易于控制;<B>. 再生困难;<C>. 抗污染能力较差;<D>. 水流分布不匀9. 汽、水取样地点,应有良好的照明。
取样时应()。
<A>. 戴手套<B>. 不戴手套10. 活性炭过滤器可彻底除去水中的(),并部分除去水中的()。
<A>. 硬度<B>. 碱度<C>. 有机物<D>. 游离氯11. 选择性腐蚀是全面腐蚀。
质量技术监督局上岗证书:可申报工种:序号种类作业项目项目代号01 特种设备相关管理特种设备安全管理负责人A1 特种设备质量管理负责人A2锅炉压力容器压力管道安全管理A3电梯安全管理A4起重机械安全管理A5客运索道安全管理A6大型游乐设施安全管理A7场(厂)内专用机动车辆安全管理A802 锅炉作业一级锅炉司炉G1二级锅炉司炉G2三级锅炉司炉G3一级锅炉水质处理G4二级锅炉水质处理G5锅炉能效作业G603 压力容器作业固定式压力容器操作R1移动式压力容器充装R2氧舱维护保养R304 气瓶作业永久气体气瓶充装P1液化气体气瓶充装P2溶解乙炔气瓶充装P3液化石油气瓶充装P4车用气瓶充装P505 压力管道作业压力管道巡检维护D1带压封堵D2带压密封D306 电梯作业电梯机械安装维修T1电梯电气安装维修T2电梯司机T307 起重机械作业起重机械机械安装维修Q1起重机械电气安装维修Q2起重机械指挥Q3桥门式起重机司机Q4塔式起重机司机Q5门座式起重机司机Q6缆索式起重机司机Q7流动式起重机司机Q8升降机司机Q9机械式停车设备司机Q1008 客运索道作业客运索道安装S1客运索道维修S2客运索道司机S3客运索道编索S409 大型游乐设施作业大型游乐设施安装Y1大型游乐设施维修Y2大型游乐设施操作Y3水上游乐设施操作与维修Y410 场(厂)内专用机动车辆作业车辆维修N1叉车司机N2搬运车牵引车推顶车司机N3内燃观光车司机N4蓄电池观光车司机N511 安全附件维修作业安全阀校验F1安全阀维修F212 特种设备焊接作业金属焊接操作(注)非金属焊接操作准备资料两寸红底照片4张,身份证复印件正反面,最高学历证书复印件。
45天拿证。
学员证件信息查询网站: 《全国特种设备从业人员查询系统》联系人:陈老师电话:一八六0二七七一三三四。
不可以,根据特种设备作业不可以,根据特种设备作业人员种类作业项目代号,可以看出Q3为起重机指挥工Q4为桥门式起重机司机,所以你具有Q3和Q4是不可以操作塔式起重机的,塔式起重机的作业代号是Q5。
人员种类作业项目代号,可以看出Q3为起重机指挥工Q4为桥门式起重机司机,所以你具有Q3和Q4是不可以操作塔式起重机的,塔式起重机的作业代号是Q5。
序号作业项目项目代号
1 特种设备安全管理负责人A1
2 特种设备质量管理负责人A2
3 锅炉压力容器压力管道安全管理A3
4 电梯安全管理A4
5 起重机械安全管理A5
6 客运索道安全管理A6
7 大型游乐设施安全管理A7
8 场(厂)内专用机动车辆安全管理A8
9 一级锅炉司炉G1
10 二级锅炉司炉G2
11 三级锅炉司炉G3
12 一级锅炉水质处理G4
13 二级锅炉水质处理G5
14 锅炉能效作业G6
15 固定式压力容器操作R1
16 移动式压力容器充装R2
17 氧舱维护保养R3
18 永久气体气瓶充装P1
19 液化气体气瓶充装P2。
一级锅炉水质处理概述一级锅炉水质处理是锅炉水净化的第一道工序,目的是去除水中的悬浮物、溶解性无机盐、有机物等杂质,保证后续水处理工艺的正常进行,同时最大程度地保护锅炉本体,延长锅炉使用寿命。
处理方法滤水滤水是最常见的一级锅炉水质处理方法,其利用过滤介质(如砂子、石英砂等)的孔隙和表面的吸附作用去除水中的悬浮物、泥沙等杂质。
滤水处理的优点是操作简单、稳定可靠、对原水的适应性较强。
不过在处理含有大量有机物或硬度较高的水源时效果不佳。
仿生膜法仿生膜法是一种利用自然界中微生物在膜上的生长和细胞对水中杂质的吸附作用来净化水质的方法。
这种方法具有净化效果好、操作简单、不需要使用化学药剂等优点,尤其适合处理含有有机物多的水源。
不过其缺点是需要一定的维护和管理,如果管理不当易导致膜上生物过度生长或死亡,降低净化效果。
离子交换法离子交换法是一种将水中的阳离子和阴离子分别吸附在不同的交换树脂上的方法。
它可以有效去除水中的溶解性无机盐、重金属离子等杂质。
离子交换法的优点是去除效果好、操作简单、自控性强,但缺点是需要定期更换树脂并对废弃树脂进行处理,处理成本较高。
电解法电解法是通过电解设备跨过分离膜,以电极的阳、阴极极化反应将水中的离子分离出来,达到去除水中离子的目的。
这种方法能够有效去除水中的无机盐、重金属等杂质,同时不需要增加化学药剂,减少了对环境的污染。
不过电解法的缺点是处理成本较高、操作复杂,需要使用专业的设备。
总结在一级锅炉水质处理方案的选择上,应根据水源的水质、金钱预算、后续配套设备的要求等综合因素做出科学、合理的决策。
同时,应注意定期检查维护设备,避免设备故障对整个工艺流程的影响。
〔G4〕一级锅炉水质处理--理论试卷总共90题共100分一、判断题〔共45题,共45分〕1. 特种设备作业人员考试和审核发证程序包括:考试报名、、考试、领证申请、受理、审核、发证。
( ) 〔1分〕 ( )标准答案:正确2. 事故现场值班人员应通知相关部门采取工艺措施、技术措施或其他紧急措施,防止事故扩大蔓延。
〔〕〔1分〕 ( ) 标准答案:正确3. 锅炉清洗结束时,由清洗单位对清洗质量进行检查验收。
( ) 〔1分〕 ( )标准答案:错误4. 额定蒸发量小于2t/h,且额定蒸汽压力小等于1.0MPa的蒸汽锅炉和汽水两用锅炉也可采用锅内加药处理。
〔〕〔1分〕 ( )标准答案:正确5. 冲洗管路时流速低一些;取样时,流速要高一些。
( ) 〔1分〕 ( )标准答案:错误6. 水处理系统安装质量同时符合以下条件判定为合格:水处理设计核查合格;设备安装质量合格;调试结果符合设计水质、水量及工艺参数的要求;水质检验合格。
〔〕〔1分〕 ( )标准答案:正确7. 锅炉是高耗能特种设备只要确保平安运行即可符合要求。
( ) 〔1分〕 ( )标准答案:错误8. 特种设备生产单位和使用单位应建立健全特种设备平安管理制度和岗位平安责任制度。
( ) 〔1分〕 ( )标准答案:正确9. 蒸汽冷凝水回用作锅炉给水可显著节能节水,降低锅炉排污率。
( ) 〔1分〕 ( )标准答案:正确10. 同一元素的化合价在不同的化合物里一定显示相同的数值。
( ) 〔1分〕 ( )标准答案:错误11. 水中的硬度主要是由钙、镁离子所组成。
( ) 〔1分〕 ( )标准答案:正确12. 水中能够接受H+的一类物质含量称为碱度。
( ) 〔1分〕 ( )标准答案:正确13. 蒸发量大于75t/h锅炉称中型锅炉。
( ) 〔1分〕 ( )标准答案:错误14. 摩尔(mo1)是物质的量的单位,使用时必须指明根本单元。
( ) 〔1分〕 ( )标准答案:正确15. 燃料种类的油代号用Y表示。
锅炉水质指标及水质标准 (一) 水质指标水质指标时表示水的质量好坏的技术指标。
主要有以下几项:1.悬浮物。
在规定的试验条件下,将水过滤分离得到的不溶于水的物质的含量,单位mg/L 。
2.硬度(YD )。
水中能够形成水垢或水渣的钙、镁盐的总含量,包括暂时硬度和永久硬度。
暂时硬度直重碳酸盐硬度,即23)(HCO Ca ,23)(HCO Mg 硬度,可以再加热煮沸过程中使之沉淀消除;永久硬度指非碳酸盐硬度,包括钙,镁的硫酸盐和氯化物等。
暂时硬度和水永久硬度简称暂硬和水硬。
表示硬度的单位有以下几种,其中(1)为我国法定单位,(2)及(3)是国外常见单位,也是国内过去的惯用单位。
(1)mmol/L (毫摩尔/升):每升水中含有钙、镁离子的一价毫摩尔数或钙、镁盐的一介毫摩尔数,及以一价离子为基点的毫摩尔数。
它在数值上与过去使用的毫克当量/升相同。
采用本单位便于进行化学反应计算;同时,既可以表示某种物质,也可以表示该物质中的正离子或负离子。
(2)德国度:与每升水中含10mg CaO 相当的钙、镁盐或钙、镁离子的含量,叫做1德国度或简称1度。
由于1mmol/L 的CaO 是28mg/L ,所以, 1度=2810mmol/L=0.357mmol/L1mmol/L=2.8度(3)ppm (百万分单位):指1百万份水中含有1份3CaCO ,或者每升水中含有1mg 3CaCO 这样的硬度。
由于3CaCO 的一价摩尔质量为50g/mol ,1mmol/L 3CaCO 是50mg/L 3CaCO ,所以有: 1ppm=501mmol/L=0.02mmol/L 1ppm=0.02×2.8度=0.056度 1mmol/L=50ppm1度=17.86ppm3.碱度(JD )。
水中由于离解或者水解而使-OH 浓度增加的物质的总含量,称为碱度。
水中碱度主要由碱及碳酸盐、重碳酸盐、磷酸盐等构成。
由碱直接离解出-OH 者叫氢氧根碱度;由碳酸根、重碳酸根水解出-OH 者叫碳酸根碱度及重碳酸根碱度。
2024年【G3锅炉水处理(河北省)】试题及答案1、【多选题】测定水样的硬度时,如果以滴定过程中发现滴定不到终点或指示剂加入后颜色呈灰紫色时,很可能是铁铝离子干扰。
遇此情况,可采用在加指示剂前,先加入()和()进行联合掩蔽来消除干扰。
(AC)A、1%的L-半胱胺酸盐B、2%磺基水杨酸C、25%三乙酸胺D、0.1mol/LEDTA2、【多选题】用硝酸银标准溶液滴定,应使用()滴定管(AC)A、酸式B、碱式C、棕式D、白式3、【多选题】锅炉PH过低的危害是()(BD)A、造成锅炉结垢B、水对锅炉钢材的腐蚀性增强C、锅水溶解固形物增多D、磷酸根易与钙离子生成水垢而不是水渣4、【单选题】《中华人民共和国特种设备安全法》第十三条规定,特种设备生产、经营、使用单位及其主要负责人对其生产、经营、使用的特种设备()负责。
(D)A、经济运行B、高效率C、节能D、安全5、【单选题】《中华人民共和国特种设备安全法》自2014年()起施行。
(A)A、201111星期六B、201171星期五C、2011916星期五D、2011101星期六6、【单选题】《中华人民共和国特种设备安全法》规定:特种设备使用单位应当按照安全技术规范的要求,在检验合格有效期届满前()个月向特种设备检验机构提出定期检验要求。
(A)A、1B、2C、3D、67、【单选题】下列分析法中,()属于重量分析法(D)A、络合滴定法B、沉淀滴定法C、酸碱滴定法D、溶解固形物的测定8、【单选题】下列哪种表述离子交换化学性能是错误的。
()(C)A、树脂本身的性质、溶液的浓度等都会影响离子交换树脂选择性B、离子交换树脂对溶液中各种离子的交换能力并不相同C、在高含盐量溶液中和低含盐量溶液,阳选择性顺序是一样的D、越容易被树脂交换的离子,再生越困难9、【单选题】下列实验基本操作或事故处理,正确的是()。
(C)A、浓硫酸沾在皮肤上应立即用大量的水冲洗B、为了节约药品,将用剩的药品放回原试剂瓶C、酒精灯打翻着火,用抹布扑盖D、有腐蚀性的药品可直接放在天平托盘上称重10、【单选题】下列物质中易破坏金属保护膜的是()。
1 特种设备安全管理负责人A12 特种设备质量管理负责人A23 锅炉压力容器压力管理安全管理A34 电梯安全管理A45 起重机械安全管理A56 客运索道安全管理A67 大型游乐设施安全管理A78 场(厂)内专用机动车辆安全管理A89 一级锅炉司炉G110 二级锅炉司炉G211 三级锅炉司炉G312 一级锅炉水质处理G413 二级锅炉水处理G514 锅炉效能作业G615 固定式压力容器操作R116 移动式压力容器充装R217 氧舱维护保养R318 永久气体气瓶充装P119 液化气体气瓶充装P220 溶解乙炔气瓶充装P321 液化石油气瓶充装P422 车用气瓶充装P523 压力管道巡检维护D124 带压封堵D225 带压密封D326 电梯机械安装维修T127 电梯电气安装维修T228 电梯司机T329 起重机械机械安装维修Q130 起重机械电气安装维修Q231 起重机械指挥Q332 桥门式起重机司机Q433 塔式起重机司机Q534 门座式起重机司机Q635 缆索式起重机司机Q736 流动式起重机司机Q837 升降机升司机Q938 机械式停车设备司机Q1039 客运索道安装S140 客运索道维修S241 客运索道司机S342 客运索道编索S443 大型游乐设施安装Y144 大型游乐设施维修Y245 大型游乐设施操作Y346 水上游乐设施操作与维修Y447 车辆维修N148 叉车司机N249 搬运车牵引车推顶车司机N350 内燃观光车司机N451 蓄电池观光车司机N552 安全阀校验F153 安全阀维修F2。
(完整版)锅炉水处理系统水质监督项目和标准锅炉水处理系统水质监督项目和标准一、水质监督工作项目1、每天普查原水水质1次;2、每天普查脱盐水水质1次;3、每天普查锅炉给水水质1次;4、每天普查锅炉炉水水质1次;5、每天普查锅炉蒸汽品质1次;6、校验台式PH表和电导率表,每月一次;7、校验台式钠表和硅酸根表,每季度一次;8、校验在线仪表,半年一次;9、对鼓风机油每月送检一次;10、水处理班化验药剂配置,在线仪表消耗药剂配置;11、炉水加药设备运行管理和炉水监督;12、除盐水加氨设备运行管理和除盐水监督;13、锅炉开停炉时的汽水监督。
二、原水水质标准1、原水化验项目所测指标范围来自设计资料。
水质正常情况下,每天普查一次,如部分项目水质不正常,加强化验密度直至水质转好。
2、对原水日常检测电导率、PH值,水质不正常需分析污染物来源;等时检测浊度、总硬度、有机物3、原水水质见附表1。
二、除盐水水质标准1、除盐水化验项目所测指标范围来自国家标准G B12145-1999。
水强化验质正常情况下,每天普查一次,如部分项目水质不正常,加。
密度直至水质转好2、除盐水标准混床出水除盐水池水项目名称PH 6.5 ~9.0 6.5 ~9.0率电导≤0.3 ≤0.3 (25℃, μs/cm)钠离子(μg/ L )≤20 ≤20硅酸根(μg/ L )≤20 ≤20硬度(μmol/L )0 03、异常处置(1)混床出水PH偏低,迅速查明是否漏入盐酸;(2)电导率、钠离子、硅酸根离子数据偏高,混床失效,通知水处理倒换混床(3)脱盐水池水PH偏低,迅速查明是否混穿漏入盐酸;(4)电导率、钠离子、硅酸根离子数据偏高,查明是否混床失效,水如果混床正常,检查脱盐水池上盖板是否盖好,或是有异物进出池。
三、锅炉给水水质标准1、锅炉给水化验项目所测指标范围来自国家标准G B12145-1999。
化水质正常情况下,每天普查一次,如部分项目水质不正常,加强好。
一级锅炉水质处理项目代号G4
二级锅炉水质处理项目代号G5
一级锅炉水质处理项目代号G4
二级锅炉水质处理项目代号G5
技师(国家职业资格二级它是劳动者求职、任职、开业的资格凭证;是用人单位招聘、录用劳动者的主要依据;是境外就业、对外劳务工作人员办理技能水平公证有效证件;是劳动保障监察部门对用人单位进行劳动监察时必须查验的有效证件。
目前实行就业准入制度的与质量技术监督专业相关的职业有:
食品检验工、化学检验工、纺织纤维检验工、衡器计量检定工、衡器操作工、长度计量检定工、锅炉设备装配工、锅炉设备安装工、锅炉操作工、产品可靠性能检验工、产品安全性能检验工、贵金属首饰钻石宝玉石
化学检验工——(6-26-01-01)职业定义:
使用化学分析仪器和理化仪器等设备,以抽样检查的方式,对试剂溶剂、日用化工品、化学肥料、化学农药、涂料染料颜料、煤炭焦化、水泥和气体等化工产品的成品、半成品、原材料及中间过程进行检验、检测、化验、监测、分析的人员。
从事的主要工作:
(1)采集样品;(2)配制标准溶液和化学试剂;(3)进行外观视检;(4)使用理化仪器等设备,测试样品的理化性质;(5)使用化学分析和仪器分析方法,对样品进行组分含量测定;(6)记录、计
下列工种归入本职业:
林化化验工(08-062)
电厂水化验员(11-009)
水质检验工(13-055)
煤气化验工(13-072)
锅炉水质化验工(13-082)
分析工(16-143)
职业资格等级证书如:司炉工等级证是由人力资源和社会保障部门颁发的;
2、特种设备作业人员证如:锅炉工、电梯司机证是由质量技术监督部门颁发的;
3、安全作业证、安全管理人员证如:各级安全管理人员、各种特种设备作业人员是由安全生产监督管理部门颁发的。
以上三种证因在职业管理范畴中的侧重面不同,培训和教育的内容不同,考核的内容也不同,因此应属不同的证明。
再则,各部门所执行的相关法律法规和规定中要求是一致的:从事特种设备作业人员必须经过具有国家资质的培训机构,进行考核合格后持证上岗,违反单位处罚XXX等规定。
因此,真正达到国家要求标准的特种设备作业人员,应多证上岗。