剪力墙暗柱体积配箍率快速计算表格
- 格式:xls
- 大小:63.50 KB
- 文档页数:2
3014.3λv=0.2箍筋f yv =210N/mm 2λv范围内1.59%λv/2范围内0.80%设防烈度:7度抗震等级:轴压比暗柱类型截面B1B2(㎜)B3(㎜)H1(㎜)H2(㎜)a 200300100200300B2a(㎜)B3a(㎜)77501600㎝2实配钢筋112 Φ20实配钢筋28 Φ18As=5806mm 2满足要求直径竖向间距水平根数12100不填1210021210021210022.46%λv/2范围内拉筋:直径竖向间距水平根数λv/2范围面积(mm2):10100不填1010011010001010002.01%最小直径(mm)沿竖向最大间距(mm)最小直径(mm)一0.010A c ,6φ1681000.008A c ,6φ148二0.008A c ,6φ1481500.006A c ,6φ128三0.006A c ,6φ1261500.005A c ,4φ126四0.005A c ,4φ1262000.004A c ,4φ126纵向钢筋最小量(取较大值)箍注1:A c 为边缘构件的截面面积;注2:其他部位的拉筋,水平间距不应大于纵筋间距的2倍;转角处宜采用箍筋;λv区域面积S1: 暗柱纵筋配筋率ρ=抗震等级底部加强部位其它部位纵向钢筋最小量(取较大值)箍筋d内部小箍筋H向根数:d-H向箍筋总d内部小箍筋Ba向根数:体积配箍率ρv 2=>0.8%满足要求表6.4.5-2 抗震墙构造边缘构件的配筋要求体积配箍率ρv 1=>1.59%满足要求c外围箍筋:c箍筋总长度d内部小箍筋B向根数:d-B向箍筋总b内部小箍筋B向根数:b-B向箍筋总b内部小箍筋H向根数:b-H向箍筋总b内部小箍筋Ba向根数:二、箍筋λv范围内箍筋:λv范围面积(mm2):a外围箍筋:a箍筋总长度一、纵筋规范规定暗柱纵筋最小配最小纵筋计算值:规范规定的暗柱纵 ρv 1=λv*f c /f yv = ρv 2=λv/2*f c /f yv =三级剪力墙边缘构件的体积配箍率计算 混凝土强度等级C 混凝土强度fc=λ≤0.2λ>0.2λ≤0.2λ>0.2λ≤0.30.20h W 0.25h W 0.20h W 0.25h W 0.15h W0.15h W 0.20h W 0.15h W 0.20h W 0.10h Wλv 0.1440.240.120.20.12纵向钢筋(取较大值)箍筋或拉筋沿竖向间距l c (翼墙或端柱)不应小于翼墙厚度或端柱沿墙肢方向截面高度图6.4.5-1抗震墙的构造边缘构件范围表6.4.5-3 约束边缘构件范围lc及其配箍特征值不小于墙厚和400mml c (暗柱)注5,λ为墙肢轴压比;注6,A c 为右图中约束边缘构件阴影部分的截面面积。
柱体积配箍率计算表框架抗震等级一级框架柱砼强度等级C35fc16.7框架柱轴压比0.4 Rv体积配箍0.8750.45 Rv 率 B H0.55 Rv柱截面6506500.65 Rv保护层C300.75 RvB0H00.85 Rv590590ASV N1计算柱体积配箍率 1.331箍筋直径1078.5箍筋肢数5验算结果满足要求注:混凝土强度等级《C35,按照C35计算注:一级框架0.8%框架箍筋加密区体积配箍率不应小于0.8%RV RV RV轴压比一0.30.10.40.110.50.130.6轴压比二0.40.110.50.130.60.150.7计算轴压比0.40.110.450.120.550.140.65柱体积配箍率计算表框架抗震等级二级框架柱砼强度等级C35fc16.7框架柱轴压比0.35 Rv体积配箍0.6760.45 Rv 率 B H0.55 Rv柱截面6005000.65 Rv保护层C300.75 RvB0H00.85 Rv540440ASV N1计算柱体积配箍率 1.619箍筋直径1078.5箍筋肢数5验算结果满足要求注:混凝土强度等级《C35,按照C35计算框架箍筋加密区体积配箍率不应小于0.6%注:二级框架0.6%RV RV RV轴压比一0.30.080.40.090.50.110.6轴压比二0.40.090.50.110.60.130.7计算轴压比0.350.0850.450.10.550.120.65柱体积配箍率计算表框架抗震等级三级框架柱砼强度等级C35fc16.7框架柱轴压比0.35 Rv体积配箍0.5170.45 Rv 率 B H0.55 Rv柱截面6005000.65 Rv保护层C300.75 RvB0H00.85 Rv540440ASV N1计算柱体积配箍率 1.619箍筋直径1078.5箍筋肢数5验算结果满足要求注:混凝土强度等级《C35,按照C35计算框架箍筋加密区体积配箍率不应小于0.4%注:三级框架0.6%RV RV RV轴压比一0.30.060.40.070.50.090.6轴压比二0.40.070.50.090.60.110.7计算轴压比0.350.0650.450.080.550.10.650.11箍筋级别fy2100.120.140.160.1850.215N2箍筋间距51000.8%RV RV RV0.150.70.170.80.20.170.80.20.90.230.160.750.1850.850.2150.085箍筋级别fy2100.10.120.140.160.18N2箍筋间距51000.6%RV RV RV0.130.70.150.80.170.150.80.170.90.190.140.750.160.850.180.065箍筋级别fy2100.080.10.120.140.16N2箍筋间距51000.4%RV RV RV0.110.70.130.80.150.130.80.150.90.170.120.750.140.850.16。
第17章柱、剪力墙边缘构件配箍率和配箍特征值计算本章内容包括采用普通箍、复合箍配筋方式的矩形截面柱和剪力墙约束边缘构件的体积配箍率及配箍特征值的计算,剪力墙构造边缘构件面积计算。
使用软件计算柱体积配箍率和配箍特征值的好处:1、速度快,否则翻厚重的设计手册至少十分钟才能找到;2、箍筋间距s 不是100mm 的也能得到,不象设计手册只能给出s 是整数的情况。
17.1矩形截面柱体积配箍率及配箍特征值计算《高层建筑混凝土结构技术规程》JGJ3-2010规定:6.4.7柱加密区范围内箍筋的体积配箍率,应符合下列规定:1柱箍筋加密区箍筋的体积配箍率,应符合下式要求:v ρ≥v λyvc f f (6.4.7)式中:v ρ──柱箍筋的体积配箍率;v λ──柱最小配箍特征值,宜按表6.4.7采用;c f ──混凝土轴心抗压强度设计值,当柱混凝土强度等级低于C35时,应按C35计算;yv f ──柱箍筋或拉筋的抗拉强度设计值。
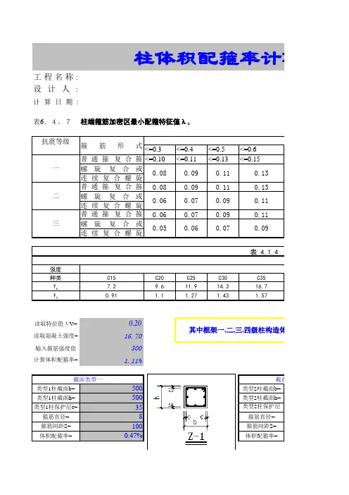
表6.4.7柱端箍筋加密区最小配箍特征值vλ抗震等级箍筋形式柱轴压比≤0.300.400.500.600.700.800.90 1.00 1.05一普通箍、复合箍0.100.110.130.150.170.200.23────螺旋箍、复合或连续复合螺旋箍0.080.090.110.130.150.180.21────二普通箍、复合箍0.080.090.110.130.150.170.190.220.24螺旋箍、复合或连续复合螺旋箍0.060.070.090.110.130.150.170.200.22三普通箍、复合箍0.060.070.090.110.130.150.170.200.22螺旋箍、复合或连续复合螺旋箍0.050.060.070.090.110.130.150.180.20注:普通箍指单个矩形箍或单个圆形箍;螺旋箍指单个连续螺旋箍筋;复合箍指由矩形、多边形、圆形箍或拉筋组成的箍筋;复合螺旋箍指由螺旋箍与矩形、多边形、圆形箍或拉筋组成的箍筋;连续复合螺旋箍指全部螺旋箍由同一根钢筋加工而成的箍筋。