食品厂各种表格
- 格式:doc
- 大小:126.37 KB
- 文档页数:47
文件一览表QR013-001 NO:记录人:日期:文件发放回收记录表QR013-002 编号:外来文件清单从业人员食品安全知识培训记录填表说明:(1)有效性评价应在培训结束一段时间后结合工作表现进行。
(2)由负责组织培训的部门评价。
附:培训签到表会议(培训)签到表岗前培训记录表从业人员健康检查档案从业人员培训计划采购计划编制:日期:审批:日期:原料验收记录包装材料验收记录PZJ/008物料请验单物料请验单物料请验单安徽德正堂药业(配制酒车间)食品原辅料进货台帐PZJ/009审核人及日期:食品添加剂使用台帐封口包装抽检记录关键控制点控制情况记录表成品不符合情况记录半成品不符合情况记录设施、设备日常维护保养记录PZJ/017 NO:注:设备正常时打√;异常时打×。
并及时报修,填写维修记录表。
设备清洗消毒记录PZJ/018 日期:年月 NO:设备名称:设备编号:清洗消毒人:生产设施台帐编制:日期2021年设施预防性维修计划PZJ/020生产投料记录表生产车间卫生检查表PZJ/022 NO:日期:年月班次:频率:1次/班备注:检查结果符合标准要求打√;不符合打×并注明不符合内容和采取的正确措施。
PZJ/023 频次:每日一次 NO:备注:符合要求打√;不符合打×,填写异常说明并要求清洁工重新打扫。
卫生间检查包括卫生间的清洁、洗手设施完好、消毒液充足。
PZJ/024 日期:年月 NO:注:合格打√;不合格打×,并在备注栏简单说明不合格情况。
防止交叉污染:更衣室清洁、消毒记录表PZJ/025 频次:每日一次年月温湿度记录表PZJ/026 标准温度:℃清洁剂或消毒剂领用记录PZJ/027审核人及日期:洗涤剂(消毒剂)配制使用记录消毒剂、洗涤剂出入库台账填表说明:库管人员依据不同消毒剂洗涤剂分开填写本表,每次购进填写入库,每次生产领用填写出库。
每次出入库计算库存,坚持先进先出原则防鼠、防蝇、防虫装置使用情况和检查记录食品从业人员晨检记录计量器具校准台帐PZJ/032 年产品销售台账工作服清洗消毒记录PZJ/034领料单PZJ/035 领料单位:年月日审批人:发料人:领料人:合格供应商名录2、供应商包括食品原辅料、食品添加剂、食品相关产品供货者。
食品加工卫生验收表1. 概述本验收表用于对食品加工场所的卫生状况进行检查和评估。
通过使用该表格,可以确保加工场所符合卫生标准,并且食品处理过程中不会出现卫生问题。
2. 检查内容2.1 人员卫生- 职工是否佩戴合适的工作服、工帽以及专用鞋。
- 是否定期进行体检,并且持有相关健康证明。
- 是否有定期进行卫生培训,并且记录员工的培训情况。
- 是否有洗手设施,并且做到充足供应热水、肥皂和纸巾。
- 员工是否遵守洗手程序,并且是否定期检查洗手间的清洁情况。
2.2 加工设备和环境卫生- 加工设备是否经过定期清洁和消毒,并且记录维护情况。
- 是否有足够的设备和存储区域,用于分开处理不同类型的食品。
- 加工场所是否做到地面、墙壁和天花板清洁,并且防止虫害、老鼠等卫生问题。
- 是否有合适的排水设施,确保污水正确排放。
- 空气是否新鲜,并且是否有实施通风措施。
2.3 原材料和食品处理- 是否有严格的原材料检查制度,并且记录检查结果。
- 是否有规范的食品处理流程,并且记录食品处理过程中的温度、时间等关键参数。
- 是否有足够的冷冻和储存设施,确保食品的保鲜。
3. 验收标准- 检查结果根据相关法律法规和标准进行评估。
- 要求加工场所达到或超过相关卫生标准的要求。
- 如果有不符合项,必须及时采取纠正措施,并重新验收。
4. 验收结果验收结果将记录在本表格中,并且对不符合项进行详细说明。
- 如结果符合标准,则场所可以继续经营。
- 如结果不符合标准,则场所必须在一定期限内采取措施改正,并进行重新验收。
5. 特殊要求- 根据不同食品类别和加工方式,可能需要做特殊要求的补充检查。
以上为食品加工卫生验收表的概述,详细内容请参考实际应用中的需求。
食品厂统计员需要做些什么表格
1、生产领料统计表。
2、生产日报表。
3、生产入库表。
4、不良统计表(分来料、制程)。
5、其他主管人员要求的表格。
统计员工作职责:
1、负责制订公司销售与订货数字化目标,分解目标,推移管理。
2、负责销售目标及库存指标完成情况的跟进与分析,提交可行性解决方案。
3、负责制订商品管理的工作规范及运作流程,组织商品MD 会议,组织商品调拨相关培训。
4、负责公司运营状况分析,包括渠道,消费者,商品,竞争品牌分析等,提供高质量的分析报告,为公司市场发展及营销策略制定提供可行性建议。
5、编制生产计划及任务单下达。
6、生产计划的监督。
7、生产进度跟踪与数据统计。
食品生产企业表格汇编目录1、消毒液配制使用记录2、车间清洗消毒记录表3、紫外灯杀菌记录表4、臭氧杀菌记录5、申报单6、请购单7、采购申请单8、领料单9、退料单10、物料入库单11、设备配件清单12、发货清单13、公司原物料盘点表14、样品登记簿15、盘点盈亏表16、材料验收入库单17、设备固定资产台帐18、设备报废单19、设备安装调试验收移交单20、重点设备清洗换油计划表21、机电设备维护、保养、维修、检修记录表22、设备保养润滑明细表23、固定资产型号一览表24、设备安全事故报告单25、设备年度修理计划表26、设备月度修理计划表27、有毒/化学物品登记表28、有毒/化学物品领用记录29、员工培训登记表30、人员调动情况记录表31、生产部学习卡(员工类)32、进出车间人员登记表33、工器具发放回收记录34、车间职工工具卡35、乳胶手套发放回收记录36、车间温度湿度检查记录表37、材料进库日报表39、车间设备日常交接班点检记录表41、月生产计划表42、生产日程表43、金属探测器检查记录表44、车间金属检测记录表45、防灭鼠、蚊、蝇、虫执行记录46、蓄水池清洗记录47、蓄水池清洗消毒记录48、出厂产品编号记录表49、成品库存日报表50、车间进料检查记录表51、不合格品统计分析表52、不合格品处理记录表53、卫生检查记录54、日常卫生检查表55、车间卫生检查记录56、车间卫生检查评定表57、加工车间卫生检查记录58、加工人员健康检查档案记录59、加工卫生管理检查表60、加工卫生管理检查表61、加工人员健康检查档案记录62、加工车间卫生检查记录63、个人卫生检查记录64、卫生设施卫生清理记录65、卫生消毒方法记录表66、冷库定时扫霜、除霜、消毒记67、生产过程监视测量记录68、待检产品检查表69、速冻、冷藏库消毒记录70、质量事故报告71、5S问题整改评估单72、应急准备和响应实施(演练)记录73、生产操作员工绩效考核表74、生产技术岗位培训对象推荐表75、制造部管理岗位推荐表76、生产岗位培训考核77、合同工评估表78、劳务工评估表79、包装机半成品重量控制表80、再包装称重数粒自检表81、烘烤工作流程记录表82、油炸工作记录表83、生产管理程序图84、生产工厂生产运作系统85、年度产品别生产量预算86、季度产销计划表(存货生产型)87、月生产计划表88、周生产计划表89、日生产计划管理表90、生产计划变更通知单91、年度制造费用预算表92、年度产品生产预测表93、作业流程图94、工作负荷分析表95、订单不明确联络单96、工作命令单97、交货期变更通知单98、制造更改通知单99、待料通知单100、异常停工报告单101、产品生产进度控制表102、生产进度追踪表103、计划型生产进度表104、进度计划控制表105、每日订单完成状况追踪表106、例外事件追踪表107、生产异常状况报告书108、进度落后报告表109、全厂生产日报表110、全厂生产月报表111、部门别生产日报表范例(A)112、生产日报表(B)113、生产日报表(C)114、作业日报表115、异常停工报告单116、生产部门停滞时间统计月报表117、生产计划科月报表118、包装日报表119、在制品存量月报表120、管理人员日常点检日报表121、工伤事故报告122、不良改善对策报告书123、委外加工单124、外厂加工入库验收单123机器规格性能126、制程异常报告单127、不良品报废申请书128、品质月报单129、工、模具登记表130、个人工具借用卡131、机器设备卡132、机器设备预防保养卡133、机器设备保养计划表134、机器设备使用说明书135、机器设备性能及消耗动力表136、空气压缩机定期查检表137、计量仪器校验记录卡138、机器设备消费性部件资料表139、润滑记录表140、机器故障请修单141、设备故障检修表142、设备检修记录卡143、协作厂商资料卡144、设备突发故障处理报告145、设备重大故障统计分析表146、设备维修申请单147、设备请购报告148、工序作业标准书(A)149、作业标准书(B)150、时间研究用纸151、制程分析表152、工程改善成果报告书(A)153、工程改善成果报告书(B)154、改善提案表155、研究及发展费用明细表156、产品成本比较表157、图纸管理表158、产品履历表159、样品认可报告书160、设计变更申请书161、设计变更通知书162、设计修改通知书163、安全卫生检查表165、消防器材资料表166、环境清洁检查表消毒液配制使用记录部门:车间:岗位:日期品名用途消毒原液计量稀释溶液计量消毒液浓度使用人审核人车间清洗消毒记录表车间工段岗位日期:__________日期班次作业内容作业时间作业人清洗方法消毒方法检查人说明:1、”作业内容”填写制度规定中的清洗消毒主要内容,如:”配制消毒水”、”毛巾消毒”“手套消毒”、“工作台消毒”2、清洗消毒方法可以用字母填写,参照如下:(与如下不同类的请用文字说明). A.、5%酒精 B、50ppm次氯酸消毒液 C、80ppm次氯酸消毒液D.、 100ppm次氯酸消毒液 E、50ppm次氯酸消毒液 F、2%—3%碱粉溶液G、2%—3%洗洁精 H、.80℃热水 I.、清水紫外灯杀菌记录表车间工段(岗位)日期班次开启时间杀菌时间(min)累计时间(min)作业人审核人臭氧杀菌记录O3Disinfection Record日期Date上班前起止时间Period before work下班后起止时间Period after work备注Note执行人Executor要求Requirenent 加工车间、更衣室的臭氧发生器专人统一管理,每天上班前、下班后各开启30分钟The O3activtor in the processing and dress room must be in change of by the assigned people. Open it for thirty minutes before and after everyday审核人:审核日期:Audiror: Date:申报单申报部门申报日期受理部门受理日期主要内容具体事项:(事情发生时间、地点、过程原因、处理要求等简要说明,机械配件加工等另附图纸)备注请购单物资名称型号规格单位数量到货日期质量要求备注时间生产部经理审批制表:日期:采购申请单Purchasing RequisitionApplicant 申请人Applying Date 申请日期Item Description 采购物品Required Quantity 采购数量Expected DeliveryDate期望到货日期Specification技术要求Purpose用途PotentialSupplier潜在供应商Estimated Price 估计价格Approved by Dept.Manager.上级车间经理经理批准IT Comments (if applicable)IT建议(如需要)Reviewed by Finance Manager财务经理批准(For IT purchase)Approved by General Manager总经理批准Notes of Purchasing采购部意见Purchase completed / accepted by Applicant 申请人接收领料单材料类别领料单总号:FR-12-03 A版材料科目字第号第一联存根年月日分号:材料材料名称规格生产通用途数量计量单价金额编号知单号请领实领单位车间经理记帐发料领料部门领料人退料单日期:品名供应商规格批次生产日期数量退料原因操作人制表:车间车间经理:仓管员:物料入库单年月日项目品名规格型号单位数量原库存量现有存量备注仓库审核:中心总监审核:财务备案:设备配件清单单位:盘点日期设备名称设备编号配件编号配件名称使用量配件型号计划库存量库存量库存金额库位号德信诚培训网更多免费资料下载请进: 好好学习社区发货清单发货单位名称 : NO:产品名称规格型号数量 收货单位名称收货单位地址收货人签字 收货人电话收货时间备 注承运人签字承运单位车 号发货人发货时间审核人德信诚培训网公司原物料盘点表年月日序号品名规格单位数量单价金额备注19德信诚培训网样品登记簿抽样人抽样地点抽样方式产品名称规格样品编号批次代表数量抽样量偏差范围合格证情况包装质量备注盘点盈亏表日期:序号物料编号品名规格单位实盘数量帐目数量差异数量差异原因单价差异金额制表:审核:材料验收入库单年月日物料名称规格原材料厂家件数重量(T)单价金额进货数核定数运费合计送货人:车号:验收:设备固定资产台帐日期:资产编号:设备编号:设备名称:资产类别:部门:型号:会计凭证号:位置:字第号:使用年限:使用日期:数量:设备原值:月折旧额:已提折旧额:目前净值:月修理费:修理费提存:修理费累计:停用日期:资产摘要:设备报废单制表日期:资产编号:设备名称:设备编号:资产类别:投产日期:型号:部门:存放位置:报废日期:数量:设备原值:月折旧率:已提折旧额:已提大修额:目前净值:实报金额:残值金额:新旧程度:设管意见:车间经理意见:财会意见:设备安装调试验收移交单设备编号:设备名称:资产编号:数量:型号:设备价值:运杂费:土建费:电器安装费:机械安装费:安装日期:移交日期:安装单位移交人验收人试运转记录:移交记录:重点设备清洗换油计划表换油日期: NO:设备编号设备名称操作人清洗部位油脂型号换油周期零件更换备注:机电设备维护、保养、维修、检修记录表单位:设备名称:日期运转时数操作员异常状况解决办法配件维修人员车间车间经理维修处保养、修理性质备注名称规格型号数量日、周、月、季、年说明:(1)“运转时间”栏的单位为小时。
食品生产企业常用表格汇编编辑:从业人员健康检查档案不合格品处置记录供应商评价表检验原始记录样品名称:样品编号:检验时间:检验人(签字):复核人(签字):复核时间:出厂检验报告单检验编号:审核人:检验人:抽检产品留样记录成品出入库台账产品名称/代号:包装规格:仓管员:场所清洁消毒记录表场所名称:内部学习培训记录学习内容:方式:培训记录及效果评估表保存部门:保存期限:环境温湿度监控记录食品召回措施报告企业名称:地址:联系电话:一、本公司(人)已于停止生产召回食品。
二、于年月日以的方式通知生产经营单位停止生产经营召回食品(名称、批次、数量),生产经营单位现。
三、于年月日以的方式通知消费者停止消费召回食品。
四、经调查确认发现,该食品应当召回,产生的原因为;可能受影响的人群有。
五、阶段计划(实施部门、时间、方法、计划召回量、预期效果):。
六、召回终结预期(时间、计划召回量、效果):。
七、召回食品后的处理措施:。
企业(签章)年月日注:本报告一式两份,一份交市场监督管理部门,一份企业留存。
食品召回阶段性进展报告注:本报告一式两份,一份交市场监督管理部门,一份企业留存。
食品召回总结报告添加剂领用登记表编制:审核:批准:仪器设备档案目录编码:仪器设备使用维护记录注:正常划“√”;异常划“×”,并注明异常情况。
仪器设备停用/报废申请表不合格品销毁记录表采购物资出入库台账备注:本表用于单一采购物资的管理。
记录:审核:产品销售台账合格供应商汇总表编制:批准:机器设备维修清洗保养卡设备名称:进货台账领料单领料:审批:发料:年月日年月日年月日年度培训计划编码:配料记录表备注:配料员如实记录所使用食品添加剂名称、批次、数量的同时,应对调配的食品添加剂进行编号,并在包装、容器上进行标识。
配料人:复核:投料记录表委托出厂检验登记表时间:年月日登记人:备注:本表适用于对出厂产品进行全项目或部分项目委托检验的企业。
仪器设备检定/校准计划仪器设备一览表质量监督计划表编号:批准:审核:编制:。
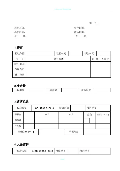
编号:样品名称:生产日期:
样品数量:检验日期:
批量:规格:
1.感官
3.菌落总数
4.大肠菌群
页脚内容
检验员:复核
编号:样品名称:生产日期:
样品数量:检验日期:
批量:规格:
1.水分
2.食盐
检验员:复核1.亚硝酸盐
页脚内容
2.可溶性无盐固形物
页脚内容
编号:样品名称:生产日期:
样品数量:检验日期:
批量:规格:
1.氨基酸态氮
页脚内容
2.全氮
检验员:复核
编号:样品名称:生产日期:
页脚内容
样品数量:检验日期:批量:规格:
1.铵盐
2.总酸
页脚内容
检验员:复核
编号:样品名称:生产日期:
样品数量:检验日期:
批量:规格:
1.总酸
2.不挥发酸
页脚内容
页脚内容。
食品生产企业各种可追溯生产记录表格NT-QR/10-01 表2 食品质量安全档案编号: 质量责任人:******编制二0一二年NT-QR/10-01原辅材料检验记录(包括原料、食品添加剂、包装材料等)序检验方式检验负责人号原料名称规格型号进货数量进货时间执行标准生产厂名及国别检验日期结论处置结果签字、日期NT-QR/10-01表7 食品质量安全档案编号: 质量责任人:*******编制二0一二年NT-QR/10-01食品生产企业产品销售台帐序生产批号检验产量销量销售销往地区号产品名称生产日期执行标准结论 (单位) (单位) 日期及企业名称单证编号备注NT-QR/10-01表1 食品质量安全档案编号: 质量责任人:*******编制二〇一二年NT-QR/10-01食品生产企业原辅材料供方评价登记表(包括原材料、食品添加剂、营养增加剂包装材料等)序营业执照卫生许可生产许可质检报质保书质量问生产供货号原辅料名称供方名称供方地址注册号证登记号证登记号告编号合格证标准代号题记载日期时间NT-QR/10-01表3 食品质量安全档案编号: 质量责任人:*******编制二〇一二年NT-QR/10-01食品生产企业原辅材料投料、使用记录序产品生产批号号产品名称原辅料名称使用量产量生产日期检验结论检验报告编号备注NT-QR/10-01表4 食品质量安全档案编号: 质量责任人:*******编制二〇一二年NT-QR/10-01食品生产企业关键工艺、关键工序质量控制记录质量控制异常情况处置工序名称质量控制点质量要求控制措施生产班次责任人运行情况记录处置措施结果备注NT-QR/10-01 表10 食品质量安全档案编号: 质量责任人:*******编制二〇一二年NT-QR/10-01食品生产企业计量器具检定、使用台账序精度台件检定有效号计量器具名称规格型号等级生产厂家生产日期购置日期数量使用场所责任人检定周期截止日期完好状态NT-QR/10-01 表9 食品质量安全档案编号: 质量责任人:*******编制二〇一二年NT-QR/10-01食品生产企业生产设备管理台账序检修号设备名称规格型号生产厂家生产日期购置日期数量使用场所责任人周期检修时间完好状态NT-QR/10-01 表8 食品质量安全档案编号: 质量责任人:*******编制二〇一二年NT-QR/10-01食品生产企业消毒剂、清洗剂使用记录序号试剂名称生产厂家有效期限配制浓度使用场所使用班次使用量使用时间责任人备注NT-QR/10-01表12 食品质量安全档案编号: 质量责任人:*******编制二〇一二年NT-QR/10-01食品生产企业质量管理考核记录序考核组验收验收号考核内容考核依据考核类型考核时间不合格项负责人整改要求整改期限整改措施整改效果时间责任人NT-QR/10-01 表6 食品质量安全档案编号: 质量责任人:*******编制二〇一二年NT-QR/10-01食品生产企业包装材料使用记录序号产品名称包装材料名称生产厂家生产日期、生产批号检验证书编号检验结论使用量备注NT-QR/10-01 表11 食品质量安全档案编号: 质量责任人:*******编制二〇一二年NT-QR/10-01食品生产企业主要负责人员、工程技术人员一览表序性年文化号姓名别龄身份证号职务职称程度专业资格证及编号备注NT-QR/10-01 表5 食品质量安全档案编号: 质量责任人:*******编制二〇一二年。
食品工厂是生产和加工食品的重要场所,关乎着人们的健康和生活品质。
而在食品工厂内,有着许多必填表格,这些表格记录着各种重要的信息和数据,对于确保食品安全和质量至关重要。
在本文中,我们将深入探讨食品工厂内的31张必填表格,了解这些表格的作用和重要性。
1. 生产计划表生产计划表记录着食品工厂的生产计划和排产安排,包括原料采购、生产线安排等信息。
这些信息对于保证生产计划的顺利进行至关重要。
2. 原料采购记录原料采购记录详细记录了食品工厂采购的原料信息,包括供应商、批次、质量检验情况等内容。
通过这些记录,可以追溯原料的来源和质量。
3. 原料进货验收记录原料进货验收记录是确保原料质量安全的重要手段,记录了原料的外观、包装、质量检验等信息,对于防止次品和次品进入生产流程至关重要。
4. 生产日报表生产日报表记录了每日的生产情况、产量、质量情况等信息,是生产管理和质量控制的重要依据,对于及时发现和解决生产过程中的问题至关重要。
5. 设备运行记录设备运行记录详细记录了食品生产设备的运行情况,包括维修保养、故障修复等信息,对于确保设备正常运行和生产质量至关重要。
6. 检验记录表检验记录表是记录了对食品原料、半成品和成品进行的各项检验的结果和情况,包括外观检查、理化指标检测等内容,是确保食品质量和安全的重要手段。
7. 包装记录包装记录详细记录了食品包装的情况,包括包装材料、机器包装情况、包装数量等信息,对于包装质量和安全至关重要。
8. 库存记录库存记录表是记录了食品原料、半成品和成品的库存情况,包括入库、出库、盘点等信息,对于及时调配和控制库存至关重要。
9. 安全生产记录安全生产记录是记录了食品工厂的安全生产情况,包括安全隐患排查、事故记录、安全培训等内容,对于确保生产安全至关重要。
10. 卫生检查记录卫生检查记录是记录了食品工厂的卫生情况,包括卫生清洁、消毒情况等信息,是确保食品卫生安全的重要手段。
11. 生产工艺流程记录生产工艺流程记录是记录了食品生产的工艺流程和操作规程,对于保证生产工艺的稳定和标准化至关重要。
共享知识分享快乐
广西南宁XX食品厂原辅材料验货记录(包括原料、食品添加剂、包装材料等)
共享知识分享快乐
产品销售台帐食品厂广西南宁XX
共享知识分享快乐
广西南宁XX食品厂原辅材料供方评价登记表
(包括原材料、食品添加剂、营养增加剂包装材料等)
共享知识分享快乐
广西南宁XX食品厂原辅材料投料、使用记录
(包括食品添加剂、营养强化剂使用情况)
共享知识分享快乐
广西南宁XX食品厂关键工艺、关键工序质量控制记录
共享知识分享快乐
广西南宁XX食品厂计量器具检定、使用台账
共享知识分享快乐
广西南宁XX食品厂生产设备管理台账
共享知识分享快乐
广西南宁XX食品厂消毒剂、清洗剂使用记录
共享知识分享快乐
广西南宁XX食品厂质量管理考核记录
共享知识分享快乐
广西南宁XX食品厂包装材料使用记录
共享知识分享快乐
广西南宁XX食品厂主要负责人员、工程技术人员一览表
共享知识分享快乐
食品添加剂分析原始记录表
填报单位(盖章):
注:企业首次备案应把食品添加剂购买发票、合格证、使用说明书附后,当企业更换食品添加剂时应重新备案。
填报人:
联系电话:
共享知识分享快乐
广西南宁XX食品厂原料记录表
计量单位:( )
田质监食表01-2005
共享知识分享快乐
注:采购原料时应向供应商索取产品合格证或质检报告,食品添加剂还需要收集使用说明书、采购发票。
广西南宁XX食品厂生产记录表
共享知识分享快乐
注:原料消耗量栏目必须把食品添加剂的名称与用量填上。
广西南宁XX食品厂产品销售记录表计量单位:( )
田质监食表03-2005
共享知识分享快乐
共享知识分享快乐
广西南宁XX食品厂原料信息记录表填报单位(盖章):填报
填报人:联系方法(手机/固话/传真):
、企业应如实全数填写报表;1注:
共享知识分享快乐
2、上报时应附上相关供应商、生产厂家的资质证书复印件、产品检验报告书复印件(均需加盖公章);
3、发生增减品种时应及时上报,以便更新数据库有关内容。
共享知识分享快乐
广西南宁XX食品厂
不合格原料通知单
规格产品名称量数
检验员:复核:检验时间:
共享知识分享快乐
不合格产品评审处置表
日
共享知识分享快乐
质量工作会议记录
共享知识分享快乐
技术文件发放及回收记录
归还
共享知识分享快乐
广西南宁XX食品厂醒发工序记录
备注
共享知识分享快乐
广西南宁XX食品厂烘烤工序记录
共享知识分享快乐
不合格项纠正记录
共享知识分享快乐
生产人员伤病调离通知单
日
生产人员伤病调离通知单
日
共享知识分享快乐
培训记录
共享知识分享快乐
广西南宁XX食品厂设备维修(保养)记录
(部门负责人)确认:
日期: 检修人: 日期:
共享知识 分享快乐
消毒剂入库、领用记录
共享知识分享快乐
设备、设施及地面卫生清洗消毒
记录
消毒剂名称:
消毒方法:浸泡、喷洒、擦洗.共享知识分享快乐
消毒液配制记录消毒剂名称:
备
共享知识分享快乐
工作服消毒记录
记录人:审核人:年月日
共享知识分享快乐
广西南宁XX食品厂抽样单
广西南宁XX食品厂
抽样单
广西南宁XX食品厂抽样单
共享知识分享快乐
广西南宁XX食品厂生产过程产品感官检验记录
组杂检验备
共享知识分享快乐
广西南宁XX食品厂
成品卫生检验原始记录
大肠菌结MPN/10克)倍倍1:1000100
日年检验员:检验日期:月
共享知识分享快乐
广西南宁XX食品厂净含量及感官检验原始记录
检验
共享知识分享快乐
广西南宁XX食品厂配料记录
备
共享知识分享快乐
采购验证记录
采购验证记录
共享知识分享快乐
广西南宁XX食品厂出厂检验报告单
检验员:审核人:报告日期:年月
日
共享知识分享快乐
食品厂XX广西南宁干燥失重(水分)检验原始记录
生产日期:
)测平均值结-容样品重,
广西南宁XX食品厂
干燥失重(水分)检验原始记录生产日期:
水分含量(%)测平均值结-容样品重,
共享知识分享快乐
食品厂广西南宁XX物资采购计划单
合同号
食品厂广西南宁XX物资采购计划单
合同号
共享知识分享快乐
成品入库记录
共享知识分享快乐
成品出库记录
共享知识分享快乐
食品厂广西南宁XX细菌总数检测原始记录室温:℃湿度:% 第页共页
总大肠菌群检测证实试验记录
环境温度:℃环境湿度 % 第页共页。