00混凝土冻融试验作业
- 格式:doc
- 大小:461.00 KB
- 文档页数:7
混凝土冻融循环试验记录混凝土作为一种广泛应用于建筑工程中的材料,其耐久性对于结构的安全性和使用寿命至关重要。
而冻融循环是影响混凝土耐久性的一个重要因素。
为了评估混凝土在冻融环境下的性能,进行混凝土冻融循环试验是必不可少的。
以下是对一次混凝土冻融循环试验的详细记录。
一、试验目的本次试验的主要目的是研究混凝土在冻融循环作用下的物理性能变化,包括质量损失、相对动弹性模量的变化,以及外观损伤情况,从而评估混凝土的抗冻性能。
二、试验依据本次试验依据的标准为《普通混凝土长期性能和耐久性能试验方法标准》(GB/T 50082-2009)。
三、试验设备1、冻融试验机:能够自动控制温度在规定范围内循环变化,并记录温度和时间。
2、电子天平:精度为 01g,用于测量混凝土试件的质量。
3、超声波检测仪:用于测量混凝土试件的相对动弹性模量。
四、试验材料与配合比1、水泥:采用_____牌 PO 425 普通硅酸盐水泥。
2、砂:细度模数为 26 的中砂,含泥量小于 2%。
3、石子:粒径为5-20mm 的连续级配碎石,压碎指标值小于10%。
4、水:符合混凝土拌合用水标准的自来水。
5、外加剂:_____牌高效减水剂,掺量为水泥质量的_____%。
混凝土配合比如下:|材料|用量(kg/m³)|||||水泥|_____||砂|_____||石子|_____||水|_____||外加剂|_____|五、试件制备1、制作了尺寸为 100mm×100mm×400mm 的棱柱体试件若干,每组 3 个。
2、试件在标准养护条件下(温度 20±2℃,相对湿度 95%以上)养护 28 天。
六、试验步骤1、试件养护到期后,取出擦干表面水分,测量其初始质量和初始相对动弹性模量。
2、将试件放入冻融试验机中,试件之间保持一定的间距,以保证冷冻液能够充分循环。
3、设定冻融循环制度:一次冻融循环包括在-18℃下冷冻 4 小时,然后在 5℃的水中融化 4 小时,为一个循环。
混凝土中的冻融循环试验技术规程一、前言混凝土作为一种重要的建筑材料,其性能受到很多因素的影响,其中之一是冻融循环。
在寒冷地区或冬季施工中,混凝土很容易遭受冻融损害,因此对混凝土进行冻融循环试验是非常必要的。
本文就混凝土中的冻融循环试验技术规程进行详细介绍。
二、试验目的本试验的目的是评价混凝土在冻融循环条件下的耐久性能,包括耐冻融性、耐久性、抗渗性等指标,为混凝土材料的设计、生产和使用提供科学依据。
三、试验设备及材料1. 试验设备:冻融试验箱、电子天平、振动台、压力机等。
2. 材料:水泥、砂、骨料、水等混凝土原材料;混凝土试件模具、铁钉、塑料袋等。
四、试验步骤1. 混凝土试件制备(1)按照混凝土设计配合比,将水泥、砂、骨料和水充分混合。
(2)将混合物倒入试件模具中,振动压实,使其密实均匀。
用铁钉在表面上划线,防止混凝土表面龟裂。
(3)将制备好的混凝土试件放置于室温下养护28天,养护期间保持试件表面湿润。
2. 冻融循环试验(1)将养护好的混凝土试件放入冻融试验箱中,设置温度范围为-18℃至+4℃,循环次数为50次。
(2)每次循环结束后,将试件从试验箱中取出,测量试件的长度、宽度和厚度,并记录试件的重量。
(3)检查试件表面是否有龟裂、剥落等现象,并记录。
(4)将试件放入塑料袋中,测量试件的体积,并记录试件的相对密度。
(5)重复以上步骤,直到完成50次冻融循环试验。
五、试验数据处理1. 耐冻融性能指标(1)试件的质量损失率:质量损失率=(试件质量初始值-试件质量终值)/ 试件质量初始值× 100%。
(2)净体积损失率:净体积损失率=(试件净体积初始值-试件净体积终值)/ 试件净体积初始值× 100%。
(3)相对密度损失率:相对密度损失率=(试件相对密度初始值-试件相对密度终值)/ 试件相对密度初始值× 100%。
2. 耐久性能指标(1)抗压强度:按照规定试验方法进行测量。
(2)抗折强度:按照规定试验方法进行测量。
混凝土冻融循环实验方案一 实验背景和目的根据中国水科院的定义,冻融破坏是指水工建筑物已硬化的混凝土在浸水饱 和或潮湿状态下,由于温度正负交替变化(气温或水位升降),使混凝土内部孔 隙水形成冻结膨胀压、渗透压及结晶压力等,产生疲劳应力,造成混凝土由表及 里逐渐剥蚀的一种破坏现象。
我国的混凝土耐久性问题呈现“南锈北冻”的分布, 冻融破坏是我国东北、西北和华北地区水工混凝土建筑物在运行过程中产生的主 要病害之一,除“三北”地区外,华东、华中的长江以北地区以及西南高山寒冷 地区均存在此类的病害。
混凝土处于饱水状态和冻融循环交替作用是发生混凝土冻融破坏的必要条件,因此,混凝土的冻融破坏一般发生于寒冷地区经常与水接触的混凝土结构物,可见,混凝土的抗冻性是混凝土耐久性中最重要的问题之一。
实验将对室内快速冻融和室外自然环境下的冻融循环进行对比实验,来探究二者之间存在的关系,为实际工程服务。
本实验是依照《水工混凝土试验规程(SL352-2006)》进行设计二 实验材料及配合比混凝土试块的原料及配合比采用之前抗拉实验的实验材料及配合比进行制作 减水剂 水泥 水 粉煤灰 沙子 小石 中石 密度1.716 171.6 132 92.4 761.26 591.096 886.6442636.716三 试件的成型,养护以及初始值的测定成型的目的是为混凝土性能试验制作试件,关于养护箱:标准养护箱温度应控制在20℃±5℃;相对湿度在95%以上。
成型后的带模试件宜用湿布或塑料薄膜进行覆盖,以防止水分蒸发,并在温度为20℃±5℃,相对湿度在95%以上的标准养护箱中养护24h 。
然后拆模并编号。
拆模后的试件应立即放入标准养护箱中养护,避免用水直接冲淋试件。
试件的尺寸:mm 400mm 100mm 100⨯⨯①本次试验以3个试件为一组,试验龄期为28d (查水利口的规范是90d ,之后也查了普通的混凝土试验规范是28d ,倾向于使用28d ,90d 周期太长),到达试验龄期的前四天将试件在20℃±3℃的水中浸泡四天。
混凝土快速冻融实验操作规程【2 】1.如无特别划定,试件应在28天龄期时开端冻融实验.冻融实验前四天应把试件从养护地点掏出,进行外不雅检讨,然后在温度为15~20℃的水中浸泡(包括测温试件).浸泡时水面至少应凌驾试件顶面20毫米,试件浸泡4天落后行冻融轮回.2.浸泡完毕后,掏出试件,用湿布擦除表面水分,称重测定其横向基频的初始值.3.实验前先将冷冻液注入实验槽中,在试件桶全体放入实验槽的情形下,冷冻液注入至吞没冷冻槽回流孔为止.冷冻液太多,要防止冷冻液进入实验桶;冷冻液太少,要防止冷冻液不能正常回流.实验槽为启齿式构造.在实验进程中,冷冻液会不断吸潮稀释.是以,新参加的冷冻液请勿掺水.4.通电检讨:水泵和风机扭转偏向.内心设定.温度轮回的高低限和轮回次数.一切正常后才能进行实验.5.将试件放入试件盒内,为了使试件受温平衡,并清除试件四周水分结冰引起的附加压力,试件的侧面与底部应垫放恰当宽度与厚度的橡胶板,在全部实验进程中,盒内水位高度应始终保持凌驾试件顶面5毫米阁下.6.把试件放入冻融箱内.个中装有测温试件的试件盒应放在冻融箱的中间地位.此时开端冻融轮回.7.冻融轮回进程应相符下列请求:A.每次冻融轮回应在2~4小时内完成,个顶用于熔化的时光不得小于全部冻融时光的1/4;B.在冻结和熔化终了时,试件中间温度应分离掌握在-17±2℃和8±2℃;C.每块试件从6℃降至-15℃所用的时光不得少于冻结时光的1/2.每块试件从-15℃升至6℃所用时光也不得少于全部熔化时光的1/2,试件表里的温差不宜超过28℃;D.冻和融之间的转换时光不宜超过10分钟.8.试件一般应每隔25次轮回作一次横向基频测量,测量前应将试件表面浮渣清洗清洁,擦去表面积水,并检讨其外部毁伤及重量损掉.测完后,应立刻把试件掉落一个头从新装入试件盒内.试件的测量称重及外不雅检讨应尽量敏捷,以免水分损掉.9.为了保证试件在冷冻液中冻结时温度平衡,当有一部分试件停冻掏出时,应另用试件填充空位.如冻融轮回因故中止,试件应保持在冻结状况下,并最好能将试件保消失原容器内用冰块围住.如无这一可能,则应将试件在干燥状况下用防水材料包裹,加以密封,并存放在-17±2℃的冷冻室或冰箱中.试件处在融解状况下的时光不宜超过两个轮回.特别情形下,超过两个轮回周期的次数在全部实验进程中只许可1~2次.10.冻融达到以下三种情形之一即可停滞实验:A.已达到300次轮回;B.相对东弹性模量降低到60%以下;C.重量损掉5%.。
混凝土冻融试验方法嘿,你知道混凝土冻融试验是咋回事不?这可是个超级重要的事儿呢!混凝土,那可是建筑世界里的大明星。
就好比一个坚强的战士,在各种环境下都要坚守阵地。
而冻融试验呢,就像是对这个战士的严峻考验。
想象一下,混凝土在寒冷的冬天,遭受着冰霜的侵袭,又在温暖的时候,经历着融化的过程。
这就像人在极端的环境中,一会儿被冻得瑟瑟发抖,一会儿又被热得大汗淋漓。
那混凝土能受得了吗?这就得靠冻融试验来看看啦。
冻融试验的方法有很多种呢。
比如说快速冻融法,这就像一场激烈的战斗,快速地让混凝土在冷冻和融化之间切换,看看它能坚持多久。
还有慢速冻融法,就像是一场持久战,慢慢地考验混凝土的耐力。
在进行冻融试验的时候,得准备好各种设备。
就像一个大厨要准备好各种厨具一样。
要有冷冻箱,能把混凝土冻得结结实实的。
还要有融化设备,让混凝土在合适的时候解冻。
而且,还得有测量仪器,随时监测混凝土的变化。
试验的过程也很讲究哦。
首先要把混凝土试件准备好,就像给战士穿上铠甲一样。
然后把它们放进冷冻箱里,让它们感受寒冷的威力。
过一段时间,再把它们拿出来,放进融化设备里,让它们享受温暖的拥抱。
就这样反复进行,看看混凝土会不会出现裂缝、剥落等问题。
如果混凝土在冻融试验中表现得很好,那可就太棒啦!就像一个勇敢的战士,经受住了重重考验。
但如果出现了问题,那可就得好好研究一下啦。
是混凝土的配合比不对?还是施工过程中有问题呢?冻融试验可不是一件简单的事情哦。
它需要我们认真对待,仔细操作。
就像医生给病人看病一样,要一丝不苟。
只有这样,我们才能得到准确的结果,为建筑工程提供可靠的保障。
总之,混凝土冻融试验是非常重要的。
它能让我们了解混凝土在不同环境下的性能,为我们的建筑工程保驾护航。
所以,我们一定要重视冻融试验,让混凝土这个坚强的战士在建筑世界里发挥更大的作用。
混凝土快速冻融试验操作规程混凝土的冻融试验是评估混凝土抗冻融性能的一种常用方法。
该试验通常用于评估混凝土的抗冻裂性能,以确定混凝土在冻融循环中是否会发生裂缝、鼓包、剥落等现象,从而指导混凝土的配合设计和使用。
一、试验前的准备1.确保试验室的温度和湿度符合试验要求,并记录下环境条件。
2.准备试件:混凝土试件的尺寸和形状应符合相关标准,常见的试件尺寸有立方体试件、圆环试件、梯形试件等。
3.混凝土配合比设计:根据试验要求,确定混凝土配合比并计算出所需的材料用量。
4.混凝土制备:按照配合比,将混凝土的各种原材料加入搅拌机中进行拌和,保证混凝土的均匀性和一致性。
5.混凝土浇筑和养护:将拌和好的混凝土浇入试件模具中,并进行养护,保证混凝土的健康生长和成熟。
二、试验操作步骤1.混凝土试件的浸泡:将制备好的混凝土试件进行浸泡处理,一般浸泡时间为24小时,确保混凝土内部的水分充分饱和。
2.温度预处理:将试件放入恒温槽或恒温箱中,根据试验要求将温度控制在预定温度上,常见的温度范围为-18℃到8℃。
3.冻结过程:将试件从温度预处理环境中取出,放置在冰盐混合物中进行冻结至规定的温度。
冻结速率应保持稳定,通常不超过1℃/h。
4.融化过程:将冻结的混凝土试件从冰盐混合物中取出,放置在室温环境中融化。
融化速率应保持稳定,通常不超过2℃/h。
5.重复冻融循环:根据试验要求,重复进行冻结和融化的过程,通常要求进行多次循环,例如3次或5次。
6.观察与记录:在每次循环结束后,观察试件的表面情况,如是否有裂缝、鼓包、剥落等现象,并记录下来。
同时也要记录试件的重量和尺寸等参数。
7.试验结果的分析与判断:根据观察和记录的数据,对试验结果进行分析和判断,评估混凝土的抗冻融性能。
三、试验注意事项1.按照规定的配合比和工艺操作,确保试验结果的可靠性。
2.控制试验温度的准确性和稳定性,避免温度波动过大引起试验误差。
3.在试验过程中,要仔细观察试件表面的变化情况,及时记录并分析。
混凝土冻融试验报告引言混凝土是一种常用的建筑材料,广泛应用于建筑物和基础设施的建设中。
然而,在寒冷的气候条件下,混凝土可能会遭受冻融损害,导致其强度和耐久性下降。
为了评估混凝土在冻融环境下的性能,进行冻融试验是必要的。
本文将介绍混凝土冻融试验的步骤和结果分析。
试验目的本次试验的目的是评估混凝土在冻融环境下的性能,具体包括以下几个方面:1. 混凝土的抗冻性能:在冻融循环过程中,混凝土是否会出现显著的裂缝和剥落。
2. 混凝土的强度损失:冻融循环是否会导致混凝土强度下降,以及下降的程度。
实验装置和材料1.实验装置:包括冷冻箱、恒温箱、试验模具等。
2.材料:–水泥:按照设计比例配制的标准水泥。
–砂:符合建筑用砂的要求。
–石子:符合建筑用石子的要求。
–混凝土外加剂:用于改善混凝土的工作性能和抗冻性能。
试验步骤1.混凝土配制:按照设计配比将水泥、砂、石子和外加剂混合搅拌,得到均匀的混凝土浆料。
2.模具制备:将混凝土浆料倒入试验模具中,用振动器震实,待混凝土凝固后取出模具。
3.初步养护:将模具中的混凝土标本放入恒温箱中,保持适宜的温度和湿度,养护一段时间,让混凝土充分硬化。
4.冻融循环试验:将养护后的混凝土标本放入冷冻箱中,设定冻结和解冻的循环参数,例如每次冻结-20°C,解冻5°C的循环,循环次数根据实际需要确定。
5.试验观察和记录:每次冻融循环后,观察混凝土表面是否出现裂缝、剥落等现象,并记录下来。
6.试验结果分析:根据观察和记录的数据,分析混凝土的抗冻性能和强度损失情况。
结果分析根据试验结果,我们可以得出以下结论: 1. 混凝土的抗冻性能:经过多次冻融循环后,混凝土表面未出现明显的裂缝和剥落,说明混凝土具有较好的抗冻性能。
2. 混凝土的强度损失:经过多次冻融循环后,混凝土的强度有所下降,但下降的程度相对较小,仍然满足设计要求。
结论通过混凝土冻融试验,我们得出了以下结论: 1. 在所选用的试验条件下,混凝土表现出良好的抗冻性能,未出现明显的裂缝和剥落。
混凝土冻融试验一.目的检测混凝土冻融参数,指导检测人员按规程正确操作,确保检测结果科学、准确。
二.检测参数及执行标准混凝土强度损失率,混凝土质量损失率。
执行标准:gbj82-85《普通混凝土长期性能和耐久性能试验方法》三.适用范围适用于工业与民用混凝土。
四.职责检测员必须执行国家标准,按照作业指导书操作,边做试验边做好记录,编制检测报告,并对数据负责。
五.取样大小及方法混凝土:砂浆抗冻试件采用150mm×150mm×150mm、100mm×100mm×100mm、200mm×200mm×200mm的立方体试件,制备两组(每组三块),分别作为抗冻与抗冻试件龄期的对比抗压强度检验试件。
六.仪器设备1.材料试验机—试验机的示值相对误差不大于±1%,其下加压板为球铰支座,预期最大破坏荷载应在量程的20%-80%之间,型号yes-2000,设备编号jc051。
2.低温箱:能降到-250c,型号ld-40,设备编号jc231。
3.其它:水槽、台称(型号tgt-6,设备编号jc401)。
00.02.2—1混凝土冻融试验七.环境条件常温下物理室内进行。
八.检测步骤1.如无特殊要求,试件应在28天龄期时进行冻融试验。
试验前4天应把冻融试件从养护地点取出,进行外观检查,随后放在15~20℃水中浸泡,浸泡时水面至少应高出试件顶面20毫米,冻融试件浸泡4天后进行冻融试验。
对比试件则应保留在标准养护室内,直到完成冻融循环后,与抗冻试件同时试压。
2.浸泡完毕后,取出试件,用湿布擦除表面水分、称重、按编号置入框篮后即可放入冷冻箱(室)开始冻融试验。
在箱(室)内,框篮应架空,试件与框篮接触处应垫以垫条,并保证至少留有20毫米的空隙,框篮中各试件之间至少保持50毫米的空隙。
3.抗冻试验冻结时温度应保持在-15~20℃。
试件在箱内温度到达-20℃时放入,装完试件如温度有较大升高,则以温度重新降至-15℃时起算冻结时间。
混凝土中的冻融循环试验方法一、前言在寒冷地区,混凝土承受着频繁的冻融循环作用,从而导致混凝土的性能发生变化,甚至造成混凝土的破坏。
因此,进行混凝土的冻融循环试验是非常必要的。
本文将详细介绍混凝土中的冻融循环试验方法。
二、试验设备1. 冻融试验箱:用于模拟冬季寒冷天气,产生冻融循环作用。
2. 混凝土试件模具:用于制作混凝土试件。
3. 混凝土试件振动台:用于振动混凝土试件,排除混凝土中的气泡。
4. 电子天平:用于称量混凝土试件的质量。
5. 试验室温度计:用于测量试验室温度。
三、试验步骤1. 制备混凝土试件:按照国家标准《混凝土试件制作规范》GB/T 50080的要求,制备规格为100mm×100mm×100mm的混凝土试件。
2. 养护混凝土试件:混凝土试件在拆模后,应放入水中养护7天以上,保证混凝土的强度达到标准要求。
3. 测量混凝土试件质量:用电子天平称量混凝土试件的质量,精确到0.1g。
4. 确定试验参数:根据混凝土的使用环境,确定试验箱中的冻融循环参数,包括温度范围、冻融循环次数、升温降温速率等。
5. 安装混凝土试件:将养护好的混凝土试件放入试验箱内,注意试件之间的间隔,避免试件之间的相互影响。
6. 开始试验:启动试验箱,按照确定的试验参数进行冻融循环试验。
7. 观察试验过程:在试验过程中,观察试件的表面是否出现龟裂、剥落等现象。
8. 测量试验结果:在试验结束后,取出混凝土试件,用游标卡尺测量试件的尺寸和形状,记录试件的表面龟裂情况。
9. 计算试验结果:根据试验结果,计算混凝土试件的抗冻性能指标。
四、试验注意事项1. 混凝土试件的制备应符合国家标准要求,确保试件的强度、密实度等性能达到标准要求。
2. 冻融试验箱的温度范围、冻融循环次数、升温降温速率等参数应根据混凝土使用环境确定,试验参数的确定应符合国家标准要求。
3. 混凝土试件的安装应注意试件之间的间隔,避免试件之间的相互影响。
混凝土冻融实验操作规程一、实验前准备工作(试件准备)A.抗冻试件达到规定的养护龄期后,自标准静水养护池中取出。
如冻融介质为海水,应将试件在室内风干两昼夜;如冻融介质为淡水,则不需要进行风干饱和水。
B.从工地运来的表面干燥的试件,应先放入养护标准静水养护池中进行充分饱水。
饱水后再按A的规则进行风干和饱水。
C.抗冻试件应有实验标识:试件在风干后饱水前应系上铁牌编号标识,在试件端涂刷调头标识,并作好记录。
D.对于饱水完毕的试件,擦去表面的水分,进行初始检测,其检测的项目如下:(1)试件的初始饱水重量;(2)试件的初始共振频率;(3)试件外观描述和照相。
E.试件经过初始检验后,将试件装入桶底和桶壁均有橡皮衬垫的试件桶内。
按冻融介质要求,注入海水或淡水,水面应浸没试件顶面20mm。
二、冻融试验A.打开机箱内的主机总电源开关。
B.面板选择开关置于自动位置。
C.打开监控计算机,进入WINDOWS 98桌面后双击[冻融监控] 图标。
由于[冻融监控]程序要利用WINDOWS时间系统。
所以要将98时间系统格式设置为“日期yy-mm-dd 时间:HH:mm:ss”否则,监控程序会出现:错误提示。
D.进入监控程序首页界面后点击[确定]按钮进入主菜单。
E.在主菜单下选择[冻融试验]栏,进入冻融试验参数设定界面。
程序自动给出流水编号,操作者可对流水编号进行修改。
认可这一编号后点击[确认]按钮。
F.确认后在{试验名称}栏内输入试验名称。
点击{试验开始时间}栏的[调整]按钮,调整试验开始时间。
调整完成后按[确认]按钮返回。
G.此时屏幕上的其它参数将自动生成。
默认值为:箱内上限温度19度;箱内下限温度-27度;中心上限温度3度;中心下限温度-16度;取样周期90秒;循环次数25次;总试验时间4天。
若认可这些设定设置则点击[确认]按钮,程序进入试验主监控界面。
上述默认值均可个别调整。
但要注意两点:一是取样时间间隔最小为90秒;二是日期及时间参数的位数、分隔符、空格等要保持原来格式。
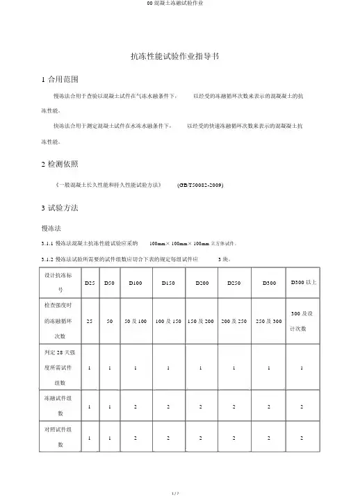
抗冻性能试验作业指导书1合用范围慢冻法合用于查验以混凝土试件在气冻水融条件下,以经受的冻融循环次数来表示的混凝凝土的抗冻性能。
快冻法合用于测定混凝土试件在水冻水融条件下,以经受的快速冻融循环次数来表示的混凝凝土抗冻性能。
2检测依照《一般混凝土长久性能和持久性能试验方法》(GB/T50082-2009)3试验方法慢冻法3.1.1 慢冻法混凝土抗冻性能试验应采纳100mm× 100mm× 100mm立方体试件。
3.1.2 慢冻法试验所需要的试件组数应切合下表的规定每组试件应3块。
设计抗冻标D25 D50 D100 D150 D200 D250 D300 D300以上号检查强度时25 50 50及 100 100及 150 150及200 200及 250 250及 300 300及设的冻融循环计次数次数判定 28天强度所需试件 1 1 1 1 1 1 1 1 组数冻融试件组1 12 2 2 2 2 2数对照试件组1 12 2 2 2 2 2数总计试件组3355555 5 数3.1.3 慢冻法混凝土抗冻性能试验所用设施应切合以下定。
冻融试验箱应能使试件静止不动,并应经过气冻水融进行冻融循环。
在满载运行的条件下,冷冻期间冻融试验箱内空气温度保持在-20 ℃~ -18 ℃的范围之内。
消融时期冻融试验箱内浸泡混凝土试件的水温保持在的范围18℃~ 20℃之内。
满载时冻融试验箱内各点温度极差不该超出2℃。
试件架应采纳不锈钢或许其余耐腐化的资料制作,其尺寸应与冻融试验箱和所装试件相适应。
称量设施的最大批程应为20公斤,感量不该超出5克。
压力试验机精度起码为±1%,其量程应能使试件的预期损坏荷载值不小于全量程的20%也不大于全量程的 80%.试验机上下压板及试件之间可各垫以钢垫板,两承压面均应机械加工与试件接触的压板或垫板的尺寸应大于试件承压面, 其不平度应为每100毫米不超出 0.02 毫米 .温度传感器的温度检测范围不该小于(-20 ℃~ 20℃),丈量精度应为±0.5 ℃。
一、实验目的本次实验旨在研究冻融循环对混凝土抗冻性能的影响,通过对混凝土试件进行冻融循环试验,分析冻融循环对混凝土抗压强度、抗折强度、冻融膨胀率等指标的影响,为实际工程中混凝土的耐久性设计提供理论依据。
二、实验材料1. 水泥:P.O 42.5级普通硅酸盐水泥2. 砂:中粗砂,细度模数2.63. 石子:碎石,粒径5-20mm4. 水:符合国家标准的生活饮用水5. 混凝土试件:100mm×100mm×100mm标准立方体试件三、实验设备1. 混凝土搅拌机2. 水泥净浆搅拌机3. 电子天平4. 混凝土养护箱5. 冻融循环试验机6. 抗压试验机7. 抗折试验机8. 湿度计四、实验方法1. 混凝土试件制备:按照配合比将水泥、砂、石子、水混合均匀,搅拌3分钟,倒入100mm×100mm×100mm的模具中,振动密实,24小时内养护。
2. 冻融循环试验:将养护好的混凝土试件放入冻融循环试验机中,设定温度为-18℃±2℃,时间为4小时;温度为+18℃±2℃,时间为4小时,为一个冻融循环周期。
3. 强度试验:冻融循环试验结束后,将试件取出,在室温下放置24小时,然后进行抗压强度和抗折强度试验。
4. 冻融膨胀率试验:将试件取出,在室温下放置24小时,然后测量试件的长度和厚度,计算冻融膨胀率。
五、实验结果与分析1. 抗压强度:随着冻融循环次数的增加,混凝土抗压强度逐渐降低。
在第10次冻融循环后,抗压强度下降明显,说明冻融循环对混凝土抗压强度有较大影响。
2. 抗折强度:与抗压强度相似,随着冻融循环次数的增加,混凝土抗折强度也逐渐降低。
在第10次冻融循环后,抗折强度下降明显,说明冻融循环对混凝土抗折强度也有较大影响。
3. 冻融膨胀率:随着冻融循环次数的增加,混凝土冻融膨胀率逐渐增大。
在第10次冻融循环后,冻融膨胀率明显增大,说明冻融循环对混凝土冻融膨胀率有较大影响。
混凝土冻融循环性能试验研究一、研究背景混凝土是建筑中常用的材料之一,而混凝土的耐久性是其重要的性能之一。
在北方地区,冬季的低温和春季的融雪对混凝土的影响非常大,尤其是混凝土的冻融循环性能。
因此,为了保证混凝土的长期使用性能,研究混凝土的冻融循环性能至关重要。
二、研究目的本研究旨在通过试验研究混凝土的冻融循环性能,探究混凝土的抗冻性能、抗渗性能以及力学性能的变化规律,为混凝土的设计和施工提供参考。
三、实验方案1.试件制备本试验采用C50混凝土,按照标准制备试件。
试件尺寸为150mm×150mm×150mm的立方体,共制备30个试件。
2.冻融循环试验将制备好的试件分成三组,每组10个试件。
分别进行0次、50次和100次冻融循环试验。
每次试验的循环过程为:试件放置在室温环境下24小时,然后放入-18℃的冰箱中冷冻24小时,再取出放置在室温环境下24小时,最后放入60℃的恒温箱中烘烤24小时。
3.试验指标(1)抗压强度在试验过程中,每组试件的抗压强度都要进行测试,以确定冻融循环对混凝土抗压强度的影响。
(2)吸水率试件在冻融循环后,将其浸泡在水中24小时,然后取出并擦干水分,测量试件的重量,并计算试件的吸水率。
(3)显微结构观察选取不同冻融循环次数下的混凝土试件进行显微结构观察,以观察混凝土内部的微观结构变化。
四、实验结果1.抗压强度随着冻融循环次数的增加,混凝土的抗压强度逐渐降低。
在试验100次冻融循环后,混凝土的抗压强度降低了约15%。
2.吸水率随着冻融循环次数的增加,混凝土的吸水率也逐渐增加。
在试验100次冻融循环后,混凝土的吸水率增加了约25%。
3.显微结构观察经过不同次数的冻融循环后,混凝土的显微结构有所变化。
在试验100次冻融循环后,混凝土内部存在明显的裂缝和空洞,导致混凝土的强度和密度降低。
五、结论本实验结果表明,混凝土的冻融循环性能随着循环次数的增加而降低。
冻融循环会导致混凝土内部的裂缝和空洞增加,从而降低混凝土的抗压强度和密度,增加吸水率。
混凝土的冻融循环试验混凝土在低温环境下的冻融循环作用是造成混凝土结构损坏的主要原因之一。
了解混凝土在冻融循环条件下的性能变化,对于工程结构的设计和建设具有重要意义。
本文将介绍混凝土的冻融循环试验及相关研究。
一、背景混凝土是一种常见的建筑材料,它具有良好的抗压强度和耐久性。
然而,在低温环境下,混凝土会受到冻融循环的影响,产生一系列不可逆的物理和化学变化。
这些变化可能导致混凝土的体积膨胀、裂缝形成和抗压强度下降,从而影响结构的稳定性和使用寿命。
为了研究混凝土在冻融循环条件下的性能变化,科学家们设计了冻融循环试验。
这些试验通常通过将混凝土样品置于特定的冻融循环环境中,并观察其变化情况来评估混凝土的耐久性。
二、试验方法1. 样品制备在进行混凝土的冻融循环试验前,首先需要制备混凝土样品。
根据实验的目的和要求,可以使用不同配比的混凝土。
常见的配合比包括水泥、砂、石子和适量的掺合料。
将混凝土配料按照设计比例进行混合,并确保混合均匀。
然后,将混凝土均匀地倒入模具中,并用振动器进行震实,以确保样品的致密性和一致性。
待混凝土充分凝固和成型后,将样品从模具中取出,准备进行冻融循环试验。
2. 冻融循环条件在试验中,混凝土样品将经历多次冻融循环。
冻融循环条件可以根据实际需要进行设定,常见的条件有温度循环范围、冻结速率和循环次数等。
通常情况下,冻融循环试验是通过将混凝土样品置于冷却室中进行实施。
样品首先会被置于低温环境中冷却到一定温度,然后在冷却温度下保持一段时间。
接下来,样品会被转移到温度升高的环境中,并保持一段时间。
这样,通过多次循环,模拟混凝土在低温和常温环境中的变化。
3. 试验参数与结果分析在冻融循环试验中,会记录并分析多个参数以评估混凝土样品的性能变化。
常见的参数有抗压强度、质量损失、吸水性、渗透性和裂缝形成等。
通过对试验结果的分析,可以得出混凝土在冻融循环条件下的性能变化规律。
这些规律对于混凝土结构的设计和保护具有重要的指导意义。
混凝土快速冻融试验操纵规程之马矢奏春创作1、如无特殊规定,试件应在28天龄期时开始冻融试验.冻融试验前四天应把试件从养护地点掏出,进行外不雅检查,然后在温度为15~20℃的水中浸泡(包含测温试件).浸泡时水面至少应超出跨越试件顶面20毫米,试件浸泡4天落伍行冻融轮回.2、浸泡完毕后,掏出试件,用湿布擦除概略水分,称重测定其横向基频的初始值.3、试验前先将冷冻液注入试验槽中,在试件桶全部放入试验槽的情况下,冷冻液注入至淹没冷冻槽回流孔为止.冷冻液太多,要避免冷冻液进入试验桶;冷冻液太少,要避免冷冻液不克不及正常回流.试验槽为开口式机关.在试验过程中,冷冻液会不竭吸潮稀释.是以,新参加的冷冻液请勿掺水.4、通电检查:水泵和风机扭转标的目标、心坎设定、温度轮回的凹凸限和轮回次数.一切正常后才干进行试验.5、将试件放入试件盒内,为了使试件受温均衡,并消除试件周围水分结冰引起的附加压力,试件的正面与底部应垫放适当宽度与厚度的橡胶板,在全部试验过程中,盒内水位高度应始终保持超出跨越试件顶面5毫米旁边.6、把试件放入冻融箱内.个中装有测温试件的试件盒应放在冻融箱的中央地位.此时开始冻融轮回.7、冻融轮回过程应适合下列要求:A、每次冻融轮回应在2~4小时内完成,个顶用于融化的时间不得小于全部冻融时间的1/4;B、在冻结和融化终了时,试件中央温度应辨别控制在-17±2℃和8±2℃;C、每块试件从6℃降至-15℃所用的时间不得少于冻结时间的1/2.每块试件从-15℃升至6℃所用时间也不得少于全部融化时间的1/2,试件表里的温差不宜超出28℃;D、冻和融之间的转换时间不宜超出10分钟.8、试件一般应每隔25次轮回作一次横向基频测量,测量前应将试件概略浮渣清洗干净,擦去概略积水,并检查其外部损伤及重量损失落.测完后,应连忙把试件失落落一个头从新装入试件盒内.试件的测量称重及外不雅检查应尽量迅速,以免水分损失落.9、为了包管试件在冷冻液中冻结时温度均衡,当有一部分试件停冻掏出时,应另用试件填充空位.如冻融轮回因故中断,试件应保持在冻结状态下,并最好能将试件保管在原容器内用冰块围住.如无这一可能,则应将试件在干燥状态下用防水材料包裹,加以密封,并存放在-17±2℃的冷冻室或冰箱中.试件处在融解状态下的时间不宜超出两个轮回.特殊情况下,超出两个轮回周期的次数在全部试验过程中只允许1~2次.10、冻融达到以下三种情况之一即可停止试验:A、已达到300次轮回;B、相对东弹性模量下降到60%以下;C、重量损失落5%.。
混凝土快速冻融试验操作规程WEIHUA system office room 【WEIHUA 16H-WEIHUA WEIHUA8Q8-混凝土快速冻融试验操作规程1、如无特殊规定,试件应在28天龄期时开始冻融试验。
冻融试验前四天应把试件从养护地点取出,进行外观检查,然后在温度为15~20℃的水中浸泡(包括测温试件)。
浸泡时水面至少应高出试件顶面20毫米,试件浸泡4天后进行冻融循环。
2、浸泡完毕后,取出试件,用湿布擦除表面水分,称重测定其横向基频的初始值。
3、试验前先将冷冻液注入试验槽中,在试件桶全部放入试验槽的情况下,冷冻液注入至淹没冷冻槽回流孔为止。
冷冻液太多,要防止冷冻液进入试验桶;冷冻液太少,要防止冷冻液不能正常回流。
试验槽为开口式结构。
在试验过程中,冷冻液会不断吸潮稀释。
因此,新加入的冷冻液请勿掺水。
4、通电检查:水泵和风机旋转方向、仪表设定、温度循环的上下限和循环次数。
一切正常后才能进行试验。
5、将试件放入试件盒内,为了使试件受温均衡,并消除试件周围水分结冰引起的附加压力,试件的侧面与底部应垫放适当宽度与厚度的橡胶板,在整个试验过程中,盒内水位高度应始终保持高出试件顶面5毫米左右。
6、把试件放入冻融箱内。
其中装有测温试件的试件盒应放在冻融箱的中心位置。
此时开始冻融循环。
7、冻融循环过程应符合下列要求:A、每次冻融循环应在2~4小时内完成,其中用于融化的时间不得小于整个冻融时间的1/4;B、在冻结和融化终了时,试件中心温度应分别控制在-17±2℃和8±2℃;C、每块试件从6℃降至-15℃所用的时间不得少于冻结时间的1/2.每块试件从-15℃升至6℃所用时间也不得少于整个融化时间的1/2,试件内外的温差不宜超过28℃;D、冻和融之间的转换时间不宜超过10分钟。
8、试件一般应每隔25次循环作一次横向基频测量,测量前应将试件表面浮渣清洗干净,擦去表面积水,并检查其外部损伤及重量损失。
混凝土冻融循环及抗水渗透试验作业指导书1、目的:为了确定混凝土性能特征值,如混凝土的抗渗之后的性能变化,及相应确定它们的标号,特编制其作业指导书。
2、引用标准: GB/T50082-2009 普通混凝土长期性能和耐久性试验方法标准3、抗冻试验(慢冻法)3.1试验设备:冻融试验箱、压力试验机。
3.2慢冻法抗冻试验所采用的试件:采用尺寸为100mm×100mm×100mm的立方体试件三块。
3.3混凝土抗冻性能按下列步骤进行3.3.1 在标准养护室内或同条件养护的冻融试验的试件应在养护龄期为24d时提前将试件从养护地点取出,随后应将试件放在(20±2)℃水中浸泡,浸泡时水面应高出试件顶面(20~30)mm,在水中浸泡的时间应为4d,试件应在28d 龄期时开始进行冻融试验。
始终在水中养护的冻融试验的的试件,当试件养护龄期达到28d时,可直接进行后续试验,。
3.3.2浸泡完毕后,取出试样,用湿布擦除表面水分,测量、称重,按编号置入试架内,试件与箱体内内壁之间留有20mm的空隙,试件架中各试件之间应至少保持30mm的空隙。
3.3.3冷冻时间应在冻融箱内温度降至-18℃时开始计算。
3.3.4每次冻融循环中试件的冷冻时间不应小于4h。
3.3.5冷冻结束后,应立即加入温度为(18~20)℃的水,使试件转入融化状态,加水时间不应超过10min。
冻融箱内的水面应至少高出试件表面20mm,融化的时间不应小于4h。
融化完毕即为该次冻融循环结束,进行下一次循环试验。
3.3.6每25次循环宜对冻融试件进行一次外观检查。
当出现破坏时,应立即进行称重。
当一组件的平均失重率超过5%,可停止其冻融循环试验。
3.3.7混凝土试件达到上4.1.2规定的冻融循环次数后,即应进行抗压强度试验。
抗压试验前应称重并进行外观检查,详细记录试件表面破损、裂缝及边角缺损情况,如果试件表面破坏严重,则应由石膏找平后再进行试压。
抗冻性能试验作业指导书1适用范围1.1慢冻法适用于检验以混凝土试件在气冻水融条件下,以经受的冻融循环次数来表示的混凝凝土的抗冻性能。
1.2快冻法适用于测定混凝土试件在水冻水融条件下,以经受的快速冻融循环次数来表示的混凝凝土抗冻性能。
2检测依据《普通混凝土长期性能和耐久性能试验方法》(GB/T50082-2009)3试验方法3.1慢冻法3.1.1慢冻法混凝土抗冻性能试验应采用100mm×100mm×100mm立方体试件。
3.1.3慢冻法混凝土抗冻性能试验所用设备应符合下列定。
冻融试验箱应能使试件静止不动,并应通过气冻水融进行冻融循环。
在满载运转的条件下,冷冻期间冻融试验箱内空气温度保持在-20℃~-18℃的范围以内。
融化期间冻融试验箱内浸泡混凝土试件的水温保持在的范围18℃~20℃以内。
满载时冻融试验箱内各点温度极差不应超过2℃。
试件架应采用不锈钢或者其他耐腐蚀的材料制作,其尺寸应与冻融试验箱和所装试件相适应。
称量设备的最大量程应为20公斤,感量不应超过5克。
压力试验机精度至少为±1%,其量程应能使试件的预期破坏荷载值不小于全量程的20%也不大于全量程的80%.试验机上下压板及试件之间可各垫以钢垫板,两承压面均应机械加工与试件接触的压板或垫板的尺寸应大于试件承压面,其不平度应为每100毫米不超过0.02毫米.温度传感器的温度检测范围不应小于(-20℃~20℃),测量精度应为±0.5℃。
3.1.4慢冻法试验步骤1.在标准养护室内或同条件养护的冻融试验的试件应在养护龄期为24d时提前将试件从养护地点取出,随后应将试件放在(20±2)℃水中浸泡,浸泡时水面应高出试件顶面(20~30)mm,在水中浸泡时间应为4d,试件应在28d龄期时开始进行冻融试验。
始终在水中养护的冻融试验的试件,当试件养护龄期达到28d时,可直接进行后续试验,对此种情况,应在试验报告中予以说明。
2.当试件养护龄期达到28d时应及时取出冻融试验的试件,用湿布擦除表面水分后应对外观尺寸进形测量,试件的外观尺寸应满足本指导书第3.1.1节的要求,应分别编号、称重,然后按编置入试件架内,且试件架与试件的接触面积不宜超过试件底面的1/5。
试件与箱体内壁之间应至少留有20mm的空隙。
试件架中各试件之间应至少保持30min的空隙。
3.冷冻时间应在冻融箱内温度降至-18℃时开始计算。
每次从装完试件到温度降至-18℃所需的时间应在(1.5~2.0)h内。
冻融箱内温度在冷冻时应保持(-20~-18)℃。
4.每次冻融循环中试件的冷冻时间不应小于4h。
5.冻结结束后,应立即加入温度为(18~20)℃的水,使试件转入融化状态,加水时间不应超过10min。
控制系统应确保在30min内,水温不低于10℃,且在30min后水温能保持在(18~20)℃。
冻融箱内的水面应至少高出试件表面20mm。
融化时间不应小于4h。
融化完毕视为该次冻融循环结束,可进入下次冻融循环。
6.每25次循环宜对冻融试件进行一次外观检查。
当出现严重破坏时,应立即进行称重。
当一组试件的平均质量损失率超过5%,可停止其冻融循环试验。
7.试件在达到本作业指导书3.1.2规定的冻融循环次数或施工方委托的冻融循环次数后,试件应称重并进行外观检查,应详细记录试件表面破损、裂缝及边角损失情况。
当试件表面破损严重时,应先用高强石膏找平,然后应进行抗压强度试验。
抗压强度试验应符合现行国家标准《普通混凝土力学性能试验方法标准》GB/T50081的相关规定,可参考混凝土试块抗压的作业指导书。
8.当冻融循环因故中断且试件处于冷冻状态,直至恢复冻融试验为止,并应将故障原因及暂停时间在试验结束中注明。
当试件处在融化状态下因故中断时,中断时间不应超过两个冻融循环的时间。
在整个试验过程中,超过两个冻融循环时间的中断故障次数不得超过两次。
9.当部分试件由于失效破坏或者停止试验被取出时,应用空白试件填充空位。
10.对比试件应继续保持原有的养护条件,直到完成冻融循环后,与冻融试验的试件同时进行抗压强度试验。
3.1.5结果评定3.1.5.1当冻融循环出现下列三种情况之一时,可停止试验: 1.已达到规定的循环次数; 2.抗压强度损失率已达到25%; 3.质量损失率已达到5%。
3.1.5.1试验结果计算及处理应符合下列规定: 1.强度损失率应按下式进行计算:100 ⨯-=∆cocnco c f f f f (3.1.5.1-1) 式中:c f ∆——N 次冻融循环后的混凝土强度损失率(%),精确至0.1;co f ——对比用的一组混凝土试件的抗压强度测定值(MPa),精确至0.1(MPa); cn f ——经N 次冻融循环后的一组混凝土试件抗压强度测定值(MPa),精确至0.1(MPa);2. co f 和cn f 应以三个试件抗压强度试验结果的算术平均值作为测定值。
当三个试件抗压强度最大值或最小值与中间值之差超过中间值的15%时,应剔除此值,再取其余两值的算术平均值作为测定值;当最大值和最小值均超过中间值的15%时,应取中间值作为测定值。
3.单个试件的质量损失率应按下式计算:100 00⨯-=∆inii ni W W W W (3.1.5.2-2)式中:ni W ∆——N 次冻融循环后第ī个混凝土试件的质量损失率(%),精确至0.01; i W 0——冻融循环试验前第i 个混凝土试件的质量(g ); ni W ——N 次冻融循环后第ī个混凝土试件的质量(g )。
4.一组试件的平均质量损失率应按下式计算:100331⨯∆=∆∑=ni i n W W (3.1.5.3-3)式中:n W ∆——N 次冻融循环后一组混凝土试件的平均质量损失率(%),精确至0.1。
5.每组试件的平均质量损失率应以三个试件的质量损失率试验结果的算术平均值作为测量值。
当某个试验结果出现负值,应取0,再取三个试件的算术平均值。
当三个值中的最大值或最小值与中间值之差超过1%时,应剔除此值,再取其余两值的算术平均值作为测量值;当最大值和最小值与中间值之差均超过1%时,应取中间值作为测量值。
6.抗冻标号应以抗压强度损失率不超过25%或者质量损失率不超过5%时的最大冻融循环次数按本作业指导书3.1.2确定。
3.2快冻法3.2.1本试验采用100×100×400mm 的棱柱体试件。
混凝土试件每组3块,在试验过程中可连续使用,除制作冻融试件外尚应制备同样形状尺寸,中心埋有热电偶的测温试件,制作测温试件所用混凝土的抗冻性能应高于冻融试件。
3.2.2快冻法测定混凝土抗冻性能试验所用设备应符合下列规定(1) 快速冻融装置:应在测温试件中埋设温度传感器外,尚应在冻融箱内防冻液中心、中心与任何一个对角线的两端分别设有温度传感器。
运行冻融的装置满载运转时冻融箱内各点温度的极差不得超过2℃。
(2) 试件盒:宜采用具有弹性的橡胶材料制作,其内表面底部应有半径为3mm 橡胶突出部分。
盒内水面应至少能高出试件顶面5mm 。
试件盒横截面尺寸宜为净截面尺寸应为115×115mm,试件盒长度宜为500mm 。
(3) 案秤:称量量程20kg ,感量不应超过5g 。
(4) 动弹性模量测定仪:共振法或敲击法动弹性模量测定仪。
(5) 温度传感器: 能在(20~-20)℃范围内测定试件中心温度。
测量精度不低于±0.5℃。
3.2.4试验步骤快冻法混凝土抗冻性能试验应按下列规定进行:如无特殊规定,试件浸泡水中4天,试件应在28天龄期时开始冻融试验。
冻融试验前四天应把试件从养护地点取出,进行外观检查,然后在温度为(20±2)℃的水中浸泡(包括测温试件)。
浸泡时水面至少应高出试件顶面20 mm 。
始终在水中养护的试件,当试件养护龄期达到28d 时,可直接进行后续试验。
对此种情况,应在试验报告中予以说明。
浸泡完毕后,取出试件,用湿布擦除表面水分,称重并测定其横向基频的初始值。
将试件放入试件盒内,试件应位于试件盒中心,盒内水位高度应始终保持高出试件顶面5 mm 。
测温试件盒应放在冻融箱的中心位置。
3.2.5冻融循环过程应符合下列要求每次冻融循环应在2~4小时内完,且用于融化的时间不得小于整个冻融时间的1/4。
在冻结和融化过程中,试件中心最低和最高温度应分别控制在(-18±2)℃和(5±2)℃内。
在任意时刻,试中心温度不得高于7℃,且不得低于-20℃。
每块试件从3℃降至-16℃所用的时间不得少于冻结时间的1/2。
每块试件从-16℃升至3℃所用的时间也不得少于整个融化时间的1/2,试件内外的温差不宜超过28℃。
冻和融之间的转换时间不宜超过10min 。
3.2.6试件一般应每25隔次循环作一次横向基频测量,测量前应将试件表面浮渣清洗干净,擦去表面积水,并检查其外部损伤及重量损失。
测完后,应即把试件掉一个头重新装入试件盒内,并加入清水,继续试验。
试件的测量、称量及外观检查应尽量迅速,待测试件应用湿布覆盖。
3.2.7为保证试件在冷液中冻结时温度稳定均衡,当有一部份试件停冻取出时,应另用试件填充空位。
如冻融循环因故中断,试件应保持在冻结状态下。
试件处在融解状态下的时间不宜超过两个循环。
特殊情况下,超过两个循环周期的次数,在整个试验过程中只允许1-2次。
3.2.8冻融到达以下3种情况之一即可停止试验 (1) 已达到冻融循环次数;(2) 试件相对动弹性模量下降到60%; (3) 试件的质量损失率达5%。
3.2.9混凝土试件的相对动弹性模量可按下式计算202f f P n式中:P ——N 经次冻融循环后试件的相对动弹性模量以个3试件的平均值计算(%)n f ——N 次冻融循环后试件的横向基频(赫)0f ——冻融循环试验前测得的试件横向基频初始值(赫)相对动弹性模量以个3试件的平均值计算。
当最大值或最小值与中间值之差超过中间值的15%时,应剔除此值,并应取其余两值的算术平均值作为测定值;当最大值和最小值与中间值之差均超过中间值的15%时,应取中间值作为测定值。
混凝土试件冻融后的质量损失率应按下式计算△100⨯-=WoiWniWoi Wni式中:△Wni ——N 次冻融循环后试件的质量损失率以3个试件的平均值计算Woi ——冻融循环试验前的试件质量(Kg) Wni ——N 次冻融循环后的试件质量(Kg)每组试件质量损失率应以三个试件的质量损失率试验结果的算术平均值作为测定值。
当某个试验结果出现负值,应取0,在取三个试件的平均值。
当三个值中的最大值或最小值与中间值之差超过1%时,应剔除此值,并应取其余两值的算术平均值作为测定值;当最大值和最小值与中间值之差均超过1%时,应取中间值作为测定值。