设备分类代码规范样本
- 格式:docx
- 大小:26.34 KB
- 文档页数:2
附件5国家科技基础条件平台建设项目大型科学仪器设备资源的建设与整合大型科学仪器设备分类标准及编码规则(征求意见稿 V1.0)国家科学技术部条件财务司二OO六年三月目录目录 (I)1.术语与定义 (1)2.大型科学仪器设备的分类标准及编码 (1)2.1.分类标准的体系结构及说明 (1)2.2.分类编码规则及说明 (2)2.3.分类标准与编码详述 (3)1.术语与定义“大型科学仪器设备”是指在科学研究、技术开发及其他科技活动中使用的,价格在一定数值以上的单台或成套科学仪器设备资源(含配套附件及软件)。
本次标准规范中的“大型科学仪器设备”没有包括下面一些“仪器”和“设备”。
1.实验室设备2.大科学工程3.专用在线仪器4.自动化仪器仪表2.大型科学仪器设备的分类标准及编码2.1.分类标准的体系结构及说明本大型科学仪器设备分类标准采用应用领域和仪器原理相结合的分类原则,即“先按大的应用领域分大类;然后在每一大类内先按原理分;按原理不好分时,再按具体应用分”的分类原则。
根据这一原则,本分类标准按大的应用领域分了十三个大类,其中第十三大类“其他”是指前十二大类所不能包括的科学仪器。
在前十二大类中,前三类:“分析仪器”、“物理性能测试仪器”和“计量仪器”属通用型“科学仪器”;后九类则属专用型“科学仪器”。
因此,后九类应用领域中涉及到的通用型“科学仪器”,在前三类中已列出的就不再列了。
本分类标准采用三个层次,即每一大类根据仪器的原理或应用先分成若干中类,每一中类再根据原理或应用分成若干小类,每一小类中虽然还可以再继续分,但为了编码工作的方便,就不再继续分了,所以每一小类中都包括了很多种仪器。
为便于分类标准的扩展,对于大类、中类、小类中都设置“其他”类,将上述分类不能包含的设备,暂时归于相应的“其他”类。
“大型科学仪器设备分类标准”中一些问题的具体说明1.医学诊断仪器中与生化分离分析有关的仪器放在“生化分离分析仪器”中。
设备分类及编号规定1.目的为规范公司所有设备的分类及编号方法,便于设备统一管理,为执行公司《设备管理规定》提供支持,并符合生产质量管理规范中的相关要求,对公司现有设备进行分类与编号。
2.适用范围本规定适用于本公司所有设备管理分类及编号。
3.职责3.1管理部根据相关规定制度,制定设备分类及编号规定;3.2管理部根据文件管理流程审核并汇编管理本规定;3.3生产部、模具部、品管部根据本规定内容执行公司设备分类及编号。
4.设备分类4.1设备分类根据公司通用设备现存状况,将所有设备分为以下四大类:A 类---办公设备;B 类---生产设备;C 类---检测设备;D 类---生活设备;E 类---其他,扩充编号。
4.25.设备编号5.1设备编号规定根据公司实际情况,拟定我公司设备编号由 5 部分组成:公司简称代码+设备类别代码+公司各个车间代码+设备类别代码+顺序号(流水号)5.2公司车间代码表xx5.3设备编号代码表xx有限公司第 2 页共3 页5.4设备编号样式及详解例:生产部第一台加工中心编号为:CK-B 03.22.001 CK - B 03. 22. 0016.设备编号标识顺序号(流水号)设备类别代码(22 表示加工中心)公司各个车间代码(03 表示精加工车间)设备类别(B 表示生产设备)公司简称代码(CK 表示 / )参考公司目视化管理规定标准,在制作设备编号标识、标牌时,需要遵守如下规定:6.1大型生产设备,编号标牌外形尺寸要求:11*15cm,字体为:宋体,字体大小按标牌尺寸设定;6.2小型生产设备,大型检测设备、辅助设备,编号标牌外形尺寸要求:7.5*11cm,字体为:宋体,字体大小按标牌尺寸设定;6.3小型辅助设备,大型办公设备编号标牌外形尺寸要求:4*5cm,字体为:宋体,字体大小按标牌尺寸设定;6.4办公设备及检测设备,编号标牌外形尺寸要求:3*1.5cm,字体为:宋体,字体大小按标牌尺寸设定;6.相关/支持性文件6.1 CK-QP-06 《设备管理控制程序》7.相关记录8、修改记录xx有限公司第 3 页共3 页。
公⽤设施设备分类编号规则
公⽤设施设备分类编号规则
1 设备的编号说明
在顾客对设备编号不作专门规定的情况下,本公司⾃⾏对设备进⾏统⼀编号。
设备编号由以下五部分组成:
第⼀部分表⽰物业公司代码:⽤物业公司名称第⼀个⼤写英⽂字母表⽰;
第⼆部分表⽰管理项⽬地域的名称:⽤本项⽬的所在地域名称第⼀个⼤写英⽂字母表⽰;
第三部分表⽰管理项⽬的名称:⽤本项⽬的名称第⼀个⼤写英⽂字母表⽰;
第四部分表⽰设施设备的专业分类、设施设备类型分类,具体编号:专业分类⽤⼤写英⽂字母表⽰设施设备类型分类编号⽤⼤写英⽂字母表⽰;
第五部分表⽰设施设备序号:即台数,⽤阿拉伯数字表⽰。
2 编号格式
****-**-**-*-**-*
设施设备序号(阿拉伯数字)
设施设备分类编号(⼤写英⽂字母)
专业分类编号(⼤写英⽂字母)
管理处分类标识
地域代码缩写
⾦地物业缩写
例: JDWY-SZ-JHW-X-SFJ-5
⾦地物业-深圳-⾦海湾-消防设备-送(正压)风机-第5台
3 编号含义
2.1 专业分类编号
2.2设施设备类型分类编号
(1)强电设备Q
第 1 页共 3 页
(2)智能化设备Z
(3)电梯设备T
(4)空调设备K
(5)给排⽔设备G
(6)消防设备X
第 2 页共 3 页
4 设备的统计建帐
4.1 物业代码由项⽬所在地编制,各管理处给所管理项⽬的全部设备进⾏编号,并按本公司规定编制《公⽤设施设备清单》,抄送⼯程管理部并存档。
4.2 各管理处对所管理的所有设备建⽴动态台账,并及时更新记录。
第 3 页共 3 页。
【最新整理,下载后即可编辑】1.1 C601 特种设备种类代码特种设备种类代码说明:国家安全监察机构对特种设备分类的大类代码。
表示:C1编码方法:采用顺序码,用1位数字或大写字母表示。
表1 特种设备种类代码1.2 C602 特种设备分类代码特种设备分类代码说明:国家安全监察机构对特种设备的分类代码。
表示:C4编码方法:采用层次码。
代码共分4层,每层均用1位数字或大写字母表示。
第1层:特种设备种类代码,第2层:特种设备类别代码,第3层:特种设备品种代码,第4层:特种设备级别代码。
注:根据需要,可以只使用前1位、前2位或前3位代码。
表2 特种设备分类代码表1.3 C603 特种设备登记代码特种设备登记代码说明:国家对进行安全监察的特种设备的登记代码。
表示:C21编码方法:采用组合码。
代码由4部分组成,共21位数字字母混合码。
第1部分:特种设备分类代码(4位数字字母混合码)第2部分:注册单位代码,采用注册单位的组织机构代码(9位数字字母码)第3部分:注册年份(4位数字)第4部分:顺序号(4位数字,0001—9999)。
XXXX XXXXXXXXX XXXX XXXX顺序号(4位数字)注册年份(4位数字)注册单位代码(9位数字字母)特种设备分类代码(4位数字字母混合码)1.4 C604 特种设备代码特种设备代码说明:特种设备的终身代码。
与登记代码不同的是特种设备代码终身有效。
如果是国产设备,该代码在制造出厂时产生;如果是进口设备,该代码在首次安装时产生。
表示:C21编码方法:采用组合码。
代码由4部分组成,共21位数字、字母混合码。
第1部分:特种设备分类代码(4位数字字母混合码)第2部分:制造或安装单位代码(采用组织机构代码,9位数字字母码)国产设备采用设备制造单位的组织机构代码进口设备采用首次安装单位的组织机构代码第3部分:注册年份(4位数字,国产设备为制造年份,进口设备为安装年份)第4部分:顺序号(4位数字,0001—9999)XXXX XXXXXXXXX XXXX XXXX顺序号(4位数字)制造/安装年份(4位数字)制造/安装)单位代码(9位数字)特种设备分类代码(4位数字字母码)。
1.1 特种设备种类代码特种设备种类代码说明:国家安全监察机构对特种设备分类的大类代码。
表示:C1编码方法:采用顺序码,用1位数字或大写字母表示。
1.2C602特种设备分类代码特种设备分类代码说明:国家安全监察机构对特种设备的分类代码。
表示:C4编码方法:采用层次码。
代码共分4层,每层均用1位数字或大写字母表示。
第1层:特种设备种类代码,第2层:特种设备类别代码,第3层:特种设备品种代码,第4层:特种设备级别代码。
注:根据需要,可以只使用前1位、前2位或前3位代码。
1.3C603特种设备登记代码特种设备登记代码说明:国家对进行安全监察的特种设备的登记代码。
表示:C21编码方法:采用组合码。
代码由4部分组成,共21位数字字母混合码。
第1部分:特种设备分类代码(4位数字字母混合码)第2部分:注册单位代码,采用注册单位的组织机构代码(9位数字字母码)第3部分:注册年份(4位数字)第4部分:顺序号(4位数字,0001—9999)。
XXXX XXXXXXXXX XXXX XXXX顺序号(4位数字)注册年份(4位数字)注册单位代码(9位数字字母)------------------------------- 设备分类代码(4位数字字母混合码)1.4C604特种设备代码特种设备代码说明:特种设备的终身代码。
与登记代码不同的是特种设备代码终身有效。
如果是国产设备,该代码在制造出厂时产生;如果是进口设备,该代码在首次安装时产生。
表示:C21编码方法:采用组合码。
代码由4部分组成,共21位数字、字母混合码。
第1部分:特种设备分类代码(4位数字字母混合码)第2部分:制造或安装单位代码(采用组织机构代码,9位数字字母码)国产设备采用设备制造单位的组织机构代码进口设备采用首次安装单位的组织机构代码第3部分:注册年份(4位数字,国产设备为制造年份,进口设备为安装年份)第4部分:顺序号(4位数字,0001—9999)XXXX XXXXXXXXX XXXX XXXX------- 顺序号(4位数字)-------------- 制造/安装年份(4位数字)-------------------------- 制造/安装)单位代码(9位数字) _______________________________ 特种设备分类代码(4位数字字母码)。
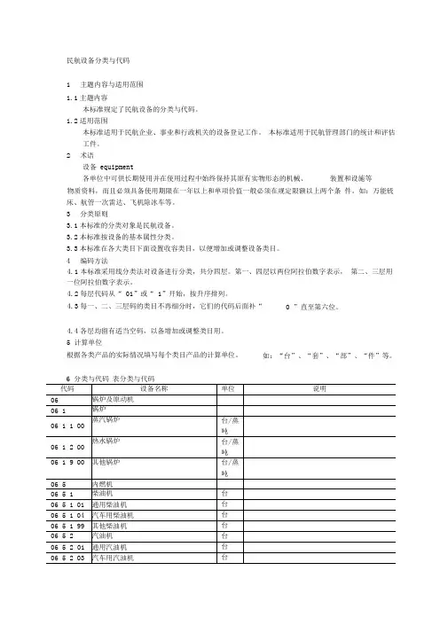
民航设备分类与代码
1 主题内容与适用范围
1.1主题内容
本标准规定了民航设备的分类与代码。
1.2适用范围
本标准适用于民航企业、事业和行政机关的设备登记工作。
本标准适用于民航管理部门的统计和评估工件。
2 术语
设备 equipment
各单位中可供长期使用并在使用过程中始终保持其原有实物形态的机械、
装置和设施等
物质资料,而且必须具备使用期限在一年以上和单项价值一般必须在规定限额以上两个条 件。
如:万能铳床、航管一次雷达、飞机除冰车等。
3 分类原则
3.1本标准的分类对象是民航设备。
3.2本标准按设备的基本属性分类。
3.3本标准在各大类目下面设置收容类目,以便增加或调整设备类目。
4 编码方法
4.1本标准采用线分类法对设备进行分类,共分四层。
第一、四层以两位阿拉伯数字表示, 第二、三层用
一位阿拉伯数字表示。
4.2每层代码从“ 01”或“ 1”开始,按升序排列。
4.3每一、二、三层码的类目不再细分时,它们的代码后面补“ 4.4各层均留有适当空码,以备增加或调整类目用。
5 计算单位
根据各类产品的实际情况填写每个类目产品的计算单位。
6 分类与代码 表分类与代码
0 ”直至第六位。
如:“台”、“套”、“部”、“件”等。
设备编码示意图以郭家山为例:XD(J)(1—20)—001数量各类设备代码机械设备汉语拼音首位电器设备汉语拼音首位该矿汉语拼音首位各矿首位编码字母石盘上:S3,兴无:X,寨崖底:Z,金家庄:J,贺家社:H。
说明:1、D电器设备包括:所有真空开关、本安型开关、真空馈电开关、高开、移变、干变、7.5KW以上电机、局扇、7.5KV潜水泵等。
2、J机械设备包括:所有各类绞车(包括地面提升、无极绳绞车、各类刮板机、各类皮带机、水泵等。
3、电器设备D(1—20)代表:1—移变、干变,2—高开,3—真空馈电开关,4—本安型真空开关,5—200A真空开关,6—120A真空开关,7—80A真空开关,8—30A、60A真空开关,9—7.5KW以上电机,10—煤电钻综保,11—照明综保,12—潜水泵,13—其它4、机械设备J(1—20)代表:1—11.4KW调度绞车,2—25KW调度绞车,3—40KW调度绞车,4—30型刮板机,5—40型刮板机,6—150型刮板机,7—180型刮板机,8—264型刮板机,9—400型刮板机、10—630型刮板机,11—650型皮带机,12—800型皮带机,13—1000型皮带机,14—1200型皮带机,15—5.5KW以上局扇,16—7.5KW以上离心式水泵,17—网格支架,18—综采支架,19—附属减速器,20—其它。
5、编码部位:1)各类开关在按纽旁。
2)移变、干变在设备铭牌下方,高压侧低压侧与主变同号。
3)真空馈电开关、本安型真空开关在防爆门上方铭牌处。
4)电机在接线盒下脖子处。
5)各类绞车在刹把右侧端面处。
6)刮板机在机头、机尾右侧机架端面外,电机、减速器编码应与机头架、机尾架同号。
7)皮带机在机头架、机尾架右侧机架处,电机、减速器编码和机头架、机尾架同号。
8)网格式支架在主梁、副梁两处,并两梁同号。
9)综采支架在顶梁内侧中部。
6、1)井下所有机电设备除用钢印打印作为永久性标志外,应在旁处用油漆编号作为醒目标志。
物业设备分类及代码作业指导书Property equipment classification and code operation instructions 说明:为明确工作目的、范围及操作秩序,减少不确定度,使人员队伍与目标管理科学化、制度化、规范化,特此制定物业设备分类及代码作业指导书
代码:设备类别名称
A水泵
B风机
C电梯
D变压器
E电气柜(箱)(包括高压开关柜、低压配电柜、控制柜(箱)、照明配电箱、电表箱等)
F消防设备(包括控制联动柜、报警控制器(屏)、防火卷帘门、消防箱等)
G维修机具(包括水电、电梯等的维修机具)
H可视对讲监控系统(包括对讲主机、视频监视器等)、周界红外防越报警系统
I避雷系统
J交通设备
小区代码:***
请输入您的公司名字
Fonshion Design Co., Ltd。
*/*** ******************企业标准******—2016设备分类编码规定点击此处添加标准英文译名点击此处添加与国际标准一致性程度的标识(报批稿)(本稿完成日期2016年7月20日)2016-07-25发布2016-08-01实施************院发布********—2016目次前言 (3)1.范围 (4)2.规范性引用文件 (4)3.设备的分类 (4)4.设备编码规则及说明 (4)4.1设备主体编码 (4)4.1.1设备主体编码结构形式: (4)4.1.2设备主体编码结构说明: (5)4.2设备附属设备、附件、专用工具、工装夹具、资料等编码 (6)4.2.1附件码结构形式: (6)4.2.2设备附属设备、附件、专用工具、工装夹具、资料等编码结构说明: (6)4.3部门代码说明 (8)5.设备编码明细 (8)前言本标准依照《行政事业单位国有资产管理办法》、《***市直行政事业单位国有资产处置管理暂行办法》的《***院组织章程》,并参考《固定资产分类与代码》(GB/T 14885-2010)而制定。
本标准的编写要求是根据国家标准GB/T 15498-2003《企业标准体系管理标准和工作标准体系》中的6.3的规定,并结合***院的实际而编制。
本标准按照GB/T 1.1-2009《标准化工作导则第一部分:标准的结构的编写》给出的规则起草。
本标准由北***院提出。
本标准起草单位:***院动力保障部。
本标准主要起草人:***。
设备分类编码规定1.范围本标准规定了***院(以下简称“北大光电院”或“***院”)设备的分类、设备编码规则及说明,并给出***院的设备编码明细表。
本办法适用于***院设备、附属设备及其附件的编码。
2.规范性引用文件下列文件对于本文件的应用是必不可少的。
凡是标注日期的引用文件,仅所注日期的版本适用于本文件。
凡是没标注日期的引用文件,其最新版本(包括所有的修改单)适用于本文件。
产品分类规则产品分类:序号分类型分类代码分类简术1设备类K设备含有生产线所需要的设备含地面行走轮、布料机等用于生产构件所需的机器设备2模具类M含有模台、固定模台、外墙板模具、叠合楼板模具等用于构件生产成形及固定的附件。
3构件附件类G含开关电盒、预埋螺栓等与构件成为一体的附件。
产品分类图号编号规则:一、设备类:其中:K:表示设备产品(以快而居产品分类表分为三类K-设备、M-模具、G-构件生产附件)01:表示产品编号(尾附设备编号表为标准,按编号表进行编号。
新增设备在尾部进行追加)A:表示产品型号(以26位英文字母来区别生产设备的型号、产品升级)00:表示产品总图序列(以第一组00为总图序列,如遇到一张总图无法,表示则图号不变的情况下,在图名:总装图中以英文字母区别)01:表示图号序列(以10进制为标准、根据零件实际情况进行分级,最后K 01A —00总图序列设备代号产品型号分类代码—01—01—01—01图号序列一级以单个材料为标准,最大可升级到4级既01-01-01-01)以上代码编码为唯一编码,如遇不同则根据情况进行尾部追加。
如遇变更则以替代前图号作为标准。
二、模具类(模具以M 作为分类代码进行编号)其它待定……三、构件附件类:其中:G:表示构件生产附件(以快而居产品分类表分为三类K-设备、M-模具、G-构件生产附件)01:表示产品编号(以建筑事业部配合完成产品编号表)A:表示产品型号(以26位英文字母来区别生产产品的型号、产品升级)00:表示产品总图序列(以第一组00为总图序列,如遇到一张总图无法,表示则图号不变的情况下,在图名:总装图中以英文字母区别)01:表示图号序列(以10进制为标准、根据零件实际情况进行分级,最后一级以单个材料为标准,最大可升级到4级既01-01-01-01)以上代码编码为唯一编码,如遇不同则根据情况进行尾部追加。
如遇变更则以替代前图号作为标准图纸制作要求:1.制图软件:2D 制图原则保存为AutoCAD2007版本;3D 制图原则采用G01A —00总图序列设备代号产品型号分类代码—01—01—01—01图号序列Solidworks2012版本;文件编制原则采用Office2007版本。