特种设备分类及代码
- 格式:doc
- 大小:411.00 KB
- 文档页数:13
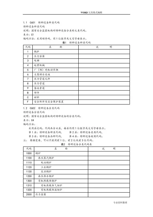
特种设备分类及代码集团标准化工作小组 #Q8QGGQT-GX8G08Q8-GNQGJ8-MHHGN#1.1 C601 特种设备种类代码特种设备种类代码说明:国家安全监察机构对特种设备分类的大类代码。
表示:C1编码方法:采用顺序码,用1位数字或大写字母表示。
表1 特种设备种类代码1.2 C602 特种设备分类代码特种设备分类代码说明:国家安全监察机构对特种设备的分类代码。
表示:C4编码方法:采用层次码。
代码共分4层,每层均用1位数字或大写字母表示。
第1层:特种设备种类代码,第2层:特种设备类别代码,第3层:特种设备品种代码,第4层:特种设备级别代码。
注:根据需要,可以只使用前1位、前2位或前3位代码。
1.3 C603 特种设备登记代码特种设备登记代码说明:国家对进行安全监察的特种设备的登记代码。
表示:C21编码方法:采用组合码。
代码由4部分组成,共21位数字字母混合码。
第1部分:特种设备分类代码(4位数字字母混合码)第2部分:注册单位代码,采用注册单位的组织机构代码(9位数字字母码)第3部分:注册年份(4位数字)第4部分:顺序号(4位数字,0001—9999)。
XXXX XXXXXXXXX XXXX XXXX顺序号(4位数字)注册年份(4位数字)注册单位代码(9位数字字母)特种设备分类代码(4位数字字母混合码)1.4 C604 特种设备代码特种设备代码说明:特种设备的终身代码。
与登记代码不同的是特种设备代码终身有效。
如果是国产设备,该代码在制造出厂时产生;如果是进口设备,该代码在首次安装时产生。
表示: C21编码方法:采用组合码。
代码由4部分组成,共21位数字、字母混合码。
第1部分:特种设备分类代码(4位数字字母混合码)第2部分:制造或安装单位代码(采用组织机构代码,9位数字字母码)国产设备采用设备制造单位的组织机构代码进口设备采用首次安装单位的组织机构代码第3部分:注册年份(4位数字,国产设备为制造年份,进口设备为安装年份)第4部分:顺序号(4位数字,0001—9999)XXXX XXXXXXXXX XXXX XXXX顺序号(4位数字)制造/安装年份(4位数字)制造/安装)单位代码(9位数字)特种设备分类代码(4位数字字母码)。
【最新整理,下载后即可编辑】1.1 C601 特种设备种类代码特种设备种类代码说明:国家安全监察机构对特种设备分类的大类代码。
表示:C1编码方法:采用顺序码,用1位数字或大写字母表示。
表1 特种设备种类代码1.2 C602 特种设备分类代码特种设备分类代码说明:国家安全监察机构对特种设备的分类代码。
表示:C4编码方法:采用层次码。
代码共分4层,每层均用1位数字或大写字母表示。
第1层:特种设备种类代码,第2层:特种设备类别代码,第3层:特种设备品种代码,第4层:特种设备级别代码。
注:根据需要,可以只使用前1位、前2位或前3位代码。
表2 特种设备分类代码表1.3 C603 特种设备登记代码特种设备登记代码说明:国家对进行安全监察的特种设备的登记代码。
表示:C21编码方法:采用组合码。
代码由4部分组成,共21位数字字母混合码。
第1部分:特种设备分类代码(4位数字字母混合码)第2部分:注册单位代码,采用注册单位的组织机构代码(9位数字字母码)第3部分:注册年份(4位数字)第4部分:顺序号(4位数字,0001—9999)。
XXXX XXXXXXXXX XXXX XXXX顺序号(4位数字)注册年份(4位数字)注册单位代码(9位数字字母)特种设备分类代码(4位数字字母混合码)1.4 C604 特种设备代码特种设备代码说明:特种设备的终身代码。
与登记代码不同的是特种设备代码终身有效。
如果是国产设备,该代码在制造出厂时产生;如果是进口设备,该代码在首次安装时产生。
表示:C21编码方法:采用组合码。
代码由4部分组成,共21位数字、字母混合码。
第1部分:特种设备分类代码(4位数字字母混合码)第2部分:制造或安装单位代码(采用组织机构代码,9位数字字母码)国产设备采用设备制造单位的组织机构代码进口设备采用首次安装单位的组织机构代码第3部分:注册年份(4位数字,国产设备为制造年份,进口设备为安装年份)第4部分:顺序号(4位数字,0001—9999)XXXX XXXXXXXXX XXXX XXXX顺序号(4位数字)制造/安装年份(4位数字)制造/安装)单位代码(9位数字)特种设备分类代码(4位数字字母码)。
特种设备代码-全说明:人员技术职称的级别代码。
表示:C1编码方法:采用顺序码,用1位数字表示。
表1 技术职称级别代码表代码名称说明1高级指高级工程师,正、副教授,正、副研究员,高级统计师,高级会计师,高级经济师,以及相当于这一级的具有其他技术职称的人员。
2中级指工程师,讲师,助理研究员,技师,统计师,会计师,经济师,以及相当于这一级的具有其他技术职称的人员。
3初级指助理工程师,助理统计师,助理会计师,助理经济师,以及相当于这一级的具有其他技术职称的人员。
9未评定新分配工作和其他原因未评定技术职称的人员。
1.1 C601 特种设备种类代码特种设备种类代码说明:国家安全监察机构对特种设备分类的大类代码。
表示:C1编码方法:采用顺序码,用1位数字或大写字母表示。
表2 特种设备种类代码代码名称说明1锅炉2压力容器3电梯4起重机械5厂(场)内机动车辆6大型游乐设施7压力管道元件8压力管道9客运索道B部件C材料F安全附件及安全保护装置1.2 C602 特种设备分类代码特种设备分类代码说明:国家安全监察机构对特种设备的分类代码。
表示:C4编码方法:采用层次码。
代码共分4层,每层均用1位数字或大写字母表示。
第1层:特种设备种类代码,第2层:特种设备类别代码,第3层:特种设备品种代码,第4层:特种设备级别代码。
注: 根据需要,可以只使用前1位、前2位或前3位代码。
表3 特种设备分类代码表代码名称说明1000锅炉1100 承压蒸汽锅炉1110 电站锅炉1120 工业锅炉1130 生活锅炉1200 承压热水锅炉1300 有机热载体锅炉1310 有机热载体气相炉1320 有机热载体液相炉2000压力容器2100 固定式压力容器2110 超高压容器2120 高压容器2130 第三类中压容器2140 第三类低压容器2150 第二类中压容器2160 第二类低压容器2170 第一类压力容器2200 移动式压力容器2210 铁路罐车2220 汽车罐车2230 长管拖车2240 罐式集装箱2300 气瓶2310 无缝气瓶2320 焊接气瓶2330 液化石油气钢瓶2340 溶解乙炔气瓶2350 车用气瓶2360 低温绝热气瓶2370 缠绕气瓶2380 非重复充装气瓶23T0 特种气瓶2400 氧舱2410 医用氧舱2420 高气压舱2430 再压舱2440 高海拔试验舱2450 潜水钟3000电梯3100 乘客电梯3110 曳引式客梯3120 强制式客梯3130 无机房客梯3140 消防电梯3150 观光电装箱门式起重机4240 万能杠件拼装式龙门起重机4250 岸边集装箱起重机4260 造船门式起重机4270 电动葫芦门式起重机4280 装卸桥4300 塔式起重机4310 普通塔式起重机4320 电站塔式起重机4330 塔式皮带布料机4400 流动式起重机4410 轮胎起重机4420 履带起重机4430 全路面起重机4440 集装箱正面吊运起重机4450 集装箱侧面吊运起重机4460 集装箱跨运车4470 轮胎式集装箱门式起重机4480 汽车起重机4490 随车起重机4600 铁路起重机4610 蒸汽铁路起重机4620 内燃铁路起重机4630 电力铁路起重机4700 门座起重机4710 港口门座起重机4720 船厂门座起重机4730 带斗门座式起重机4740 电站门座起重机4750 港口台架起重机4760 固定式起重机4770 液压折臂起重机4800 升降机4810 曲线施工升降机4820 锅炉炉膛检修平台4830 钢索式液压提升装置4840 电站提滑模装置4850 升船机4860 施工升降机4870 简易升降机4880 升降作业平台4890 高空作业车4900 缆索起重机4910 固定式缆索起重机4920 摇摆式缆索起重机4930 平移式缆索起重机4940 辐射式缆索起重机4A00 桅杆起重机4A10 固定式桅杆起重机4A20 移动式桅杆起重机4B00 旋臂式起重机4B10 柱式旋臂式起重机4B20 壁式旋臂式起重机4B30 平衡悬臂式起重机4C00 轻小型起重设备4C10 输变电施工用抱杆4C20 电站牵张设备4C30 内燃平衡重式叉车4C40 蓄电池平衡重式叉车4C50 内燃侧面叉车4C60 插腿式叉车4C70 前移式叉车4C80 三向堆垛叉车4C90 托盘堆垛车4CA0 防爆叉车4CB0 钢丝绳电动葫芦4CC0 防爆丝绳电动葫芦4CD0 环链电动葫芦4CE0 气动葫芦4CF0 防爆气动葫架空游览车类6310 电力单轨列车系列6320 电力双轨列车系列6330 组合式架空游览车系统6340 脚踏车系列6400 陀螺类6410 陀螺系列6420 组合式陀螺系列6500 飞行塔类6510 旋转飞椅系列6520 青蛙跳系列6530 探空飞梭系列6540 观览塔系列6550 组合式飞行塔系列6600 转马类6610 转马系列6620 荷花杯系列6630 滚摆舱系列6640 爱情快车系列6650 组合式转马系列6700 自控飞机类6710 自控飞机系列6720 章鱼系列6730 组合式自控飞机系列6800 赛车类6810 场地赛车系列6820 越野赛车系列6830 组合式赛车系列6900 小火车类6910 内燃机驱动小火车6920 电力驱动小火车6A00 碰碰车类6A10 碰碰车系列6B00 电池车类6B10 电池车系列6C00 观光车类6C10 内燃观光车系列6C20 蓄池观光车系列6D00 水上游乐设施6D10 峡谷漂流系列6D20 水滑梯系列6D30 造浪机系列6D40 碰碰船系列6D50 水上自行车系列6D60 组合式水上游乐设施6E00 无动力游乐设施6E10 高空蹦极系列6E20 弹射蹦极系列6E30 小蹦极系列6E40 滑索系列6E50 空中飞人系列6E60 系留式观光气球系列6E70 组合式无动力游乐设施7000压力管道元件7100 压力管道管子7110 无缝钢管7120 焊接钢管7130 有色金属管7140 铸铁管71F0 非金属材料管7200 压力管道管件7210 无缝管件7220 有缝管件7230 锻制管件7240 铸造管件7250 汇管7260 过滤器72F0 非金属材料管件7300 阀门7310 安全阀7320 调压阀7330 调节阀7340 闸阀7350 球阀7360 蝶阀7370 截止阀7380 止回阀7390 疏水阀73A0 隔膜阀73F0 非环式客运缆车9300 客运拖牵索道9310 低位客运拖牵索道9320 高位客运拖牵索道B000部件B100 锅炉部件B110锅筒B120 集箱B130 锅炉过热器B140 锅炉再热器B150 锅炉省煤器B160 锅炉膜式水冷壁B200 压力容器部件B210 封头B300 电梯部件B310 绳头组合B320 电梯导轨B330 电梯耐火层门B340 电梯玻璃门B350 电梯玻璃轿壁B360 电梯液压泵站B370 杂物电梯驱动主机B380 自动扶梯梯级B390 自动人行道踏板B3A0 梯级踏板链B3B0 自动扶梯自动人行道驱动主机B3C0 自动扶梯自动人行道滚轮B3D0 自动扶梯自动人行道扶手带B3E0 自动扶梯自动人行道控制屏B600 游乐设施部件B610 蹦极绳B900 客运索道部件B910 客运索道驱动迂回装置B920 客运索道抱索器B930 客运索道运载工具B940 客运索道托压索轮组C000材料C100 锅炉材料C110 锅炉用钢板C120 锅炉用钢管C130 特种设备用焊接材料C200 压力容器材料C210 压力容器用钢板C230 气瓶用钢板C240 气瓶用钢管C800 压力管道材料C810 压力管道用钢板F000安全附件及安全保护装置F100 锅炉安全附件及安全保护装置F110 水位表F120水位控制报警装置F130 压力控制报警装置F140 温度控制报警装置F150 燃烧连锁保护装置F200 压力容器安全附件及安全保护装置F210 液位计F220 爆破片F230 紧急切断阀F240 过流保护装置F250 快开门连锁保护装置F260 气瓶瓶阀F270 气瓶减压阀F280 液位限制阀F2A0 氧舱测氧仪F300 电梯安全附件及安全保护装置F310 限速器F320 安全钳F330 缓冲器F340 电梯门速保护装置F360 含有电子元件的电梯安全电路F370 电梯限速切断阀F380 电梯控制柜F390 曳引机F400 起重机械安全附件及安全保护装置F410 起重机械起重量限制器F420 起重机械起重力矩限制器F430 起重机械起升高度限制器F440 起重机械防坠安全器F450 起重机械制动器F600 游乐设施安全附件及安全保护装置F610 游乐设施安全压杆F700 压力管道元件安全附件及安全保护装置F710 超压限制装置F720 测压调压装置F730 检漏装置F740 阴极保护装置1.3 C603 特种设备登记代码特种设备登记代码说明:国家对进行安全监察的特种设备的登记代码。
特种设备代码-全说明:人员技术职称的级别代码。
表示:C1编码方法:采用顺序码,用1位数字表示。
表1 技术职称级别代码表代码名称说明1高级指高级工程师,正、副教授,正、副研究员,高级统计师,高级会计师,高级经济师,以及相当于这一级的具有其他技术职称的人员。
2中级指工程师,讲师,助理研究员,技师,统计师,会计师,经济师,以及相当于这一级的具有其他技术职称的人员。
3初级指助理工程师,助理统计师,助理会计师,助理经济师,以及相当于这一级的具有其他技术职称的人员。
9未评定新分配工作和其他原因未评定技术职称的人员。
1.1 C601 特种设备种类代码特种设备种类代码说明:国家安全监察机构对特种设备分类的大类代码。
表示:C1编码方法:采用顺序码,用1位数字或大写字母表示。
表2 特种设备种类代码代码名称说明1锅炉2压力容器3电梯4起重机械5厂(场)内机动车辆6大型游乐设施7压力管道元件8压力管道9客运索道B部件C材料F安全附件及安全保护装置1.2 C602 特种设备分类代码特种设备分类代码说明:国家安全监察机构对特种设备的分类代码。
表示:C4编码方法:采用层次码。
代码共分4层,每层均用1位数字或大写字母表示。
第1层:特种设备种类代码,第2层:特种设备类别代码,第3层:特种设备品种代码,第4层:特种设备级别代码。
注: 根据需要,可以只使用前1位、前2位或前3位代码。
表3 特种设备分类代码表代码名称说明1000锅炉1100 承压蒸汽锅炉1110 电站锅炉1120 工业锅炉1130 生活锅炉1200 承压热水锅炉1300 有机热载体锅炉1310 有机热载体气相炉1320 有机热载体液相炉2000压力容器2100 固定式压力容器2110 超高压容器2120 高压容器2130 第三类中压容器2140 第三类低压容器2150 第二类中压容器2160 第二类低压容器2170 第一类压力容器2200 移动式压力容器2210 铁路罐车2220 汽车罐车2230 长管拖车2240 罐式集装箱2300 气瓶2310 无缝气瓶2320 焊接气瓶2330 液化石油气钢瓶2340 溶解乙炔气瓶2350 车用气瓶2360 低温绝热气瓶2370 缠绕气瓶2380 非重复充装气瓶23T0 特种气瓶2400 氧舱2410 医用氧舱2420 高气压舱2430 再压舱2440 高海拔试验舱2450 潜水钟3000电梯3100 乘客电梯3110 曳引式客梯3120 强制式客梯3130 无机房客梯3140 消防电梯3150 观光电装箱门式起重机4240 万能杠件拼装式龙门起重机4250 岸边集装箱起重机4260 造船门式起重机4270 电动葫芦门式起重机4280 装卸桥4300 塔式起重机4310 普通塔式起重机4320 电站塔式起重机4330 塔式皮带布料机4400 流动式起重机4410 轮胎起重机4420 履带起重机4430 全路面起重机4440 集装箱正面吊运起重机4450 集装箱侧面吊运起重机4460 集装箱跨运车4470 轮胎式集装箱门式起重机4480 汽车起重机4490 随车起重机4600 铁路起重机4610 蒸汽铁路起重机4620 内燃铁路起重机4630 电力铁路起重机4700 门座起重机4710 港口门座起重机4720 船厂门座起重机4730 带斗门座式起重机4740 电站门座起重机4750 港口台架起重机4760 固定式起重机4770 液压折臂起重机4800 升降机4810 曲线施工升降机4820 锅炉炉膛检修平台4830 钢索式液压提升装置4840 电站提滑模装置4850 升船机4860 施工升降机4870 简易升降机4880 升降作业平台4890 高空作业车4900 缆索起重机4910 固定式缆索起重机4920 摇摆式缆索起重机4930 平移式缆索起重机4940 辐射式缆索起重机4A00 桅杆起重机4A10 固定式桅杆起重机4A20 移动式桅杆起重机4B00 旋臂式起重机4B10 柱式旋臂式起重机4B20 壁式旋臂式起重机4B30 平衡悬臂式起重机4C00 轻小型起重设备4C10 输变电施工用抱杆4C20 电站牵张设备4C30 内燃平衡重式叉车4C40 蓄电池平衡重式叉车4C50 内燃侧面叉车4C60 插腿式叉车4C70 前移式叉车4C80 三向堆垛叉车4C90 托盘堆垛车4CA0 防爆叉车4CB0 钢丝绳电动葫芦4CC0 防爆丝绳电动葫芦4CD0 环链电动葫芦4CE0 气动葫芦4CF0 防爆气动葫架空游览车类6310 电力单轨列车系列6320 电力双轨列车系列6330 组合式架空游览车系统6340 脚踏车系列6400 陀螺类6410 陀螺系列6420 组合式陀螺系列6500 飞行塔类6510 旋转飞椅系列6520 青蛙跳系列6530 探空飞梭系列6540 观览塔系列6550 组合式飞行塔系列6600 转马类6610 转马系列6620 荷花杯系列6630 滚摆舱系列6640 爱情快车系列6650 组合式转马系列6700 自控飞机类6710 自控飞机系列6720 章鱼系列6730 组合式自控飞机系列6800 赛车类6810 场地赛车系列6820 越野赛车系列6830 组合式赛车系列6900 小火车类6910 内燃机驱动小火车6920 电力驱动小火车6A00 碰碰车类6A10 碰碰车系列6B00 电池车类6B10 电池车系列6C00 观光车类6C10 内燃观光车系列6C20 蓄池观光车系列6D00 水上游乐设施6D10 峡谷漂流系列6D20 水滑梯系列6D30 造浪机系列6D40 碰碰船系列6D50 水上自行车系列6D60 组合式水上游乐设施6E00 无动力游乐设施6E10 高空蹦极系列6E20 弹射蹦极系列6E30 小蹦极系列6E40 滑索系列6E50 空中飞人系列6E60 系留式观光气球系列6E70 组合式无动力游乐设施7000压力管道元件7100 压力管道管子7110 无缝钢管7120 焊接钢管7130 有色金属管7140 铸铁管71F0 非金属材料管7200 压力管道管件7210 无缝管件7220 有缝管件7230 锻制管件7240 铸造管件7250 汇管7260 过滤器72F0 非金属材料管件7300 阀门7310 安全阀7320 调压阀7330 调节阀7340 闸阀7350 球阀7360 蝶阀7370 截止阀7380 止回阀7390 疏水阀73A0 隔膜阀73F0 非环式客运缆车9300 客运拖牵索道9310 低位客运拖牵索道9320 高位客运拖牵索道B000部件B100 锅炉部件B110锅筒B120 集箱B130 锅炉过热器B140 锅炉再热器B150 锅炉省煤器B160 锅炉膜式水冷壁B200 压力容器部件B210 封头B300 电梯部件B310 绳头组合B320 电梯导轨B330 电梯耐火层门B340 电梯玻璃门B350 电梯玻璃轿壁B360 电梯液压泵站B370 杂物电梯驱动主机B380 自动扶梯梯级B390 自动人行道踏板B3A0 梯级踏板链B3B0 自动扶梯自动人行道驱动主机B3C0 自动扶梯自动人行道滚轮B3D0 自动扶梯自动人行道扶手带B3E0 自动扶梯自动人行道控制屏B600 游乐设施部件B610 蹦极绳B900 客运索道部件B910 客运索道驱动迂回装置B920 客运索道抱索器B930 客运索道运载工具B940 客运索道托压索轮组C000材料C100 锅炉材料C110 锅炉用钢板C120 锅炉用钢管C130 特种设备用焊接材料C200 压力容器材料C210 压力容器用钢板C230 气瓶用钢板C240 气瓶用钢管C800 压力管道材料C810 压力管道用钢板F000安全附件及安全保护装置F100 锅炉安全附件及安全保护装置F110 水位表F120水位控制报警装置F130 压力控制报警装置F140 温度控制报警装置F150 燃烧连锁保护装置F200 压力容器安全附件及安全保护装置F210 液位计F220 爆破片F230 紧急切断阀F240 过流保护装置F250 快开门连锁保护装置F260 气瓶瓶阀F270 气瓶减压阀F280 液位限制阀F2A0 氧舱测氧仪F300 电梯安全附件及安全保护装置F310 限速器F320 安全钳F330 缓冲器F340 电梯门速保护装置F360 含有电子元件的电梯安全电路F370 电梯限速切断阀F380 电梯控制柜F390 曳引机F400 起重机械安全附件及安全保护装置F410 起重机械起重量限制器F420 起重机械起重力矩限制器F430 起重机械起升高度限制器F440 起重机械防坠安全器F450 起重机械制动器F600 游乐设施安全附件及安全保护装置F610 游乐设施安全压杆F700 压力管道元件安全附件及安全保护装置F710 超压限制装置F720 测压调压装置F730 检漏装置F740 阴极保护装置1.3 C603 特种设备登记代码特种设备登记代码说明:国家对进行安全监察的特种设备的登记代码。
1.1 C601 特种设备种类代码特种设备种类代码说明:国家安全监察机构对特种设备分类得大类代码。
表示:C1编码方法:采用顺序码,用1位数字或大写字母表示。
表1 特种设备种类代码1.2 C602 特种设备分类代码特种设备分类代码说明:国家安全监察机构对特种设备得分类代码。
表示:C4编码方法:采用层次码。
代码共分4层,每层均用1位数字或大写字母表示。
第1层:特种设备种类代码, 第2层:特种设备类别代码,第3层:特种设备品种代码, 第4层:特种设备级别代码。
注: 根据需要,可以只使用前1位、前2位或前3位代码。
表2 特种设备分类代码表1.3 C603 特种设备登记代码特种设备登记代码说明:国家对进行安全监察得特种设备得登记代码。
表示:C21编码方法:采用组合码。
代码由4部分组成,共21位数字字母混合码。
第1部分:特种设备分类代码(4位数字字母混合码)第2部分:注册单位代码,采用注册单位得组织机构代码(9位数字字母码)第3部分:注册年份(4位数字)第4部分:顺序号(4位数字,0001—9999)。
XXXX XXXXXXXXX XXXX XXXX顺序号(4位数字)注册年份(4位数字)注册单位代码(9位数字字母)特种设备分类代码(4位数字字母混合码)1.4 C604特种设备代码特种设备代码说明:特种设备得终身代码、与登记代码不同得就是特种设备代码终身有效。
如果就是国产设备,该代码在制造出厂时产生;如果就是进口设备,该代码在首次安装时产生。
表示: C21编码方法:采用组合码。
代码由4部分组成,共21位数字、字母混合码。
第1部分:特种设备分类代码(4位数字字母混合码)第2部分:制造或安装单位代码(采用组织机构代码,9位数字字母码)国产设备采用设备制造单位得组织机构代码进口设备采用首次安装单位得组织机构代码第3部分:注册年份(4位数字,国产设备为制造年份,进口设备为安装年份) 第4部分:顺序号(4位数字,0001—9999)XXXXXXXXXXXXX XXXX XXXX顺序号(4位数字)制造/安装年份(4位数字)制造/安装)单位代码(9位数字)特种设备分类代码(4位数字字母码)。
附件:特种设备目录代码种?类类?别品?种1000 锅炉1100 承压蒸汽锅炉1110 电站锅炉1120 工业锅炉1130 生活锅炉1200 承压热水锅炉1300 有机热载体锅炉1310 有机热载体气相炉1320 有机热载体液相炉B100 锅炉部件B210 封头B110 锅筒B120 集箱B130 锅炉过热器B140 锅炉再热器B150 锅炉省煤器B160 锅炉膜式水冷壁C100 锅炉材料C110 锅炉用钢板C120 锅炉用钢管C130 特种设备用焊接材料2000 压力容器2100 固定式压力容器2110 超高压容器2120 高压容器2130 第三类中压容器2140 第三类低压容器2150 第二类中压容器2160 第二类低压容器2170 第一类压力容器2200 移动式压力容器2210 铁路罐车2220 汽车罐车2230 长管拖车代码种?类类?别品?种2240 罐式集装箱2300 气瓶2310 无缝气瓶2320 焊接气瓶2330 液化石油气钢瓶2340 溶解乙炔气瓶2350 车用气瓶2360 低温绝热气瓶2370 缠绕气瓶2380 非重复充装气瓶23T0 特种气瓶2400 氧舱2410 医用氧舱2420 高气压舱2430 再压舱2440 高海拔试验舱2450 潜水钟B200 压力容器部件B210 封头C200 压力容器材料C210 压力容器用钢板C230 气瓶用钢板C240 气瓶用钢管8000 压力管道8100 长输(油气)管道8110 输油管道8120 输气管道8200 公用管道8210 燃气管道8220 热力管道8300 工业管道8310 工艺管道8320 动力管道8330 制冷管道压力管道元7000件7100 压力管道管子7110 无缝钢管7120 焊接钢管代码种?类类?别品?种7130 有色金属管7140 铸铁管71F0 非金属材料管7200 压力管道管件7210 无缝管件7220 有缝管件7230 锻制管件7240 铸造管件7250 汇管7260 过滤器72F0 非金属材料管件7300 阀门7310 安全阀7320 调压阀7330 调节阀7340 闸阀7350 球阀7360 蝶阀7370 截止阀7380 止回阀7390 疏水阀73A0 隔膜阀73F0 非金属材料阀门73T0 特种阀门7400 法兰7410 钢制法兰74F0 非金属材料法兰7500 补偿器7510 金属波纹膨胀节75T0 特种型式金属膨胀节75F0 非金属材料膨胀节7520 金属波纹管7600 压力管道支承件7610 支架7620 吊架压力管道密封元7700件7710 金属密封元件77F0 非金属密封元件代码种? 类类? 别品? 种7720 紧固件压力管道特种元7T00件7T10 防腐管道元件7T20 阻火器7TZ0 元件组合装置C800 压力管道材料C810 压力管道用钢板3000 电梯3100 乘客电梯3110 曳引式客梯3120 强制式客梯3130 无机房客梯3140 消防电梯3150 观光电梯3160 防爆客梯3170 病床电梯3200 载货电梯3210 曳引式货梯3220 强制式货梯3230 无机房货梯3240 汽车电梯3250 防爆货梯3300 液压电梯3310 液压客梯3320 防爆液压客梯3330 液压货梯3340 防爆液压货梯3400 杂物电梯3500 自动扶梯3600 自动人行道B300 电梯部件B310 绳头组合B320 电梯导轨B330 电梯耐火层门B340 电梯玻璃门B350 电梯玻璃轿壁B360 电梯液压泵站B370 杂物电梯驱动主机代码种? 类类? 别品? 种B380 自动扶梯梯级B390 自动人行道踏板B3A0 梯级踏板链B3B0 自动扶梯自动人行道驱动主机B3CO 自动扶梯自动人行道滚轮B3DO 自动扶梯自动人行道扶手带B3EO 自动扶梯自动人行道控制屏4000 起重机械4100 桥式起重机4110 通用桥式起重机4120 电站桥式起重机4130 防爆桥式起重机4140 绝缘桥式起重机4150 冶金桥式起重机4160 架桥机4170 电动单梁起重机4180 电动单梁悬挂起重机4190 电动葫芦桥式起重机41A0 防爆梁式起重机4200 门式起重机4210 通用门式起重机4220 水电站门式起重机4230 轨道式集装箱门式起重机4240 万能杠件拼装式龙门起重机4250 岸边集装箱起重机4260 造船门式起重机4270 电动葫芦门式起重机4280 装卸桥4300 塔式起重机4310 普通塔式起重机4320 电站塔式起重机4330 塔式皮带布料机4400 流动式起重机4410 轮胎起重机4420 履带起重机4430 全路面起重机代码种? 类类? 别品? 种4440 集装箱正面吊运起重机4450 集装箱侧面吊运起重机4460 集装箱跨运车4470 轮胎式集装箱门式起重机4480 汽车起重机4490 随车起重机4600 铁路起重机4610 蒸汽铁路起重机4620 内燃铁路起重机4630 电力铁路起重机4700 门座起重机4710 港口门座起重机4720 船厂门座起重机4730 带斗门座式起重机4740 电站门座起重机4750 港口台架起重机4760 固定式起重机4770 液压折臂起重机4800 升降机4810 曲线施工升降机4820 锅炉炉膛检修平台4830 钢索式液压提升装置4840 电站提滑模装置4850 升船机4860 施工升降机4870 简易升降机4880 升降作业平台4890 高空作业车4900 缆索起重机4910 固定式缆索起重机4920 摇摆式缆索起重机4930 平移式缆索起重机4940 辐射式缆索起重机4A00 桅杆起重机4A10 固定式桅杆起重机4A20 移动式桅杆起重机4B00 旋臂式起重机4B10 柱式旋臂式起重机代码种? 类类? 别品? 种4B20 壁式旋臂式起重机4B30 平衡悬臂式起重机4C00 轻小型起重设备4C10 输变电施工用抱杆4C20 电站牵张设备4C30 内燃平衡重式叉车4C40 蓄电池平衡重式叉车4C50 内燃侧面叉车4C60 插腿式叉车4C70 前移式叉车4C80 三向堆垛叉车4C90 托盘堆垛车4CA0 防爆叉车4CB0 钢丝绳电动葫芦4CC0 防爆钢丝绳电动葫芦4CD0 环链电动葫芦4CE0 气动葫芦4CF0 防爆气动葫芦4CG0 带式电动葫芦4D00 机械式停车设备4D10 升降横移类机械式停车设备4D20 垂直循环类机械式停车设备4D30 多层循环类机械式停车设备4D40 平面移动类机械式停车设备4D50 巷道堆垛类机械式停车设备4D60 水平循环类机械式停车设备4D70 垂直升降类机械式停车设备4D80 简易升降类机械式停车设备4D90 汽车专用升降机类停车设备9000 客运索道9100 客运架空索道9110 往复式客运架空索道9120 循环式客运架空索道9200 客运缆车9210 往复式客运缆车9220 循环式客运缆车9300 客运拖牵索道9310 低位客运拖牵索道代码种? 类类? 别品? 种9320 高位客运拖牵索道B900 客运索道部件B100 客运索道驱动迂回装置B200 客运索道抱索器B210 客运索道运载工具B220 客运索道托压索轮组大型游乐设6000施6100 观览车类6110 观览车系列6120 飞毯系列6130 太空船系列6140 摩天环车6150 海盗船系列6160 组合式观览车系列6200 滑行车类6210 单车滑行车系列6220 多车滑行车系列6230 滑道系列6240 激流勇进6250 弯月飞车系列6260 组合式滑行车系列6300 架空游览车类6310 电力单轨列车系列6320 电力双轨列车系列6330 组合式架空游览车系统6340 脚踏车系列6400 陀螺类6410 陀螺系列6420 组合式陀螺系列6500 飞行塔类6510 旋转飞椅系列6520 青蛙跳系列6530 探空飞梭系列6540 观览塔系列6550 组合式飞行塔系列6600 转马类6610 转马系列6620 荷花杯系列代码种? 类类? 别品? 种6630 滚摆舱系列6640 爱情快车系列6650 组合式转马系列6700 自控飞机类6710 自控飞机系列6720 章鱼系列6730 组合式自控飞机系列6800 赛车类6810 场地赛车系列6820 越野赛车系列6830 组合式赛车系列6900 小火车类6910 内燃机驱动小火车6920 电力驱动小火车6A00 碰碰车类6A10 碰碰车系列6B00 电池车类6B10 电池车系列6C00 观光车类6C10 内燃观光车系列6C20 蓄电池观光车系列6D00 水上游乐设施6D10 峡谷漂流系列6D20 水滑梯系列6D30 造浪机系列6D40 碰碰船系列6D50 水上自行车系列6D60 组合式水上游乐设施6E00 无动力游乐设施6E10 高空蹦极系列6E20 弹射蹦极系列6E30 小蹦极系列6E40 滑索系列6E50 空中飞人系列6E60 系留式观光气球系列6E70 组合式无动力游乐设施B600 游乐设施部件B610 蹦极绳代码种? 类类? 别品? 种F000 安全附件及安全保护装置7310 安全阀F110 水位表F120 水位控制报警装置F130 压力控制报警装置F140 温度控制报警装置F150 燃烧连锁保护装置F210 液位计F220 爆破片F230 紧急切断阀F240 过流保护装置F250 快开门连锁保护装置F260 气瓶瓶阀F270 气瓶减压阀F280 液位限制阀F2A0 氧舱测氧仪F710 超压限制装置F720 测压调压装置F730 检漏装置F740 阴极保护装置F310 限速器F320 安全钳F330 缓冲器F340 电梯门锁装置F350 电梯轿厢上行超速保护装置F360 含有电子元件的电梯安全电路F370 电梯限速切断阀F380 电梯控制柜F390 曳引机F410 起重机械起重量限制器F420 起重机械起重力矩限制器F430 起重机械起升高度限制器F440 起重机械防坠安全器F450 起重机械制动器F610 游乐设施安全压杆注:本目录所列的特种设备的参数范围按照《特种设备安全监察条例》第八十八条的规定。
特种设备分类及代码(总12页)-CAL-FENGHAI.-(YICAI)-Company One1-CAL-本页仅作为文档封面,使用请直接删除C601 特种设备种类代码特种设备种类代码说明:国家安全监察机构对特种设备分类的大类代码。
表示:C1编码方法:采用顺序码,用1位数字或大写字母表示。
C602 特种设备分类代码特种设备分类代码说明:国家安全监察机构对特种设备的分类代码。
表示:C4编码方法:采用层次码。
代码共分4层,每层均用1位数字或大写字母表示。
第1层:特种设备种类代码,第2层:特种设备类别代码,第3层:特种设备品种代码,第4层:特种设备级别代码。
注:根据需要,可以只使用前1位、前2位或前3位代码。
表2 特种设备分类代码表2345678910C603 特种设备登记代码特种设备登记代码说明:国家对进行安全监察的特种设备的登记代码。
表示:C21编码方法:采用组合码。
代码由4部分组成,共21位数字字母混合码。
第1部分:特种设备分类代码(4位数字字母混合码)第2部分:注册单位代码,采用注册单位的组织机构代码(9位数字字母码)第3部分:注册年份(4位数字)第4部分:顺序号(4位数字,0001—9999)。
XXXX XXXXXXXXX XXXX XXXX顺序号(4位数字)注册年份(4位数字)注册单位代码(9位数字字母)特种设备分类代码(4位数字字母混合码)C604 特种设备代码特种设备代码说明:特种设备的终身代码。
与登记代码不同的是特种设备代码终身有效。
如果是国产设备,该代码在制造出厂时产生;如果是进口设备,该代码在首次安装时产生。
表示: C21编码方法:采用组合码。
代码由4部分组成,共21位数字、字母混合码。
第1部分:特种设备分类代码(4位数字字母混合码)第2部分:制造或安装单位代码(采用组织机构代码,9位数字字母码)国产设备采用设备制造单位的组织机构代码进口设备采用首次安装单位的组织机构代码第3部分:注册年份(4位数字,国产设备为制造年份,进口设备为安装年份)第4部分:顺序号(4位数字,0001—9999)XXXX XXXXXXXXX XXXX XXXX顺序号(4位数字)制造/安装年份(4位数字)制造/安装)单位代码(9位数字)特种设备分类代码(4位数字字母码)。
特种设备分类及代码文稿归稿存档编号:[KKUY-KKIO69-OTM243-OLUI129-G00I-FDQS58-C601 特种设备种类代码特种设备种类代码说明:国家安全监察机构对特种设备分类的大类代码。
表示:C1编码方法:采用顺序码,用1位数字或大写字母表示。
表1 特种设备种类代码C602 特种设备分类代码特种设备分类代码说明:国家安全监察机构对特种设备的分类代码。
表示:C4编码方法:采用层次码。
代码共分4层,每层均用1位数字或大写字母表示。
第1层:特种设备种类代码,第2层:特种设备类别代码,第3层:特种设备品种代码,第4层:特种设备级别代码。
注:根据需要,可以只使用前1位、前2位或前3位代码。
表2 特种设备分类代码表C603 特种设备登记代码特种设备登记代码说明:国家对进行安全监察的特种设备的登记代码。
表示:C21编码方法:采用组合码。
代码由4部分组成,共21位数字字母混合码。
第1部分:特种设备分类代码(4位数字字母混合码)第2部分:注册单位代码,采用注册单位的组织机构代码(9位数字字母码)第3部分:注册年份(4位数字)第4部分:顺序号(4位数字,0001—9999)。
XXXX XXXXXXXXX XXXX XXXX顺序号(4位数字)注册年份(4位数字)注册单位代码(9位数字字母)特种设备分类代码(4位数字字母混合码)C604 特种设备代码特种设备代码说明:特种设备的终身代码。
与登记代码不同的是特种设备代码终身有效。
如果是国产设备,该代码在制造出厂时产生;如果是进口设备,该代码在首次安装时产生。
表示: C21编码方法:采用组合码。
代码由4部分组成,共21位数字、字母混合码。
第1部分:特种设备分类代码(4位数字字母混合码)第2部分:制造或安装单位代码(采用组织机构代码,9位数字字母码)国产设备采用设备制造单位的组织机构代码进口设备采用首次安装单位的组织机构代码第3部分:注册年份(4位数字,国产设备为制造年份,进口设备为安装年份)第4部分:顺序号(4位数字,0001—9999)XXXX XXXXXXXXX XXXX XXXX顺序号(4位数字)制造/安装年份(4位数字)制造/安装)单位代码(9位数字)特种设备分类代码(4位数字字母码)。
1.1 C601 特种设备种类代码特种设备种类代码说明:国家安全监察机构对特种设备分类的大类代码。
表示:C1编码方法:采用顺序码,用1位数字或大写字母表示。
表1 特种设备种类代码1.2 C602 特种设备分类代码特种设备分类代码说明:国家安全监察机构对特种设备的分类代码。
表示:C4编码方法:采用层次码。
代码共分4层,每层均用1位数字或大写字母表示。
第1层:特种设备种类代码,第2层:特种设备类别代码,第3层:特种设备品种代码,第4层:特种设备级别代码。
注:根据需要,可以只使用前1位、前2位或前3位代码。
表2 特种设备分类代码表1.3 C603 特种设备登记代码特种设备登记代码说明:国家对进行安全监察的特种设备的登记代码。
表示:C21编码方法:采用组合码。
代码由4部分组成,共21位数字字母混合码。
第1部分:特种设备分类代码(4位数字字母混合码)第2部分:注册单位代码,采用注册单位的组织机构代码(9位数字字母码)第3部分:注册年份(4位数字)第4部分:顺序号(4位数字,0001—9999)。
XXXX XXXXXXXXX XXXX XXXX顺序号(4位数字)注册年份(4位数字)注册单位代码(9位数字字母)特种设备分类代码(4位数字字母混合码)1.4 C604 特种设备代码特种设备代码说明:特种设备的终身代码。
与登记代码不同的是特种设备代码终身有效。
如果是国产设备,该代码在制造出厂时产生;如果是进口设备,该代码在首次安装时产生。
表示: C21编码方法:采用组合码。
代码由4部分组成,共21位数字、字母混合码。
第1部分:特种设备分类代码(4位数字字母混合码)第2部分:制造或安装单位代码(采用组织机构代码,9位数字字母码)国产设备采用设备制造单位的组织机构代码进口设备采用首次安装单位的组织机构代码第3部分:注册年份(4位数字,国产设备为制造年份,进口设备为安装年份)第4部分:顺序号(4位数字,0001—9999)XXXX XXXXXXXXX XXXX XXXX顺序号(4位数字)制造/安装年份(4位数字)制造/安装)单位代码(9位数字)特种设备分类代码(4位数字字母码)。
1.1 C601特种设备种类代码特种设备种类代码说明:国家安全监察机构对特种设备分类的大类代码。
表示:C1编码方法:采用顺序码,用1位数字或大写字母表示。
1.2 C602 特种设备分类代码特种设备分类代码说明:国家安全监察机构对特种设备的分类代码。
表示:C4编码方法:采用层次码。
代码共分4层,每层均用1位数字或大写字母表示。
第1层:特种设备种类代码,第2层:特种设备类别代码,第3层:特种设备品种代码,第4层:特种设备级别代码。
注:根据需要,可以只使用前1位、前2位或前3位代码。
表2 特种设备分类代码表1.3 C603 特种设备登记代码特种设备登记代码说明:国家对进行安全监察的特种设备的登记代码。
表示:C21编码方法:采用组合码。
代码由4部分组成,共21位数字字母混合码。
第1部分:特种设备分类代码(4位数字字母混合码)第2部分:注册单位代码,采用注册单位的组织机构代码(9位数字字母码)第3部分:注册年份(4位数字)第4部分:顺序号(4位数字,0001—9999)。
XXXX XXXXXXXXX XXXX XXXX顺序号(4位数字)注册年份(4位数字)注册单位代码(9位数字字母)特种设备分类代码(4位数字字母混合码)1.4 C604 特种设备代码特种设备代码说明:特种设备的终身代码。
与登记代码不同的是特种设备代码终身有效。
如果是国产设备,该代码在制造出厂时产生;如果是进口设备,该代码在首次安装时产生。
表示: C21编码方法:采用组合码。
代码由4部分组成,共21位数字、字母混合码。
第1部分:特种设备分类代码(4位数字字母混合码)第2部分:制造或安装单位代码(采用组织机构代码,9位数字字母码)国产设备采用设备制造单位的组织机构代码进口设备采用首次安装单位的组织机构代码第3部分:注册年份(4位数字,国产设备为制造年份,进口设备为安装年份)第4部分:顺序号(4位数字,0001—9999)XXXX XXXXXXXXX XXXX XXXX顺序号(4位数字)制造/安装年份(4位数字)制造/安装)单位代码(9位数字)特种设备分类代码(4位数字字母码)。
特种设备代码1. 简介特种设备是指由国家明令规定必须经过审核、检验、验收合格后才可以投入使用或必须按照相应安全技术标准进行管理和监督的设备。
根据《特种设备安全法》和《特种设备定期检验管理规定》,各种特种设备均应按照其产品标准或者设计规范,进行编码和管理。
2. 特种设备代码的结构特种设备代码通常由以下几个部分组成:1.设备大类代码2.设备小类代码3.设备型号代码4.设备序列号代码其中,设备大类代码和设备小类代码是特种设备的分类标准,设备型号和设备序列号则是对特种设备进行具体的编号。
每个部分的编码规则如下:2.1 设备大类代码设备大类代码用英文字母表示,根据设备的用途和特点分类。
下面是常用的设备大类代码:• A - 安全阀类设备• B - 电梯类设备• C - 压力容器类设备• D - 压力管道类设备• E - 摩擦焊接类设备• F - 起重机械类设备•G - 管道阀门类设备•H - 危险化学品类设备•I - 燃气类设备•J - 电气类设备•K - 金属锻压及热处理类设备•L - 焊接材料类设备•M - 常压容器类设备•N - 特种电器类设备•O - 特种设备安全评价机构2.2 设备小类代码设备小类代码用数字表示,根据设备的用途和特点进一步分类。
设备小类代码的编制原则是:尽量使用少的数字表示大类下各种设备,即尽量使数字的使用范围大些。
2.3 设备型号代码设备型号代码是对设备进行详细编号的部分,一般由字母和数字组成。
该部分编码规则根据设备的型号和制造商不同而不同,需要根据具体情况进行确定。
2.4 设备序列号代码设备序列号代码用数字表示,是对同一型号的多台设备进行区分的部分。
设备序列号的编制原则是:同一型号的设备每一台分配一个唯一标识序号,按照设备的顺序依次编号。
3. 特种设备代码的应用特种设备代码是对特种设备进行编号和管理的重要手段,可以帮助相关部门实现特种设备的追踪和安全监督。
特种设备代码可以用于以下几个方面:•特种设备产品注册•特种设备制造认证•特种设备安全检验•特种设备事故调查同时,特种设备代码还可以为特种设备的管理和监督提供依据,例如特种设备定期检验管理规定就规定了各种特种设备的检验周期和检验内容,根据特种设备代码可以准确识别设备,并进行相应的管理和监督。
特种设备编码规则特种设备编码规则1.电梯乘客电梯(含液压乘客电梯)3010客货电梯(含液压客货电梯)3011病床电梯(含液压病床电梯)3012载货电梯(含液压载货电梯)3013⾃动扶梯3020⾃动⼈⾏道3021其它电梯30302.起重机械桥式起重机4010门式起重机4020门座式起重机4030塔式起重机4040流动式起重机4050施⼯升降机和简易升降机4060轻⼩型起重设备4070其它起重机械40803.⼚内机动车辆轮式⾃⾏专⽤机械5010履带式⾃⾏专⽤机械5020蓄电池车5030客车类5040汽车类5050⽅向盘轮式拖拉机5060⼿扶拖拉机5070⼿把式三轮机动车5080其它机动车50904.游艺机和游乐设施转马类游艺机6010滑⾏类游艺机6020陀螺类游艺机6030飞⾏塔类游艺机6040赛车类游艺机6050⾃控飞机类游艺机6060观览车类游艺机6070⼩⽕车类游艺机6080架空游览车类游艺机6090 ⽔上游乐设施6100碰碰车类游艺机6110电池车类游艺机6120其它⽆动⼒类游乐设施6130 槽式滑道7010管轨式滑道70205.客运索道其它往复式9010单承载单牵引往复式9011单承载双牵引往复式9012双承载单牵引往复式9013双承载双牵引往复式9014单承载单牵引车组往复式9015其它循环式9020抱索器可脱挂单线循环式9021抱索器固定单线循环脉动式9022抱索器固定单线循环间歇式9023抱索器固定单线循环式(吊篮或吊椅式)9024客运缆车9030客运拖牵索道9040(⼆)地址码:使⽤地点固定的特种设备为使⽤地点所在地、市的⾏政区划代码;流动式且跨地区使⽤的特种设备为产权单位所在地、市的⾏政区划代码。
由六位阿拉伯数字组成,按照国家标准《中华⼈民共和国⾏政区划代码》(GB/T2260-1999)的规定进⾏编码并填写。
(三)⽇期码:由六位阿拉伯数字组成,为该特种设备进⾏注册登记的年份和⽉份数字,并按年、⽉的顺序填写。
特种设备作业人员作业种类与项目代码特种设备是指对于一般的设备而言,具有较高的技术要求和安全风险的设备。
特种设备的作业主要包括以下几种类型:1.压力容器作业:压力容器是一种常用的特种设备,包括锅炉、压力容器、压力管道等。
压力容器的作业范围包括焊接、检测、清洗、涂装等。
项目代码包括J、R、Y等。
2.起重设备作业:起重设备包括各种吊装设备,如桥式起重机、塔式起重机、液压起重机等。
起重设备的作业范围包括安装、维护、使用等。
项目代码包括K、T等。
3.压力管道作业:压力管道是一种传输液体或气体的设备,包括石油、化工、供水等管道。
压力管道的作业范围包括焊接、安装、维护等。
项目代码包括GB、GC等。
4.电梯作业:电梯是一种垂直或倾斜运送人员或物品的设备。
电梯的作业范围包括安装、维护、检测等。
项目代码包括Z。
5.吊篮作业:吊篮是一种悬挂在高空作业的工作平台,主要用于建筑施工等行业。
吊篮的作业范围包括安装、使用、检测等。
项目代码包括DG。
6.压力容器爆破器材作业:压力容器爆破器材主要用于紧急情况下对压力容器进行爆破。
作业范围包括安装、测试、操作等。
项目代码包括X。
以上是特种设备作业的一些常见种类和对应的项目代码,每种作业都有其特定的技术要求和安全规范。
特种设备作业人员需要经过专门的培训和考核,持有相应的证书方可从事相关作业。
作业人员必须具备一定的技术知识和操作经验,严格按照规定的程序和要求进行作业,确保作业安全和质量。
特种设备作业是一个重要的行业,对于保障工作环境安全和提高工作效率具有重要意义。
1.1 C601 特种设备种类代码特种设备种类代码说明:国家安全监察机构对特种设备分类的大类代码。
表示:C1编码方法:采用顺序码,用1位数字或大写字母表示。
表1 特种设备种类代码1.2 C602 特种设备分类代码特种设备分类代码说明:国家安全监察机构对特种设备的分类代码。
表示:C4编码方法:采用层次码。
代码共分4层,每层均用1位数字或大写字母表示。
第1层:特种设备种类代码,第2层:特种设备类别代码,第3层:特种设备品种代码,第4层:特种设备级别代码。
注:根据需要,可以只使用前1位、前2位或前3位代码。
表2 特种设备分类代码表1.3 C603 特种设备登记代码特种设备登记代码说明:国家对进行安全监察的特种设备的登记代码。
表示:C21编码方法:采用组合码。
代码由4部分组成,共21位数字字母混合码。
第1部分:特种设备分类代码(4位数字字母混合码)第2部分:注册单位代码,采用注册单位的组织机构代码(9位数字字母码)第3部分:注册年份(4位数字)第4部分:顺序号(4位数字,0001—9999)。
XXXX XXXXXXXXX XXXX XXXX顺序号(4位数字)注册年份(4位数字)注册单位代码(9位数字字母)特种设备分类代码(4位数字字母混合码)1.4 C604 特种设备代码特种设备代码说明:特种设备的终身代码。
与登记代码不同的是特种设备代码终身有效。
如果是国产设备,该代码在制造出厂时产生;如果是进口设备,该代码在首次安装时产生。
表示: C21编码方法:采用组合码。
代码由4部分组成,共21位数字、字母混合码。
第1部分:特种设备分类代码(4位数字字母混合码)第2部分:制造或安装单位代码(采用组织机构代码,9位数字字母码)国产设备采用设备制造单位的组织机构代码进口设备采用首次安装单位的组织机构代码第3部分:注册年份(4位数字,国产设备为制造年份,进口设备为安装年份)第4部分:顺序号(4位数字,0001—9999)XXXX XXXXXXXXX XXXX XXXX顺序号(4位数字)制造/安装年份(4位数字)制造/安装)单位代码(9位数字)特种设备分类代码(4位数字字母码)。
1.1 C601 特种设备种类代码
特种设备种类代码
说明:国家安全监察机构对特种设备分类的大类代码。
表示:C1
编码方法:采用顺序码,用1位数字或大写字母表示。
1.2 C602 特种设备分类代码
特种设备分类代码
说明:国家安全监察机构对特种设备的分类代码。
表示:C4
编码方法:
采用层次码。
代码共分4层,每层均用1位数字或大写字母表示。
第1层:特种设备种类代码,第2层:特种设备类别代码,第3层:特种设备品种代码,第4层:特种设备级别代码。
注:根据需要,可以只使用前1位、前2位或前3位代码。
1.3 C603 特种设备登记代码
特种设备登记代码
说明:国家对进行安全监察的特种设备的登记代码。
表示:C21
编码方法:
采用组合码。
代码由4部分组成,共21位数字字母混合码。
第1部分:特种设备分类代码(4位数字字母混合码)
第2部分:注册单位代码,采用注册单位的组织机构代码(9位数字字母码)第3部分:注册年份(4位数字)
第4部分:顺序号(4位数字,0001—9999)。
XXXX XXXXXXXXX XXXX XXXX
顺序号(4位数字)
注册年份(4位数字)
注册单位代码(9位数字字母)
特种设备分类代码(4位数字字母混合码)
1.4 C604 特种设备代码
特种设备代码
说明:特种设备的终身代码。
与登记代码不同的是特种设备代码终身有效。
如果是国产设备,该代码在制造出厂时产生;如果是进口设备,该代码在首次安装时产生。
表示:C21
编码方法:
采用组合码。
代码由4部分组成,共21位数字、字母混合码。
第1部分:特种设备分类代码(4位数字字母混合码)
第2部分:制造或安装单位代码(采用组织机构代码,9位数字字母码)
国产设备采用设备制造单位的组织机构代码
进口设备采用首次安装单位的组织机构代码
第3部分:注册年份(4位数字,国产设备为制造年份,进口设备为安装年份)
第4部分:顺序号(4位数字,0001—9999)
XXXX XXXXXXXXX XXXX XXXX
顺序号(4位数字)
制造/安装年份(4位数字)
制造/安装)单位代码(9位数字)
特种设备分类代码(4位数字字母码)。