特种设备作业人员作业种类与项目代码
- 格式:docx
- 大小:8.54 KB
- 文档页数:3
国家质检总局修订了《特种设备作业人员作业种类与项目》目录,现予公布,自2011年7月1日起施行。
特此公告。
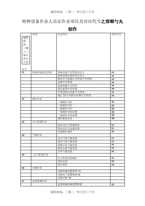
附件:特种设备作业人员作业种类与项目二〇一一年六月三十日附件:特种设备作业人员作业种类与项目序号种类作业项目项目代号01特种设备相关管理特种设备安全管理负责人A1特种设备质量管理负责人A2锅炉压力容器压力管道安全管理A3电梯安全管理A4起重机械安全管理A5客运索道安全管理A6大型游乐设施安全管理A7场(厂)内专用机动车辆安全管理A802锅炉作业一级锅炉司炉G1二级锅炉司炉G2三级锅炉司炉G3一级锅炉水质处理G4二级锅炉水质处理G5锅炉能效作业G603压力容器作业固定式压力容器操作R1移动式压力容器充装R2氧舱维护保养R304气瓶作业永久气体气瓶充装P1液化气体气瓶充装P2溶解乙炔气瓶充装P3液化石油气瓶充装P4车用气瓶充装P505压力管道作业压力管道巡检维护D1带压封堵D2带压密封D306电梯作业电梯机械安装维修T1电梯电气安装维修T2电梯司机T307起重机械作业起重机械机械安装维修Q1起重机械电气安装维修Q2起重机械指挥Q3桥门式起重机司机Q4塔式起重机司机Q5门座式起重机司机Q6缆索式起重机司机Q7流动式起重机司机Q8升降机司机Q9机械式停车设备司机Q1008客运索道作业客运索道安装S1客运索道维修S2客运索道司机S3客运索道编索S409大型游乐设施作业大型游乐设施安装Y1大型游乐设施维修Y2大型游乐设施操作Y3水上游乐设施操作与维修Y410场(厂)内专用机动车辆作业车辆维修N1叉车司机N2搬运车牵引车推顶车司机N3内燃观光车司机N4蓄电池观光车司机N511安全附件维修作业安全阀校验F1安全阀维修F212特种设备焊接作业金属焊接操作(注)非金属焊接操作注:1. 特种设备焊接作业(金属焊接操作和非金属焊接操作)人员代号按照《特种设备焊接操作人员考核细则》的规定执行。
2.表中A1、A2、A6、A7、G6、R3、D2、D3、S1、S2、S3、S4、Y1、F1、F2项目和金属焊接操作项目中的长输管道、非金属焊接操作项目的考试机构由总局指定,其它项目的考试机构由省局指定。
特种设备作业规程指导人员证作业规程指导项目及对应代号一、项目背景特种设备作业规程指导人员证是为了保障特种设备作业的安全和合规性,确保特种设备的正常运行和使用,提高特种设备作业人员的专业素质而设立的。
为了规范特种设备作业规程指导人员证的申请和管理流程,制定本作业规程指导项目及对应代号。
二、作业规程指导项目及对应代号1. 项目一:特种设备作业规程编制代号:TEC-001项目描述:根据特种设备的种类和用途,制定相应的作业规程,包括特种设备的安全操作规程、维护保养规程、故障排除规程等。
作业规程应包括详细的操作步骤、注意事项、安全预防措施等内容,确保特种设备的安全运行。
2. 项目二:特种设备作业规程培训代号:TEC-002项目描述:针对特种设备作业规程指导人员,开展相关培训,包括特种设备的相关法律法规、安全操作规程、事故案例分析等内容的培训。
培训应注重理论和实践相结合,通过摹拟操作和实际案例演练提高作业规程指导人员的应对能力和处理突发事件的能力。
3. 项目三:特种设备作业规程指导人员证申请代号:TEC-003项目描述:特种设备作业规程指导人员通过相关培训和考试合格后,可以申请特种设备作业规程指导人员证。
申请流程包括填写申请表格、提供相关证明材料、参加面试等。
申请人需具备相关的技术和管理能力,并通过面试评估其专业水平和综合素质。
4. 项目四:特种设备作业规程指导人员证管理代号:TEC-004项目描述:特种设备作业规程指导人员证的管理包括证书的发放、续期、注销等。
管理部门应建立健全证书管理系统,确保证书的真实性和有效性。
同时,对持证人员进行定期的复审和考核,以确保其持续符合特种设备作业规程指导人员的要求。
三、作业规程指导项目的意义和影响1. 提高特种设备作业的安全性:通过制定详细的作业规程,规范特种设备的操作流程和安全要求,减少事故的发生,保障人员的生命财产安全。
2. 提升特种设备作业规程指导人员的专业素质:通过培训和考试,提高特种设备作业规程指导人员的技术和管理能力,增强其应对突发事件的能力,提高特种设备作业的效率和质量。
特种设备作业人员作业种类与项目注:1. 特种设备焊接作业(金属焊接操作和非金属焊接操作)人员代号按照《特种设备焊接操作人员考核细则》的规定执行。
2. 表中A1、A2、A6、A7、G6、R3、D2、D3、S1、S2、S3、S4、Y1、F1、F2项目和金属焊接操作项目中的长输管道、非金属焊接操作项目的考试机构由总局指定,其它项目的考试机构由省局指定。
特种作业及特种作业人员包括哪些?特种作业及人员范围包括:(1)电工作业。
含发电、送电、变电、配电工,电气设备的安装、运行、检修(维修)、试验工,矿山井下电钳工.(2)金属焊接、切割作业。
含焊接工,切割工。
(3)起重机械(含电梯)作业。
含起重机械(含电梯)司机,司索工,信号指挥工,安装与维修工。
(4)企业内机动车辆驾驶。
含在企业内码头、货场等生产作业区域和施工现场行驶的各类机动车辆的驾驶人员。
(5)登高架设作业。
含2米以上登高架设、拆除、维修工,高层建(构)物表面清洗工。
(6)锅炉作业(含水质化验).含承压锅炉的操作工、锅炉水质化验工.(7)压力容器作业。
含压力容器罐装工、检验工、运输押运工、大型空气压缩机操作工。
(8)制冷作业.含制冷设备安装工、操作工、维修工。
(9)爆破作业.含地面工程爆破、井下爆破工。
(10)矿山通风作业。
含主扇风机操作工,瓦斯抽放工,通风安全监测工,测风测尘工.(11)矿山排水作业。
含矿井主排水泵工,尾矿坝作业工.(12)矿山安全检查作业。
含安全检查工,瓦斯检验工,电器设备防爆检查工。
(13)矿山提升运输作业。
含提升机操作工,(上、下山)绞车操作工,固定胶带输送机操作工,信号工,拥罐(把钩)工.(14)采掘(剥)作业。
含采煤机司机,掘进机司机,耙岩机司机,凿岩机司机.(15)矿山救护作业。
(16)危险物品作业。
含危险化学口、民用爆炸品、放射性物品的操作工,运输押运工、储存保管员。
(17)经国家安全生产监督管理局批准的其它作业。
国家质检总局修订了《特种设备作业人员作业种类与项目》目录,现予公布,自2011年7月1日起施行。
特此公告。
附件:特种设备作业人员作业种类与项目二〇一一年六月三十日附件:特种设备作业人员作业种类与项目序号种类作业项目项目代号01特种设备相关管理特种设备安全管理负责人A1特种设备质量管理负责人A2锅炉压力容器压力管道安全管理A3电梯安全管理A4起重机械安全管理A5客运索道安全管理A6大型游乐设施安全管理A7场(厂)内专用机动车辆安全管理A802锅炉作业一级锅炉司炉G1二级锅炉司炉G2三级锅炉司炉G3一级锅炉水质处理G4二级锅炉水质处理G5锅炉能效作业G603压力容器作业固定式压力容器操作R1移动式压力容器充装R2氧舱维护保养R304气瓶作业永久气体气瓶充装P1液化气体气瓶充装P2溶解乙炔气瓶充装P3液化石油气瓶充装P4车用气瓶充装P505压力管道作业压力管道巡检维护D1带压封堵D2带压密封D306电梯作业电梯机械安装维修T1电梯电气安装维修T2电梯司机T307起重机械作业起重机械机械安装维修Q1起重机械电气安装维修Q2起重机械指挥Q3桥门式起重机司机Q4塔式起重机司机Q5门座式起重机司机Q6缆索式起重机司机Q7流动式起重机司机Q8升降机司机Q9机械式停车设备司机Q1008客运索道作业客运索道安装S1客运索道维修S2客运索道司机S3客运索道编索S409大型游乐设施作业大型游乐设施安装Y1大型游乐设施维修Y2大型游乐设施操作Y3水上游乐设施操作与维修Y410场(厂)内专用机动车辆作业车辆维修N1叉车司机N2搬运车牵引车推顶车司机N3内燃观光车司机N4蓄电池观光车司机N511安全附件维修作业安全阀校验F1安全阀维修F212特种设备焊接作业金属焊接操作(注)非金属焊接操作注:1. 特种设备焊接作业(金属焊接操作和非金属焊接操作)人员代号按照《特种设备焊接操作人员考核细则》的规定执行。
2.表中A1、A2、A6、A7、G6、R3、D2、D3、S1、S2、S3、S4、Y1、F1、F2项目和金属焊接操作项目中的长输管道、非金属焊接操作项目的考试机构由总局指定,其它项目的考试机构由省局指定。
特种设备作业人员特种作业人员的项目与种类 HEN system office room 【HEN16H-HENS2AHENS8Q8-HENH1688】?? 注:1. 特种设备焊接作业(金属焊接操作和非金属焊接操作)人员代号按照《特种设备焊接操作人员考核细则》的规定执行。
????? 2. 表中A1、A2、A6、A7、G6、R3、D2、D3、S1、S2、S3、S4、Y1、F1、F2项目和金属焊接操作项目中的长输管道、非金属焊接操作项目的考试机构由总局指定,其它项目的考试机构由省局指定。
特种作业及特种作业人员包括哪些?特种作业及人员范围包括:(1)电工作业。
含发电、送电、变电、配电工,电气设备的安装、运行、检修(维修)、试验工,矿山井下电钳工。
(2)金属焊接、切割作业。
含焊接工,切割工。
(3)起重机械(含电梯)作业。
含起重机械(含电梯)司机,司索工,信号指挥工,安装与维修工。
(4)企业内机动车辆驾驶。
含在企业内码头、货场等生产作业区域和施工现场行驶的各类机动车辆的驾驶人员。
(5)登高架设作业。
含2米以上登高架设、拆除、维修工,高层建(构)物表面清洗工。
(6)锅炉作业(含水质化验)。
含承压锅炉的操作工、锅炉水质化验工。
(7)压力容器作业。
含压力容器罐装工、检验工、运输押运工、大型空气压缩机操作工。
(8)制冷作业。
含制冷设备安装工、操作工、维修工。
(9)爆破作业。
含地面工程爆破、井下爆破工。
(10)矿山通风作业。
含主扇风机操作工,瓦斯抽放工,通风安全监测工,测风测尘工。
(11)矿山排水作业。
含矿井主排水泵工,尾矿坝作业工。
(12)矿山安全检查作业。
含安全检查工,瓦斯检验工,电器设备防爆检查工。
(13)矿山提升运输作业。
含提升机操作工,(上、下山)绞车操作工,固定胶带输送机操作工,信号工,拥罐(把钩)工。
(14)采掘(剥)作业。
含采煤机司机,掘进机司机,耙岩机司机,凿岩机司机。
(15)矿山救护作业。
(16)危险物品作业。
特种设备作业人员资格认定分类与项目序号种类作业项目项目
代号
1 特种设备安全管理特种设备安全管理 A工业锅炉司炉 G1
2 锅炉作业电站锅炉司炉 G2锅炉水处理 G3
快开门式压力容器操作 R1
3 压力容器作业移动式压力容器充装 R2氧舱维护保养 R3
4 气瓶作业气瓶充装 P
5 电梯作业电梯修理 T起重机指挥 Q1
6 起重机作业起重机司机 Q2客运索道修理 S1
7 客运索道作业客运索道司机S2
8 大型游乐设施作业大型游乐设施修理
大型游乐设施操作 Y1 Y2
场(厂)内专用机动叉车司机N1
9 车辆作业观光车和观光列车司机 N2安全阀校验
安全附件维修作业
10 11 特种设备焊接作业金属焊接操作注 F
非金属焊接操作
注:按照特种设备焊接作业人员相关安全技术规范的规定执行。