特种设备分类及代码(精品范文).doc
- 格式:doc
- 大小:342.50 KB
- 文档页数:23
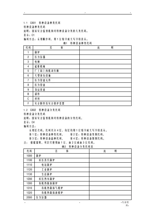
特种设备分类及代码集团标准化工作小组 #Q8QGGQT-GX8G08Q8-GNQGJ8-MHHGN#1.1 C601 特种设备种类代码特种设备种类代码说明:国家安全监察机构对特种设备分类的大类代码。
表示:C1编码方法:采用顺序码,用1位数字或大写字母表示。
表1 特种设备种类代码1.2 C602 特种设备分类代码特种设备分类代码说明:国家安全监察机构对特种设备的分类代码。
表示:C4编码方法:采用层次码。
代码共分4层,每层均用1位数字或大写字母表示。
第1层:特种设备种类代码,第2层:特种设备类别代码,第3层:特种设备品种代码,第4层:特种设备级别代码。
注:根据需要,可以只使用前1位、前2位或前3位代码。
1.3 C603 特种设备登记代码特种设备登记代码说明:国家对进行安全监察的特种设备的登记代码。
表示:C21编码方法:采用组合码。
代码由4部分组成,共21位数字字母混合码。
第1部分:特种设备分类代码(4位数字字母混合码)第2部分:注册单位代码,采用注册单位的组织机构代码(9位数字字母码)第3部分:注册年份(4位数字)第4部分:顺序号(4位数字,0001—9999)。
XXXX XXXXXXXXX XXXX XXXX顺序号(4位数字)注册年份(4位数字)注册单位代码(9位数字字母)特种设备分类代码(4位数字字母混合码)1.4 C604 特种设备代码特种设备代码说明:特种设备的终身代码。
与登记代码不同的是特种设备代码终身有效。
如果是国产设备,该代码在制造出厂时产生;如果是进口设备,该代码在首次安装时产生。
表示: C21编码方法:采用组合码。
代码由4部分组成,共21位数字、字母混合码。
第1部分:特种设备分类代码(4位数字字母混合码)第2部分:制造或安装单位代码(采用组织机构代码,9位数字字母码)国产设备采用设备制造单位的组织机构代码进口设备采用首次安装单位的组织机构代码第3部分:注册年份(4位数字,国产设备为制造年份,进口设备为安装年份)第4部分:顺序号(4位数字,0001—9999)XXXX XXXXXXXXX XXXX XXXX顺序号(4位数字)制造/安装年份(4位数字)制造/安装)单位代码(9位数字)特种设备分类代码(4位数字字母码)。
1.1 C601 特种设备种类代码特种设备种类代码说明:国家安全监察机构对特种设备分类的大类代码。
表示:C1编码方法:采用顺序码,用1位数字或大写字母表示。
1.2 C602 特种设备分类代码特种设备分类代码说明:国家安全监察机构对特种设备的分类代码。
表示:C4编码方法:采用层次码。
代码共分4层,每层均用1位数字或大写字母表示。
第1层:特种设备种类代码,第2层:特种设备类别代码,第3层:特种设备品种代码,第4层:特种设备级别代码。
注:根据需要,可以只使用前1位、前2位或前3位代码。
1.3 C603 特种设备登记代码特种设备登记代码说明:国家对进行安全监察的特种设备的登记代码。
表示:C21编码方法:采用组合码。
代码由4部分组成,共21位数字字母混合码。
第1部分:特种设备分类代码(4位数字字母混合码)第2部分:注册单位代码,采用注册单位的组织机构代码(9位数字字母码)第3部分:注册年份(4位数字)第4部分:顺序号(4位数字,0001—9999)。
XXXX XXXXXXXXX XXXX XXXX顺序号(4位数字)注册年份(4位数字)注册单位代码(9位数字字母)特种设备分类代码(4位数字字母混合码)1.4 C604 特种设备代码特种设备代码说明:特种设备的终身代码。
与登记代码不同的是特种设备代码终身有效。
如果是国产设备,该代码在制造出厂时产生;如果是进口设备,该代码在首次安装时产生。
表示:C21编码方法:采用组合码。
代码由4部分组成,共21位数字、字母混合码。
第1部分:特种设备分类代码(4位数字字母混合码)第2部分:制造或安装单位代码(采用组织机构代码,9位数字字母码)国产设备采用设备制造单位的组织机构代码进口设备采用首次安装单位的组织机构代码第3部分:注册年份(4位数字,国产设备为制造年份,进口设备为安装年份)第4部分:顺序号(4位数字,0001—9999)XXXX XXXXXXXXX XXXX XXXX顺序号(4位数字)制造/安装年份(4位数字)制造/安装)单位代码(9位数字)特种设备分类代码(4位数字字母码)。
特种设备代码-全说明:人员技术职称的级别代码。
表示:C1编码方法:采用顺序码,用1位数字表示。
表1 技术职称级别代码表代码名称说明1高级指高级工程师,正、副教授,正、副研究员,高级统计师,高级会计师,高级经济师,以及相当于这一级的具有其他技术职称的人员。
2中级指工程师,讲师,助理研究员,技师,统计师,会计师,经济师,以及相当于这一级的具有其他技术职称的人员。
3初级指助理工程师,助理统计师,助理会计师,助理经济师,以及相当于这一级的具有其他技术职称的人员。
9未评定新分配工作和其他原因未评定技术职称的人员。
1.1 C601 特种设备种类代码特种设备种类代码说明:国家安全监察机构对特种设备分类的大类代码。
表示:C1编码方法:采用顺序码,用1位数字或大写字母表示。
表2 特种设备种类代码代码名称说明1锅炉2压力容器3电梯4起重机械5厂(场)内机动车辆6大型游乐设施7压力管道元件8压力管道9客运索道B部件C材料F安全附件及安全保护装置1.2 C602 特种设备分类代码特种设备分类代码说明:国家安全监察机构对特种设备的分类代码。
表示:C4编码方法:采用层次码。
代码共分4层,每层均用1位数字或大写字母表示。
第1层:特种设备种类代码,第2层:特种设备类别代码,第3层:特种设备品种代码,第4层:特种设备级别代码。
注: 根据需要,可以只使用前1位、前2位或前3位代码。
表3 特种设备分类代码表代码名称说明1000锅炉1100 承压蒸汽锅炉1110 电站锅炉1120 工业锅炉1130 生活锅炉1200 承压热水锅炉1300 有机热载体锅炉1310 有机热载体气相炉1320 有机热载体液相炉2000压力容器2100 固定式压力容器2110 超高压容器2120 高压容器2130 第三类中压容器2140 第三类低压容器2150 第二类中压容器2160 第二类低压容器2170 第一类压力容器2200 移动式压力容器2210 铁路罐车2220 汽车罐车2230 长管拖车2240 罐式集装箱2300 气瓶2310 无缝气瓶2320 焊接气瓶2330 液化石油气钢瓶2340 溶解乙炔气瓶2350 车用气瓶2360 低温绝热气瓶2370 缠绕气瓶2380 非重复充装气瓶23T0 特种气瓶2400 氧舱2410 医用氧舱2420 高气压舱2430 再压舱2440 高海拔试验舱2450 潜水钟3000电梯3100 乘客电梯3110 曳引式客梯3120 强制式客梯3130 无机房客梯3140 消防电梯3150 观光电装箱门式起重机4240 万能杠件拼装式龙门起重机4250 岸边集装箱起重机4260 造船门式起重机4270 电动葫芦门式起重机4280 装卸桥4300 塔式起重机4310 普通塔式起重机4320 电站塔式起重机4330 塔式皮带布料机4400 流动式起重机4410 轮胎起重机4420 履带起重机4430 全路面起重机4440 集装箱正面吊运起重机4450 集装箱侧面吊运起重机4460 集装箱跨运车4470 轮胎式集装箱门式起重机4480 汽车起重机4490 随车起重机4600 铁路起重机4610 蒸汽铁路起重机4620 内燃铁路起重机4630 电力铁路起重机4700 门座起重机4710 港口门座起重机4720 船厂门座起重机4730 带斗门座式起重机4740 电站门座起重机4750 港口台架起重机4760 固定式起重机4770 液压折臂起重机4800 升降机4810 曲线施工升降机4820 锅炉炉膛检修平台4830 钢索式液压提升装置4840 电站提滑模装置4850 升船机4860 施工升降机4870 简易升降机4880 升降作业平台4890 高空作业车4900 缆索起重机4910 固定式缆索起重机4920 摇摆式缆索起重机4930 平移式缆索起重机4940 辐射式缆索起重机4A00 桅杆起重机4A10 固定式桅杆起重机4A20 移动式桅杆起重机4B00 旋臂式起重机4B10 柱式旋臂式起重机4B20 壁式旋臂式起重机4B30 平衡悬臂式起重机4C00 轻小型起重设备4C10 输变电施工用抱杆4C20 电站牵张设备4C30 内燃平衡重式叉车4C40 蓄电池平衡重式叉车4C50 内燃侧面叉车4C60 插腿式叉车4C70 前移式叉车4C80 三向堆垛叉车4C90 托盘堆垛车4CA0 防爆叉车4CB0 钢丝绳电动葫芦4CC0 防爆丝绳电动葫芦4CD0 环链电动葫芦4CE0 气动葫芦4CF0 防爆气动葫架空游览车类6310 电力单轨列车系列6320 电力双轨列车系列6330 组合式架空游览车系统6340 脚踏车系列6400 陀螺类6410 陀螺系列6420 组合式陀螺系列6500 飞行塔类6510 旋转飞椅系列6520 青蛙跳系列6530 探空飞梭系列6540 观览塔系列6550 组合式飞行塔系列6600 转马类6610 转马系列6620 荷花杯系列6630 滚摆舱系列6640 爱情快车系列6650 组合式转马系列6700 自控飞机类6710 自控飞机系列6720 章鱼系列6730 组合式自控飞机系列6800 赛车类6810 场地赛车系列6820 越野赛车系列6830 组合式赛车系列6900 小火车类6910 内燃机驱动小火车6920 电力驱动小火车6A00 碰碰车类6A10 碰碰车系列6B00 电池车类6B10 电池车系列6C00 观光车类6C10 内燃观光车系列6C20 蓄池观光车系列6D00 水上游乐设施6D10 峡谷漂流系列6D20 水滑梯系列6D30 造浪机系列6D40 碰碰船系列6D50 水上自行车系列6D60 组合式水上游乐设施6E00 无动力游乐设施6E10 高空蹦极系列6E20 弹射蹦极系列6E30 小蹦极系列6E40 滑索系列6E50 空中飞人系列6E60 系留式观光气球系列6E70 组合式无动力游乐设施7000压力管道元件7100 压力管道管子7110 无缝钢管7120 焊接钢管7130 有色金属管7140 铸铁管71F0 非金属材料管7200 压力管道管件7210 无缝管件7220 有缝管件7230 锻制管件7240 铸造管件7250 汇管7260 过滤器72F0 非金属材料管件7300 阀门7310 安全阀7320 调压阀7330 调节阀7340 闸阀7350 球阀7360 蝶阀7370 截止阀7380 止回阀7390 疏水阀73A0 隔膜阀73F0 非环式客运缆车9300 客运拖牵索道9310 低位客运拖牵索道9320 高位客运拖牵索道B000部件B100 锅炉部件B110锅筒B120 集箱B130 锅炉过热器B140 锅炉再热器B150 锅炉省煤器B160 锅炉膜式水冷壁B200 压力容器部件B210 封头B300 电梯部件B310 绳头组合B320 电梯导轨B330 电梯耐火层门B340 电梯玻璃门B350 电梯玻璃轿壁B360 电梯液压泵站B370 杂物电梯驱动主机B380 自动扶梯梯级B390 自动人行道踏板B3A0 梯级踏板链B3B0 自动扶梯自动人行道驱动主机B3C0 自动扶梯自动人行道滚轮B3D0 自动扶梯自动人行道扶手带B3E0 自动扶梯自动人行道控制屏B600 游乐设施部件B610 蹦极绳B900 客运索道部件B910 客运索道驱动迂回装置B920 客运索道抱索器B930 客运索道运载工具B940 客运索道托压索轮组C000材料C100 锅炉材料C110 锅炉用钢板C120 锅炉用钢管C130 特种设备用焊接材料C200 压力容器材料C210 压力容器用钢板C230 气瓶用钢板C240 气瓶用钢管C800 压力管道材料C810 压力管道用钢板F000安全附件及安全保护装置F100 锅炉安全附件及安全保护装置F110 水位表F120水位控制报警装置F130 压力控制报警装置F140 温度控制报警装置F150 燃烧连锁保护装置F200 压力容器安全附件及安全保护装置F210 液位计F220 爆破片F230 紧急切断阀F240 过流保护装置F250 快开门连锁保护装置F260 气瓶瓶阀F270 气瓶减压阀F280 液位限制阀F2A0 氧舱测氧仪F300 电梯安全附件及安全保护装置F310 限速器F320 安全钳F330 缓冲器F340 电梯门速保护装置F360 含有电子元件的电梯安全电路F370 电梯限速切断阀F380 电梯控制柜F390 曳引机F400 起重机械安全附件及安全保护装置F410 起重机械起重量限制器F420 起重机械起重力矩限制器F430 起重机械起升高度限制器F440 起重机械防坠安全器F450 起重机械制动器F600 游乐设施安全附件及安全保护装置F610 游乐设施安全压杆F700 压力管道元件安全附件及安全保护装置F710 超压限制装置F720 测压调压装置F730 检漏装置F740 阴极保护装置1.3 C603 特种设备登记代码特种设备登记代码说明:国家对进行安全监察的特种设备的登记代码。
特种设备代码-全说明:人员技术职称的级别代码。
表示:C1编码方法:采用顺序码,用1位数字表示。
表1 技术职称级别代码表代码名称说明1高级指高级工程师,正、副教授,正、副研究员,高级统计师,高级会计师,高级经济师,以及相当于这一级的具有其他技术职称的人员。
2中级指工程师,讲师,助理研究员,技师,统计师,会计师,经济师,以及相当于这一级的具有其他技术职称的人员。
3初级指助理工程师,助理统计师,助理会计师,助理经济师,以及相当于这一级的具有其他技术职称的人员。
9未评定新分配工作和其他原因未评定技术职称的人员。
1.1 C601 特种设备种类代码特种设备种类代码说明:国家安全监察机构对特种设备分类的大类代码。
表示:C1编码方法:采用顺序码,用1位数字或大写字母表示。
表2 特种设备种类代码代码名称说明1锅炉2压力容器3电梯4起重机械5厂(场)内机动车辆6大型游乐设施7压力管道元件8压力管道9客运索道B部件C材料F安全附件及安全保护装置1.2 C602 特种设备分类代码特种设备分类代码说明:国家安全监察机构对特种设备的分类代码。
表示:C4编码方法:采用层次码。
代码共分4层,每层均用1位数字或大写字母表示。
第1层:特种设备种类代码,第2层:特种设备类别代码,第3层:特种设备品种代码,第4层:特种设备级别代码。
注: 根据需要,可以只使用前1位、前2位或前3位代码。
表3 特种设备分类代码表代码名称说明1000锅炉1100 承压蒸汽锅炉1110 电站锅炉1120 工业锅炉1130 生活锅炉1200 承压热水锅炉1300 有机热载体锅炉1310 有机热载体气相炉1320 有机热载体液相炉2000压力容器2100 固定式压力容器2110 超高压容器2120 高压容器2130 第三类中压容器2140 第三类低压容器2150 第二类中压容器2160 第二类低压容器2170 第一类压力容器2200 移动式压力容器2210 铁路罐车2220 汽车罐车2230 长管拖车2240 罐式集装箱2300 气瓶2310 无缝气瓶2320 焊接气瓶2330 液化石油气钢瓶2340 溶解乙炔气瓶2350 车用气瓶2360 低温绝热气瓶2370 缠绕气瓶2380 非重复充装气瓶23T0 特种气瓶2400 氧舱2410 医用氧舱2420 高气压舱2430 再压舱2440 高海拔试验舱2450 潜水钟3000电梯3100 乘客电梯3110 曳引式客梯3120 强制式客梯3130 无机房客梯3140 消防电梯3150 观光电装箱门式起重机4240 万能杠件拼装式龙门起重机4250 岸边集装箱起重机4260 造船门式起重机4270 电动葫芦门式起重机4280 装卸桥4300 塔式起重机4310 普通塔式起重机4320 电站塔式起重机4330 塔式皮带布料机4400 流动式起重机4410 轮胎起重机4420 履带起重机4430 全路面起重机4440 集装箱正面吊运起重机4450 集装箱侧面吊运起重机4460 集装箱跨运车4470 轮胎式集装箱门式起重机4480 汽车起重机4490 随车起重机4600 铁路起重机4610 蒸汽铁路起重机4620 内燃铁路起重机4630 电力铁路起重机4700 门座起重机4710 港口门座起重机4720 船厂门座起重机4730 带斗门座式起重机4740 电站门座起重机4750 港口台架起重机4760 固定式起重机4770 液压折臂起重机4800 升降机4810 曲线施工升降机4820 锅炉炉膛检修平台4830 钢索式液压提升装置4840 电站提滑模装置4850 升船机4860 施工升降机4870 简易升降机4880 升降作业平台4890 高空作业车4900 缆索起重机4910 固定式缆索起重机4920 摇摆式缆索起重机4930 平移式缆索起重机4940 辐射式缆索起重机4A00 桅杆起重机4A10 固定式桅杆起重机4A20 移动式桅杆起重机4B00 旋臂式起重机4B10 柱式旋臂式起重机4B20 壁式旋臂式起重机4B30 平衡悬臂式起重机4C00 轻小型起重设备4C10 输变电施工用抱杆4C20 电站牵张设备4C30 内燃平衡重式叉车4C40 蓄电池平衡重式叉车4C50 内燃侧面叉车4C60 插腿式叉车4C70 前移式叉车4C80 三向堆垛叉车4C90 托盘堆垛车4CA0 防爆叉车4CB0 钢丝绳电动葫芦4CC0 防爆丝绳电动葫芦4CD0 环链电动葫芦4CE0 气动葫芦4CF0 防爆气动葫架空游览车类6310 电力单轨列车系列6320 电力双轨列车系列6330 组合式架空游览车系统6340 脚踏车系列6400 陀螺类6410 陀螺系列6420 组合式陀螺系列6500 飞行塔类6510 旋转飞椅系列6520 青蛙跳系列6530 探空飞梭系列6540 观览塔系列6550 组合式飞行塔系列6600 转马类6610 转马系列6620 荷花杯系列6630 滚摆舱系列6640 爱情快车系列6650 组合式转马系列6700 自控飞机类6710 自控飞机系列6720 章鱼系列6730 组合式自控飞机系列6800 赛车类6810 场地赛车系列6820 越野赛车系列6830 组合式赛车系列6900 小火车类6910 内燃机驱动小火车6920 电力驱动小火车6A00 碰碰车类6A10 碰碰车系列6B00 电池车类6B10 电池车系列6C00 观光车类6C10 内燃观光车系列6C20 蓄池观光车系列6D00 水上游乐设施6D10 峡谷漂流系列6D20 水滑梯系列6D30 造浪机系列6D40 碰碰船系列6D50 水上自行车系列6D60 组合式水上游乐设施6E00 无动力游乐设施6E10 高空蹦极系列6E20 弹射蹦极系列6E30 小蹦极系列6E40 滑索系列6E50 空中飞人系列6E60 系留式观光气球系列6E70 组合式无动力游乐设施7000压力管道元件7100 压力管道管子7110 无缝钢管7120 焊接钢管7130 有色金属管7140 铸铁管71F0 非金属材料管7200 压力管道管件7210 无缝管件7220 有缝管件7230 锻制管件7240 铸造管件7250 汇管7260 过滤器72F0 非金属材料管件7300 阀门7310 安全阀7320 调压阀7330 调节阀7340 闸阀7350 球阀7360 蝶阀7370 截止阀7380 止回阀7390 疏水阀73A0 隔膜阀73F0 非环式客运缆车9300 客运拖牵索道9310 低位客运拖牵索道9320 高位客运拖牵索道B000部件B100 锅炉部件B110锅筒B120 集箱B130 锅炉过热器B140 锅炉再热器B150 锅炉省煤器B160 锅炉膜式水冷壁B200 压力容器部件B210 封头B300 电梯部件B310 绳头组合B320 电梯导轨B330 电梯耐火层门B340 电梯玻璃门B350 电梯玻璃轿壁B360 电梯液压泵站B370 杂物电梯驱动主机B380 自动扶梯梯级B390 自动人行道踏板B3A0 梯级踏板链B3B0 自动扶梯自动人行道驱动主机B3C0 自动扶梯自动人行道滚轮B3D0 自动扶梯自动人行道扶手带B3E0 自动扶梯自动人行道控制屏B600 游乐设施部件B610 蹦极绳B900 客运索道部件B910 客运索道驱动迂回装置B920 客运索道抱索器B930 客运索道运载工具B940 客运索道托压索轮组C000材料C100 锅炉材料C110 锅炉用钢板C120 锅炉用钢管C130 特种设备用焊接材料C200 压力容器材料C210 压力容器用钢板C230 气瓶用钢板C240 气瓶用钢管C800 压力管道材料C810 压力管道用钢板F000安全附件及安全保护装置F100 锅炉安全附件及安全保护装置F110 水位表F120水位控制报警装置F130 压力控制报警装置F140 温度控制报警装置F150 燃烧连锁保护装置F200 压力容器安全附件及安全保护装置F210 液位计F220 爆破片F230 紧急切断阀F240 过流保护装置F250 快开门连锁保护装置F260 气瓶瓶阀F270 气瓶减压阀F280 液位限制阀F2A0 氧舱测氧仪F300 电梯安全附件及安全保护装置F310 限速器F320 安全钳F330 缓冲器F340 电梯门速保护装置F360 含有电子元件的电梯安全电路F370 电梯限速切断阀F380 电梯控制柜F390 曳引机F400 起重机械安全附件及安全保护装置F410 起重机械起重量限制器F420 起重机械起重力矩限制器F430 起重机械起升高度限制器F440 起重机械防坠安全器F450 起重机械制动器F600 游乐设施安全附件及安全保护装置F610 游乐设施安全压杆F700 压力管道元件安全附件及安全保护装置F710 超压限制装置F720 测压调压装置F730 检漏装置F740 阴极保护装置1.3 C603 特种设备登记代码特种设备登记代码说明:国家对进行安全监察的特种设备的登记代码。
特种设备分类及代码(总12页)-CAL-FENGHAI.-(YICAI)-Company One1-CAL-本页仅作为文档封面,使用请直接删除C601 特种设备种类代码特种设备种类代码说明:国家安全监察机构对特种设备分类的大类代码。
表示:C1编码方法:采用顺序码,用1位数字或大写字母表示。
C602 特种设备分类代码特种设备分类代码说明:国家安全监察机构对特种设备的分类代码。
表示:C4编码方法:采用层次码。
代码共分4层,每层均用1位数字或大写字母表示。
第1层:特种设备种类代码,第2层:特种设备类别代码,第3层:特种设备品种代码,第4层:特种设备级别代码。
注:根据需要,可以只使用前1位、前2位或前3位代码。
表2 特种设备分类代码表2345678910C603 特种设备登记代码特种设备登记代码说明:国家对进行安全监察的特种设备的登记代码。
表示:C21编码方法:采用组合码。
代码由4部分组成,共21位数字字母混合码。
第1部分:特种设备分类代码(4位数字字母混合码)第2部分:注册单位代码,采用注册单位的组织机构代码(9位数字字母码)第3部分:注册年份(4位数字)第4部分:顺序号(4位数字,0001—9999)。
XXXX XXXXXXXXX XXXX XXXX顺序号(4位数字)注册年份(4位数字)注册单位代码(9位数字字母)特种设备分类代码(4位数字字母混合码)C604 特种设备代码特种设备代码说明:特种设备的终身代码。
与登记代码不同的是特种设备代码终身有效。
如果是国产设备,该代码在制造出厂时产生;如果是进口设备,该代码在首次安装时产生。
表示: C21编码方法:采用组合码。
代码由4部分组成,共21位数字、字母混合码。
第1部分:特种设备分类代码(4位数字字母混合码)第2部分:制造或安装单位代码(采用组织机构代码,9位数字字母码)国产设备采用设备制造单位的组织机构代码进口设备采用首次安装单位的组织机构代码第3部分:注册年份(4位数字,国产设备为制造年份,进口设备为安装年份)第4部分:顺序号(4位数字,0001—9999)XXXX XXXXXXXXX XXXX XXXX顺序号(4位数字)制造/安装年份(4位数字)制造/安装)单位代码(9位数字)特种设备分类代码(4位数字字母码)。
特种设备分类及代码.
特种设备是指在特定条件下使用的设备,通常需要经过严格的监管和管理。
特种设备根据其用途和特点可以进行分类,常见的特种设备包括压力容器、起重机械、电梯、压力管道等。
这些特种设备在使用过程中需要符合相应的安全标准和规定,以确保人员和设备的安全。
根据《特种设备安全法》和《特种设备安全监察条例》,特种设备通常被划分为压力容器、压力管道、起重机械、电梯、客运索道、大型游乐设施等几大类。
每个类别下又包含多个子类别,例如压力容器包括锅炉、压力容器、压力管道包括管道、阀门等。
针对不同的特种设备,国家和地方政府颁布了相应的管理规定和标准,对特种设备的设计、制造、安装、改造、维修、维护和检验等环节都有详细的要求。
此外,特种设备还需要定期进行安全评估和检测,确保设备的安全可靠性。
特种设备的代码通常由国家标准化机构或相关行业协会制定,用于标识和管理特种设备。
这些代码通常包括设备的型号、规格、材质、安全等级等信息,以便于监管部门和用户对设备进行准确的
识别和管理。
总的来说,特种设备根据其用途和特点被划分为不同的类别和子类别,每种特种设备都有相应的管理规定和代码标识,以确保其安全可靠地运行。
在使用特种设备时,用户应严格遵守相关规定,确保设备的安全运行,保障人员和设备的安全。
特种设备分类及代码文稿归稿存档编号:[KKUY-KKIO69-OTM243-OLUI129-G00I-FDQS58-C601 特种设备种类代码特种设备种类代码说明:国家安全监察机构对特种设备分类的大类代码。
表示:C1编码方法:采用顺序码,用1位数字或大写字母表示。
表1 特种设备种类代码C602 特种设备分类代码特种设备分类代码说明:国家安全监察机构对特种设备的分类代码。
表示:C4编码方法:采用层次码。
代码共分4层,每层均用1位数字或大写字母表示。
第1层:特种设备种类代码,第2层:特种设备类别代码,第3层:特种设备品种代码,第4层:特种设备级别代码。
注:根据需要,可以只使用前1位、前2位或前3位代码。
表2 特种设备分类代码表C603 特种设备登记代码特种设备登记代码说明:国家对进行安全监察的特种设备的登记代码。
表示:C21编码方法:采用组合码。
代码由4部分组成,共21位数字字母混合码。
第1部分:特种设备分类代码(4位数字字母混合码)第2部分:注册单位代码,采用注册单位的组织机构代码(9位数字字母码)第3部分:注册年份(4位数字)第4部分:顺序号(4位数字,0001—9999)。
XXXX XXXXXXXXX XXXX XXXX顺序号(4位数字)注册年份(4位数字)注册单位代码(9位数字字母)特种设备分类代码(4位数字字母混合码)C604 特种设备代码特种设备代码说明:特种设备的终身代码。
与登记代码不同的是特种设备代码终身有效。
如果是国产设备,该代码在制造出厂时产生;如果是进口设备,该代码在首次安装时产生。
表示: C21编码方法:采用组合码。
代码由4部分组成,共21位数字、字母混合码。
第1部分:特种设备分类代码(4位数字字母混合码)第2部分:制造或安装单位代码(采用组织机构代码,9位数字字母码)国产设备采用设备制造单位的组织机构代码进口设备采用首次安装单位的组织机构代码第3部分:注册年份(4位数字,国产设备为制造年份,进口设备为安装年份)第4部分:顺序号(4位数字,0001—9999)XXXX XXXXXXXXX XXXX XXXX顺序号(4位数字)制造/安装年份(4位数字)制造/安装)单位代码(9位数字)特种设备分类代码(4位数字字母码)。
特种设备代码-全说明:人员技术职称的级别代码。
表示:C1编码方法:采用顺序码,用1位数字表示。
表1 技术职称级别代码表代码名称说明1高级指高级工程师,正、副教授,正、副研究员,高级统计师,高级会计师,高级经济师,以及相当于这一级的具有其他技术职称的人员。
2中级指工程师,讲师,助理研究员,技师,统计师,会计师,经济师,以及相当于这一级的具有其他技术职称的人员。
3初级指助理工程师,助理统计师,助理会计师,助理经济师,以及相当于这一级的具有其他技术职称的人员。
9未评定新分配工作和其他原因未评定技术职称的人员。
1.1 C601 特种设备种类代码特种设备种类代码说明:国家安全监察机构对特种设备分类的大类代码。
表示:C1编码方法:采用顺序码,用1位数字或大写字母表示。
表2 特种设备种类代码代码名称说明1锅炉2压力容器3电梯4起重机械5厂(场)内机动车辆6大型游乐设施7压力管道元件8压力管道9客运索道B部件C材料F安全附件及安全保护装置1.2 C602 特种设备分类代码特种设备分类代码说明:国家安全监察机构对特种设备的分类代码。
表示:C4编码方法:采用层次码。
代码共分4层,每层均用1位数字或大写字母表示。
第1层:特种设备种类代码,第2层:特种设备类别代码,第3层:特种设备品种代码,第4层:特种设备级别代码。
注: 根据需要,可以只使用前1位、前2位或前3位代码。
表3 特种设备分类代码表代码名称说明1000锅炉1100 承压蒸汽锅炉1110 电站锅炉1120 工业锅炉1130 生活锅炉1200 承压热水锅炉1300 有机热载体锅炉1310 有机热载体气相炉1320 有机热载体液相炉2000压力容器2100 固定式压力容器2110 超高压容器2120 高压容器2130 第三类中压容器2140 第三类低压容器2150 第二类中压容器2160 第二类低压容器2170 第一类压力容器2200 移动式压力容器2210 铁路罐车2220 汽车罐车2230 长管拖车2240 罐式集装箱2300 气瓶2310 无缝气瓶2320 焊接气瓶2330 液化石油气钢瓶2340 溶解乙炔气瓶2350 车用气瓶2360 低温绝热气瓶2370 缠绕气瓶2380 非重复充装气瓶23T0 特种气瓶2400 氧舱2410 医用氧舱2420 高气压舱2430 再压舱2440 高海拔试验舱2450 潜水钟3000电梯3100 乘客电梯3110 曳引式客梯3120 强制式客梯3130 无机房客梯3140 消防电梯3150 观光电装箱门式起重机4240 万能杠件拼装式龙门起重机4250 岸边集装箱起重机4260 造船门式起重机4270 电动葫芦门式起重机4280 装卸桥4300 塔式起重机4310 普通塔式起重机4320 电站塔式起重机4330 塔式皮带布料机4400 流动式起重机4410 轮胎起重机4420 履带起重机4430 全路面起重机4440 集装箱正面吊运起重机4450 集装箱侧面吊运起重机4460 集装箱跨运车4470 轮胎式集装箱门式起重机4480 汽车起重机4490 随车起重机4600 铁路起重机4610 蒸汽铁路起重机4620 内燃铁路起重机4630 电力铁路起重机4700 门座起重机4710 港口门座起重机4720 船厂门座起重机4730 带斗门座式起重机4740 电站门座起重机4750 港口台架起重机4760 固定式起重机4770 液压折臂起重机4800 升降机4810 曲线施工升降机4820 锅炉炉膛检修平台4830 钢索式液压提升装置4840 电站提滑模装置4850 升船机4860 施工升降机4870 简易升降机4880 升降作业平台4890 高空作业车4900 缆索起重机4910 固定式缆索起重机4920 摇摆式缆索起重机4930 平移式缆索起重机4940 辐射式缆索起重机4A00 桅杆起重机4A10 固定式桅杆起重机4A20 移动式桅杆起重机4B00 旋臂式起重机4B10 柱式旋臂式起重机4B20 壁式旋臂式起重机4B30 平衡悬臂式起重机4C00 轻小型起重设备4C10 输变电施工用抱杆4C20 电站牵张设备4C30 内燃平衡重式叉车4C40 蓄电池平衡重式叉车4C50 内燃侧面叉车4C60 插腿式叉车4C70 前移式叉车4C80 三向堆垛叉车4C90 托盘堆垛车4CA0 防爆叉车4CB0 钢丝绳电动葫芦4CC0 防爆丝绳电动葫芦4CD0 环链电动葫芦4CE0 气动葫芦4CF0 防爆气动葫架空游览车类6310 电力单轨列车系列6320 电力双轨列车系列6330 组合式架空游览车系统6340 脚踏车系列6400 陀螺类6410 陀螺系列6420 组合式陀螺系列6500 飞行塔类6510 旋转飞椅系列6520 青蛙跳系列6530 探空飞梭系列6540 观览塔系列6550 组合式飞行塔系列6600 转马类6610 转马系列6620 荷花杯系列6630 滚摆舱系列6640 爱情快车系列6650 组合式转马系列6700 自控飞机类6710 自控飞机系列6720 章鱼系列6730 组合式自控飞机系列6800 赛车类6810 场地赛车系列6820 越野赛车系列6830 组合式赛车系列6900 小火车类6910 内燃机驱动小火车6920 电力驱动小火车6A00 碰碰车类6A10 碰碰车系列6B00 电池车类6B10 电池车系列6C00 观光车类6C10 内燃观光车系列6C20 蓄池观光车系列6D00 水上游乐设施6D10 峡谷漂流系列6D20 水滑梯系列6D30 造浪机系列6D40 碰碰船系列6D50 水上自行车系列6D60 组合式水上游乐设施6E00 无动力游乐设施6E10 高空蹦极系列6E20 弹射蹦极系列6E30 小蹦极系列6E40 滑索系列6E50 空中飞人系列6E60 系留式观光气球系列6E70 组合式无动力游乐设施7000压力管道元件7100 压力管道管子7110 无缝钢管7120 焊接钢管7130 有色金属管7140 铸铁管71F0 非金属材料管7200 压力管道管件7210 无缝管件7220 有缝管件7230 锻制管件7240 铸造管件7250 汇管7260 过滤器72F0 非金属材料管件7300 阀门7310 安全阀7320 调压阀7330 调节阀7340 闸阀7350 球阀7360 蝶阀7370 截止阀7380 止回阀7390 疏水阀73A0 隔膜阀73F0 非环式客运缆车9300 客运拖牵索道9310 低位客运拖牵索道9320 高位客运拖牵索道B000部件B100 锅炉部件B110锅筒B120 集箱B130 锅炉过热器B140 锅炉再热器B150 锅炉省煤器B160 锅炉膜式水冷壁B200 压力容器部件B210 封头B300 电梯部件B310 绳头组合B320 电梯导轨B330 电梯耐火层门B340 电梯玻璃门B350 电梯玻璃轿壁B360 电梯液压泵站B370 杂物电梯驱动主机B380 自动扶梯梯级B390 自动人行道踏板B3A0 梯级踏板链B3B0 自动扶梯自动人行道驱动主机B3C0 自动扶梯自动人行道滚轮B3D0 自动扶梯自动人行道扶手带B3E0 自动扶梯自动人行道控制屏B600 游乐设施部件B610 蹦极绳B900 客运索道部件B910 客运索道驱动迂回装置B920 客运索道抱索器B930 客运索道运载工具B940 客运索道托压索轮组C000材料C100 锅炉材料C110 锅炉用钢板C120 锅炉用钢管C130 特种设备用焊接材料C200 压力容器材料C210 压力容器用钢板C230 气瓶用钢板C240 气瓶用钢管C800 压力管道材料C810 压力管道用钢板F000安全附件及安全保护装置F100 锅炉安全附件及安全保护装置F110 水位表F120水位控制报警装置F130 压力控制报警装置F140 温度控制报警装置F150 燃烧连锁保护装置F200 压力容器安全附件及安全保护装置F210 液位计F220 爆破片F230 紧急切断阀F240 过流保护装置F250 快开门连锁保护装置F260 气瓶瓶阀F270 气瓶减压阀F280 液位限制阀F2A0 氧舱测氧仪F300 电梯安全附件及安全保护装置F310 限速器F320 安全钳F330 缓冲器F340 电梯门速保护装置F360 含有电子元件的电梯安全电路F370 电梯限速切断阀F380 电梯控制柜F390 曳引机F400 起重机械安全附件及安全保护装置F410 起重机械起重量限制器F420 起重机械起重力矩限制器F430 起重机械起升高度限制器F440 起重机械防坠安全器F450 起重机械制动器F600 游乐设施安全附件及安全保护装置F610 游乐设施安全压杆F700 压力管道元件安全附件及安全保护装置F710 超压限制装置F720 测压调压装置F730 检漏装置F740 阴极保护装置1.3 C603 特种设备登记代码特种设备登记代码说明:国家对进行安全监察的特种设备的登记代码。
1.1 C601 特种设备种类代码特种设备种类代码说明:国家安全监察机构对特种设备分类的大类代码。
表示:C1编码方法:采用顺序码,用1位数字或大写字母表示。
表1 特种设备种类代码1.2 C602 特种设备分类代码特种设备分类代码说明:国家安全监察机构对特种设备的分类代码。
表示:C4编码方法:采用层次码。
代码共分4层,每层均用1位数字或大写字母表示。
第1层:特种设备种类代码,第2层:特种设备类别代码,第3层:特种设备品种代码,第4层:特种设备级别代码。
注:根据需要,可以只使用前1位、前2位或前3位代码。
表2 特种设备分类代码表1.3 C603 特种设备登记代码特种设备登记代码说明:国家对进行安全监察的特种设备的登记代码。
表示:C21编码方法:采用组合码。
代码由4部分组成,共21位数字字母混合码。
第1部分:特种设备分类代码(4位数字字母混合码)第2部分:注册单位代码,采用注册单位的组织机构代码(9位数字字母码)第3部分:注册年份(4位数字)第4部分:顺序号(4位数字,0001—9999)。
XXXX XXXXXXXXX XXXX XXXX顺序号(4位数字)注册年份(4位数字)注册单位代码(9位数字字母)特种设备分类代码(4位数字字母混合码)1.4 C604 特种设备代码特种设备代码说明:特种设备的终身代码。
与登记代码不同的是特种设备代码终身有效。
如果是国产设备,该代码在制造出厂时产生;如果是进口设备,该代码在首次安装时产生。
表示: C21编码方法:采用组合码。
代码由4部分组成,共21位数字、字母混合码。
第1部分:特种设备分类代码(4位数字字母混合码)第2部分:制造或安装单位代码(采用组织机构代码,9位数字字母码)国产设备采用设备制造单位的组织机构代码进口设备采用首次安装单位的组织机构代码第3部分:注册年份(4位数字,国产设备为制造年份,进口设备为安装年份)第4部分:顺序号(4位数字,0001—9999)XXXX XXXXXXXXX XXXX XXXX顺序号(4位数字)制造/安装年份(4位数字)制造/安装)单位代码(9位数字)特种设备分类代码(4位数字字母码)。
特种设备分类及代码(共13页)--本页仅作为文档封面,使用时请直接删除即可----内页可以根据需求调整合适字体及大小--1.1C601 特种设备种类代码特种设备种类代码说明:国家安全监察机构对特种设备分类的大类代码。
表示:C1编码方法:采用顺序码,用1位数字或大写字母表示。
表1特种设备种类代码1.2C602 特种设备分类代码特种设备分类代码说明:国家安全监察机构对特种设备的分类代码。
表示:C4编码方法:采用层次码。
代码共分4层,每层均用1位数字或大写字母表示。
第1层:特种设备种类代码,第2层:特种设备类别代码,第3层:特种设备品种代码,第4层:特种设备级别代码。
注:根据需要,可以只使用前1位、前2位或前3位代码。
表2特种设备分类代码表23456789101.3C603 特种设备登记代码特种设备登记代码说明:国家对进行安全监察的特种设备的登记代码。
表示:C21编码方法:采用组合码。
代码由4部分组成,共21位数字字母混合码。
第1部分:特种设备分类代码(4位数字字母混合码)第2部分:注册单位代码,采用注册单位的组织机构代码(9位数字字母码)第3部分:注册年份(4位数字)第4部分:顺序号(4位数字,0001—9999)。
顺序号(4位数字)注册年份(4位数字)注册单位代码(9位数字字母)特种设备分类代码(4位数字字母混合码)1.4C604 特种设备代码特种设备代码说明:特种设备的终身代码。
与登记代码不同的是特种设备代码终身有效。
如果是国产设备,该代码在制造出厂时产生;如果是进口设备,该代码在首次安装时产生。
表示: C21编码方法:采用组合码。
代码由4部分组成,共21位数字、字母混合码。
第1部分:特种设备分类代码(4位数字字母混合码)第2部分:制造或安装单位代码(采用组织机构代码,9位数字字母码)国产设备采用设备制造单位的组织机构代码进口设备采用首次安装单位的组织机构代码第3部分:注册年份(4位数字,国产设备为制造年份,进口设备为安装年份)第4部分:顺序号(4位数字,0001—9999)顺序号(4位数字)制造/安装年份(4位数字)制造/安装)单位代码(9位数字)特种设备分类代码(4位数字字母码)。
1.1 C601特种设备种类代码特种设备种类代码说明:国家安全监察机构对特种设备分类的大类代码。
表示:C1编码方法:采用顺序码,用1位数字或大写字母表示。
1.2 C602 特种设备分类代码特种设备分类代码说明:国家安全监察机构对特种设备的分类代码。
表示:C4编码方法:采用层次码。
代码共分4层,每层均用1位数字或大写字母表示。
第1层:特种设备种类代码,第2层:特种设备类别代码,第3层:特种设备品种代码,第4层:特种设备级别代码。
注:根据需要,可以只使用前1位、前2位或前3位代码。
表2 特种设备分类代码表1.3 C603 特种设备登记代码特种设备登记代码说明:国家对进行安全监察的特种设备的登记代码。
表示:C21编码方法:采用组合码。
代码由4部分组成,共21位数字字母混合码。
第1部分:特种设备分类代码(4位数字字母混合码)第2部分:注册单位代码,采用注册单位的组织机构代码(9位数字字母码)第3部分:注册年份(4位数字)第4部分:顺序号(4位数字,0001—9999)。
XXXX XXXXXXXXX XXXX XXXX顺序号(4位数字)注册年份(4位数字)注册单位代码(9位数字字母)特种设备分类代码(4位数字字母混合码)1.4 C604 特种设备代码特种设备代码说明:特种设备的终身代码。
与登记代码不同的是特种设备代码终身有效。
如果是国产设备,该代码在制造出厂时产生;如果是进口设备,该代码在首次安装时产生。
表示: C21编码方法:采用组合码。
代码由4部分组成,共21位数字、字母混合码。
第1部分:特种设备分类代码(4位数字字母混合码)第2部分:制造或安装单位代码(采用组织机构代码,9位数字字母码)国产设备采用设备制造单位的组织机构代码进口设备采用首次安装单位的组织机构代码第3部分:注册年份(4位数字,国产设备为制造年份,进口设备为安装年份)第4部分:顺序号(4位数字,0001—9999)XXXX XXXXXXXXX XXXX XXXX顺序号(4位数字)制造/安装年份(4位数字)制造/安装)单位代码(9位数字)特种设备分类代码(4位数字字母码)。
1.1 C601 特种设备种类代码特种设备种类代码说明:国家安全监察机构对特种设备分类的大类代码。
表示:C1编码方法:采用顺序码,用1位数字或大写字母表示。
1.2 C602 特种设备分类代码特种设备分类代码说明:国家安全监察机构对特种设备的分类代码。
表示:C4编码方法:采用层次码。
代码共分4层,每层均用1位数字或大写字母表示。
第1层:特种设备种类代码,第2层:特种设备类别代码,第3层:特种设备品种代码,第4层:特种设备级别代码。
注:根据需要,可以只使用前1位、前2位或前3位代码。
表2 特种设备分类代码表1.3 C603 特种设备登记代码特种设备登记代码说明:国家对进行安全监察的特种设备的登记代码。
表示:C21编码方法:采用组合码。
代码由4部分组成,共21位数字字母混合码。
第1部分:特种设备分类代码(4位数字字母混合码)第2部分:注册单位代码,采用注册单位的组织机构代码(9位数字字母码)第3部分:注册年份(4位数字)第4部分:顺序号(4位数字,0001—9999)。
XXXX XXXXXXXXX XXXX XXXX顺序号(4位数字)注册年份(4位数字)注册单位代码(9位数字字母)特种设备分类代码(4位数字字母混合码)1.4 C604 特种设备代码特种设备代码说明:特种设备的终身代码。
与登记代码不同的是特种设备代码终身有效。
如果是国产设备,该代码在制造出厂时产生;如果是进口设备,该代码在首次安装时产生。
表示: C21编码方法:采用组合码。
代码由4部分组成,共21位数字、字母混合码。
第1部分:特种设备分类代码(4位数字字母混合码)第2部分:制造或安装单位代码(采用组织机构代码,9位数字字母码)国产设备采用设备制造单位的组织机构代码进口设备采用首次安装单位的组织机构代码第3部分:注册年份(4位数字,国产设备为制造年份,进口设备为安装年份)第4部分:顺序号(4位数字,0001—9999)XXXX XXXXXXXXX XXXX XXXX顺序号(4位数字)制造/安装年份(4位数字)制造/安装)单位代码(9位数字)特种设备分类代码(4位数字字母码)。
特种设备作业人员作业种类与项目代码特种设备是指对于一般的设备而言,具有较高的技术要求和安全风险的设备。
特种设备的作业主要包括以下几种类型:1.压力容器作业:压力容器是一种常用的特种设备,包括锅炉、压力容器、压力管道等。
压力容器的作业范围包括焊接、检测、清洗、涂装等。
项目代码包括J、R、Y等。
2.起重设备作业:起重设备包括各种吊装设备,如桥式起重机、塔式起重机、液压起重机等。
起重设备的作业范围包括安装、维护、使用等。
项目代码包括K、T等。
3.压力管道作业:压力管道是一种传输液体或气体的设备,包括石油、化工、供水等管道。
压力管道的作业范围包括焊接、安装、维护等。
项目代码包括GB、GC等。
4.电梯作业:电梯是一种垂直或倾斜运送人员或物品的设备。
电梯的作业范围包括安装、维护、检测等。
项目代码包括Z。
5.吊篮作业:吊篮是一种悬挂在高空作业的工作平台,主要用于建筑施工等行业。
吊篮的作业范围包括安装、使用、检测等。
项目代码包括DG。
6.压力容器爆破器材作业:压力容器爆破器材主要用于紧急情况下对压力容器进行爆破。
作业范围包括安装、测试、操作等。
项目代码包括X。
以上是特种设备作业的一些常见种类和对应的项目代码,每种作业都有其特定的技术要求和安全规范。
特种设备作业人员需要经过专门的培训和考核,持有相应的证书方可从事相关作业。
作业人员必须具备一定的技术知识和操作经验,严格按照规定的程序和要求进行作业,确保作业安全和质量。
特种设备作业是一个重要的行业,对于保障工作环境安全和提高工作效率具有重要意义。
C601 特种设备种类代码特种设备种类代码说明:国家安全监察机构对特种设备分类的大类代码。
表示:C1编码方法:采用顺序码,用1位数字或大写字母表示。
表1 特种设备种类代码C602 特种设备分类代码特种设备分类代码说明:国家安全监察机构对特种设备的分类代码。
表示:C4编码方法:采用层次码。
代码共分4层,每层均用1位数字或大写字母表示。
第1层:特种设备种类代码,第2层:特种设备类别代码,第3层:特种设备品种代码,第4层:特种设备级别代码。
注:根据需要,可以只使用前1位、前2位或前3位代码。
表2 特种设备分类代码表C603 特种设备登记代码特种设备登记代码说明:国家对进行安全监察的特种设备的登记代码。
表示:C21编码方法:采用组合码。
代码由4部分组成,共21位数字字母混合码。
第1部分:特种设备分类代码(4位数字字母混合码)第2部分:注册单位代码,采用注册单位的组织机构代码(9位数字字母码)第3部分:注册年份(4位数字)第4部分:顺序号(4位数字,0001—9999)。
XXXX XXXXXXXXX XXXX XXXX顺序号(4位数字)注册年份(4位数字)注册单位代码(9位数字字母)特种设备分类代码(4位数字字母混合码)C604 特种设备代码特种设备代码说明:特种设备的终身代码。
与登记代码不同的是特种设备代码终身有效。
如果是国产设备,该代码在制造出厂时产生;如果是进口设备,该代码在首次安装时产生。
表示: C21编码方法:采用组合码。
代码由4部分组成,共21位数字、字母混合码。
第1部分:特种设备分类代码(4位数字字母混合码)第2部分:制造或安装单位代码(采用组织机构代码,9位数字字母码)国产设备采用设备制造单位的组织机构代码进口设备采用首次安装单位的组织机构代码第3部分:注册年份(4位数字,国产设备为制造年份,进口设备为安装年份)第4部分:顺序号(4位数字,0001—9999)XXXX XXXXXXXXX XXXX XXXX顺序号(4位数字)制造/安装年份(4位数字)制造/安装)单位代码(9位数字)特种设备分类代码(4位数字字母码)。
1.1 C601 特种设备种类代码特种设备种类代码说明:国家安全监察机构对特种设备分类的大类代码。
表示:C1编码方法:采用顺序码,用1位数字或大写字母表示。
1.2 C602 特种设备分类代码特种设备分类代码说明:国家安全监察机构对特种设备的分类代码。
表示:C4编码方法:采用层次码。
代码共分4层,每层均用1位数字或大写字母表示。
第1层:特种设备种类代码,第2层:特种设备类别代码,第3层:特种设备品种代码,第4层:特种设备级别代码。
注:根据需要,可以只使用前1位、前2位或前3位代码。
表2 特种设备分类代码表1.3 C603 特种设备登记代码特种设备登记代码说明:国家对进行安全监察的特种设备的登记代码。
表示:C21编码方法:采用组合码。
代码由4部分组成,共21位数字字母混合码。
第1部分:特种设备分类代码(4位数字字母混合码)第2部分:注册单位代码,采用注册单位的组织机构代码(9位数字字母码)第3部分:注册年份(4位数字)第4部分:顺序号(4位数字,0001—9999)。
XXXX XXXXXXXXX XXXX XXXX顺序号(4位数字)注册年份(4位数字)注册单位代码(9位数字字母)特种设备分类代码(4位数字字母混合码)1.4 C604 特种设备代码特种设备代码说明:特种设备的终身代码。
与登记代码不同的是特种设备代码终身有效。
如果是国产设备,该代码在制造出厂时产生;如果是进口设备,该代码在首次安装时产生。
表示: C21编码方法:采用组合码。
代码由4部分组成,共21位数字、字母混合码。
第1部分:特种设备分类代码(4位数字字母混合码)第2部分:制造或安装单位代码(采用组织机构代码,9位数字字母码)国产设备采用设备制造单位的组织机构代码进口设备采用首次安装单位的组织机构代码第3部分:注册年份(4位数字,国产设备为制造年份,进口设备为安装年份)第4部分:顺序号(4位数字,0001—9999)XXXX XXXXXXXXX XXXX XXXX顺序号(4位数字)制造/安装年份(4位数字)制造/安装)单位代码(9位数字)特种设备分类代码(4位数字字母码)。
1.1 C601 特种设备种类代码特种设备种类代码说明:国家安全监察机构对特种设备分类的大类代码。
表示:C1编码方法:采用顺序码,用1位数字或大写字母表示。
1.2 C602 特种设备分类代码特种设备分类代码说明:国家安全监察机构对特种设备的分类代码。
表示:C4编码方法:采用层次码。
代码共分4层,每层均用1位数字或大写字母表示。
第1层:特种设备种类代码,第2层:特种设备类别代码,第3层:特种设备品种代码,第4层:特种设备级别代码。
注:根据需要,可以只使用前1位、前2位或前3位代码。
表2 特种设备分类代码表1.3 C603 特种设备登记代码特种设备登记代码说明:国家对进行安全监察的特种设备的登记代码。
表示:C21编码方法:采用组合码。
代码由4部分组成,共21位数字字母混合码。
第1部分:特种设备分类代码(4位数字字母混合码)第2部分:注册单位代码,采用注册单位的组织机构代码(9位数字字母码)第3部分:注册年份(4位数字)第4部分:顺序号(4位数字,0001—9999)。
XXXX XXXXXXXXX XXXX XXXX顺序号(4位数字)注册年份(4位数字)注册单位代码(9位数字字母)特种设备分类代码(4位数字字母混合码)1.4 C604 特种设备代码特种设备代码说明:特种设备的终身代码。
与登记代码不同的是特种设备代码终身有效。
如果是国产设备,该代码在制造出厂时产生;如果是进口设备,该代码在首次安装时产生。
表示: C21编码方法:采用组合码。
代码由4部分组成,共21位数字、字母混合码。
第1部分:特种设备分类代码(4位数字字母混合码)第2部分:制造或安装单位代码(采用组织机构代码,9位数字字母码)国产设备采用设备制造单位的组织机构代码进口设备采用首次安装单位的组织机构代码第3部分:注册年份(4位数字,国产设备为制造年份,进口设备为安装年份)第4部分:顺序号(4位数字,0001—9999)XXXX XXXXXXXXX XXXX XXXX顺序号(4位数字)制造/安装年份(4位数字)制造/安装)单位代码(9位数字)特种设备分类代码(4位数字字母码)。
【最新整理,下载后即可编辑】
1.1 C601 特种设备种类代码
特种设备种类代码
说明:国家安全监察机构对特种设备分类的大类代码。
表示:C1
编码方法:采用顺序码,用1位数字或大写字母表示。
表1 特种设备种类代码
1.2 C602 特种设备分类代码
特种设备分类代码
说明:国家安全监察机构对特种设备的分类代码。
表示:C4
编码方法:
采用层次码。
代码共分4层,每层均用1位数字或大写字母表示。
第1层:特种设备种类代码,第2层:特种设备类别代码,
第3层:特种设备品种代码,第4层:特种设备级别代
码。
注:根据需要,可以只使用前1位、前2位或前3位代码。
表2 特种设备分类代码表
1.3 C603 特种设备登记代码
特种设备登记代码
说明:国家对进行安全监察的特种设备的登记代码。
表示:C21
编码方法:
采用组合码。
代码由4部分组成,共21位数字字母混合码。
第1部分:特种设备分类代码(4位数字字母混合码)
第2部分:注册单位代码,采用注册单位的组织机构代码(9位数字字母码)
第3部分:注册年份(4位数字)
第4部分:顺序号(4位数字,0001—9999)。
XXXX XXXXXXXXX XXXX XXXX
顺序号(4位数字)
注册年份(4位数字)
注册单位代码(9位数字字母)
特种设备分类代码(4位数字字母混合码)
1.4 C604 特种设备代码
特种设备代码
说明:特种设备的终身代码。
与登记代码不同的是特种设备代码终身有效。
如果是国产设备,该代码在制造出厂时产生;如果是进口设备,该代码在首次安装时产生。
表示:C21
编码方法:
采用组合码。
代码由4部分组成,共21位数字、字母混合码。
第1部分:特种设备分类代码(4位数字字母混合码)
第2部分:制造或安装单位代码(采用组织机构代码,9位数字字母码)
国产设备采用设备制造单位的组织机构代码
进口设备采用首次安装单位的组织机构代码第3部分:注册年份(4位数字,国产设备为制造年份,进口设备为安装年份)
第4部分:顺序号(4位数字,0001—9999)
XXXX XXXXXXXXX XXXX XXXX
顺序号(4位数字)
制造/安装年份(4位数字)
制造/安装)单位代码(9位数字)
特种设
备分类代码(4位数字字母码)。