AI8006C ANC蓝牙耳机原理图V1.1
- 格式:pdf
- 大小:250.11 KB
- 文档页数:1
蓝牙音箱原理图
蓝牙音箱是一种能够通过蓝牙技术与其他设备进行无线连接并
播放音乐的音频设备。
它的原理图包括多个部分,其中蓝牙模块、
音频处理模块、功放模块、电源管理模块等是其中重要的组成部分。
首先,蓝牙音箱的核心部件之一是蓝牙模块。
蓝牙模块是用于
接收来自其他蓝牙设备的音频信号,并将其传输给音频处理模块进
行解码和处理。
蓝牙模块通常由蓝牙芯片、天线和相关的外围电路
组成。
蓝牙芯片是整个蓝牙模块的核心部件,它能够实现蓝牙通信
协议的各种功能,包括数据传输、配对连接等。
其次,音频处理模块是蓝牙音箱中另一个重要的部分。
当蓝牙
模块接收到蓝牙设备发送的音频信号后,音频处理模块会对这些信
号进行解码和数字-模拟转换,以便将其转换成模拟音频信号。
同时,音频处理模块还可以对音频信号进行一定的信号处理,如均衡、音
量控制等,以提高音质和音量表现。
另外,功放模块也是蓝牙音箱的重要组成部分。
功放模块接收
来自音频处理模块的模拟音频信号,并将其放大驱动音箱发出声音。
功放模块的设计和性能直接影响了音箱的音质和音量表现。
最后,电源管理模块是蓝牙音箱中不可或缺的一部分。
电源管理模块负责为整个蓝牙音箱提供稳定的电源,并对不同模块进行合理的供电管理,以确保整个系统的正常运行和节能。
总的来说,蓝牙音箱的原理图中包含了蓝牙模块、音频处理模块、功放模块和电源管理模块等多个部分。
这些部分共同协作,使得蓝牙音箱能够实现无线连接并播放音乐的功能。
对于理解蓝牙音箱的工作原理以及进行相关的设计和制造具有重要的指导意义。
国内外常见几种的助听器电路原理图(8种)助听器实际上是一部超小型扩音器,它包括送话器(话筒)、放大器和受话器(耳机或骨导器)三部分。
声音由话筒变换为微弱的电信号,经放大器放大后输送到耳机(或骨导器),变换成较强的声音传入耳内。
图1~图8给出了国内外厂家生产的八种助听器的电路原理图。
其中图2开关S的1位为断,2位为一般助听,3位为电话助听。
从综合分析可以看出,它们有许多共同之处,同时又各具有特色。
图1图2从电路程式看,多为3~4级低频放大器,除部分电路的末级采用固定偏流式电路外,各级都引入了各种不同形式的负反馈电路,以稳定放大器的工作点和放大倍数,减小非线性失真。
图7的输入级很有特色,它用一电感取代了通常使用的射极电阻,这样既获得了较大的交流阻抗而又不使直流压降太大,而在低电压下,更要注意直流压降的微小损失。
图3图4图5为了进一步完善功能,有的助听器加入了音调选择(图3,6,7)和听电话装置(图2,3,4,6,8)。
其中图6的音调选择是通过转换开关来改变负反馈电容的数值。
利用电容对较高音频的容抗较小,反馈量大的特性,从而降低高音增益,使低音得到相对的提升。
图8则是通过接入或断开基极回路旁路电容器来完成“低音”与“高音”转换的。
图3的音调选择采用了多种方式,“低音”档接上反馈电容“中音”档不接,“高音”档则是用一电容与原耦合电容串联,使总的耦合电容量减小来提高下限频率(削除低音频)。
音调选择装置可适应不同使用者对音调的要求,其中以图3的效果最为显著。
至于听电话装置,是用一拾音线圈L通过转换开关取代话筒,当它置于电话机旁时,会感应到话音信号,经放大后送到耳机,以解决戴助听器时打电话的困难。
图6图7图8图3与图8加入了自动增益控制电路。
它们将末级输出的音频信号的一部分经整流滤波后,得到一个随输出信号强弱而改变的电压加到输入级的基极,当信号过强时,增益降低,以免末级过载引起大的失真。
IMPORTANT NOTICE FOR TI REFERENCE DESIGNSTexas Instruments Incorporated("TI")reference designs are solely intended to assist designers(“Buyers”)who are developing systems that incorporate TI semiconductor products(also referred to herein as“components”).Buyer understands and agrees that Buyer remains responsible for using its independent analysis,evaluation and judgment in designing Buyer’s systems and products.TI reference designs have been created using standard laboratory conditions and engineering practices.TI has not conducted any testing other than that specifically described in the published documentation for a particular reference design.TI may make corrections,enhancements,improvements and other changes to its reference designs.Buyers are authorized to use TI reference designs with the TI component(s)identified in each particular reference design and to modify the reference design in the development of their end products.HOWEVER,NO OTHER LICENSE,EXPRESS OR IMPLIED,BY ESTOPPEL OR OTHERWISE TO ANY OTHER TI INTELLECTUAL PROPERTY RIGHT,AND NO LICENSE TO ANY THIRD PARTY TECHNOLOGY OR INTELLECTUAL PROPERTY RIGHT,IS GRANTED HEREIN,including but not limited to any patent right,copyright,mask work right, or other intellectual property right relating to any combination,machine,or process in which TI components or services are used. Information published by TI regarding third-party products or services does not constitute a license to use such products or services,or a warranty or endorsement e of such information may require a license from a third party under the patents or other intellectual property of the third party,or a license from TI under the patents or other intellectual property of TI.TI REFERENCE DESIGNS ARE PROVIDED"AS IS".TI MAKES NO WARRANTIES OR REPRESENTATIONS WITH REGARD TO THE REFERENCE DESIGNS OR USE OF THE REFERENCE DESIGNS,EXPRESS,IMPLIED OR STATUTORY,INCLUDING ACCURACY OR COMPLETENESS.TI DISCLAIMS ANY WARRANTY OF TITLE AND ANY IMPLIED WARRANTIES OF MERCHANTABILITY,FITNESS FOR A PARTICULAR PURPOSE,QUIET ENJOYMENT,QUIET POSSESSION,AND NON-INFRINGEMENT OF ANY THIRD PARTY INTELLECTUAL PROPERTY RIGHTS WITH REGARD TO TI REFERENCE DESIGNS OR USE THEREOF.TI SHALL NOT BE LIABLE FOR AND SHALL NOT DEFEND OR INDEMNIFY BUYERS AGAINST ANY THIRD PARTY INFRINGEMENT CLAIM THAT RELATES TO OR IS BASED ON A COMBINATION OF COMPONENTS PROVIDED IN A TI REFERENCE DESIGN.IN NO EVENT SHALL TI BE LIABLE FOR ANY ACTUAL,SPECIAL,INCIDENTAL,CONSEQUENTIAL OR INDIRECT DAMAGES,HOWEVER CAUSED,ON ANY THEORY OF LIABILITY AND WHETHER OR NOT TI HAS BEEN ADVISED OF THE POSSIBILITY OF SUCH DAMAGES,ARISING IN ANY WAY OUT OF TI REFERENCE DESIGNS OR BUYER’S USE OF TI REFERENCE DESIGNS.TI reserves the right to make corrections,enhancements,improvements and other changes to its semiconductor products and services per JESD46,latest issue,and to discontinue any product or service per JESD48,latest issue.Buyers should obtain the latest relevant information before placing orders and should verify that such information is current and complete.All semiconductor products are sold subject to TI’s terms and conditions of sale supplied at the time of order acknowledgment.TI warrants performance of its components to the specifications applicable at the time of sale,in accordance with the warranty in TI’s terms and conditions of sale of semiconductor products.Testing and other quality control techniques for TI components are used to the extent TI deems necessary to support this warranty.Except where mandated by applicable law,testing of all parameters of each component is not necessarily performed.TI assumes no liability for applications assistance or the design of Buyers’products.Buyers are responsible for their products and applications using TI components.To minimize the risks associated with Buyers’products and applications,Buyers should provide adequate design and operating safeguards.Reproduction of significant portions of TI information in TI data books,data sheets or reference designs is permissible only if reproduction is without alteration and is accompanied by all associated warranties,conditions,limitations,and notices.TI is not responsible or liable for such altered rmation of third parties may be subject to additional restrictions.Buyer acknowledges and agrees that it is solely responsible for compliance with all legal,regulatory and safety-related requirements concerning its products,and any use of TI components in its applications,notwithstanding any applications-related information or support that may be provided by TI.Buyer represents and agrees that it has all the necessary expertise to create and implement safeguards that anticipate dangerous failures,monitor failures and their consequences,lessen the likelihood of dangerous failures and take appropriate remedial actions.Buyer will fully indemnify TI and its representatives against any damages arising out of the use of any TI components in Buyer’s safety-critical applications.In some cases,TI components may be promoted specifically to facilitate safety-related applications.With such components,TI’s goal is to help enable customers to design and create their own end-product solutions that meet applicable functional safety standards and requirements.Nonetheless,such components are subject to these terms.No TI components are authorized for use in FDA Class III(or similar life-critical medical equipment)unless authorized officers of the parties have executed an agreement specifically governing such use.Only those TI components that TI has specifically designated as military grade or“enhanced plastic”are designed and intended for use in military/aerospace applications or environments.Buyer acknowledges and agrees that any military or aerospace use of TI components that have not been so designated is solely at Buyer's risk,and Buyer is solely responsible for compliance with all legal and regulatory requirements in connection with such use.TI has specifically designated certain components as meeting ISO/TS16949requirements,mainly for automotive use.In any case of use of non-designated products,TI will not be responsible for any failure to meet ISO/TS16949.Mailing Address:Texas Instruments,Post Office Box655303,Dallas,Texas75265Copyright©2014,Texas Instruments Incorporated。
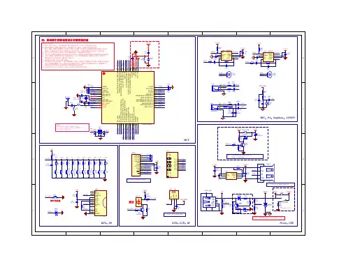
+3.3VSD_CMD SD_CLK SD_DATCD 10D07VDD 4CLK 5VSS 6D18D3/CS 2CMD 3WP 9D21Sheet11TF1SD-TF+M1MICC18104MICDACVDDDACLR27.5KPA 、PowerKey 、LED SD 1bypass 2IN+3IN-4OUT-5VDD 6GND 7OUT+8U2XPT4871C14225R333KVMCUSPK+SPK-SPK+SPK-C13104LPFC4105R114.7RR151KVIND3REDD2BLUE R123.3K C9105C6105C5105MCUMIC 、TF-CARDR106.8KC15NC注:原理图中注释说明设计时需特别注意C17NCJ1SPKC16NCD1IN4148VBATVIN GND5LIN_R 4AGND 3LIN_L 26+5V 1666J2BT13.4V~4.2VLIN_L/R VMCUFM_ANTL 41K @100M H ZLEDS6SWDACLMIC DACVDD VCOM AGND FMIP +3.3VGND C32.7PBT_ANT BT_ANTL3NCL10R C12105C8105VMCU BT_AVDD GNDC1NCC2NCBTOSCO BTOSCI Y124MBTOSCO BTOSCI USBDP USBDM GND PC5/SD1CLK 1PC4/SD1CMD 2VDDIO 12ADC11/AUX2R/SD0CLK/PB1213ADC8/PB916LDO_IN 18ADC10/AUX2L/SD0CMD/PB1114ADC9/SD0DAT/PB1015FMIP 10DACVSS 11DACVDD 8PB13/MIC/PA3/AUX1L 5USBDM/PC3/SD0DAT 3USBDP/PA4/AUX1R 4BT_OSCI 23BT_OSCO 24BT_RF 21AVSS122BT_AVDD 19DACR 6DACL 7VCOM 9AVSS220VSSIO 17U1AC6905A_QSOP24SD_CLKSD_CMD SD_DAT C7105C10102F M _A N TL2100nHC1124pFFM_ANT LIN_L/RMUTE LED ADKEY 晶振选型:封装:可兼容3225,M49S ,HC49S 等不同封装要求:稳定性、一致性要好,频偏偏差:±10PPM 以内电容:晶振匹配电容位置请预留R1100KVMCUMUTER134.7RQ18850C/9015CR1410KVBATR9NC+3.3VR422KR53K R69.1K R724K S1P/P/FM_SCANS2PREV/V-/CH-S3NEXT/V+/CH+S4MODE 0.4V1.0V 0V 1.7VADKEY R847KS5TALK2.2VR613100R放电电阻,请预留GND 、AGND 在电源入口处短接在一起!C19NC/100PC20100uF/6.3V设计注意事项:1、主控所有电源的退耦电容必须靠近芯片放置,退耦电容的回路地必须最短回到该电源地2、FM 匹配电路请接AGND 。
智能蓝牙模块电路设计详解—电路图天天读(307)低功耗版本使蓝牙技术得以延伸到采用钮扣电池供电的一些新兴市场。
蓝牙低耗能技术是基于蓝牙低耗能无线技术核心规格的升级版,为开拓钟表、远程控制、医疗保健及运动感应器等广大新兴市场的应用奠定基础。
蓝牙模块—无线接收发射电路蓝牙芯片BC417143.该芯片采用Blue2.0、支持主或从模式、支持AT命令集、支持波特率为2 400到1 382 400 bps,适用于嵌入式串口传输无线的全新的模块。
值得注意的是。
蓝牙芯片工作在3.3 V,而MCU工作在5 V.存在逻辑电平不匹配问题。
且IO管脚无法容忍MCU的5 V逻辑电平。
设计中采用了1117芯片进行电平转换输出3.3 V.蓝牙与MCU连接需经过电平限制以保证蓝牙模块正常工作以下是蓝牙模块的电源选择方案及串口模块的引脚定义。
如图1。
图1:蓝牙模块的电路原理图在建立蓝牙数据通信时。
需要先对其通信协议进行设置:(1)UART参数设置:先设置通信协议长度,再设置波特率、硬件控制流参数。
校验参数、数据位数及停止位(2)工作模式设置:可将蓝牙模块的工作模式设置为主模式或者从模式。
(3)设置蓝牙模块名:名称是蓝牙模块在进行通信的标识之一。
通过设置蓝牙模块名协议可以更改蓝牙模块名(4)设置安全模式:蓝牙通信中的数据安全主要是有蓝牙通信时的PIN码保障的。
通过设置安全模式协议。
可以根据不同的需要。
设置蓝牙通信的安全模式(5)设置PIN码:设置PIN码可以保证仅有可靠的设备通过蓝牙与模块互相通信系统采用的波特率为9 600 bps.传输距离能达10 In。
由于采用蓝牙做为传输。
具有很强的抗干扰能力。
ARM与蓝牙接口设计蓝牙是无线数据和语音传输的开放式标准。
它将各种通信设备、计算机及其终端设备、各种数字系统,甚至家用电器,采用无线方式连接起来。
为了优化系统设计,我们采用性价比高的CSR BC2实现蓝牙无线串口。
CSRBC2是一款高度整合的模块级蓝牙芯片,主要包括:基带控制器、2.4~2.5GHz的数字智能无线电和程序数据存储器。
拆解报告:1MORE万魔ComfoBudsPro真无线主动降噪耳机-----我爱音频网拆解报告第556篇-----真无线耳机的出现,旨在解决有线耳机的束缚,提高人机交互的便利性,同时产品体积小巧又非常便携。
1MORE万魔在去年推出过一款ComfoBuds“舒适豆”真无线蓝牙耳机,非常符合这一特点,其充电盒体积非常小巧,与一只口红相当,耳机的单耳重量约3.8克,佩戴无感,受到了市场的广泛好评。
2021年2月,万魔新推出了ComfoBuds Pro“舒适豆降噪版”,在延续舒适豆外观设计的基础上,新支持1MORE QuietMax™ 降噪技术,支持强档降噪、均衡降噪和环境音增强通透模式,并且支持三麦克风通话降噪和户外抗风噪功能;耳机采用了13.4mm超动态单元,支持AAC高清蓝牙;有入耳检测功能,IPX4级防水等,此前我爱音频网已对其进行了全面体验评测。
舒适豆降噪版耳机的整体体积相对增大,续航方面也得到了提升,支持快速充电,降噪模式下实现单次6小时,整体20小时的续航。
不过耳机依旧采用纤细、修长的机身,出音嘴位置由上代的耳套替换为了耳塞,更利于主动降噪功能的发挥。
下面一起来看我爱音频网对万魔舒适豆降噪版的详细拆解吧。
此前我爱音频网曾经拆解过万魔ComfoBuds真无线蓝牙耳机、万魔ColorBuds真无线蓝牙耳机、万魔圈铁主动降噪真无线耳机、万魔Stylish时尚真无线耳机、万魔三单元圈铁蓝牙耳机、万魔高清降噪圈铁蓝牙耳机。
一、万魔ComfoBuds Pro 舒适豆降噪版开箱包装盒依旧是万魔的特色风格,左上角是1MORE万魔的品牌Logo,右侧深色区域也组成了“1”的轮廓相呼应,内部是产品“1MORE ComfoBuds Pro 主动降噪耳机”的渲染图。
左下角小字是几个产品特色功能,包括:全场景主动降噪(强档降噪/均衡降噪/抗风噪);三麦智能通话降噪;13.4mm超动态单元;快充15分钟使用2小时。
包装盒背面采用多种文字介绍了产品全场景主动降噪(强档降噪/均衡降噪/抗风噪)、三麦智能通话降噪、13.4mm超动态单元、快充15分钟使用2小时四项产品功能特点,底部是部分产品参数信息。
解释耳机的工作原理
耳机的工作原理与扬声器类似。
它们都是利用振动元件(称为振膜)将电信号转换成声音的。
耳机由小型振膜、磁铁和声音管道组成。
当通过耳机传送电信号时,电信号通过导线到达耳机的磁场中。
电信号也在磁铁中发生变化,产生一个不断变化的磁场。
这种磁场变化就使振膜产生振动。
当振膜振动时,空气通过声音管道进入耳朵,就会产生声音。
不同类型的耳机使用不同的振动机制,例如动圈、平板振膜和电极静电振膜等等。
但是它们的基本工作原理都是通过将电信号转换为声波来使人听到声音。