AC4617蓝牙耳机杰理IC标准原理图分享.PDF
- 格式:pdf
- 大小:45.79 KB
- 文档页数:1
国内外常见几种的助听器电路原理图(8种)助听器实际上是一部超小型扩音器,它包括送话器(话筒)、放大器和受话器(耳机或骨导器)三部分。
声音由话筒变换为微弱的电信号,经放大器放大后输送到耳机(或骨导器),变换成较强的声音传入耳内。
图1~图8给出了国内外厂家生产的八种助听器的电路原理图。
其中图2开关S的1位为断,2位为一般助听,3位为电话助听。
从综合分析可以看出,它们有许多共同之处,同时又各具有特色。
图1图2从电路程式看,多为3~4级低频放大器,除部分电路的末级采用固定偏流式电路外,各级都引入了各种不同形式的负反馈电路,以稳定放大器的工作点和放大倍数,减小非线性失真。
图7的输入级很有特色,它用一电感取代了通常使用的射极电阻,这样既获得了较大的交流阻抗而又不使直流压降太大,而在低电压下,更要注意直流压降的微小损失。
图3图4图5为了进一步完善功能,有的助听器加入了音调选择(图3,6,7)和听电话装置(图2,3,4,6,8)。
其中图6的音调选择是通过转换开关来改变负反馈电容的数值。
利用电容对较高音频的容抗较小,反馈量大的特性,从而降低高音增益,使低音得到相对的提升。
图8则是通过接入或断开基极回路旁路电容器来完成“低音”与“高音”转换的。
图3的音调选择采用了多种方式,“低音”档接上反馈电容“中音”档不接,“高音”档则是用一电容与原耦合电容串联,使总的耦合电容量减小来提高下限频率(削除低音频)。
音调选择装置可适应不同使用者对音调的要求,其中以图3的效果最为显著。
至于听电话装置,是用一拾音线圈L通过转换开关取代话筒,当它置于电话机旁时,会感应到话音信号,经放大后送到耳机,以解决戴助听器时打电话的困难。
图6图7图8图3与图8加入了自动增益控制电路。
它们将末级输出的音频信号的一部分经整流滤波后,得到一个随输出信号强弱而改变的电压加到输入级的基极,当信号过强时,增益降低,以免末级过载引起大的失真。
耳机引脚的原理耳机引脚的原理是指,耳机连接到音频设备时,通过插头上的金属引脚将音频信号传输到耳机中,使其产生声音。
这些引脚通常由三个或四个连接器组成,其中一个为地引脚,其他则为左右声道或麦克风。
引脚的数量和排列方式取决于所使用的接头类型。
3.5毫米或1/8英寸接头通常采用TRRS (Tip, Ring, Ring, Sleeve) 接头,而大型6.35毫米或1/4英寸接头则使用TRS(Tip, Ring, Sleeve)接头。
在TRS接头中,Tip引脚连接音频的左通道,Ring引脚连接音频的右通道,而Sleeve是地引脚。
当音频信号传输到耳机时,立体声音频信号被分割为左右声道,分别传输到耳机的左右喇叭中。
在TRRS接头中,除了上述三个引脚外,还有一个额外的引脚用于连接麦克风。
这个引脚通常位于Sleeve引脚上方,称为Mic引脚。
麦克风信号通过Mic引脚传输到音频设备中,使用户可以进行语音通话或录音。
此外,耳机引脚的原理还涉及电阻和接触。
插头的引脚通过金属接触与音频设备的插孔相连。
引脚上的金属部分与插孔的金属端点接触,形成通路。
引脚和插孔之间的接触质量直接影响耳机的音质和稳定性。
如果插头和插孔之间的接触不好,可能会导致信号断开,引起杂音或无声。
此外,插头的电阻也会影响音质。
插头上的电阻测量从引脚到另一个引脚之间的电阻,阻力越低,信号传输越顺畅,音质也越好。
一般来说,好的耳机引脚具有低电阻和高接触质量,这有助于确保清晰,稳定的音质。
总之,耳机引脚的原理涉及音频信号的传输和插头的金属接触和电阻。
这些因素共同影响着耳机的音质和稳定性。
在使用耳机时,建议选择质量好、接触良好、电阻低的引脚插头,以获得更好的听觉体验。
JL杰理AC6921A蓝牙MP3芯片方案开发说明
一、简介
AC6921A作为一个单芯片的蓝牙解决方案,广泛应用于蓝牙音箱、蓝牙对箱、带点阵屏和LED数码管音箱。
是珠海杰理科技推出的一款性价比比较高的产品二、功能特点
*支持蓝牙、USB设备、TF卡、FM、AUX、通话
*支持10个AD按键、支持多路I/O口按键
*外围元件少,芯片四面出脚,有利于生产
*支持摇控功能
*支持点阵屏、数码屏、LCD屏的显示功能
*支持IIS输出
*支持光纤信号输入
*蓝牙版本:兼容蓝牙V5.0+BR+EDR+BLE
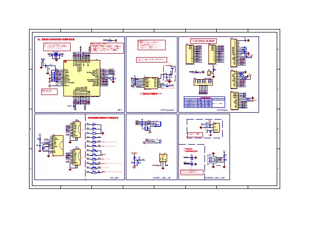
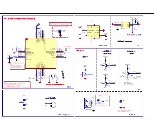
三、AC6921A管脚说明
四、芯片资源说明
五、AC6921A与之前蓝牙芯片的功能对比分析
六、AC692N功能选型表
七、AC6921标准原理图
原理图在网上可以下载到更清晰的资料,同时也可以向我们索取。
杰里的所有系列的芯片,都是一个晶圆,只是根据不同的需求,进行不同方式的封装,也就是说AC6920N系列里面SSOP24和LQFP48封装的晶圆是一样的
注意,AC692N系列的芯片是可以反复烧录的,有想法的朋友可以自己摸索的。
八、提醒说明
*芯片为可编程,由于程序是烧录在芯片内部的flash中,所以可以重复擦除*感兴趣的朋友,可以自己开发,因为AC692N系列不需要开发板,不需要烧录器
*如果要自己开发的话,最好要买一个现成的板子,引出基本的gpio和串口、USB口就可以了。
耳机原理无线连接的奥秘在现代科技迅猛发展的时代,无线连接已经成为了我们生活中不可或缺的一部分。
而作为音频设备中的重要角色,耳机也逐渐实现了从有线连接向无线连接的转变。
那么,耳机原理无线连接的奥秘是什么呢?本文将深入探讨耳机无线连接的背后原理。
一、蓝牙技术的应用无线耳机的无线连接主要是通过蓝牙技术实现的。
蓝牙技术作为现代无线通信领域的重要技术之一,具有低功耗、短距离传输和高质量音频传输等优势,因而成为了耳机无线连接的首选技术。
蓝牙技术的本质是通过无线电波传输数据,因此无线耳机中的发送端和接收端都需要具备蓝牙芯片来进行无线通信。
发送端的蓝牙芯片将音频信号转换为数字信号,并通过无线电波传输给接收端,接收端的蓝牙芯片再将数字信号转换为音频信号,实现耳机的无线播放。
二、蓝牙协议的支持实现无线耳机的无线连接还需要依靠一系列蓝牙协议的支持。
蓝牙协议是指规定了蓝牙设备之间通信方式和数据传输规范的一系列技术标准。
在无线耳机的无线连接中,最常用的蓝牙协议是Advanced Audio Distribution Profile(A2DP),即高级音频分发协议。
A2DP协议定义了高质量音频传输的要求和规范,确保无线耳机可以实现无损音质的传输。
此外,还有一些其他的蓝牙协议用于辅助功能,如Hands-Free Profile(HFP)用于手机通话,Audio/Video Remote Control Profile (AVRCP)用于远程控制音频设备等。
三、频率的选择与干扰问题无线耳机的无线连接使用的是2.4GHz无线频段,这是一种被无线设备广泛使用的频率段。
但正因如此,2.4GHz频段也容易受到其他无线设备的干扰,例如Wi-Fi路由器、蓝牙键盘鼠标等。
因此,在设计无线耳机时,需要采取一些技术手段来减少频段干扰。
一种常见的解决方案是采用频率跳跃技术。
通过频率跳跃,即在发送数据前不断地变换无线电波传输的频率,可以有效地降低其他设备对无线耳机的干扰。