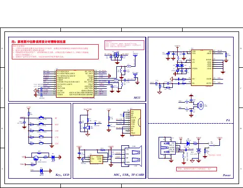
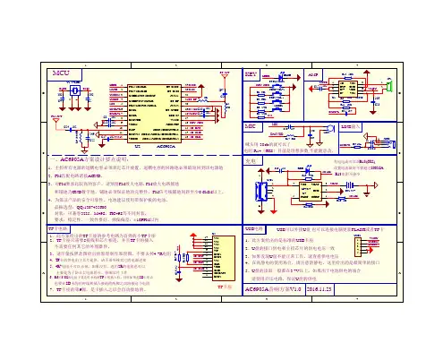
AC6925F头戴式蓝牙耳机标准原理图V1.0
- 格式:pdf
- 大小:171.21 KB
- 文档页数:1
AC692N蓝牙芯片选型说明表功能选型表序号型号封装声道Flash SD卡U盘FM产品应用1AC6921A LQFP48双声道8Mbit√YES YES点阵屏、LCD屏、LED数码管蓝牙音箱方案、车载蓝牙FM发射器方案2AC6922A SSOP28双声道8Mbit√YES YES LED数码管蓝牙音箱方案、车载蓝牙FM发射器方案A和B脚位不同,功能相似3AC6922B SSOP28双声道4Mbit√YES NO LED数码管蓝牙音箱方案、车载蓝牙FM发射器方案A和B脚位不同,功能相似,B比A性价比更高些4AC6925A SOP24双声道4Mbit√YES YES 蓝牙音箱、蓝牙对箱、蓝牙外挂Flash语音、故事机、摇篮车、早教机、国学机、录音方案5AC6925B SOP24单声道4Mbit√YES YES 蓝牙音箱、蓝牙对箱、蓝牙外挂Flash语音、故事机、摇篮车、早教机、国学机、录音方案6AC6925C SOP24双声道4Mbit√YES NO头戴耳机方案,芯片支持开关机功能,也可以应用到蓝牙音箱方案上7AC6925F SOP24双声道4Mbit√YES YES头戴耳机方案,芯片支持开关机功能,也可以应用到蓝牙音箱方案上8AC6926A QFN32(4*4)双声道4Mbit√YES YES LED数码管蓝牙音箱、蓝牙对箱、摇篮车、车载蓝牙FM发射器方案9AC6913A QFN20(4*4)双声道4Mbit NO NO NO主推TWS对耳方案,蓝牙5.0版本10KT1025A SOP24双声道4Mbit√YES YES 蓝牙音箱、蓝牙耳机、车载蓝牙、蓝牙对箱.智能门锁、车载OBD检测、智能小车、打印机、医疗设备数据采集.蓝牙音乐灯、蓝牙广播11KT1025B SOP24单声道4Mbit√YES YES 蓝牙音箱、蓝牙耳机、车载蓝牙、蓝牙对箱.智能门锁、车载OBD检测、智能小车、打印机、医疗设备数据采集.蓝牙音乐灯、蓝牙广播12KT2025A SOP24单声道4Mbit√YES YES 蓝牙音箱、蓝牙耳机、车载蓝牙、蓝牙对箱.智能门锁、车载OBD检测、智能小车、打印机、医疗设备数据采集.蓝牙音乐灯、蓝牙广播,蓝牙BLE_MIDI方案AC692N芯片特点(1)、AC692N单芯片完成蓝牙+MP3功能(2)、音质好,96dB。
一.耳机功率放大器耳放耳机功率放大器,因为比较大的耳机阻抗很高,小的随身听是带不起来,推不动,就要耳放,有源的,接在音源和耳机中间。
耳放这个词也是很多烧友经常谈论的词汇,耳放是放耳机的箱子嘛?当然不是,耳放是耳机功率放大器的简称,链接在耳机与音源之间,起到发挥耳机实力作用。
在高端的耳机中分为两类,一种是高阻抗、低灵敏度的耳机,这类的耳机普通设备的耳机输出很难驱动。
还有一类的耳机采用的低阻抗、高灵敏度的设计,这样的耳机对于电流输出的稳定性要求很高。
针对这种情况,需要耳放来改善音源的耳机输出,来发挥耳机的效果。
从体积上来分,耳放可以分为台式耳放,这种耳放一般体积较大,适合在家庭中使用。
还有一种为便携耳放,体积小巧,可以和随身设备搭配。
从使用的主要元器件,也可以分为胆机(电子管)和石机(晶体管)两种,声音趋向各不相同。
在实际的使用中,根据自己的耳机耳塞添加合适的耳放设备,效果提升是十分明显的。
二.耳机功放电路图原理介绍(1). 图1为耳机控制功能工作示意图,当没有耳机插头接入插孔时,R1-R2分压电阻使提供到HP-IN管脚(16脚)的电压近似为50mV,驱动Amp1B和Amp2B处于工作状态,使HWD2163工作于桥式模式。
输出耦合电容隔离半供给直流电压,起到保护耳机的作用。
输入HP-IN管脚的电压为4V。
当HWD2163工作于桥式模式时,实质上负载两端的电压为0V。
因此甚至为理想状态下,难以引发放大器处于单终端输出的工作模式。
耳机接入耳机插孔使得耳机插孔与-OUTA分离并使R1上接HP管脚的电压至VDD。
这样耳机关断功能把Amp2A和Amp2B给关断且桥式连接的扬声器就不工作了,放大器便驱动输出耦合阻抗为R2和R3的耳机,当耳机阻抗为典型值32Ω时,输出耦合阻抗R2、R3对HWD2163输出驱动能力的影响可忽略不计。
图2也是耳机插孔的电性连接关系示意图,插孔为一组三线插头的设计,尖端和环分别为立体双声道的一个信号输出,然而最外端的环为地。