测量仪器检验与校正记录表格模板
- 格式:doc
- 大小:43.50 KB
- 文档页数:4
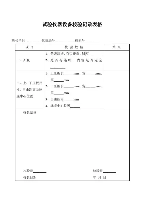
试验仪器设备校验记录表格送检单位__________仪器编号____________校验号________金属线材反复弯曲试验机校验记录TGX055-2001送检单位____________仪器编号___________校验号__________钢筋冷弯弯心校验记录TGX056-2001 送检单位__________ 仪器编号__________ 校验号_________校(检) 验证书_______字第_______号仪器名称_______________________________________________型号_______________________________________________制造厂_______________________________________________出厂编号_______________________________________________送校(检)单位____________________________________________校(检)验结论____________________________________________校(检)验日期年月日校(检)验周期有效日期年月日至年月日校(检)验员核验员技术负责人校(检)验单位(章)石料冲击韧度试验机校验记录TGX030-2001送检单位__________仪器编号_________校验号_________圆盘耐磨试验机记录TGX031-2001 送检单位__________仪器编号_________校验号__________道碴筛校验记录TGX032-2001送检单位_________ 仪器编号__________ 校验号_________道碴集料压碎率试模校验记录TGX033-2001送检单位________仪器编号________校验号_________道碴标准集料压碎率试模校验记录TGX033-2001送检单位________仪器编号________校验号_________道碴针状规准仪校验记录TGX035-2001 送检单位________仪器编号___________校验号________道碴片状规准仪校验记录TGX036-2001 送检单位________仪器编号___________校验号________洛杉矶磨耗机校验记录TGX037-2001 送检单位________仪器编号______生产厂家______校验号_____标准集料冲击韧度机校验记录TGX038-2001送检单位________仪器编号______生产厂家_________校验号_____电热鼓风干燥箱校验记录TGX013-2001 送检单位________ 仪器编号___________ 校验号________碎石或者卵石片状规准仪校验记录TGX016-2001送检单位________ 仪器种类_______ 仪器编号______ 校验号_____碎石或者卵石针状规准仪校验记录TGX015-2001送检单位________ 仪器编号___________ 校验号________压碎指标测定仪校验记录TGX014-2001送检单位________ 仪器编号________ 校验号_________试验室用混凝土搅拌机检验记录TGX023-2001送检单位________ 仪器编号________ 校验号_________砂浆稠度仪校验记录TGX029-2001送检单位________ 仪器编号________ 校验号_________砂浆分层度仪校验记录TGX026-2001送检单位________ 仪器编号________ 校验号_________容量筒校验记录TGX011-2001送检单位________ 仪器编号________ 校验号_________混凝土坍落度筒校验记录TGX020-2001送检单位________ 仪器编号________ 校验号_________新购混凝土及砂浆试模校验记录TGX025a-2001送检单位__________试模品种规格_______仪器编号______校验号_________使用中混凝土及砂浆试模校验记录TGX025b-2001送检单位__________试模品种规格_______仪器编号______校验号_________振筛机校验记录TGX010-2001送检单位__________仪器编号______ 生产厂家___________校验号_________普通混凝土用砂、碎石或者卵石筛校验记录TGX012a-2001送检单位__________ 仪器编号______ 校验号_________建筑用砂、碎石或者卵石筛校验记录TGX012b-2001送检单位__________ 仪器编号______ 校验号_________雷氏膨胀测定仪校验记录TGX006-2001送检单位__________ 仪器编号______ 校验号_________雷氏夹校验记录TGX007-2001送检单位__________ 仪器编号______ 校验号_________恒温恒湿养护箱校验记录TGX009-2001送检单位__________ 仪器编号______ 校验号_________沸煮箱校验记录TGX003-2001送检单位__________ 仪器编号______ 校验号_________沥青软化仪校验记录TGX039-2001送检单位__________ 仪器编号______ 校验号_________沥青延度仪校验记录TGX040-2001送检单位__________ 仪器编号______ 校验号________沥青针入度仪校验记录TGX041-2001送检单位__________ 仪器编号______ 校验号________比重瓶校验记录TGX052-2001送检单位__________ 仪器编号______ 校验号________玻璃仪器校验记录TGX053-2001送检单位__________品种规格___________仪器编号______校验号_______光电式液、塑限仪校验记录TGX048-2001送检单位__________ 仪器编号______ 校验号________跳桌校验记录TGX027-2001送检单位__________ 仪器编号______ 校验号________灌砂仪校验记录TGX050-2001送检单位__________ 仪器编号______ 校验号________水泥负压筛析仪校验记录TGX001-2001送校单位_________仪器编号_______生产厂家__________ 校验号__________维卡仪校验记录TGX002-2001 送校单位__________ 仪器编号_________ 校验号__________击实仪校验记录TGX047-2001送校单位____________ 仪器编号___________ 校验号___________混凝土震动台检验记录TGX019-2001送校单位____________ 仪器编号___________ 校验号___________混凝土动弹模量测定仪校验记录TGX 021-2001 送校单位__________ 仪器编号__________ 校验号________。
土工标准筛校准记录表(B01-01)设备名称设备编号规格型号出厂编号生产厂家校准日期校准器具名称及编号校准环境外观检查校准项目技术要求实测值筛孔直径偏差最大值校准结果筛孔标称直径(mm)60 60±0.60 40 40±0.4520 20±0.30 10 10±0.21 5 5±0.142 2±0.090 1 1±0.070备注校准校核日期电热鼓风干燥箱校准记录表(B01-02)设备名称设备编号规格型号出厂编号生产厂家校准日期校准器具名称及编号校准环境外观检查校准项目技术要求实测值校准结果标准温度计读数(℃)显示器温度值(℃)显示器示值准确性——30405060708090100110120…温度控制稳定性设定值±3℃设定温度(℃)读数1(℃)读数2(℃)读数3(℃)65105175备注校准校核日期液塑限联合测定仪校准记录表(B01-03)设备名称设备编号规格型号出厂编号生产厂家校准日期校准器具名称及编号校准环境外观检查校准项目技术要求实测值1 2 3 平均圆锥下沉时间(s)5±0.1圆锥仪的质量(g)76±0.2 100±0.2圆锥仪的锥角(°)30±0.2锥尖磨损高度初始高度(mm)————实测高度(mm)——磨损高度(mm)≤0.3盛土杯尺寸小杯内径(mm)40±0.5高度(mm)30~40 大杯内径(mm)50±0.5高度(mm)40~50下沉深度测量误差示值(mm) 5 误差(%)≦2 示值(mm)10 误差(%)≦2 示值(mm)15 误差(%)≦2 示值(mm)20 误差(%)≦2校准结果备注校准校核日期电动击实仪校准记录表(B01-04)设备名称设备编号规格型号出厂编号生产厂家校准日期校准器具名称及编号校准环境外观检查校准项目技术要求实测值1 2 3 平均击实锤质量(g)轻型2500±5 重型4500±5击锤落高(mm)轻型300±2 重型450±2锤头直径(mm)轻型50±0.5 重型50±0.5击实锤体的侧母线与击实筒内壁的间隙(mm)2~2.5击实筒高度(mm)小型127±0.23 大型170±0.25击实筒内径(mm)小型100±0.2 大型152±0.3校准结果备注校准校核日期路面材料强度试验仪校准记录表(B01-05)设备名称设备编号规格型号出厂编号生产厂家校准日期校准器具名称及编号校准环境外观检查校准项目技术要求实测值1 2 3 平均上升速率初始读数(mm)————终止读数(mm)————上升速率(mm/min)1框架横梁、升降台的水平度上升轴及贯入杆的竖直度校准结果备注校准校核日期土工环刀校准记录表(B01-06)设备名称设备编号规格型号出厂编号生产厂家校准日期校准器具名称及编号校准环境检验项目内径(mm)高度(mm)体积(c m3)外观检查校准结果技术要求79.8±0.1561.8±0.1560~8020.0±0.1020.0±0.1020~30环刀编号 1 2 3 平均 1 2 3 平均备注校准校核日期CBR试验装置校准记录表(B01-07)设备名称设备编号规格型号出厂编号生产厂家校准日期校准器具名称及编号校准环境外观检查校准项目技术要求实测值1 2 3 平均值贯入杆直径(mm)50±0.5试筒直径(mm)152±0.2高度(mm)170±1筒内垫块直径(mm)151±0.2 高度(mm)50±0.5套环高度(mm)50±0.5荷载板校准参数技术要求 1 2 3 4 直径(mm)150±0.5中心孔眼直径(mm)52±1.0质量(g)1250±10校准结果校准校核日期设备名称设备编号规格型号出厂编号生产厂家校准日期校准器具名称及编号校准环境外观检查实测值校准项目技术要求1 2 3 平均值试筒内径(mm)150±0.1试筒高度(mm)230±0.1上压柱高度(mm) 40±0.1下压柱高度(mm) 40±0.1校准结果备注校准校核日期设备名称设备编号规格型号出厂编号生产厂家校准日期校准器具名称及编号校准环境外观检查实测值校准项目技术要求1 2 3 平均值试筒内径(mm)100±0.1试筒高度(mm)180±0.1上压柱高度(mm) 40±0.1下压柱高度(mm) 40±0.1校准结果备注校准校核日期设备名称设备编号规格型号出厂编号生产厂家校准日期校准器具名称及编号校准环境外观检查实测值校准项目技术要求1 2 3 平均值试筒内径(mm)50±0.1试筒高度(mm)130±0.1上压柱高度(mm) 40±0.1下压柱高度(mm) 40±0.1校准结果备注校准校核日期手动击实仪校准记录表(B01-09)设备名称设备编号规格型号出厂编号生产厂家校准日期校准器具名称及编号校准环境外观检查校准项目技术要求实测值1 2 3 平均击实锤质量(g)重型4500±9————击锤落高(mm)重型450±2锤头直径(mm)重型50±0.5击实锤体的侧母线与击实筒内壁的间隙(mm)2~2.5击实筒高度(mm)大型127±0.23170±0.25击实筒内径(mm)大型100±0.2152±0.3校准结果备注校准校核日期设备名称设备编号规格型号出厂编号生产厂家校准日期校准器具名称及编号校准环境外观检查校准项目技术要求实测值筛孔偏差最大值校准结果筛孔尺寸(mm)75 ±0.70 63 ±0.6053 ±0.55 37.5 ±0.45 31.5 ±0.40 26.5 ±0.35 19 ±0.29 16 ±0.27 13.2 ±0.25 9.5 ±0.214.75 ±0.14备注校准校核日期设备名称设备编号规格型号出厂编号生产厂家校准日期校准器具名称及编号校准环境外观检查校准项目技术要求实测值平均尺寸偏差校准结果筛孔尺寸(mm)左读数见表201-2右读数实测孔径单孔偏差左读数右读数实测孔径单孔偏差左读数右读数实测孔径单孔偏差左读数右读数实测孔径单孔偏差左读数右读数实测孔径单孔偏差备注一个筛填一张表校准校核日期针片状规准仪校准记录表(B02-02)设备名称设备编号规格型号出厂编号生产厂家校准日期校准器具名称及编号校准环境外观检查校准项目粒级技术要求实测值1 2 3针状规准仪相应的立柱间距(mm)4.75~9.5 17.1±0.9 9.5~16 30.6±1.2 16~19 42.0±2 19~26.5 54.6±3 26.5~31.5 69.6±4 31.7~37.5 82.8±5片状规准仪相应的孔宽(mm)4.75~9.5 2.8±0.15 9.5~16 5.1±0.25 16~19 7.0±0.35 19~26.5 9.1±0.45 26.5~31.5 11.6±0.55 31.5~37.5 13.8±0.75片状规准仪相应的孔长(mm)4.75~9.5 17.1±0.9 9.5~16 30.6±1.2 16~19 42.0±2 19~26.5 54.6±3 26.5~31.5 69.6±4 31.5~37.5 82.8±5校准结果备注校准校核日期压碎值试验仪校准记录表(GB/T 14685压碎值试验仪)(B02-03-01)设备名称设备编号规格型号出厂编号生产厂家校准日期校准器具名称及编号校准环境外观检查校准项目技术要求实测值1 2 3 平均试筒尺寸(mm)内径152±0.3 厚度≥10压头直径(mm)150±0.2底板尺寸(mm)内径172±0.5 外径182±0.5校准结果备注校准校核日期压碎值试验仪校准记录表(JTG E42压碎值试验仪)(B02-03-02)设备名称设备编号规格型号出厂编号生产厂家校准日期校准器具名称及编号校准环境外观检查校准项目技术要求实测值1 2 3 平均试筒尺寸(mm)内径150±0.3 高度125~128 厚度≥12压柱尺寸(mm)压头直径149±0.2 压杆直径100~149 压柱总长100~110 压头厚度≥25底板尺寸(mm)直径200~220 厚度 6.4±0.2 边缘厚度10±0.2金属筒(mm)内径112±0.2高度179.4±0.2捣棒直径(mm)10±1.0校准结果备注校准校核日期洛杉矶磨耗试验机校准记录表(B02-04)设备名称设备编号规格型号出厂编号生产厂家校准日期校准器具名称及编号校准环境外观检查校准项目技术要求实测值1 2 3 平均转速500转时间(s)30~33 转速(r/min)圆筒尺寸内径外径(mm)——壁厚(mm)——内径(mm)710±5 内侧长外侧长(mm)——端部厚(mm)——内侧长(mm)510±5钢球质量(g)及直径(mm)质量:390~445直径:46.0~47.6钢球编号质量直径1 2 3 平均校准结果备注校准校核日期加速磨光机校准记录表(B02-05)设备名称设备编号规格型号出厂编号生产厂家校准日期校准器具名称及编号校准环境外观检查校准项目技术要求实测值1 2 3 平均道路轮外径(mm)406±1宽度(mm)45±1 旋转时外径对轴心的跳动幅度(mm)≤0.08 旋转时两侧端面对轴心的摆动幅度(mm)≤0.05 工作时的转速(r/min)320±5橡胶轮外径(mm)206±1.5 顶部宽度(mm)44±1 硬度(IRHD)69±3注砂注水流量30号金刚砂的注入流量(g/min)27±7 280号金刚砂的注入流量(g/min)3±1 注水流量(mL/min)50~75 加荷压力N 725±10 校准结果备注校准校核日期砂当量仪校准记录表(B02-06)设备名称设备编号规格型号出厂编号生产厂家校准日期校准器具名称及编号校准环境外观检查校准项目技术要求实测值1 2 3 平均圆柱试筒外径(mm)40±0.5 内径(mm)32±0.25 高度(mm)420±0.25 刻度线n1380 刻度线n2100配重活塞杆长度(mm)440±0.25 底座直径(mm)25±0.1 配重(g)1000±5冲洗管外径(mm)6±0.5 内径(mm)4±0.2 流出口孔径1±0.1机械振荡器振幅(mm)203±1 频率(次/min)180±2 校准结果备注校准校核日期细集料棱角性(流动时间法)测定仪校准记录表(B02-07)设备名称 设备编号 规格型号 出厂编号 生产厂家校准日期校准器具名称及编号校准环境 外观检查校准项目技术要求实测值12 3 平均 金属圆筒内径(mm )90±0.5高度(mm ) 125±1 锥形漏斗角度(°)60±4 流出口孔径(mm )12.0±0.5 16.0±0.5校准结果备 注校 准校 核日 期容量筒校准记录表(B02-08)设备名称设备编号规格型号出厂编号生产厂家校准日期校准器具名称及编号校准环境筒编号规格型号外观内径(mm)高度(mm)壁厚(mm)容积校准结果单值平均单值平均筒+玻璃质量(g)筒+水+玻璃质量(g)水温(℃)容积(cm3)单值平均技术要求1L 108±1 109±1 2.5备注3L 155±2 160±2 2.55L 186±2 186±2 2.510L 205±2 305±2 2.510L 208±3 294±5 3.015L 255±5 295±5 3.020L 355±5 305±5 3.020L 294±5 294±5 3.030L 360±5 294±5 4.0校准校核日期饱和面干试模校准记录表(B02-09)设备名称设备编号规格型号出厂编号生产厂家校准日期校准器具名称及编号校准环境外观检查校准项目尺寸技术要求实测值平均值1 2 3试模各部位尺寸(mm)上口内径40±3 下口内径90±3 试模高度75±3捣棒要求捣棒下端直径25mm±3mm捣棒重量340g±15g校准结果备注校准校核日期细集料堆积密度标准漏斗校准记录表(B02-10)设备名称设备编号规格型号出厂编号生产厂家校准日期校准器具名称及编号校准环境外观检查实测值校准项目技术要求1 2 3 平均漏斗嘴长度120mm±2mm漏斗管直径20mm±1mm漏斗最高度345mm±2mm校准结果备注校准校核日期细集料压碎值试验仪校准记录表(B02-11)设备名称设备编号规格型号出厂编号生产厂家校准日期校准器具名称及编号校准环境外观检查校准项目技术要求实测值1 2 3 平均试筒尺寸(mm)内径77±0.25 高度70±0.25 厚度10±0.2压柱尺寸(mm)压杆直径50±0.25 压柱总长75±0.25底板尺寸(mm)内径97±0.25外径117±0.25 底板厚度10±0.2捣棒直径(mm)10±1.0校准结果备注校准校核日期透气比表面积仪校准记录表(B03-01)设备名称设备编号规格型号出厂编号生产厂家校准日期校准器具名称及编号校准环境外观检查校准项目技术要求实测值1 2 3 平均漏气检查5min液面不下降透气圆筒尺寸内径(mm)12.70(0,+0.05)高度(mm)55+10穿孔板尺寸直径(mm)12.70(0,-0.05)厚度(mm) 1.0(0-0.1)捣器尺寸直径(mm)12.60(0,+0.05)扁平槽宽度(mm) 3.0±0.3捣器底面与穿孔板之间距离(mm)15.0±0.5未装料装满水银质量(g)——装料后装满水银质量(g)——温度(℃)——粉料层体积(0.001cm3)——校准结果备注校准校核日期水泥负压筛析仪校准记录表(B03-02)设备名称设备编号规格型号出厂编号生产厂家校准日期校准器具名称及编号校准环境外观检查校准项目技术要求实测值筛析仪负压(kPa)4000~6000标准样品筛余标准值(%)——试验筛修正系数校准试验次数—— 1 2 3标准样品筛前质量(g)——标准样品筛余质量(g)——标准样品筛余值(%)——标准样品筛余平均值(%)——试验筛修正系数C 0.8~1.2校准结果备注校准校核日期水泥净浆搅拌机校准记录表(B03-03)设备名称设备编号规格型号出厂编号生产厂家校准日期校准器具名称及编号校准环境外观检查校准项目技术要求实测值1 2 3 平均搅拌锅内径(mm)160±1深度(mm)139±2搅拌叶片总长度(mm)165±1有效长度(mm)110±2总宽度(mm)111.0~112.5 外沿直径(mm) 5.0~6.5叶片与锅壁之间的最小间隙(mm)2±1控制程序各阶段所需时间慢速(s)120±3 停机(s)15±1 快速(s)120±3转速低速自转(r/min)140±5公转(r/min)62±5高速自转(r/min)285±10公转(r/min)125±10校准结果备注校准校核日期设备名称设备编号规格型号出厂编号生产厂家校准日期校准器具名称及编号校准环境外观检查校准项目技术要求实测值注水后量水器读数(mL)所注水的质量(g)水温度(℃)所注水的计算体积(mL)量水器示值差(mL)差值平均值(mL)刻度校准量水器读数与天平校准(称量)计算注水量之差不超过1%为合格校准结果备注校准校核日期设备名称设备编号规格型号出厂编号生产厂家校准日期校准器具名称及编号校准环境外观检查校准项目技术要求实测值刻度校准量水器读数与移液管加水量不超过1%为合格1移液管加水量(mL)10 10 10 10 10 10量水器读数(mL)连续两次读数差值示值误差(mL)2移液管加水量(mL)10 10 10 10 10 10量水器读数(mL)连续两次读数差值示值误差(mL)3移液管加水量(mL)10 10 10 10 10 10量水器读数(mL)连续两次读数差值示值误差(mL)示值误差平均值量水器最低刻线校准示值差不超过1mL为合格量水器读数(mL)100 100 100 容量瓶调整用水量(mL)量水器的示值误差(mL)示值误差平均值(mL)校准结果备注校准校核日期水泥标准稠度和凝结时间测定仪校准记录表(B03-05)设备名称设备编号规格型号出厂编号生产厂家校准日期校准器具名称及编号校准环境外观检查校准项目技术要求实测值1 2 3 平均试杆有效长度(mm)50±1 直径(mm)10±0.05初凝针长度总长度(mm)——螺杆长(mm)——针长度(mm)50±1直径(mm) 1.13±0.05终凝针长度总长度(mm)——螺杆长(mm)——针长度(mm)30±1直径(mm) 1.13±0.05 环形附件针头至其底端的距离(mm)——环形附件平面至其底端的距离(mm)——环形附件平面与针头的距离(mm)0.5滑动部分总质量滑动杆+试杆(g)300±1 滑动杆+初凝针(g)300±1 滑动杆+终凝针(g)300±1圆模上口内径(mm)65±0.5 下口内径(mm)75±0.5 高度(mm)40±0.2垂直度试杆(mm)<2.0 试针(mm)<1.5 校准结果备注校准校核日期雷式夹校准记录表(B03-06)设备名称设备编号规格型号出厂编号生产厂家校准日期校准器具名称及编号校准环境外观检查校准项目技术要求实测值1 2 3 平均雷氏夹尺寸高度(mm)30±1内径(mm)30±1针长(mm)左150±1右针直径(mm) 2.0±0.2壁厚(mm)0.50±0.05 开口宽度(mm)≤1弹性限变A值(mm)——C值(mm)——C-A值(mm)17.5±2.5 B值(mm) B = A 校准结果备注校准校核日期雷氏沸煮箱校准记录表(B03-07)设备名称设备编号规格型号出厂编号生产厂家校准日期校准器具名称及编号校准环境外观检查校准项目技术要求实测值1 2 3 4 平均沸煮箱箱体内部尺寸长(mm)410±3 宽(mm)240±3 高(mm)310±3加热至沸腾的时间(min)30±5维持沸煮的时间(min)180±5校准结果备注校准校核日期行星式水泥胶砂搅拌机校准记录表(B03-08)设备名称设备编号规格型号出厂编号生产厂家校准日期校准器具名称及编号校准环境外观检查校准项目技术要求实测值1 2 3 平均搅拌锅内径(mm)202±1深度(mm)180±3搅拌叶片总宽(mm)135+0.63 叶翅宽(mm)8±1 叶翅厚(mm)5±1 总长度(mm)198转速低速自转(r/min)140±5公转(r/min)62±5 高速自转(r/min)285±10公转(r/min)125±10控制程序各阶段所需时间低速(s)30±1 自动加砂(s)30±1 高速(s)30±1 停机(s)90±1 高速(s)60±1叶片与锅底、锅壁之间的最小间隙(mm)3±1校准结果备注校准校核日期水泥胶砂振实台校准记录表(B03-09)设备名称设备编号规格型号出厂编号生产厂家校准日期校准器具名称及编号校准环境外观检查校准项目技术要求实测值1 2 3 平均振幅14.7+0.05(mm)15±0.3 15.3-0.05(mm)振动频率次/秒60 /(60±2)套模尺寸长(mm)160±0.1宽(mm)132±0.4高(mm)20±1隔板厚(mm)6±0.1 自动控制器——校准结果备注校准校核日期水泥胶砂流动度测定仪校准记录表(B03-10)设备名称设备编号规格型号出厂编号生产厂家校准日期校准器具名称及编号校准环境外观检查校准项目技术要求实测值1 2 3 平均圆盘桌面的直径(mm)300±1圆盘桌面和推杆质量(kg) 4.35±0.15试模尺寸高度(mm)60±0.5 上口内径(mm)70±0.5 下口外径(mm)120±0.5 下口内径(mm)100±0.5捣棒直径(mm)20±0.5长度(mm)约为200一个周期程序控制跳动次数(次) 25 所需的时间(s) 25±1标准样流动度测定标准流动度值(mm)——实测流动度(mm)——校准结果备注校准校核日期标准养护室校准记录表(B03-11)设备名称设备编号规格型号出厂编号生产厂家校准日期校准器具名称及编号校准环境外观检查校准项目技术要求实测值控制器校准灵敏度检查——标准温湿度计读数温度(℃)——湿度(%)显示器读数温度(℃)湿度(%)温湿度校准————东南西北中平均温度(℃)20±2湿度(%)≥95%校准结果备注校准校核日期水泥混凝土振动台校准记录表(B03-12)设备名称设备编号规格型号出厂编号生产厂家校准日期校准器具名称及编号校准环境外观检查校准项目技术要求实测值1 2 3 平均台面尺寸长(mm)±5宽(mm)±5台面平面度(mm)≤0.3振动频率(Hz)测点150±3 测点2测点3测点4中心点振幅(mm)测点10.5±0.02测点2测点3测点4中心点平均值————————试模固定的可靠性试模无松动、无位移校准结果备注校准校核日期坍落度测定仪校准记录表(B03-13)设备名称设备编号规格型号出厂编号生产厂家校准日期校准器具名称及编号校准环境外观检查校准项目技术要求实测值1 2 3 平均坍落度筒尺寸底部外径(mm)——壁厚(mm)——底部内径(mm)200±2 顶部内径(mm)100±2 高度(mm)300±2 筒壁厚(mm)≥4≥3捣棒尺寸直径(mm)16±0.1 长度(mm)600±5 校准结果备注校准校核日期混合式气压法含气量测定仪校准记录表(B03-14)设备名称设备编号规格型号出厂编号生产厂家校准日期校准器具名称及编号校准环境外观检查校准项目技术要求实测值1 2 3 平均量钵容积量钵+玻璃板(g)————量钵+水+玻璃板(g)————水温度(℃)————量钵容积(mL)7000±50含气量校准含气量(%)吸水量(mL)——压力表读数(MPa)1 70 ——2 140 ——3 210 ——4 280 ——5 350 ——6 420 ——7 490 ——8 560 ——9 630 ——10 700 ——校准结果备注校准校核日期混凝土贯入阻力仪校准记录表(B03-15)设备名称设备编号规格型号出厂编号生产厂家校准日期校准器具名称及编号校准环境外观检查校准项目技术要求实测值1 2 3 平均面积试针尺寸1面积(mm2)100标记长度(mm)25 ——2面积(mm2)50标记长度(mm)25 ——3面积(mm2)20标记长度(mm)25 ——试料筒尺寸上口内径(mm)1600+0.6——下底外径(mm)————壁厚(mm)——下底内径(mm)1500+0.6筒深(mm)150±0.3 ——校准结果备注校准校核日期水泥混凝土抗渗仪校准记录表(B03-16)设备名称设备编号规格型号出厂编号生产厂家校准日期校准器具名称及编号校准环境外观检查校准项目技术要求实测值加压系统设定压力(MPa)显示压力(MPa)显示与设定差MPa1 2 3 平均0.51.01.52.0试模尺寸1上口内径(mm)175±0.5下口内径(mm)185±0.5高度(mm)150±0.52上口内径(mm)175±0.5下口内径(mm)185±0.5高度(mm)150±0.5…上口内径(mm)175±0.5下口内径(mm)185±0.5高度(mm)150±0.5校准结果备注校准校核日期水泥砂浆稠度测定仪校准记录表(B03-17)设备名称设备编号规格型号出厂编号生产厂家校准日期校准器具名称及编号校准环境外观检查校准项目技术要求实测值1 2 3 平均试锥和滑杆总质量(g)300±2试锥尺寸高度(mm)145±0.5 直径(mm)75±0.5盛样容器高度(mm)180±0.5 开口内径(mm)150±0.5表盘刻度表盘读数(mm)——0 10 20 30 40 50 6070 80 90 100 110 120 ——高度尺读数(mm)——差值(mm)≤0.5校准结果备注校准校核日期设备名称 设备编号 规格型号 出厂编号 生产厂家校准日期校准器具名称及编号校准环境 校准项目 技术要求1室 2室3室单值 平均单值 平均单值 平均 长 (mm ) 不大于公称尺寸的±0.2% 且≤±1(mm )宽 (mm )高 (mm )a 面—— —— —— b 面 —— —— —— c 面 —— —— —— d 面 —— —— —— 相邻面垂直度(°)1 90±0.3—— —— —— 2 —— —— —— 3—— —— —— 4——————5 —— —— ——6 —— —— ——7 —— —— —— 8——————组装后最大 间隙 (mm )连接面 ≤0.2 隔板与 侧板≤0.4备 注 三联模一个试模填一张表,1室、2室、3室处可改写试模编号。
经纬仪检验与校正记录表
检测仪器:检查日期:
检验项目检验检验结果2C值
盘左盘右
I角
盘左盘右
外
观及
气泡
外观及一般功能检查;
按键功能检查;
水准气泡检查;
对中器检查;
检查人:
全站仪检验与校正记录表
检测仪器:检查日期:
检验项目检验检验结果2C值
盘左盘右
I角
盘左盘右
外
观及
气泡
外观及一般功能检查;
按键功能检查;
水准气泡检查;
对中器检查;
检查人:
全站仪检验与校正记录表
检测仪器:检查日期:
检验项目检验检验结果2C值盘左盘右
I角
盘左盘右
外
观及
气泡
外观及一般功能检查;
按键功能检查;
水准气泡检查;
对中器检查;
检查人:
水准仪检验与校正记录表检测仪器:检查日期:
检查
项目
检验检验结果水准管a1b1H a1b1
轴平行
于视准
轴的校
正
a2b2h a2b2
校正
方法
其它项目外观及一般功能检查;
水准气泡检查;
十字丝横丝的检验;
检查人:。
检 (校) 验证书之袁州冬雪创作字第号仪器称号型号制造厂出厂编号送校(检)单位校(检)验结论校(检)验日期:年代日校(检)验周期:个月有效日期:年代日至年代日校(检)验员校核员技术负责人校(检)验单位(章)水泥负压筛析仪校验记录送校单位仪器编号生产厂家校验号维卡仪校验记录送校单位仪器编号校验号沸煮箱校验记录送校单位仪器编号校验号水泥胶砂试模校验记录送校单位仪器编号校验号雷氏膨胀测定仪校验记录送校单位仪器编号校验号雷氏夹校验记录送校单位仪器编号校验号水泥抗压夹具校验记录送校单位仪器编号校验号恒温恒湿养护箱校验记录送校单位仪器编号校验号振筛机校验记录送校单位仪器编号生产厂家校验号容量筒校验记录送校单位仪器编号校验号砂、石尺度筛校验记录送校单位仪器编号校验号砂、石尺度筛校验记录送校单位仪器编号校验号砂、石尺度筛校验记录送校单位仪器编号校验号电热干燥箱校验记录送校单位仪器编号校验号压碎指标值测定仪校验记录送校单位仪器编号校验号碎石或卵石针状规准仪校验记录送校单位仪器规格仪器编号校验号碎石或卵石片状规准仪校验记录送校单位仪器规格仪器编号校验号混凝土抗渗仪校验记录送校单位仪器编号校验号混凝土震动台校验记录送校单位仪器编号校验号混凝土坍落度筒校验记录送校单位仪器编号校验号混凝土尺度养护室校验记录送校单位仪器编号校验号试验室用混凝土搅拌机校验记录送校单位仪器编号校验号冷冻箱校验记录送校单位仪器编号生产厂家校验号混凝土及砂浆试模校验记录送校单位试模品种规格仪器编号校验号使用中混凝土及砂浆试模校验记录送校单位试模品种规格仪器编号校验号砂浆分层度仪校验记录送校单位仪器编号校验号跳桌校验记录送校单位仪器编号校验号砂浆稠度仪校验记录送校单位仪器编号校验号道碴筛校验记录送校单位仪器编号校验号道碴集料压碎率试模校验记录送校单位仪器编号校验号道碴针状规准仪校验记录送校单位仪器规格仪器编号校验号道碴片状规准仪校验记录送校单位仪器规格仪器编号校验号洛杉矶磨耗机校验记录送校单位仪器编号生产厂家校验号沥青软化点仪校验记录送校单位仪器编号校验号沥青延度仪校验记录送校单位仪器编号校验号沥青针入度仪校验记录送校单位仪器编号校验号动力触探(标贯)仪校验记录送校单位仪器编号校验号击实仪校验记录送校单位仪器编号校验号光电式液、塑限测定仪校验记录送校单位仪器编号校验号相对密度试验仪校验记录送校单位仪器编号校验号灌砂仪校验记录送校单位仪器编号校验号K30平板载荷试验仪校验记录送校单位仪器编号校验号比重瓶校验记录送校单位仪器编号校验号玻璃仪器校验记录送校单位品种规格仪器编号校验号金属线材反复弯曲试验机校验记录送校单位仪器编号校验号钢筋冷弯弯芯校验记录送校单位仪器编号校验号环刀校验记录送校单位仪器编号校验号砼气压式含气量测定仪校验记录送校单位仪器编号校验号HG-80砼贯入阻力仪校验记录送校单位仪器编号校验号砼维勃稠度仪校验记录送校单位仪器编号校验号。
徕卡DNA03数字水准仪检验与校正记录表检验者:温度: 仪器型号:日期:记录者:气压: 地点:天气:1.一般性检验三脚架:键盘按钮及测量按钮:微动螺旋:调焦螺旋:目镜调焦螺旋:脚螺旋:水平度盘转动:望远镜成像:电池电量:显示器状态:铟钢尺及信号:2.圆水准器的检验与校正检验旋转望远镜180o次数气泡偏离情况处理结果方法:1、整平仪器;2、将仪器旋转180o;3、原居中的气泡是否偏离圆心而不居中;4、用内六角扳手改正气泡的一半;5、重复1到4直到圆水准气泡在任何方向都居中;注意:气泡校正时不能用图中作记号打叉的那个螺丝校正;3.十字丝横丝的检验与校正检验次数超限情况处理结果方法:如果仪器的视线倾斜误差每30m超过30mm, 则需要校正仪器;1、用内六角扳手校正螺旋,直到达到仪器的正确值;2、检验仪器视线的倾斜误差;4.视线倾斜误差检验校正测站A尺测量读数B尺测量读数视线倾斜误差值A尺高程测站距离B尺高程测站距离1 原视线倾斜误差=新视线倾斜误差=十字丝改正值= 2i角度公式中心测量法:仪器首先安置在相距约30m的两标尺中间测量,然后靠近B尺内外均可测量,如图:1 测站1 ,2 测站2A 标尺A ,B 标尺B距离应满足下列条件:1、测站1必须位于两标尺中心,偏差在±1m之内;2、测站2,b≤;测量步骤:程序用文字提示测量那一站1、激活测量功能,可以进行重复测量;2、〈CONT〉转到下一次照准;测量显示示例:标题显示测量步骤,×代表测站测站1 位置号A1,Dist 显示A1的测量结果B1,Dist 显示B1的测量结果继续下一整治,继续按系统方式测量B2和A2;最后结果显示:原视线倾斜误差新的视线倾斜误差Difference: 两次视线倾斜误差的差值;Reticle十字丝:在A标尺的最后值;保存在仪器中作为改正数的新的倾斜误差;设置原有的倾斜误差继续保留;注意:因为没有重复视线,所以关闭了<<Back功能,如果在测量过程中受到外界干扰,才进行重复测量;天宝DINI03数字水准仪检验与校正记录表检验者:温度: 仪器型号:日期:记录者:气压: 地点:天气:1.一般性检验三脚架:键盘按钮及测量按钮:微动螺旋:调焦螺旋:目镜调焦螺旋:脚螺旋:水平度盘转动:望远镜成像:电池电量:显示器状态:铟钢尺及信号:2.圆水准器的检验与校正检验旋转望远镜180o次数气泡偏离情况处理结果方法:1、整平仪器;2、将仪器旋转180o;3、原居中的气泡是否偏离圆心而不居中;4、用内六角扳手改正气泡的一半;5、重复1到4直到圆水准气泡在任何方向都居中;注意:气泡校正时不能用图中作记号打叉的那个螺丝校正;3.十字丝横丝的检验与校正检验次数超限情况处理结果方法:如果仪器的视线倾斜误差每30m超过30mm,则需要校正仪器;1、用内六角扳手校正螺旋,直到达到仪器的正确值;2、检验仪器视线的倾斜误差;4.视线倾斜误差检验校正测站A尺测量读数B尺测量读数视线倾斜误差值A尺高程测站距离B尺高程测站距离1 原视线倾斜误差=新视线倾斜误差=十字丝改正值=2i角度公式中心测量法:仪器首先安置在相距约30m的两标尺中间测量,然后靠近B尺内外均可测量,如图:1 测站1 ,2 测站2A 标尺A ,B 标尺B距离应满足下列条件:1,测站1必须位于两标尺中心,偏差在±1m之内;2,测站2,b≤;测量步骤:程序用文字提示测量那一站3、激活测量功能,可以进行重复测量;4、〈CONT〉转到下一次照准;继续下一整治,继续按系统方式测量B2和A2;最后结果显示:原视线倾斜误差保存在仪器中作为改正数的新的倾斜误差;设置原有的倾斜误差继续保留;注意:因为没有重复视线,所以关闭了<<Back功能,如果在测量过程中受到外界干扰,才进行重复测量;徕卡TS15系列全站仪检验与校正记录表检验者:温度: 仪器型号:日期:记录者:气压: 地点:天气:1.一般性检验三脚架:水平微动螺旋:垂直微动螺旋:望远镜成像:照准部转动:望远镜转动:脚螺旋:显示器状态:棱镜及信号:2.圆水准器的检验与校正圆水准器类型检验旋转照准部180o次数气泡偏离情况处理结果仪器圆水准器基座圆水准器方法:仪器上的圆水准气泡:1、利用电子气泡严格整平仪器,气泡必须居中;2、如果气泡超出圆圈,可以用六角扳手调整改正螺丝使之居中;注意:纠正完毕后,应该每一颗螺丝是紧的;基座上的圆水准气泡:1、利用电子气泡严格整平仪器;2、整平仪器后然后把仪器从从基座上拿下来;如果气泡不居中,可用六角扳手进行调整;旋转调整螺旋:向左:气泡向螺丝靠近;向右:气泡移动方向与上面相反;注意:纠正之后不应螺丝松动;3.全站仪联合校检l、t、i、c、ATR仪器误差名称当前误差值第一测回修正值第二测回修正值第三测回修正值校正后误差值l-补偿器纵向误差t-补偿器横向误差i-垂直角读数指标差联合校检l 、t、i、c、ATR方法:进入方法: 1、从主菜单进行:工具…/检验与校正;2、将光标移动到“联合l、t、i、c、ATR”3、按F1继续;说明:综合一次测定校正一下仪器误差;c 视准轴误差l,t 补偿器指示误差i 垂直角读数指标差ATR ATR零点误差—选项步骤说明注意事项在测定仪器误差前要做好以下事情:用电子气泡整平仪器;免受阳光直射给仪器一个适应环境温度的时间,存储温度与环境温差每℃2分钟,至少15分钟;1 从主菜单进行:工具…/检验与校正;将光标移动到“联合l、t、i、c、ATR”,按F1继续,进入窗口;步骤说明2 如果仪器有ATR功能,将“ATR校正:”栏选为“开”;将一个徕卡的圆棱镜擦干净作为目标,如GPR1,不要使用360°棱镜;3 在约100米远处设置目标,目标的垂直角应在±9°以内 ;用望远镜瞄准目标;从任一面开始都可以;双面都必须人工精密瞄准,即使有ATR,也是如此;4 F1测量,然后进入另一窗口;如果是带自动马达的仪器,会自动换面;如面Ⅰ换到面Ⅱ;5 按F1测量,测量同一目标的另一面,并计算仪器误差;如果一个或多个误差超过预定的限差,重测;所有当前产生的测量值被放弃,不参与平均计算;6双面测量完成后会显示测量精度窗口:观测数量:显示执行的测回数据;其他栏目为被检定误差的检定标准差;完成2测回后就可以计算并显示出来;F5测量:开始测量下一测回;F1继续:接受测量值,显示测量结果;注意:要求最小测量2测回;7看结果:F1继续:存储在“使用“栏里显示为“是”新仪器误差值;如果Log文件可用,写入日志文件;F4选用:设置是否使用新值;F5更多:显示更多的信息;如旧的误差数据;F2重做:放弃结果,全部重做;3、横轴误差检验与校正;仪器误差名称当前误差值第一测回修正值第二测回修正值第三测回修正值校正后误差值a-横轴误差进入方法: 1、从主菜单进行:“工具…/检验与校正;”2、将光标移动到“横轴a”3、按F1继续;步骤说明注意事项在测定仪器误差前要做好以下事情:用电子气泡整平仪器;免受阳光直射;给仪器一个适应环境温度的时间,存储温度与环境温差每℃2分钟,至少15分钟;必须先完成视准轴的测量检定;1 从主菜单进行:“工具…/检验与校正;”将光标移动到“横轴a”按F1继续;2在约100m处找一目标,目标的垂直角应在±27°以上;如果目标距离不足100m,目标必须精细;仪器的任何一面开始测量均可;无论有没有ATR,人工都要精密照准目标;3瞄准目标,按F1测量进行面Ⅰ测量,并进入下一窗口; 自动马达的仪器会自动换面倒镜,并重新瞄准目标测量;4 F1测量,测量同一目标的另一面,并计算横轴倾斜误差;如果误差超过预定的限差,重测;所有当前产生的测量值放弃,不参与平均计算;5 横轴误差的测量精度:观测数量:显示执行的测回数;δa T轴:被检定的横轴误差检定标准差,完成2测回测量后就可以计算并显示出来;F5测量:开始下一测回的测量;F1继续:接受测量值,显示计算结果;要求至少测量2测回;6 结果:F2重测:放弃结果,全部重测;F1继续:存储新的仪器误差值,如果Log文件可用,写入日志文件;苏光DSZ2水准仪检验与校正记录表日期:天气:检验者:仪器型号:地点:记录者:1.一般性检验三脚架:微动螺旋:调焦螺旋:目镜调焦螺旋:脚螺旋:水平度盘转动:望远镜成像:水准标尺:2.圆水准器的检验与校正检验旋转望远镜180o次数气泡偏离情况处理结果检验方法:①在相对平坦的场地上,选择相距约60~80m 的A 、B 两点,并打下木桩或安放尺垫两点中间处选择一点E ,且使D A =D B ;②将水准仪安置于E 点处,由于距离相等,视准轴与水准轴不平行所产生的高差误差可AB 不受视准轴误差的影响;用两次仪器高法测定A 、B 两点高差h AB ,若两次测得高差之差不超过3mm ,则取平均值作为最后结果;③将水准仪设置在靠近B 点约距3m 处F 点A 、B 两点内、外侧均可,精平仪器后点水准尺,读数为b 2;再瞄准A 点水准尺,读数为a 2,则A 、B 间高差h'AB 为:h'AB =a h AB ,则表明水准管轴平行于视准轴,几何条件满足;若h'AB ≠h AB ,则按下述公式计算根据国家现行工程测量规范GB50026-93第条规定,水准仪i 角绝对值:DS 型不应超过15"、DS 型不应超过20",否则需•AB ABAFh'-h =D公式34.水准仪i角误差DSZ2可用于国家的三、四等水准观测,满足各种建筑施工工程及水准测量要求;本产品具有自动补偿功能,可大大提高作业效率及避免差错;性能特点:·补偿器检查按钮·密封防尘、操作简便·结构紧凑、外形美观·可加配平测微器,可用于国家二级水准测量及精密沉降观测·卓越的温度补偿性能补偿器是由金属材料和玻璃材料组成,而这些材料受到温度的影响,会引起补偿器微量的变化,从而导致i角的变化;未经温度补偿的仪器,往往满足不了国家标准的GB/T 10156-4997的要求;下图中红线边界内绿色区域为温度变化时补偿器变化的合格区域企业标准规定:±″/摄氏度;图中红色粗曲线内A为未经温度补偿的水准仪i角变化曲线;DSZ2已加有温度补偿装置,利用温度补偿装置对i角随温度的变化量进行修正,如图中绿色粗线B为经补偿后的i角的变化曲线,从而使仪器在温度变化较大的恶劣条件下也能满足使用要求,对长时间的变形观测尤为适用;补偿器温度补偿原理图徕卡GPR1单棱镜组检验与校正检验者:温度: 仪器型号:日期:记录者:气压: 地点:天气:三脚架:棱镜头:对点器目镜调焦螺旋:脚螺旋:检验次数气泡偏离情况处理结果检验:用脚架架腿整平基座圆水准器,用脚螺旋整平管水准器,仔细观察圆水准器,若偏气泡偏离中心圈,则需要校正;校正:用六角扳手调整调节器螺丝;使其居中;检验旋转棱镜180o次数气泡偏离情况处理结果徕卡GPR1单棱镜组检验与校正检验者:温度: 仪器型号:日期:记录者:气压: 地点:天气:天宝M3系列全站仪检验与校正记录表检验者:温度: 仪器型号:日期:记录者:气压: 地点:天气:基座圆水准器方法:仪器上的圆水准气泡:3、利用电子气泡严格整平仪器,气泡必须居中;4、如果气泡超出圆圈,可以用六角扳手调整改正螺丝使之居中;注意:纠正完毕后,应该每一颗螺丝是紧的;基座上的圆水准气泡:4、利用电子气泡严格整平仪器;5、整平仪器后然后把仪器从从基座上拿下来;如果气泡不居中,可用六角扳手进行调整;旋转调整螺旋:向左:气泡向螺丝靠近;向右:气泡移动方向与上面相反;注意:纠正之后不应螺丝松动;。
资料范本本资料为word版本,可以直接编辑和打印,感谢您的下载各仪器设备校验记录表地点:__________________时间:__________________说明:本资料适用于约定双方经过谈判,协商而共同承认,共同遵守的责任与义务,仅供参考,文档可直接下载或修改,不需要的部分可直接删除,使用时请详细阅读内容水泥胶砂流动度测定仪校验记录表送检单位:仪器编号:校验编号:核验:校验:校验日期:年月日水泥胶砂试模校验记录表送检单位:仪器编号:校验编号:核验:校验:校验日期:年月日水泥胶砂试体成型振实台校验记录表核验:校验:校验日期:年月日水泥负压筛校验记录表送检单位:仪器编号:校验编号:核验:校验:校验日期:年月日水泥沸煮箱校验记录表送检单位:仪器编号:校验编号:核验:校验:校验日期:年月日水泥净浆搅拌机校验记录表送检单位:仪器编号:校验编号:核验:校验:校验日期:年月日水泥行星式胶砂搅拌机校验记录表送检单位:仪器编号:校验编号:核验:校验:校验日期:年月日雷氏夹校验记录表送检单位:仪器编号:校验编号:核验:校验:校验日期:年月日净浆标准稠度与凝结时间测定仪校验记录表送检单位:仪器编号:校验编号:核验:校验:校验日期:年月日雷氏膨胀测定仪校验记录表送检单位:仪器编号:校验编号:核验:校验:校验日期:年月日水泥抗压夹具校验记录表送检单位:仪器编号:校验编号:核验:校验:校验日期:年月日水泥恒温恒湿养护箱校验记录表送检单位:仪器编号:校验编号:核验:校验:校验日期:年月日电热干燥箱校验记录表送检单位:仪器编号:校验编号:核验:校验:校验日期:年月日压碎指标值测定仪校验记录表送检单位:仪器编号:校验编号:核验:校验:校验日期:年月日碎石或卵石针状规准仪校验记录送校单位:仪器编号:校验编号:核验:校验:校验日期:年月日碎石或卵石片状规准仪校验记录送校单位:仪器编号:校验编号:核验:校验:校验日期:年月日含气量测定仪校验记录送校单位:仪器编号:校验编号:试模校验记录送校单位:仪器编号:校验编号:坍落度筒校验记录送校单位:仪器编号:校验编号:振动台校验记录送校单位:仪器编号:校验编号:卵石、碎石试验筛校验记录送校单位:仪器编号:校验编号:砂试验筛校验记录送校单位:仪器编号:校验编号:砂浆稠度仪校验记录砂浆分层度测定仪校验记录送校单位:仪器编号:校验编号:砂、石容量筒校验记录试验室用混凝土搅拌机校验记录试验室用砂浆搅拌机校验记录摇筛机校验记录送校单位:仪器编号:校验编号:抗渗仪校验记录表送校单位:设备编号:校验编号:校验员: 审核员:校验日期:年月日标准养护室检验记录表送校单位: 仪器编号: 校验编号:校验员:审核员:检验日期:年月日切土环刀校验记录送校单位:仪器编号:校验编号:校验员审核员:校验日期:年月日击实仪校验记录送校单位:仪器编号:校验编号:校验员:校核员:校验日期:年月日沥青针入度仪校验记录送校单位:仪器编号:校验编号:沥青延度仪校验记录送样单位:仪器编号:校验编号:钢筋冷弯弯芯校验记录送校单位:仪器编号:校验编号:玻璃仪器校验记录送校单位:仪器编号:校验编号:灌砂仪校验记录送校单位:仪器编号:校验编号:金属线材反复弯曲试验机校验记录送校单位:仪器编号:校验编号:维卡仪校验记录送校单位:仪器编号:校验编号:低温箱校验记录表送校单位:仪器编号:校验编号:安定性检验用雷氏夹校验记录表送校单位:仪器编号:校验编号:抗压夹具校验记录表送校单位:仪器编号:校验编号:沥青混合料马歇尔击实仪校验记录表送校单位:仪器编号:校验编号:裁刀校验记录表送校单位:仪器编号:校验编号:回弹仪率定校验记录表送校单位:仪器编号:校验编号:校验员:复核员:校验日期:年月日拉拔仪校验记录表送校单位:仪器编号:校验编号:钢筋标距仪校验记录表受控编号:请删除以下内容后使用本资料一、互联网的诞生1.互联网诞生的历程2.互联网与信息化社会二、知识经济的发展1.知识经济出现的时代背景2.知识经济的内涵及发展概况3.知识和信息对社会的影响三、工作和生活方式的革命四、面临的问题重点:信息化社会的主要内容及影响难点:知识经济的内涵【教学方法】由于本课的内容更加贴近于学生生活的实际,资料容易搜集,并且也很有趣味性,因此在教学前应该引导学生搜集网络发展的资料,以锻炼学生收集整理资料的能力,不断加深对历史和现实的理解。
土工标准筛校准记录表(B01-01)电热鼓风干燥箱校准记录表(B01-02)液塑限联合测定仪校准记录表(B01-03)电动击实仪校准记录表(B01-04)路面材料强度试验仪校准记录表(B01-05)土工环刀校准记录表(B01-06)CBR试验装置校准记录表(B01-07)手动击实仪校准记录表(B01-09)针片状规准仪校准记录表(B02-02)压碎值试验仪校准记录表(GB/T 14685压碎值试验仪)(B02-03-01)压碎值试验仪校准记录表(JTG E42压碎值试验仪)(B02-03-02)洛杉矶磨耗试验机校准记录表(B02-04)加速磨光机校准记录表(B02-05)砂当量仪校准记录表(B02-06)细集料棱角性(流动时间法)测定仪校准记录表(B02-07)容量筒校准记录表(B02-08)饱和面干试模校准记录表(B02-09)细集料堆积密度标准漏斗校准记录表(B02-10)细集料压碎值试验仪校准记录表(B02-11)水泥负压筛析仪校准记录表(B03-02)水泥净浆搅拌机校准记录表(B03-03)水泥标准稠度和凝结时间测定仪校准记录表(B03-05)雷式夹校准记录表(B03-06)雷氏沸煮箱校准记录表(B03-07)行星式水泥胶砂搅拌机校准记录表(B03-08)水泥胶砂振实台校准记录表(B03-09)水泥胶砂流动度测定仪校准记录表(B03-10)标准养护室校准记录表(B03-11)水泥混凝土振动台校准记录表(B03-12)坍落度测定仪校准记录表(B03-13)混合式气压法含气量测定仪校准记录表(B03-14)混凝土贯入阻力仪校准记录表(B03-15)水泥混凝土抗渗仪校准记录表(B03-16)水泥砂浆稠度测定仪校准记录表(B03-17)砂浆分层度仪校准记录表(B03-19)水泥胶砂试模校验记录(B03-20)水泥混凝土抗折夹具校验记录(B03-23)自密实混凝土坍落扩展度用底板校准记录表(B03-24)。
检 (校) 验证书之阿布丰王创作字第号仪器名称型号制造厂出厂编号送校(检)单元校(检)验结论校(检)验日期:年月日校(检)验周期:个月有效日期:年月日至年月日校(检)验员校核员技术负责人校(检)验单元(章)水泥负压筛析仪校验记录送校单元仪器编号生产厂家校验号维卡仪校验记录送校单元仪器编号校验号沸煮箱校验记录送校单元仪器编号校验号水泥胶砂试模校验记录送校单元仪器编号校验号雷氏膨胀测定仪校验记录送校单元仪器编号校验号雷氏夹校验记录送校单元仪器编号校验号水泥抗压夹具校验记录送校单元仪器编号校验号恒温恒湿养护箱校验记录送校单元仪器编号校验号振筛机校验记录送校单元仪器编号生产厂家校验号容量筒校验记录送校单元仪器编号校验号砂、石标准筛校验记录送校单元仪器编号校验号砂、石标准筛校验记录送校单元仪器编号校验号砂、石标准筛校验记录送校单元仪器编号校验号电热干燥箱校验记录送校单元仪器编号校验号压碎指标值测定仪校验记录送校单元仪器编号校验号碎石或卵石针状规准仪校验记录送校单元仪器规格仪器编号校验号碎石或卵石片状规准仪校验记录送校单元仪器规格仪器编号校验号混凝土抗渗仪校验记录送校单元仪器编号校验号混凝土震动台校验记录送校单元仪器编号校验号混凝土坍落度筒校验记录送校单元仪器编号校验号混凝土标准养护室校验记录送校单元仪器编号校验号试验室用混凝土搅拌机校验记录送校单元仪器编号校验号冷冻箱校验记录送校单元仪器编号生产厂家校验号混凝土及砂浆试模校验记录送校单元试模品种规格仪器编号校验号使用中混凝土及砂浆试模校验记录送校单元试模品种规格仪器编号校验号砂浆分层度仪校验记录送校单元仪器编号校验号跳桌校验记录送校单元仪器编号校验号砂浆稠度仪校验记录送校单元仪器编号校验号道碴筛校验记录送校单元仪器编号校验号道碴集料压碎率试模校验记录送校单元仪器编号校验号道碴针状规准仪校验记录送校单元仪器规格仪器编号校验号道碴片状规准仪校验记录送校单元仪器规格仪器编号校验号洛杉矶磨耗机校验记录送校单元仪器编号生产厂家校验号沥青软化点仪校验记录送校单元仪器编号校验号沥青延度仪校验记录送校单元仪器编号校验号沥青针入度仪校验记录送校单元仪器编号校验号动力触探(标贯)仪校验记录送校单元仪器编号校验号击实仪校验记录送校单元仪器编号校验号光电式液、塑限测定仪校验记录送校单元仪器编号校验号相对密度试验仪校验记录送校单元仪器编号校验号灌砂仪校验记录送校单元仪器编号校验号K30平板载荷试验仪校验记录送校单元仪器编号校验号比重瓶校验记录送校单元仪器编号校验号玻璃仪器校验记录送校单元品种规格仪器编号校验号金属线材反复弯曲试验机校验记录送校单元仪器编号校验号钢筋冷弯弯芯校验记录送校单元仪器编号校验号环刀校验记录送校单元仪器编号校验号砼气压式含气量测定仪校验记录送校单元仪器编号校验号HG-80砼贯入阻力仪校验记录送校单元仪器编号校验号砼维勃稠度仪校验记录送校单元仪器编号校验号。
土工标准筛校准记录表(B01-01)设备名称设备编号规格型号出厂编号生产厂家校准日期校准器具名称及编号校准环境外观检查校准项目技术要求实测值筛孔直径偏差最大值校准结果筛孔标称直径(mm)60 60±0.60 40 40±0.4520 20±0.30 10 10±0.21 5 5±0.142 2±0.090 1 1±0.070备注校准校核日期电热鼓风干燥箱校准记录表(B01-02)设备名称设备编号规格型号出厂编号生产厂家校准日期校准器具名称及编号校准环境外观检查校准项目技术要求实测值校准结果标准温度计读数(℃)显示器温度值(℃)显示器示值准确性——30405060708090100110120…温度控制稳定性设定值±3℃设定温度(℃)读数1(℃)读数2(℃)读数3(℃)65105175备注校准校核日期液塑限联合测定仪校准记录表(B01-03)设备名称设备编号规格型号出厂编号生产厂家校准日期校准器具名称及编号校准环境外观检查校准项目技术要求实测值1 2 3 平均圆锥下沉时间(s)5±0.1圆锥仪的质量(g)76±0.2 100±0.2圆锥仪的锥角(°)30±0.2锥尖磨损高度初始高度(mm)————实测高度(mm)——磨损高度(mm)≤0.3盛土杯尺寸小杯内径(mm)40±0.5高度(mm)30~40 大杯内径(mm)50±0.5高度(mm)40~50下沉深度测量误差示值(mm) 5 误差(%)≦2 示值(mm)10 误差(%)≦2 示值(mm)15 误差(%)≦2 示值(mm)20 误差(%)≦2校准结果备注校准校核日期电动击实仪校准记录表(B01-04)设备名称设备编号规格型号出厂编号生产厂家校准日期校准器具名称及编号校准环境外观检查校准项目技术要求实测值1 2 3 平均击实锤质量(g)轻型2500±5 重型4500±5击锤落高(mm)轻型300±2 重型450±2锤头直径(mm)轻型50±0.5 重型50±0.5击实锤体的侧母线与击实筒内壁的间隙(mm)2~2.5击实筒高度(mm)小型127±0.23 大型170±0.25击实筒内径(mm)小型100±0.2 大型152±0.3校准结果备注校准校核日期路面材料强度试验仪校准记录表(B01-05)设备名称设备编号规格型号出厂编号生产厂家校准日期校准器具名称及编号校准环境外观检查校准项目技术要求实测值1 2 3 平均上升速率初始读数(mm)————终止读数(mm)————上升速率(mm/min)1框架横梁、升降台的水平度上升轴及贯入杆的竖直度校准结果备注校准校核日期土工环刀校准记录表(B01-06)设备名称设备编号规格型号出厂编号生产厂家校准日期校准器具名称及编号校准环境检验项目内径(mm)高度(mm)体积(cm3)外观检查校准结果技术要求79.8±0.1561.8±0.1560~8020.0±0.1020.0±0.1020~30环刀编号 1 2 3 平均 1 2 3 平均备注校准校核日期CBR试验装置校准记录表(B01-07)设备名称设备编号规格型号出厂编号生产厂家校准日期校准器具名称及编号校准环境外观检查校准项目技术要求实测值1 2 3 平均值贯入杆直径(mm)50±0.5试筒直径(mm)152±0.2高度(mm)170±1筒内垫块直径(mm)151±0.2 高度(mm)50±0.5套环高度(mm)50±0.5荷载板校准参数技术要求 1 2 3 4 直径(mm)150±0.5中心孔眼直径(mm)52±1.0质量(g)1250±10校准结果校准校核日期设备名称设备编号规格型号出厂编号生产厂家校准日期校准器具名称及编号校准环境外观检查实测值校准项目技术要求1 2 3 平均值试筒内径(mm)150±0.1试筒高度(mm)230±0.1上压柱高度(mm) 40±0.1下压柱高度(mm) 40±0.1校准结果备注校准校核日期设备名称设备编号规格型号出厂编号生产厂家校准日期校准器具名称及编号校准环境外观检查实测值校准项目技术要求1 2 3 平均值试筒内径(mm)100±0.1试筒高度(mm)180±0.1上压柱高度(mm) 40±0.1下压柱高度(mm) 40±0.1校准结果备注校准校核日期设备名称设备编号规格型号出厂编号生产厂家校准日期校准器具名称及编号校准环境外观检查实测值校准项目技术要求1 2 3 平均值试筒内径(mm)50±0.1试筒高度(mm)130±0.1上压柱高度(mm) 40±0.1下压柱高度(mm) 40±0.1校准结果备注校准校核日期手动击实仪校准记录表(B01-09)设备名称设备编号规格型号出厂编号生产厂家校准日期校准器具名称及编号校准环境外观检查校准项目技术要求实测值1 2 3 平均击实锤质量(g)重型4500±9————击锤落高(mm)重型450±2锤头直径(mm)重型50±0.5击实锤体的侧母线与击实筒内壁的间隙(mm)2~2.5击实筒高度(mm)大型127±0.23170±0.25击实筒内径(mm)大型100±0.2152±0.3校准结果备注校准校核日期设备名称设备编号规格型号出厂编号生产厂家校准日期校准器具名称及编号校准环境外观检查校准项目技术要求实测值筛孔偏差最大值校准结果筛孔尺寸(mm)75 ±0.70 63 ±0.6053 ±0.55 37.5 ±0.45 31.5 ±0.40 26.5 ±0.35 19 ±0.29 16 ±0.27 13.2 ±0.25 9.5 ±0.214.75 ±0.14备注校准校核日期设备名称设备编号规格型号出厂编号生产厂家校准日期校准器具名称及编号校准环境外观检查校准项目技术要求实测值平均尺寸偏差校准结果筛孔尺寸(mm)左读数见表201-2右读数实测孔径单孔偏差左读数右读数实测孔径单孔偏差左读数右读数实测孔径单孔偏差左读数右读数实测孔径单孔偏差左读数右读数实测孔径单孔偏差备注一个筛填一张表校准校核日期针片状规准仪校准记录表(B02-02)设备名称设备编号规格型号出厂编号生产厂家校准日期校准器具名称及编号校准环境外观检查校准项目粒级技术要求实测值1 2 3针状规准仪相应的立柱间距(mm)4.75~9.5 17.1±0.9 9.5~16 30.6±1.2 16~19 42.0±2 19~26.5 54.6±3 26.5~31.5 69.6±4 31.7~37.5 82.8±5片状规准仪相应的孔宽(mm)4.75~9.5 2.8±0.15 9.5~16 5.1±0.25 16~19 7.0±0.35 19~26.5 9.1±0.45 26.5~31.5 11.6±0.55 31.5~37.5 13.8±0.75片状规准仪相应的孔长(mm)4.75~9.5 17.1±0.9 9.5~16 30.6±1.2 16~19 42.0±2 19~26.5 54.6±3 26.5~31.5 69.6±4 31.5~37.5 82.8±5校准结果备注校准校核日期压碎值试验仪校准记录表(GB/T 14685压碎值试验仪)(B02-03-01)设备名称设备编号规格型号出厂编号生产厂家校准日期校准器具名称及编号校准环境外观检查实测值校准项目技术要求1 2 3 平均内径152±0.3试筒尺寸(mm)厚度≥10压头直径(mm)150±0.2内径172±0.5底板尺寸(mm)外径182±0.5校准结果备注校准校核日期压碎值试验仪校准记录表(JTG E42压碎值试验仪)(B02-03-02)设备名称设备编号规格型号出厂编号生产厂家校准日期校准器具名称及编号校准环境外观检查校准项目技术要求实测值1 2 3 平均试筒尺寸(mm)内径150±0.3 高度125~128 厚度≥12压柱尺寸(mm)压头直径149±0.2 压杆直径100~149 压柱总长100~110 压头厚度≥25底板尺寸(mm)直径200~220 厚度 6.4±0.2 边缘厚度10±0.2金属筒(mm)内径112±0.2高度179.4±0.2捣棒直径(mm)10±1.0校准结果备注校准校核日期洛杉矶磨耗试验机校准记录表(B02-04)设备名称设备编号规格型号出厂编号生产厂家校准日期校准器具名称及编号校准环境外观检查校准项目技术要求实测值1 2 3 平均转速500转时间(s)30~33 转速(r/min)圆筒尺寸内径外径(mm)——壁厚(mm)——内径(mm)710±5 内侧长外侧长(mm)——端部厚(mm)——内侧长(mm)510±5钢球质量(g)及直径(mm)质量:390~445直径:46.0~47.6钢球编号质量直径1 2 3 平均校准结果备注校准校核日期加速磨光机校准记录表(B02-05)设备名称设备编号规格型号出厂编号生产厂家校准日期校准器具名称及编号校准环境外观检查校准项目技术要求实测值1 2 3 平均道路轮外径(mm)406±1宽度(mm)45±1 旋转时外径对轴心的跳动幅度(mm)≤0.08 旋转时两侧端面对轴心的摆动幅度(mm)≤0.05 工作时的转速(r/min)320±5橡胶轮外径(mm)206±1.5 顶部宽度(mm)44±1 硬度(IRHD)69±3注砂注水流量30号金刚砂的注入流量(g/min)27±7 280号金刚砂的注入流量(g/min)3±1 注水流量(mL/min)50~75加荷压力N 725±10 校准结果备注校准校核日期砂当量仪校准记录表(B02-06)设备名称设备编号规格型号出厂编号生产厂家校准日期校准器具名称及编号校准环境外观检查校准项目技术要求实测值1 2 3 平均圆柱试筒外径(mm)40±0.5 内径(mm)32±0.25 高度(mm)420±0.25 刻度线n1380 刻度线n2100配重活塞杆长度(mm)440±0.25 底座直径(mm)25±0.1 配重(g)1000±5冲洗管外径(mm)6±0.5 内径(mm)4±0.2 流出口孔径1±0.1机械振荡器振幅(mm)203±1 频率(次/min)180±2 校准结果备注校准校核日期细集料棱角性(流动时间法)测定仪校准记录表(B02-07)设备名称设备编号规格型号出厂编号生产厂家校准日期校准器具名称及编号校准环境外观检查实测值校准项目技术要求1 2 3 平均内径(mm)90±0.5金属圆筒高度(mm)125±1角度(°)60±412.0±0.5锥形漏斗流出口孔径(mm)16.0±0.5校准结果备注校准校核日期容量筒校准记录表(B02-08)设备名称设备编号规格型号出厂编号生产厂家校准日期校准器具名称及编号校准环境筒编号规格型号外观内径(mm)高度(mm)壁厚(mm)容积校准结果单值平均单值平均筒+玻璃质量(g)筒+水+玻璃质量(g)水温(℃)容积(cm3)单值平均技术要求1L 108±1 109±1 2.5备注3L 155±2 160±2 2.55L 186±2 186±2 2.510L 205±2 305±2 2.510L 208±3 294±5 3.015L 255±5 295±5 3.020L 355±5 305±5 3.020L 294±5 294±5 3.030L 360±5 294±5 4.0校准校核日期饱和面干试模校准记录表(B02-09)设备名称设备编号规格型号出厂编号生产厂家校准日期校准器具名称及编号校准环境外观检查校准项目尺寸技术要求实测值平均值1 2 3试模各部位尺寸(mm)上口内径40±3 下口内径90±3 试模高度75±3捣棒要求捣棒下端直径25mm±3mm捣棒重量340g±15g校准结果备注校准校核日期细集料堆积密度标准漏斗校准记录表(B02-10)设备名称设备编号规格型号出厂编号生产厂家校准日期校准器具名称及编号校准环境外观检查实测值校准项目技术要求1 2 3 平均漏斗嘴长度120mm±2mm漏斗管直径20mm±1mm漏斗最高度345mm±2mm校准结果备注校准校核日期细集料压碎值试验仪校准记录表(B02-11)设备名称设备编号规格型号出厂编号生产厂家校准日期校准器具名称及编号校准环境外观检查校准项目技术要求实测值1 2 3 平均试筒尺寸(mm)内径77±0.25 高度70±0.25 厚度10±0.2压柱尺寸(mm)压杆直径50±0.25 压柱总长75±0.25底板尺寸(mm)内径97±0.25 外径117±0.25 底板厚度10±0.2捣棒直径(mm)10±1.0校准结果备注校准校核日期透气比表面积仪校准记录表(B03-01)设备名称设备编号规格型号出厂编号生产厂家校准日期校准器具名称及编号校准环境外观检查校准项目技术要求实测值1 2 3 平均漏气检查5min液面不下降透气圆筒尺寸内径(mm)12.70(0,+0.05)高度(mm)55+10穿孔板尺寸直径(mm)12.70(0,-0.05)厚度(mm) 1.0(0-0.1)捣器尺寸直径(mm)12.60(0,+0.05)扁平槽宽度(mm) 3.0±0.3捣器底面与穿孔板之间距离(mm)15.0±0.5未装料装满水银质量(g)——装料后装满水银质量(g)——温度(℃)——粉料层体积(0.001cm3)——校准结果备注校准校核日期水泥负压筛析仪校准记录表(B03-02)设备名称设备编号规格型号出厂编号生产厂家校准日期校准器具名称及编号校准环境外观检查校准项目技术要求实测值筛析仪负压(kPa)4000~6000标准样品筛余标准值(%)——试验筛修正系数校准试验次数—— 1 2 3标准样品筛前质量(g)——标准样品筛余质量(g)——标准样品筛余值(%)——标准样品筛余平均值(%)——试验筛修正系数C 0.8~1.2校准结果备注校准校核日期水泥净浆搅拌机校准记录表(B03-03)设备名称设备编号规格型号出厂编号生产厂家校准日期校准器具名称及编号校准环境外观检查校准项目技术要求实测值1 2 3 平均搅拌锅内径(mm)160±1深度(mm)139±2搅拌叶片总长度(mm)165±1有效长度(mm)110±2总宽度(mm)111.0~112.5 外沿直径(mm) 5.0~6.5叶片与锅壁之间的最小间隙(mm)2±1控制程序各阶段所需时间慢速(s)120±3 停机(s)15±1 快速(s)120±3转速低速自转(r/min)140±5公转(r/min)62±5高速自转(r/min)285±10公转(r/min)125±10校准结果备注校准校核日期设备名称设备编号规格型号出厂编号生产厂家校准日期校准器具名称及编号校准环境外观检查校准项目技术要求实测值注水后量水器读数(mL)所注水的质量(g)水温度(℃)所注水的计算体积(mL)量水器示值差(mL)差值平均值(mL)刻度校准量水器读数与天平校准(称量)计算注水量之差不超过1%为合格校准结果备注校准校核日期设备名称设备编号规格型号出厂编号生产厂家校准日期校准器具名称及编号校准环境外观检查校准项目技术要求实测值刻度校准量水器读数与移液管加水量不超过1%为合格1移液管加水量(mL)10 10 10 10 10 10量水器读数(mL)连续两次读数差值示值误差(mL)2移液管加水量(mL)10 10 10 10 10 10量水器读数(mL)连续两次读数差值示值误差(mL)3移液管加水量(mL)10 10 10 10 10 10量水器读数(mL)连续两次读数差值示值误差(mL)示值误差平均值量水器最低刻线校准示值差不超过1mL为合格量水器读数(mL)100 100 100 容量瓶调整用水量(mL)量水器的示值误差(mL)示值误差平均值(mL)校准结果备注校准校核日期水泥标准稠度和凝结时间测定仪校准记录表(B03-05)设备名称设备编号规格型号出厂编号生产厂家校准日期校准器具名称及编号校准环境外观检查校准项目技术要求实测值1 2 3 平均试杆有效长度(mm)50±1 直径(mm)10±0.05初凝针长度总长度(mm)——螺杆长(mm)——针长度(mm)50±1直径(mm) 1.13±0.05终凝针长度总长度(mm)——螺杆长(mm)——针长度(mm)30±1直径(mm) 1.13±0.05 环形附件针头至其底端的距离(mm)——环形附件平面至其底端的距离(mm)——环形附件平面与针头的距离(mm)0.5滑动部分总质量滑动杆+试杆(g)300±1 滑动杆+初凝针(g)300±1 滑动杆+终凝针(g)300±1圆模上口内径(mm)65±0.5 下口内径(mm)75±0.5 高度(mm)40±0.2垂直度试杆(mm)<2.0 试针(mm)<1.5 校准结果备注校准校核日期雷式夹校准记录表(B03-06)设备名称设备编号规格型号出厂编号生产厂家校准日期校准器具名称及编号校准环境外观检查校准项目技术要求实测值1 2 3 平均雷氏夹尺寸高度(mm)30±1内径(mm)30±1针长(mm)左150±1右针直径(mm) 2.0±0.2壁厚(mm)0.50±0.05 开口宽度(mm)≤1弹性限变A值(mm)——C值(mm)——C-A值(mm)17.5±2.5 B值(mm) B = A 校准结果备注校准校核日期雷氏沸煮箱校准记录表(B03-07)设备名称设备编号规格型号出厂编号生产厂家校准日期校准器具名称及编号校准环境外观检查校准项目技术要求实测值1 2 3 4 平均沸煮箱箱体内部尺寸长(mm)410±3 宽(mm)240±3 高(mm)310±3加热至沸腾的时间(min)30±5维持沸煮的时间(min)180±5校准结果备注校准校核日期行星式水泥胶砂搅拌机校准记录表(B03-08)设备名称设备编号规格型号出厂编号生产厂家校准日期校准器具名称及编号校准环境外观检查校准项目技术要求实测值1 2 3 平均搅拌锅内径(mm)202±1深度(mm)180±3搅拌叶片总宽(mm)135+0.63 叶翅宽(mm)8±1 叶翅厚(mm)5±1 总长度(mm)198转速低速自转(r/min)140±5公转(r/min)62±5 高速自转(r/min)285±10公转(r/min)125±10控制程序各阶段所需时间低速(s)30±1 自动加砂(s)30±1 高速(s)30±1 停机(s)90±1 高速(s)60±1叶片与锅底、锅壁之间的最小间隙(mm)3±1校准结果备注校准校核日期水泥胶砂振实台校准记录表(B03-09)设备名称设备编号规格型号出厂编号生产厂家校准日期校准器具名称及编号校准环境外观检查校准项目技术要求实测值1 2 3 平均振幅14.7+0.05(mm)15±0.3 15.3-0.05(mm)振动频率次/秒60 /(60±2)套模尺寸长(mm)160±0.1宽(mm)132±0.4高(mm)20±1隔板厚(mm)6±0.1 自动控制器——校准结果备注校准校核日期水泥胶砂流动度测定仪校准记录表(B03-10)设备名称设备编号规格型号出厂编号生产厂家校准日期校准器具名称及编号校准环境外观检查校准项目技术要求实测值1 2 3 平均圆盘桌面的直径(mm)300±1圆盘桌面和推杆质量(kg) 4.35±0.15试模尺寸高度(mm)60±0.5 上口内径(mm)70±0.5 下口外径(mm)120±0.5 下口内径(mm)100±0.5捣棒直径(mm)20±0.5长度(mm)约为200一个周期程序控制跳动次数(次) 25 所需的时间(s) 25±1标准样流动度测定标准流动度值(mm)——实测流动度(mm)——校准结果备注校准校核日期标准养护室校准记录表(B03-11)设备名称设备编号规格型号出厂编号生产厂家校准日期校准器具名称及编号校准环境外观检查校准项目技术要求实测值控制器校准灵敏度检查——标准温湿度计读数温度(℃)——湿度(%)显示器读数温度(℃)湿度(%)温湿度校准————东南西北中平均温度(℃)20±2湿度(%)≥95%校准结果备注校准校核日期水泥混凝土振动台校准记录表(B03-12)设备名称设备编号规格型号出厂编号生产厂家校准日期校准器具名称及编号校准环境外观检查校准项目技术要求实测值1 2 3 平均台面尺寸长(mm)±5宽(mm)±5台面平面度(mm)≤0.3振动频率(Hz)测点150±3 测点2测点3测点4中心点振幅(mm)测点10.5±0.02测点2测点3测点4中心点平均值————————试模固定的可靠性试模无松动、无位移校准结果备注校准校核日期坍落度测定仪校准记录表(B03-13)设备名称设备编号规格型号出厂编号生产厂家校准日期校准器具名称及编号校准环境外观检查校准项目技术要求实测值1 2 3 平均坍落度筒尺寸底部外径(mm)——壁厚(mm)——底部内径(mm)200±2 顶部内径(mm)100±2 高度(mm)300±2 筒壁厚(mm)≥4≥3捣棒尺寸直径(mm)16±0.1 长度(mm)600±5 校准结果备注校准校核日期混合式气压法含气量测定仪校准记录表(B03-14)设备名称设备编号规格型号出厂编号生产厂家校准日期校准器具名称及编号校准环境外观检查校准项目技术要求实测值1 2 3 平均量钵容积量钵+玻璃板(g)————量钵+水+玻璃板(g)————水温度(℃)————量钵容积(mL)7000±50含气量校准含气量(%)吸水量(mL)——压力表读数(MPa)1 70 ——2 140 ——3 210 ——4 280 ——5 350 ——6 420 ——7 490 ——8 560 ——9 630 ——10 700 ——校准结果备注校准校核日期混凝土贯入阻力仪校准记录表(B03-15)设备名称设备编号规格型号出厂编号生产厂家校准日期校准器具名称及编号校准环境外观检查校准项目技术要求实测值1 2 3 平均面积试针尺寸1面积(mm2)100标记长度(mm)25 ——2面积(mm2)50标记长度(mm)25 ——3面积(mm2)20标记长度(mm)25 ——试料筒尺寸上口内径(mm)1600+0.6——下底外径(mm)————壁厚(mm)——下底内径(mm)1500+0.6筒深(mm)150±0.3 ——校准结果备注校准校核日期水泥混凝土抗渗仪校准记录表(B03-16)设备名称设备编号规格型号出厂编号生产厂家校准日期校准器具名称及编号校准环境外观检查校准项目技术要求实测值加压系统设定压力(MPa)显示压力(MPa)显示与设定差MPa1 2 3 平均0.51.01.52.0试模尺寸1上口内径(mm)175±0.5下口内径(mm)185±0.5高度(mm)150±0.52上口内径(mm)175±0.5下口内径(mm)185±0.5高度(mm)150±0.5…上口内径(mm)175±0.5下口内径(mm)185±0.5高度(mm)150±0.5校准结果备注校准校核日期水泥砂浆稠度测定仪校准记录表(B03-17)设备名称设备编号规格型号出厂编号生产厂家校准日期校准器具名称及编号校准环境外观检查校准项目技术要求实测值1 2 3 平均试锥和滑杆总质量(g)300±2试锥尺寸高度(mm)145±0.5 直径(mm)75±0.5盛样容器高度(mm)180±0.5 开口内径(mm)150±0.5表盘刻度表盘读数(mm)——0 10 20 30 40 50 6070 80 90 100 110 120 ——高度尺读数(mm)——差值(mm)≤0.5校准结果备注校准校核日期设备名称 设备编号 规格型号 出厂编号 生产厂家校准日期校准器具名称及编号校准环境 校准项目 技术要求1室 2室3室单值 平均单值 平均单值 平均 长 (mm ) 不大于公称尺寸的±0.2% 且≤±1(mm )宽 (mm )高 (mm )a 面—— —— —— b 面 —— —— —— c 面 —— —— —— d 面 —— —— —— 相邻面垂直度(°)1 90±0.3 —— —— ——2 —— —— —— 3—— —— —— 4 —— —— —— 5 —— —— —— 6 —— —— —— 7 —— —— —— 8——————组装后最大 间隙 (mm )连接面 ≤0.2 隔板与 侧板≤0.4 备 注 三联模一个试模填一张表,1室、2室、3室处可改写试模编号。
经纬仪检验与校正记录表
检测仪器:检查日期:
检验项目检验检验结果2C值
盘左盘右
I角
盘左盘右
外
观及
气泡
外观及一般功能检查;
按键功能检查;
水准气泡检查;
对中器检查;
检查人:
全站仪检验与校正记录表
检测仪器:检查日期:
检验项目检验检验结果2C值
盘左盘右
I角
盘左盘右
外
观及
气泡
外观及一般功能检查;
按键功能检查;
水准气泡检查;
对中器检查;
检查人:
全站仪检验与校正记录表
检测仪器:检查日期:
检验项目检验检验结果2C值盘左盘右
I角
盘左盘右
外
观及
气泡
外观及一般功能检查;
按键功能检查;
水准气泡检查;
对中器检查;
检查人:
水准仪检验与校正记录表检测仪器:检查日期:
检查
项目
检验检验结果水准管a1b1H a1b1
轴平行
于视准
轴的校
正
a2b2h a2b2
校正
方法
其它项目外观及一般功能检查;
水准气泡检查;
十字丝横丝的检验;
检查人:。