冲裁间隙表
- 格式:docx
- 大小:67.96 KB
- 文档页数:5
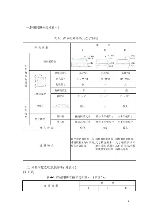
第三章 常用公式及数据表第四节 冲压件模具设计常用公式一. 冲裁间隙分类见表4-1表4-1 冲裁间隙分类(JB/Z 271-86)分 类 依 据类 别ⅠⅡⅢ制 件 剪 切 面 质 量剪切面特征t=材料厚度塌角深度a (4~7)%t (6~8)%t (8~10)%t 光亮带b (35~55)%t(25~40)%t(15~25)%t剪裂带E 小 中 大 毛刺高度h一般 小 一般 斜度β4°~ 7°7°~ 8°8°~ 11°制 件 精 度挠角f稍小 小 较大尺寸精度落料件接近凹模尺寸 稍小于凹模尺寸 小于凹模尺寸 冲孔件接近凸模尺寸稍小于凸模尺寸小于凸模尺寸模 具 寿 命较低较高最高适 用 场 合制件剪切面质量﹑尺寸精度要求高时采用,模具寿命较低制件剪切面质量﹑尺寸精度要求一般时采用,适用于继续塑变的制件制件剪切面质量﹑尺寸精度要求不高时采用,以利提高模具寿命二. 冲裁间隙选取(仅供参考) 见表4-2 (见下页)表4-2 冲裁间隙比值(单边间隙) (单位:%t)(注: 1. 本表适用于厚度为10mm以下的金属材料, 厚料间隙比值应取大些;2. 凸,凹模的制造偏差和磨损均使间隙变大, 故新模具应取最小间隙;3. 硬质合金冲模间隙比钢模大20% 左右.)注: 冲裁间隙选取应综合考虑下列因素:1.冲床﹑模具的精度及刚性.2.产品的断面质量﹑尺寸精度及平整度.3.模具寿命.4.跳屑.5.被加工材料的材质﹑硬度﹑供应状态及厚度.6.废料形状.7.冲子﹑模仁材质﹑硬度及表面加工质量.三.冲裁力﹑卸(剥)料力﹑推件力﹑顶件力F冲= 1.3 * L * t *τ(N) (公式4-1)F卸= K卸* F冲(N) (公式4-2)F推= N * K推* K冲(N) (公式4-3)F顶= K顶* F冲(N) (公式4-4)其中:L ――冲切线长度(mm)t ――材料厚度(mm)τ――材料抗剪强度(N/mm2 )1.3 ――安全系数K卸――卸(剥)料力系数K推――推料力系数K顶――顶料力系数K卸K推K顶数值见表4-3表4-3 卸料力﹑推件力和顶件力系数料厚K卸K推K顶钢≦0.1>0.1~0.5>0.5~2.5>2.5~6.5>6.50.065~0.0750.045~0.0550.04~0.050.03~0.040.02~0.030.10.0630.0550.0450.0250.140.080.060.050.03铝﹑铝合金紫铜﹑黄铜0.025~0.080.02~0.060.03~0.070.03~0.09注:卸料力系数K卸在冲多孔﹑大搭边和轮廓复杂时取上限值.四.中性层弯曲半径R = r + x * t (mm) (公式4-5)其中:R――中性层弯曲半径(mm)r ――零件内侧半径(mm)x ――中性层系数中性层系数见表4-4(仅供参考)表4-4 中性层系数x值注: 弯曲件展开尺寸与下列因素有关:1.弯曲成形方式.2.弯曲间隙.3.有无压料.4.材料硬度﹑延伸率﹑厚度.5.根据实际状况精确修正.五.材料最小弯曲半径,见表4-5表4-5 最小弯曲半径注:表列数据用于弯曲中心角≧90∘﹑断面质量良好的情况.六﹑弯曲回弹半径及回弹角r凸= r0 / ( 1 + K r0 / t ) (公式4-6)回弹角的数值为Δα= (180°-α0 )( r0 / r凸- 1) (公式4-7)式中r凸――凸模的圆角半径, [r凸]为mm;r0 ――工件的圆角半径, [r0 ]为mm;α0 ――工件的弯曲角度, [α0]为(°);t ――工件材料厚度, [t]为mm;K ――简化系数, 见表4-6表4-6 简化系数k值名称牌号状态K 名称牌号状态K铝L4, L6 退火0.0012 磷青铜QSn65-0.1 硬0.015 冷硬0.0041铍青铜Qbe2软0.0064防锈铝LF21退火0.0021 硬0.0265冷硬0.0054 铝青铜QA15 硬0.0047 LF12 软0.0024碳钢08, 10, A2 0.0032硬铝LY11软0.0064 20, A3 0.005硬0.0175 30, 35, A5 0.0068 LY12软0.007 50 0.015硬0.026碳工钢T8退火0.0076铜T1, T2, T3 软0.0019 冷硬0.0035 硬0.0088不锈钢1Cr18Ni9Ti退火0.0044黄铜H62软0.0033 冷硬0.018 半硬0.008弹簧钢65Mn退火0.0076 硬0.015 冷硬0.015 H68软0.0026 60Si2MnA 冷硬0.021硬0.0148七﹑弯曲力计算针对“v”型弯曲:F弯= 0.6kbtσb/ (R + t ) (N) (公式4-8) 其中:b―――弯曲线长度(mm)t―――材料厚度(mm)r―――内侧半径(mm)σb――材料极限强度(N/mm2)k―――安全纟数,一般k=1.3八﹑拉深(抽引)系数m = d/D (公式4-9)其中:d ――拉深(抽引)后工件直径(mm)D――毛坯直径(mm)1. 无凸缘或有凸缘筒形件用压边圈拉深系数见表4-7表4-7 无凸缘或有凸缘筒形件用压边圈拉深的拉深系数(适用08,10号钢)注: 1) 随材料塑性高低,表中数值应酌情增减.2) ――线上方为直筒件(d凸=d1 ).3) 随d凸/D 数值增大, r/t 值可相应减小, 满足2r1≦h1, 保证筒部有直壁.4) 查用时, 可用插入法, 也可用偏大值.5)多次拉深首次形成凸缘时,为考虑多拉入材料,m1增大0.02.2. 带凸缘筒形件第一次拉深系见表4-8表4-8 带凸缘筒形件第一次拉深时的拉深系数m 1注:适用于08﹑10号钢 3.无凸缘筒形件用压边圈拉深系数见表4-9表4-9 无凸缘筒形件用压边圈时的拉深系数注: 1. 凹模圆角半径大时 (r 凹 = 8 ~ 15t ), 拉深系数取小值, 凹模圆角半径小时 (r 凹 = 4 ~ 8t ),拉深系数取大值.2. 表中拉深系数适用于08﹑10S ﹑15S 钢与软黄铜H62 ﹑ H68. 当拉深塑性更大的金属时(05﹑08Z 及10Z 钢﹑铝等), 应比表中数值减小1.5-2%. 而当拉深塑性较小的金属时(20﹑25﹑A2﹑A3﹑酸洗钢﹑硬铝﹑硬黄铜等), 应比表中数值增大1.5-2%(符号S 为深拉深钢, Z 为最深拉深钢).4. 无凸缘筒形件不用压边圈拉深系数见表4-10表4-10 无凸缘筒形件不用压边圈时的拉深系数注:适用于08﹑10以及15Mn等材料5. 有工艺切口的第一次拉深系数见表4-11表4-11有工艺切口的第一次拉深系数m1 (材料:08﹑10)6. 有工艺切口的以后各次拉深系数见表4-12表4-12有工艺切口的以后各次拉深系数m n(材料:08﹑10))7. 有工艺切口的各次拉深系数见表4-13表4-13有工艺切口的各次拉深系数软钢﹑铝0.67 0.78 0.80 0.82 0.85 0.90 九﹑拉深(抽引)力F抽=3(σb + σs )( D – d - r凹)t (N) (公式4-10)其中:σb――材料极限强度(N/mm2)σs――材料屈服强度(N/mm2)D―――毛坯直径(mm)d―――拉深凹模直径(mm)r凹――拉深凹模圆角(mm)t―――材料厚度(mm)十﹑孔的翻边1. 翻边系数K = d/D (公式4-11)d ――预冲孔直径(mm)D ――翻边后平均直径(mm)各种材料极限翻边系数见表4-14,表4-15表4-14 低碳钢的极限翻边系数K翻边方法孔的加工方法比值d/t100 50 35 20 15 10 8 6.5 5 3 1球形凸模鑚后去毛刺用冲孔模冲孔0.700.750.600.650.520.570.450.520.400.480.360.450.330.440.310.430.300.420.250.420.20—圆柱形凸模鑚后去毛刺用冲孔模冲孔0.800.850.700.750.600.650.500.600.450.550.420.520.400.500.370.500.350.480.300.470.25—表4-15 其它一些材料的翻边系数退火的材料翻边系数K K min2. 预冲孔直径d = D-2( h - 0.43r - 0.72t ) (公式4-12)h ――翻边高度(mm)r ――翻边圆角(mm)t ――材料厚度(mm)3. 翻边高度h = D/[( 1-k )/2] + 0.4r + 0.72t (公式4-13)4. 翻边口部材料厚度t1 = t√k (mm) (公式4-14)5.翻边力F = 1.1tπtσs( D-d )σs ――材料屈服强度(Mpa)十一设计连接器五金零件应注意的要点1.尺寸标注:1)尺寸标注在最显要位置,直观,不封闭;2)重要﹑关键尺寸直接标注,不能有累积公差;3)尺寸公差大小应综合考虑功能及制造成本,并非越小越好,体现“该精就精,该粗就粗”一般经济公差为:下料±0.03,成形±0.05,角度±0.5°4)重要及关键尺寸应综合考虑制程稳定性、装配、使用功能并非多益善.5)设计基准,制造基准,测量基准相统一;2.形位公差:1)基准(面或线)不应有变形2)标注应清楚明确,方便量测;3)设计基准,制造基准,测量基准相统一;4)应综合考虑制程稳定性及使用要求,并非多多益善,精度一般可达到0.10;5)很稳定的尺寸, 如下料尺寸等可以不标.3.结构设计及强度要求1)材料选用满足使用要求,又方便采购的原料;2)零件外形园角,防止滚镀表面刮伤;3)零件应有足够的强度及刚性,防止在贮存,电镀、搬运过程中的变形及尺寸变异;4)特殊零件,可采用多种工序组合方式,如多轴成形加工.五金模具+治具等不同方式来完成;5)连续料带要求:A)Carrier应有足够的强度及刚性B)尽量采用双侧CarrierC)注意包装时Carrier及零件是否变形D)连续电镀的孔径、孔距特殊要求4.五金零件加工工艺:1)冲裁A)断面质量、光亮面比例大小B)毛刺大小(一般不超过0.05)及方向,对外观、功能的影响C)倒刺结构,不允许有园角D)尽量避免长悬臂或长槽E)零件平整度要求,一般为0.102)弯曲A)最小弯曲半径B)外侧龟裂的影响C)弯起高度应大于2t,如图4-4D)孔边距离应大于t,如图4-5,也可采用如图4-6所示工艺F)材料方向性对使用性能的影响3)抽引A)形状尽量简单对称B)R角不应太小,一般可达R0.30, 如图4-7C)内外尺寸不可同时标注D)表面模痕不应有苛刻要求E)平面度一般可达0.10第八章工程图面作业标准第二节五金模具一.五金模具开发流程,见表8-1二.五金模具装配图(图8-1)三.模具图面常见符号含义M,MC ――铣SP ――――基准点H ―――热处理TYP ――――典型尺寸ELE ――镀铬RP ――――圆弧点DYE ――染黑CEN,CL ――中心线G ―――磨TAN ――――切点PG ―――光学曲线磨THR ――――穿孔JG ―――坐标磨BOTT ―――底面W/C,W ――线割TOP ――――顶面E,EDM――放电SYM ――――对称L ――――车T ―――――厚度INT ―――交点CB ――――沉孔C ――――倒角CLEAR ―――间隙四.典型零件排样1.HOOK类,见图8-22.抽引类,见图8-33.外壳类,见图8-4。
冲裁间隙标准1、对于金属材料,我们取5%-10%,非金属材料取2%-4%2、普通冲裁:取板材厚的5~10%3、跟要求的质量有关,高质量有时为0,一般取0.05t,我喜欢取小值,复杂模具可稍大4、如果是比较厚的还是大点的好,如3-5毫米的我们取15%-20%5、一般0.2mm的铜皮放0.01mm6、T*0.077、我们都是10%~12%8、根据断面要求,按片厚不同,5~20%双面间隙不等9、2毫米以内,一般取5--10%,根据材料抗剪性取大小值,2毫米以外,间隙则要随料厚增加而加大取值,另外,和工艺要求,孔型都有关系,当要求光洁冲裁时,可以取极小的间隙10、T<0.3时,取3-5%T为佳11、一般根据材料厚度取料厚的5%~10%,我们公司一般在线切割时进行补偿,不用在凸凹模标注公差。
12、我们选用7%~10%,单面冲裁(剪切)或立切系数减半,最小间隙视加工能力和设备、模具导向精度,我们是0.07。
对中、厚板料和硬料取上限间隙。
13、(4%-8%)*T14、当然我们应当注意材料的硬度及零件的冲裁毛刺要求15、材料厚度小用0.05~0.07XT ;中用0.07~0.09XT;大用0.09~0.12XT16、一般铜材取4%---5%的料厚17、我以前是做集成电路切筋模的,材料:铜厚度:0.126 单边间隙:0.03518、日本JIS标准规定的冲裁间隙值表1材質別抜きクリアランス(板厚に対する%)材質精密抜き一般抜き軟鋼 2~5 6~10硬鋼 4~8 9~15けい素鋼 4~ 6 7~12ステンレス鋼 3~6 7~12銅 1~3 4~7黄銅 1~4 5~10りん青銅 2~5 6~10洋白 2~5 6~10アルミニュウム(軟) 1~3 4~8アルミニュウム(硬) 2~5 6~10バーマロイ 2~4 5~819、和材质料厚都有关,我们用得多的为5%%`%%7,2.0以上的料,间隙会大一些,一般取%%10,对AL材和马口铁会小一些,大约%%2-%%4之间。
冲裁间隙冲裁间隙比值(%)材料Ⅰ类Ⅱ类Ⅲ类低碳钢:A3、B2、08F、10F、10号、20号6~14 〉14~20 〉20~25中碳钢:45号、50号可伐合金10~18 〉18~25 〉25~32不锈钢:4Cr13、1Cr18Ni9Ti高碳钢:T8A、T10A 16~25 〉25~32 〉32~38弹簧钢:65Mn纯铝:L2~L5 4~10 〉10~15 〉15~20铝合金:LF21(软态)黄铜:H62(软态)紫铜:T1、T2、T3黄铜:(硬态)6~12 〉12~18 〉18~24紫铜:(硬态)铅黄铜:铝合金:(硬态)8~15 〉15~22 〉22~28锡磷青铜铝青铜铍青铜镁合金3~5硅钢5~10 〉10~18红纸板、胶纸板、胶木板1~4 4~8-------------------------------------------------------------------------1、上表适用于t=10mm以下金属材料,厚料间隙比值应取大值。
2、非金属的间隙比值:云母片、纸、皮革(0.5~1.5%)。
3、非圆孔比圆孔的间隙要大,冲孔比落料的间隙要大,冲小孔间隙更要大。
4、硬质合金冲裁模的间隙要比钢模的冲裁间隙要大20%~30%,高速压力机模具间隙要增大,冲压速度超过200次/分时,其间隙值要增大10%左右。
5、热冲压的间隙值要减小,凹模为斜壁时,间隙值要减小。
6、一般冲裁情况下,选用较小间隙,可保证质量,但模具寿命要短一些。
选用较大间隙,模具寿命延长了,但冲压件质量会下降。
你好,为增加你的知识层面,我把我所知道的都告诉你了(不好意思啊,有点难):1 in(英寸)=2.54厘米(cm),1 lb(英磅)=0.454千克(kg)=0.454*9.807N(牛)换算公式◆面积换算1平方公里(km2)=100公顷(ha)=247.1英亩(acre)=0.386平方英里(mile2)1平方米(m2)=10.764平方英尺(ft2)1平方英寸(in2)=6.452平方厘米(cm2)1公顷(ha)=10000平方米(m2)=2.471英亩(acre)1英亩(acre)=0.4047公顷(ha)=4.047×10-3平方公里(km2)=4047平方米(m2)1英亩(acre)=0.4047公顷(ha)=4.047×10-3平方公里(km2)=4047平方米(m2)1平方英尺(ft2)=0.093平方米(m2) 1平方米(m2)=10.764平方英尺(ft2)1平方码(yd2)=0.8361平方米(m2)1平方英里(mile2)=2.590平方公里(km2)◆体积换算1美吉耳(gi)=0.118升(1)1美品脱(pt)=0.473升(1)1美夸脱(qt)=0.946升(1)1美加仑(gal)=3.785升(1)1桶(bbl)=0.159立方米(m3)=42美加仑(gal)1英亩?英尺=1234立方米(m3)1立方英寸(in3)=16.3871立方厘米(cm3)1英加仑(gal)=4.546升(1)10亿立方英尺(bcf)=2831.7万立方米(m3)1万亿立方英尺(tcf)=283.17亿立方米(m3)1百万立方英尺(MMcf)=2.8317万立方米(m3)1千立方英尺(mcf)=28.317立方米(m3)1立方英尺(ft3)=0.0283立方米(m3)=28.317升(liter)1立方米(m3)=1000升(liter)=35.315立方英尺(ft3)=6.29桶(bbl)◆长度换算1千米(km)=0.621英里(mile)1米(m)=3.281英尺(ft)=1.094码(yd)1厘米(cm)=0.394英寸(in)1英寸(in)=2.54厘米(cm)1海里(n mile)=1.852千米(km)1英寻(fm)=1.829(m)1码(yd)=3英尺(ft)1杆(rad)=16.5英尺(ft)1英里(mile)=1.609千米(km)1英尺(ft)=12英寸(in)1英里(mile)=5280英尺(ft)1海里(n mile)=1.1516英里(mile)◆质量换算1长吨(long ton)=1.016吨(t)1千克(kg)=2.205磅(lb)1磅(lb)=0.454千克(kg)[常衡] 1盎司(oz)=28.350克(g)1短吨(sh.ton)=0.907吨(t)=2000磅(lb)1吨(t)=1000千克(kg)=2205磅(lb)=1.102短吨(sh.ton)=0.984长吨(long ton)◆密度换算1磅/英尺3(lb/ft3)=16.02千克/米3(kg/m3)API度=141.5/15.5℃时的比重-131.51磅/英加仑(lb/gal)=99.776千克/米3(kg/m3)1波美密度(B)=140/15.5℃时的比重-130 1磅/英寸3(lb/in3)=27679.9千克/米3(kg/m3)1磅/美加仑(lb/gal)=119.826千克/米3(kg/m3)1磅/(石油)桶(lb/bbl)=2.853千克/米3(kg/m3)1千克/米3(kg/m3)=0.001克/厘米3(g/cm3)=0.0624磅/英尺3(lb/ft3)◆运动粘度换算1斯(St)=10-4米2/秒(m2/s)=1厘米2/秒(cm2/s)1英尺2/秒(ft2/s)=9.29030×10-2米2/秒(m2/s)1厘斯(cSt)=10-6米2/秒(m2/s)=1毫米2/秒(mm2/s)◆动力粘度换算动力粘度1泊(P)=0.1帕?秒(Pa?s)1厘泊(cP)=10-3帕?秒(Pa?s)1磅力秒/英尺2(lbf?s/ft2)=47.8803帕?秒(Pa?s)1千克力秒/米2(kgf?s、m2)=9.80665帕?秒(Pa?s)◆力换算1牛顿(N)=0.225磅力(lbf)=0.102千克力(kgf)1千克力(kgf)=9.81牛(N)1磅力(lbf)=4.45牛顿(N)1达因(dyn)=10-5牛顿(N)◆温度换算K=5/9(°F+459.67)K=℃+273.15 n℃=(5/9?n+32) °F n°F=[(n-32)×5/9]℃1°F=5/9℃(温度差)◆压力换算压力1巴(bar)=105帕(Pa)1达因/厘米2(dyn/cm2)=0.1帕(Pa)1托(Torr)=133.322帕(Pa)1毫米汞柱(mmHg)=133.322帕(Pa)1毫米水柱(mmH2O)=9.80665帕(Pa)1工程大气压=98.0665千帕(kPa)1千帕(kPa)=0.145磅力/英寸2(psi)=0.0102千克力/厘米2(kgf/cm2)=0.0098大气压(atm)1磅力/英寸2(psi)=6.895千帕(kPa)=0.0703千克力/厘米2(kg/cm2)=0.0689巴(bar)=0.068大气压(atm)1物理大气压(atm)=101.325千帕(kPa)=14.696磅/英寸2(psi)=1.0333巴(bar)◆传热系数换算1千卡/米2?时(kcal/m2?h)=1.16279瓦/米2(w/m2)1千卡/(米2?时?℃)〔1kcal/(m2?h?℃)〕=1.16279瓦/(米2?开尔文)〔w/(m2?K)〕1英热单位/(英尺2?时?°F)〔Btu/(ft2?h?°F)〕=5.67826瓦/(米2?开尔文)〔(w/m2?K)〕1米2?时?℃/千卡(m2?h?℃/kcal)=0.86000米2?开尔文/瓦(m2?K/W)◆热导率换算1千卡(米?时?℃)〔kcal/(m?h?℃)〕=1.16279瓦/(米?开尔文)〔W/(m?K)〕1英热单位/(英尺?时?°F)〔But/(ft?h?°F) =1.7303瓦/(米?开尔文)〔W/(m?K)〕◆比容热换算1千卡/(千克?℃)〔kcal/(kg?℃)〕=1英热单位/(磅?°F)〔Btu/(lb?°F)〕=4186.8焦耳/(千克?开尔文)〔J/(kg?K)〕◆热功换算1卡(cal)=4.1868焦耳(J)1大卡=4186.75焦耳(J)1千克力米(kgf?m)=9.80665焦耳(J)1英热单位(Btu)=1055.06焦耳(J)1千瓦小时(kW?h)=3.6×106焦耳(J)1米制马力小时(hp?h)=2.64779×106焦耳(J)1英尺磅力(ft?lbf)=1.35582焦耳(J)1英马力小时(UKHp?h)=2.68452×106焦耳1焦耳=0.10204千克?米=2.778×10-7千瓦?小时=3.777×10-7公制马力小时=3.723×10-7英制马力小时=2.389×10-4千卡=9.48×10-4英热单位◆功率换算1英热单位/时(Btu/h)=0.293071瓦(W)1千克力?米/秒(kgf?m/s)=9.80665瓦(w)1卡/秒(cal/s)=4.1868瓦(W)1米制马力(hp)=735.499瓦(W)◆速度换算1英里/时(mile/h)=0.44704米/秒(m/s)1英尺/秒(ft/s)=0.3048米/秒(m/s)◆渗透率换算1达西=1000毫达西1平方厘米(cm2)=9.81×107达西◆地温梯度换算1°F/100英尺=1.8℃/100米(℃/m)1℃/公里=2.9°F/英里(°F/mile)=0.055°F/100英尺(°F/ft)◆油气产量换算1桶(bbl)=0.14吨(t)(原油,全球平均)1万亿立方英尺/日(tcfd)=283.2亿立方米/日(m3/d)=10.336万亿立方米/年(m3/a)10亿立方英尺/日(bcfd)=0.2832亿立方米/日(m3/d)=103.36亿立方米/年(m3/a)1百万立方英尺/日(MMcfd)=2.832万立方米/日(m3/d)=1033.55万立方米/年(m3/a)1千立方英尺/日(Mcfd)=28.32立方米/日(m3/d)=1.0336万立米/年(m3/a)1桶/日(bpd)=50吨/年(t/a)(原油,全球平均)1吨(t)=7.3桶(bbl)(原油,全球平均)◆气油比换算1立方英尺/桶(cuft/bbl)=0.2067立方米/吨(m3/t)◆热值换算1桶原油=5.8×106英热单位(Btu)1吨煤=2.406×107英热单位(Btu)1立方米湿气=3.909×104英热单位(Btu)1千瓦小时水电=1.0235×104英热(Btu)1立方米干气=3.577×104英热单位(Btu)(以上为1990年美国平均热值)◆热当量换算1桶原油=5800立方英尺天然气(按平均热值计算)1立方米天然气=1.3300千克标准煤1千克原油=1.4286千克标准煤◆压力单位换算表单位Pa KPa MPa bar mbar kgf/cm2 cmH2O mmH2O mmHg p.s.iPa 1 10-3 10-6 10-5 10-2 10.2×10-6 1.02×10-3 101.97×10-3 7.5×10-3 0.15×10-3KPa 10+3 1 10-3 10-2 10 10.2×10-3 10.2 101.97 7.5 0.15MPa 10+6 10+3 1 10 10+4 10.2 1.02×10+3 101.97×10+3 7.5×10+3 0.15×10+3bar 10+5 10+2 10-1 1 10+3 1.02 1.02×10+3 10.2×10+3 750.06 14.5mbar 10+2 10-1 10-4 10 1 1.02×10-3 1.02 10.2 0.75 14.5×10-3kgf/cm2 98066.5 98.07 98.07×10-3 0.98 980.67 1 1000 10.000 735.56 14.22cmH2O 98.06 98.07×10-3 98.07×10-6 0.98×10-3 0.98 10-3 1 10 0.74 14.22×10+3mmH2O 9.806 9.807×10-3 9.807×10-6 98.07×10-6 98.07×10-3 10-4 0.1 1 73.56×10-3 1.42×10-3mmHg 133.32 133.32×10-3 133.32×10-6 1.33×10-3 1.33 1.36×10-3 1.36 13.6 1 19.34×10-3p.s.i 6894.76 6.89 6.89×10-3 68.95×10-3 68.95 70.31×10-3 70.31 703.07 51.71 1◆流量单位换算表单位m3/S L/S cm3/S m3/h m3/min L/h L/min ft/min(scfm) gallonmin UK gallonmin USAm3/S 1 10+3 10+6 3.6×10+3 60 3.6×10+6 60×10+3 2.12×10+3 13.2×10+3 15.85×10+3L/S 10-3 1 10+3 3.6 60×10-3 3.6×103 60 2.12 13.2 15.85cm3/S 10-6 10-3 1 3.6×10-3 60×10-6 3.6 60×10-3 2.12×10-3 13.2×10-3 15.58×10-3m3/h 0.28×10-3 0.28 0.28×10-3 1 16.67×10-3 10+3 16.67 0.59 3.67 4.4m3/min 16.67×10-3 16.67 16.67×10-3 60 1 60×10+3 10+3 35.31 219.97 264.17L/h 0.28×10-6 0.28×10-3 0.28 10-3 16.67×10-3 1 16.67×10-3 0.59×10-3 3.67×10-3 4.4×10-3L/min 16.67×10-6 16.67×10-3 16.67 60×10-3 10-3 60 1 35.31×10-3 219.97×10-3 264×10-3ft/min(scfm) 4.7×10-4 0.47 0.47×10+3 1.699 28.32×10-3 1.699×10+3 28.32 1 6.23 7.48gallonmin UK 75.79×10-6 75.79×10-3 75.77 0.273 4.55×10-3 0.273×10+3 4.55 0.16 1 1.2gallonmin USA 63.09×10-6 63.09×10-3 63.09 0.227 3.79×10-3 0.227×10+3 3.79 0.13 0.83 1◆容积单位换算表公升Liter 公秉Kiloliter 美制加仑U.S.Gallon 英制加仑Imp.Gallon 美桶Barrel 立方寸Cubic Feet 立方尺Cubic Inch1 0.001 0.264178 0.219975 0.000629 0.035316 61.0261000 1 264.178 219.978 6.28995 35.316 610263.78533 0.003785 1 0.83268 0.02381 0.133681 231*4.54596 0.004546 1.20094 1 0.028594 0.160544 277.42158.984 0.158984 42* 34.9726 1 5.6146 9.702*28.316 0.028316 7.4805 6.2288 0.17811 1 1.7280.016387 0.000016 0.004329 0.003605 0.000103 0.000579 1*此项数字系规定值1立方公尺=1公秉=10,00升◆重量单位换算表公斤Kilogram 公吨Metric ton 磅Pound 短吨Short ton 长吨Long ton1 0.001 2.20462 0.001102 0.009841000 1 2204.62 1.10231 0.9842050.45392 0.000454 1 0.0005 0.000446907.184 0.907185 2000 1 0.8928571016.046 1.01605 2240 1.12 11市斤=0.5000公斤=1.1023磅◆长度单位换算表公里km 公尺m 公分cm 公厘mm 公寸in 英尺ft 英里mile 1 1000 10+5 10+6 39370 3280.83 0.621360.001 1 100 1000 39.37 3.28083 0.000621410-5 0.01 1 10 0.3937 0.032802 0.056210-6 0.001 0.1 1 0.003937 0.003281 0.06622.54×10-5 0.0254 2.540 15.40005 1 0.08333 0.00001580.384×10-4 0.3048 30.480 304.801 12 1 0.000189391(英海)=1.150776英里=6076英尺=1.852公尺,1市尺=1.0936英尺◆面积单位换算表平方公尺m2 平方英寸in2 平方英尺ft2 英亩acre 平方英里sq-mile 平方公分cm2 平方公厘mm21 1550 10.76 0.0002471 0.093861 10000 10+50.0006452 1 0.006944 0.061594 0.062491 6.452 645.20.09290 144 1 0.072296 0.073587 929.0 929004047 6272522 43560 1 0.001562 40470000 4047×10+62590768.886 4014414568 27877879 640 1 259×10+9 25.9×10+111公顷=100公亩=10.000平方公尺=2.471英亩=1.0310里1里=96.99194公亩=2.3967英亩=2.934坪◆主要力量单位换算表(国际标准单位与公制单位壶算)力量名称国际单位-公制单位公制单位-国际单位空气压力1MPa=10.2kgf/cm2 1kgf/cm2=0.098MPa荷重力1N?m=0.102kgf?m 1kgf=9.8N扭力1N ?m=0.102kgf 1kgf?m=9.8N?m真空压力1KPa=-7.5mmHg -1mmHg=-0.133KPa惯性力距1Kg?m2=10.2kgf?cm?s 1kg?cm?s=0.098Kgf?m2。
冲压设计-冲裁间隙在冲裁过程中,材料受到弯矩的作用,工件产生穹弯,而不平整。
由于冲裁变形的特点,在冲裁断面上具有明显的4个特征区(图2—3),即“a一塌角、b一光亮带、c一断裂带和d一毛刺。
冲裁件的4个特征区在整个断面上所占比例的大小并非一成不变,而是随着材料的力学性能.冲裁问隙、刃口状态等条件的不同而变化的。
冲裁问隙的大小对冲裁件质量、模具寿命、计中的一个重要的工艺参数。
冲裁间隙系指冲裁模的凸模与凹模刃口之间的间隙,单面间隙用c表示.双面间隙隙用z表示(图2—7)。
图2-7 冲裁间隙示意图一、间隙的影响1.对冲裁质量的影响冲裁什的质量主要是指断面质量、尺寸精度和弯曲度。
(1)对断面质量的影响冲裁断面应平直、光洁、圆角小;光亮带应^有一定的比例,毛刺较小,冲裁件表面应尽可能平整,尺寸应在图样规定的公差范围之内。
影响冲裁件质量的因素有:凸、凹模间隙值大小及其分布的均匀性,模具刃口锋利状态,模具结构与制造精度、材料性能等。
其中。
间隙值大小与分布的均匀程度是主要因素。
冲裁时,间隙合适,可使上下裂纹与最大切应力方向重合,此时产生的冲裁断面比较平直、光洁、毛刺较小,制件的断面质量较好(图2—8b)。
间隙过小或过大将导致上、下裂纹不重合。
间隙过小时,上、下裂纹中间部分被第二次剪切,在断面上产生撕裂面,坪形成第二个光亮带(图2—8a),在端面出现挤长毛刺。
间隙过大.板料所受弯曲与拉伸均变大,断面容易撕裂,使光亮带所占比例减小.产生较大塌角,粗糙的断裂带斜度增大,毛刺大而厚,难于除去.使冲裁断面质量下降(图2 8c)。
图2-8间隙对工件断面质量的影响a) 间隙过小b) 间隙合适c) 间隙过大1—断面带2—光亮带3—圆角带(2)对尺寸精度的影响冲裁件的尺寸精度是指冲裁件实际尺寸与基本尺寸的差值,差值越小,精度越高。
该差值包括两方面的偏差,一是冲裁件相对于凸模或凹模尺寸之偏差,二是模具本身的制造偏差。
冲裁件对于凸模或凹模尺寸的偏差。
公差及间隙标准
一模具零件公差及间隙标准
1 模板厚度公差要求:
1.1 配合性模板(厚度对入子零件的上下装配关系有较
大影响的模板)厚度尺寸公差取值±0.03;
1.2 非配合性模板厚度公差取值±0.08.
2零件外形和模板孔的公差及间隙要求:
详见附表一: <<模具零件公差及间隙一览表>>
二冲裁刃口要求及冲裁间隙标准
1 冲裁刃口要求
1.1 一般冲裁刃口留修(直段)3MM,斜度1?,如下图.
1.2 一般3MM以下的小孔(含3MM),冲裁刃口留修2MM,
斜度1?.对于其它标准有明确规定的,按照其它标
准要求执行.
1.3 产品材料厚度T<0.3或T>1.5时,请示上级.
2 冲裁间隙标准详见附表二: <<冲裁间隙一览表>>
附表一: <<模具零件公差及间隙一览表>>
附表二: <<冲裁间隙一览表>>
注: 1.上表所列间隙值均是指单边冲裁间隙Z.
2.冲裁间隙Z的取值与冲裁的料片材质、厚度及生产条件
(模具形式等)有关.
3.未作注明者均不区分模具形式是工程模/连续模.
4.对于3MM以下小孔,当冲裁的料片材质为GI或不锈钢
/CRS/铝时,单边冲裁间隙Z=10%T.
5.冲裁的料片材质上表未列出时(如铜),冲裁间隙请示上
级.。
模具标准规范文件名常用材料冲裁间隙,脱板间隙标准页 码:第 一 页 共 3 页文件修改记录文件编号: JY-003 版本号: 生效日期:文件受控状态:新规批准:审核:制定: 姜金军目的: 规范冲裁间隙标准化作业﹐提升作业效率。
内容:为便于设计及加工的统一﹐对冲裁间隙及脱料板配合间隙规定如下JAC780Y , JAC980T, 高张力板 SPH440, 不锈钢,JAC590K , JAC270C, SECC,SPCC,冷轧板Q215A, Q235A,0.1 0.012 0.01 0.01 00.2 0.017 0.02 0.01 0.010.3 0.03 0.02 0.02 0.0120.5 0.05 0.04 0.03 0.020.8 0.07 0.06 0.05 0.041 0.09 0.08 0.06 0.061.2 0.11 0.1 0.07 0.071.5 0.15 0.12 0.09 0.091.8 0.18 0.16 0.13 0.112 0.2 0.18 0.16 0.122.5 0.26 0.23 0.2 0.16模具标准规范文件名常用材料冲裁间隙,脱板间隙标准页 码:第 二 页 共 3 页文件修改记录文件编号: JY-003 版本号: 生效日期:文件受控状态:新规批准:审核:制定: 姜金军JAC780Y , JAC980T, 高张力板 SPH440, 不锈钢,JAC590K , JAC270C, SECC,SPCC,冷轧板Q215A, Q235A,3 0.33 0.3 0.3 0.23.5 0.39 0.35 0.35 0.244 0.45 0.4 0.4 0.274.5 0.52 0.45 0.45 0.315 0.59 0.5 0.5 0.356 0.73 0.6 0.6 0.448 1.03 0.8 0.8 0.6110 1.33 1.1 1 0.81 121.681.321.21备注:1.以下为单边冲裁间隙,可用于一般条件下的冲裁.2.料厚大于5.0mm 时,如切断面光洁度有要求需检讨后方可执行。
冲压设计-冲裁间隙在冲裁过程中,材料受到弯矩的作用,工件产生穹弯,而不平整。
由于冲裁变形的特点,在冲裁断面上具有明显的4个特征区(图2—3),即“a一塌角、b一光亮带、c一断裂带和d一毛刺。
冲裁件的4个特征区在整个断面上所占比例的大小并非一成不变,而是随着材料的力学性能.冲裁问隙、刃口状态等条件的不同而变化的。
冲裁问隙的大小对冲裁件质量、模具寿命、计中的一个重要的工艺参数。
冲裁间隙系指冲裁模的凸模与凹模刃口之间的间隙,单面间隙用c表示.双面间隙隙用z表示(图2—7)。
图2-7 冲裁间隙示意图一、间隙的影响1.对冲裁质量的影响冲裁什的质量主要是指断面质量、尺寸精度和弯曲度。
(1)对断面质量的影响冲裁断面应平直、光洁、圆角小;光亮带应^有一定的比例,毛刺较小,冲裁件表面应尽可能平整,尺寸应在图样规定的公差范围之内。
影响冲裁件质量的因素有:凸、凹模间隙值大小及其分布的均匀性,模具刃口锋利状态,模具结构与制造精度、材料性能等。
其中。
间隙值大小与分布的均匀程度是主要因素。
冲裁时,间隙合适,可使上下裂纹与最大切应力方向重合,此时产生的冲裁断面比较平直、光洁、毛刺较小,制件的断面质量较好(图2—8b)。
间隙过小或过大将导致上、下裂纹不重合。
间隙过小时,上、下裂纹中间部分被第二次剪切,在断面上产生撕裂面,坪形成第二个光亮带(图2—8a),在端面出现挤长毛刺。
间隙过大.板料所受弯曲与拉伸均变大,断面容易撕裂,使光亮带所占比例减小.产生较大塌角,粗糙的断裂带斜度增大,毛刺大而厚,难于除去.使冲裁断面质量下降(图2 8c)。
图2-8间隙对工件断面质量的影响a) 间隙过小b) 间隙合适c) 间隙过大1—断面带2—光亮带3—圆角带(2)对尺寸精度的影响冲裁件的尺寸精度是指冲裁件实际尺寸与基本尺寸的差值,差值越小,精度越高。
该差值包括两方面的偏差,一是冲裁件相对于凸模或凹模尺寸之偏差,二是模具本身的制造偏差。
冲裁件对于凸模或凹模尺寸的偏差。
公差及间隙标准
一模具零件公差及间隙标准
1 模板厚度公差要求:
配合性模板(厚度对入子零件的上下装配关系有
较大影响的模板)厚度尺寸公差取值±;
非配合性模板厚度公差取值±.
2零件外形和模板孔的公差及间隙要求:
详见附表一: <<模具零件公差及间隙一览表>>
二冲裁刃口要求及冲裁间隙标准
1 冲裁刃口要求
一般冲裁刃口留修(直段)3MM,斜度1?,如下图.
一般3MM以下的小孔(含3MM),冲裁刃口留修2MM,
斜度1?.对于其它标准有明确规定的,按照其它
标准要求执行.
产品材料厚度T<或T>时,请示上级.
2 冲裁间隙标准详见附表二: <<冲裁间隙一览表>>
附表一: <<模具零件公差及间隙一览表>>
附表二: <<冲裁间隙一览表>>
注: 1.上表所列间隙值均是指单边冲裁间隙Z.
2.冲裁间隙Z的取值与冲裁的料片材质、厚度及生产条
件(模具形式等)有关.
3.未作注明者均不区分模具形式是工程模/连续模.
4.对于3MM以下小孔,当冲裁的料片材质为GI或不锈钢
/CRS/铝时,单边冲裁间隙Z=10%T.
5.冲裁的料片材质上表未列出时(如铜),冲裁间隙请示
上级.。
一.冲裁间隙分类见表4-1表4-1 冲裁间隙分类(JB/Z 271-86)二.冲裁间隙选取(仅供参考) 见表4-2(见下页)表4-2 冲裁间隙比值(单边间隙) (单位:%t)(注: 1. 本表适用于厚度为10mm以下的金属材料, 厚料间隙比值应取大些;2. 凸,凹模的制造偏差和磨损均使间隙变大, 故新模具应取最小间隙;3. 硬质合金冲模间隙比钢模大20% 左右.)注: 冲裁间隙选取应综合考虑下列因素:1.冲床﹑模具的精度及刚性.2.产品的断面质量﹑尺寸精度及平整度.3.模具寿命.4.跳屑.5.被加工材料的材质﹑硬度﹑供应状态及厚度.6.废料形状.7.冲子﹑模仁材质﹑硬度及表面加工质量.三.冲裁力﹑卸(剥)料力﹑推件力﹑顶件力F冲= 1.3 * L * t *τ(N) (公式4-1)F卸= K卸* F冲(N) (公式4-2)F推= N * K推* K冲(N) (公式4-3)F顶= K顶* F冲(N) (公式4-4)其中:L ――冲切线长度(mm)t ――材料厚度(mm)τ――材料抗剪强度(N/mm2 )1.3 ――安全系数K卸――卸(剥)料力系数K推――推料力系数K顶――顶料力系数K卸K推K顶数值见表4-3表4-3 卸料力﹑推件力和顶件力系数注:卸料力系数K卸在冲多孔﹑大搭边和轮廓复杂时取上限值.四.中性层弯曲半径R = r + x * t (mm) (公式4-5) 其中:R――中性层弯曲半径(mm)r ――零件内侧半径(mm)x ――中性层系数中性层系数见表4-4(仅供参考)表4-4 中性层系数x值注: 弯曲件展开尺寸与下列因素有关:1.弯曲成形方式.2.弯曲间隙.3.有无压料.4.材料硬度﹑延伸率﹑厚度.5.根据实际状况精确修正.五.材料最小弯曲半径,见表4-5表4-5 最小弯曲半径注:表列数据用于弯曲中心角≧90∘﹑断面质量良好的情况. 六﹑弯曲回弹半径及回弹角r 凸 = r 0 / ( 1 + K r 0 / t ) (公式4-6)回弹角的数值为Δα = (180°-α0 )( r 0 / r 凸 - 1) (公式4-7)式中 r 凸 ―― 凸模的圆角半径, [r 凸 ]为mm; r 0 ―― 工件的圆角半径, [r 0 ]为mm; α0 ――工件的弯曲角度, [α0]为(°); t ―― 工件材料厚度, [t]为mm; K ―― 简化系数, 见表4-6表4-6 简化系数k 值七﹑ 弯曲力计算针对“v ”型弯曲:F 弯 = 0.6kbt σb / (R + t ) (N) (公式4-8)其中:b ――― 弯曲线长度 (mm) t ――― 材料厚度 (mm) r ――― 内侧半径 (mm) σb ―― 材料极限强度 (N/mm 2)k―――安全糸数,一般k=1.3八﹑拉深(抽引)系数m = d/D (公式4-9)其中:d ――拉深(抽引)后工件直径(mm)D――毛坯直径(mm)1. 无凸缘或有凸缘筒形件用压边圈拉深系数见表4-7表4-7 无凸缘或有凸缘筒形件用压边圈拉深的拉深系数(适用08,10号钢)注: 1) 随材料塑性高低,表中数值应酌情增减.2) ――在线方为直筒件(d凸=d1 ).3) 随d凸/D 数值增大, r/t 值可相应减小, 满足2r1≦h1, 保証筒部有直壁.4) 查用时, 可用插入法, 也可用偏大值.5)多次拉深首次形成凸缘时,为考虑多拉入材料,m1增大0.02.2. 带凸缘筒形件第一次拉深系见表4-8表4-8 带凸缘筒形件第一次拉深时的拉深系数m 1注:适用于08﹑10号钢 3.无凸缘筒形件用压边圈拉深系数见表4-9表4-9 无凸缘筒形件用压边圈时的拉深系数注: 1. 凹模圆角半径大时 (r 凹 = 8 ~ 15t ), 拉深系数取小值, 凹模圆角半径小时 (r 凹 = 4 ~ 8t ),拉深系数取大值.2. 表中拉深系数适用于08﹑10S ﹑15S 钢与软黄铜H62 ﹑ H68. 当拉深塑性更大的金属时(05﹑08Z 及10Z 钢﹑铝等), 应比表中数值减小1.5-2%. 而当拉深塑性较小的金属时(20﹑25﹑A2﹑A3﹑酸洗钢﹑硬铝﹑硬黄铜等), 应比表中数值增大1.5-2%(符号S 为深拉深钢, Z 为最深拉深钢).4. 无凸缘筒形件不用压边圈拉深系数见表4-10表4-10 无凸缘筒形件不用压边圈时的拉深系数注:适用于08﹑10以及15Mn等材料5. 有工艺切口的第一次拉深系数见表4-11表4-11有工艺切口的第一次拉深系数m1 (材料:08﹑10)6. 有工艺切口的以后各次拉深系数见表4-12表4-12有工艺切口的以后各次拉深系数m n(材料:08﹑10))7. 有工艺切口的各次拉深系数见表4-13表4-13有工艺切口的各次拉深系数九﹑拉深(抽引)力F抽=3(σb + σs )( D – d - r凹)t (N) (公式4-10)其中:σb――材料极限强度(N/mm2)σs――材料屈服强度(N/mm2)D―――毛坯直径(mm)d―――拉深凹模直径(mm)r凹――拉深凹模圆角(mm)t―――材料厚度(mm)十﹑孔的翻边1. 翻边系数K = d/D (公式4-11)d ――预冲孔直径(mm)D ――翻边后平均直径(mm)各种材料极限翻边系数见表4-14,表4-15表4-14 低碳钢的极限翻边系数K表4-15 其它一些材料的翻边系数2. 预冲孔直径d = D-2( h - 0.43r - 0.72t ) (公式4-12)h ――翻边高度(mm)r ――翻边圆角(mm)t ――材料厚度(mm)3. 翻边高度h = D/[( 1-k )/2] + 0.4r + 0.72t (公式4-13)4. 翻边口部材料厚度t1 = t√k (mm) (公式4-14)5.翻边力F = 1.1tπtσs( D-d )σs ――材料屈服强度(Mpa)十一设计连接器五金零件应注意的要点1.尺寸标注:1)尺寸标注在最显要位置,直观,不封闭;2)重要﹑关键尺寸直接标注,不能有累积公差;3)尺寸公差大小应综合考虑功能及制造成本,并非越小越好,体现“该精就精,该粗就粗”一般经济公差为:下料±0.03,成形±0.05,角度±0.5°4)重要及关键尺寸应综合考虑制程稳定性、装配、使用功能并非多益善.5)设计基准,制造基准,测量基准相统一;2.形位公差:1)基准(面或线)不应有变形2)标注应清楚明确,方便量测;3)设计基准,制造基准,测量基准相统一;4)应综合考虑制程稳定性及使用要求,并非多多益善,精度一般可达到0.10;5)很稳定的尺寸, 如下料尺寸等可以不标.3.结构设计及强度要求1)材料选用满足使用要求,又方便采购的原料;2)零件外形园角,防止滚镀表面刮伤;3)零件应有足够的强度及刚性,防止在贮存,电镀、搬运过程中的变形及尺寸变异;4)特殊零件,可采用多种工序组合方式,如多轴成形加工.五金模具+治具等不同方式来完成;5)连续料带要求:A)Carrier应有足够的强度及刚性B)尽量采用双侧CarrierC)注意包装时Carrier及零件是否变形D)连续电镀的孔径、孔距特殊要求4.五金零件加工工艺:1)冲裁A)断面质量、光亮面比例大小B)毛刺大小(一般不超过0.05)及方向,对外观、功能的影响C)倒刺结构,不允许有园角D)尽量避免长悬臂或长槽E)零件平整度要求,一般为0.102) 弯曲A)最小弯曲半径B)外侧龟裂的影响C)弯起高度应大于2t,如图4-4D)孔边距离应大于t,如图4-5,也可采用如图4-6所示工艺 F)材料方向性对使用性能的影响 3) 抽引A) 形状尽量简单对称B) R 角不应太小,一般可达R0.30, 如图4-7 C) 内外尺寸不可同时标注 D) 表面模痕不应有苛刻要求E) 平面度一般可达0.10第八章工程图面作业标准第二节五金模具一.五金模具开发流程,见表8-1二.五金模具装配图(图8-1)三.模具图面常见符号含义M,MC ――铣SP ――――基准点H ―――热处理TYP ――――典型尺寸ELE ――镀铬RP ――――圆弧点DYE ――染黑CEN,CL ――中心线G ―――磨TAN ――――切点PG ―――光学曲线磨THR ――――穿孔JG ―――坐标磨BOTT ―――底面W/C,W ――线割TOP ――――顶面E,EDM――放电SYM ――――对称L ――――车T ―――――厚度INT ―――交点CB ――――沉孔C ――――倒角CLEAR ―――间隙四.典型零件排样1.HOOK类,见图8-22.抽引类,见图8-33.外壳类,见图8-4。
公差及间隙标准
模具零件公差及间隙标准
1模板厚度公差要求:
1.1配合性模板(厚度对入子零件的上下装配关系有较大影响的模
板)厚度尺寸公差取值土0.03;
1.2非配合性模板厚度公差取值土0.08.
2零件外形和模板孔的公差及间隙要求:
详见附表一: << 模具零件公差及间隙一览表>>
二冲裁刃口要求及冲裁间隙标准
1冲裁刃口要求
1.1 一般冲裁刃口留修(直段)3MM,斜度1 ,如下图.
它标准要求执行.
2冲裁间隙标准详见附表二: << 冲裁间隙一览表>>
1.2 般3MM 以下的小孔(含3MM),冲裁刃口留修
2MM,斜度 1 .对于其它标准有明确规定的,按照其
1.3 产品材料厚度TvO.3或T>1.5时,请示上级.
附表一: << 模具零件公差及间隙一览表>>
附表二: << 冲裁间隙一览表>>
注:1•上表所列间隙值均是指单边冲裁间隙乙
2.冲裁间隙Z的取值与冲裁的料片材质、厚度及生产条件
(模具形式等)有关.
3.未作注明者均不区分模具形式是工程模/连续模.
4.对于3MM 以下小孔,当冲裁的料片材质为GI或不锈钢
/CRS/铝时,单边冲裁间隙Z=10%T.
5.冲裁的料片材质上表未列出时(如铜),冲裁间隙请示上级.。
冲裁间隙在冲裁过程中,材料受到弯矩的作用,工件产生穹弯,而不平整。
由于冲裁变形的特点,在冲裁断面上具有明显的4个特征区(图2—3),即“a一塌角、b一光亮带、c一断裂带和d一毛刺。
冲裁件的4个特征区在整个断面上所占比例的大小并非一成不变,而是随着材料的力学性能.冲裁问隙、刃口状态等条件的不同而变化的。
冲裁问隙的大小对冲裁件质量、模具寿命、计中的一个重要的工艺参数。
冲裁间隙系指冲裁模的凸模与凹模刃口之间的间隙,单面间隙用c表示.双面间隙隙用z表示(图2—7)。
图2-7 冲裁间隙示意图一、间隙的影响1.对冲裁质量的影响冲裁什的质量主要是指断面质量、尺寸精度和弯曲度。
(1)对断面质量的影响冲裁断面应平直、光洁、圆角小;光亮带应^有一定的比例,毛刺较小,冲裁件表面应尽可能平整,尺寸应在图样规定的公差范围之内。
影响冲裁件质量的因素有:凸、凹模间隙值大小及其分布的均匀性,模具刃口锋利状态,模具结构与制造精度、材料性能等。
其中。
间隙值大小与分布的均匀程度是主要因素。
冲裁时,间隙合适,可使上下裂纹与最大切应力方向重合,此时产生的冲裁断面比较平直、光洁、毛刺较小,制件的断面质量较好(图2—8b)。
间隙过小或过大将导致上、下裂纹不重合。
间隙过小时,上、下裂纹中间部分被第二次剪切,在断面上产生撕裂面,坪形成第二个光亮带(图2—8a),在端面出现挤长毛刺。
间隙过大.板料所受弯曲与拉伸均变大,断面容易撕裂,使光亮带所占比例减小.产生较大塌角,粗糙的断裂带斜度增大,毛刺大而厚,难于除去.使冲裁断面质量下降(图2 8c)。
图2-8间隙对工件断面质量的影响a) 间隙过小b) 间隙合适c) 间隙过大1—断面带2—光亮带3—圆角带(2)对尺寸精度的影响冲裁件的尺寸精度是指冲裁件实际尺寸与基本尺寸的差值,差值越小,精度越高。
该差值包括两方面的偏差,一是冲裁件相对于凸模或凹模尺寸之偏差,二是模具本身的制造偏差。
冲裁件对于凸模或凹模尺寸的偏差。
冲裁模具间隙录入: 151zqh 来源: 日期: 2006-4-7,12:22冲裁凸模和凹模间的间隙,对冲裁件断面质量有极其重要的影响。
此外,冲裁间隙还影响着模具寿命、卸料力、推件力、冲裁力和冲裁件的尺寸精度。
因此,冲裁间隙是冲裁工艺与冲裁模设计中的一个非常重要的工艺参数。
间隙对冲裁件尺寸精度的影响冲裁件的尺寸精度是指冲裁件的实际尺寸与基本尺寸的差值,差值越小,则精度越高,这个差值包括两方面的偏差,一是冲裁件相对于凸模或凹模尺寸的偏差,二是模具本身的制造偏差。
图 1 间隙对冲裁件精度的影响a)黄铜t=4mm;b)15钢 t=3.5mmc)45钢t=2mm;τ=2c冲裁件相对于凸、凹模尺寸的偏差,主要是制件从凹模推出 (落料件)或从凸模上卸下(冲孔件 )时,因材料所受的挤压变形、纤维伸长、穹弯等产生弹性恢复而造成的。
偏差值可能是正的,也可能是负的。
影响这个偏差值的因素有:凸、凹模间隙,材料性质,工件形状与尺寸。
其中主要因素是凸、凹模间隙值。
当凸凹模间隙较大时,材料所受拉伸作用增大,冲裁结束后,因材料的弹性恢复使冲裁件尺寸向实体方向收缩,落料件尺寸小于凹模尺寸,冲孔孔径大于凸模直径 (图1)。
图中曲线与δ=0的横轴交点表明制件尺寸与模具尺寸完全一样。
当间隙较小时,由于材料受凸、凹模挤压力大,故冲裁完后,材料的弹性恢复使落料件尺寸增大,冲孔孔径变小。
尺寸变化量的大小与材料性质、厚度、轧制方向等因素有关。
材料性质直接决定了材料在冲裁过程中的弹性变形量。
软钢的弹性变形量较小,冲裁后的弹性恢复也就小;硬钢的弹性恢复量较大。
上述因素的影响是在一定的模具制造精度这个前提下讨论的。
若模具刃口制造精度低,则冲裁件的制造精度也就无法保证。
所以,凸、凹模刃口的制造公差一定要按工件的尺寸要求来决定。
此外,模具的结构形式及定位方式对孔的定位尺寸精度也有较大的影响,这将在模具结构中阐述。
冲模制造精度与冲裁件精度之间的关系见表 1。
2.3 冲裁模间隙
(2013-01-22 08:49:51)
转载▼
分类:冲模设计与制造
冲裁间隙Z是指冲裁模中凹模刃口横向尺寸DA与凸模刃口横向尺寸dT的差值,如图2.3.1所示。
Z表示双面间隙,单面间隙用Z/2表示,如无特殊说明,冲裁间隙就是指双面间隙。
Z值可为正,也可为负,但在普通冲裁中,均为正值。
2.3.1 间隙的重要性
间隙对冲裁件质量、冲裁力和模具寿命均有很大影响,是冲裁工艺与冲裁模设计中的一个非常重要的工艺参数。
1.间隙对冲裁件质量的影响
间隙是影响冲裁件质量的主要因素之一,详见第2.2节。
2.间隙对冲裁力的影响
试验证明,随间隙的增大冲裁力有一定程度的降低,但当单面间隙介于材料厚度的5%一20%范围内时冲裁力的降低不超过5%一l0%。
因此,在正常情况下,间隙对冲裁力的影响不很大。
间隙对卸料力、推件力的影响比较显著。
随间隙增大,卸料力和推件力都将减小。
一般当单面间隙增大到材料厚度的15%一25%时,卸料力几乎降到零。
但间隙继续增大会时毛刺增大,又将引起卸料力、顶件力的迅速增大。
3.间隙对模具寿命的影响
模具寿命分为刃磨寿命和模具总寿命。
刃磨寿命是用两次刃磨之间的合格制件数表示。
总寿命是用模具失效为止的总的合格制件数表示。
模具失效的原因一般有:磨损、变形、崩刃、折断和涨裂。
冲裁过程中作用于凸、凹模上的力为被冲材料的反作用力,其方向与图2.2.1所示相反,凸、凹模刃口受着极大的垂直压力与侧压力的作用,高压使刃口与被冲材料接触面之间产生局部附着现象,当接触面相对滑动时,附着部分就产生剪切而引起磨损。
这种附着磨损,是冲模磨损的主要形式。
当接触压力愈大,相对滑动距离愈大,模具材料愈软,则磨损量愈大。
而冲裁中的接触压力,即垂直力、侧压力、摩擦力均随间隙的减小而增大,且间隙小时,光亮带变宽,摩擦距离增长,摩擦发热严重,所以小间隙将使磨损增加,甚至使模具与材料之间产生粘结现象。
而接触压力的增大,还会引起刃口的压缩疲劳破坏,使之崩刃。
小间隙还会产生凹模胀裂,小凸模折断,凸凹模相互啃刃等异常损坏。
当然,影响模具寿命的因素很多,有润滑条件,模具制造材料和精度、表面粗糙度、被加工材料特性、冲裁件轮廓形状等,但间隙却是其中一个主要因素。
所以为了减少凸、凹模的磨损,延长模具使用寿命,在保证冲裁件质量的前提下适当采用较大的间隙值是十分必要的。
若采用小间隙,就必须提高模具硬度、精度、减小模具粗糙度、良好润滑,以减小磨损。
2.3.2 冲裁模间隙值的确定
由以上分析可见,间隙对冲裁件质量、冲裁力、模具寿命等都有很大的影响。
但很难找到一个固定的间隙值能同时满足冲裁件质量最佳、冲模寿命最长,冲裁力、最小等各方面的要求。
因此,在冲压实际生产中,主要根据冲裁件断面质量、尺寸精度和模具寿命这三个因素综合考虑,给间隙规定一个范围值。
只要间隙在这个范围内,就能得到质量合格的冲裁件和较长的模具寿命。
这个间隙范围就称为合理间隙,这个范围的最小值称为最小合理间隙(Zmin),最大值称为最大合理间隙(Zmax)。
考虑到在生产过程中的磨损使间隙变大,故设计与制造新模具时应采用最小合理间隙Zmin。
确定合理间隙值有理论法和经验确定法两种。
1.理论确定法
主要是根据凸、凹模刃口产生的裂纹相互重合的原则进行计算。
图2.3.2所示为冲裁过程中开始产生裂纹的瞬时状态,根据图中几何关系可求得合理间隙Z为
图2.3.1 冲裁模间隙图 2.3.2 冲裁产生裂纹的瞬时状况
上式可看出,合理间隙Z与材料厚度t、凸模相对挤入材料深度、裂纹角有关,而及又与材料塑性有关,见表2.3.1。
因此,影响间隙值的主要因素是材料性质和厚度。
材料厚度越大,塑性越低的硬脆材料,则所需间隙Z值就越大;材料厚度越薄,塑性越好的材料,则所需间隙Z值就越小。
由于理论计算法在生产中使用不方便,故目前广泛采用的是经验数据。
2.经验确定法
根据研究与实际生产经验,间隙值可按要求分类查表确定。
对于尺寸精度、断面质量要求高的冲裁件应选用较小间隙值(表2.3.2),这时冲裁力与模具寿命作为次要因素考虑。
对于尺寸精度和断面质量要求不高的冲裁件,在满足冲裁件要求的前提下,应以降低冲裁力、提高模具寿命为主,选用较大的双面间隙值(表2.3.3)。
可详见GB/T16743-1997。
需要指出的是,当模具采用线切割加工,若直接从凹模中制取凸模,此时凸、凹模间隙决定于电极丝直径、放电间隙和研磨量,但其总和不能超过最大单面初始间隙值。
(表2.3.2)。
可详见GB/T 16743-1997.
注:
1.初始间隙的最小值相当于间隙的公称数值。
2.初始间隙的最大值是考虑到凸模和凹模的制造公差所增加的数值。
3.在使用过程中,由于棋具工作部分的磨损,间隙将有所增加,因而间隙的使用最大数值会超过表列数值。
4.为碳的质量分数,用其表示钢中的含碳量。
注:冲裁皮革、石棉和纸板时,间隙取08钢的25%。
需要指出的是,当模具采用线切割加工,若直接从凹模中制取凸模,此时凸、凹模间隙决定于电极丝直径、放电间隙和研磨量,但其总和不能超过最大单面初始间隙值。