水厂活性炭滤池反冲洗操作规程
- 格式:doc
- 大小:23.50 KB
- 文档页数:4
活性炭杀菌操作规程一.蒸汽杀菌:(一)杀菌步骤:1.将活性炭就地控制柜面板选择开关拨到“备用”位置。
2.手动打开正冲排放阀,然后缓慢打开排气阀排水。
3.当活性炭过滤器内水排净后打开反洗排放阀,然后缓慢打开蒸汽阀,直至正冲排放管有蒸汽排出时关闭正冲排放阀,使蒸汽进入活性炭过滤器内。
4.活性炭过滤器温度缓慢上升,当温度达到90-100℃时继续注入蒸汽1个小时。
5.关闭蒸汽阀、反洗排放阀和排气阀停止通蒸汽,使活性炭过滤器自然降温。
6.当活性炭过滤器温度降到45℃以下时,进行正常的反洗和正冲。
(二)反洗步骤:1.反洗:打开反洗进水、反洗排放阀启动超滤水泵进行反洗,反洗时间20-30分钟。
2.打开进水、正冲排放阀进行正冲,关闭反洗进水、反洗排放阀,时间10分钟。
3.停止超滤水泵,关闭进水阀和正冲排放阀以备运行。
注:活性炭要选择手动反洗,不要选择自动反洗。
二.化学品杀菌:(一)杀菌步骤:1.保证超滤水箱有半箱水,按500-1000ppm浓度将过氧乙酸原液倒入超滤水箱。
2.将活性炭就地控制柜面板选择开关拨到“备用”位置。
3.手动打开正冲排放阀,然后缓慢打开排气阀排水。
4.当活性炭过滤器内水排净后打开反洗排放阀、反洗进水阀,关闭正冲排放阀和排气阀。
5.启动超滤水泵将超滤水箱500ppm过氧乙酸打到活性炭过滤器内。
6.当活性炭过滤器的反洗排放阀有水出来继续反洗三分钟后,打开正冲排放阀和进水阀再关闭反洗排放阀、反洗进水阀,正冲5分钟后停止超滤水泵并,浸泡。
浸泡时间视生产时间而定,但最低浸泡时间不能低于一小时。
7.浸泡完毕后,打开进水、正冲排放阀进行正冲,当超滤水箱达到低液位时关闭超滤水泵,运行超滤。
进行正常的反洗和正冲。
(二)反洗步骤:1.反洗:打开反洗进水、反洗排放阀启动超滤水泵进行反洗,反洗时间20分钟。
2.打开进水、正冲排放阀进行正冲,关闭反洗进水、反洗排放阀。
3.待正冲水的电导率和原水一致时,停止超滤水泵,关闭进水阀和正冲排放阀以备运行。
滤池反冲洗操作规程滤池反冲洗分三个阶段:单独气冲、气水冲和水漂洗,其操作过程如下:
第一阶段:单独气冲
1、操作步骤:
1关闭“滤池出水阀”、“滤池进水闸”.
2开启“滤池反冲洗进气阀”、“滤池反冲洗排污阀”.
3待应开的阀门全开,应关的阀门全关后,再开启“反洗风机”对滤池进行气冲,运行约3~5分钟后,进入下一阶段气水冲.
2、注意事项:
1反洗操作前将反洗管道中所有手动阀全开.
2反洗风机为1用1备,反洗时只能启动1台风机,不得启动2台.
3开启反洗风机前需保证滤池水位在拦截盖板之下,水位在拦截盖板之上或满水位时不得启动反洗风机.
4需先开反洗风机前的阀门,再开反洗风机,否则会损害反洗风机或者管路.
第二阶段:气水冲
1、操作步骤:
1开启“滤池反冲洗进水阀”.
2待阀门全开后,再开启“反洗水泵”对滤池进行气水冲,运行8~10分钟后,进入下一阶段水漂洗.
2、注意事项:
1反洗水泵为1用1备,反洗时只能启动1台水泵,不得启动2台.
2需做到先开水泵前后的阀门,再开反洗水泵.
第三阶段:水漂洗
水漂洗工艺流程图
1、操作步骤:
1停止“反洗风机”,关闭“反冲洗进气阀”.
2保持“反洗水泵”运行3~5分钟后,停止“反洗水泵”,关闭“反冲洗进水阀”. 3开启“初滤排污阀”、“滤池进水闸”.
4运行1~3分钟后,关闭“初滤排污阀”、“反冲洗排污阀”.
5开启“滤池出水阀”,此时一个反冲洗过程全部完成.
2、注意事项:
1滤池反冲洗时只能单独一个滤池进行,且一个滤池反冲洗完成后待清水池满后才能进行下一个滤池反冲洗操作.
2反冲洗过程中注意观察设备及管网的运行情况,出现异常立即停止操作.。
活性炭过滤器操作手册一、目的:建立纯化水制备岗位操作法,使操作工人正确操作该设备。
二、适用范围:适用于纯化水制备岗位。
三、责任者:纯化水制备岗位操作人。
四、活性炭过滤器操作规程1. 原理:通过活性炭的物理化学吸附作用去除进水中的有机物,BOD、COD,也能去除色度和臭气等。
特定设计结构,是强烈吸附与高效过滤相结合的装置,针对上、下游水质变化要求优选炭型,保证水质,可变化进出水口,可使用蒸汽灭菌,操作简单,活性炭过滤器壳体材料选用不锈钢内涂防腐层型。
严格控制产水Cl2<0.1mg/L。
2. 操作流程:①运行→反洗→静止→正洗→运行②高温消毒3.操作原理1)运行:打开上进水阀和出水阀;原水从上部进入活性炭过滤层后由底部导出至下级设备。
系统第一次开机时,务必将排气阀打开让过滤器内空气排出。
2)反洗:打开下进水阀和上排水阀;水从底部进入活性炭过滤层后由上部排出,冲洗过滤层所沉积的污泥物并排出过滤器外。
反洗时启动两台原水泵,用大流量进行冲洗,时间10—15分钟。
3)静止: 阀门全关,让石英砂自然下沉,使砂层排列平整。
时间3分钟。
4)正洗: 打开上进水阀和下排水阀;水从上部进入活性炭过滤层后由底部排出,冲洗过滤层所沉积的污泥物并排出过滤器外。
时间5—10分钟。
5)消毒:关闭上下进水阀,打开蒸汽进气阀和蒸汽排气阀,通入高温蒸汽进行灭菌,时间30分钟。
五、注意事项1)严禁未经培训人员上岗操作。
2)做好纯化水岗位清洁卫生。
纯化水生产线各部件的外表面至少每周擦抹一次。
3)系统开启前请检查压缩空气供应是否供应正常,压缩空气经减压后调整为5bar左右;同时检查管道上手动阀是否处于正确位置。
4)活性炭滤材一般每年更换一次,更换时同时检查过滤器内上、下层集散水器有无破损;5)每周检测一次过滤器出水Cl2值,若Cl2>0.1mg/L,清洗或更换活性炭;6)如系统需停运3天以上,应打开过滤器下排阀至过滤器和管道内的水排尽,同时关闭上进水阀、上排水阀、下进水阀、下排水阀。
活性炭反洗流程下载温馨提示:该文档是我店铺精心编制而成,希望大家下载以后,能够帮助大家解决实际的问题。
文档下载后可定制随意修改,请根据实际需要进行相应的调整和使用,谢谢!并且,本店铺为大家提供各种各样类型的实用资料,如教育随笔、日记赏析、句子摘抄、古诗大全、经典美文、话题作文、工作总结、词语解析、文案摘录、其他资料等等,如想了解不同资料格式和写法,敬请关注!Download tips: This document is carefully compiled by the editor. I hope that after you download them, they can help yousolve practical problems. The document can be customized and modified after downloading, please adjust and use it according to actual needs, thank you!In addition, our shop provides you with various types of practical materials, such as educational essays, diary appreciation, sentence excerpts, ancient poems, classic articles, topic composition, work summary, word parsing, copy excerpts,other materials and so on, want to know different data formats and writing methods, please pay attention!活性炭是一种常用于水处理领域的吸附材料,其主要作用是吸附水中的有机物质、余氯、异味等杂质,从而提高水质。
炭缸的反冲正冲作业指导书
1.目的
确保炭缸的反冲和正冲的效果符合要求。
2.适用范围
适用于公司水处理间炭缸的反冲和正冲操作。
3.职责
3.1 水处理员负责执行本文件。
3.2 工程外围领班负责监督执行本文件。
3.3 工程经理对本文件的有效性负责。
4.定义
无
5.程序
5.1 当原水池水位达九成满时,打开反冲泵开关。
全开炭缸反冲进水阀,半开炭缸反冲出水阀,打开炭缸各取样阀。
根据流量计显示,通过炭缸反冲出水阀调节反冲水流量为80~120m3 /h,反冲时间为15~30分钟,反冲至出水干净为止。
反冲期间用烧杯取反冲出水样观察是否有炭粒被冲出。
5.2 当炭缸反冲完后,关闭炭缸反冲出水阀,关闭炭缸取样阀和反冲进水阀,关闭反冲泵开关,停反冲泵。
5.3 打开三个砂缸手动供水,打开原水泵开关。
全开炭缸正冲进水阀,微开炭缸正冲出水阀,对炭缸进行正冲。
根据流量计显示,通过炭缸正冲出水阀调节正冲水流量为 80~120m3/h,正冲至出水浊度小于0.45NTU 为止。
5.4 炭滤水检测合格后,关闭炭缸正冲出水阀和正冲进水阀,把三个砂缸手动供水打成自动供水,然后炭缸恢复供水。
6. 培训及发放部门
6.1 培训:水处理员必须接受本文件和相关的作业指导书的培训。
6.2 发放部门:工程部。
7.相关文件及记录
7.1《水处理砂缸、炭缸反冲和正冲记录表》
7.2《水处理品质控制作业指导书》。
纯水活性碳过滤装置安全操作规程1、工作原理活性炭过滤器是利用颗粒活性炭进一步去除机械过滤器出水中的残存的余氯、有机物、悬浮物的杂质,为后续的反渗透处理提供良好条件。
活性炭过滤器主要利用含碳量高、分子量大、比表面积大的活性炭有机絮凝体对水中杂质进行物理吸附,达到水质要求,当水流通过活性炭的孔隙时,各种悬浮颗粒、有机物等在范德华力的作用下被吸附在活性炭孔隙中;同时,吸附于活性炭表面的氯(次氯酸)在炭表面发生化学反应,被还原成氯离子,从而有效地去除了氯,确保出水余氯量小于0.1ppm,满足RO膜的运行条件。
随时间推移活性炭的孔隙内和颗粒之间的截留物逐渐增加,使滤器的前后压差随之升高,直至失效。
在通常情况下,根据过滤器的前后压差,利用逆向水流反洗滤料,使大部分吸附于活性炭孔隙中的截留物剥离并被水流带走,恢复吸附功能;当活性炭达到饱和吸附容量彻底失效时,应对活性炭再生或更换活性炭,以满足工程要求。
当活性碳过滤器因截留过量的机械杂质而影响其正常工作,则可用反冲洗的方法来进行清洗。
利用逆向进水,使过滤器内砂滤层松动,可使粘附于滤料表面的截留物剥离并被反冲水流带走,有利于排除滤层中的沉渣、悬浮物等,并防止滤料板结,使其充分恢复截污、除氯能力,从而达到清洗的目的。
反洗以进出口压差参数设置来控制反冲洗周期,一般为三至四天,具体须视原水浊度而定。
活性碳过滤器采用不锈钢操作阀组,过滤器的启运、正洗、反洗、停机等工序均有手动控制操作。
当活性碳过滤器运行至进出口压差为0.05~0.07MPa时,必须进行反洗。
活性碳更换期为半年至一年。
2、结构特点设备本体是带上下椭圆封头的圆柱形钢结构,过滤器材质为Q235―A或304不锈钢,内衬硫化橡胶防腐,内部在进水口设有布水器,下部设有集水装置,集水装置上填装1200mm的活性碳和200mm的石英砂。
成套设备的本体外部装置有各种控制阀门和流量计、压力表。
活性炭过滤器所填活性炭为果壳炭,具有比重轻、孔隙率大、耐磨性强、吸附容量大的优点。
实用文案某某发电有限责任公司厂区外排废水达标排放工程废水收集及处理设备活性炭过滤器操作维护手册编制:审核:批准:第一章设备介绍1.工艺原理及工艺参数:1.1 工艺原理:活性炭吸附器的使用:由于活性炭具有吸附性和比表面积非常大的特性,活性炭广泛运用于各个领域。
水处理可用于去除水中的有机物和游离氯以保护后续设施。
活性炭过滤主要时去除水中的有机物和游离氯,防止水中游离氯对反渗透膜的氧化性破坏。
研究表明,用活性炭过滤法除去水中游离氯能进行的很彻底。
活性炭脱氧并不是单纯的物理吸附作用,而是在其表面发生了催化作用,促使游离氯通过活性炭虑层时,很快水解。
活性炭能吸附水中的余氯有机物等,对某些阳离子也有一定的吸附作用,当过滤达到一定时间或活性炭过滤器进水压力的差值大于0.1MPa时,需进行反洗;当吸附量达到吸附容量时,活性炭就需要更换。
按理论估算,吸附塔中活性炭可以使用2年以上,其实际使用寿命取决于进水水质和使用条件。
1.2 主要技术参数:1.2.1型式与型号①型号:DN3200 ②型式:垂直圆筒1.2.2数量: 6台1..2.3 每台设备出力①正常出力 80T/h ②最大出力 96T/h1.2.4 运行流速①正常流速: 10m/h ②最大流速 12m/h1.2.5 设备直径/壁厚 3224/12 mm ①直径:Φ3200mm(内径)②直筒壁厚:12mm ③封头厚度: 14 mm④直边高度: 3500mm ⑤总高度: 5877 mm1.2.6 设计压力: 0.6Mpa 水压试验压力: 0.75Mpa1.2.7 反洗膨胀高度: 1000 mm1.2.8 运行压差①正常出力压差:0.1Mpa ②最大出力压差:0.15 MPa1.2.9 设备荷重①空载荷重: 9000kg ②运行荷重: 52000kg1.2.10本体(包括封头)材质:Q235-B 器外管系、管件:20#钢1.2.11 衬里(防腐)①衬里(防腐)材料: 半硬耐酸橡胶②衬里(防腐)层数: 2③衬里厚度: 3+2mm1.2.12 内部装置①上部进水配水型式型式/材质:母支管结构/316不锈钢②下部出水配水型式型式/材质:穹型覆盖式多孔板/钢衬胶孔板型式:直流多孔板石英砂/卵石垫层1.2.13 设备本体外部装置①设备人孔数量/直径: 2/DN500mm②设备视镜孔数量/材质: 2套/有机玻璃1.3 滤料2.阀门及仪表配置进水阀:DN150PN1.0 出水阀:DN150PN1.0反洗进水阀:DN200PN1.0 反洗排放阀:DN200PN1.0正洗排放阀:DN150PN1.0 排气阀:DN50PN1.0放空阀(底部):DN50PN1.0 PI:进、出口压力表3.活性炭过滤器操作步骤:3.1 设备运行:3.1.1 设备启动(当该过滤器一段时间不用,又投运时,需要进行正洗一下)开正洗排水阀(1/3开)、排气阀、进水阀。
过滤器反洗操作步骤20120405水处理工艺流程:•加杀菌剂加絮凝剂加还原剂加阻垢剂•↓↓↓↓•原水箱→原水泵→多介质过滤器→活性碳过滤器→精密过滤器→高压泵••清洗装置•↓→反渗透膜组→除二氧化碳器→中间水泵→混床→树脂捕捉器→除盐水箱→除盐水泵→除氧器BC-505杀菌剂(次氯酸钠)作用可以杀灭一切微生物,在水处理行业是一种高效无毒的杀菌剂,具有消毒、除异味、除生物粘泥等作用。
絮凝剂(聚合氯化铝)作用机理溶中胶体物质的强烈电中和,解产物对水中悬浮物的优良架桥吸附,溶解性物质的选择性吸附作用。
还原剂(亚硫酸钠)作用用作还原剂、防腐蚀剂、去氯剂等。
阻垢剂(MDC702)作用制碳酸钙、硫酸钙、硫酸钡、硫酸锶结垢,碳酸钙的LSI高达+3.0尚不结垢,可防止反渗透膜面结垢,能提高产水量和产水质量,降低经济成本。
制水流程开启流程:保证水源→开1#多介质排气阀→开1#多介质正洗进→开1#多介质正洗出→开1#活性炭排气阀→开1#活性炭正洗进→开1#活性炭正洗出→开反渗透进水阀→开浓排阀→开生水泵→开阻垢剂→开杀菌剂→开絮凝剂→开助凝剂→启动高压泵→关1#多介质排气→关1#活性炭排气阀→待浓排阀排5至10分钟后关闭浓排阀→开1#风机→开1#混床排气阀→开1#混床正洗进→开1#混床下排→开1#中间水泵→关1#混床排气阀→待混床排电导率小于1us/cm 时开1#混床正洗出→关闭下排送水关闭流程:开浓排阀→停中间水泵→开1#多介质排气阀→开1#活性炭排气阀→停高压泵→停生水泵→停阻垢剂→停杀菌剂→停絮凝剂→停助凝剂→关1#多介质正洗进→关1#多介质正洗出→关1#多介质排气阀→关1#活性炭正洗进→关1#活性炭正洗出→关1#活性炭排气阀→关1#混床正洗进→关1#混床正洗出→关反渗透进水阀→关浓排阀→停1#风机多介质过滤器反洗⒈反洗开启流程⑴开排气阀→开下排阀→把水放置2∕3处→关下排阀。
⑵开进气阀(电磁阀)→缓慢开启手动进气阀→使空气以介质摩擦1分钟→关手动进气阀→关进气阀(电磁阀)→关排气阀。
活性炭过滤器反洗与控制活性炭过滤器是水处理工艺中预处理的主要设备,活性炭过滤器能够吸附原水中的杂质,控制出水的有机物、浊度、余氯等指标,为下一步深度处理提供保障。
活性炭过滤器的反洗是活性炭过滤器正常运行的重要保障,反洗的控制又是活性炭过滤器反洗的关键。
标签:活性炭过滤器;反洗;流量控制1 概述AP1000第三代核电机组对除盐水水质要求非常严格,指标远远高于国内外各类电站用水标准。
水质指标由常规电站的三项指标增加到十三项,是当今世界上电站行业中要求最严格的除盐水水质指标。
活性炭过滤器是海阳除盐水系统中主要的预处理设备。
当原水通过活性炭过滤器时,由于活性炭过滤器中的过滤介质(石英砂、活性炭等)的接触絮凝作用、吸附和截留作用使得原水中的杂质被吸附、截留。
通过活性炭过滤器的过滤,可进一步降低原水的总有机物、浊度、余氯等。
2 活性炭过滤器的运行活性炭过滤器在运行一段时间后需要进行反洗,使活性炭过滤器再次满足产水要求。
活性炭过滤器的反洗运行程序有满水、正洗、制水、停运。
活性炭过滤器开启前必须将过滤器充满水,即先开启进水阀、排气阀等滿水后冲洗一段时间,然后关闭正洗排水阀,转入正常运转。
运行一段时间后,活性炭的吸附能力减弱,产水水质余氯和浊度都没有满足要求,因此要对活性炭进行反洗。
活性炭过滤器的反洗程序有反洗排气、反洗、正洗、系统备用。
然而活性炭的反洗过程是活性炭过滤器正常运行的关键,因此怎样控制活性炭过滤器的反洗强度并且达到最佳效果,是活性炭过滤器反洗的关键。
3 活性炭反洗与控制本系统活性炭过滤器设计流量64t/h,原水浊度<1。
活性炭底部石英砂垫层分为五层,粒径从1-32mm不等,总高度为850mm,活性炭为椰壳,粒径为0.5-1.2mm,填装高度为2m。
将活性炭过滤器A、B、C、D分为两组,A、B为第一组,C、D为第二组。
两组活性炭过滤器填装完填料后满水浸泡,第一组活性炭过滤器随后开始反洗冲洗;第二组活性炭过滤器充分浸泡48小时后,进行反洗。
水厂活性炭滤池反冲洗操作规程活性炭滤池正常过滤时,值班长和中控人员应经常观察液位、差压和清水阀开度。
液位、进水阀、清水阀开度异常时,在故障复位无效时应检查PLC柜是否上电、空压机是否正常运行、贮气罐压力大小。
(一)自动反冲洗1.滤池反冲洗根据“参数设定”中的“冲洗周期、冲洗差压高限”自动根据“气冲时间、混冲时间、水冲时间”设定值进行自动反冲洗。
2.中控人员应监控每格滤池反冲洗的全过程。
3.冲洗前要求滤池、鼓风机、反冲洗泵均在自动状态,同时检查反冲洗水泵和鼓风机控制模式内“自动”状态,“上电指示”显示红灯,且“仿真模式”处未显示仿真状态,出口阀也显示自动状态,且无故障信息。
4.运行中观察各工艺阀门、鼓风机、反冲洗泵的开或关是否正常。
如果出现故障,在故障复位无效时,应将自动改为中控冲洗。
(二)强制冲洗1.点击“活性炭滤池”——点击所要冲洗的滤格。
2.检查遥控信号是否到位。
3.冲洗前要求滤池、鼓风机、反冲洗泵均在自动状态,同时检查反冲洗水泵和鼓风机工作状态内“远控开关”显示键盘,“上电指示”显示红灯,且“仿真模式”处未显示仿真状态,出口阀也显示自动状态,且无故障信息。
4.进入“系统管理”菜单,选择“用户登录” ,设定“用户名” 及“口令”。
5.进入“参数设置”,设定“气冲时间”、“静置时间”、“水冲时间”;参数设定可根据实际情况来设定气冲时间、静置时间、水冲时间,“鼓风机台数、水冲泵台数”选择“一台” 。
6.选择“强制冲洗”——点击“强制冲洗” 。
注:中控冲洗完毕后,点击“自动“,使滤池进入自动正常过滤。
运行中观察各工艺阀门、鼓风机、反冲洗泵的开或关是否正常。
如果出现故障,在故障复位无效时,应将中控冲洗改为滤池手动冲洗。
(三)手动反冲洗1.在反冲洗泵房的控制柜上将反冲洗水泵、鼓风机的转换开关选择在“手动”状态。
2.滤池手动反冲洗具体步骤如下:(1)在操作台上将所要冲洗的滤池的“手动/ 自动”转换开关旋转到“手动”位置。
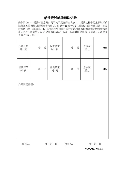
活性炭过滤器反洗步骤
1.正洗:首先运行双介质过滤器,然后开启活性炭过滤器地进水阀,待过滤器水质在填满之后开正洗排水阀,关排气阀进行正洗。
正洗至排水合格后关闭活性炭过滤器以上各阀门,活性炭过滤器就会进入到备用状态中。
或开启出水阀,关正洗排水阀投运此台活性炭过滤器;
2.空气擦洗(这个步骤需要根据实际情况来确定是否需要):开启活性炭过滤器排气阀,反洗排水阀和正洗排水阀,放水至过滤器上窥视镜中部的位置之后关闭正洗排水阀,再开启进气阀进行空气擦洗,擦洗的时间大概为3-5分钟后关进气阀,至滤料全部沉降后进行水反洗;
3.水反洗:开启反洗进水阀,启动反洗水泵以及水泵出口阀之后来进行反洗,反洗地时间大约为10-20分钟,设备在反洗时需要控制反洗地流量,以滤料不排出为原则,至排水澄清后停止水反洗。
停反洗水泵,关水泵出口阀及过滤器反洗进水阀,反洗排水阀。
活性炭过滤器反洗的流程
1.反洗的开启流程:
(1)开反洗进水阀→开反洗出水阀→开启反冲洗泵→进行反洗至反洗出水水质清澈透明。
2.反洗的关闭流程:
(1)关闭反冲洗泵→关反洗进水阀→关反洗出水阀。
3.正洗的开启流程:
(1)开正洗进水阀→开下排阀一启动生水泵进行正洗10分钟→开排气阀一关下排阀一灌满水。
(2)停生水泵→关正洗进水阀→关排气阀一然后放置备用。
南苑水厂深度处理活性炭滤池操作规程一、正常运行1、检查砂滤池水位是否正常运行,与活性炭滤池的联通管路是否畅通,然后按每格滤池控制柜上的“进水阀开”按钮开启进水启闭机进水,此时控制柜上的“排水阀”、“水冲阀”、“气冲阀”、“排气阀”、“出水阀”均应处于关闭状态。
2、每格滤池进水到不锈钢进水槽以下1米左右位置时水位,将控制柜上“出水阀”旋钮打开出水,注意调节出水量大小,不得露砂或溢池,一般控制在不锈钢进水槽以下0.5米左右。
滤池水位过高则将出水阀开度调大,增大出水量,滤池水位过低则将出水阀开度调小,减少出水量。
3、每小时检测滤后水的浊度、余氯等指标。
浊度指标控制在0.5度以下,余氯指标控制在1.0mg/l左右。
二、反冲洗程序发现某格滤池滤速明显降低(滤池运行水位高于进水槽且出水阀已开至最大)时,应及时启动反冲洗程序,具体操作程序如下:1、按滤池控制柜上的“进水阀关”按钮停止进水。
2、待滤池水位降至滤池不锈钢进水堰时按滤池控制柜上的“排水阀开”按钮打开排水阀排水。
3、待滤池水位降至滤池排水堰口向下1.0米左右时将滤池控制柜上的“出水阀流量调节”旋至全部关闭并确认。
4、将滤池控制柜上的“气冲阀”按钮调至“开”,然后通知反冲洗泵房先开启一台鼓风机进行单纯气冲,间隔30秒后加开一台鼓风机。
5、两台鼓风机单纯气冲5分钟后通知反冲洗泵房关闭鼓风机,确认鼓风机全部关闭后将滤池控制柜上“气冲阀”按钮按至“关”,再将“排气阀”按钮按至“开”,待气排清后通知反冲洗泵房开一台水泵进行水冲。
6、一台水泵冲洗至冲洗水溢出进水槽向外排水1分钟后通知反冲洗泵房加开一台水泵进行水冲(此时合计二台水泵水冲)。
7、二台水泵水冲8~10分钟后通知反冲洗泵房将水泵全部关闭,确认水泵全部关闭后将滤池控制柜上的“水冲阀”按钮按至“关”。
8、待排水槽内水排清后按滤池控制柜上的“排水阀关”按钮关闭排水阀。
9、待排水阀关闭到位后按滤池控制柜上的“进水阀开”按钮进水。
南苑水厂深度处理活性炭滤池操作规程一、正常运行1、检查砂滤池水位是否正常运行,与活性炭滤池的联通管路是否畅通,然后按每格滤池控制柜上的“进水阀开”按钮开启进水启闭机进水,此时控制柜上的“排水阀”、“水冲阀”、“气冲阀”、“排气阀”、“出水阀”均应处于关闭状态。
2、每格滤池进水到不锈钢进水槽以下1米左右位置时水位,将控制柜上“出水阀”旋钮打开出水,注意调节出水量大小,不得露砂或溢池,一般控制在不锈钢进水槽以下0.5米左右。
滤池水位过高则将出水阀开度调大,增大出水量,滤池水位过低则将出水阀开度调小,减少出水量。
3、每小时检测滤后水的浊度、余氯等指标。
浊度指标控制在0.5度以下,余氯指标控制在1.0mg/l左右。
二、反冲洗程序发现某格滤池滤速明显降低(滤池运行水位高于进水槽且出水阀已开至最大)时,应及时启动反冲洗程序,具体操作程序如下:1、按滤池控制柜上的“进水阀关”按钮停止进水。
2、待滤池水位降至滤池不锈钢进水堰时按滤池控制柜上的“排水阀开”按钮打开排水阀排水。
3、待滤池水位降至滤池排水堰口向下1.0米左右时将滤池控制柜上的“出水阀流量调节”旋至全部关闭并确认。
4、将滤池控制柜上的“气冲阀”按钮调至“开”,然后通知反冲洗泵房先开启一台鼓风机进行单纯气冲,间隔30秒后加开一台鼓风机。
5、两台鼓风机单纯气冲5分钟后通知反冲洗泵房关闭鼓风机,确认鼓风机全部关闭后将滤池控制柜上“气冲阀”按钮按至“关”,再将“排气阀”按钮按至“开”,待气排清后通知反冲洗泵房开一台水泵进行水冲。
6、一台水泵冲洗至冲洗水溢出进水槽向外排水1分钟后通知反冲洗泵房加开一台水泵进行水冲(此时合计二台水泵水冲)。
7、二台水泵水冲8~10分钟后通知反冲洗泵房将水泵全部关闭,确认水泵全部关闭后将滤池控制柜上的“水冲阀”按钮按至“关”。
8、待排水槽内水排清后按滤池控制柜上的“排水阀关”按钮关闭排水阀。
9、待排水阀关闭到位后按滤池控制柜上的“进水阀开”按钮进水。
水厂活性炭滤池反冲洗操作规程
活性炭滤池正常过滤时,值班长和中控人员应经常观察液位、差压和清水阀开度。
液位、进水阀、清水阀开度异常时,在故障复位无效时应检查PLC柜是否上电、空压机是否正常运行、贮气罐压力大小。
(一)自动反冲洗
1.滤池反冲洗根据“参数设定”中的“冲洗周期、冲洗差压高限”自动根据“气冲时间、混冲时间、水冲时间”设定值进行自动反冲洗。
2.中控人员应监控每格滤池反冲洗的全过程。
3.冲洗前要求滤池、鼓风机、反冲洗泵均在自动状态,同时检查反冲洗水泵和鼓风机控制模式内“自动”状态,“上电指示”显示红灯,且“仿真模式”处未显示仿真状态,出口阀也显示自动状态,且无故障信息。
4.运行中观察各工艺阀门、鼓风机、反冲洗泵的开或关是否正常。
如果出现故障,在故障复位无效时,应将自动改为中控冲洗。
(二)强制冲洗
1.点击“活性炭滤池”——点击所要冲洗的滤格。
2.检查遥控信号是否到位。
3.冲洗前要求滤池、鼓风机、反冲洗泵均在自动状态,同时检查反冲洗水泵和鼓风机工作状态内“远控开关”显示键盘,“上电指示”显示红灯,且“仿真模式”处未显示仿真状态,出口阀也显示自
动状态,且无故障信息。
4.进入“系统管理”菜单,选择“用户登录”,设定“用户名”及“口令”。
5.进入“参数设置”,设定“气冲时间”、“静置时间”、“水冲时间”;参数设定可根据实际情况来设定气冲时间、静置时间、水冲时间,“鼓风机台数、水冲泵台数”选择“一台”。
6.选择“强制冲洗”——点击“强制冲洗”。
注:中控冲洗完毕后,点击“自动“,使滤池进入自动正常过滤。
运行中观察各工艺阀门、鼓风机、反冲洗泵的开或关是否正常。
如果出现故障,在故障复位无效时,应将中控冲洗改为滤池手动冲洗。
(三)手动反冲洗
1.在反冲洗泵房的控制柜上将反冲洗水泵、鼓风机的转换开关选择在“手动”状态。
2.滤池手动反冲洗具体步骤如下:
(1)在操作台上将所要冲洗的滤池的“手动/自动”转换开关旋转到“手动”位置。
(2)关闭进水阀,将出水阀开至80%左右,待到滤池水位到达预设水位时,关闭出水阀,打开排水阀,打开气冲阀,开启鼓风机(一台),进行气冲,冲至预设时间气冲时间到后,关闭一台鼓风机,关闭气冲阀,打开排气阀。
(3)为了防止活性炭“跑炭”,所以设置静置阶段至预设时间。
(4)打开进水阀,打开水冲阀,开启一台反冲洗水泵,进行水冲,冲至预设时间。
(5)水冲时间到后,关闭所开启的反冲水泵,关闭水冲阀。
(6)关闭排水阀,打开初滤水阀,排出较脏的初滤水至预设时间,关闭初滤水阀和排气阀。
(7)检查所有阀门是否在正常进出水状态。
(8)将“手动/自动”转换开关旋转到“自动”位置。
恢复滤池自动恒水位制水。
注:
(1)若遇到气动阀门自动或中控不能开启时,应检查该组滤池的PLC是否运行正常、空压机压力是否正常、空气干燥机出口压力是否正常、检查阀门气管是否正常,若上述情况均正常,则只能用阀门上的开关进行现场操作。
(2)滤池反冲洗的气冲、静置时间、水冲的时间可以根据实际情况进行调整。
(3)开、关阀门时以指示灯转变作为阀门开、关到位的标志。
(4)因某种原因无法开、关气动阀时,可转动气动阀门上的手动开关。
(5)冲洗泵操作应按照先开泵后开阀与先关阀再停泵的顺序操作。
(6)冲洗结束后应检查各气动阀门状态,各种转换开关恢复自动状态。