中南大学物理实验衍射光栅测光波波长
- 格式:docx
- 大小:1.24 MB
- 文档页数:2
实验4.11 衍射光栅的特性与光波波长的测量衍射光栅由大量等宽、等间距、平行排列的狭缝构成。
实际使用的光栅可以用刻划、复制或全息照相的方法制作。
衍射光栅一般可以分为两类:用透射光工作的透射光栅和用反射光工作的反射光栅。
本实验使用的是透射光栅。
根据多缝衍射的原理,复色光通过衍射光栅后会形成按波长顺序排列的谱线,称为光栅光谱,所以光栅和棱镜一样是一种重要的分光光学元件。
在精确测量波长和对物质进行光谱分析中普遍使用的单色仪、摄谱仪就常用衍射光栅构成色散系统。
本实验要求:理解光栅衍射的原理,研究衍射光栅的特性;掌握用衍射光栅精确测量波长的原理和方法;进一步熟悉分光计的工作原理和分光计的调节、使用方法。
【实验原理】1.光栅常数和光栅方程图4.11—1 衍射光栅衍射光栅由数目极多,平行排列且宽度、间距都相等的狭缝构成,用于可见光区的光栅每毫米缝数可达几百到上千条。
设缝宽为a,相邻狭缝间不透光部分的宽度为b,则缝间距d = a + b就称为光栅常数(图4.11—1),这是光栅的重要参数。
根据夫琅和费衍射理论,波长的平行光束垂直投射到光栅平面上时,光波将在每条狭缝处发生衍射,各缝的衍射光在叠加处又会产生干涉,干涉结果决定于光程差。
因为光栅各狭缝间距相等,所以相邻狭缝沿θ方向衍射光束的光程差都是 d sinθ(图4.11—1)。
θ是衍射光束与光栅法线的夹角,称为衍射角。
在光栅后面置一会聚透镜,使透镜光轴平行于光栅法线(图4.11—2),透镜将会使图4.11—2所示平面上衍射角为θ的光都会聚在焦平面上的P点,由多光束干涉原理,在θ满足下式时将产生干涉主极大,户点为亮点:(4.11—1)),2,1,0(sin ±±==k k d λθ式中k 是级数,d 是光栅常数。
(1)式称为光栅方程,是衍射光栅的基本公式。
由(1)式可知,θ=0对应中央主极大,P 0点为亮点。
中央主极大两边对称排列着±1级、±2级……主极大。
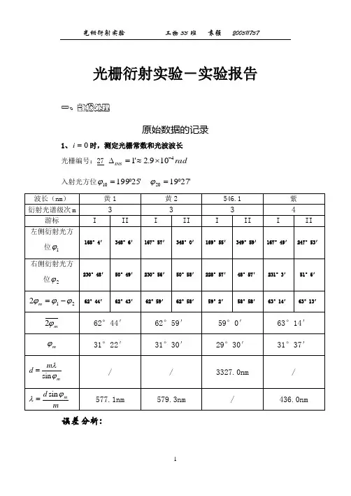
光栅衍射实验-实验报告一、数据处理原始数据的记录1、0=i 时,测定光栅常数和光波波长 光栅编号:27 rad INS 4109.2'1-⨯≈=∆ 入射光方位'2519910︒=ϕ '271920︒=ϕ误差分析:42422222106.3)'30292109.22()1.54601.0()22()()()(--⨯≈︒⨯⨯+≈∆+∆=∆+∆=∆tg tg tg d d INS ϕλλϕϕλλnmd d 2.1106.34≈⨯⨯≈∆-nmd 2.10.337±=4242422112211109.4223121092230292109221546010---⨯≈︒⨯⨯+︒⨯⨯+≈++=)'tg .()'tg .()..()tg Δ()tg Δ()λΔλ(λΔλ黄黄绿绿绿绿黄ϕϕϕϕ黄4242422222222109.4303121092230292109221546010---⨯≈︒⨯⨯+︒⨯⨯+≈++=)'tg .()'tg .()..()tg Δ()tg Δ()λΔλ(λΔλ黄黄绿绿绿绿黄ϕϕϕϕ黄424242222109.4373121092230292109221546010---⨯≈︒⨯⨯+︒⨯⨯+≈++=)'tg .()'tg .()..()tg Δ()tg Δ()λΔλ(λΔλ绿绿绿绿紫紫紫紫ϕϕϕϕnm3.0109.4141≈⨯⨯≈∆-黄黄λλnm3.01.5771±=黄λnm3.0109.4242≈⨯⨯≈∆-黄黄λλnm3.03.5792±=黄λnm2.0109.43≈⨯⨯≈∆-紫紫λλnm2.00.436±≈∆紫λ小结:将实验数据和给出的参考值进行比较可知,利用光的衍射现象可以较精确的测定光的波长。
2、︒=15i 时,测量波长较短的黄线的波长光栅编号:27 光栅平面法线方位'251841︒=n ϕ '2742︒=n ϕ异侧时:nm nm m i d 7.5782)'5914sin '2037(sin 0.3327)sin (sin ≈︒-︒⨯≈-=ϕλ3244222101.2'5914sin 2037sin 1092'5914cos 210922037cos 20.33272.1sin sin )sin (sin ---⨯≈︒-︒⨯⨯︒⨯+⨯⨯︒⨯+≈--+=)'..'()()ii Δ()d Δd (λΔλϕϕnm 2.1101.23≈⨯⨯≈∆-λλnm 2.17.578±=λ同侧时:nm nm m i d 0.5772)'5914sin '045(sin 0.3327)sin (sin ≈︒+︒⨯≈-=ϕλ3244222103.2'5914sin 045sin 1092'5914cos 21092045cos 20.33272.1sin sin )sin (sin ---⨯≈︒+︒⨯⨯︒⨯+⨯⨯︒⨯+≈+++=)'..'()()i i Δ()d Δd (λΔλϕϕnm 3.1103.23≈⨯⨯≈∆-λλnm 3.10.577±=λ小结:将此处数据与参考数据对比可知,由于要测量的量比较多,合成的误差较大。
光栅衍射与光波波长的测定实验报告目录一、实验目的 (2)1. 理解光栅的基本原理和作用 (2)2. 学会使用光栅光谱仪进行光栅衍射实验 (3)3. 测定入射光和衍射光的波长 (4)二、实验原理 (5)1. 光栅方程 (6)2. 惠更斯-菲涅耳原理 (7)3. 菲涅耳衍射 (7)4. 夫琅禾费衍射 (8)5. 光波波长测定 (10)三、实验仪器与材料 (11)1. 光栅光谱仪 (11)2. 可调谐激光器 (12)3. 高精度光杠杆 (14)4. 微倾螺旋 (15)5. 滤光片 (16)四、实验步骤 (17)五、实验数据与结果分析 (19)1. 记录实验过程中的所有数据,包括衍射图谱、波长计算值等 (20)2. 对比实验数据与理论预期,分析光栅性能和波长测定结果的准确性213. 编写实验报告,总结实验过程、结果与讨论 (22)六、实验误差分析与改进措施 (22)1. 分析实验误差来源,如仪器误差、操作误差等 (24)2. 提出改进措施,如优化仪器设置、提高操作技能等 (25)3. 对实验结果进行修正,以提高测量精度 (26)七、实验结论 (27)一、实验目的本实验旨在通过光栅衍射与光波波长的测定,深入理解光栅的基本原理及其在光学信息处理、通信和显示技术等领域的应用。
实验过程中,我们将观察并分析光栅产生的衍射图样,测量光波波长,并探究光栅常数与衍射效率之间的关系。
通过实验操作,培养学生的动手能力和科学实验素养,提高其解决实际问题的能力。
1. 理解光栅的基本原理和作用本实验旨在探究光栅衍射现象与光波波长的关系,为了更好地理解实验内容,我们首先需深入理解光栅的基本原理和作用。
光栅是一种具有周期性结构的光学元件,其表面由一系列等宽等间距的狭窄透光条和遮挡条组成。
当光束入射到光栅上时,由于光栅的周期性结构,会发生衍射现象。
衍射是波(如光波)在遇到障碍物或穿过小孔时产生的一种物理现象,光波会被分散成不同的方向,形成明暗相间的条纹。
大学物理实验教案实验名称:光栅衍射法测定光波长 1 实验目的1)熟练分光计的调节。
2)理解光栅衍射现象;3)学习用光栅衍射法测定光的波长。
2 实验器材分光计、平面透射光栅、汞灯、平面反射镜3 实验原理3.1 实验原理光栅和棱镜一样,是重要的分光光学元件,已广泛应用在光栅光谱仪、光栅单色仪等。
光栅是一组数目极多的等宽、等距和平行排列的狭缝。
它分为透射光栅和反射光栅两种。
应用透射光工作的称为透射光栅,应用反射光工作的称为反射光栅。
现代制造光栅主要有刻划光栅、复制光栅和全息光栅等形式。
本实验用的是平面透射光栅。
描述光栅特征的物理量是光栅常数d ,其大小等于狭缝宽度a 与狭缝间不透光部分的宽度b 之和,即b a d +=,习惯上用单位毫米里的狭缝数目N 来描述光栅特性。
光栅常数d 与N 的关系为N d 1=(1)根据夫琅禾费衍射理论,波长为λ的平行光束垂直入射到光栅平面上时,透射光将形成衍射现象,即在一些方向上由于光的相互加强后光强度特别大,而其他的方向上由于光的相消后光强度很弱就几乎看不到光。
图40-1给出了形成光栅衍射的光路图。
如果入射光源为线光源,经过光栅后衍射图样为一些相距较大的锐利的色彩斑斓的明亮条纹组成。
而这些亮条纹1、光源2、狭缝3、凸透镜4、平面透射光栅5、光栅衍射光谱图40—1 实验原理示意图图40—2 汞灯的部分光栅衍射光谱示意图所在的方位由光栅方程所确定,方程为λφk d =sin ( 2,1,0±±=k ) (2)其中,d 为光栅常数,k 为衍射级别,λ为光波长,φ为衍射角它是光栅法线与衍射方位角之间的夹角。
由(2)式可见,同一级的衍射条纹,如果波长不同其衍射角不同,所以光栅具有分光功能。
图40-2为汞灯的部分光栅衍射光谱示意图。
光栅衍射现象是很容易观察到的,如果手头有一块光栅,可直接透过光栅观察某一光源就可看到衍射现象。
实验室中经常在分光计上利用光栅衍射现象来进行光波长或光栅常数的测量。
大学物理实验报告3. 实验原理(请用自己的语言简明扼要地叙述,注意原理图需要画出,测试公式需要写明)如图所示,当一束平行的单色光垂直照射到光栅平面上时,由于每条狭缝对光波都发生衍射,所以透过各狹缝的光将向各个方向传播.经透镜后,由于各个缝所发出的光互相干涉的结果,在其焦平面上形成一系列间隔不等的明条纹,相邻明条纹中间被相当宽的暗区隔开。
根据光栅衍射理论,产生衍射条纹的条件是dsin φ=kλ(k=…-1,-2,0,+1,+2,…)上式称为光栅衍射方程。
式中d为光栅常量,d=a+b; a为光栅缝宽;b为相邻两缝间不透光部分的宽度; φ为衍射角;λ为入射光的波长; k为光谱级次。
由光栅方程可以看出,当k=0时,对应于φ=0处,可观察到中央明条纹. k=+1,+2…的条纹分别称为第一级、第二级....明条纹. 正负号表示各级明条纹对称地分布在中央明条纹的两侧。
衍射明条纹实际上是光源狭缝的像,称为光谱线。
若入射光是复色光,则在φ=0的方向上,各种波长的光谱线重叠在一起,形成与复色光颜色相同的中央明条纹。
在其他方向上,对于同一级次、不同波长的光,虽然入射角相同。
但由于衍射角不同,经光栅行射后的光谱线将按照波长排开。
波长短的谱线在内侧,波长长的谱线在外侧,称为光栅光谱。
由光栅方程可知,如果入射光波长已知,测出第k级该谱线的衍射角φ,就可以计算出光栅常量d;反之,如果光栅常量d已知,测出待测谱线的衍射角和相应的光谱级次k,就可以计算其波长λ。
角色散率(或角色散)D是描述光栅特性的一个重要参量,它定义为同一级光谱中两条谱线的衍射角之差△φ与它们的波长差△λ之比,即D=△φ/△λ4. 实验内容与步骤a.调节分光计b.调节光栅(1)调节光栅平面,使入射光垂直照到光栅表面上。
首先使望远镜中的竖直准线对准平行光管狭缝像,然后将光栅放在载物台上,其方位如图所示,即使光栅平面处在调节螺丝V和V2连线的中垂线上,转动载物台,并调节螺丝V或V2,使从目镜中看到由光栅平面反射回来的绿十字像的交叉点与调整用准线的交叉点重合。
---------------------------------------------------------------范文最新推荐------------------------------------------------------ 物理实验报告《用分光计和透射光栅测光波波长》【实验目的】观察光栅的衍射光谱,掌握用分光计和透射光栅测光波波长的方法。
【实验仪器】分光计,透射光栅,钠光灯,白炽灯。
【实验原理】光栅是一种非常好的分光元件,它可以把不同波长的光分开并形成明亮细窄的谱线。
光栅分透射光栅和反射光栅两类,本实验采用透射光栅,它是在一块透明的屏板上刻上大量相互平行等宽而又等间距刻痕的元件,刻痕处不透光,未刻处透光,于是在屏板上就形成了大量等宽而又等间距的狭缝。
刻痕和狭缝的宽度之和称为光栅常数,用d 表示。
由光栅衍射的理论可知,当一束平行光垂直地投射到光栅平面上时,1 / 21透过每一狭缝的光都会发生单缝衍射,同时透过所有狭缝的光又会彼此产生干涉,光栅衍射光谱的强度由单缝衍射和缝间干涉两因素共同决定。
用会聚透镜可将光栅的衍射光谱会聚于透镜的焦平面上。
凡衍射角满足以下条件k = 0,±1,±2, (10)的衍射光在该衍射角方向上将会得到加强而产生明条纹,其它方向的光将全部或部分抵消。
式(10)称为光栅方程。
式中d为光栅的光栅常数,θ为衍射角,λ为光波波长。
当k=0时,θ= 0得到零级明纹。
当k = ±1,±2 …时,将得到对称分立在零级条纹两侧的一级,二级… 明纹。
实验中若测出第k级明纹的衍射角θ,光栅常数d已知,就可用光栅方程计算出待测光波波长λ。
【实验内容与步骤】1.分光计的调整分光计的调整方法见实验1。
---------------------------------------------------------------范文最新推荐------------------------------------------------------ 2.用光栅衍射测光的波长(1)要利用光栅方程(10)测光波波长,就必须调节光栅平面使其与平行光管和望远镜的光轴垂直。
光栅衍射法测光波波长实验报告目录一、实验目的与要求 (2)1. 实验目的 (2)2. 实验要求 (3)二、实验原理 (3)1. 光栅基本原理 (4)2. 衍射原理简介 (5)3. 光波波长测量方法 (6)三、实验仪器与材料 (7)1. 主要仪器 (8)双缝干涉仪 (8)读取装置 (9)2. 实验材料 (11)光波源 (11)透明介质 (13)测量尺 (14)四、实验步骤 (15)1. 光路搭建 (16)2. 数据采集 (18)3. 数据处理 (19)4. 结果分析 (20)五、实验结果与讨论 (20)1. 实验数据记录 (21)2. 数据处理与分析 (22)3. 结果讨论 (23)实验误差分析 (24)结果合理性探讨 (25)六、实验结论与展望 (26)1. 实验结论 (27)2. 实验不足与改进 (28)3. 未来研究方向 (30)一、实验目的与要求本次实验的目的是通过光栅衍射法测量光波的波长,光栅衍射作为一种重要的光学现象,在研究光的波动性和干涉性方面具有重要的应用价值。
通过本实验,我们希望能够加深对光栅衍射现象的理解,并准确地测量出光波的波长,进一步探究光波的特性。
本实验旨在通过光栅衍射法测量光波波长,加深对光栅衍射现象的理解,掌握相关实验技能和技术,为今后的学习和研究打下坚实的基础。
1. 实验目的理论联系实际:将所学的光学理论应用于实际问题解决中,通过实验手段验证理论的正确性。
掌握光栅衍射的基本原理:通过实验观察并分析光栅衍射现象,理解光栅对光的散射作用以及衍射图样的形成机制。
学习使用光栅仪器:熟练掌握光栅测长仪的使用方法,能够准确测量光栅常数。
提高实验技能:通过实际操作,提高动手能力、分析问题和解决问题的能力,培养科学严谨的实验态度。
拓展知识面:了解现代光学技术在其他领域的应用,如光谱分析、光学计量等,激发对光学技术的兴趣和探索欲望。
2. 实验要求准备实验器材,包括光源、光栅、透镜、光学仪器等。