190系列柴油机操作规程发 完整版
- 格式:docx
- 大小:17.00 KB
- 文档页数:6
190机组运行操作规程开机之前首先观察一下NL乳化液的软水水有没有加满还有油的液位(正常要求40CD级或CF-4级机油,油的液位在上刻度线与下刻度线的中间位置即可,未开机之前在上刻度线1厘米以上)。
一.开机:环境温度低于5ºC,应将机油和水温度预热到20ºC1:手泵泵油或按下预供油按钮使机油压力达到0.1MPa以上并且盘车1圈以上,手感无异常就可以起动了。
2:打开总阀,当气源压力在0.6MPa-0.9MPa范围内,按下油压低自动停车装置操纵杆,正常情况下按下起动按钮等到飞轮转速达到80转以上就可以起动起来了(连续三次起动不起来就要检查一下原因再起)。
注意气动马达起动每次连续运转不得超过15秒,起动完成后,应立即将气源总阀关闭。
3:起动时,可用调速器上的停车手柄控制油量调节齿杆,以免柴油机转速瞬时上升过高,转速控制在600—800r/min,观察机器的滤前油压、滤后油压还有增压器的压力不要低于0.3MPa即可,并在此转速下进行暖机。
4:等水温、油温达到30ºC以上就可以提速到额定转速了。
5:等水温、油温达到40ºC以上就可以加负载了。
二.运行:柴油机起动后转入正常运转时,应注意以下事项:1:机油压力≧0.35MPa2:听气缸盖上罩壳处是否有异常声响,检查摇臂轴承是否有油。
3:冷却水泵是否正常工作。
4:检查柴油机外观状况,不得有漏油,漏水,漏气现象。
5:柴油机排气烟色是否正常,呼吸器无异常逸气现象。
6:柴油机无异常声响和剧烈振动现象。
7:油底壳内油面应在油标尺规定的范围之内。
8:柴油机正常工作时,高温循环水温应保持在750C-850C范围内(75ºC 左右最佳),低温循环水温不宜超过450C,不低于150C。
油温应保持在800C-900C范围内(80ºC左右最佳),机油压力在0.35MPa~0.75MPa就是正常。
9:机器的各缸排温正常运转时应在400~600ºC,不要超过600ºC ,(12V 两排的排温差不能超过50ºC。
CP12V190Z L-B型柴油机使用维护说明书胜利油田胜利动力机械有限责任公司前言-B(C1015)型柴油机是Z12V190B型柴油机的改进型产品,主要是对柴油CP12V190ZL机的增压中冷部分、润滑系统、冷却系统、燃油系统、保护系统、启动系统、仪表盘系统及偶合器传动系统等部分进行了改进设计,广泛采用了当前燃机领域先进的科技成果。
改进后的柴油机具有结构紧凑、起动迅速、操作简单和维护方便等优点,其可靠性、动力性、经济性、排放指标均达到了国同类机型先进水平。
-B 本说明书重点对柴油机改进部分作了阐述,旨在帮助管理、操作人员了解CP12V190ZL型柴油机改进部分的原理和特点,掌握操作和维护的要求,如果用户需要进一步维修、拆装柴油机其他部分,请参考《190系列柴油机使用维护手册》。
限于编者水平,书中难免有错误之处,欢迎批评、指正。
本公司欢迎用户提出改进意见和建议。
来信请寄:胜利油田胜利动力机械有限责任公司燃机研究所(地址:省东营市北一路101号,邮政编码:257032)。
编者 2006年5月目录第一章 CP12V190Z-B型柴油机技术规格与工作特性 (1)L第二章注意事项 (3)第三章燃料油、润滑油、冷却液和辅料 (4)第四章机体与气缸盖部分 (6)第五章燃油供给系统 (7)第六章润滑系统 (8)第七章冷却系统 (9)第八章起动系统与预供油系统 (10)第九章保护系统 (11)第十章柴油机的操作 (14)第十一章柴油机的维护保养 (18)第一章 CP12V190Z L-B型柴油机技术规格与工作特性润滑方式:压力和飞溅润滑起动方式:气马达起动曲轴转向:逆时针发火次序:1-8-5-10-3-7-6-11-2-9-4-12,间隔角60°一、第一次大修:20000h技术规格型式:V型60°夹角、四冲程、直喷式燃烧室、水冷、增压中冷缸径与行程:190×210mm总排量:71.45L压缩比:14:1标定转速:1500r/min标定功率:1000kW活塞平均速度:10.5m/s最低空载稳定转速:600r/min平均有效压力:1.1MPa最高爆发压力:11.4 MPa最大扭矩:7000N·M最大扭矩转速:1050 r/min燃油消耗率:204+5% g/kW·h机油消耗率:1.2 g/kW·h涡轮前排气温度:≤ 600℃出水温度:≤85℃油底壳机油温度:≤90℃主油道机油压力:0.4~0.8MPa 稳定调速率:≤8%冷却方式:强制水冷外形尺寸:4300×1980×2678 二、柴油机特性曲线第二章注意事项大多数发动机在操作、保养和维修中发生的意外,都是由于未遵守基本安全规则或预防措施引起的。
济柴190、2000系列柴油(发电)机操作保养规程目录1 适用范围.............................................. 错误!未定义书签。
2 风险提示.............................................. 错误!未定义书签。
3 操作内容.............................................. 错误!未定义书签。
启动前准备......................................... 错误!未定义书签。
启动............................................... 错误!未定义书签。
柴油机的运行....................................... 错误!未定义书签。
柴油机的停车....................................... 错误!未定义书签。
4 保养内容.............................................. 错误!未定义书签。
日保养内容......................................... 错误!未定义书签。
500小时保养内容................................... 错误!未定义书签。
1000小时保养内容.................................. 错误!未定义书签。
新机和大修机的试运转及保养......................... 错误!未定义书签。
换季保养........................................... 错误!未定义书签。
长期停用(1个月以上)及闲置时间保养................. 错误!未定义书签。
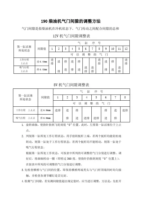
190柴油机气门间隙的调整方法气门间隙是指柴油机在冷机状态下,气门传动之间配合间隙的总和12V机气门间隙调整表8V机气门间隙调整表1.盘转曲轴,使指针指到飞轮刻度“0”位置。
此时,左排第一缸活塞位于上止点。
2.判别第一缸所处工作行程状态:用手捻转挺杆上端,若两个挺杆均能轻松地转动,则第一缸处于工作行程状态;若两个挺杆均不能转动,则第一缸处于吸气行程状态。
根据第一缸所处工作状态,可按表中所列的可调整的气门分别进行调整。
调好后,将曲轴转动一圈(即转过360度,使指针仍指到刻度“0”位置上),在按表中所列的可调整的气门分别进行调整。
3.先检查横桥与气门间的位置,即保持横桥两端秃头与气门杆顶端同时均匀接触,并检查各调节螺钉是否完好。
4.检测气门间隙,若实测间隙值超出规定值时,应当进行调整,方法是:先松开锁紧螺母,按规定的间隙值选好塞尺,将其插入摇臂调整螺钉与横桥之间。
用起子上下旋转调节螺钉,使螺钉轻松压住塞尺,然后用手捻转挺杆,当挺杆能转动而又有涩感时,即可用起子固定调整螺钉位置,将锁紧螺母紧固。
190柴油机供油提前角的检查与调整供油提前角是指喷油泵出油阀开始出油时所对应的曲轴转角,与该缸活塞位于工作行程上止点时曲轴转角之差。
供油提前角的大小,对柴油机工作性能影响很大;角度过大,柴油机工作粗暴,而且怠速不稳,启动困难;角度过小,则使柴油机油耗增加,拍温升高,易发生胶化,甚至使活塞烧损。
当柴油机运转500小时后,或喷油泵及其转动装置等件经拆检复装后,均必须对供油提前角进行检查调整。
一.供油提前角的调整步骤1.接通油路,旋开喷油泵上所需检查的一缸高压油管接头,并将其移开一点,露出接头处出油口。
2.扳下油压低自动停车装置手柄,将喷油泵齿杆移至最大供油位置。
3.盘转曲轴,松开该排喷油泵一侧的传动装置联轴器的紧固螺栓,把飞轮转至飞轮刻度指示位置恰好位于要调整的供油始点位置。
4.用大起子上下撬动正时螺钉,泵油数次,使喷油泵油室内充满柴油。
济柴190、2000 系列柴油(发电)机操作保养规程目录1 适用范围. ........................................................ 错误! 未定义书签。
2 风险提示. ........................................................ 错误! 未定义书签。
3 操作内容. ........................................................ 错误! 未定义书签。
启动前准备. .................................................... 错误! 未定义书签。
启动. ............................................................ 错误! 未定义书签。
柴油机的运行. ............................................... 错误! 未定义书签。
柴油机的停车. ............................................... 错误! 未定义书签。
4 保养内容. ........................................................ 错误! 未定义书签。
日保养内容. .................................................... 错误! 未定义书签。
500 小时保养内容.............................................. 错误! 未定义书签。
1000 小时保养内容............................................ 错误! 未定义书签。
新机和大修机的试运转及保养. ................................. 错误! 未定义书签。
济柴190系列柴油机操作规程1适用范围本规程适用于济柴190系列柴油机操作方法及操作过程注意事项等内容和要求。
2风险提示1)为了正确使用190系列柴油机,请务必详尽阅读本规程。
2)在本规程中,对于可能造成机器故障的操作,以“注意”表示;对于可能造成人身事故的操作,以“警告”表示。
3)使用者应严格按照规定的品种、牌号选用机油、燃油和冷却液。
存放油料的容器应清洁,油料使用前应经充分沉淀和过滤。
严格控制冷却水质,按规定添加防冻液。
4)采用闭式循环冷却系统的柴油机应使用长效防冻液;采用开式循环冷却系统的柴油机应使用清洁的软化水,停车后应及时将冷却水排出,否则将导致零部件冻裂甚至机器报废。
注意!!防冻液内的甘油和乙二醇的吸水性强,保存时容器应密封良好,以防止吸水后溢出。
5)喷油泵和调速器均经柴油机出厂台架试验考核并铅封,严禁随意拆动调整。
6)务必选购原厂生产或厂家认可的正品零配件。
7)严格按照有关技术保养规定,进行各项技术保养工作。
8)柴油机在运行过程中如发现异常现象,应立即查明原因及时排除。
若发生自动停车现象,一定要查明原因并排除故障后,方可再次启动。
9)检修和保养时必须先断动力源并上锁挂牵测试,防止人员伤害。
3操作内容3.1启动前准备3.1.1外观及安装状况的检查(1)柴油机零部件是否齐全、完整。
(2)油、水、气管路连接是否正确、牢固。
(3)底座固定及输出端连接是否牢固。
(4)旋转部件的护罩是否齐全、完好,固定是否牢靠。
(5)清除飞轮等旋转部件周围的阻碍物。
3.1.2燃油供给系统的检查(1)检查燃油箱内的油料是否符合规定的品种、规格。
油箱内应注入充足的燃油(燃油必须沉淀48h以上,并经过滤)。
(2)接通燃油通路,排除燃油滤清器及喷油泵的空气,使柴油充满输油泵、燃油滤清器和喷油泵。
(3)新安装的或拆卸过高压油管的柴油机,应撬动喷油泵正时螺钉泵油,以使高压油管内充满燃油。
3.1.3润滑系统的检查(1)检查油底壳内机油的液面位置,其应保持在油尺上、下两刻度线之间。
PZ12V190B柴油机使用操作规程一、安装1.柴油机连同底盘应安装在坚固的基础之上,支撑平面应平整。
2.柴油机与被驱动的机械应采用公共底座。
3.将柴油机底盘置于底座或基础之上,调平并固紧;固定点应均布。
4.柴油机与联动机组的相对位置应统一找正,然后固牢,保持相对位置正确。
5.柴油机与联动机组采用万向轴联接时,柴油机联接器端面与被驱动的机械联接盘端面间,在直径500mm范围内,平行度为0.5mm;被驱动的机械联接盘外径对柴油机曲轴轴心线径向跳动为1mm;万向联轴器花键轴轴向位移应为25~30mm。
6.采用液力变矩器等较重的联接装置联接时,必需单独设置支架,且应支撑在平台或柴油机机体上,悬臂不得直接联接在曲轴上。
7.同一台钻机联动机组使用的几台柴油机,其相对安装位置应保持传动皮带张紧度一致。
8.输出联接部分调好后,需将两联接盘用螺栓固紧;其螺栓的扭紧力矩为250~280N.m。
9.所有外接管路内部必需清洁、畅通、安装排列整齐,联接牢固;各联接处应密封良好,不得有漏油、漏水、漏气现象。
10.燃油供油系统应设置沉淀,供油两套燃油箱。
燃油应在沉淀箱内静止沉淀48h以上,再送入供油箱内使用。
沉淀箱容积不小于20m3;供油箱容积不小于2m3;各邮箱出口均应高出底面120mm以上;进、出油口处均应设置滤清装置;油箱底部应有排污阀门。
供油箱出口位置应高于喷油泵。
11.润滑系统用机油应在清洁、密闭的油箱内存放,并经充分沉淀和严格滤清后方可注入柴油机内使用。
12.采用气起动方式的柴油机,应设置足够容量的贮气罐和压缩空气,气源压力为600~900kPa;贮气罐口内径应不小于气马达进气口内径;贮气罐容量应能保证柴油机连续三次起动(一般容积在4m3左右);送入的压缩空气应经净化和油水分离处理;供气管道应尽量短、直。
13.采用电起动方式的柴油机应设置24v直流电源。
14.每台柴油机应单独设置进、排气管道,分别设有空气滤清器和消声器。
190柴油机启动操作规程
1、打开启动开关,使电源接地线接通。
2、用预供油泵(手动或电动)向柴油机润滑系统供油使主油路管道机油压力升至98Kpa以上。
3、用手按下欠压自动停车装置拉杆,同时按下启动按钮,接通启动机电路,由启动机驱动柴油机运转。
4、柴油机启动运转后,迅速松开启动按钮,将转速调至600~800r/min,怠速转动,同时松开欠压自动停车拉杆,恢复正常使用。
5、关闭启动开关,切断电源电路。
启动注意事项:
1、柴油机应在做好启动前的准备工作,检查无误后,方可起动。
2、柴油机启动时,机油温度和冷却水温度不得低于20℃;低温环境下启动,启动前必须对机油、冷却水进行预热。
3、启动时先进行预供泵油,如发现不供泵油或油压不足的情况下,在马达运转时,立即停止启动。
4、启动电机启动每次连续运行不得超过5秒,若一次不能完成启动,可停一分钟后再做第二次启动,三次不能启动时,停车检查。
济南柴油机厂190系列柴油机操作规程目录1涉及的岗位及职责 (1)2190系列柴油机的安装 (2)3190系列柴油机启动前的检查 (3)4190系列柴油机的启动 (4)5190系列柴油机的运转 (5)6190柴油机运转时注意事项 (6)7190柴油机停车 (6)8190柴油机的拆卸 (7)9190柴油机检查及保养 (7)1涉及的岗位及职责1.1大班司机职责1.1.1在队长的领导下,保证机械设备的性能良好,所管的设备无脏、松、漏、缺现象。
1.1.2负责机房设备的安装校正,确保安装质量,达到标准化。
1.1.3按大班司机巡回检查路线要求对机房和发电房设备进行定期检查和维护,确保机械设备和电器设备正常运转和用电安全。
1.1.4指导柴油机司机合理选用所使用的油品。
1.1.5检查运转保养记录,保存好设备运转记录等原始资料。
1.2柴油机司机职责1.2.1负责全部动力及传动设备的使用、维护和保养工作,并填写好相关保养记录。
1.2.2及时解决在用设备的脏、松、漏、缺,杜绝跑、冒、滴、漏现象的发生。
1.2.3合理使用各种油品,符合季节规定。
1.3柴油机司助职责1.3.1协助柴油机司机做好所用设备的使用、维护和保养工作,保证设备的完好和生产的需要。
1.3.2协助柴油机司机填写好柴油机、联动机、空气压缩机的运转保养记录。
1.3.3协助柴油机司机及时解决在用设备的脏、松、漏、缺,杜绝跑、冒、滴、漏现象的发生。
1.3.4配合柴油机司机搞好油品的使用工作。
2190系列柴油机的安装2.1将柴油机组吊到机房底座上,根据飞轮连接盘到传动箱的尺寸,确定柴油机组在机房底座上的安装定位尺寸。
2.2连接输出设备,校正定位,紧固连接螺栓。
输入、输出连接盘的轴向偏差(平行度)和径向偏差(同轴度)应在规定的范围内。
(连接法兰端面平行度误差不大于0.5 mm;其轴心线的同轴度:水平方向为11^,垂直方向为3r^,只允许柴油机高于联动机组;万向联轴器花键轴轴向间隙为15mm〜20mm)。
190系列柴油机操作规程发--完整版190系列柴油机操作规程1 柴油机起动前准备1.1 柴油机所有零件齐全完整,安装、调整及各管路连接正确,底盘及输出端联接牢固。
1.2 燃油箱安装位置应高于气缸盖,加够足量的清洁燃油。
夏天用0号柴油,冬天用一10或一35号柴油。
1.3 打开燃油供给系统所有通路,使燃油在静压下充满输油泵、滤清器和喷油泵。
并排除燃油系统内空气。
1.4 油底壳加注清洁CC40柴油机(冬夏通用),直至液面达到油标尺上刻线位置。
1.5 喷油泵、调速器内注入清洁CC40柴油机,液力偶合器注入清洁22号透平油。
1.6 冷却箱内加入软化清洁水,直至水位达到水标指示位置。
并加入适当比例的防锈乳化液。
首次加入乳化液为2%,补充时为l%。
1.7 用预供泵供油,使主油道内油压达到98kPa(1kgf/cm2)以上。
并打开气缸盖上罩壳,检查摇臂轴承处是否上油。
1.8 采用气动马达时,检查气源压力为588~882kPa(6—9kgf/cm2)。
1.9 采用电动马达时,检查蓄电池电解液应高出极板10-15ram,密度为1.28—1.30g/cm3。
1.10 扳动调速器上的停车手柄,齿条应移动灵活,不得有卡滞现象,转动油量操纵装置应轻便、灵活。
1.1l 将气缸盖的放气塞旋开少许,用人力盘转曲轴两圈以上,不准有卡碰和其它异响声。
(盘车前用预供泵泵油)。
1.12 冬季使用时必须先将机油、水加热使机体温度达40℃左右。
2 柴油机起动2.1 完成上述检查并确认无误后方可进行起动。
2.2 起动时机油温度和冷却液温度不低于20℃,可采用电动马达或气动马达起动,严禁采用车带车等强制方式起动。
2.2.1 用气动马达起动时,起动前先将油压低自动停车装置板杆按下,使喷油泵齿条位于供油位置,然后按动气开关,带动柴油机着火,气动马达每次连续运转不准超过15S。
2.2.2 动马达起动时,首先按手动或电动预供油泵,使油压大于98kPa(1kgf/cm2)以上,方可将起动开关打开,按下起动按钮进行起动,电动马达每次连续运转不准超过15S,每次间隔不低于1rain,若三次起动不成功,应查明原因排除故障再起动。
PZ12V190柴油机组使用规程PZ12V190柴油机组使用规程一、PZl2V190柴油机操作(一)启动前的准备1.检查柴油机零部件应齐全完整,各管路、底盘、连接法兰等连接正确、完整牢固。
飞轮等旋转部位附近不得有杂物。
2.应根据不同地区气候条件选用符合GB252规定的0号、-10号、-20号或-35号燃油;燃油箱应添加足够数量的燃油;接通燃油系统管路,排除空气,使燃油在静压下充满输油泵、燃油滤清器和喷油泵。
3.润滑用机油推荐选用符合GBlll23规定的15W/40CF 和40CF 牌号以上柴油机机油,也可选用质量、性能相近的其它牌号的柴油机油;不同牌号的机油不得混用;检查机油液面应符合油标尺标记要求,同时检查喷油泵、调速器内机油液面高度;当环境温度低于5℃时,应将机油预热到20℃以上;严禁用明火对柴油机进行预热;用预供油泵和手动机油泵预供机油,主油道压力应不低于100kPa。
4.冷却系统冷却水必需用防冻液或软化水,软化水需加入适当比例的添加剂,软化水、添加剂应符合产品使用和维护说明书的规定;检查两个膨胀水箱内的冷却水液面是否达到了水标规定位置。
5.采用气启动时,检查储气罐压力,输气管路不得漏气;采用电启动时,检查蓄电池电压及电瓶液密度应处于饱合状态。
6.检查油量操纵装置、停车手柄、喷油泵齿条拉杆、油压低自动停车装置及防爆装置应完好无损、动作灵活,安全装置应处于正常状态。
7.预供机油后用人力盘专曲轴至少两周,不得有卡碰和异常现象。
8.对于新机或长期停放后再运行或增压器经检修后,还应检查增压器,拨动涡轮,检查内部有无异物,是否有碰撞和卡滞现象。
(二)启动1.预供油使主油道机油压力达到100kpa以上。
2.按下油压低自动停车装置扳杆手柄,使自动停车装置拨叉与齿条上的挡块脱开。
3.打开气开关接通气路。
4.将喷油泵齿条移向供油量较大位置。
5.按动启动按钮,接通气马达气路,使柴油机启动。
6.柴油机启动着火后,应迅速用调速器停车手柄控制齿条减少供油量,使柴油机转速保持在600-800r/min左右下怠速运行,检查运行是否正常。
济柴190的6缸柴油机使用流程朋友!今天来跟您唠唠这济柴 190 的 6 缸柴油机咋用。
这玩意儿啊,我跟它打交道可有 20 多年啦!
咱先说启动前,您得好好检查一下机油、冷却液啥的,可别马虎!我跟您说,之前有个新手,没检查就启动,结果那机器“咔咔”响,可把他吓坏了!
启动的时候,注意听声音,要是“嗡嗡”声很顺溜,那就没啥问题。
要是
有啥奇怪的“咯吱咯吱”声,那您可得小心喽!我记得有一回啊,我启动的时
候听到那种声音,心里“咯噔”一下,还以为出大毛病了呢!结果一查,就是
个小零件松了。
这机器运行的时候,那声音可大啦,“轰隆隆”的。
不过您别嫌吵,这说
明它有力气干活呢!但要是声音突然变得特别尖锐,那可不好,得赶紧停机瞅瞅。
还有啊,加油的时候别加太满,不然容易出问题。
我有次不小心加多了,
那油都往外冒,哎呀妈呀,可把我给愁坏了!
这使用过程中,还得注意定期保养。
就像人得体检一样,机器也得照顾好。
我刚开始接触这机器的时候,哪懂这些啊,结果机器老出毛病,可把我给折腾
惨了!后来慢慢学,慢慢摸索,才掌握了门道。
对了,跟您说个行业里的趣事儿。
有个同行,他居然把机油和柴油弄混了,结果机器直接趴窝,哈哈,是不是特逗?
嗯……我想想,还有啥没说的。
哦,对了!要是机器突然熄火,先别慌,冷静检查一下电路啥的。
我记得好像是有一次,就是电路接触不良导致的熄火,不过也可能记错喽。
反正啊,用这济柴 190 的 6 缸柴油机,您就得细心加耐心。
要是您在使用过程中遇到啥问题,随时来找我交流哈!我这又扯远啦,希望我说的这些对您有用!。
石油钻井12V190柴油机安全操作规程
12V190柴油机操作规程
一、起动前的准备
1、盘车3至5圈
2、检查各零部件螺栓及管接头连接固定情况
3、检查燃油及打开燃油开关,排除燃油中的空气
4、检查机油油质及油量
5、检查喷油泵及调速器的油位
6、向增压器中加注润滑油
7、检查冷却系统水位
8、检查起动气马达
9、检查喷油泵齿条是否灵活
10、检查停车手柄是否灵活
11、向风扇轴、万向轴等处加注黄油
二、起动
1、用手油泵油压至0.1Mpa
2、按下油压低停车手柄
3、按通起动气路
4、移动齿条至较大供油比重
5、按动起动按钮起动柴油机,起动后松开起动按钳
6、若按动起动按钮5秒钟不能起动,应松开起动按停止1分钟后
再起动
7、柴油机起动后,松开油压低停车手柄,使柴油机在600RPM 运
转
8、运转时,检查油压、各管接头是否漏油、漏水,声音是否正常
9、提高转速,带动负荷
三、停车
1、卸去负荷
2、降低转速在600RPM
3、待水温降到50至60度时停车
泥浆泵的起动
1、检查和清理机底盖、缸套室的窗盖、液缸压盖等各部分零部件,
要求清洁、无缺陷,装配正确。
2、检查泵动力端润滑油
3、打开泵观察盖板的扳手孔盖,把润滑油倒入齿轮啮合处的上部和
十字头顶部的油槽,盘车四至六圈
4、介杆油封注黄油
5、检查排出及吸入阀是否开启
6、缓慢启动泥浆泵
7、观察各部运转是否正常。
济柴190的6缸柴油机使用流程下载提示:该文档是本店铺精心编制而成的,希望大家下载后,能够帮助大家解决实际问题。
文档下载后可定制修改,请根据实际需要进行调整和使用,谢谢!本店铺为大家提供各种类型的实用资料,如教育随笔、日记赏析、句子摘抄、古诗大全、经典美文、话题作文、工作总结、词语解析、文案摘录、其他资料等等,想了解不同资料格式和写法,敬请关注!Download tips: This document is carefully compiled by this editor. I hope that after you download it, it can help you solve practical problems. The document can be customized and modified after downloading, please adjust and use it according to actual needs, thank you! In addition, this shop provides you with various types of practical materials, such as educational essays, diary appreciation, sentence excerpts, ancient poems, classic articles, topic composition, work summary, word parsing, copy excerpts, other materials and so on, want to know different data formats and writing methods, please pay attention!一、前言济柴190是一款高效经济的6缸柴油机,其广泛应用在各种工业领域,如发电、农业、采矿等。
Z12V190B型柴油发电机组现场运行操作规程一、柴油发电机组启动前的准备1、机组安装后,应仔细阅读说明书,掌握机组及各部件的结构特点与使用操作方法。
2、检查机组各部分安装质量。
机组安装应合理,零部件应齐全完整,油、水、管路连接应正确牢固;底盘固定及输出连接应牢固;接线应正确无误,操作部分应灵活,运动件应无摩擦。
3、检查燃油、机油、冷却水、耦合器工作油等是否加足,机组应无漏油、漏水现象。
4、环境温度低于零上半5度时,应将机油和冷却水预热到20度以上。
5、接通油路,使柴油在静压下充满输油泵、燃油滤清器和喷油泵。
6、检查启动蓄电池电量(或储气瓶气压)是否充足。
7、安全与操纵装置应灵活、位置正确。
8、用人力盘转曲轴至少两圈,不得有卡碰或异常现象。
9、初次投入运行的机组,测量各电气回路对地及回路之间的冷态绝缘电阻,用500V兆欧表进行测量,测量时,柴油机的电气部分、半导体器件、电容器等弱电元件的连接应全部断开,测量结果不应低于2ΜΩ。
10、机组并网或并联运行时,运行前应进行相序测量,确保两机的相序或机组与电网的相序相同。
11、检查控制屏上报警指示及声响是否完好。
按试报警按钮,各指示灯同时闪烁,电笛和电铃报警;按报警消声按钮,声响停止;按报警解除按钮,各指示灯熄灭。
注意:若警铃不响或个别指示灯不亮应及时查找原因。
12、自启动机组应检查控制屏的直流工作电源是否接好,电子调速器、PC电源是否正常,PC上的开关是否已置于“RUN”状态,PC内部的工作电源5V 指示灯是否亮。
13、将各控制开关、转换开关、主开关置于下表所示状态。
各开关所处状态表二、柴油发电机组的启动与加载1、按柴油机上预供油按钮(或摇动手动预供油泵),使之向主油道预供油,当机油压力升至98kPa以上时,停止供油。
2、将油压低自动停车装置操纵杆扳下,同时按起动按钮,使起动电机带动柴油机点火起动。
3、柴油机起动后,可用调速器上的停车手柄控制油量调节齿杆适当减油,以免转速瞬时上升过高。
190系列柴油机操作规程
1 柴油机起动前准备
1.1 柴油机所有零件齐全完整,安装、调整及各管路连接正确,底盘及输出端联接牢固。
1.2 燃油箱安装位置应高于气缸盖,加够足量的清洁燃油。
夏天用0号柴油,冬天用一10或一35号柴油。
1.3 打开燃油供给系统所有通路,使燃油在静压下充满输油泵、滤清器和喷油泵。
并排除燃油系统内空气。
1.4 油底壳加注清洁CC40柴油机(冬夏通用),直至液面达到油标尺上刻线位置。
1.5 喷油泵、调速器内注入清洁CC40柴油机,液力偶合器注入清洁22号透平油。
1.6 冷却箱内加入软化清洁水,直至水位达到水标指示位置。
并加入适当比例的防锈乳化液。
首次加入乳化液为2%,补充时为l%。
1.7 用预供泵供油,使主油道内油压达到98kPa(1kgf/cm2)以上。
并打开气缸盖上罩壳,检查摇臂轴承处是否上油。
1.8 采用气动马达时,检查气源压力为588~882kPa(6—9kgf/cm2)。
1.9 采用电动马达时,检查蓄电池电解液应高出极板10-15ram,密度为1.28—1.30g/cm3。
1.10 扳动调速器上的停车手柄,齿条应移动灵活,不得有卡滞现象,转动油量操纵装置应轻便、灵活。
1.1l 将气缸盖的放气塞旋开少许,用人力盘转曲轴两圈以上,不准有卡碰和其它异响声。
(盘车前用预供泵泵油)。
1.12 冬季使用时必须先将机油、水加热使机体温度达40℃左右。
2 柴油机起动
2.1 完成上述检查并确认无误后方可进行起动。
2.2 起动时机油温度和冷却液温度不低于20℃,可采用电动马达或气动马达起动,严禁采用车带车等强制方式起动。
2.2.1 用气动马达起动时,起动前先将油压低自动停车装置板杆按下,使喷油泵齿条位于供油位置,然后按动气开关,带动柴油机着火,气动马达每次连续运转不准超过15S。
2.2.2 动马达起动时,首先按手动或电动预供油泵,使油压大于98kPa(1kgf/cm2)以上,方可将起动开关打开,按下起动按钮进行起动,电动马达每次连续运转不准超过15S,每次间隔不低于1rain,若三次起动不成功,应查明原因排除故障再起动。
2.3 机起动后立即松开起动按扭,并将开关断开,以免误触按扭,造成故障。
2.4 柴油机起动后,应迅速用调速器上的停车手柄控制齿条适当减油,使转速控制在600—800r/min的怠速运转,进行暖机,并观察仪表读数。
2.5 柴油机冷态起动后,缓慢提高转速。
不准猛加、猛减油门、不准长时间低速空载运行。
2.6 柴油机起动过程中,除操作人员外机器两侧不准站人。
3 柴油机运转
3.1 柴油机空载运转时,机油压力不低于343kPa(3.5kgf/cm2)观察排气烟色和有无异常响声,不准有明显震动和紧固件松动现象。
3.2 检查和整改漏油、漏水、漏气部位。
3.3 新机或大修机初次运转50h后,应更换曲轴箱内润滑油,并清洗油底壳和机油滤清器。
3.4 柴油机怠速运行至油、水温度升至40℃以上,方可缓慢加载运行,在正常运行时,出油温度不高于90℃,水温控制在70℃一85℃范围内,不准低于60℃和超过90℃,机油压力在490—784KPa(5—8kgf/cm2)范围内。
3.5 长时间连续使用时,负载不准超出所规定的持续功率。
3.6 多台柴油机并车运行时,保持各台柴油机之间的转速和负荷均匀,一般转速差大于50r/rain。
4 柴油机停车
4.1 正常运行停车前先卸去负荷,逐渐降低转速至600~800r/minl,待车、水温降至60℃,再扳动停车手柄,将齿条转到断油位置,使其停车。
4.2 当机器发生飞车,机油压力突然下降及严重的振动和异响声故障时,可采取紧急停车措施。
并立即盘车2圈以上,检查整个柴油机。
但在正常运行时严禁带负荷停车。
4.3 冬季临时停车后,柴油机水温降至20℃时应进行跑温暖机,长时间停车20h以上,或过夜拎却系统内应放净冷却水,并采取必要的防冻措施。
4.4 停车后进行盘车,发现故障及时汇报组织检修。
5 保养规程
5.1 例保:每班(8h)。
5.1.1 检查燃油箱油位。
5.1.2 检查柴油机油底壳、喷油泵、调速器、液力偶合器的润滑油,必须在规定刻线范围内。
5.1.3 检查冷却水位,必须足够。
5.1.4 检查机组各连接固定部位坚固可靠。
5.1.5 监视仪表指示的工作参数,特别应注意机油压力、油温和水温的变化。
5.1.6 观察柴油机排烟状况,监听柴油机响声,如有异常情况,及时查找原因加以排除。
5.1.7 保持机组及周围环境清洁卫生,无漏油、漏水、漏电现象。
5.1.8 检查蓄电池电解液,电液高出极板10~15mm,密度为
1.28~1.30g/cm3,通气孔应畅通,清除外壳污物,联结桩头牢靠。
5.1.9 检查风扇皮带松紧程度。
5.1.10 检查气源压力,应在0.6~0.9MPa,检查分水滤清器、油雾器情况。
5.1.1l 风沙较大的环境时,清理空气滤清器。
5.1.12 填写设备运行、保养记录,保证资料整齐、正确。
5.2 一保:(累计工作200~250h)。
5.2.1 包括例保作业内容。
5.2.2 清洗三滤,即空气、机油、柴油滤清器。
并检查油底壳和清洗呼吸器滤网。
5.2.3 检查校对气门间隙。
5.2.4 检查校对供油提前角。
5.2.5 检查校对喷油器喷油压力和喷雾质量。
5.2.6 检查偶合器润滑油平面和油质情况。
(加注22号透平油,偶合器内不准进入水)。
校对同轴度差值控制在0.2mm内,并检查弹性胶圈,紧固支座,轴承加注润滑脂。
5.2.7 检查高压油泵联轴器固定情况,并加注润滑油。
5.2.8 检查清洗油门操纵装置。
5.2.9 检查报警系统的传感器。
5.2.10 排净燃油箱和滤清器中积水及沉积污物。
5.2.1l 清洗柴油机外表面,不准用水冲洗,以免水污进入机体及高压油泵中。
5.2.12 检查更换喷油泵及调速器内机油。
5.3 二保:(累计工作1000—1200h)
5.3.1 包括一保作业内容。
5.3.2 清洗润滑系统,按质更换润滑油。
5.3.3 检修冷却水泵和机油泵。
5.3.4 检修预供油泵,油压低自动停车,超速停车和防爆等装置。
5.3.5 检查校对各仪表工作的灵敏情况。
5.3.6 检查防护罩和安全防护装置。
5.3.7 根据气门工作情况拆检气缸盖,研磨气门。
5.3.8 检查减震器。
5.3.9 检修、清洗增压器。
5.3.10 检查并润滑起动装置,风扇转动装置。