压力管道焊接及热处理汇总
- 格式:doc
- 大小:228.50 KB
- 文档页数:16
1.0 工程概况1.1 工程性质本工程为东明恒润化工有限公司100×104t/a延迟焦化装置。
工艺管道主要分布为六大区域,即焦化塔及加热炉区、分馏及吸收稳定区、总图区、压缩机区、干气脱硫区、冷焦切焦水区。
大部分管道介质具有高温、高压、易燃、易爆等特点。
装置中有大量的不同规格、材质的工艺管道需现场制作安装,需要焊接的材料主要包括碳钢(20#,20g、Q235-B)、合金钢(15CrMoR、1Cr5Mo、T9)及不锈钢(0Cr18Ni9)。
管道等级号为3B9、2C2、2C3、3C1、3H7、5H1、5H8和厚度≥19mm的9B1管道焊缝,焊后需进行焊后热处理,总共约有5362道。
采用的焊接方法主要有手工电弧焊、手工钨极氩弧焊、氩电联焊等;无损检验方法有X射线探伤(RT)、渗透探伤(PT)、超声波探伤(UT)。
管道主要实物工程量见《管道安装施工技术措施》。
1.2 工程特点1.2.1 场地狭窄,作业空间窄,交叉作业多,需加大管线预制深度。
1.2.2工艺条件为泄漏时易燃、易爆,部分高温高压和应力腐蚀管道的焊接接头需热处理,工序复杂,施工技术要求较高。
1.2.3工艺管线规格多、焊口数也多,焊接工作量大。
管线工艺介质多数是具有高温、高压、易燃、易爆的特点,焊接质量要求高。
1.2.4 工艺管线焊缝需无损检测和热处理的量大,操作难度较大。
1.3 工程技术要求及主要标准1.3.1 中油六建《东明恒润化工有限公司100×104t/a延迟焦化装置施工组织设计》1.3.2 中国石化洛阳石油化工工程公司设计院提供的设计图纸1.3.3 SH3085-97 《石油化工管式炉碳钢和铬钼钢炉管焊接技术条件》1.3.4 SH3501-2002 《石油化工有毒、可燃介质管道工程施工及验收规范》1.3.4 SH/T3523-1999 《石油化工铬镍奥氏体钢、铁镍合金和镍合金管道焊接规程》1.3.5 GB50236-1998 《现场设备、工业管道焊接工程施工及验收规范》1.3. 6 JB4730-1994 《压力容器无损检测》1.3.7 JB4708-2000 《钢制压力容器焊接工艺评定》。
管道焊前预热与焊后热处理1、焊前预热焊接前预热的目的在于减小焊件与焊缝的温度梯度,延缓焊接接头的冷却速度,减少温差所造成的应力和淬硬组织。
对于碳钢、碳锰钢、铬钼合金钢、低温镍钢等易产生冷裂纹的材料,在焊接前应进行适当预热。
各标准规范均对常见材料的预热温度做出了规定,对同类材料的预热要求基本一致,GB50236-2011对常见材料焊前预热温度的规定见表1。
表1:常用钢材的最低预热温度附:合金钢的编号示例12CrNi3: 合金结构钢C=0.12%,Cr<1.5% ,Ni≈3%CrWMn: 合金工具钢含碳≥1%(当含碳量大于1%时一般不标注),含Cr、 W、 Mn均小于 1.5%40CrNiMoA: 高级优质合金结构钢C≈0.4%,Cr、 Ni、 Mo均小于1.5%预热范围一般为焊缝两侧各不小于壁厚的5倍,且不少于100 mm。
对于无预热要求的钢种,当焊接环境温度低于0 ℃或焊件温度低于-18 ℃时,应对焊件进行预热,预热温度不应低于15 ℃。
预热应在坡口两侧均匀进行,防止局部过热,加热区以外100 mm范围应予以保温。
2、焊后热处理焊后热处理的目的主要有两方面,一是进一步释放焊缝金属中的有害气体,尤其是氢,防止延迟裂纹的发生。
二是适当减缓焊接接头残余应力,防止冷裂纹或者再热裂纹的发生。
通过焊后热处理可以松弛焊接残余应力,软化淬硬区,改善组织,减少含氢量,从而降低焊接接头的延迟裂纹倾向。
热处理温度和保温时间是焊后热处理的关键参数。
焊后热处理的温度过高,或者保温时间过长,会使焊缝金属结晶粗化,碳化物聚集,造成力学性能、蠕变强度等下降。
各标准规范中均对焊后热处理的温度、恒温时间、最短恒温时间,以及热处理后焊缝及热影响区的布氏硬度等参数做出了规定。
表2为SH3501-2011对环焊缝焊后热处理的基本要求。
表2:常用钢材焊接接头热处理基本要求焊后热处理的加热范围为焊缝两侧各不少于焊缝宽度的3倍,且不少于25 mm,加热范围以外100 mm区域应予以保温,且热处理时管道两端应封闭。
一年级教课方案《小书架》教课方案(一)教课目的:《小书架》第一课时,本课时的教课目的主要有三个。
1、复习学过的六个单韵母。
2、正确认读本课的十个生字。
3、正确、流畅地朗诵课文,联合图画认识上、中、下的位置。
并在落实教课目的的过程中,初步培育学生合作学习的能力,指引学生养成优秀的阅读习惯。
(二 )教课方案依据本课的教课目的,我设计了以下教课环节。
1、导课部分联合第四单元金钥匙的教课内容,以小伙伴丁丁导入本课的学习。
学生经过回首丁丁家爱读书的好习惯,将前后教课内容融合贯穿,进入本课的学习情境。
教课中,我存心识的指导课题中“书”字的发音,目的在于使学生认识汉语拼音能帮助我们说好一般话,发挥拼音帮助正音的功能,帮助学生掌握正确的学习方法。
2、听读识字听读识字是合适新教材特色的一种识字方法,是由长久从事小学教课与研究的天津教育研究院谷锦屏老师开创,是在继承古人经验基础上的一项创建性研究。
它为小孩供给优良的汉字环境,经过频频接触,小孩自然产生学习汉字的动机,使小孩在自然接触和学习汉语汉字的同时,身心获取自然和睦的全面发展。
表现了由文到词,再由词到字的过渡。
这一教课环节中,我第一给学生充足自主学习、研究的时间,经过自己试着读一读初步感知课文内容。
对能正确朗诵课文的学生赐予充足一定,建立学习的信心,培育学生研究意识和主人翁精神。
因为本课内简单读易背,学生常常在熟知课文内容后,不肯意看书。
为了把听读识字落到实处,使学生确实在读中认识生字的读音,我在听录音读、跟录音读两个环节中都设计了用手指读,旨在将学生注意力集中到文中的每一个字上,进而达到听、读、认的和睦一致。
熟字教课充足发挥学生的主体作用,发动学生自己找,再读一读、认一认。
并在复习熟字的同时,稳固六个单韵母,提升讲堂学习的效率。
学生在教师的指引下经过指名读、开火车读、小组读、男女生疏读、齐读等多种方式学习生字。
充足运用学具,经过同位相互认读生字卡片,将本课十个生字从词语中独自提出来,再经过对口令、摘葡萄游戏加深印象,使学生在娱乐中掌握生字读音。
压力管道的焊接技术及消应热处理工艺摘要:压力管道在管道运输这个行业非常广泛的应用,而且随着近些年来的发展压力管道这个行业也进行了很多的更新,其发展前景非常广阔。
在压力管道中,焊接技术是最重要的一部分。
因为焊接技术的好坏关乎整个压力管道的质量还关乎着一些列的质量问题和安全问题。
同时,消应热处理工艺在近些年来也越来越受到重视,所以在整个压力管道的发展中,一定要注意焊接技术和消应热处理工艺。
本文就压力管道的焊接技术及消应热处理工艺进行了全面的分析。
关键词:压力管道;焊接技术;消应热处理;工艺引言:我国经济的发展中管道运输行业也做出了巨大的贡献,而且也连接了工业产业的运输,所以压力管道的地位已经逐步提高,并且应用到很多的行业。
那么为了管道运输的持续发展,就要确保压力管道的质量。
所以压力管道中的焊接技术和消应热处理工艺都要确保质量问题,而且还要保证安全问题。
虽然管道运输的前景非常的广阔,但不要为了效率得到了满足而忽视了质量的问题,一定要让其他行业在管道运输行业的融入非常的安心放心。
一、压力管道焊接技术(一)准备工作压力管道中焊接技术在应用之前首先应该进行充足的准备,这样才可以确保压力管道的质量是到位的。
准备工作在开展之时,首先要制定一份详细的指导书,然后根据上面的指导步骤和过程进行管道焊接。
同时这份指导书在下发的过程中,也邀请相关的技术人员对整个指导书进行评估,千万不要因为知道书中出现的任何小的误差,而影响管道焊接的施工。
然后确保直到说不可能出现任何问题之后,相关的技术人员在进行焊接。
直到书这一方面的问题排查之后,然后就要对焊接的材料进行一一的检查,首先应该检查这些钢材的质量是否符合安全标准,同时还可以在检查的过程中,看这些钢材是否被偷换。
在整个检查的过程中要将这些钢材进行合格检查,不合格的钢材一定要进行返厂,然后引进合格的钢材再进行焊接。
等这两方面的准备工作都已经准备就绪之后,才可以安心放心的进行焊接技术[1]。
压力管道的焊接技术与其消应热处理技术摘要:在我国社会经济水平显著提升的背景下,工业水平不断的进步,压力管道在工业生产中发挥着重要的作用。
对压力管道来说,焊接是在安装过程中十分重要的环节,焊接的水平与质量将直接影响压力管道整体的安装质量。
因此,须严把焊接关,而焊缝的消应热处理能够提高焊接质量,对于焊接与消应热处理相关技术的讨论也具有重要的现实意义。
关键词:压力管道;焊接;消应热处理引言压力管道涉及的使用范围十分广泛,不仅和人们的生活有关,同时还可能涉及到工业的生产,如果其存在质量问题,很可能就会造成很大的危害,另外,压力管道施工的范围也比较大,因此也增加了其施工的难度,为了保证压力管道具有良好的性能,就需要规范其焊接的工艺,并采取有效的方法做好对其质量的控制,这也是建筑施工中需要特别重视的内容。
1压力管道的焊接技术1.1焊接前准备焊接进行之前,要针对性地编制相关的焊接指导书,并对焊接的工艺进行评定。
技术相关人员应依据工程的实际情况选取适合的焊接技术,并制定相应的焊接方案。
在焊接方案确定后,应对施工单位的资质与能力进行评定,确定其是否有效地完成施工作业。
在对焊接工艺的评定过程中,需提前完成好相关材料的焊接实验,形成焊接记录和评定报告。
评定结果中现实不合理的参数要及时的修正。
评定报告在经技术人员审批之后,应出具焊接工艺卡,以对焊接工作形成一定的参考。
1.2压力管道焊接工艺在压力管道焊接的过程中,为了保证其具有良好的焊接效果,需要规范其焊接的工艺。
首先需要做好对管接头的定位与组对,这也是保证其焊接质量和背面良好成形的关键内容,若是其组对的间隙以及钝边的大小存在不合适,就很可能导致内凹或者焊不透的情况,因此一定要保证其焊接的组对间隙具有良好的均匀性,定位还要保证其接管同心度,然后在进行施焊的过程中,需要做好打底层,将长弧作为焊点起点进行预热,当其坡口的内部出现铁水,要迅速进行电弧的压低,让其从右侧横摆至左侧,再摆回到右侧,对其进行向下灭弧,进而再进行填充层的焊接,在施焊之前要先将打底层的焊渣进行充分的清理,在施焊的过程中要保持中间快、两侧慢的原则实现运条的摆动,从而保证填充层具有良好的平坦度,在施焊中也要保证短电弧,在填充层完成后就需要进行盖面层施焊,其和填充层的施焊操作是具有相同性的,但要保证盖面焊道的两侧要超过其坡口边缘有2mm,最后,就需要进行封底层,将其管道内的焊道进行重新的熔化,再进行封底焊,从而有效的促进管道内的焊缝具有一致的焊缝宽度和高度。
压力管道的焊接技术及消应热处理工艺摘要:在压力容器的管道焊接施工中,焊接技术的运用和质量控制是其中不可忽视的一部分,这一环节与压力容器管道施工的顺利完成有着直接影响。
为了保证压力管道焊接技术的可靠性,对安装人员有较高的技术水平要求,根据调查分析显示,大多数压力管道事故的原因是焊接质量不达标。
本文主要分析压力管道的焊接技术及消应热处理工艺,同时探究常见问题,提出有效解决方案,保障压力管道焊接技术的可靠性。
关键词:压力管道;焊接技术;消应热;处理工艺1导言现今,管道运输行业在我国的工业生产中呈现出了日新月异的发展态势,并发挥着越来越重要的作用,因此,实际操作过程中要认真落实管道运输的施工与维护工作。
为了保证管道运输的安全性与可靠性,我们对于压力管道焊接技术要提高要求,以此来保证压力管道焊接的质量。
2压力管道的概述压力管道即管道内外部需承受一定的压力,或者输送易燃、有毒等介质的管道。
这类管道有其自身的特殊性,要严格的控制焊接工作流程,保证压力管道的质量。
焊接在压力管道中充当不可或缺的元素,作为质量形成的关键性工具,会影响工程竣工质量,对系统安全运行有直接影响。
3压力管道焊接中的问题3.1气孔现象在压力管道焊接中气孔现象是尤为常见的质量问题,它是在焊接过程中由于焊缝凝固前焊接熔池中的气体没有被排除干净而造成的。
通常来说,气孔中气体的成分是一氧化碳、氢气等。
通过对焊接过程进行研究,我们发现,如果焊条在焊接前的烘焙不达标时,就会产生化学反应并形成一氧化碳或者氢气。
判断是否有气孔最常见的方法是观察焊缝的表面是否有裂纹。
我们在遇到气孔现象的时候,要尽快进行处理,从而避免气孔对管道焊接质量的影响。
处理焊接气孔最好的方法是重新进行焊接,针对管道的材料的具体情况进行处理。
3.2焊接的不连续性焊接的不连续性在压力容器的管道焊接中十分常见,比如焊接气孔、焊接夹渣以及焊接削弱现象的发生均会导致焊接不连续。
从某种意义上说,这一类缺陷并不影响管道的正常工作,但是焊接的不连续性可能会导致管道的开裂。
压力取样管座焊接及焊后热处理措施1 作业项目概况1.1 作业内容1乌拉特电厂主蒸汽、再热热段管道压力管座焊接及焊后热处理。
1.2 作业范围及主要工作量1.2.1 作业范围乌拉山电厂#4炉主蒸汽、再热热段管道压力管座焊接及焊后热处理。
图一所示1.3 主要技术特点1.3.1 材料:SA335P91属9Cr-1Mo型马氏体耐热钢,焊接时易产生淬硬的马氏体组织,接头易冷裂和脆化,焊接性较差;焊接时严格控制层间温度,宜采用小规范,低热量输入,控制焊缝的含氢量从而获得优质的焊接接头。
SA335P91钢焊接采用无氢源的钨极氩弧焊打底,管口内充氩气或使用免充氩焊剂保护,防止根部产生氧化。
热处理采用电加热高温回火,改善接头的组织和性能。
1.4 对甲方相关单位的要求1.4.1提供主蒸汽、再热热段管道及管座材质及现场光谱复查检验结果通知单。
1.4.2提供主蒸汽、再热热段管道更换管座区域焊缝热影响区及母材硬度原始数据。
1.4.3提出相关技术要求,质量标准,确定管座连接形式是否与上图(图一)一致,方可施工。
1.4.4负责协调施工区域电焊机、热处理机的一次电源(380V)及电源开关。
2 编制依据2.1 执行和引用的规程、规范及相关技术标准:2.1.1 DL/T869-2004《火力发电焊接技术规程》2.1.2 DL/T819-2010《火力发电厂焊接热处理技术规程》2.1.3 DL/T752-2001《火力发电厂异种钢焊接技术规程》2.1.4 DL/T679-1999《焊工考试规程》2.1.5 DL/T438-2009《火力发电厂金属技术检查规程》2.2 执行和引用的质量验收标准和已批准的相关质量文件:2.2.1《电力建设施工质量检验及评定标准》(2010年版)焊接篇2.3 执行和引用的安全健康和环境管理的标准及已批准的相关文件:2.3.1 DL5009.1-2002《电力建设安全操作规程》(火力发电厂部分)2.3.2 中华人民共和国《安全生产法》3 作业准备3.1 所有参加施焊的焊工、热处理工必须熟悉施工方案及经过安全技术交底;必须具有承担相应项目的焊工合格证,无证者严禁操作。
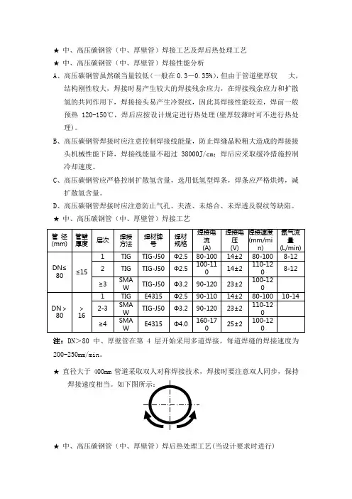
★中、高压碳钢管(中、厚壁管)焊接工艺及焊后热处理工艺★中、高压碳钢管(中、厚壁管)焊接性能分析A、高压碳钢管虽然碳当量较低(一般在0.3-0.35%),但由于管道壁厚较大,结构刚性较大,焊接时易产生较大的焊接残余应力,在焊接残余应力和扩散氢的共同作用下,焊接接头易产生冷裂纹,因此其焊接性能较差,焊前一般预热120-150℃,焊后应按设计规定进行热处理(壁厚较薄时可不进行热处理)。
B、高压碳钢管焊接时应注意控制焊接线能量,防止焊缝晶粒粗大造成的焊接接头机械性能下降,焊接线能量不超过38000J/cm;焊后应采取缓冷措施控制冷却速度。
C、高压碳钢管应严格控制扩散氢含量,选用低氢型焊条,焊条应严格烘烤,减扩散氢含量。
D、高压碳钢管焊接时应注意防止气孔、夹渣、未熔合、未焊透及裂纹等缺陷。
★中、高压碳钢管(中、厚壁管)焊接工艺注:DN>80中、厚壁管在第4层开始采用多道焊接,每道焊缝的焊接速度为200-250mm/min。
★直径大于400mm管道采取双人对称焊接技术,焊接时要注意双人同步,保持★中、高压碳钢管(中、厚壁管)焊后热处理工艺(当设计要求时进行)A.热处理方法:热处理方法为高温回火B、热处理加热方法:热处理加热采用电阻加热,即将电阻加热绳缠绕在焊接接头上(两侧均不低于3倍焊缝宽度),将热电偶插入其中(热电偶端部与焊缝表面紧密接触),外层用石棉包裹(石棉层厚度不低于50mm,宽度两侧均不低于5倍焊缝宽度)。
电源引入热处理控制箱,再用耐火电缆与加热绳联结,用耐火电缆将热电偶与热处理记录仪相联,热处理记录仪与热处理控制箱用电缆联接。
在热处理控制箱上设定好热处理工艺,由热处理控制箱控制热处理工艺,热处理记录仪记录热处理曲线图。
C、热处理工艺:加热速度: 300℃以上加热速度按205*25/δ℃/hr计算,且加热速度≤205℃/hr。
热处理温度:600-650℃。
恒温时间:1hr/25mm,超过2 hr,加15min,恒温时温度差≤65℃。
压力管道焊接及消应热处理工艺技术总结[摘要]基于压力管道的特殊性,压力管道的建设越来越受到人们的重视。
保证压力管道施工质量的前提是做好管道焊接工作,焊接工作能否顺利完成离不开焊接技术的支持。
本文将对钢管施工的焊接及消应热处理工艺进行分析。
[关键词]纯铝管;压力管道;焊接技术;消应热处理工艺1引言在我国经济的发展中,管道运输业也做出了巨大的贡献同时也连接着运输业的工业。
因此,压力管道的地位逐渐得到改善,并应用到许多行业。
因此,为了管道运输的可持续发展,必须保证管道的质量。
因此,压力管道的焊接工艺和应力消除热处理工艺既要保证质量问题,又要保证安全问题。
虽然管道运输的前景非常广阔,但我们也不能为了满足效率而忽视质量问题。
我们必须心安理得地让其他行业融入管道运输行业。
2压力管道以及焊接工艺压力管道是指所有承受内部或外部压力的管道。
一般来说,压力管道属于室外作业。
其应用方法有架空、埋地等,与人们的生活环境密切相关,因此其质量要求很高。
为了保证钢管之间进行一定的连接,在实际的发展过程中需要采用焊接的工艺。
焊接工艺的质量和管道的安全之间存在密切的关系,对整个工程的质量无法进行合理的保证。
因此在实际的发展过程中需要高度重视压力管道的焊接方法。
在化工压力管道的施工和焊接工艺中,提高安装工艺的技术水平是一项重要内容。
因此,在安装前应做好相关准备工作。
此时,首先要对管道的质量进行监督,对购买的管道进行质量抽样调查。
如果管道质量不合格,应及时报废,此时应采购合格的管道。
管道质量检验后,对管道进行清洗。
一般情况下购买的管道会受到污染。
此时应将管道清洗干净,并将其残留物和杂物清除掉,以免安装后影响油品运输。
压力管道焊接工艺是一种有效保证焊接工艺按标准操作工艺进行的施工工艺。
首先是槽加工由于在施工过程中压力管内部必须有弯曲部分,因此必须对弯曲槽进行加工。
另外在坡口加工时一定要注意坡口和横截面是否连接在一起。
如果没有,这部分将被打破。
压力管道的焊接技术及消应热处理工艺摘要:在压力管道安装工作中,焊接技术会对最终的安装质量造成极大影响,是一项非常重要的技术。
在实践期间,应要严加管控焊接质量,这是规避压力管道于应用期间发生安全事故的重要原因。
鉴于此,本文将围绕安装压力管道时焊接技术的作用、消应热处理工艺展开研究。
关键词:压力管道;焊接技术;消应热处理近几年,管道运输行业凭借着持续发展优势,成为工业产业中最重要的行业之一。
在实践期间,应要做好管道运输施工及维护工作,才能推动管道运输业持续发展。
而实现该目标的前提是操作人员深入研究压力管道安装期间的核心任务——焊接技术。
只有提高该技术的综合水平,依照要求运用消应热处理工艺,才能提高管道运输效率与质量。
1压力管道的焊接技术1.1焊接前准备在进行焊接前,应制定相应的焊接规范,并进行相应的技术评估。
技术人员要根据具体的施工条件选择合适的焊接工艺,并制订相应的工艺措施。
在确定了焊接工艺后,必须对其进行资质和能力评估,以决定其能否高效地进行施工。
在进行焊接工艺评估时,应事先做好有关的材料的试验,并编制相应的焊接记录及评估结果。
对评估中存在的不合理因素进行了调整。
1.2压力管道焊接工艺在压力管线的焊缝加工中,应对其进行严格的焊接,以确保其达到较高的焊缝质量。
首先要注意管子的位置和组合,这是确保焊缝的质量和成型的重要因素,如果焊缝之间的缝隙和边缘尺寸不匹配,很容易造成焊缝的内部凹陷和焊缝的缺陷;所以必须确保其焊件的组对间隙分布均匀,并确保其接头的同轴度,再进行焊工时,必须做好下料;以长的弧形为焊接点的起始部位进行加热,在其槽口处有铁液时,应快速降低弧线,使其从右边向左边移动;然后把它放回右边,熄弧,然后在填充层上进行焊接,在使用前要把底部的焊渣彻底清除;采用中间快、两侧慢的原理来达到运输条的摇摆,这样既能确保填料的平整,又能在焊接时确保焊接时的短的电弧,并且在填充结束后要进行覆盖施焊;它与填料的焊接作业相同,但应确保盖面焊道两边的宽度大于其切口的边沿2 mm,然后再进行封底层;将其管子中的焊道再次熔融,然后进行下一步的封闭焊接,这样可以使管子中的焊接达到均匀的宽度和高度。
压力管道的管道材料的焊接工艺及其要求近年来,随着工业化程度的不断提升和科技水平的不断发展,压力管道在工业生产中得到了广泛的应用。
它在石化、煤化工、城市供水、天然气输送等领域都有着重要的作用。
而在压力管道的生产和维护中,焊接工艺是至关重要的环节之一。
因此,本文将从压力管道的管道材料出发,深入探讨其焊接工艺及其要求。
一、管道材料的常用种类在压力管道生产中,常见的管道材料主要包括碳素钢、合金钢、不锈钢、塑料、玻璃钢等。
不同的材料有着不同的特征和应用场景,因此在进行管道材料的焊接工艺时,需要针对不同的材料类型进行适当的调整。
1.碳素钢:碳素钢是市场上应用较为广泛的一种材料,具有寿命长、耐腐蚀、成本低等特点,是制造低压管道的常用材料之一。
2.合金钢:与碳素钢相比,合金钢具有更高的强度和耐腐蚀性能,因此在高压管道和危险化学品输送管道中得到广泛应用。
3.不锈钢:与其他材质相比,不锈钢的耐腐蚀性能尤为突出,而且可以抗氧化腐蚀和化学性腐蚀,其性能也越来越接近于钛合金。
4.塑料:塑料的优点在于重量轻、成本低且使用寿命长,在民用领域得到了广泛的应用,如城市自来水管道、下水道和燃气管道等等。
5.玻璃钢:玻璃钢是一种理想的轻质高强材料,可用于制造管道、储罐和雕塑等制品。
它有耐腐蚀、抗老化、防水、隔音、耐磨、透光等特性。
不同材料的焊接工艺不同,本文将以碳素钢、合金钢为例,详细探讨其焊接工艺和要求。
二、管道焊接工艺和要求1.碳素钢管道的焊接工艺及其要求碳素钢管道的焊接工艺主要有TIG焊接、MIG焊接和手工焊接等。
其中,TIG焊接比较适合焊接薄壁管材和不锈钢管材,MIG焊接则比较适合焊接大口径管道等。
碳素钢管道的焊接质量要求高,必须保证焊缝无裂纹、无夹渣、无气孔、无裂纹,同时要保证焊接工艺的稳定性和可操作性。
在焊接过程中,需要注意以下几个方面:(1)准备工作:将管材进行理顺、测量尺寸、除锈、剃毛等处理,以保证管材表面干净整洁。
河北省安装工程公司企业标准工业管道焊接热处理施工工艺标准QJ/JA0615-20061 目的为了规范压力管道等焊件的焊前预热和焊后热处理工艺,保证焊接工程质量,特制定本工艺标准。
2 适用范围本标准适用于公司承接的工业与公用压力管道焊接工程的焊前预热和焊后热处理。
3 引用标准GB50236《现场设备、工业管道焊接工程施工及验收规范》4 定义预热:焊接开始前,对焊件的全部(或局部)进行加热的工艺措施。
焊后热处理:焊后,为改善焊接接头的组织和性能或消除残余应力而进行的热处理。
5 焊前预热和焊后热处理的一般要求5.1焊前预热5.1.1 焊接工艺人员应根据母材的化学成份、焊接性能、厚度、焊接接头的拘束程度、焊接方法、焊接环境和所执行的施工工艺标准要求等综合考虑是否进行焊前预热,必要时可通过试验确定。
5.1.2 焊前预热温度应符合设计或焊接施工工艺标准的规定,当无规定─────────────────────────────2001-07-25 发布 2001-08-01 实施时,焊前预热温度宜采用表1的规定。
5.1.3 预热的加热方式一般采用氧-乙炔焰加热或电加热带加热法。
预热的温度应用热电偶、测温笔等测出。
当温度达到要求时才能进行焊接。
5.1.4 焊前预热的加热范围,应以焊缝中心为基准,每侧不应小于焊件厚度的3倍。
5.1.5 要求焊前预热的焊件,其层间温度应在规定的预热温度范围内。
5.1.6 当焊件温度低于0℃时,所有钢材的焊缝应在始焊处100mm范围内预热到15℃以上。
5.1.7 不同钢号相焊时,预热温度按预热温度要求较高的钢号选取。
15-025.1.8 当采用钨极氩弧焊打底时,焊前预热温度可按表1规定的下限温度降低50℃。
5.1.9 当用热加工法下料、开坡口、清根、开槽或施焊临时焊缝时,亦需考虑预热要求。
5.2 焊后热处理5.2.1焊后热处理是否需要进行,主要视焊件的材质和厚度而定。
当有消除焊接残余应力要求或需经热处理改善接头组织、应力状态以满足使用性能时应进行焊后热处理。
压力管道焊接及焊后热处理施工工艺规程一、目的本规程旨在规范压力管道的焊接作业和焊后热处理工艺,确保管道焊接质量,满足安全运行的要求。
二、适用范围适用于工业和民用领域内所有需要进行焊接及焊后热处理的压力管道施工。
三、术语和定义3.1 压力管道指用于输送气体、液体等介质,并且其内部压力大于或等于一个规定值的管道。
3.2 焊接通过加热或加压,或两者并用,使两个分离的金属部分熔合成为一个整体的过程。
3.3 焊后热处理焊接完成后,为了改善焊接接头的组织和性能,对其进行的加热和冷却过程。
四、施工前的准备4.1 材料准备确认管道材料、焊材符合设计和施工要求。
检查管道和焊材的化学成分、机械性能是否符合标准。
4.2 设备和工具准备确保焊接设备(如焊机、热处理设备)处于良好状态。
准备必要的工具,如焊接夹具、量具、清洁工具等。
4.3 人员准备焊接操作人员必须持有相应的资格证书。
进行安全技术交底,确保所有人员了解施工要求和安全措施。
4.4 环境准备确保焊接区域清洁、无尘、通风良好。
检查焊接区域的温度、湿度是否符合焊接要求。
五、焊接工艺5.1 焊接方法选择根据管道材料、厚度、使用条件选择合适的焊接方法。
5.2 焊接坡口准备按照设计要求准备焊接坡口,确保坡口尺寸、形状符合标准。
5.3 焊接参数设定根据焊接方法和管道材料,设定焊接电流、电压、速度等参数。
5.4 焊接操作按照焊接工艺卡进行焊接操作,确保焊缝质量。
5.5 焊接检验焊接完成后,进行外观检查和无损检测,确保焊缝无缺陷。
六、焊后热处理工艺6.1 热处理方法选择根据焊接接头的性能要求,选择合适的热处理方法,如退火、正火等。
6.2 热处理参数设定确定热处理的温度、保温时间、冷却速度等参数。
6.3 热处理操作按照热处理工艺卡进行操作,确保热处理效果。
6.4 热处理检验热处理完成后,进行硬度测试、金相分析等,确保热处理质量。
七、施工安全7.1 安全防护操作人员必须穿戴必要的个人防护装备,如防护服、防护眼镜、手套等。
科技创新15产 城压力管道的焊接技术与其消应热处理技术薛飞龙摘要:现今,管道运输行业在我国的工业生产中呈现出了日新月异的发展态势,并发挥着越来越重要的作用,因此,实际操作过程中要认真落实管道运输的施工与维护工作。
这就要求工作人员仔细研究压力管道中的焊接技术,确保焊接技术的较高质量,同时还要把消应热处理工作能够按照规定做好。
关键词:压力管道;焊接技术;消应热处理当下,我国的工业水平迅速提升,而压力管道在工业生产中的作用有增无减。
因此,在压力管道施工过程中,如何提高其质量与寿命,保障压力管道的可靠性是相关人员所关注的重要话题。
焊接是压力管道安装过程中必不可少的一环,提升焊接质量,做好焊缝的消应热处理是必不可少的。
1 压力管道的焊接技术1.1 焊接前准备焊接进行之前,要针对性地编制相关的焊接指导书,并对焊接的工艺进行评定。
技术相关人员应依据工程的实际情况选取适合的焊接技术,并制定相应的焊接方案。
在焊接方案确定后,应对施工单位的资质与能力进行评定,确定其是否有效地完成施工作业。
在对焊接工艺的评定过程中,需提前完成好相关材料的焊接实验,形成焊接记录和评定报告。
评定结果中现实不合理的参数要及时的修正。
评定报告在经技术人员审批之后,应出具焊接工艺卡,以对焊接工作形成一定的参考。
1.2 焊接施工过程中的关键点1)坡口加工与组对。
压力管道在焊接的过程中必须要结合实际情况,当相关要求和条件达到标准时,对坡口的加工,可以依据工艺卡对其几何形状和尺寸的明确规定,采用氧乙炔以及等离子弧等方法来进行。
使用磨光机对坡口进行打磨时,要求管子轴线与端面相互垂直,这样打磨后才会呈现出金属光泽的最佳效果。
要在管子上面进行开孔,需焊接管嘴,分2 种情况实施切割钻孔工作:一是用火焰对碳钢管道进行开孔;二是用机械或者是等离子对不锈钢管道进行开孔。
管道开孔需在预制的时候结束工作,在对管道实施切割以后,还要使用机械方法将污染层去除才算完成工作。
压力管道的焊接技术与其消应热处理技术邓宾摘要:当下,我国的工业水平迅速提升,而压力管道在工业生产中的作用有增无减。
因此,在压力管道施工过程中,如何提高其质量与寿命,保障压力管道的可靠性是相关人员所关注的重要话题。
焊接是压力管道安装过程中必不可少的一环,提升焊接质量,做好焊缝的消应热处理是必不可少的。
关键词:压力管道;焊接;消应热处理1压力管道的焊接技術1.1事前准备工作焊接前应根据压力管道实际情况制定焊接作业指导书,并根据作业指导书评定焊接工艺,填写焊接工艺卡。
技术人员根据工程实际情况,制定作业指导书,落实相关技术措施,完善焊接方案。
首次使用的焊接工艺、焊接材料,需由焊接单位根据钢材焊接性能试验,做好焊接工艺评定工作,确保焊接接头符合焊接相关要求,轻松驾驭管道焊接工作。
除此之外,还需加强验证工艺指导书。
评定报告中应明确涵盖任务书、指导书、施焊记录、评定报告、附件与热处理报告等内容。
1.2事中控制工作1.2.1坡口加工组对焊接压力管道不仅要参照焊接相关要求、施工标准等规则,更要结合施工现场的实际情况进行。
尤其是在坡口加工环节,应依据工艺卡的各项规定,如规定的几何形状、尺寸等要求,合理选择等离子弧、氧乙炔等方法加工。
坡口打磨时,应满足管子轴线、端面间相互垂直的要求,使打磨后的坡口露出金属光泽。
管子开孔焊接管嘴时,可利用火焰开孔碳钢管道,或是机械、等离子开孔不锈钢管道,并在预制时结束开孔工作。
管道切割后,应通过机械等方法去除污染层。
在已安装管道上开孔时,应避免施工中铁屑、氧化物等,进入管道内部坡口上;对此,施工过程应严谨。
事前制定施工防护措施,并严格按照技术指标、规定施工。
坡口加工、清理工作完成,并质量验收合格后,才能展开接头组对工作。
组对环节影响焊接质量的因素较多,尤其是定位焊。
组队环节中的未焊透、内凹或焊瘤等不良现象也不能忽视,究其原因与组对间隙、坡口形式等,与钝边尺寸不匹配有关,除组对间隙匀称外,内壁定位中的错变量范围应合理控制,要求其≤15mm,即不能擦后果管壁厚的1/10,确保内壁定位平齐[1]。