超重超高模板工程专项施工方案
- 格式:docx
- 大小:416.12 KB
- 文档页数:60
超重模板工程施工一、超重模板工程施工步骤1. 材料准备超重模板工程的施工需要准备各种材料,包括木材、钢筋、螺栓等。
木材用于制作模板,钢筋用于加固支撑结构,螺栓用于连接模板及支撑结构。
在选材上,需根据具体工程要求,选择质量好、强度高的材料。
2. 模板制作根据设计要求和结构荷载,在地面上搭建模板支撑结构。
将木板按照设计图纸裁剪成规定尺寸,拼接成模板板面。
确保模板平整、牢固,能承受混凝土浇筑的重量和压力。
3. 模板安装将制作好的模板板面安装在支撑结构上,用螺栓连接固定。
检查模板的水平度和垂直度,确保模板安装正确无误。
4. 支撑检查检查模板的支撑结构是否稳固,能够承受混凝土浇筑的重量。
如果有支撑失稳或损坏的情况,及时修复或更换支撑构件。
5. 混凝土浇筑在模板安装完成后,进行混凝土的浇筑工作。
在浇筑过程中,要注意混凝土的均匀性和充实度,确保混凝土的质量。
6. 混凝土养护混凝土浇筑完成后,需要进行养护工作。
覆盖保湿膜,保持混凝土表面湿润,防止混凝土裂缝和温度变化带来的影响。
7. 模板拆除混凝土充分凝固后,进行模板的拆除工作。
按照施工顺序逐步拆除模板,避免对混凝土结构产生影响。
8. 结构验收完成模板拆除后,进行结构验收工作。
检查混凝土构件的尺寸和形状是否符合设计要求,保证结构的质量和稳定性。
以上就是超重模板工程施工的基本步骤,下面将介绍超重模板工程施工中需要注意的要点。
二、超重模板工程施工要点1. 设计合理超重模板工程的设计要合理,考虑到混凝土浇筑的荷载和压力,确保模板能够承受并分布荷载,防止模板变形和破坏。
2. 施工技术施工人员需具备一定的专业知识和技术,熟悉模板的组装和安装方法,确保施工过程顺利进行。
3. 安全措施在施工过程中,要做好安全措施,加强施工现场管理,防止人员伤害和物质损失。
4. 质量监控对施工过程进行质量监控,及时发现问题并进行整改,确保施工质量。
5. 环境保护在施工过程中要注意环境保护,控制噪音和粉尘污染,减少对周围环境的影响。
高大模板工程专项施工方案一■工艺流程及施工方法准备工作一定位放线,确定立杆位置一放置通长垫座T搭设支撑架一安装梁底次主龙骨一安装底模一底模预检、起拱控制一绑扎梁钢筋并经验收合格一安装侧模一侧模次主龙骨一对拉螺栓一安装板底模板—全面检查安装质量验收二.一般构造L模板支架的构造要求:立杆之间必须按步距满设双向水平杆,确保两方向足够的设计刚度;梁和楼板荷载相差较大时,应采用不同的立杆间距,但只宜在一个方向变距、而另一个方向不变。
2、立杆的设计:当立杆支承在地面时,地面必须做好分层回填夯实,并浇捣好C15地骨IOO厚;当立杆支承在楼面上的,该楼层以下相应位置保留原支模体系作回顶。
立杆底部垫500mm×500mm的木板,板厚50mm ;立杆接长必须采用对接扣件连接,且相邻两立杆的对接接头不得在同步内;当架体构造荷载在立杆不同高度轴力变化不大时,则采用等步距设置;当中部有加强层或支架很高,轴力沿高度分布变化较大,则采用下小上大的变步距设置,但变化不要过多;高大支撑架步距以0∙9-1.5m为宜,不应超过1.5m o3、整体性构造层的设计:1)水平加强层应以每3-6米沿水平结构层设置水平斜杆或剪刀撑,且须与立杆连接,设置斜杆层数要大于水平框格总数的1/3 ;2)在任何情况下,高支撑架的顶部和底部(扫地杆的设置层)必须设水平加强层。
3)水平拉杆的杆需加长时,必须采用搭设长度不得小于IOOOmm,用三个扣件进行扣紧;4、剪刀撑的设计:1府高大支模区域外围设置由下至上封闭的竖向连续式剪刀撑;2 )中间在纵横向每隔IOm左右设由下至上的竖向连续式剪刀撑,其宽度为4 ~ 6m ;3 )在支模架体顶部和扫地杆处设置水平剪刀撑,中间每隔1-2 步设置一道水平剪刀撑;4 )剪刀撑的杆需加长时,必须采用搭设长度不得小于IOOOmm , 用三个扣件进行扣紧。
5、顶部支撑点的设计:1 )顶部支撑点位于顶层横杆时,应靠近立杆,且不应大于200mm ;6、支撑架搭设的要求:1)严格按照设计尺寸搭设,立杆和水平杆的接头均应错开在不同的框格层中设置;2)确保立杆的垂直偏差和横杆的水平偏差小于《扣件架规范》的要求,各立杆整个高度≥8m的垂直度控制在15mm以内,整个高度<8m的立杆垂直度控制在IOmm以内;3)确保每个扣件和钢管的质量是满足要求的,每个扣件的拧紧力矩都要控制在40~65N.m ,钢管不能选用已经长期使用发生变形的;4)地基支座的设计要满足承载力的要求。
一、编制依据2011年6月20日版图纸;《冷弯薄壁型钢结构技术规范》(GB50018);《混凝土结构工程施工质量验收规范》(GB50204);《钢管扣件水平模板的支撑系统安全技术规程》;《建筑结构荷载规范》(GB50009-2001);《建筑工程大模板技术规程》(JAJ74-2003);建设部建质[2004]213号文;《建筑施工模板安全技术规范》(JAJ162-2008);《钢管扣件水平模板的支撑系统安全技术规程》(J10374-2004);《钢结构设计规范》(GB50017-2003);《建筑施工安全检查标准》JGJ59-99;《建筑工程安全生产管理条例》;品茗安全设施计算软件。
二、工程概况建设工程名称:建设工程地址:建设单位名称:本工程总占地面积约为6万M2,总建筑面积约为30.15万M2,其中地下总建筑面积约为8万M2,地上总建筑面积约为29.64万M2,地下室为2层。
本工程主体结构梁设计截面尺寸诸多,不等,相对梁模板支撑架的设计与施工提出了不同层次的要求,在本项目编制的《地下模板工程施工方案》、《地上模板工程施工方案》、《超重梁工程专项施工方案》等方案中,专门对于较普通梁和高支架梁施工支架体系做出了详细的设计及验算,根据建设部建质[2004]213号文要求:对于工程中出现的水平混凝土构件模板支撑系统高度超过8m,或跨度超过18m,或施工总荷载大于15KN/m2,或集中线荷载大于20KN/m的模板支撑体系,应当在施工前单独编制安全专项施工方案并应当组织专家进行论证审查。
本工程2#塔楼15层顶板劲性柱转换梁,梁体截面相对较大,且跨度较大,部分混凝土梁体计算线荷载大于20KN/m,跨度达22米,属于超重大跨度梁,其模板支撑系统应作有效的设计与计算校核,有关结构梁体简况如下表:三、模板工程概述1、材料选用模板使用915×1830×14mm的普通胶合板。
取3.0mm壁厚的φ48普通钢管进行受力计算,φ14圆钢做对拉螺栓,40×90木方,优质“山”型卡;模板接缝处采用海绵条粘贴,防止漏浆。
超高支模施工方案一、工程概况本工程为一座超高层建筑支模施工方案,建筑总高度为100米,共有50层。
施工期限为18个月,施工目标是按照设计要求完成高质量的支模工程。
二、技术方案1.材料选用:选择优质的高强度和耐久性材料,如钢材、混凝土等,以确保支模的稳定性和安全性。
2.支模系统:选择高效且可重复使用的支模系统,如大型钢模具、脚手架等。
同时,结合实际情况,进行适当的修改和改进,以提高施工效率和质量。
3.施工工艺:根据建筑结构和设计要求,制定详细的施工工艺。
首先确定支模的位置和尺寸,然后进行支模的设置。
在支模设置完成后,进行支模的调整和稳定处理。
最后进行支模的拆除和清理。
4.支模安全:在施工过程中,严格按照相关安全标准进行操作。
加强现场安全管理,配备专业的安全监督人员,对施工人员进行培训,并督促他们正确使用支模设备。
三、施工流程1.施工准备:根据工程概况确定施工方案,组织施工人员和设备,开展施工前的准备工作。
2.支模设置:根据施工图纸和设计要求,确定支模的位置和尺寸,然后进行支模的设置,确保支模的稳定性和精确度。
3.支模调整和稳定处理:根据支模的实际情况,进行调整和稳定处理。
使用专业的工具和设备,进行支模的调整,保证其水平和垂直度。
4.混凝土浇筑:支模完成后,进行混凝土的浇筑。
根据设计要求,选用适当的混凝土类型和浇筑方法,确保混凝土的质量和强度。
5.支模拆除和清理:混凝土养护完成后,进行支模的拆除和清理。
根据支模的组成部分和结构,逐步拆除支模,同时进行清理工作,以便后续工序的进行。
6.质量检验和验收:在施工过程中,根据相关规范和标准,进行质量检验和验收工作。
确保支模施工的质量符合设计要求,达到预期效果。
四、安全管理措施1.设立安全管理组:负责制定和执行安全施工方案,指导施工人员进行安全操作。
2.安全培训:对施工人员进行安全培训,提高他们的安全意识和技能,确保按照操作规程进行施工。
3.安全检查:定期开展安全检查,发现并及时处理施工现场的安全隐患,确保施工过程的安全。
超高超重梁模板支撑专项施工方案一1. 引言对于工程施工中出现的“水平混凝土构件模板支撑系统高度超过8m,或跨度超过18m,或施工总荷载大于10kN/m2,或集中线荷载大于15kN/m的模板支撑系统”,建设部建质[2004]213号文件作出了“应当在施工前单独编制安全专项施工方案并应当组织专家组进行论证审查”的规定。
本工程主体结构梁设计截面尺寸诸多,荷载不等,相对梁模板支撑架的设计与施工提出了不同层次的要求。
在本项目部编制的《xxxxxxxxxxxxx 混凝土模板支架专项施工方案》中,专门对于由该方案划分的第一、二类梁即较普通梁施工支撑架体系作出了设计验算,而第三类梁体即超高超重梁归为本专项方案论证设计范畴,单独计算,并待专家审查通过后方可实施。
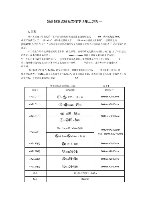
本工程楼层标高为+14.00m转换层楼面处,梁体截面均相对较大,部分混凝土梁体计算集中线荷载大于15kN/m,施工总荷载大于10kN/m2,属于超高超重梁,其模板支撑系统应作有效的设计与计算校核,有关结构梁体简况如表1-1层咼 5.05m本方案将以上述梁体作研究分析对象。
2. 方案设计本专题方案编制执行方远建设集团股份有限公司企业标准FY- QB02- 2005《超高超重梁模板支撑施工工法》,依据《建筑施工扣件式钢管脚手架安全技术规范》(JGJ130—2001),参考《建筑施工手册》第四版、《施工技术》2003年2期刊登的北京中建建筑科学技术研究院杜荣军编写的《扣件式钢管脚手架的设计安全度和施工安全管理》及《施工技术》2002年3期刊登的《扣件式钢管模板高支撑架的设计和使用安全》。
设计总体思路是以工字钢支承梁底横向木龙骨,工字钢底面直接搁置在扣件式钢管架立杆顶端的特制可调支托上,使扣件式钢管脚手架支撑立杆处于轴心受压状态。
根据荷载情况,计算立杆的强度和稳定性,得到扣件式钢管支撑架的纵、横间距和步距。
在此基础上采用必要的构造措施,可解决在超高超限梁模板支撑系统中采用型钢组和扣件式钢管支撑架的安全问题。
长江大学武汉基地综合试验中心专项施工方案超重超高支模架编制人:_______________校对人:_______________审核人:_______________审批人:_______________中博建设集团长江大学武汉基地综合试验中心项目部二0一0年四月目录第一节工程概况 (1)第二节编制依据 (1)第三节施工准备 (2)3.1技术准备 (2)3.2物资准备 (2)3.3劳动力准备 (2)第四节支撑方案 (2)4.1模板及支撑架的材料选择 (2)4.2支撑系统的设计 (3)4.3模板系统的设计 (3)第五节模板的安装 (6)5.1施工顺序 (6)5.2支撑架搭设 (6)5.3模板安装 (7)5.4验收及拆除的批准程序 (8)5.5模板工程质量保证措施 (8)第六节高支模的拆除 (9)6.1支顶、模板的拆除 (9)6.2模板的清理维修、存放 (10)第七节高支模施工的安全管理 (11)7.1高支模系统施工管理机构 (11)7.2高支模的安全管理措施 (11)第八节监测措施 (12)第九节针对浇捣砼输送制定的安全措施 (13)9.1施工部署 (13)9.2施工方法 (13)第十节安全文明施工措施 (15)10.1预防坍塌事故的安全技术措施 (15)10.2预防高空坠落事故的安全技术措施 (15)10.3文明施工措施 (16)第十一节应急救援预案 (17)11.1应急救援机构 (17)11.2应急救援机构职责 (17)11.3应急救援工作程序 (17)11.4应急救援装备 (18)11.5应急救缓药品 (18)11.6应急救援措施 (18)第十二节超重支模架计算书 (22)第十三节超高支模架计算书 (54)第十四节附图 (86)第一节工程概况(一)、工程性质工程名称:长江大学武汉基地综合试验中心建设单位:长江大学设计单位:长江大学设计研究院监理公司:武汉科达监理咨询有限公司(二)、工程概况:本工程位于武汉市蔡甸区姚家岭村。
目录第一节编制根据.............................................................................................................. 错误!未定义书签。
1. 施工图纸............................................................................................................ 错误!未定义书签。
2. 现行有关原则、规范、规程 ............................................................................ 错误!未定义书签。
3. 其他有关文件.................................................................................................... 错误!未定义书签。
第二节工程概况.............................................................................................................. 错误!未定义书签。
第三节施工安排.............................................................................................................. 错误!未定义书签。
1. 施工区及施工流水段划分................................................................................ 错误!未定义书签。
超高模板工程施工方案1. 项目概述超高模板工程是指建筑物结构体系采用高强度高性能模板,最高高度可达到200米以上的工程项目。
该项目施工难度大,对施工方的技术要求也很高。
本文档旨在为超高模板工程的施工方案制定提供指导。
2. 施工前准备在进行超高模板工程施工前,我们需要做以下准备工作:2.1 确定施工方案施工方案是超高模板工程项目的基础,需要结合实际情况和现场环境,考虑施工难度、安全、效率等多个方面因素,制定出切实可行的方案。
2.2 购置材料和设备购置高强度高性能模板、搭设模板支撑系统所需的各类材料和设备,以及钢筋、混凝土等建筑基础材料,确保施工材料和设备完备。
2.3 安排工程人员和管理人员按照工程进度和施工方案的要求,安排好工程人员和管理人员,确保施工队伍齐备。
2.4 制定安全措施超高模板工程施工的风险较大,需要制定严格的安全措施,确保施工人员的安全。
3. 施工流程超高模板工程施工流程可以分为以下几个步骤:3.1 基础处理在超高模板工程施工前,需要对场地进行基础处理,包括挖掘、填充、夯实等工作。
3.2 搭设模板支撑系统在基础处理完成后,需要搭设模板支撑系统。
模板支撑系统是超高模板工程的关键,支撑系统搭设不仅要考虑支撑的形式,还要考虑支撑的位置、数量、规格等因素。
3.3 安装高强度高性能模板在模板支撑系统搭设完成后,需要安装高强度高性能模板。
模板安装需要遵循严格的施工工艺和规范,避免出现问题。
3.4 砼浇筑在高强度高性能模板安装完成后,需要进行砼浇筑。
砼浇筑也需要遵循严格的施工工艺和规范,避免出现裂缝、泌水、塌陷等问题。
3.5 拆卸模板支撑系统在砼浇筑完成后,需要拆卸模板支撑系统。
拆卸要慎重,不能损坏模板和结构,避免对建筑物的质量和安全造成影响。
4. 安全措施超高模板工程施工需要注意以下安全措施:4.1 建立安全监管机制施工方应建立安全监管机制,加强施工人员的安全教育和监管管理,确保施工人员的安全。
超重、超高模板支撑架专项施工方案汇总
一、背景介绍
超高和超重模板支撑架在建筑工程中扮演着重要的角色,它们为高层建筑、桥梁等大型工程提供了必要的支撑,保障施工安全和质量。
针对这类特殊工程需求,我们制定了专项施工方案,旨在提高施工效率,保障工程质量。
二、施工方案汇总
1. 设计方案
在超高、超重模板支撑架的设计中,需要充分考虑承载能力、稳定性等因素,确保支撑架能够安全可靠地承载施工荷载。
设计过程中应采用先进的计算方法和模拟技术,确保支撑架结构合理、稳定,满足工程要求。
2. 材料选用
在超高、超重模板支撑架施工中,材料的选用至关重要。
应选择高强度、耐腐蚀、耐磨损等性能优异的材料,确保支撑架具有良好的承载能力和使用寿命,同时减少维护成本和施工风险。
3. 施工步骤
超高、超重模板支撑架的施工步骤需严格按照设计要求和施工规范进行。
首先要做好施工准备工作,包括场地清理、材料准备等;然后按照设计方案进行支撑架的组装和安装,确保支撑架的稳固性和安全性;最后进行验收和调整工作,保证支撑架符合工程要求。
4. 安全管理
在超高、超重模板支撑架施工中,安全管理是至关重要的环节。
施工过程中要严格遵守安全操作规程,做好施工现场的安全防护措施,确保施工人员的人身安全和工程质量。
三、总结
超重、超高模板支撑架专项施工方案的制定和实施对于大型工程的顺利进行具有重要意义。
只有通过科学合理的设计、严格的施工管理和安全措施,才能保障工程的顺利进行和质量的达标。
希望通过本专项施工方案的汇总,能够为相关工程施工工作提供一定的参考和借鉴,确保工程安全、高效、质量可控。
目录一、工程概况 (3)二、编制依据 (3)三、支模架设计范围 (4)四、支撑形式选用及设计 (5)(一)支撑形式选择及搭设参数 (5)(二)架体基础 (8)(三)水平拉接的布置与构造 (8)(四)剪刀撑布置 (8)(五)支撑架施工荷载取值 (9)五、混凝土浇捣施工部署 (9)六、支模架的构造要求及措施 (10)七、支模架的搭设及拆除 (11)八、支撑体系检查和验收 (12)九、安全管理与维护 (15)十、质量保证措施 (15)十一、应急预案 (16)十二、支撑架施工安全防护领导小组 (17)十三、管理体系及项目部组成 (17)十四、模板及支撑架计算书 (19)(一)500×1500mm梁模板扣件钢管支撑架计算书(支架搭设高度5。
8m) (19)(二)550×1300mm梁模板扣件钢管支撑架计算书(支架搭设高度5。
8m) (22)(三)500×1200mm梁模板扣件钢管高支撑架计算书(支架搭设高度10。
2m)26(四)400×900mm梁模板扣件钢管高支撑架计算书(支架搭设高度10。
2m) (29)(五)350×700mm梁模板扣件钢管高支撑架计算书(支架搭设高度29。
45m) (33)(六)180mm厚楼板模板扣件钢管高支撑架计算书(支架搭设高度5.80m) (36)(七)120mm厚楼板模板扣件钢管高支撑架计算书(支架搭设高度29.45m) (40)十五、附图 (43)附图一超重梁结构平面布置图附图二超高梁板位置示意图附图三超重梁支模架平面及剖面布置图附图四裙房南侧门厅部位超高支模架搭设布置图附图五裙房西侧门厅部位超高支模架搭设布置图附图六北侧门厅超高支模架搭设布置图附图七扶梯部位超高支模架布置图附图八各类梁模板支撑体系大详图附图九节点详图①、②、③附图十现场施工总平面布置图超高、超重模板支撑架专项施工方案一、工程概况本工程位于浙江省嘉兴市,中山路的南侧,并由禾兴路、府忠埭路、安乐路围合的街坊内.基地规划用地面积:40862.4平方米,拟建1幢高层酒店式公寓、2幢住宅以及大型商业购物中心。
高大模板工程的专项施工方案目录I. 项目概况II. 施工组织设计III. 安全生产管理IV. 质量控制V. 施工进度计划VI. 环境保护VII. 施工组织设计VIII. 材料与设备管理IX. 竣工验收及交付I. 项目概况高大模板工程专项施工方案,属于建筑工程中的模板专项施工方案。
本项目位于XX省XX 市,总建筑面积XXXX平方米,工程包括主体结构、建筑装饰、管道、电气和消防等专项施工。
本施工方案旨在规范高大模板工程的施工流程,保障工程质量,确保工程安全生产,提高工程建设效率。
II. 施工组织设计1. 施工组织机构根据工程施工的实际情况,项目组织结构分为总指挥部、安全生产部、质量控制部、材料与设备管理部、施工现场管理部等,明确各部门的职责和任务,确保施工各项工作的协调和有效开展。
2. 施工队伍管理针对高大模板工程的特点,组织施工队伍,包括施工人员、监理人员、安全人员、材料管理人员等,严格按照国家相关规定进行施工人员的培训和考核,确保施工人员的技术水平和操作规范。
3. 施工设备管理对施工过程中所需到的设备进行合理规划和管理,包括起重机械、模板支撑设备、施工机具等,对设备的选用、安装、使用和维护进行严格管理,确保设备的正常运转。
III. 安全生产管理1. 安全生产组织严格执行国家安全生产法律法规,制定并落实安全生产责任制,明确各种安全责任,建立安全生产管理制度,加强对安全生产的宣传和教育,提高工程施工人员的安全意识。
2. 安全防护措施对施工现场进行全方位的安全防护,包括安全警示标识、防护设施、防护用品等,严格执行施工现场管理规定,消除各种安全隐患,确保施工现场环境的安全。
3. 突发事件应急预案制定针对高大模板工程施工中可能发生的各种突发事件的应急预案,对可能发生的事故进行风险评估和应急处置方案的制定,提前做好突发事件的应急演练和应对准备。
IV. 质量控制1. 质量管理体系根据高大模板工程的实际情况,建立质量管理体系,包括质量管理组织机构、质量管理制度、质量控制措施等,加强对施工过程中各项工作的质量监督和检验,确保施工质量符合国家相关标准。
超高超重超大梁高大支模架施工方案XXX县XX村村留地区块1#2#门楼高大支模架工程专项施工方案编制人:职务:校对人:职务:审核人:职务:审批人:职务:目录第一章工程概况--------------------------------------------------- 4一、工程概况 ---------------------------------------------- 4二、施工平面布置------------------------------------------- 6三、施工要求 ---------------------------------------------- 6四、技术保证条件------------------------------------------- 6第二章编制依据--------------------------------------------------- 7第三章施工计划--------------------------------------------------- 7一、施工进度计划------------------------------------------- 7二、材料与设备计划----------------------------------------- 8第四章施工工艺技术---------------------------------------------- 10一、技术参数 --------------------------------------------- 10二、工艺流程 --------------------------------------------- 12三、施工方法 --------------------------------------------- 12四、检查验收 --------------------------------------------- 20第五章施工安全保证措施------------------------------------------ 21一、组织保障 --------------------------------------------- 21二、技术措施 --------------------------------------------- 25三、监测监控 --------------------------------------------- 28四、应急预案 --------------------------------------------- 35第六章劳动力计划------------------------------------------------ 37一、专职安全生产管理人员---------------------------------- 37二、所需劳动力安排---------------------------------------- 37第七章计算书及相关图纸------------------------------------------ 38一、计算书 ----------------------------------------------- 38第一章工程概况一、工程概况建设单位:xxx地产开发有限公司设计单位:XX建设集团建筑设计院监理单位:XXXXX监理有限责任公司施工总承包单位:XXXXX建设有限公司勘察单位:XXXXXXX工程勘察测绘院本工程高大支模架区为XX县XX村村留地区块-1#、2#门楼。
xxxxxxxxxxxxxxxxxxxxxx高大模板工程专项施工方案xxxxxxxxxx公司二〇一一年八月十二日名目1编制依据32工程概况43站务楼三层框架梁模板支撑54站务楼三层板模板支撑255消防通道三层梁模板支撑376消防通道屋面板模板支撑577屋面挑梁及其边梁模板支撑698平安事故救援应急预案899站务楼三层结构布置图911编制依据建筑结构荷载标准?GB50009-2001(2006年版);建筑地基根底设计标准?GB50007-2002;建筑工程施工组织设计标准?GB/T50502-2021木结构设计标准?GB50005—2003;钢结构设计标准?GB50017-2003;建筑施工平安检查标准?JGJ59-99;施工现场临时用电平安技术标准?JGJ46-2005;建筑抗震设计标准?GB50011-2021;建筑施工模板平安技术标准?JGJ162-2021混凝土模板用胶合板?GB/T17656-2021混凝土结构工程施工质量验收标准?GB50204-2002建筑施工高处作业平安技术标准?JGJ80-91危险性较大的分局部项工程平安治理方法?;建筑结构静力计算手册?本工程施工图;本工程施工组织设计;本工程施工合同。
2工程概况xxxxxx工程位于自贡市大山展镇,工程由自贡市都市设计研究院有限责任公司设计,地勘单位为xxxxxxxxxxxx,监理单位为xxxxxxxxxxx公司,施工单位为xxxxxxxxx公司。
本工程为五层框架结构,建筑高度。
建筑分类二类,耐火等级二级,结构平安等级二级,设计使用年限为50年。
地基根底设计等级丙级,抗震设防类不丙类,框架抗震设防等级为三级,抗震设防烈度7度,设计地震分组第一组,设计全然地震加速度,地基承载力设计值独立根底为700kpa,人工挖孔桩为1800kpa。
该工程的重大危险源为站务楼三层梁板高支模〔层高〕;消防通道屋面梁板高支模〔梁层高、板层高〕和屋面挑梁及锁口梁高支模〔层高〕。
目录第一节编制依据 (2)1. 施工图纸 (2)2. 现行相关标准、规范、规程 (2)3. 其他相关文件 (3)第二节工程概况 (3)第三节施工安排 (9)1. 施工区及施工流水段划分 (9)2. 施工材料的准备 (10)3. 安全管理准备 (10)4. 项目部人员安排 (11)5. 模板安装劳动力安排 (11)6. 技术准备 (13)第四节主要施工方案 (13)1. 模板材料规格 (13)2. 超重梁模板安装方法 (13)3. 超重板模板安装及支撑方法 (18)4. 超高模板安装及支撑方法 (21)5. 超高、超重板模板安装构造要求 (25)6. 模板支设流程 (27)7. 混凝土的浇筑顺序 (29)第五节质量要求 (29)1. 模板安装的允许偏差 (29)2. 控制措施 (30)第六节安全文明施工和成品保护 (32)1. 文明施工具体措施 (32)2. 安全措施 (32)3. 消防措施 (33)4. 成品保护 (33)第七节模板支撑架专项应急预案 (34)1. 事故预警 (34)2. 事故类型: (34)3. 危害程度: (34)4. 应急处置基本原则 (34)5. 组织机构及职责 (34)6. 预防与预警 (37)7. 信息保障 (37)8. 应急处置 (38)9. 现场处置方案的主要内容 (39)10. 后期处置 (40)11. 培训演练 (41)12. 应急队伍保障 (41)第八节计算书 (42)1. 800×1850梁支模计算书 (42)2. 1.1梁侧模支模计算书 (42)3. 1.2梁底支撑架计算书 (48)4. 1400×1000梁支模计算书 (54)5. 2.1梁侧模支模计算书 (54)6. 2.2梁底支撑架计算书 (60)7. 450mm厚板支模计算书 (66)8. 850mm厚板落地式楼板支模计算书 (72)9. 120厚楼板高支模计算书(支模高度8.48米) (79)第一节编制依据1.施工图纸2.现行相关标准、规范、规程3.其他相关文件参考文献:《建筑施工手册》、《建筑施工计算手册》第二节工程概况杭州萧山国际机场二期项目二阶段国内航站楼工程(T3航站楼)与原有T1航站楼连成一体,风格统一。
浙江长兴农村合作银行超高、超重模板支撑架专项施工方案编制人:校对人:审核人:审批人:宁波建工集团有限公司2010年9日目录一、工程概况。
(1)二、编制依据 (1)三、支模架设计范围 (2)四、支撑形式选用及设计 (2)(一)支撑形式选择及搭设参数 (2)(二)架体基础 (4)(三)水平拉接的布置与构造 (5)(四)剪刀撑布置 (5)(五)支撑架施工荷载取值 (5)五、混凝土浇捣施工部署 (5)六、支模架的构造要求及措施 (6)七、支模架的搭设及拆除 (6)八、支撑体系检查和验收 (7)九、安全管理与维护 (9)十、质量保证措施 (10)十一、应急预案 (10)十二、支撑架施工安全防护领导小组 (11)十三、管理体系及项目部组成 (12)十四、模板及支撑架计算书 (13)(一)120厚楼板模板扣件钢管支撑架计算书(高9。
6m) (13)(二)120厚楼板模板扣件钢管支撑架计算书(高10。
25m) (16)(三)350×800梁模板扣件钢管支撑架计算书(高9.6m) (20)(四)500×1600梁模板扣件钢管支撑架计算书(高10.3m,采用顶托) (24)(五)500×2000梁模板扣件钢管高支撑架计算书(高15m,采用顶托) (31)十五、附图 (37)超高、超重模板支撑架专项施工方案一、工程概况。
1、工程名称 :浙江长兴农村合作银行建设单位:浙江长兴农村合作银行设计单位:浙江省建工建筑设计院有限公司监理单位:长兴宏泰建设监理有限公司施工单位:宁波建工集团有限公司2、工程位置:本工程位于浙江省长兴县南太湖经济开发区.3、工程简介:本工程的室内设计标高±0.00相对于绝对标高5。
400。
总建筑面积为约3㎡,本工程为整体地下室一层.±0.00以上为两个单体组成,地上二十三层框架-核心筒剪力墙结构,东面为地上五层框架结构。
二、编制依据1、浙江长兴农村合作银行工程建筑、结构等施工图纸、会审纪要、联系单。
xxx项目高大模板施工专项方案编制:审核:审批:**有限公司二0XX年XX月XX号目录第一章工程概况 (1)1.1模板支撑体系工程概况和特点 (1)1.2施工平面及立面布置: (1)1.3施工要求 (1)1.4技术保证条件 .............................................................................................................................. 错误!未定义书签。
1.5风险辨识与分级 (1)1.6施工地的气候特征和季节性天气。
(1)第二章编制依据 (1)2.1法律依据 (1)2.2项目文件 (1)2.3施工组织设计等 (1)第三章施工计划 (2)3.1施工进度计划 (2)3.2材料与设备计划 (2)3.3劳动力计划 (2)第四章施工工艺技术 (3)4.1技术参数 (3)4.2工艺流程 (3)4.3施工方法及操作要求 (3)4.4检查要求 (3)第五章施工安全保证措施 (4)5.1组织保障 (4)5.2技术措施 (4)5.3监测监控措施 (4)第六章施工组织措施 (4)6.1管理人员 (4)6.2专职安全员 (4)6.3特种作业人员 (4)第七章验收要求 (5)7.1验收标准 (5)7.2验收程序及人员 (5)7.3验收内容 (5)第八章应急处理措施 (5)第九章计算书及相关图纸 (6)9.1计算书 (6)9.2相关图纸 (6)第一章工程概况1.1模板支撑体系工程概况和特点本工程及模板支撑体系工程概况,具体明确模板支撑体系的区域,模板支撑体系范围内梁板规格,模板支撑体系的地基基础情况等。
1.2施工平面及立面布置:本工程施工总体平面布置情况、支撑体系区域的结构平面图及剖面图。
1.3施工要求明确质量安全目标要求,工期要求(本工程开工日期、计划竣工日期),模板支撑体系工程搭设日期及拆除日期。
第一节编制依据................................1.施工图纸..............................2.现行相关标准、规范、规程.....................3.其他相关文件............................第二节工程概况................................第三节施工安排................................1.施工区及施工流水段划分......................2.施工材料的准备...........................3.安全管理准备............................4.项目部人员安排...........................5•模板安装劳动力安排..........................6.技术准备...............................第四节主要施工方案..............................1.模板材料规格...........................2.超重梁模板安装方法.........................3.超重板模板安装及支撑方法.....................4.超高模板安装及支撑方法......................5.超高、超重板模板安装构造要求...................6.模板支设流程...........................7.混凝土的浇筑顺序.........................第五节质量要求................................1.模板安装的允许偏差........................2.控制措施..............................第六节安全文明施工和成品保护........................1.文明施工具体措施.........................2.安全措施..............................3.消防措施..............................4.成品保护..............................第七节模板支撑架专项应急预案.........................1.事故预警..............................2.事故类型:............................3.危害程度:............................4.应急处置基本原则.........................5.组织机构及职责..........................6.预防与预警............................7.信息保障..............................8.应急处置..............................9.现场处置方案的主要内容.......................10.后期处置.............................11.培训演练.............................12.应急队伍保障............................第八节计算书.................................1.800 X 1850梁支模计算书......................2.1.1梁侧模支模计算书.........................3.1.2梁底支撑架计算书........................4.1400 X 1000梁支模计算书....................5.2.1梁侧模支模计算书.........................6.2.2梁底支撑架计算书........................7.450mm厚板支模计算书........................8.850mm厚板落地式楼板支模计算书...................9.120厚楼板高支模计算书(支模高度8.48米)..............第一节编制依据1.施工图纸2.现行相关标准、规范、规程3.其他相关文件第二节工程概况杭州萧山国际机场二期项目二阶段国内航站楼工程(T3航站楼)与原有T1航站楼连成一体,风格统一。
航站楼由出发层、到达层和地下室、中指廊组成。
分别设置有出发大厅、迎客大厅、安检、办公、候机区、登机口、行李提取大厅、中转等待厅等,同时含有售票、银行ATM电话、保险、邮局、医疗、餐饮、购物等商业服务设施。
总建筑面积为167915 卅,地上部分为133595卅,地下部分为34320卅。
结构形式为钢筋混凝土框架剪力墙结构和钢结构,± 0.000m 标高相当于绝对标高7.15m。
工程质量目标:确保杭州市“西湖杯”、浙江省“钱江杯”,争创国家优质工程奖“鲁班奖”本工程设计分区情况见下图。
各楼层层高:地下部分层高: 1.65m、1.8m、3.7m、4.1m、4.5m、5.6m、6.6m地上部分层高:B1、B7:3.5m、4m、4.35m、4.6m、8.6mB2:3.5m、4m、4.35m、4.6m B3 、B4: 3.5m 、4m、4.35m、4.6mB5:3.1m、3.35m、4m、5m、6.75m B6: 2.65m 、3.4m、4m、4.6m、4.7m、6.75m A1:3.6m、4m、4.2m、4.45m、6.5m、A2: 3.5m 、6.5m、6.75m、6.8m 根据《住房和城乡建设部87 号文(危险性较大的分部分项工程安全管理办法)》模板工程及支撑体系需经专家论证内容为:搭设高度8m及以上;搭设跨度18m及以上,施工总荷载15KN/m2及以上;集中线荷载20KN/m及以上;本工程无搭设跨度18m及以上部位,搭设高度8m及以上部位分布在B1与B7段局部,施工总荷载15KN/m2及以上主要为450mm 550mm 600mm 750mm 850mn厚楼板处,集中线荷载20KN/m及以上梁截面种类为:500X 1850、700 X 1200、700X 1440、700X 1850、800X 1850、900X 950、1000X 900、1000X 950、1000X 1000、1000X 1200、1100X 800、1100X 850、1200X 700、1200X 750、1200X 800、1200X 850、1200X 1000、1200X 1200、1400X 1000、1750X 800本工程梁、板模板支撑体系采用碗扣式钢管架,步距均为1200。
超高、超重梁、板具体位置见下图:第三节施工安排1.施工区及施工流水段划分本工程平面区域大,在平面内组织流水施工可提高施工功效,降低周转材料投入量,施工时以后浇带为分界线,分为三个施工区、24 个流水段进行平面流水作业。
施工区划分见下图:施工流水段划分见下图:2.施工材料的准备(1)采购、租赁的钢管、扣件、碗扣架管及配套横撑等必须有产品合格证和法定检测单位的检测检验报告,生产厂家必须具有技术质量监督部门颁发的生产许可证。
没有质量证明或质量证明材料不全的钢管、扣件不得进入施工现场。
(2)搭设模板支架用的钢管、扣件、碗扣架管及配套横撑等使用前必须进行现场随机抽样检测,抽样数量按有关规定执行。
未经检测或检测不合格的一律不得使用。
(3)钢管外观质量要求:①钢管表面应平直光滑,不应有裂缝、结疤、分层、错位、硬弯、毛刺、压痕和深的划道;②钢管外径、壁厚、端面等的偏差;钢管表面锈蚀深度;钢管弯曲变形应符合有关规定;(4)扣件外观质量要求:①有裂缝、变形或螺栓出现滑丝的扣件严禁使用;②扣件应进行防锈处理。
(5)经检验合格的钢管、扣件应按品种、规格分类,堆放整齐、平稳。
施工现场应建立钢管、扣件使用台帐,详细记录钢管、扣件的来源、数量和质量检验等情况。
3.安全管理准备超重、高大模板支架专项施工方案应报总公司进行审批。
超重、高大模板支撑系统砼浇筑前应组织验收和技术交底。
超重、高大支模砼浇筑前应填写“超重、高大模板支撑架施工混凝土浇筑核准表”,经过签字和审批。
经过审批的方案必须严格贯彻执行,实际施工中不得省工减料,尤其是立杆间距、步距、扫地杆、剪刀撑、扣件拧紧力矩等,必须严格按照方案执行4.项目部人员安排项目管理组织机构图参见下页。
5.模板安装劳动力安排(1)B1〜B5 A1区域劳动力安排(2)B5、B6区域劳动力安排(3)A2区域劳动力安排6.技术准备高大模板支撑体系施工前必须编写专项施工方案。
高大模板工程的施工方案由项目技术负责人组织编制,上级工程、技术、质量、安全等部门审核,报单位总工程师批准,并报上级单位技术部门备案。
高大模板支撑专项方案应报请地方建设行政主管部门,并组织专家组进行论证审核。
经审批的专项施工方案,应由项目技术负责人向施工员、质检员、安全员等工程技术人员交底,然后施工员向班组作业人员进行安全技术交底。
应按本规范的规定和专项施工方案的要求对钢管、扣件、木方等主要支撑料具进行检查验收,不合格产品不得使用。
第四节主要施工方案1.模板材料规格2.超重梁模板安装方法(1)超重梁侧模板选型梁侧模板采用15mm 厚多层木胶合板,对于梁截面净高大于1000mm 勺梁侧模板,主龙骨采用双根© 48X 3.5钢管横向设置,次龙骨采用 50X 100木方竖向设置,间距为200。
梁 中加二至三道© 16对拉螺杆(采用PVC 管作为拉螺杆的套管),对拉螺杆竖向间距为距板 底320,距梁底150,中间剩余高度等分布置,水平间距为600。
采用© 48 X 3.5钢管及U 型托对侧模进行斜向支持并与梁侧模板支撑两排立杆固定。
见图一。
对于梁截面净高小于等于1000mm 勺梁侧模板,主龙骨采用双根© 48 X 3.5钢管横向设 置,次龙骨采用50X 100木方竖向设置,间距为200。
梁中加两道© 16对拉螺杆(采用PVC 管作为拉螺杆的套管),对拉螺杆竖向间距为距板底320mm 距梁底150mm 水平间距为600mm 采用© 48X 3.5钢管及U 型托对侧模进行斜向支持并与梁侧模板支撑两排立杆固定。
见图二。
各类截面梁侧模板安装材料选择详见《超重梁侧模材料选择》表。