女西裤结构制图
- 格式:ppt
- 大小:562.00 KB
- 文档页数:8
女西装长裤前片一横线1.下平线预留贴边4CM2.上平线裤长-腰头(4CM)3.上裆线 H/4-1(直裆长)4.臀高线直裆长/35.中裆线下平线与臀高线的1/2处上提5CM作直线二竖线1.布边线预留布边3CM2.臀宽线由布边线起在臀高线上量出H/4-1作点画直线与上平线、臀高线、上裆线垂直相交。
3.小裆宽由上裆线与臀宽线的交点向上量取H/20-1.4.挺缝线先在臀宽线上由布边线劈进0.6~0.7CM作点,再找出该点与小裆宽点的间距的1/2处作直线与上下平线垂直相交。
5.脚口宽以挺缝线为中点向两端分别量取(总脚口宽/2-2)÷2.6.中裆宽连接脚口内端点与小裆宽点,在连线与中裆线的交点处下量1.5CM取点,该点到挺缝线和中裆线交点d的距离为中裆宽的一半,由此量画另一半。
7.腰口线上平线与臀宽线的交点劈进1CM作点,向下量取W/4-1+褶量+省量。
三弧线1.腰口门襟弧线由腰口劈进点顺势画直线连于臀高线。
2.小裆弧线由上裆线与臀宽线的交点斜向上量取2.5CM作点,再连接小裆宽点、作点、臀宽高线交点画顺弧线。
3.中裆弧线取小裆端点或上裆线上的侧劈势点至中裆线的1/2处劈进0.3CM画弧线。
4.腰口侧缝弧线由腰口劈进点顺势画弧到臀高线再到上裆线上的侧劈势点(弧线外凸)。
四褶袋1.褶裥①褶大,〔腰口两端劈点间距—腰大(W/4—1)〕÷2(注:前褶亦可大1CM)。
②褶位,ⅰ.前褶往挺峰线左量取褶量。
ⅱ.后褶中点在挺缝线与上平线交点至侧腰口劈点间的1/2处,然后褶大平分中点。
③两褶长3.3CM。
2.侧袋腰口线下3CM为上封口,袋口大15CM。
后片一横线1.下平线预留贴边4CM2.上平线裤长-腰头(4CM)3.上裆线 H/4-1(直裆长)4.臀高线直裆长/35.中裆线下平线与臀高线的1/2处上提5CM作直线6.落裆线由上裆线向下量取1CM画直线平行于上裆线。
二竖线1.布边线预留布边3CM2.臀宽线由布边线起在臀高线上量出H/4+1作点画直线与上平线、臀高线、上裆线、落裆线垂直相交。
江苏省XY中等专业学校2022-2023-2教案教学内容左右收省各2个,右侧缝上端开口处装拉链。
适用面料:化纤类、棉布类、呢绒类等。
测量要点:裤长(侧髋骨处向上3cm至所需长度),上裆长,裤腰围,裤臀围。
制图规格号型裤长腰围臀围上裆脚口腰宽160/66A 100 68 96 29 20 3女西裤基础线:上平线,下平线,臀高线,横裆线,中裆线以及侧缝线。
教学内容前裤片框架绘制1.基础线:绘制裤片基础线。
2.上平线:与基本线垂直。
3.下平线:与上平线平行,长度为裤长。
4.上裆高线( 横裆线)由上平线量下,取上裆减腰宽。
5.臀高线(臀围线)取上裆高的1/3,由上裆高线向上量取。
6.中裆线按臀围线至下平线的1/2向上抬高4cm绘制,平行于上平线。
7.前裆直线在臀高线上,以前侧缝直线为起点,取H/4-1 cm宽度画线,平行于前侧缝直线。
8.前裆宽线在上裆高线上,以前裆直线为起点,向左量0.04H,与前侧缝直线平行。
9.前横裆大在上裆高线与侧缝直线相交处偏进1 cm。
10.前烫迹线按前横裆大的1/2作平行于侧缝直线的直线。
课后总结:裤子测量注意点。
作业:绘制170/72尺寸女西裤前片框架。
板书设计绘制前片框架(一步一步带着画)教后札记江苏省XY中等专业学校2022-2023-2教案教学内容在前片框架的基础上,进行前片基础线绘画。
1.前裆内劈线以前裆直线为起点,偏进1 cm。
2.前腰围大取W/4-1cm+裥(5cm)。
3.前脚口大量取脚口大-2 cm,以前烫迹线为中点两侧平分。
4.前中裆大定位线将前裆宽线两等分,取中点与脚口线相连。
5.前中裆大以前烫迹线为中点两侧平分。
6.前侧缝弧线由上平线与前腰围大交点至脚口大点连接画顺。
教学内容7.前下裆弧线由前裆宽线与横裆线交点连接画顺。
8.前裆弧线绘制。
9.前脚口弧线在上平线上前烫迹线处进0.5cm,然后与脚口大点连接画顺。
10.折裥a.前折裥反裥,裥大3cm,以前烫迹线为界,向襟方向偏07 cm (正裥则向侧缝方向偏)。
女西裤制版方法一、规格表二、前片制图1、基础线:用智能笔绘制水平线,长度为裤长-腰头标记为①。
2、下平线:用智能笔在①左端作垂直于①的线(转化为裤口线),标记为②。
3、上平线:用智能笔在①的右端,距为②(裤长-腰头)作垂直于①的线,标记为③,(转化为裤腰)。
4、横裆线:用智能笔在线①上,距③下端点臀围/4的距离取点A。
过A做③的平行线,长度为臀围/4-1定点E。
继续用智能笔画水平线,交③于D点。
5、臀高线:用等分规在线③的下端点及A之间做三等分,距A取1/3点C,用智能笔向上画水平线,交E、D于B。
6、小裆宽:用延长曲线端点工具将E延长0.4*臀围/10的尺寸于点F。
7、裤中线:用加点工具自A点1CM的位置取点A’。
用等分工具将线段F、A’等分,用不相交等距线工具做①的平行线于等分点,交②于G点,交③于L 点。
8、前脚口宽:以G为中心点,用线上两等分点工具,取脚口/2-1的尺寸,交②于I点、I’点。
9、前膝围线:用等分规将②及臀围线之间裤中线等分,并上移4CM定点D’。
不相交等距线工具做②的平行线,交于D’点,此线为前膝围线。
智能笔连接点I、线段FE的中点与前膝围线交于点K。
皮尺量取D’、K的距离,加点工具自点D’取D’、K的距离,定点K’。
10、下裆缝线:用智能笔连接I、K、F点,并用调整工具调整。
11、小裆弯线、前腰线及侧逢线:用对称粘贴工具将下裆缝线对称。
用智能笔工具连接F、B并距D点1.5CM定为点N的线用调整工具调整。
用智能笔工具自N点向下取腰围/4-1+6的尺寸于O点,定出前腰线,同时连接C、A’点。
用智能笔连接I’、K’、A’,做出剩余部分的侧缝线。
12、前褶、省位:智能笔自L0.6CM的距离画褶,大小为3.5CM。
反方向2.5CM,与腰线相交。
等分工具将前褶线与侧缝线等分。
智能笔做垂线,收省工具做省。
三、后片制图后片可在前片的基础上制作,也可以单独制作,下面的方法是单独制作。
1~3制作方法与前片相同。
女西裤结构制图杨晓月一女西裤尺寸的测量及加放1.人体测量的步骤是: 先围度后长度由上而下, 逐一量取。
2.人体测量的部位及加放。
①围度。
a.腰围+1cm(放进一个手指头,皮尺能够自由挪动)b.臀围+8—10cm②长度a.裤长=60%-—61%*身高+鞋跟—3cmb.臀高c.坐高=直裆深二。
制图尺寸及制图步骤(一)尺寸设定(二)前片制图制图步骤: 先长度后围度1.确定长度线(五线)①脚口线(下平线):从布边或纸边平行进3—4cm垂直布边经向的线②腰口线(上平线):①-—②=裤长—3。
5cm 它是控制裤子长度的线③直裆深线:②-—③=坐高—3.5cm④臀围高线。
②-—③的下三分之一处⑤中裆线(膝高):①-—④的中点上提3-4cm2确定围度点(七点)①经向基础线与臀围线的交点:从布边进1.5cm平行与布边②前臀围宽线(前臀围中心线) H/4—1 1点-2点③前窿门宽点 0.4H/10 A—3点④前外缝内收点 0。
5—1 第4点⑤前腰中心内收点 1—1.5 第5点⑥前腰侧点内收点 1.5—2 第6点⑦烫迹线取三点与四点的中点第7点⑧确定脚口大脚口-2⑨确定中裆:从前内侧脚口至前窿门宽的内三分之一处画线,与中档线的交点便为内侧中裆大。
外侧中裆与内侧等值。
⑩将外侧中裆与前窿门点连接。
外侧中裆与前外侧内收点连接.3.绘制前片轮廓线。
①前中心轮廓线五点至二点外凸0。
3②前窿门轮廓线二点至三点的弧线(见图)③外侧缝轮廓线 a.六点至一点外凸0.3b.四点至中裆线凹进0.3c。
中裆至脚口为直线④内侧缝轮廓线 a.三点至中裆凹进0.5中裆至脚口为直线.3.前褶的处理①前片总褶大H/4—W/4—1—1.5=4.5②褶的分布A.挺缝处占3.3cm a。
1/3 褶靠前中心b。
2/3褶靠侧缝B。
取前腰侧至前1褶的中点为第二个褶的褶中线。
(三)后片制图1.确定长度线延长前片所有长度线2.确定围度点1点1点~A′=H/10-0.5~1A′B′=0.2H/10或2cm2点过B′点的经向线与臀围线相交的点3点2点~3点=H/4+14点连接A′~2点并延长至4点.C′点~4点=2~2。
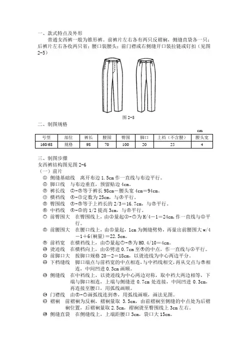
一、款式特点及外形普通女西裤一般为锥形裤。
前裤片左右各有两只反褶裥,侧缝直袋各一只;后裤片左右各收两只省;腰口装腰头;前门襟或右侧缝开口装拉链或钉扣(见图2-5)图2-5二、制图规格三、制图步骤女西裤结构图见图2-6(一)前片○1侧缝基础线离开布边1.5cm作一直线与布边平行。
○2脚口线与布边垂直,预留贴边4cm。
○3裤长线○2~○3等于裤长98cm-腰头宽4cm=94cm。
○4横裆线○3~○4定数为25cm,与○3平行。
○5臀围线○3~○5等于上裆长的2/3=16.7cm,与○3平行。
○6中裆线○5~○2的1/2提高3cm,与○3平行。
○7前臀围大在臀围线上,由○1量起○1~○7为H/4-1=24cm,作一直线与○1平行。
○8前腰围大在腰口线上,由○1量起,1cm为侧缝劈势,再量出前腰围大w/4-1+6(裥量)=22.5cm。
○9前裆宽在横裆线上,由○7量起○7~○9为H0.4/10=4cm。
○10烫迹线在横档向上,由○1劈进0.7cm至○9的中点,作一直线与○1平行。
○11前脚口大按脚口规格20-2=18cm,以烫迹线为中心两边平分。
○12下档缝线脚口端点与前裆宽的中点相连,与中裆线相交,再从交点与○9相连,中间凹进0.3cm画顺。
○13侧缝线在中裆线上,以烫迹线为中心两边对称,取中裆大两边相等,下端与脚口相连,上端与侧缝进0.7cm处连接,中间凹进0.3cm,再连接至腰口,用弧线画顺。
○14门襟线由○8~○7画弧线连到○9,用弧线画顺,画法见图。
○15褶裥前褶裥为反裥,褶裥量取3.5cm,由前褶裥至侧缝的中点处为后褶裥位置,后褶裥量取2.5cm,褶裥烫至臀围线上3cm左右。
○16侧缝直袋在侧缝线上,上端距腰口3cm,袋口大15cm。
图2-6(二)后片后裤片制图的长度以前裤片为基础,将腰口线、臀围线、横裆线、中裆线、脚口线延长。
○1侧缝基础线与布边平行。
○2烫迹线○1~○2为H2/10-1=19cm,与○1平行。