工程图-图纸尺寸
- 格式:doc
- 大小:1.74 MB
- 文档页数:14
A,A,A,A,A,制图标准规定图纸幅面和格式————————————————————————————————作者:————————————————————————————————日期:制图标准规定图纸幅面和格式国家制图标准规定图纸幅面和格式(GB/T 14689-1993)有:A0、A1、A2、A3、A4等五种规格。
它们的尺寸分别是:841×1189;594×841;420×594;297×420;210×297。
这五种图纸也分别叫做:0号图纸、1号图纸、2号图纸、3号图纸、4号图纸。
绘制技术图样时,应优先采用这五种规定的基本幅面。
必要时允许加长幅面,也允许以基本幅面的短边的整数倍加长幅面。
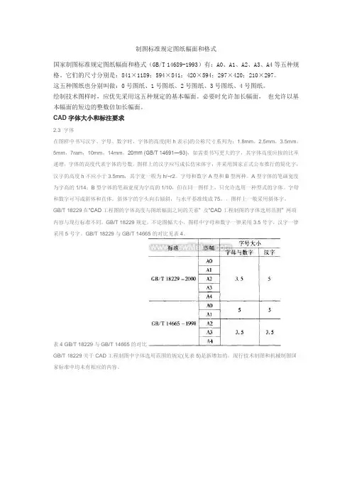
CAD字体大小和标注要求2.3 字体在图样中书写汉字、字母、数字时,字体的高度(用h表示)的公称尺寸系列为:1.8mm,2.5mm,3.5mm,5mm,7ram,10mm,14mm,20mm (GB/T 14691―93),如需要书写更大的字,其字体高度应按的比率递增,字体的高度代表字体的号数。
图样上的汉字应写成长仿宋体字,并采用国家正式公布推行的简化字,汉字的高度h不应小于3.5mm,其字宽一般为h/~r2。
字母和数字A型和B型两种。
A型字体的笔画宽度为字高的1/14;B型字体的笔画宽度为字高的1/10,但在同一图样上,只允许选用一种型式的字体。
字母和数字可写成斜体和直体。
斜体字的字头向右倾斜,与水平基准线成75。
图样上一般采用斜体字。
GB/T 18229在“CAD工程图的字体高度与图纸幅面之间的关系” 及“CAD工程制图的字体选用范围” 两项内容与现行标准不同。
GB/T 18229规定,不论图幅大小,图样中字母和数字一律采用3.5号字,汉字一律采用5号字。
GB/T 18229与GB/T 14665的对比见表4。
表4 GB/T 18229与GB/T 14665的对比GB/T 18229关于CAD工程制图中字体选用范围的规定(见表5)是新增加的。
工程图学复习题自学检测题一、图纸幅面及格式1.A3图纸幅面尺寸(B×L)是297×420;留装订边的图样,装订边的尺寸是25毫米;非装订边的周边尺寸是5毫米。
2.图框线用粗实线画出。
3.当图样按看图方向放置时,标题栏必在右下角位置。
二、比例1.比例中的两个数值,前面一个表示图样中机件要素的线性尺寸,后面一个表示实际机件相应要素的线性尺寸。
1:2是缩小比例;2:1是放大比例。
2.同一机件如采用不同的比例画出图样,则其图形大小不同(相同,不同),但图上所标注的尺寸数值是一样的(一样的,不一样的)。
三、字体1.国标规定,图样中书写的字体必须做到字体工整、笔画清楚、间隔均匀、排列整齐。
其中前两项是单个字的形状结构及笔画提出的要求;后两项则是对字与字之间,行与行之间的排列布置提出的要求。
2.字母和数字有直体和斜体之分,常用的是斜体,其字头向右倾斜,与水平线成75(度)角。
四、图线1.图线宽度分粗、细两种,若粗实线的宽度为b,则细实线的宽度为b/3。
2.同一图样中同类图线的宽度应一样。
3.虚线、细点划线及双点划线的线段和间隔应各自大致相等。
4.绘制园的对称中心线时,圆心应为线段的交点。
5.细点划线和双点划线的首末两端应是线段而不是短划。
6.在较小的的图形上绘制细点划线和双点划线有困难时,可用细实线代替。
五、尺寸注法•基本规划1.机件的真实大小应以图样上所注的尺寸数值为依据,与图形的大小及绘图的准确度无关(有关,无关)。
2.图样中的尺寸,以毫米为单位时,不需(需,不需)标注计量单位的代号或名称,如采用其他单位,则必须(则必须,也不必)注明相应计量单位的代号或名称。
3.图样中所标注的尺寸,为该图样所示机件的最后完工尺寸,否则应另加说明。
4.机件的每一尺寸,一般只标注一次,并应标注在反应该结构最清晰的图形上。
•尺寸数字1.线性尺寸的数字注写的位置,分注在尺寸线的上方和注在尺寸线的中断处两种,一般采用前(前,后)者。
制图标准规定图纸幅面和格式国家制图标准规定图纸幅面和格式(GB/T 14689-1993)有:A0、A1、A2、A3、A4等五种规格。
它们的尺寸分别是:841×1189;594×841;420×594;297×420;210×297。
这五种图纸也分别叫做:0号图纸、1号图纸、2号图纸、3号图纸、4号图纸。
绘制技术图样时,应优先采用这五种规定的基本幅面。
必要时允许加长幅面,也允许以基本幅面的短边的整数倍加长幅面。
CAD字体大小和标注要求2.3 字体在图样中书写汉字、字母、数字时,字体的高度(用h表示)的公称尺寸系列为:1.8mm,2.5mm,3.5mm,5mm,7ram,10mm,14mm,20mm (GB/T 14691―93),如需要书写更大的字,其字体高度应按的比率递增,字体的高度代表字体的号数。
图样上的汉字应写成长仿宋体字,并采用国家正式公布推行的简化字,汉字的高度h不应小于3.5mm,其字宽一般为h/~r2。
字母和数字A型和B型两种。
A型字体的笔画宽度为字高的1/14;B型字体的笔画宽度为字高的1/10,但在同一图样上,只允许选用一种型式的字体。
字母和数字可写成斜体和直体。
斜体字的字头向右倾斜,与水平基准线成75。
图样上一般采用斜体字。
GB/T 18229在“CAD工程图的字体高度与图纸幅面之间的关系”及“CAD 工程制图的字体选用范围”两项内容与现行标准不同。
GB/T 18229规定,不论图幅大小,图样中字母和数字一律采用3.5号字,汉字一律采用5号字。
GB/T 18229与GB/T 14665的对比见表4。
表4 GB/T 18229与GB/T 14665的对比GB/T 18229关于CAD工程制图中字体选用范围的规定(见表5)是新增加的。
现行技术制图和机械制图国家标准中均未有相应的内容。
表5 字体选用范围在AutoCAD 2000中,可通过Text Style(字型设置)对话框完成不同字体的设置。
工程图纸的基本规格工程图是工程设计的重要技术资料,是施工建造的依据。
为了使工程制图基本统一,国家计划委员会颁布了重新修定的国家标准《房屋建筑制图统一标准》GBJ1-86.,本章介绍标准中关于图纸幅面、图线、比例、字体、尺寸标注等基本规格。
一、图纸幅面绘制图样时,图纸的幅面和图框尺寸必须符合表1-l的规定。
必要时幅面长边可以加长,但非特殊需要,短边不得加长,长边加长后的尺寸见表1-2。
在特殊情况下,可采用841 x892、1189xl261的幅面。
图纸一般都用横式幅面(长边横向),图框格式如图1-1(a)所示,当A4竖式需要在左边装订时,其格式如图1-1(b)所示。
需要缩微摄影及重新放大复制的图纸,应在幅面的一个边上画上一段准确的米制尺度,其总长为1OOmm,分格为1mm ;图框的四个边上均应画上对中标志,它应画在图框线的中点处,其线宽应为0.35mm ,伸入图框内5mm,如图1-1 所示。
工程图纸应有工程名称、图名、图号以及设计人、绘图人、审核人的签名和日期等,把这些会签栏是为各工种负责人签字用的表格(见表1-4),放在图纸装订边的上端或右端,如图1-1 所示。
图纸标题栏及会签栏的格式与内容都有规定,有的单位也有根据需要自行确定的。
制图作业的图纸标题栏格式与内容另见有关的《作业指示书》。
制图作业不用会签栏。
二、字体工程图样上常用的文字有汉字、阿拉伯数字、拉丁字母,有时也用罗马数字、希腊字母。
书写时必须做到:字体端正、笔划清晰、排列整齐、间隔均匀。
字体大小的高度系列,统一规定为2.5,3.5,5,7,10,14,20mm。
字体的号数就是字体的高度。
图样中的汉字应写长仿宋体,应使用国家公布的简化字。
字宽即为小一号字的高度,例如5号字的字宽为3.5mm。
拉丁字母、阿拉伯数字可按需要写成斜体或直体。
斜体的倾斜度应是对底线逆时针转75°角。
图样上的汉字的字高应不小于3.5mm,阿拉伯数字和拉丁字母的高度应不小于2.5mm。
工程图纸的基本规格工程图是工程设计的重要技术资料,是施工建造的依据。
为了使工程制图基本统一,国家计划委员会颁布了重新修定的国家标准《房屋建筑制图统一标准》GBJ1-86.,本章介绍标准中关于图纸幅面、图线、比例、字体、尺寸标注等基本规格。
一、图纸幅面绘制图样时,图纸的幅面和图框尺寸必须符合表1-l的规定。
必要时幅面长边可以加长,但非特殊需要,短边不得加长,长边加长后的尺寸见表1-2。
在特殊情况下,可采用841 x892、1189xl261的幅面。
图纸一般都用横式幅面(长边横向),图框格式如图1-1(a)所示,当A4竖式需要在左边装订时,其格式如图1-1(b)所示。
需要缩微摄影及重新放大复制的图纸,应在幅面的一个边上画上一段准确的米制尺度,其总长为1OOmm,分格为1mm ;图框的四个边上均应画上对中标志,它应画在图框线的中点处,其线宽应为0.35mm ,伸入图框内5mm,如图1-1 所示。
工程图纸应有工程名称、图名、图号以及设计人、绘图人、审核人的签名和日期等,把这些会签栏是为各工种负责人签字用的表格(见表1-4),放在图纸装订边的上端或右端,如图1-1 所示。
图纸标题栏及会签栏的格式与内容都有规定,有的单位也有根据需要自行确定的。
制图作业的图纸标题栏格式与内容另见有关的《作业指示书》。
制图作业不用会签栏。
二、字体工程图样上常用的文字有汉字、阿拉伯数字、拉丁字母,有时也用罗马数字、希腊字母。
书写时必须做到:字体端正、笔划清晰、排列整齐、间隔均匀。
字体大小的高度系列,统一规定为2.5,3.5,5,7,10,14,20mm。
字体的号数就是字体的高度。
图样中的汉字应写长仿宋体,应使用国家公布的简化字。
字宽即为小一号字的高度,例如5号字的字宽为3.5mm。
拉丁字母、阿拉伯数字可按需要写成斜体或直体。
斜体的倾斜度应是对底线逆时针转75°角。
图样上的汉字的字高应不小于3.5mm,阿拉伯数字和拉丁字母的高度应不小于2.5mm。
制图标准规定图纸幅面和格式国家制图标准规定图纸幅面和格式(GB/T 14689-1993)有:A0、A1、A2、A3、A4等五种规格。
它们的尺寸分别是:841×1189;594×841;420×594;297×420;210×297。
这五种图纸也分别叫做:0号图纸、1号图纸、2号图纸、3号图纸、4号图纸。
绘制技术图样时,应优先采用这五种规定的基本幅面。
必要时允许加长幅面,也允许以基本幅面的短边的整数倍加长幅面。
CAD字体大小和标注要求2.3 字体在图样中书写汉字、字母、数字时,字体的高度(用h表示)的公称尺寸系列为:1.8mm,2.5mm,3.5mm,5mm,7ram,10mm,14mm,20mm (GB/T 14691―93),如需要书写更大的字,其字体高度应按的比率递增,字体的高度代表字体的号数。
图样上的汉字应写成长仿宋体字,并采用国家正式公布推行的简化字,汉字的高度h不应小于3.5mm,其字宽一般为h/~r2。
字母和数字A型和B型两种。
A型字体的笔画宽度为字高的1/14;B型字体的笔画宽度为字高的1/10,但在同一图样上,只允许选用一种型式的字体。
字母和数字可写成斜体和直体。
斜体字的字头向右倾斜,与水平基准线成75。
图样上一般采用斜体字。
GB/T 18229在“CAD工程图的字体高度与图纸幅面之间的关系” 及“CAD工程制图的字体选用范围” 两项内容与现行标准不同。
GB/T 18229规定,不论图幅大小,图样中字母和数字一律采用3.5号字,汉字一律采用5号字。
GB/T 18229与GB/T 14665的对比见表4。
表4 GB/T 18229与GB/T 14665的对比GB/T 18229关于CAD工程制图中字体选用范围的规定(见表5)是新增加的。
现行技术制图和机械制图国家标准中均未有相应的内容。
表5 字体选用范围在AutoCAD 2000中,可通过Text Style(字型设置)对话框完成不同字体的设置。
制图标准和有关规定第一节图纸的幅面为了做到工程图基本统一,清晰简明,提高制图效率,满足设计、施工、存档的要求,关于图纸幅面大小的尺寸,国家制订了全国统一的标准:《房屋建筑制图统一标准》(GBJl~86)。
该标准规定,图纸幅面的基本尺寸为5种,其代号分别为A0、A1、A2、A3、A4、各类尺寸大小。
如表3—1所示。
其图纸幅面如图3-2所示。
图3—2 图纸幅面为了适应建筑物的具体情况,平面尺寸有时要适当放大,所以《标准》中又规定了图纸长边可以加长的尺寸。
允许加长A0—A3号图纸的边长;加长部分的尺寸应为长边的1/8及其倍数。
如图3—2所示。
注:图纸的短边不得加长。
第二节图框线图框线格式用粗实线画出,如图3-2所示.第三节图标与图签图标栏和图签栏又叫标题栏和会签栏,是设计图框的组成部分。
图标栏是说明设计单位、图名、编号的表格。
图标的位置一般在图纸的右下角。
图标的尺寸在国家标准中也有规定,A2、3、4号图纸的小图标其长边的长度应为85mm;短边的长度宜采用30、40、50mm三种尺寸。
如表3—3所示。
表3—3图签栏是供需要会签的图纸用的。
1个会签栏不够用时,可另加1个,2个会签栏应并列;不需要会签的图纸,可不设会签栏。
图签位于图纸的左上角,其尺寸应为75mm×20mm,栏内应填写会签人员所代表的专业、姓名、日期(年、月、日)。
具体形式如表3—4所示。
表3-4图3—5 图纸幅面第四章工程图的基本要素为了看懂图纸必须先弄懂图中的各种图线、符号及尺寸标注的含义和规定,作为看图的准备。
下面我们从比例开始介绍.第一节比例图纸使用比例的作用,是为了将室内结构不变形的缩小和放大在图纸上.图纸比例用阿拉伯数字和符号“:”表示.如1:100、1:50等。
1:100表示图纸上所画物体比实体缩小100倍,1:1表示图纸上所画物体与实体一样大。
一般图纸采用的比例可见表4—1。
第二节图线在施工图中,为了表示不同的意思,并达到图形的主次分明,必须采用不同的线型和不同宽度的图线来表达。
工程图模板比零件图模板的制作多了绘制图框一步。
工程图有A0、A1、A2、A3、A4这5种标准的尺寸,为了调用方便,最好是做好对应5种尺寸的模板。
下面以A4工程图为例说明制作步骤。
一新建一个工A4程图模板二选项设置1,点击选项图标,2,选择文档属性,把注解的文本样式改为仿宋_GB,以同样的方法把尺寸,表格的文本样式同样改成仿宋_GB,关闭选项窗口3,把所有的注释样式改为GB4,选择出样图选项,其他不用改,只需保证螺纹装饰线显示高品质(螺纹细实线显示)5,选择线型选项,可见实线线粗设为0.35,其余都是0.186,选择线条样式选项,选中点画线,线条长度和间距值中的正0.25改为0.1,其余的不变7,改完后选择确定,退出选项窗口三编辑图框标题栏的格式可以按任意要求绘出,下面例举绘制标题栏,以及标题栏项目的映射方法。
1,在左边的树区域框里点开图纸1,右键点击图纸格式,选择编辑图纸格式,现在整个图框可以任意编辑了2,删除原有的标题栏以及标题栏里的映射文本,用草图工具绘制好如下图的标题栏,用注解工具在标题栏内填入代号、名称、材料、质量、单位名称。
3,工程图来自于三维实体的投射,因此标题栏内的属性也同样来自于三维实体的属性(零件图里的文件属性),在这只需在对应出添加连接到属性的文本即可。
为了在工程图里得到自定义的属性项目(三维实体的属性项目是自定义的,如代号、名称、材料、单位名称、重量,都是新增加的),现在用工程图模板中加入一个用零件图模板画出的实体零件,实体属性:下面在工程图标题栏中加入链接属性文本4,在代号下面的框里插入一个文本注释,点击左边树区域里的链接到属性在链接到属性选项框里,选择图纸属性中所指定视图中模型,在下拉框中出现了对应三维实体的自定义属性,这里选择代号,点击确定,其余的属性项目也用同样的方法输入。
得到:此时工程图的标题栏就自动链接到三维实体的文件属性了,当三维实体的文件属性修改时,工程图标题栏内的属性项目也会随之改变。
15.3.1 图纸幅面根据<<房屋建筑制图统一标准>> GBJ1-86中的规定,图纸幅面的规格分为A0,A1,A2,A3,A4共5种,各种幅面的尺寸如表15-4所示。
表15-5幅面及图框尺寸(mm)尺寸代号幅面代号A0A1A2A3A4B X L 841x1189 594x841 420x594 297x420 210x297c 10 5a 25幅面的格式及标题栏,会签栏的位置如图15.11所示,标题栏及会签栏的格式见图15.2、15.13。
15.3.2 图线根据<<房屋建筑制图统一标准>>GBJ1-86中的规定,建筑工程图应按图样的复杂程度与比例选用表15-5中的基本线宽b及线宽组,并按表15-6所示选用线型。
表15-6线宽组线宽比线宽组b 2.0 1.4 1.0 0.7 0.5 0.350.5b 1.0 0.7 0.5 0.35 0.25 0.180.35b 0.7 0.5 0.35 0.25 0.18表15-7建筑图的线型名称线型线宽用途平,剖面图中被剖切的主要建筑构造(包括构配件)的轮廓线。
实线粗b建筑立面图的外轮廓线。
建筑构造详图中被剖切的主要部分的轮廓线。
建筑构配件详图中构配件的外轮廓线。
平,剖面图中被剖切的次要建筑构造(包括构配件)的轮廓线。
中0.5b建筑平,立剖面图中建筑构配件的轮廓线。
建筑构造详图及建筑构配件详图中一般轮廓线小于0.5b的图形线,尺寸线,尺寸界细0.35b限,图例线,索引符号,标高符号等。
建筑构造及建筑配件不可见轮廓线。
名称线型线宽用途平面图中的起重机(吊车)轮廓线。
虚线中0.5b拟扩建的建筑轮廓线。
细0.35b图例线,小于0.5b的不可见轮廓线。
点划线粗 b 起重机(吊车)轨迹线。
细0.35b中心线,对称线,定位轴线。
拆断线0.35b不需画全的断开界线。
波浪线0.35b不需画全的断开界线。
构造层次的断开界线。
注意地平线的线宽可用1.4b。
Pro Engineer Drawing 工程图尺寸的显示/隐藏∙利用显示/隐藏对话框(Show/Erase dialog box),我们可以显示/隐藏模型或其部分特征的尺寸。
如果需要在透视图中显示模型尺寸,我们必须对DRAWING的配置文件添加下面的配置:allow_3D_dimensio利用显示/隐藏对话框( Show/Erase dialog box),我们可以显示/隐藏模型或其部分特征的尺寸。
如果需要在透视图中显示模型尺寸,我们必须对DRAWING 的配置文件添加下面的配置:allow_3D_dimensions设置为:yes。
尺寸的显示类型依赖与视图的放置方法,注意一下几点:∙对于拉伸或旋转的特征,如果草绘平面不垂直也不平行与屏幕,系统仍显示平行与屏幕的尺寸∙当系统无法显示normal-to-trajectory的扫描特征的尺寸时,尺寸会显示在另外的视图上;如没有其它视图,则显示在中间面上;∙系统在视图中不显示由By View 命令压缩的特征的尺寸,系统会选择其它视图进行显示;∙对于旋转视图来说,系统显示的尺寸会进行旋转显示。
在DRAWING模式下,选择detail>show/erase,出现Show/Erase 对话框,Show /Erase对话框如右图。
· 5.1.2 在图纸中显示整个模型尺寸--- show all1、在Show/Erase对话框中,点击Show2、在Type 中,点击尺寸参考尺寸3、在选择一项,说明是根据什么方式显示尺寸,这里我们选择show all ,表示显示所有特征的尺寸。
4、点击Preview ,预显尺寸。
5、点击accept all6、点击Close .完成。
注意:点击Preview标签,使被选中。
如下图5.1.3 指定显示尺寸的特征的范围1.点击Show2.点击尺寸,3.在TYPE中选择Feature (或Feat & View ).4.在菜单GET SELECT中选择Sel By Menu5.在菜单SPECIFY BY选择Number Range输入需要显示尺寸的特征的开始ID号以及结束ID号。
工程图
一、图纸基本幅面
二、图框格式
带装订边
不带装订边(当图纸不需要装订时,将a、c换成e)
练习1:创建A4的图幅和标题栏。
注释代码:
&todays_date 显示当前日期
&model_name 显示模型名称
&scale 显示绘图比例
&dwg_name 显示工程图名称
&type 显示模型类型(装配体或零件)
&format 显示图纸具体规格
¤t_sheet 显示图纸页码
&telal_sheets 显示图纸页码总数
&dtm_name 显示基准面名称
工具-选项-栏目下:“% dd -%mm- yyyy %”——“%yyyy-%mm-%dd”
一、工程图的配置:
1.修改箭头类型:文件-绘图选项-draw_arrow_style;
filled-实心箭头,closed-空心箭头;
箭头宽度draw_arrow_width;、箭头长度draw_arrow_length;
2.绘图单位修改:
3.修改标注文字高度、宽度、文字与尺寸线平行或水平;
1)文件-绘图选项-drawing_text_height-标注文字高度;
2)drawing_text_width_factor-标注文字宽度;
3)text_orientation 文字与尺寸线平行或水平
4.Proe第三视角修改第一视角:文件-属性-绘图选项-projection_type-值改为first_angle-应用
5.公差显示:绘图选项-控制尺寸公差-tol_display-yes
修改公差文字大小:绘图选项-控制尺寸公差-tol_text_height_factor
三、视图与标注
工程图中两种基本元素:视图和标注。
Proe逆时针为正,顺时针为负。
视图:表达零部件各处结构形状;
标注:为模型添加尺寸、公差及其他形位说明。
1.视图:
1)一般视图:移动、删除、视图向(几参照、角度)
2)投影视图:选择主视图—单击投影视图命令—空白区单击鼠标左键
3)透视图:选择主视图—单击一般视图命令—空白区单击鼠标左键
4)剖视图:全剖视图,半剖视图,局部剖视图,破断视图
(1)全视图与全剖视图:
全视图:系统默认视图类型
全剖视图:双击视图-截面-2D视图-+-完全-输入剖面名称-选择剖切面;
(2)半视图与半剖视图:
半视图:以模型中的平面或基准面为分界面,拭除视图一半,保留一半。
用于对称结构模型视图。
半剖视图:以对称中心为界,一半剖视图,一半普通视图。
(3)局部视图与局部剖视图
局部视图:绘制与模型视图相交封闭边界线,显示线视图,删除线外视图。
局部剖视图:双击视图-截面-2D视图-+-创建新截面-输入剖面名称-平面-选择局部剖-在剖切区域单击画一点-将局部剖切部位用样条曲线包围-单击应用;
添加面的局部剖:双击视图-截面-2D视图-+-创建新截面-输入剖面名称-产生基准-偏距-平面-选择参照基准面-输入值-输入偏移距离-选择局部剖-在剖切区域单击画一点-将局部剖切部位用样条曲线包围-单击应用;
(4)破断视图:切除零件上过长且结构单一的部分,以简化视图。
标注破断视图出错时,选择自动标注尺寸。
5)局部放大图:单击详细视图命令-在需放大区域中心点一点-绘制封闭样条曲线-在空白区单击鼠标中键-双击详细视图修改各项。
5)剖视图修改:
(1)删除剖切面:选择绘图-截面-2D剖面-选择要删除的剖面名称-单击鼠标右键-删除模型
选择绘图-截面-2D剖面-无剖面-应用
(2)修改剖面线间距:双击剖面线—单击间距—整体(一半-剖面线加密;加倍-剖面线稀疏);
修改剖面线角度:双击剖面线—单击角度—选择对应角度;
修改剖面线位置:双击剖面线—单击偏移—输入偏移距离;
(3)修改比例
2.标注:
1.尺寸标注
2.添加中线
3.添加注释:无引线、有引线
4.添加粗糙度:
练习:建立如图所示的5个零件的工程图。
零件1
零件2
零件3
零件4
零件5。