建筑物照明通电试运行检验批质量验收记录
- 格式:xlsx
- 大小:15.61 KB
- 文档页数:1
04建筑物照明通电试运行检验批质量验收记录表
一、前言
为了保证建筑物照明通电试运行的质量,特制定本记录表,用于记录建筑物照明通电试运行检验批的质量验收情况。
二、检验现场
本次建筑物照明通电试运行检验批的检验现场为:(填写建筑物名称)。
检验时间为:(填写检验时间)。
三、检验项目
本次建筑物照明通电试运行检验批的检验项目如下:
1.灯具的表面和灯具内部是否干净、无污染、无潮气。
2.电缆接线是否可靠,高压线和低压线之间是否正确连接。
3.照明控制器的选配是否适合本次使用,工作稳定。
4.聚光灯照度是否达到了设计要求,聚光灯发热是否符合规范。
5.器材的装配是否牢固,位置是否正确。
6.确保设备配有防抛物装置。
四、检验过程
经过检验人员的检验,符合要求的有:
1.灯具的表面干净,无污染、无潮气。
2.电缆接线可靠,高压线和低压线之间连接正确。
3.照明控制器选配适合本次使用,工作稳定。
4.聚光灯照度达到了设计要求,聚光灯发热符合规范。
5.器材装配牢固,位置正确。
6.设备配有防抛物装置。
不符合要求的有:
暂无不符合要求的情况。
五、处理措施
本次建筑物照明通电试运行检验批的处理措施如下:
对符合要求的项目,确认无误后予以通过。
六、结果记录
本次建筑物照明通电试运行检验批的结果记录如下:
符合要求:6项
不符合要求:0项
七、
本次建筑物照明通电试运行检验批的质量验收工作已完成,所有检验项目符合要求,对此予以通过。
如有需要,欢迎监督检查。
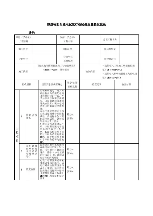
筑物照明系统通电连续试运行时间应24h ,民用住宅照明系统通电连续试运行时间应8h 。
所有照明灯具应开启,且每2h 记录运行状态一次,连续试运行时间内无故障。
筑物照明系统通电连续试运行时间应24h ,民用住宅照明系统通电连续试运行时间应8h 。
所有照明灯具应开启,且每2h 记录运行状态一次,连续试运行时间内无故障。
筑物照明系统通电连续试运行时间应24h ,民用住宅照明系统通电连续试运行时间应8h 。
所有照明灯具应开启,且每2h 记录运行状态一次,连续试运行时间内无故障。
筑物照明系统通电连续试运行时间应24h ,民用住宅照明系统通电连续试运行时间应8h 。
所有照明灯具应开启,且每2h 记录运行状态一次,连续试运行时间内无故障。
筑物照明系统通电连续试运行时间应24h ,民用住宅照明系统通电连续试运行时间应8h 。
所有照明灯具应开启,且每2h 记录运行状态一次,连续试运行时间内无故障。
筑物照明系统通电连续试运行时间应24h ,民用住宅照明系统通电连续试运行时间应8h 。
所有照明灯具应开启,且每2h 记录运行状态一次,连续试运行时间内无故障。
筑物照明系统通电连续试运行时间应24h ,民用住宅照明系统通电连续试运行时间应8h 。
所有照明灯具应开启,且每2h 记录运行状态一次,连续试运行时间内无故障。
筑物照明系统通电连续试运行时间应24h ,民用住宅照明系统通电连续试运行时间应8h 。
所有照明灯具应开启,且每2h 记录运行状态一次,连续试运行时间内无故障。
筑物照明系统通电连续试运行时间应24h ,民用住宅照明系统通电连续试运行时间应8h 。
所有照明灯具应开启,且每2h 记录运行状态一次,连续试运行时间内无故障。
筑物照明系统通电连续试运行时间应24h ,民用住宅照明系统通电连续试运行时间应8h 。
所有照明灯具应开启,且每2h 记录运行状态一次,连续试运行时间内无故障。
建筑物照明通电试运行检验批质量验收记录表GB50303-2002筑物照明系统通电连续试运行时间应24h,民用住宅照明系统通电连续试运行时间应8h。