建筑物照明通电试运行
- 格式:docx
- 大小:15.15 KB
- 文档页数:3
23 建筑物照明通电试运行一般规定电气线路的绝缘电阻、保护地线(PE)连接牢固可靠,开关插座的接线正确,漏电保护器的动作电流和时间、接地电阻和照度满足设计要求和规范规定。
照明系统通电连续试运行时间满足国家质量验收规范的规定。
照明系统的测试与通电试运行应按以下程序进行:1 电线绝缘电阻测试前电线的连接完成;2 照明箱(盘)、灯具、开关、插座的绝缘电阻测试在就位前或接线前完成;3 备用电源或事故照明电源作空载自动投切试验前拆除负荷,空载自动投切试验合格,才能做有载自动投切试验;4 电气器具及线路绝缘电阻测试合格,才能通电试验;5 照明全负荷实验必须在本条1、2、4完成后进行。
施工准备技术准备1 试运行前编制照明通电试运行方案,并报相关主管部门审批。
对调试人员进行技术交底及安全交底。
2 检查巡视整个照明系统,全线无障碍,能够满足送电要求。
主要机具一字形和十字形螺丝刀,组合木梯,圆头锤,电工刀,扳手,钢丝钳,剥线钳,压接钳,铁水平尺,塞尺,电笔,摇表,万用表,兆欧表,交流钳形电流表。
作业条件1 灯具、开关、插座的安装已按批准的设计进行施工完毕,并且安装质量已符合现行的施工及验收规范中的有关规定;2 照明配电箱的安装已按批准的设计进行施工完毕,并且安装质量已符合现行的施工及验收规范中的有关规定;通电试运行技术要求每一回路的线路绝缘电阻不小于Ω,关闭该回路上的全部开关,测量调试电压值是否符合要求,符合要求后,选用经试验合格的5~6A漏电保护器接电逐一测试,通电后应仔细检查和巡视,检查灯具的控制是否灵活,准确;开关与灯具控制顺序相对应,电扇的转向及调速开关是否正常,如果发现问题必须先断电,然后查找原因进行修复,合格后,再接通正式电路试亮。
全部回路灯具试验合格后开始照明系统通电试运行。
照明系统通电试运行检验方法:1 灯具、导线、电缆和继电保护系统的调整试验结果,查阅试验记录或试验时旁站。
2 空载试运行和负荷试运行结果,查阅试运行记录或试运行时旁站。
建筑物照明通电试运行记录1. 试运行概述本文档记录了建筑物照明系统的通电试运行过程和结果。
通电试运行是为了检查建筑物照明系统的功能是否正常,以及确保照明设备的安全和有效运行。
通过试运行,可以发现和解决照明系统中可能存在的问题,并为正式投入使用做好准备。
2. 试运行过程2.1 准备工作在试运行之前,应确保以下准备工作已完成:•安装好所有照明设备,包括灯具、开关等。
•连接好所有的电源线路,并确保其与照明设备相匹配。
•检查所有的电源线路是否符合电气安全标准,并做好绝缘保护。
2.2 试运行步骤2.2.1 逐级通电按照从低电压到高电压的顺序,逐级通电试运行。
首先通电低压设备,再通电中压电设备,最后通电高压设备。
每一级通电后,检查照明设备是否正常运行,是否存在明显故障。
2.2.2 检查照明强度和均匀度在试运行过程中,使用光度计和照度计等测量设备,对照明强度和均匀度进行测试和记录。
通过测量结果,可以评估照明系统的性能是否达到设计要求。
2.2.3 检查开关和控制系统在试运行过程中,测试和检查所有的开关和控制系统,包括手动开关、自动感应开关、远程控制系统等。
确保开关和控制系统的正常操作,并记录任何异常或故障现象。
2.2.4 检查安全保护措施试运行过程中,检查建筑物照明系统的安全保护措施是否齐全有效。
包括过载保护、短路保护、漏电保护等。
确保系统可以及时发现和切断故障电路,保证用电安全。
3. 试运行结果经过试运行,建筑物照明系统运行良好,各项指标符合设计要求。
照明强度和均匀度符合规范要求,开关和控制系统正常工作,安全保护措施有效。
4. 问题和改进意见在试运行过程中存在以下问题和改进意见:•部分灯具亮度不均匀,可能与安装位置有关,建议重新调整灯具位置,确保照明均匀度。
•部分开关操作有卡顿现象,可能与开关质量有关,建议更换开关。
•部分照明设备在长时间运行后发热较大,可能存在散热问题,建议增加散热措施。
以上问题和改进意见将在后续工作中进行处理和改进。
23 建筑物照明通电试运行23.1 一般规定23.1.1 电气线路的绝缘电阻、保护地线(PE)连接牢固可靠,开关插座的接线正确,漏电保护器的动作电流和时间、接地电阻和照度满足设计要求和规范规定。
23.1.2 照明系统通电连续试运行时间满足国家质量验收规范的规定。
23.1.3 照明系统的测试与通电试运行应按以下程序进行:1 电线绝缘电阻测试前电线的连接完成;2 照明箱(盘)、灯具、开关、插座的绝缘电阻测试在就位前或接线前完成;3 备用电源或事故照明电源作空载自动投切试验前拆除负荷,空载自动投切试验合格,才能做有载自动投切试验;4 电气器具及线路绝缘电阻测试合格,才能通电试验;5 照明全负荷实验必须在本条1、2、4完成后进行。
23.2 施工准备23.2.1 技术准备1 试运行前编制照明通电试运行方案,并报相关主管部门审批。
对调试人员进行技术交底及安全交底。
2 检查巡视整个照明系统,全线无障碍,能够满足送电要求。
23.2.2 主要机具一字形和十字形螺丝刀,组合木梯,圆头锤,电工刀,扳手,钢丝钳,剥线钳,压接钳,铁水平尺,塞尺,电笔,摇表,万用表,兆欧表,交流钳形电流表。
23.2.3 作业条件1 灯具、开关、插座的安装已按批准的设计进行施工完毕,并且安装质量已符合现行的施工及验收规范中的有关规定;2 照明配电箱的安装已按批准的设计进行施工完毕,并且安装质量已符合现行的施工及验收规范中的有关规定;23.3 通电试运行技术要求23.3.1 每一回路的线路绝缘电阻不小于0.5MΩ,关闭该回路上的全部开关,测量调试电压值是否符合要求,符合要求后,选用经试验合格的5~6A漏电保护器接电逐一测试,通电后应仔细检查和巡视,检查灯具的控制是否灵活,准确;开关与灯具控制顺序相对应,电扇的转向及调速开关是否正常,如果发现问题必须先断电,然后查找原因进行修复,合格后,再接通正式电路试亮。
23.3.2 全部回路灯具试验合格后开始照明系统通电试运行。
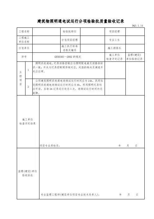
一、建筑物照明通电试运行(一)主控项目1、照明系统通电,灯具回路控制应与照明配电箱及回路的标识一致;开关与灯具控制顺序相对应,风扇的转向及调速开关应正常。
2、公用建筑照明系统通电连续试运行时间为24h,民用住宅照明系统通电连续试运行时间应为8h。
所有照明灯具均应开启,且每2h记录运行状态1次,连续试运行时间内无故障。
二、电线导管、电缆导管和线槽敷设(一)主控项目<1>金属的导管和线槽必须接地(PE)或接零(PEN)可靠,并符合下列规定:<1.1>镀锌的钢导管、可挠性导管和金属线槽不得熔焊跨接接地线,以专用接地卡跨接的两卡间连线为铜芯软导线,截面积不小于4mm²;<1.2>当非镀锌钢导管采用螺纹连接时,连接处的两端焊跨接接地线;当镀锌钢导管采用螺纹连接时,连接处的两端用专用接地卡固定跨接接地线;<1.3>金属线槽不作设备的接地导体,当设计无要求时,金属线槽全长不少于2处与接地(PE)或接零(PEN)干线连接;<1.4>非镀锌金属线槽间连接板的两端跨接铜芯接地线,镀锌线槽间连接的两端不跨接接地线,但连接板两端不少于2个有防松螺帽或防松垫圈的连接固定螺栓。
<2>金属导管严禁对口熔焊连接;镀锌和壁厚小于2mm的钢导管不得套管熔焊连接。
<3>防爆导管不应采用倒扣连接;当连接有困难时,应采用防爆活接头,其接合面应严密。
<4>当绝缘导管在砌体上剔槽埋设时,应采用强度等级不小于M10的水泥砂浆抹面保护,保护层厚度大于15mm。
(二)一般项目1、室外埋地敷设的电缆导管,埋深不应小于0.7m。
壁厚小于等于2mm的钢电线导管不应埋设于室外土壤内。
2、室外导管的管口应设置在盒、箱内。
在落地式配电箱内的管口,箱底无封板的,管口应高出基础面50~80mm。
所有管口在穿入电线、电缆后应做密封处理。
由箱式变电所或落地式配电箱引向建筑物的导管,建筑物一侧的导管管口应设在建筑物内。
建筑物照明通电试运行方法一、试验和试运行前准备1.建筑物照明通电试运行前,应编制书面的通电检查和试运行方案或作业指导书,明确通电检查和试运行程序和步骤,经施工单位审核同意、监理单位确认后方可实施。
2.电气器具及线路绝缘电阻应测试合格。
3.通电试验前,照明回路装有剩余电流动作保护器时,剩余电流动作保护器应检测合格,检测记录应完整,签证应齐全。
4.备用照明电源或应急照明电源做空载自动投切试验前,应卸除负荷,有载自动投切试验应在空载自动投切试验合格后进行。
二、施工技术要求1.建筑物照明通电试运行包括建筑照明通电检查和建筑照明系统通电试运行。
2.建筑照明通电检查是对照明灯具、开关、插座、风扇、照明配电箱(柜、盘)及其线路、回路控制等进行通电检查,其通电检查应符合下列要求:1)照明配电箱(柜、盘)内电源总开关、回路开关的技术参数和整定值及回路控制符合设计要求;2)照明灯具通电试亮,无接触不良、灯光闪烁、灯泡不亮等现象;3)应急照明灯具两路电源均可正常供电,正常电源断电后的电源转换时间符合设计要求;带有自动通、断电源控制的灯具,控制程序正确,动作准确;4)灯具回路控制符合设计要求,且与照明控制柜、箱(盘)及回路的标识一致;开关应切断相线且通断方向一致,双联及以上开关与灯具控制顺序相对应且一致;5)插座接线正确,同一场所的三相插座接线相序一致;带有漏电保护装置的插座回路,模拟漏电保护动作应正常、灵敏、可靠;6)风扇运转时,转向和调速开关正常,扇叶、防护罩应无明显颤动和异常声响;7)风扇调速开关应切断相线,两个及以上成排调速开关与风扇控制顺序相对应且一致。
3.建筑照明系统通电试运行在建筑照明系统通电检查合格后进行,并符合下列要求:1)试运行时所有照明灯具均同时通电开启,连续试运行时间内运行情况正常无故障,各项运行数据无异常波动;2)公共建筑照明系统通电连续试运行时间应为24h;3)住宅照明系统通电连续试运行时间应为8h;4)试运行每2h按回路记录运行数据,各项数据应无异常。
建筑物照明通电试运行检验批1. 引言哎,今天咱们聊聊建筑物照明的通电试运行,这可不是个小事儿。
你想啊,灯一亮,整个建筑都活了起来,感觉就像换了一个世界一样。
咱们常说“灯光璀璨,万物生辉”,没错,灯光能带给人们的,不仅是照明,更是心情的提升。
可如果照明系统一通电,灯泡闪烁不止,或者干脆不亮,那就真是“晴天霹雳”了。
今天就来聊聊这个通电试运行检验批的重要性,以及在这个过程中要注意些什么。
2. 通电试运行的重要性2.1 保障安全首先,通电试运行最重要的就是保障安全。
大家知道,建筑物的照明系统涉及电线电路,稍有不慎,就可能出现短路、漏电等危险情况。
试想一下,要是灯一通电,火花四溅,那场面可不敢想象。
所以,在通电之前,咱们得把电路的绝缘性、接线的牢固性都检查一遍。
俗话说“细节决定成败”,这真是一点不假。
每一根电线都得检查得仔仔细细,确保万无一失。
2.2 提升效率其次,通电试运行还可以提升工作效率。
你看,灯一亮,大家的工作热情都跟着上来了,简直就像打了鸡血一样。
试运行的过程中,咱们还可以观察灯光的亮度、色温、照射角度等等,确保它们都能满足设计要求。
如果发现问题,及时调整,这可比等到正式投入使用后再去修整要方便得多。
毕竟“早知道,早准备”,咱们可不想等到真正使用的时候再犯错,岂不是得不偿失?3. 通电试运行的具体步骤3.1 准备工作在通电试运行之前,咱们得做好充分的准备工作。
这可不是随便插上电源就能完事的,得提前检查所有设备,比如控制开关、照明灯具、配电箱等等。
这就像是一个音乐会之前的彩排,不能掉以轻心。
检查的时候,最好能找几个人一起,大家伙儿一起帮忙,确保每一个环节都没有遗漏。
一个人忙不过来,像是“孤掌难鸣”,还不如大家齐心协力,省时省力。
3.2 通电测试接下来,就是紧张又兴奋的通电测试环节。
电源一接通,心里就开始“咯噔咯噔”的跳。
灯光亮起的那一瞬间,感觉整栋楼都活了过来,简直是“美不胜收”。
但可不能光顾着欣赏,得仔细观察灯光的表现,看看有没有闪烁、异响之类的现象。
建筑物照明通电试运行检验批1. 建筑物照明通电试运行检验批哎呀,你们可真是够了!这建筑物照明通电试运行检验批的事情,咋就那么让人头疼呢?我今天就得跟大家聊聊这个话题,说说我是怎么看待这件事情的。
咱们得明确一点,这个建筑物照明通电试运行检验批可不是什么小事儿。
这可是关系到建筑物的安全问题,万一出了什么岔子,那可不是闹着玩儿的。
所以,我们必须要认真对待这件事情,不能马虎大意。
话说回来,这个建筑物照明通电试运行检验批也不是一件特别复杂的事情。
其实就是要把建筑物的照明设备都打开,让它们通电运行一下,看看有没有啥问题。
然后再把这些设备关掉,检查一下是不是都正常工作。
就这么简单!但是,正所谓“人怕出名猪怕壮”,这建筑物照明通电试运行检验批的事情一出名,就有人开始动歪脑筋了。
有些人觉得这个事情没啥大不了的,就是走个过场而已。
还有些人觉得这个事情太麻烦了,不如省省力气,直接把钱给人家算了。
哎呀,这些人真是让人无语!他们难道不知道这个建筑物照明通电试运行检验批的重要性吗?这可是关系到建筑物的安全问题啊!要是出了什么岔子,那可不是闹着玩儿的!所以,我觉得我们应该对这个建筑物照明通电试运行检验批的事情给予足够的重视。
我们不能因为一时的懒惰或者贪图省事,而让这个重要的环节出现疏漏。
我们要做到严谨认真,确保这个建筑物照明通电试运行检验批的工作能够顺利完成。
我也明白,这个建筑物照明通电试运行检验批的事情对于我们来说,确实是一件比较繁琐的事情。
但是,我们要想一想,如果我们因为一时的懒惰或者贪图省事,而导致这个建筑物照明通电试运行检验批出现问题,那到时候我们可就要吃不了兜着走了!所以,我觉得我们应该把这个建筑物照明通电试运行检验批的事情看作是一件大事。
我们要用心去对待它,不能有丝毫的马虎大意。
只有这样,我们才能够确保这个建筑物照明通电试运行检验批的工作能够顺利完成,让我们的建筑物更加安全、舒适。
我认为我们应该对这个建筑物照明通电试运行检验批的事情给予足够的重视。
建筑物照明通电试运行1、一般规定1.1电气线路的绝缘电阻、保护地线(PE)连接牢固可靠,开关插座的接线正确,漏电保护器的动作电流和时间、接地电阻和照度满足设计要求和规范规定。
1.2照明系统通电连续试运行时间满足国家质量验收规范的规定。
1.3照明系统的测试与通电试运行应按以下程序进行:a电线绝缘电阻测试前电线的连接完成;b照明箱(盘)、灯具、开关、插座的绝缘电阻测试在就位前或接线前完成;c备用电源或事故照明电源作空载自动投切试验前拆除负荷,空载自动投切试验合格,才能做有载自动投切试验;d电气器具及线路绝缘电阻测试合格,才能通电试验;e照明全负荷实验必须在本条 1、2、4 完成后进行。
2、施工准备2.1技术准备a试运行前编制照明通电试运行方案,并报相关主管部门审批。
对调试人员进行技术交底及安全交底。
b检查巡视整个照明系统,全线无障碍,能够满足送电要求。
2.2主要机具:一字形和十字形螺丝刀,组合木梯,圆头锤,电工刀,扳手,钢丝钳,剥线钳,压接钳,铁水平尺,塞尺,电笔,摇表,万用表,兆欧表,交流钳形电流表。
2.3作业条件a灯具、开关、插座的安装已按批准的设计进行施工完毕,并且安装质量已符合现行的施工及验收规范中的有关规定;b照明配电箱的安装已按批准的设计进行施工完毕,并且安装质量已符合现行的施工及验收规范中的有关规定。
3、通电试运行技术要求3.1每一回路的线路绝缘电阻不小于 0.5MΩ,关闭该回路上的全部开关,测量调试电压值是否符合要求,符合要求后,选用经试验合格的 5~6A 漏电保护器接电逐一测试,通电后应仔细检查和巡视,检查灯具的控制是否灵活,准确;开关与灯具控制顺序相对应,电扇的转向及调速开关是否正常,如果发现问题必须先断电,然后查找原因进行修复,合格后,再接通正式电路试亮。
3.2全部回路灯具试验合格后开始照明系统通电试运行。
3.3照明系统通电试运行检验方法:a灯具、导线、电缆和继电保护系统的调整试验结果,查阅试验记录或试验时旁站。
D0303_建筑物照明通电试运行记录日期:20XX年XX月XX日地点:建筑物照明系统一、试运行目的本次试运行旨在检验建筑物照明系统的安装和接线是否正常,并对照明设备的照明效果进行评估,确保照明系统的正常运行。
二、试运行步骤1.检查照明设备以及所有接线是否符合规格和设计要求。
2.通电测试照明设备,记录其正常工作时的亮度和颜色等参数。
3.检查照明设备的控制开关是否正常使用,并测试各个开关对应的照明设备是否正常工作。
4.测试各个楼层的照明设备是否正常工作,特别是一些特殊区域如走廊、楼梯间等重要位置。
5.评估整个建筑物的照明效果,包括照明亮度是否均匀、光线是否柔和、是否存在闪烁等现象。
6.记录照明设备的使用电压、电流和功率等参数,以便后期进行能耗评估和调整。
三、试运行结果及处理1.照明设备的正常工作情况:楼层/区域照明设备是否正常工作亮度颜色-------------------------------------------------------------------1楼大厅LED灯√正常适中2楼办公室荧光灯√较亮适中3楼会议室LED灯√较亮适中5楼走廊LED灯√较亮适中顶层楼梯间荧光灯√较亮适中2.照明设备控制开关的正常使用情况:各个楼层的照明设备控制开关均正常使用,开关操作顺畅,无异常情况。
3.整体照明效果评估:本次试运行中,建筑物的照明效果较好。
照明亮度均匀,光线柔和,没有明显的闪烁现象。
在一些特殊区域如走廊和楼梯间,照明设备的布置合理,能够满足人员的照明需求。
四、存在的问题及改进措施1.部分照明设备的亮度稍强,可以考虑调整灯具的角度,以便降低光线强度。
2.一些区域的照明设备布置不够合理,导致局部照度较低,需要进一步优化灯具的位置和数量。
3.照明控制系统还可以进一步完善,增加光照感应器等设备,以实现自动化的光线控制。
4.需要对照明设备的使用电流和功率进行实时监测,并制定相应的能耗管理措施。
五、试运行结论本次建筑物照明通电试运行中,照明设备正常工作,照明效果较好。
湘质监统编
施2020-193
建筑物照明通电试运行记录
工程名称:衡阳(国际)眼镜小镇首开区示范标准厂房〔A地块)新建EPC项目编号:001
2h记录运行状态1次,连续试运行时间内无保障。
公用建筑记录13次,住宅记录5次;3.工作应连续、电流值应合理。
表格中温度值为导线温度值,采用红外线测温仪检测,测温仪应在检定有效期内;4.根据《建筑电气工程施工质量验收规范》GB50303-2015规定,需分别进行照明系统通电试运行及末端照明系统通电试运行,主要考虑的三相平衡应从末端做起,但由于住宅末端配电箱多为单相供电,因此公建项目应在进户配电室及末级照明配电箱分别进行测试,末级测试按每检验批的末级照明配电箱总数抽查5%,且不得少于1台配电箱及相应回路。
住宅工程末端配电箱为单相供电时应在照明系统进户配电室做全楼通电试运行。
5.三相照明线路各项负荷的分配宜保持平衡,最大相负荷电流不宜超过三相负荷平均值的115%,最小相负荷不宜小于三相负荷平均值的85%;6.仪表编号应以出厂编号为准,填写数据应以实测为准。
10建筑物照明通电试运行记录日期:2024年10月10日地点:XXX大厦一、前期准备工作:1.检查电力设备:在通电前,检查了大楼的电力设备包括配电盘、电源线路和灯具等。
确保设备的安全可靠。
2.安全措施:在通电前,通知了相关人员提前撤离工作区域,并加强了安全警示标志。
确保通电过程中无人员受伤。
3.照明灯光布置:根据建筑物的设计要求和实际情况,确定了照明灯光的布置方案,包括灯具的位置、数量和光照强度等,以满足建筑物的照明需求。
二、通电试运行过程:1.通电步骤:(1)先关闭配电盘上的总开关,断开电源。
(2)逐个检查各个照明线路的接线是否正确,确保无短路或接触不良等问题。
(3)操作配电盘上的总开关,使电源接通。
(4)根据照明灯光布置方案,分区域逐个打开照明回路的开关,供电到各个灯具。
2.检测记录:(1)灯具启动时间:通过开关控制,记录每个灯具的启动时间。
确保灯具能快速启动,无闪烁或延迟等问题。
(2)光照强度:使用光照度测量仪器,逐个测量各个照明区域的光照强度。
确保光照强度符合设计要求,能满足用户的照明需求。
(3)照明效果:通过人眼的直接观察,检查照明灯光的均匀度和亮度等。
确保照明灯光的效果与设计要求一致,能提供良好的照明效果。
三、通电试运行结果:1.灯具启动时间:从记录的数据来看,所有的灯具都能够快速启动,无闪烁或延迟的情况。
启动时间符合设计要求。
2.光照强度:根据测量记录,各个照明区域的光照强度均符合设计要求,能够满足用户的照明需求。
3.照明效果:经过直接观察,照明灯光的均匀度和亮度等均符合设计要求,能够提供良好的照明效果。
四、存在的问题及改进措施:1.部分灯具安装位置不合理,导致照明区域有部分死角或光线明暗不均匀的情况。
需要进行调整和补充,确保照明效果更好。
2.部分照明线路接触不良,导致灯具启动不稳定或无法启动。
需要重新检查接线,并进行修复。
3.部分灯具光照强度过高,可能对人眼造成不适,需要采取调整措施,以提供更舒适的照明环境。
一、建筑物照明通电试运行(一)操作工艺(1)通电试运行前检查①复查总电源开关至各照明回路进线电源开关接线是否正确;②照明配电主回路标识应正确一致;③检查漏电保护器接线是否正确,严格区分工作零线(N)与专用保护零线(PE),专用保护零线(PE)严禁接入漏电开关;④检查开关箱内各接线端子是否正确可靠;⑤断开各回路分电源开关,合上总进线开关,检查漏电测试按钮是否灵敏有效。
(2)分回路试通电①将各回路灯具等用电设备开关全部置于断开位置;②逐次合上各分回路电源开关;③用试电笔检查各插座相序连接是否正确,带开关插座的开关是否能正确关断相线。
(3)故障检查整改①发现问题应及时排除,不得带电作业;②对检查中发现的问题应采取分回路隔离排除法予以解决;③对开关一送电,漏电保护就跳闸的现象重点检查工作零线与保护零线是否混接、导线是否绝缘不良。
(4)系统通电连续试运行:公用建筑照明系统通电连续试运行时间应为24h,民用住宅照明系统通电连续试运行时间为8h。
所有照明灯具均应开启,且每2h记录运行状态1次,连续试运行时间内无故障。
(二)质量标准公用建筑照明系统通电连续试运行时间为24h,民用住宅照明系统通电连续试运行时间为8h。
所照明灯具均应开启,且每2h记录运行状态1次,连续试运行时间内无故障。
(三)成品保护(1)检查整改时应注意保持地面、墙面整洁,不得污损。
(2)应注意不得损伤已装好的灯具。
(3)调试完毕后应关门上锁,以防丢失。
(四)安全环境保护措施(1)从事起电气安装、电工作业人员必须经有关部门进行安全技术培训,并经考试合格、取得合格证后方可上岗作业。
(2)移动式电动机械和手持电动工具的单相电源线必须使用三芯软橡胶电缆,三相电源线必须使用四芯软橡胶电缆;接线时,缆线护套应穿进设备的接线盒内并予以固定。
(3)移动式梯子宜用于高度在4m以下的短时间内可完成的工作。
梯子使用前应进行检查,并应有专人负责保管、维护及修理。
(4)搁置稳固,与地面的夹角以60°为宜。
建筑物照明通电试运行
1 施工准备
1.1技术准备
(1)施工前应进行技术交底工作;
(2)相应的施工质量验收规范。
1.2主要机具
(1)常用电工工具、大功率电烙铁;
(2)人字梯;
(3)数字式万用表、钳形电流表、绝缘摇表侧符合要求。
2 施工工艺
(1)通电试运行前检查
1)复查总电源开关至各照明回路进线电源开关接线是否正确;
2)照明配电主回路标识应正确一致;
3)检查漏电保护器接线是否正确,严格区分工作零线(N)与专用保护零线(PE),专用保护零线(PE)严禁接入漏电开关;
4)检查开关箱内各接线端子是否正确可靠;
5)断开各回路分电源开关,合上总进线开关,检查漏电测试按钮是否灵敏有效。
(2)分回路试通电
1)将各回路灯具等用电设备开关全部置于断开位置;
2)逐次合上各分回路电源开关;
3)分回路逐次合上灯具等的控制开关,检查开关与灯具控制顺序是否对应;
4)用试电笔检查各插座相序连接是否正确,带开关插座的开关是否能正确关断相线。
(3)故障检查整改
1)发现问题应及时排除,不得带电作业;
2)对检查中发现的问题应采取分回路隔离排除法予以解决;
3)对开关一送电,漏电保护就跳闸的现象重点检查工作零线与保护零线是否混接、导线是否绝缘不良。
(4)系统通电连续试运行
公用建筑照明系统通电连续试运行时间应为24h,民用住宅照明系统通电连续试运行时间为8h。
所有照明灯具均应开启,且每2h记录运行状态1次,连续试运行时间内无故障。
3 质量标准
(1)照明系统通电,灯具回路控制应与照明配电箱及回路的标识一致;开关与灯具控制相序相对应。
(2)公用建筑照明系统通电连续试运行时间为24h,民用住宅照明系统通电连续试运行时间为8h。
所照明灯具均应开启,且每2h记录运行状态1次,连续试运行时间内无故障。
4 成品保护
(1)检查整改时应注意保持地面、墙面整洁,不得污损。
(2)应注意不得损伤已装好的灯具。
(3)调试完毕后应关门上锁,以防丢失。
5 安全环境保护措施
(1)从事起电气安装、电工作业人员必须经有关部门进行安全技术培训,并经考试合格、取得合格证后方可上岗作业。
(2)移动式电动机械和手持电动工具的单相电源线必须使用三芯软橡胶电缆,三相电源线必须使用四芯软橡胶电缆;接线时,缆线护套应穿进设备的接线盒内并予以固定。
(3)移动式梯子宜用于高度在4m以下的短时间内可完成的工作。
梯子使用前应进行检查,并应有专人负责保管、维护及修理。
(4)搁置稳固,与地面的夹角以60°为宜。
梯脚有可靠的防滑措施,顶端与构筑物靠牢。
在松软的地面上使用时,有防陷、防侧倾的措施。
(5)施工现场应保持整洁,垃圾废料应及时清理。
废弃物应按环保要求分类堆放及回收。
6 质量记录
照明通电试运行记录。