浙江大学材料力学试卷
- 格式:pdf
- 大小:109.50 KB
- 文档页数:5
浙江大学城市学院《材料力学》样卷参考答案与评分标准解:剪力图(6分,每段3分):弯矩图(6分,每段3分):3FM2三、(本题共_£分)题号1 2 3 4 5 67 8 答案ADBCA DDB二、(木题共12分)题号 1 2 3 4 5 6 7 8题二图(2)作梁的弯矩图,如图所示。
F RA =E (2 分)(4分)解:(1)求4, B 约束反力。
根据静力平衡方程工必人=0,工心=0可得校核C 截血C 截面上部受压,下部受拉,所以最大拉应力位于截面下边缘,最大压应力位于截面上边缘。
最大拉应力校核:F< 2x 5000 X 104X 10_12 X 35X 106 -0」30 = 26920N = 26.92kN(2 分)C 截面报大压应力比B 截血最大压应力小的多,不必校核综合考虑,取[F ] = 25kN(2分)四、(本题共」2分)解:这是一次超静定结构。
解除B 处约束,用约束反力F 脳代替,则得到该超静定结构的相当 系统(图a ) ( 2分)。
运用叠加法将图a 分解为图b 和图c 。
此时,儿=(儿)§+(几)屜=0 ( 2分)。
C 截面弯矩值为 M c =-「 2(3)根据强度条件,求许用载荷。
校核B 截面缶],F < 5000X104xl()T2 x35xlO 6-0.07 = 25000N = 25kN (2 分)最大压皿力校核:(2分)血],弘],F <进而,可知F RA =F RC =-qa (^) ( 4分)。
8五、(本题共一1£分) 解:(1)解析法由单元体的应力状态知,o-v = 70MPa , <7v = 50MPa , T vv = 0, a = 135° ( 1分), 并代入斜截面应力计算公式:OI + (5、— 0 \(51 _ O i= — ---- + — -- cos 2a-T lv sin 2oc, x Ci - — ------- sin 2a+ T rv cos2au, 2 2 A j ix 2可得,斜截面ab 上的应力为:(7,^ = 7(-+ 5°- + 70~ 50cos27O 0-Ox sin27O 0=60MPa ( 3^),1352 2厂 =7()-^° sin 270° + Ox cos 300° = -lOMPa ( 3分)130 2(2)图解法(7分)画该单元体的应力图题五图a 所示。
浙江大学材料力学甲考研真题一、选择题1. 下列选项中,具有永久变形的固体是()A. 弹性体B. 塑性体C. 刚性体D. 电介质2. 在应力应变曲线中,弹性阶段表征了材料的()A. 刚度B. 韧性C. 脆性D. 可塑性3. 在材料拉伸实验中,杨氏模量的计算公式为()A. E = σ/εB. E = F/AC. E = kxD. E = mg4. 下列变形方式中,不属于蠕变变形的是()A. 弯曲变形B. 拉伸变形C. 剪切变形D. 压缩变形5. 在材料力学中,疲劳破坏主要是由于()A. 高温作用B. 强烈的冲击C. 长期受载D. 变形过程中的变温二、填空题1. 材料的刚度可以用______来表示。
2. 断裂韧性是材料断裂过程中吸收的_____能量。
3. 杨氏模量是材料在____方向上的刚度。
4. 材料塑性变形的临界应力称为_____。
5. 蠕变试验是材料的_____性能的一种试验方法。
三、问答题1. 简述弹性体和塑性体的区别。
弹性体和塑性体是固体材料的两种基本变形方式。
弹性体是指在受力作用下可以发生弹性变形的物质。
弹性体的应变与应力之间的关系满足线性弹性关系,也即应力与应变成正比。
一旦外力撤去,弹性体会恢复原来的形状和大小。
而塑性体是指在受力作用下会发生永久性变形的物质。
塑性体的应变与应力之间的关系不满足线性关系。
一旦外力撤去,塑性体会保持变形状态。
2. 什么是杨氏模量?如何计算?杨氏模量是材料在拉伸过程中应力与应变之间的比值。
杨氏模量可以用于描述材料的刚度,也即材料在受力作用下变形的程度。
计算材料的杨氏模量时,可以通过材料在拉伸试验中的应力与应变的比值得到。
3. 什么是材料的蠕变特性?该如何进行蠕变试验?材料的蠕变特性是材料在长时间持续受力作用下,随时间变化而发生的变形现象。
材料的蠕变特性与应力、温度、时间等因素都有关。
蠕变试验是研究材料蠕变特性的一种方法。
在蠕变试验中,常常使用恒定应力或恒定应变的加载方式,来观察材料在长时间加载过程中的变形情况。
D.梁的轴线弯曲变形后仍为(受力平面内)平面曲线的弯曲。
4. 在弯曲和扭转变形中,外力矩的矢量方向分别与杆的轴线( )。
A 垂直、平行; B 垂直; C 平行、垂直; D 平行。
5.矩形截面梁当横截面的高度增加一倍、宽度减小一半时,从正应力强度考虑,该梁的承载能力的变化为( )A.不变B.增大一倍C.减小一半D.增大三倍6.试判断梁横截面上的切应力作用线必须沿截面边界切线方向的依据是:() A 横截面保持平面;B 不发生扭转;C 切应力公式应用条件;D 切应力互等定理。
7.图示悬臂梁自由端B 的挠度为( )A.ma a EI ()l -2 B. ma aEI 32()l - C.ma EID. ma a EI 22()l -8.图示微元体的最大剪应力τmax 为多大?( )A. τmax =200MPaB. τmax =0C. τmax =100MPaD. τmax =400MPa9.用第三强度理论校核图示圆轴的强度时,所采用的强度条件为( ) A.P A M W T W Z P++()()242≤[σ] B.P A M W T W Z P++≤[σ]200MPa200MPa :_____________________ 班级:_________________ 学号:_______________ 姓名:__________________ ………………………..装………………….订…………………..线………………………………………………………C. ()()P A M W T W Z P++22≤[σ] D. ()()P A M W T W Z P++242≤[σ] (此题是否与今年A 卷重复,) 10.图示四根细长压杆,各杆的材料、截面均相同,它们在纸面内最后失稳的先后次序为( )A. (a),(b),(c),(d)B. (d),(a),(b),(c)C. (c),(d),(a),(b)D. (b),(c),(d),(a)(此题4根杆是否均应为细长杆)二、__作图题___(本大题共20分)1.(本题6分)画出图示阶梯形圆杆的轴力图2.(本题14分)画出梁的剪力和弯矩图三、__计算题__(本大题共60分)1.(本题10分)结构尺寸及受力如图所示,AB 可视为刚体,CD 为圆截面钢杆,直径d =35mm ,E =200GPa ,许用应力为[ ]=180MPa ,求许可载荷[F ]。
835材料力学(乙)2023年浙大似真题1.外伸梁结构如下图所示,梁截面为矩形,梁全长为4a,外伸部分皆有均布荷载q 的作用,梁中点C 处有集中力大小为2qa,杆件的弹性模量为E。
(1)求图示结构的剪力图和弯矩图;(2)求结构的最大正应力。
2.杆件结构如下图所示,杆AD、BD 和CD 在铰结点D 处连接。
三杆件受温度影响,杆件热膨胀系数为 ,杆件温度变化为T ,各杆件的轴向刚度为EI,杆件BD 长为L,AD=DC=L/cosk,其中D 处角为k,AD 和CD 杆的截面直径为D,BD 杆的截面直径为2D。
(1)求图示结构的轴力;(2)求D点的竖直位移。
题1图题2图3.现有结构,如下图所示,C 为结构BD 段的中点,杆件的抗扭刚度为p GI ,抗弯刚度为EI,杆件截面是直径为D 的圆,A 端出的上表面端点为F,轴中线外端点为G。
(1)求结构AB 段的弯矩图和扭矩图;(2)求C 处的竖向位移;(3)求结构A 端的G 点和F 点的主应力。
4.有一单元体受力如下图所示,以下数值的单位均为Mpa。
(1)求单元体的主应力;(2)求其最大切应力值;(3)用第三强度理论值。
题3图题4图5.现有结构受力如下图所示,C为结构AB段的中点,点C处有弹簧支撑,弹簧的刚度系数为k,杆件的抗弯刚度为EI,杆件截面是直径为D的圆,杆件AB的长为2a。
(1)求结点A处支座处反力;(2)求结构点C处的竖向位移。
题5图6.现有结构如下图所示,杆件的抗弯刚度为EI,用能量法求取(忽略杆件轴力和剪力)。
(1)支座A处的反力;(2)求刚结构G点处的转角;(3)求D 点的水平位移。
题6图。
浙江大学2004–2005学年春夏季学期《材料力学及实验(乙)》课程期末考试试卷开课学院: 机械与能源工程学院 ,考试形式:半开卷,允许带 练习本大小一页纸 入场 考试时间: 2005 年 7 月 10 日,所需时间: 120 分钟考生姓名: 学号: 专业:一、填空题(每空格2分,共计22分)1、等截面铅直立柱,长为L ,横截面为边长a 的正方形,材料单位体积质量为ρ。
则由自重产生杆下端面的最大压应力为⎽⎽⎽⎽⎽⎽⎽⎽⎽⎽⎽⎽,杆自上而下横截面边长的变化规律为⎽⎽⎽⎽⎽⎽⎽⎽⎽⎽⎽⎽⎽⎽⎽⎽⎽⎽⎽⎽⎽⎽⎽⎽⎽。
2、直径为d 的铆钉,用于连接两块厚为b 的钢板,连接方式为搭接。
铆钉承受了一对力F 作用时,其名义切应力为⎽⎽⎽⎽⎽⎽⎽⎽⎽⎽⎽⎽⎽⎽⎽⎽⎽⎽⎽、名义挤压应力为⎽⎽⎽⎽⎽⎽⎽⎽⎽⎽⎽⎽⎽⎽⎽⎽⎽⎽。
3、空心圆截面直杆扭转时,横截面如图所示,T 为扭矩。
请在图上作出扭转切应力(大小与方向)沿径向线AB 的变化规律。
若内径为外径d 的一半,则点A 处扭转切应力大小为⎽⎽⎽⎽⎽⎽⎽⎽⎽⎽⎽⎽⎽⎽⎽⎽⎽⎽⎽⎽。
4、工字形截面悬臂梁,自由端受沿横截面对称轴方向的横向力作用时,横截面上的最大切应力值沿梁长度方向的变化规律为⎽⎽⎽⎽⎽⎽⎽⎽⎽⎽⎽⎽⎽⎽⎽⎽⎽⎽⎽⎽⎽⎽⎽⎽⎽⎽⎽。
5、等截面直杆偏心拉伸时,横截面上形心到中性轴距离与到偏心力作用点距离之间的关系为⎽⎽⎽⎽⎽⎽⎽⎽⎽⎽⎽⎽⎽⎽⎽⎽⎽⎽⎽。
请根据截面核心位置与形状的大致情况,在图上作出正三角形截面的截面核心。
6、等截面直杆中心受压,材料弹性模量E =16GPa ,压应力的比例极限σp =10MPa 。
则该压杆临界力欧拉公式的适用条件为⎽⎽⎽⎽⎽⎽⎽⎽⎽⎽⎽⎽⎽⎽⎽⎽⎽⎽⎽⎽⎽⎽⎽⎽⎽(用柔度表示)。
7、构件中某点单元体各面上的应力分量如图所示,按最大切A二、计算题(共5小题)1、平面刚架如图所示,杆长AB=BC=CD=a,在其平面内分别受到集中力与均匀分布力作用,F=qa,BE=CE。
浙江大学2008–2009学年春夏季学期《材料力学(乙)》课程期末考试试卷请考生仔细阅读以下注意事项: 1. 诚信考试,沉着应考,杜绝违纪。
2. 开课学院: 航空航天学院3. 考试形式: 半开 卷,允许带 A4纸大小一页纸 入场4. 考试日期: 2009 年 6 月 22 日,考试时间: 120 分钟考生姓名: 学号: 所属院系:题序 一 二(1) 二(2) 二(3) 二(4) 总 分 得分 评卷人一、填空与作图题(每空格或图2分,共计30分)1、等截面直杆,长为a ,圆形横截面的直径为d ,材料弹性模量为E ,杆两端受轴向压力F作用。
当该压杆为小柔度杆时,横截面上的正应力值为________________。
当该杆两端受球形铰约束时,柔度值为_________________;当该压杆为大柔度杆时,临界应力值为_______________________。
2、用剪刀剪一小薄片时,如果薄片的厚度增加,那么剪断它所需的力大小(增加、减小或不变)_________________(其它条件不变);如果剪刀的刀口变钝,那么名义挤压应力值(增加、减小或不变)____________________(其它条件不变)。
3、同一矩形截面杆分别发生扭转与平面横力弯曲变形,比较其横截面(如图所示)上切应力大小沿边线的变化规律的异同。
两种变形情况下,切应力沿AB 边的变化规律为___________________________________________________;切应力沿AC 边的变化规律为__________________________________________________。
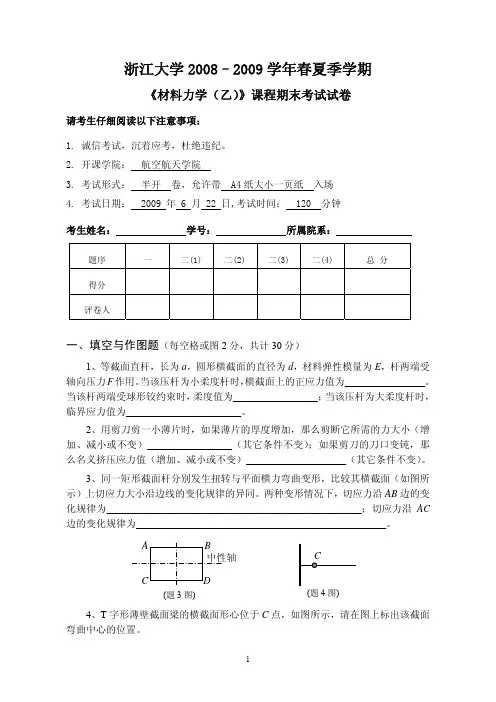
(题3图)B中性轴AC D(题4图)4、T 字形薄壁截面梁的横截面形心位于C 点,如图所示,请在图上标出该截面弯曲中心的位置。
5、等直杆的横截面为菱形,如图所示,请在图上画出该截面的截面核心(大致位置和形状)。