综合柱状剖面图规范(参考Word)
- 格式:doc
- 大小:451.00 KB
- 文档页数:3
剖面绘图规范以及剖面小结范例第一篇:剖面绘图规范以及剖面小结范例剖面整理基本要求:1、剖面名称用“×××省(自治区)×××市(县)××(地名)××(时代)××组(注意要写上填图单位,如Є1x)(侵入体)实测剖面图”2、要注意剖面编辑与描述中,2%-3%类,百分号都不能省略;2-3㎝中只要一个单位符号。
3、剖面线要用光滑的曲线,整体圆滑美观。
4、花纹以美观为原则。
平面图分层线据“V”字型法则适当修饰,一般线长 2cm(默认),填图单位界线延长至 3cm,填图单位代号写在界线两侧。
(每层要注明层号;当单层厚度较薄时,可以采用合层,即把一个填图单位的岩层放在一个大层中表示出来,注明x-y)5、剖面图花纹1.5cm(垂向,下同),一般分层线长2cm,填图单位界线长 2.5cm。
6、一个1cm*1cm的格子中填三个花纹,最多四个。
7、送样的层位要表示出来(照片、采薄片、稀土分析、花絮、化探、物探)(可以参考区域地质图例标准)8、变质岩中片麻岩与片岩等一类变质岩岩性相邻时,要把它们之间由数据自动生成的分层界线删除。
9、岩浆岩花纹是直立的,与周围的产状无关。
10、沉积岩剖面中,如遇产状变化较大,特殊构造造成的除外,要删除此产状,并在数据中修改产状数据。
11、图例规格12×8mm,图例说明3×3mm。
12、坐标(起点坐标)移至剖面图起点上方。
13、责任栏大小100×60mm,位于剖面右下角,其上一般不安排地质内容,字体大小一般为4×4mm。
8月5日开会指出的新问题1、做野外自然剖面与柱状图(自然剖面的走势根据各导线的走向,柱状图要注明主要岩性花纹)2、素描图准确程度(没有素描图的对着照片画)3、剖面小结内容齐全程度(把参加人员分工填写完整)①工作量;②地质特征:对地层、构造、岩浆岩进行描述;③地质认识:断层的性质(断裂带是否含角砾,角砾大小、多少等等)④建议、意见提出自己的建议,为下一步工作指明方向(比如:由在某一层位观测到的现象,推测其东向为某种岩性或有某种矿产,可通过剖面测量验证)同时,照片、采样中包含哪些信息要在小结中体现出来(如宏观上照了一个褶皱,写明其枢纽、轴面产状)。
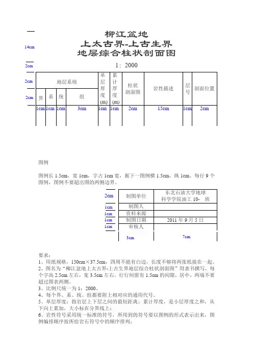
柳江盆地 上太古界-上古生界 地层综合柱状剖面图
1:2000
图例
图例长1.5cm ,宽1cm ,字占1cm 宽,据下一图例横1.5cm ,纵1cm 。
每行9个图例,图例不要超出图的两侧边界。
2cm
要求:
1、用纸规格,150cm ×37.5cm ,四周不能有白边,长度不够将两张纸接在一起。
2、图名为“柳江盆地上太古界-上古生界地层综合柱状剖面图”用隶书撰写,每个字高2.5cm 左右,宽3.5cm 左右,行行间留有1.5cm 的间隙,居中,两端不要超过图表两侧。
3、比例尺统一为1:2000。
4、每个界、系、统、组都要附上相对应的通用代号。
5、单层厚度:指岩层上下层之间的最短距离;累计厚度,是小层厚度之和,从下向上累加,大小标在分界线上;
6、岩性符号采用统一标准的符号,所用到的符号要以图例的形式表示出来,图例编排顺序按所给岩石符号中的顺序排列;
1cm
1cm 1cm 1cm 14cm 2cm
7、层号:按照地层老新的顺序,自下而上加以编号。
8、地层综合柱状剖面图上的地层层序,必须从下而上,由老到新的绘制,决不能颠倒。
按规定比例尺,由老到新,逐段画出各地层的分界线,表示出接触关系的类型。
另外在岩性描述栏的地层接触关系上应注明平行不整合。
9、所有图均用2B铅笔绘制,线条要保持均匀一致。
类似的例子按照具体要求具体绘图。
中联煤层气有限责任公司煤层气钻井地质录井作业规程(暂行)1总则1.1煤层气钻井地质与石油天然气钻井地质及煤田钻井地质既有其共性,又有其特殊性;通用部分可参照有关部门已颁发的地质录井规范及标准执行,这里就煤层气地质录井的特殊方面作一些具体要求。
1. 2 煤层气地质录井工作的基本任务是确定煤层深度、厚度、评价煤层含气性及储集性能等。
1. 3 钻井工程队和地质录井队对钻井地质质量共同负责。
地质录井队队长是执行地质设计的全权负责人,要及时向甲方汇报钻井过程中所获得的地质成果及出现的地质问题。
钻井工程队队长对完成地质任务的钻井工程质量负责。
2人员编制及素质要求2. 1地质录井队必须设有录井队长、地质大班、气测大班、地质采集工(不少于2人)、气测采集工(不少于2人)等岗。
2. 2地质录井队队长必须具备工程师以上任职资格, 必须具有5年以上地质录井工作经历或3口以上煤层气井地质录井工作经验。
2. 3地质、气测大班应具备助理工程师以上专业技术职称,具有3年以上地质、气测录井工作经历或1口以上煤层气井地质、气测录井工作经验。
2. 4地质、气测采集工必须是专业学校毕业生或经过上岗培训的初、高中毕业生。
3钻前准备3. 1设施、设备、材料准备3. 1. 1井场必须配置录井值班房、气测仪器房、岩芯及岩屑库房等,必须安装清洗砂样所用水管、水槽等设施,必须配备砂样烘干箱或砂样晾晒台。
3. 1. 2地质、气测录井所需使用的各种工具、计量器具、办公用品、报表票卡(表式见附录Ⅰ)、鉴定试剂、样品袋、岩芯箱等,于开钻前必须配齐。
3. 1. 3所备的样品袋、岩芯箱等,一定要结实耐用、整齐规格。
3. 1. 4各类录井仪器必须于开钻前进行调试,确保运行正常、记录准确。
3. 2资料准备3. 2. 1施工单位在开钻前必须广泛收集工区的地质资料,尤其是邻井资料。
3. 2. 2施工单位在开钻前必须拥有施工井的钻井地质设计,并及时组织学习,向全队职工交底,使其全都明了该井的基本情况(如井号、井别、设计井深等),基本了解该井的主要地质任务及要求、钻遇地层及目的煤层和各界限深度等。
固体矿产普查勘探地质资料综合整理规范(地质矿产部1980年颁布实施)第一章总则一、资料综合整理是对地质普查勘探工作中所取得的各项原始资料进行系统的整理和综合研究工作。
通过这一工作,编制出必要的综合图表,提出各种研究成果,以指导地质普查勘探工作,并据以编制地质报告和科研报告。
二、资料综合整理是地质普查勘探工作中的重要环节,只有通过综合整理研究,才能把野外和实验室所获得的丰富感性认识,上升成为理性认识,逐步提高对区域及矿区地质矿产情况和成矿规律的认识,才有可能按客观地质规律办事,合理部署各项地质工作,及时提交合乎质量要求的地质报告,达到以较少的工作量取得较大的地质成果,多快好省地完成地质任务的目的。
三、资料综合整理是地质队的一项经常性工作,它贯穿于整个普查勘探工作的始终。
在整个地质工作过程中,要做到边调查施工、边整理资料、边综合研究,及时提交地质成果。
按资料整理的程序、工作性质和时间要求可分为:当日资料整理,阶段性资料整理,年度资料整理,野外验收前资料整理以及报告编制时的资料整理。
后者是在各项原始料齐备的前提下,进行全面系统的综合整理、分析研究。
编制出各种图件、表格和文字报告。
以上各个环节是互相联系而又各有侧重。
经常性的资料综合整理整个资料整理研究工作的基础,必须切实认真的抓好,以做到及时发现问题和解决问题,及时指导地质普查勘探工作。
四、资料综合整理要注意点(矿区或矿点)与面(区域)的结合,二者不可偏废。
要不断提高工作区的地质矿产研究程度,为工作部署和指导普查勘探工作提供较可靠的地质依据。
为此,大队与分队(工区)的资料整理研究工作应各有侧重。
分队是从事经常性综合整理工作的基本单位,要根据地质工作的任务,合理安排综合整理研究内容或课题,有计划、有重点地研究区域或矿区(床)的基本地质特征,矿产分布和赋存条件及成矿规律,矿石质量,水文地质和开采技术条件,普查勘探方法和储量计算等方面的问题。
有条件时也可对地质矿产理论问题作一些研究与探讨。
附录Ⅰ地层综合柱状剖面图的编制一、地层综合柱状剖面图及其意义地层综合柱状剖面图是根据一个地区的地层资料,按时代顺序、接触关系以及厚度编制的图件。
地层综合柱状剖面图不但表示了地层的顺序、接触关系、厚度以及概略的地质发展史,同时还提供了矿产及水文资料。
它是野外地质工作的主要成果之一。
绘制一个地区的地层综合柱状剖面图,必须是在野外地质工作的基础上进行编制。
二、地层综合柱状剖面图的规格及内容地层综合柱状剖面图的规格如附录图1所示。
其内容包括:①地层系统:代、纪、世是划分地质年代的时间单位,界、系、统则是在相当于代、纪、世的时间中所形成的地层。
它们之间的对应关系是:时间单位:代纪世期地层系统:界系统阶根据古生物、岩性等特征,还可将地层划分为群、组、段。
②地质代号:每个代(界)、纪(系)、世(统)以及群、组、段等地质时代和地层单位,都有一个通用的代号。
③厚度:是指岩层上下层之间的最短距离。
一个代或纪所形成的地层,是由许多小层组成,它们总厚度则是这些小层之和。
④岩性符号:用来代表各种岩性的符号。
⑤层序:按照地层新老的顺序,从下而上加以编号。
⑥岩性描述:要把岩石的主要特征加以简要的描述,包括岩石的名称、颜色、结构、构造及成分等。
⑦化石:化石是鉴定地层最可靠的根据。
因此必须把地层中所含的化石名称写上。
⑧其它:地层中的矿产,水文地质、地貌及其它存在的问题都应注上。
⑨比例尺:地层综合柱状剖面图是根据地层厚度编制的,因此,要根据需要和使用方便按照比例缩小,一般都大于地质图的比例尺。
⑩图名:通常是用实际资料的所在地名来命名。
如果该地太小则一定要写上大地名:如“大庆油田葡萄花地区地层综合柱状剖面图”。
在图上必须写上制图人的姓名以及所在的单位,制图年、月、日等。
这是因为要对该图负责任。
地层综合柱状剖面图上的地层层序,必须从下而上,由老到新的绘制,绝不能颠倒。
剖面图规格如附录图1所示。
三、制图方法步骤1.整理地质资料,了解地层层序、接触关系、岩浆活动等情况;2.按照格式画好图框,图框的长短要根据地层的总厚度,每格的宽度应该根据内容的多少来确定。
柳江盆地 上太古界-上古生界 地层综合柱状剖面图
1:2000
图例
图例长1.5cm ,宽1cm ,字占1cm 宽,据下一图例横1.5cm ,纵1cm 。
每行9个图例,图例不要超出图的两侧边界。
2cm
要求:
1、用纸规格,150cm ×37.5cm ,四周不能有白边,长度不够将两张纸接在一起。
2、图名为“柳江盆地上太古界-上古生界地层综合柱状剖面图”用隶书撰写,每个字高2.5cm 左右,宽3.5cm 左右,行行间留有1.5cm 的间隙,居中,两端不要超过图表两侧。
3、比例尺统一为1:2000。
4、每个界、系、统、组都要附上相对应的通用代号。
5、单层厚度:指岩层上下层之间的最短距离;累计厚度,是小层厚度之和,从下向上累加,大小标在分界线上;
1cm
1cm 1cm 1cm 14cm 2cm
6、岩性符号采用统一标准的符号,所用到的符号要以图例的形式表示出来,图例编排顺序按所给岩石符号中的顺序排列;
7、层号:按照地层老新的顺序,自下而上加以编号。
8、地层综合柱状剖面图上的地层层序,必须从下而上,由老到新的绘制,决不能颠倒。
按规定比例尺,由老到新,逐段画出各地层的分界线,表示出接触关系的类型。
另外在岩性描述栏的地层接触关系上应注明平行不整合。
9、所有图均用2B铅笔绘制,线条要保持均匀一致。
类似的例子按照具体要求具体绘图
(注:文件素材和资料部分来自网络,供参考。
请预览后才下载,期待你的好评与关注。
)。