实验七:编制地层综合柱状图
- 格式:doc
- 大小:165.00 KB
- 文档页数:10
实验七:编制地层综合柱状图作者:佚名文章来源:本站原创点击数:1770 更新时间:2009-5-29一、目的要求1. 建立地层层序律的概念,熟悉地质年代表。
2. 了解地层柱状图的内容及意义,初步学会编制地层柱状图。
二、实验用品方格纸、直尺(或三角板)、铅笔、小刀与橡皮等。
三、实验内容1. 地层柱状图简介按一定比例尺和图例,将工作区地层自下而上(即从老到新)把各地层的岩性、厚度、接触关系等现象,用柱状图表的方式表示出来的图件,称地层柱状图或称柱状剖面图(图1)。
地层柱状图可分为一般地层柱状图和综合地层柱状图两类。
(1)一般地层柱状图一般地层柱状图习惯上简称地层柱状图。
它是一种原始地质图件,是根据一口钻井或一条地层剖面所确定的地层层序,地层厚度、岩性特征等资料编制的。
编制时应注意下列事项:① 应严格反映地层的生成顺序,在地层柱状图上严格按上新下老的顺序,按时代逐层绘制。
② 按比例尺要求在图上厚度达lmm的岩层,原则上均应反应出来;对矿层、标志层或具有其它重要意义的岩层,即使在图上其厚度小于lmm时,也应适当夸大给予表示,对于重要性不大岩性相仿的岩层,可适当进行归并,对一些岩性单一、厚度极大的岩层,可用省略符号适当缩短其在柱状图上的长度(见图1第l层)。
③ 在柱状图上,地层的接触关系必须用规定的符号清楚地表示出来。
国际统一规定以“————”表示整合接触,“----------”表示假整合接触和“﹏﹏”表示不整合接触。
④ 地层剖面中如果有岩浆岩时,岩体与围岩的接触关系及岩浆活动的时代等,是否应反映出来,可视情况而定,如任务是研究地层,且没有影响地层的厚度时则可以不表示;但在钻孔柱状图等图件中,则必须表示。
(2)综合地层柱状图综合地层柱状图是一种综合性图件,它是根据整个工作地区若干个钻井或若干条地层剖面资料,经过综合整理后而编制成的;它是工作区内地层、岩性特征、厚度变化、岩相、古生物的变化等情况的总结;是区域地质资料的重要组成部分。
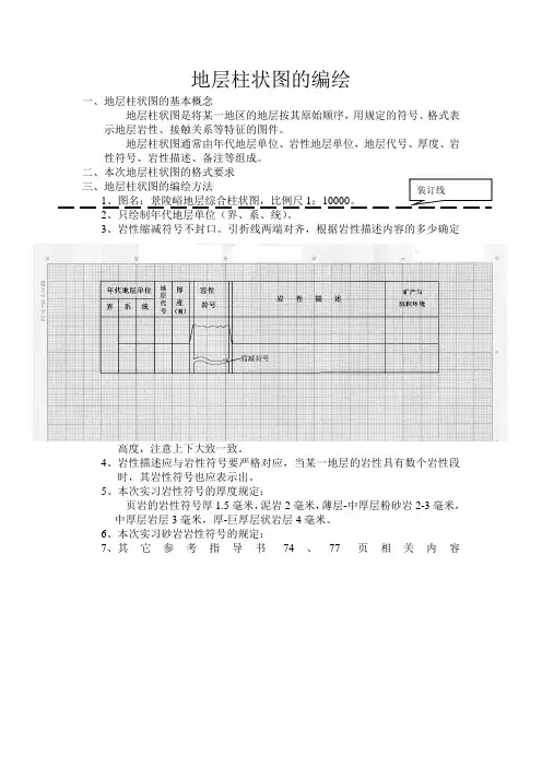
地层柱状图的编绘
一、地层柱状图的基本概念
地层柱状图是将某一地区的地层按其原始顺序,用规定的符号、格式表示地层岩性、接触关系等特征的图件。
地层柱状图通常由年代地层单位、岩性地层单位,地层代号、厚度、岩性符号、岩性描述、备注等组成。
3、岩性缩减符号不封口。
引折线两端对齐,根据岩性描述内容的多少确定高度,注意上下大致一致。
4、岩性描述应与岩性符号要严格对应,当某一地层的岩性具有数个岩性段时,其岩性符号也应表示出。
5、本次实习岩性符号的厚度规定:
页岩的岩性符号厚1.5毫米,泥岩2毫米,薄层-中厚层粉砂岩2-3毫米,中厚层岩层3毫米,厚-巨厚层状岩层4毫米。
6、本次实习砂岩岩性符号的规定:
7、其它参考指导书74、77页相关内容
8、。
实验七:编制地层综合柱状图作者:佚名文章来源:本站原创点击数: 1770 更新时间:2009-5-29一、目的要求1. 建立地层层序律的概念,熟悉地质年代表。
2. 了解地层柱状图的内容及意义,初步学会编制地层柱状图。
二、实验用品方格纸、直尺(或三角板)、铅笔、小刀与橡皮等。
三、实验内容1. 地层柱状图简介按一定比例尺和图例,将工作区地层自下而上(即从老到新)把各地层的岩性、厚度、接触关系等现象,用柱状图表的方式表示出来的图件,称地层柱状图或称柱状剖面图(图1)。
地层柱状图可分为一般地层柱状图和综合地层柱状图两类。
(1)一般地层柱状图一般地层柱状图习惯上简称地层柱状图。
它是一种原始地质图件,是根据一口钻井或一条地层剖面所确定的地层层序,地层厚度、岩性特征等资料编制的。
编制时应注意下列事项:① 应严格反映地层的生成顺序,在地层柱状图上严格按上新下老的顺序,按时代逐层绘制。
② 按比例尺要求在图上厚度达lmm的岩层,原则上均应反应出来;对矿层、标志层或具有其它重要意义的岩层,即使在图上其厚度小于lmm时,也应适当夸大给予表示,对于重要性不大岩性相仿的岩层,可适当进行归并,对一些岩性单一、厚度极大的岩层,可用省略符号适当缩短其在柱状图上的长度(见图1第l层)。
③ 在柱状图上,地层的接触关系必须用规定的符号清楚地表示出来。
国际统一规定以“————”表示整合接触,“----------”表示假整合接触和“﹏﹏”表示不整合接触。
④ 地层剖面中如果有岩浆岩时,岩体与围岩的接触关系及岩浆活动的时代等,是否应反映出来,可视情况而定,如任务是研究地层,且没有影响地层的厚度时则可以不表示;但在钻孔柱状图等图件中,则必须表示。
(2)综合地层柱状图综合地层柱状图是一种综合性图件,它是根据整个工作地区若干个钻井或若干条地层剖面资料,经过综合整理后而编制成的;它是工作区内地层、岩性特征、厚度变化、岩相、古生物的变化等情况的总结;是区域地质资料的重要组成部分。
这种图件有助于对该区地壳运动、岩浆活动及地质发展史的恢复。
综合地层柱状图的绘制方法与一般地层柱状图基本相同,但其各项内容均有综合色彩,故编图时除上述外,还需注意以下问题:① 柱状图上,不仅要表明各地层的基本岩性、岩相特征,而且要在文字中阐明其变化;对水文地质情况、含矿性等,应设专栏描述。
② 除在地层厚度栏内标注平均厚度外,不需注明最大和最小厚度,反映区内厚度的变化范围;在岩性描述时还应阐明各地层厚度在空间的变化情况与变化规律。
③ 在化石一栏中要详细列出确定地层时代的主要化石名称。
④ 必须用规定符号将工区内出露的岩浆岩体,绘画在柱状图相应的位置上。
图1 沙岗地区地层综合柱状图2.地层柱状图的格式地层柱状图应包括地层年代,地层名称、代号,柱状图(地层柱或岩性柱)、地层厚度、地层分层号,岩性描述等项目。
另外,根据图幅类型、工作目的、任务的不同,还可列出地层分布、化石名称、水文地质、工程地质、矿产位置等栏目。
因此,表格各栏目的宽度应按内容多少而定。
地层柱的宽度一般为2—3cm 为宜,若地层厚度大时可适当加宽。
分层号一栏应自下而上统一编号。
综合地层柱状图的格式,参见图1。
3.编制综合地层柱状图的方法与步骤(1)整理该区地层资料地层资料可通过搜集或实测而获得。
研究地层层位、厚度、岩性特征及其变化,作好并层和统一进行编号等工作。
(2)选取比例尺根据工作的精度和地层总厚度,选择适当的比例尺。
再按工作任务定出应表示的内容栏目,在方格纸上设计表格宽度,画好图框、表格纵线和图头(3)柱状图长度确定据地层总厚度按比例尺截取柱状图的长度,再从上至下或从下至上,逐层按累加厚度进行分层,并标注各单层厚度。
此时,应考虑到需省略、夸大与合并等地层的位置。
如果柱状图顶层为厚度较小的地层时(如第四系),为填写地层年代,可在该层上方适当地留空(见柱状图1第19层)。
图2 常见的岩性花纹与符号在编绘图件的过程中,要求做到内容准确、布局合理、线条清楚、字体工整、图面清洁美观。
(4)接触关系确定用规定符号在柱状图上表示各地层间不同类型的接触关系。
(5)花纹图案用规定的花纹与符号(图2)在柱状图上逐层填注其岩性与化石。
标注岩浆岩时应注意侵入岩与喷出岩有所不同,前者按其产状绘于相应地层的边缘(如图1第1层),而后者则与一般地层接触关系画法相同(如图1,第10、15,16层所示)。
(6)标注与描述标注地层年代、地层名称、地层代号、岩性描述等栏目。
岩性描述一栏要求简要地描述岩石特征,包括颜色、层厚、岩石名称、结构、构造和化石、矿产等。
(7)其他标注图名与比例尺,置于图框正上方。
在图框右下方绘制责任表,注明资料来源、编图者姓名和编图日期等。
在图框左下方绘制工区位置图并表示各剖面位置。
四、作业编制长江三峡地区地层综合柱状图。
比例尺选用1:10000。
地层资料如下:1. 震旦系下统(1)莲沱组厚50—247m,在莲沱典型剖面上厚102m,由莲沱镇向北东8公里至唐家坝该组尖灭,在长阳北部厚达300余m。
在黄陵背斜东南翼,它角度不整合于黑云母斜长花岗岩之上,在黄陵背斜西北翼角度不整合于崆岭群之上。
该组分为上下两部分:下部为紫红色厚层含砾石英砂岩、长石石英砂岩及石英砂岩;上部以紫红色、灰绿色细岩屑砂岩、长石砂岩和粉砂岩及流纹质晶屑玻屑凝灰岩为主。
总的趋势是碎屑岩从下到上粒级由粗变细。
含微古植物化石。
(2)南沱组厚度变化明显。
在王丰岗典型剖面上该组厚64m;在西南部姊归庙河一带厚117m,一般厚60—120m。
在黄陵背斜直接覆于莲沱组或崆岭群及黄陵花岗岩之上。
主要为一套暗绿、灰绿色夹紫红色冰碛泥砾岩。
砾石成分有花岗岩、片麻岩、片岩、千枚岩、大理岩、基性火山岩、含叠层石灰岩及脉石英等,表面有擦痕、刻痕、刻槽等,胶结物为泥砂质。
含微古植物化石。
上统(3)陡山沱组厚130-523m。
在田家园子典型剖面上厚230m,与下伏南沱组呈平行不整合接触。
自下而上分为四个岩性段:一段为中薄层灰、褐灰色细晶白云岩,底部为角砾状白云岩;二段为灰白色泥质白云岩夹黑色炭质页岩,在白云岩中常见有硅磷质结核,是我国南方重要含磷层位之一,靠近底部的灰岩透镜体中含海绵类化石;三段为中厚层细晶白云岩,含燧石结核和团块;四段为黑色炭质页岩夹泥质白云岩,含庙河生物群。
(4)灯影组与下伏陡山沱组连续沉积,自下而上可分为四个岩性段。
①蛤蟆井段:厚135m。
为一套灰白色硅质内碎屑白云岩夹白云岩和砾屑白云岩,顶部夹少量燧石条带或燧石团块。
含疑源类化石。
②石板滩段:厚148m。
黑色薄层含有机质细晶灰岩夹燧石条带或燧石团块。
含疑源类、文德带藻化石等。
③白马沱段:厚390m。
为浅灰、灰白色块状细晶白云岩、硅质白云岩夹燧石条带或团块,顶部鸟眼构造发育。
底部产蠕虫动物化石及大量微古植物。
④天柱山段:厚0.7—5m。
纹层状微晶白云岩、泥质白云岩、内碎屑白云岩夹不规则的硅磷质条带。
上部产丰富的多门类小壳动物化石;下部产遗迹化石,其时代属寒武纪早期。
2. 寒武系三峡地区的寒武系广泛分布于黄陵背斜及长阳背斜周缘,出露完整,构造简单,其中黄陵背斜东翼的寒武系一直是我国南方寒武系划分对比的标准之一。
下统(1)水井沱组厚24—80m。
下部为黑色炭质页岩、黑色页岩夹白云质灰岩透镜体或薄层灰岩;上部为灰黑色薄层灰岩与黑色、灰黑色薄板状泥灰岩或含灰质页岩互层。
富含三叶虫化石,如Hupeidiscus(湖北盘虫),以及腕足类、海绵古针、软舌螺等。
(2)石牌组厚158—301m。
为黄绿、灰绿色砂质页岩、粉砂岩夹薄层灰岩或鲕状灰岩。
产三叶虫:Redlichia(莱得利基虫)、Palaeolenus(古油栉虫),及腕足类化石等。
(3)天河板组厚81—100m。
由深灰色、灰黑色薄至中厚层泥质条带灰岩夹鲕状灰岩和豆状灰岩组成,上部夹少量粉砂质页岩。
产三叶虫:Megapalaeolenus(大油栉虫)、古杯类及少量腕足类化石。
(4)石龙洞组厚106—129m。
石龙洞一名来自宜昌石牌附近一岩溶洞,内有因喀斯特作用而塑造的所谓“宜昌石龙”而得名。
由褐灰色、灰色和灰白色厚层至块状白云岩、灰质白云岩组成。
中统(5)覃家庙群根据岩性特征分为二组,自下而上:①磕膝包组:厚107m。
为灰色、灰白色薄至中厚层白云岩,波痕发育。
下部白云岩中常含硅质条带或结核;上部含石膏和石盐假晶。
产三叶虫Anomocarella(小无肩虫)和腕足类化石。
②官山垴组:厚129—166m。
底部为一层薄层—中厚层长石石英砂岩;下部为薄层白云岩与薄层泥质白云岩互层;上部为中厚层白云岩夹薄层泥质白云岩,含叠层石。
上统(6)三游洞群厚678m。
可进一步划分为二组:新坪组、雾渡河组。
岩性主要为厚层至块状白云岩、白云质灰岩及少量灰岩,局部具硅质条带,化石稀少。
时代为中寒武世晚期至晚寒武世。
2. 奥陶系下统(1)南津关组厚114m。
根据岩性组合可分三段:下部灰岩段(厚24m),中部白云岩段(45m),上部灰岩段(45m)。
其中,下段底部产笔石:Dictyonema(网格笔石),三叶虫:Asaphellus(小栉虫)、Dactylocephalus(指纹头虫),腕足类和头足类化石。
(2)分乡组厚53m。
以黄绿色页岩出现为标志与下伏南津关组区分。
由灰岩夹页岩组成,各门类化石丰富,主要有笔石:Acanthograptus(刺笔石),三叶虫:Tungtzuella(桐梓虫)、Asaphopsis (栉壳虫)等。
(3)红花园组厚24.2m,岩性较单一,一般为黑灰色厚层至巨厚层灰岩,以产丰富的头足类、海绵类为特点,偶尔夹有少许黄绿色薄层页岩。
其中有头足类:Coreanoceras(朝鲜角石)、Manchuroceras (东北角石)。
(3)大湾组厚63.2m。
该组化石异常丰富,按岩性可分为上、中、下三个岩段:下段:浅灰、灰绿色薄层至中层瘤状生物灰岩,夹少许黄绿色、灰绿色泥岩,厚22.1m。
化石丰富。
产笔石:Didymograptus(对笔石)、Phyllograptus(叶笔石)、Azygograptus (断笔石);腕足类:Yangtzeella(扬子贝)、Sinorithis(中华正形贝);三叶虫等。
中段:紫红、少许灰绿色薄层至中层灰岩。
厚13.1m。
产头足类:Protocycloceras(前环角石)、Chisiloceras(吉赛尔角石)、Dideroceras(长颈角石)等。
上段:黄绿、灰绿色薄层至中层瘤状生物灰岩,夹少许灰绿或黄绿色泥岩,厚28m。
化石极为丰富,主要有笔石:Glyptograptus(雕笔石)、Tetragraptus(四笔石);头足类:Protocycloceras(前环角石)、Chisiloceras(吉赛尔角石)、Dideroceras(长颈角石)、Michelinoceras(米契林角石);腕足类:Martellia(马特贝)、Yangtzeella(扬子贝)等。