第九章 柱状图与地质剖面图
- 格式:ppt
- 大小:31.50 KB
- 文档页数:1
第九章实测地质剖面第一节实测剖面的目的及剖面位置的选择在某一地段内,沿一定方位实际测量和编制地质剖面图是一项重要的基础地质研究工作,也是对工作区内地层时代、层序、岩性特征、厚度、古生物演化特征、含矿层位和接触关系等进行综合研究的手段。
在实测剖面工作中,凡是剖面线所经过的所有地质现象都要进行观察描述;各种地质数据和资料都要进行测量和收集;所涉及的地质问题都要详细进行研究。
包括沿剖面线的地形变化;各时代地层的岩性特征及厚度;古生物化石层位及所含化石的种属特点;地层的接触关系;系统采集岩石标本及化石标本,采集各种分析样品待室内进行分析研究;有时要有专门人员进行地球物理及放射性测量等项工作。
在此基础上,进行该区地质发展史的研究,以恢复古地理、古气候的特征,推断地壳运动的时期及特点,通过不同地质剖面的对比,研究同一时期不同地区的地质环境的变化等等。
因此许多专门性的研究工作也都要通过实测一定数量的地质剖面来完成。
在地质测量工作中,通过实测剖面系统掌握测区内上述资料的基础上,详细而准确地划分地层,确定填图单位,明确分层标志,为顺利开展地质测量作好基础工作。
在踏勘测区的基础上,选择几条典型的剖面进行实测和研究,是地质测量工作的重要内容。
为了使实测剖面顺利而有效地进行,选择好剖面线的位置是很重要的。
选择剖面线有以下几点要求:1.剖面线要通过区内所有地层,也就是说,在剖面线最短的情况下,通过的地层越全越好。
剖面线应尽可能垂直于岩层走向。
有时一条剖面不能包括所有地层,这时可分几个剖面进行测量,然后综合成一个连续剖面。
所测每一时代地层最好要有顶面和底面,选择发育好、厚度最大的地段。
以解决地层问题为目的的剖面,最好选择结构比较简单,尽可能不受断层、褶皱及岩体干扰的剖面。
如果以解决构造问题为主,所选剖面应反映测区的主要构造特征,剖面线要垂直主要的褶皱轴线和断层走向。
2.剖面线经过地段露头要好,尽可能选择连续山脊或沟谷。
避开障碍物,减少平移。
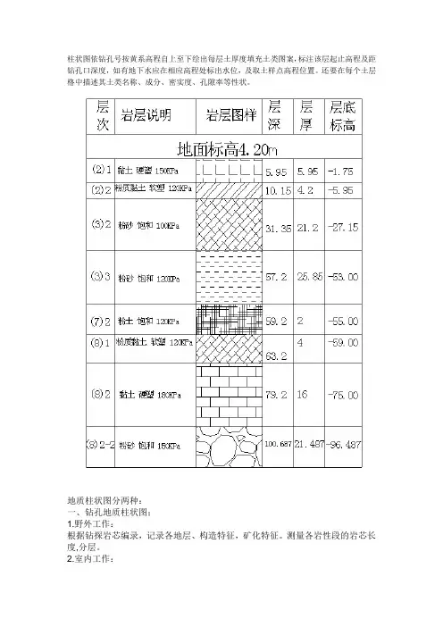
柱状图依钻孔号按黄系高程自上至下绘出每层土厚度填充土类图案,标注该层起止高程及距钻孔口深度,如有地下水应在相应高程处标出水位,及取土样点高程位置。
还要在每个土层格中描述其土类名称、成分、密实度、孔隙率等性状。
地质柱状图分两种:一、钻孔地质柱状图;1.野外工作:根据钻探岩芯编录,记录各地层、构造特征,矿化特征。
测量各岩性段的岩芯长度,分层。
2.室内工作:根据各回次按比例尺做图,钻孔柱状图一般为1:200,标明各地层代号,分层,矿段,根据各种图例画图,编写岩性、构造、含水等描述,填写责任表等。
写图名。
二、实测地质柱状图,要先测地质剖面图:1.室外工作:选定工作地区地层出露较完整地段,进行实测。
详细记录收集:地层、构造产状、分层依据,寻找化石和各地层(含岩浆岩,变质岩)的基本特征,着重含矿地层的描述,记录剖面线的方位、各测段的坡角、地质构造、地层特征描述。
2.室内工作:换算地层、构造的假(视)倾角,计算测线水平距离,计算各地层的真厚度。
a.做地质剖面:按照所需的比例尺换算,根据坡角,水平距离做出测线的地形,根据视倾角做出地层分界线,画图例,标上地层代号。
b.做地质柱状图:取一张厘米纸,按照所需要的比例尺(实测地质柱状图的比例尺一般为1:500),地层从新到老往下做(新地层在上,老地层在下),岩浆岩从最底下往边上画,根据各地质队规定的图例,标上图例,标明地质年代代号,各地层厚度,地质特征描述等,写图名。
填写责任表:写上图名、做图日期、比例尺、负责人、做图人签名。
图做完成了后,编写一份地质报告。
这是简单的做图过程,要地质专业的人士才能做和看,其中牵涉到很多地质专业知识,我找了十多年的矿,做过很多剖面图和柱状图,也没有答得很完整。
地质(dìzhì)剖面图的基本概念及制作方法一.目的(mùdì)1.了解地质剖面图的基本概念,学会(xuéhuì)编制地质剖面图。
2.掌握(zhǎngwò)不整合在剖面图及平面图上的表现特点。
二.实习(shíxǐ)内容(一)地质剖面图的基本概念1)地质剖面图的定义:用规定的符号、花纹和颜色按一定的比例,沿一定的方向,表示一定的距离内,地下一定深度内地质现象的图件。
地质剖面图分为实测剖面、信手剖面与图切剖面,但目前我们就了解两种。
2)地质剖面图的组成:地质剖面图由图名、比例尺(水平和垂直比例尺)、剖面方位、图例、责任表等组成。
(二)地质剖面图的编制方法1)剖面线的选择:为了更好地反映图内的构造特征,剖面线应尽量选择垂直于地层走向、构造线方向,以及地层出露最完整,构造最清晰的地段。
2)剖面基线的选择:所谓的剖面基线是指剖面所反映深度的一条基准线。
剖面基线的确定主要根据剖面线地形的起伏,比例尺的大小而定。
3)绘制剖面地形曲线。
4)投影地质界线5)剖面方向与倾向夹角:ε=A(倾向)—C(剖面方向)6)根据岩层产状勾绘地质界线(先不整合面以上的新地层,再不整合面以下的老地层)7)整饰图件:图名、方位、图例、颜色等的标注,各单元的合理布置。
一幅标准的剖面图各单元组成及布置如下。
见插图6。
(三)不整合(zhěnɡ hé)在地质图上的特点1.平行(píngxíng)不整合平行不整合在平面图上不整合线与新、老地层界线平行或重合(chónghé),不整合面的产状与新、老地层产状相同。
在平面图上用实线加虚线(新地层一端)表示,剖面图上用虚线表示。
2.角度(jiǎodù)不整合角度(jiǎodù)不整合在地质图与剖面图上的特点分两种情况:1)当新、老地层的倾角不同,倾向大致相同时,不整合面(或界线)在平面图上与新、老地层大致平行,剖面图上与新地层平行、与老地层斜切。
课题:理正工程地质勘察柱状图与剖面图输出实训教学目标之间的衔接关系。
2掌握理正工程地质勘察柱状图与剖面图输出实训操作步骤。
3培养学生对工程地质课程的学习兴趣。
教学重难点1工程地质勘察软件和计算机辅助制图软件CAD之间的衔接关系。
2理正工程地质勘察柱状图与剖面图输出实训的应用。
教学过程一、图形输出,首先我们要翻开CAD程序,好,现在我们已经翻开了CAD程序,这个时候,我们就要把CAD连接到我们的工程勘察软件里面来,那么,在我们的工程勘察这个软件里面,我们就找到CAD工具,在下面选择连接到CAD,好,这里面,我们又可以看到我们已经翻开的CAD软件,在他的右边,我们还可以看到勘察CAD这块的提示,下面又平面图,分析评估,剖面图,柱状图等等,这里面就表示,我们已经把我们的CAD软件和我们的勘察软件连接成功。
好,这个时候我们就可以生成我们的图件了,包括平面图,剖面图,柱状图,还包括原位曲线,室内曲线。
二、我们首先生成柱状图,好,在柱状图下面,我们选择生成单孔柱状,好,进入我们的钻孔柱状图对话框,在这个对话框里面,我们首先选择钻孔柱状的类型,我们一般用默认的比方土层钻孔柱状图就可以了,如果要生成这个动态柱状图,也可以选择动态柱状图,好,类型下面就是我们的选项,这个选项包括比例,列宽的取值,纸张类型,出图颜色,图例填充的比例,互层的高度,图号的前缀,图号的起始编号,在这里面,我们一般要进行比例的设置,图例填充的比例,图号的起始编号,好,这里面的选项设置完成之后,我们就可以进行列项选择,在列项选择对话框里面,我们可以看到,左边是我们待选的选项,右边这一栏是我们已经选的选项,我们如果要选择待选的列项,那么我们就可以点击他,然后根据提示我们可以把他拖到右边已选列项上来,我们也可以把多余的已选列项删除,也是选中他,用拖曳的方式把他拖回来,另外,我们还可以在已选的列项里面改变他的顺序,比方,我们现在要把层底高程这个列项放到层底深度的列项下面来,我们选择他,并拖动这个顺序就做了交换,好,列项设置这块我们就可以这样进行设置,设置完成之后点击确定又回到我们的钻孔柱状图这个对话框上面来。
地质地形图的种类及其识别方法一、地质图的种类和基本内容用规定的符号、线条、色彩来反映一个地区地质条件和地质历史发展的图件,叫地质图。
它是依据野外探明和收集的各种地质勘测资料,按一定比例投影在地形底图上编制而成的,是地质勘察工作的主要成果之一。
(一)地质图的种类1、普通地质图以一定比例尺的地形图为底图,反映一个地区的地形、地层岩性、地质构造、地壳运动及地质发展历史的基本图件,称为普通地质图,简称地质图。
在一张普通地质图上,除了地质平面图(主图)外,一般还有一个或两个地质剖面图和综合地层柱状图,普通地质图是编制其它专门性地质图的基本图件。
按工作的详细程度和工作阶段不同,地质图可分为大比例尺的(>1:25000)、中比例尺的〔1:5000~1:10万〕、小比例尺的(1:20万~1:100万)。
在工程建设中,一般是大比例尺的地质图。
2、地貌及第四纪地质图以一定比例尺地地形图为底图,主要反映一个地区的第四纪沉积层的成因类型、岩性及其形成时代、地貌单元的类型和形态特征的一种专门性地质图,称为地貌及第四纪地质图。
3、水文地质图以一定比例尺地地形图为底图,反映一个地区总的水文地质条件或某一个水文地质条件及地下水的形成、分布规律的地质图件,称为水文地质图。
4、工程地质图工程地质图是各种工程建筑物专用的地质图,如房屋建筑工程地质图、水库坝址工程地质图、铁路工程地质图等。
工程地质图一般是以普通地质图为基础,只是增添了各种与工程有关的工程地质内容。
如在地下洞室纵断面工程地质图上,要表示出围岩的类别、地下水量、影响地下洞室稳定性的各种地质因素等。
(二)地质图的基本内容1、平面地质图平面地质图又称为主图,是地质图的主体部分,主要包括:地理概况:图区所在的地理位置(经纬度、坐标线)、主要居民点(城镇、乡村所在地)、地形、地貌特征等。
一般地质现象:地层、岩性、产状、断层等。
特殊地质现象:崩塌、滑坡,泥石流、喀斯特、泉及主要蚀变现象。
感激下载地质图一.地质图的种类和根本内容用划定的符号.线条.色彩来反应一个地区地质前提和地质汗青成长的图件,叫地质图.它是根据野外探明和收集的各类地质勘测材料,按必定比例投影在地形底图上编制而成的,是地质勘探工作的重要成果之一.(一)地质图的种类1.通俗地质图以必定比例尺的地形图为底图,反应一个地区的地形.地层岩性.地质结构.地壳活动及地质成长汗青的根本图件,称为通俗地质图,简称地质图.在一张通俗地质图上,除了地质平面图(主图)外,一般还有一个或两个地质剖面图和分解地层柱状图,通俗地质图是编制其它专门性地质图的根本图件.按工作的具体程度和工作阶段不合,地质图可分为大比例尺的(>1:25000).中比例尺的〔1:5000~1:10万〕.小比例尺的(1:20万~1:100万).在工程扶植中,一般是大比例尺的地质图.缺地质图2.地貌及第四纪地质图以必定比例尺地地形图为底图,重要反应一个地区的第四纪沉积层的成因类型.岩性及其形成时期.地貌单元的类型和形态特点的一种专门性地质图,称为地貌及第四纪地质图.3.水文地质图以必定比例尺地地形图为底图,反应一个地区总的水文地质前提或某一个水文地质前提及地下水的形成.散布纪律的地质图件,称为水文地质图.水文地质图4.工程地质图工程地质图是各类工程建筑物专用的地质图,如衡宇建筑工程地质图.水库坝址工程地质图.铁路工程地质图等.工程地质图一般是以通俗地质图为基本,只是增加了各类与工程有关的工程地质内容.如在地下洞室纵断面工程地质图上,要暗示出围岩的类别.地下水量.影响地下洞室稳固性的各类地质身分等.(二)地质图的根本内容1.平面地质图平面地质图又称为主图,是地质图的主体部分,重要包含:地理概况:图区地点的地理地位(经纬度.坐标线).重要居平易近点(城镇.村庄地点地).地形.地貌特点等.一般地质现象:地层.岩性.产状.断层等.特别地质现象:崩塌.滑坡,泥石流.喀斯特.泉及重要蚀变现象.2.地质剖面图在平面图上,选择一条至数条有代表性的图切剖面,以暗示岩性.褶皱.断层的空间展布形态及产状.地貌特点等..地质剖面图3.分解柱状图重要暗示平面图区内的地层层序.厚度.岩性变更及接触关系等.4.比例尺解释比例尺的大小,用数字:1:×××;也可用尺标:5.图例重要解释地质图中所用线条符号和色彩的寄义,按照沉积地层层序.岩浆岩.地质结构和其它地质现象的次序分列.6.义务栏(图签) 解释地质图的编制单位.图名.图号.比例尺.编审人员.成图日期等,便于查找.二.地质前提在地质图上的暗示(一)地层岩性的暗示地层岩性在地质图上是经由过程地层分界限.地层年月代号.岩性符号和色彩,并合营图例解释来暗示的.1.第四纪松散沉积层外形不规矩,但有必定的纪律性,大多在河谷斜坡.盆地边沿.平原与山地接壤处,大致沿山麓等高线延长.2.岩浆侵入体的界限外形最不规矩,也无纪律可循,需根据实地情形测绘.3.层状岩层的界限(1)程度岩层,程度岩层的产状与地形等高平行或重合,呈关闭的曲线.(2)竖立岩层,竖立岩层的地层界限不受地形的影响,呈直线沿岩层的走向延长,并与地形等高线直交.(3)竖直岩层有三种不合的情形:岩层偏向与地形坡向相反时,地层界限的曲折偏向(“V”字形曲折尖端)和地形等高线的曲折偏向雷同,但地层界限的曲折程度比地形等高线的曲折度小.岩层偏向与地形坡向雷同,并且倾角小于地面坡角时,地层分界限的曲折偏向与地形等高线的曲折偏向雷同,但地层界限的曲折度比地形等高线的曲折度大.岩层偏向与地形坡向雷同,并且倾角大于坡角时,地层分界限的曲折偏向与地形等高线的曲折偏向相反.(二)岩层产状的暗示程度岩层竖立岩层,箭头指向较新地层.竖直岩层,长线代表走向.短线代表偏向,数字代表倾角的度数.倒转岩层,长线代表走向.弯线代表倒转后岩层偏向.箭头指向老岩层,数字代表倾角度数.(三)岩层接触关系的暗示1.层状岩层间的接触关系(1)整合接触:在地质图上表示为两套地层的界限大体平行,较新的地层只与一个较老地层相邻接触,且地层年月持续.(2)平行不整合接触(假整合接触):在地质图上表示为两套地层的界限大体平行,较新的地层也只与一个较老地层相邻接触,但地层年月不持续.(3)角度不整合接触(不整合接触):在地质图上表示为两套地层的界限不服行,呈角度交截,一种较新的地层同多个较老地层相邻接触,产状不合,地层年月不持续.2.岩浆岩侵入体与围岩的接触关系(1)侵入接触:在地质图上表示为沉积岩的界限被岩浆岩界限截断.(2)沉积接触:在地质图上表示为岩浆岩的界限被沉积岩界限截断.沉积接触(四)褶皱的暗示褶皱在地质图上重要经由过程地层的散布纪律.年月新老关系和岩层产状分解暗示出来,为了凸起褶皱轴部的地位及褶皱的形态类型,在地质结构图上,常在褶皱核部地层的中心,用下列符号加重暗示:背斜倒转背斜向斜倒转向斜(五)断层的暗示在断层出露地位,在黑色地质图上经常应用红线.在诟谇地质图上用粗黑线符号暗示:代表正断层,长线代表断层出露地位和断层线延长偏向,带箭头的短线代表断层面的偏向,数字为断层面倾角,不带箭头的双短线地点的一侧为断层的降低盘.代表逆断层,符号与上同.代表平移断层,箭头代表本盘相对滑动的偏向,短线代表断层面偏向,度数暗示断层面的倾角.三.浏览剖析地质图-读图步调1.比例尺:各类地质图都有必定的精度,从比例尺大小就可以看出,比例尺越大,内容越具体,地质现象表达的就越清晰,同时也可根据比例尺,盘算该图区的面积.2.图例:平面图.剖面图.柱状图的地层图例(符号.色彩.线条等)都是一致的,此外还有结构图例(包含产状.褶皱.断裂).地貌.天然地质感化的图例(滑坡.岩溶)等.3.地貌:懂得地形升沉,山水.河道水系的散布等,并联合剖析第四纪地层的散布.4.地层散布和岩性:区内消失的地层时期.岩性.产状等.5.结构:断层.褶皱的类型.范围.散布和性质,本区的结构线走向6.不良地质:滑坡.崩塌.岩溶等.7.地史剖析8.评价:根据图内表示的地质前提,可对建筑物场地的工程地质前提进行初步评价,并可提出进一步勘探工作的看法.四.地质剖面图的绘制(一)程度岩层地质剖面图的绘制办法与步调1.选择剖面线2.肯定剖面制图比例尺3.切制地形剖面4.勾绘地质界限5.标注斑纹.代号6.整饰图件(二)竖直岩层地质剖面图的绘制在竖直岩层地区地质图上切制地质剖面图,其作图办法大体上与程度岩层地区地质剖面图的切制办法雷同,但应留意下列几个方面的问题:1.选择剖面线之前要细心浏览和剖析地质图,懂得图幅内各地层的时期.层序.产状.散布及其与地形升沉和散布的关系.剖面线偏向应尽可能垂直区域地层走向,且经由过程所有地层及地层升沉最大地段.剖面选好后需在地质图上注明地位和编号.2.地质剖面图的比例尺一般要与地形图雷同,如需放大,则程度比例尺也一致放大,防止曲解剖面地形和岩层倾角.如在特别情形下,也可只放大垂直比例尺,但要变换岩层倾角.3.当剖面线偏向与岩层走向垂直或根本垂直时,剖面图上的岩层界限按真倾角绘制.若剖面线偏向与岩层走向不垂直,二者所夹锐角<80°时,剖面图上岩层界限应按视倾角绘制.4.在地质剖面图上用划定的图例将不整合明白暗示出来.此外,在画角度不整合结构时,要先画不整合面以上岩层,后画不整合面以下岩层(三)褶皱地区地质剖面图的绘制根据褶皱地区地质图切制地质剖面图的步折衷办法,与切制程度岩层及竖直岩层地质剖面图基底细同,但需留意以下几个方面的问题.1.剖析图区地形和结构特点作图前应细心浏览地质图,剖析图幅内构成褶皱结构的地层,褶皱的展布偏向和形态特点,次级结构.断层及岩浆活动情形,以及结构.岩性与地形升沉的关系等问题,作到心中稀有.2.选择剖面线剖面线尽可能垂直皱褶轴线偏向,并经由过程全褶皱结构重要褶皱结构.3.具体绘制办法在前提不合的情形下,褶皱地区地质剖面图的作图办法也不雷同.(1)地质图上无地形等高线且褶皱岩层的厚度及产状无具体记录时,在这种情形下,地质剖面图的作图办法如下.Ⅰ)假定地面程度,则地形剖面线可用程度线代替.Ⅱ)在地质图上选择一层出露次数最多的地层,并以它在地质图上的最小露头宽度作为其地层的厚度.Ⅲ)在地质剖面图上,以所选地层上层面与剖面线的交点为圆心,以它在地质图上的最小露头宽度为半径画弧,从该地层基层面分界点起引此圆弧的切线,则此切线即为该地层的基层面界限.用这种办法得出该地层在剖面上所有露头点的底面界限后,再用滑腻曲线将该岩层各底面界限界限衔接起来,即画出该地层的褶皱形态.Ⅳ)剖面上所切过的其它地层界限露头点,可按照上述褶皱形态依次勾绘出这些地层界限,即绘制出全部地质剖面.在前提不合的情形下,褶皱地区地质剖面图的作图办法也不雷同.(2).当地质图上有地形等高线且岩层厚度及岩层产状均有较具体记录时,地质剖面图的编制办法与程度岩层地区及竖直岩层地区地质剖面图的编制办法基底细同.在作图时要留意以下几个问题:Ⅲ)剖面线切过褶皱岩层,当发明褶曲一翼仅有局部地段的岩层产状不调和时,应在保持岩层厚度不变的情形下,将局部较陡或较缓的岩层向深部加以修正,使之慢慢与岩层重要产状一致.Ⅳ)当应用的地形地质图比例尺较小,采取编构法编制地质剖面图.当应用的是大比例尺地形地质图,可直接根据现实材料或深部的工程掌握所取得的确实材料,进行编联地质界限及勾绘褶皱形态.Ⅰ)在绘制褶曲转折端时,可根据褶曲岩层产状的变更趋向来勾绘.Ⅱ)当剖面切过不整合界限时,可在地质剖面图上先画出不整合面以上的结构形态,然后再画不整合面以下的结构形态.。
感谢下载地质图一、地质图的种类和基本内容用规定的符号、线条、色彩来反映一个地区地质条件和地质历史发展的图件,叫地质图。
它是依据野外探明和收集的各种地质勘测资料,按一定比例投影在地形底图上编制而成的,是地质勘察工作的主要成果之一。
(一)地质图的种类1、普通地质图以一定比例尺的地形图为底图,反映一个地区的地形、地层岩性、地质构造、地壳运动及地质发展历史的基本图件,称为普通地质图,简称地质图。
在一张普通地质图上,除了地质平面图(主图)外,一般还有一个或两个地质剖面图和综合地层柱状图,普通地质图是编制其它专门性地质图的基本图件。
按工作的详细程度和工作阶段不同,地质图可分为大比例尺的(>1:25000)、中比例尺的〔1:5000~1:10万〕、小比例尺的(1:20万~1:100万)。
在工程建设中,一般是大比例尺的地质图。
缺地质图2、地貌及第四纪地质图以一定比例尺地地形图为底图,主要反映一个地区的第四纪沉积层的成因类型、岩性及其形成时代、地貌单元的类型和形态特征的一种专门性地质图,称为地貌及第四纪地质图。
3、水文地质图以一定比例尺地地形图为底图,反映一个地区总的水文地质条件或某一个水文地质条件及地下水的形成、分布规律的地质图件,称为水文地质图。
水文地质图4、工程地质图工程地质图是各种工程建筑物专用的地质图,如房屋建筑工程地质图、水库坝址工程地质图、铁路工程地质图等。
工程地质图一般是以普通地质图为基础,只是增添了各种与工程有关的工程地质内容。
如在地下洞室纵断面工程地质图上,要表示出围岩的类别、地下水量、影响地下洞室稳定性的各种地质因素等。
(二)地质图的基本内容1、平面地质图平面地质图又称为主图,是地质图的主体部分,主要包括:地理概况:图区所在的地理位置(经纬度、坐标线)、主要居民点(城镇、乡村所在地)、地形、地貌特征等。
一般地质现象:地层、岩性、产状、断层等。
特殊地质现象:崩塌、滑坡,泥石流、喀斯特、泉及主要蚀变现象。