液压式万能材料试验机
- 格式:doc
- 大小:538.86 KB
- 文档页数:3
实验一万能试验机的构造与操作概述测定材料的力学性能的主要设备是材料试验机。
常用的材料试验机有拉力试验机、压力试验机、扭转试验机、冲击试验机、疲劳试验机等。
能兼作拉伸、压缩、剪切、弯曲等多种实验的试验机称为万能材料试验机。
根据加力的性质可分为静荷试验机和动荷试验机。
供静力实验用的万能材料试验机有液压式、机械式、电子式等类型。
本实验着重了解和掌握液压式和电子式两种类型的万能材料试验机。
通过该实验,要求学生:(1)了解万能试验机的构造和工作原理;(2)学会试件的安装、测力度盘指针的调零和量程的选取;(3)掌握操作规程,学会独立操作万能试验机。
一、液压式万能材料试验机图1液压式万能材料试验机结构简图为介绍液压式万能材料试验机,现以国产WE系列为例。
图1为这一系列中最常见的WE-100A、300、600试验机的结构简图。
现分别介绍其加载系统和测力系统。
(一)加载系统在底座1上由两根固定立柱5和固定横梁12组成承载框架。
工作油缸13固定于框架上。
在工作油缸的工作活塞14上,支承着由上横梁15、活动立柱10和活动平台8组成的活动框架。
当油泵35启动时,油液通过送油阀16,经送油管17进入工作油缸,把工作活塞连同活动平台一同顶起。
这样,如把试样安装于上夹头7和下夹头6之间,由于下夹头固定,上夹头随活动平台上升,试样将受到拉伸。
若把试样置放于两个承压垫板11之间,或将受弯试样置放于两个弯曲支座9上,则因固定横梁不动而活动平台上升,试样将分别受到压缩或弯曲。
此外,实验开始前如欲调整上、下夹头之间的距离,则可开动调位电机3,驱动螺杆4,便可使下夹头上升或下降。
但调位电机不能用来给试样施加拉力。
(二)测力系统加载时,开动油泵电机,打开送油阀16,油泵把油液送入工作油缸13顶起工作活塞14给试样加载;同时,油液经回油管18及测力油管33(这时回油阀19是关闭的,油液不能流回油箱34),进入测力油缸32,压迫测力活塞31、使它带动拉杆27向下移动,,从而迫使摆杆28和摆锤29连同推杆25绕支点偏转。
液压式万能试验机操作规程1.前言液压式万能试验机是一种用于材料的物理力学性能试验的设备。
通过对材料的拉伸、压缩、弯曲等试验,获得材料的力学性能参数,如弹性模量、屈服强度、断裂强度等。
为确保试验结果的可靠性和安全性,需要严格遵守设备操作规程。
2.设备及其构成液压式万能试验机主要由下列部分组成:•试验机底座•试验机立柱•测力传感器•控制系统•试验夹具其中,测力传感器和控制系统是液压式万能试验机的核心部分,测力传感器用于测量试件的力学性能参数,而控制系统则用于对试验机进行控制。
3.操作规程3.1 安全前提条件在进行试验前,请务必保证以下条件的确立:•设备处于正常工作状态。
•试验机底固定牢固,楼面承重能力满足试验负载条件。
•试验夹具和测力传感器的安装准确、牢固。
•试件材料符合试验标准,无损伤或破坏。
•操作人员已经熟知试验操作规程,并且具备相关技能和经验。
•试验现场干燥,无明火。
3.2 试验前操作•打开试验机电源,待机操作时间为3-5分钟。
•按照试验标准要求,选择试验参数并进行合理设置。
•将试件放置于试验夹具中,对试件进行牢固固定。
•检查试件位置和夹具位置是否正确、合适,采用人工测力计校准测力传感器,确保测力准确。
•将宏机软件启动,打开试验软件界面。
选择对应的试验模式和参数,对试验机进行控制。
3.3 试验中操作在试验过程中,请务必保持专注和高度的警惕,严格按照试验操作流程进行操作。
同时,还需注意以下几点:•严格按照试验标准要求进行操作,不得进行非试验操作。
•试验过程中不得随意离开现场,如有特殊情况需离开,请停止试验操作。
•实时关注试验机运行状态,如发现异常现象,请立即停止试验操作并及时检查。
•试验过程中严禁发生交谈、走动或者来访等其他人员干扰。
•试验完成后,及时关机、清理试验现场。
3.4 试验后操作•将试验机处于关机状态。
•将试验数据及时保存。
•对试验机进行清洗和维修。
•将试验操作记录及时整理。
4.安全措施为保障设备操作人员的身体和设备的安全,同时确保试验的结果准确和可靠,设备操作人员需要注意以下安全措施:•在设备操作过程中,严禁穿着宽松、长袖、长裤、吊带和高跟鞋等不便于操作的服饰。
实验一材料力学万能试验机的认识一、液压式材料万能试验机图1为油压式万能试验机,利用油压加力,可作拉伸、压缩、剪切、弯曲等实验。
1.构造原理:图1为万能试验机的构造原理图,分为加力、测力、自动绘图三个部分。
(1)加载系统:加载系统由油箱、油缸、工作台、机座等组成。
机座14、光滑立柱7及上横梁6固定不动,开动马达后,油泵将油经过送油阀17和油管③送至工作油缸内,推动活塞5 带动工作台11上升。
若试件放在工作台11上,则受压缩。
试件受力的大小与油压的大小成正比关系。
(2)测力系统:测力为重摆平衡式。
试件受力后,油缸内油压逐渐增加,高压油经油管④ ⑤进入到测力油缸(28) rt,使测力活塞(27)向下移动,通过连杆(26),使摆锤摆起, 推动齿杆(21)带动齿轮(15),即可使指针转动,从而由示力盘上得到相应的载荷。
更换摆锤重量,即可得到不同的测力范围。
(3)绘图系统:记录仪。
图1万能试验机结构原理图L马达2.上支架3.螺杆4.工作油缸5.活塞6.上横梁7.光滑立柱S.压板9.支座10.夹头1L工作台12.夹头1 3 .手柄1 4 .机座1 5 .齿轮1 6 .指针1 7 .送油阀1 S .油泵1 9 .马达2 0 .度盘2 1 .齿杆22.推杆23.回油阀24.摆杆25.平衡锤26.连杆27.测力活塞28.测力油缸29.油箱30.摆锤2.操作方法:① 选择力盘。
根据试件尺寸和实验要求,选择合适的测力范围,加上相应的摆锤。
②选择合适的夹具及其附件。
③调整零点:开启马达,将油打入工作油缸,使工作台稍微升起,以平衡掉工作台自重,然后旋转齿杆21,使示力盘指针指零。
④ 安装试件。
作压缩实验,试件放在工作台的中心:如果作拉伸实验,则将试件夹入上、下夹头12、10中。
⑤调整好自动绘图装置。
⑥加载实验。
加载前检查各油阀是否关闭,然后开动马达,微开送油阀,缓慢加载。
⑦卸载。
实验完毕后,打开回油阀退油,关闭电门。
3.注意事项①开马达前,应将送油阀,回油阀都关闭。
液压式万能试验机操作规程液压式万能试验机是一种广泛应用于各种材料性能测试的仪器设备。
其优点在于结构简单,操作方便,且具有高精度、高稳定性等特点。
为了确保试验数据的准确性和安全性,我们需要遵守严格的操作规程。
下面是液压式万能试验机操作规程的详细说明。
一、试验前的准备工作1、试验前应检查试验机的各项参数是否正常,包括电气、机械和液压等系统,发现异常问题及时修复。
2、选择适当的试验夹具和附属装置,保证试样的准确性、可靠性和稳定性,并严格按照试验要求进行校验和标定。
3、将试样安装好并调整好试验夹具,确保试样与夹具之间的间隙均匀且舒适,对试样进行必要的预负载和预拉伸。
4、根据试验要求设置相应的试验参数和采样速度,确保试验的精度、准确性和安全性。
二、试验过程的操作流程1、开机启动,连通液压系统。
此时应检查液压油箱、油路和油缸等液压部件是否正常工作,并使用压力表等相应的测试设备检查压力值是否在合理范围内。
2、选择相应的试验模式和参数,开始测试过程。
试验过程中应时刻关注测试数据的监控和呈现,并在需要时对结果进行微调和调整。
3、在试验过程中应注意试验的安全性,包括试样留校、试验夹具牢固、采样速度均衡等问题。
三、试验后的处理工作1、在试验结束后,应将试样和夹具拆卸下来,对其进行清洗和标记,并存放在相应的位置,以便下次使用。
2、清洁试验机的各部分,包括油路、油缸、测量仪表和电子元器件等部分,以保证其正常工作和延长使用寿命。
3、根据进行的不同试验和测试结果进行数据的分析和记录,制定下一步的实验计划和方案。
以上就是液压式万能试验机操作规程的详细说明,希望对大家有所帮助。
在使用液压式万能试验机进行试验时,不仅需要遵守以上操作规程,还需要遵循相关的安全操作标准和社会道德公德心,以确保试验过程的安全和可靠性。
同时,我们也需要不断学习和探索,提高自己产品测试的熟练程度和技术水平,为推进相关领域的技术发展做出积极贡献。
液压式万能试验机操作规程1. 引言本操作规程旨在规范液压式万能试验机的操作流程,确保试验的安全性、准确性和可重复性。
操作人员必须熟悉并严格遵守本规程,以减少事故和误操作的风险。
2. 设备及工具准备在进行试验之前,需要进行设备和工具的准备工作。
以下是准备工作的具体步骤:1.确保试验机的安全处于关闭状态,并且电源已经断开。
2.检查液压系统的油液是否充足,如需要,请添加适量的液压油。
3.检查试验机的夹具、传感器等配件是否齐全,并处于良好的工作状态。
4.准备试验样品,并确保其已准备好进行试验。
3. 试验准备在进行试验之前,需要进行试验准备工作。
以下是试验准备的具体步骤:1.根据试验要求,调整试验机的工作参数,例如负荷、位移速率等。
2.根据试验要求,在试验机上安装正确的夹具和传感器,并确保其位置正确且牢固。
3.将试样放置在夹具上,并确保其处于正确的位置。
4.检查试验机的安全装置是否正常工作,例如安全门、急停按钮等。
4. 试验操作完成试验准备后,可以进行试验操作了。
以下是试验操作的具体步骤:1.启动试验机,确保各项参数正常工作。
2.按照试验要求,开始加载试样并记录相应的位移、负荷和时间等数据。
3.在试验过程中,监控试验机和试样的状态,确保其处于正常工作状态。
4.在试验过程中,根据实际情况调整试验机的工作参数,以确保试验的准确性和安全性。
5.试验完成后,停止试验机的工作,并记录试验数据。
6.清理试验机和试验样品,确保其处于干净整洁的状态。
5. 事故处理与安全注意事项在操作液压式万能试验机时,需要注意以下事故处理和安全事项:1.在试验过程中,如发生异常情况,例如试验机噪音异常、油液泄漏等,应立即停止试验并报告相关人员。
2.在试验过程中,如发现试样或夹具出现破损或异常变形等情况,应立即停止试验并进行修复或更换。
3.在试验过程中,应远离试验机的危险区域,防止发生夹伤、撞击等意外事故。
4.在试验机工作时,禁止触摸试验机的运动部件,以免造成伤害。
万能材料试验机操作规程(11篇范文)第1篇万能材料试验机操作规程(一)试验机安装在清洁干燥、无震动、无腐蚀性气体的房间内,周围应留有0.7m的空间,水平度应不大于0.2mm/1000mm。
试验机必须可靠接地。
(二)电源电压应稳定,不超过额定电压的10%。
(三)油箱加油采用标准液压油(室温高于25℃用n68、室温低于25℃用n(46)20升。
正常情况下每年换一次,使用频繁或环境不太清洁的半年更换。
(四)初次运行及试车:接通电源,按住钳口上升按钮,如果下梁下降,应调整三相电源输入连线。
(五)拉伸试验检测(1)接上电源,系统进入待机界面。
(2)按检测键,系统显示试验类型(1抗拉试验、2抗弯试验、3引申仪参数设定)。
(3)按数字键1,按确认键输入试验日期、试件编号,按确认键保存试件编号,进入品种编号的选择。
输入数字键1-8、选择一组中的试件个数,按确认键保存,输入数字键,修改当前试件,在组中的编号,按确认键保存,输入品种编号,(1、圆材2、方材3、管材4、圆矩形5、剖条6、钢绞线)。
(4)如试件为原材,则输入数字1,按确认键,则系统显示(1、圆材直径___.___,按数字键输入试件直径的大小,按确认键进入检测界面。
(5)打开电机开关,加荷开始,同时力值、位移、峰值、速率同步显示,按下量程键切换力值量程。
(6)当试件断裂后,试验完成,系统显示试验结果。
(六)试验完毕后关闭电源,并将机体及试验场地擦试清扫干净。
第2篇 p—5型万能材料试验机安全操作规程1.试验之前,应检查试验机的保险装置,变速箱内的油量和机件是否正常。
2.根据试样的形状选择夹具,根据材料性质及断面尺寸确定适当的负荷。
调节砝码咸调节摆臂的长短,安装好刻度盘并调节好指针的零点。
3.紧好绳索刹车装置,调节下夹头至适当的位置,夹紧试样下夹头的手柄必须用销子固定住,以免丝杠转动。
试样正确地夹持在钳口内,并与夹头移动方向完全平行,如作标准试验时须将上夹头固定。
液压万能试验机操作规程
《液压万能试验机操作规程》
一、前言
液压万能试验机是一种用来测试材料和构件性能的设备。
在操作液压万能试验机时,必须严格按照规程进行操作,以确保安全和测试准确性。
二、操作人员
1. 操作液压万能试验机必须由受过专业培训的操作人员进行,未经培训的人员禁止操作。
2. 操作人员必须了解设备的结构、工作原理和操作步骤,熟悉设备的各个部件和控制面板。
三、操作前准备
1. 检查设备和试验件是否符合试验要求,清理试验台面和夹具。
2. 检查液压系统和电气系统是否正常,确保安全阀、压力表和传感器的工作正常。
3. 打开试验软件,设置试验参数和加载速度等。
4. 确保操作人员和周围人员的安全,佩戴相关的防护设备。
四、操作步骤
1. 将试验件夹紧在夹具上,调整夹具和试验台面的位置。
2. 开启油泵,充注液压系统的工作介质,并进行预热。
3. 通过控制面板设置试验参数和加载方式。
4. 启动试验机,观察试验过程中各个部件的工作情况,确保试验过程稳定。
5. 在试验结束后,停止试验机,卸载试验件,记录试验数据。
五、注意事项
1. 在操作过程中严格遵守相关的安全规定,禁止超负荷操作和对设备的违规改动。
2. 操作人员要随时关注试验机的工作状态,一旦发生异常要及时停止试验并排除故障。
3. 操作结束后,及时清理试验台面和夹具,关闭设备。
六、总结
操作液压万能试验机需要严格按照规程进行,确保操作人员和设备的安全。
在操作过程中,要严格遵守操作规程,确保试验的准确性和可靠性。
液压万能试验机操作使用注意事项万能试验机如何操作液压万能试验机紧要用于金属、非金属、复合材料及制品的拉伸、压缩、弯曲、剪切等方式的力学性能试验,同时可依据GB、ISO、JIS、ASTM、DIN及用户提液压万能试验机紧要用于金属、非金属、复合材料及制品的拉伸、压缩、弯曲、剪切等方式的力学性能试验,同时可依据GB、ISO、JIS、ASTM、DIN及用户供应的多种标准进行试验和数据处理。
1.试验机的关键部位(如:钳口、变速箱等)应常常加注润滑油脂。
2.电脑应放在干燥通风的室内。
3.若长时间不使用,每个月应通电运转一次。
开关机次序:由于试验机受控于微机的掌控软件,应保证在试验机打开时,软件没有关闭。
1.开机:打开微机(电脑)电源打开掌控软件打开试验机电源。
2.关机:关闭试验机电源关闭掌控软件关闭微机(电脑)电源。
软件环境:必需安装Office2000(Word2000、Access2000)。
示值不显示:请检察试验机以及电脑主机的连接线是否插好,应保证没有虚接。
检修:液压试验机紧要动力是液压机,在所以试验机或者是工厂中使用最总要是正确使用和保养,而检修是防备设备出问题紧要方案,1.检修步骤:首先液压油换掉,然后各个气管通络全都打开,鼓风机的气压进行把气管插到鼓风机上,对液压试验机内腔清理,使里面废油和脏东西清理干净。
—专业分析仪器服务平台,试验室仪器设备交易网,仪器行业专业网络宣扬媒体。
相关热词:等离子清洗机,反应釜,旋转蒸发仪,高精度温湿度计,露点仪,高效液相色谱仪价格,霉菌试验箱,跌落试验台,离子色谱仪价格,噪声计,高压灭菌器,集菌仪,接地电阻测试仪型号,柱温箱,旋涡混合仪,电热套,场强仪万能材料试验机价格,洗瓶机,匀浆机,耐候试验箱,熔融指数仪,透射电子显微镜。
电液伺服万能试验机在建筑材料,金属材料的力学检测上,由于其良好的掌控性能和试验精度,得到了广泛的应用。
在大型钢铁企业,及质检单位试验室里,电液伺服万电液伺服万能试验机在建筑材料,金属材料的力学检测上,由于其良好的掌控性能和试验精度,得到了广泛的应用。
液压万能试验机规格参数一、简介该试验机适应标准:GB/T3159-2008《液压式万能试验机》,GB/T228-2002《金属材料室温拉伸试验方法》、GB/T 16826-2008《电液式万能试验机》、GB/T 7314-2005 《金属材料室温压缩试验方法》、GB/T 232-2010《金属材料弯曲试验方法》等。
铂鉴牌液压万能试验机采用立柱结构,利用液压加荷,电脑显示试验结果,操作方便,试验读数准确可靠,能做一般钢材和其它金属材料之拉伸、压缩、弯曲及剪切试验,亦可做一般材料、塑料、水泥及混凝土等压缩及弯曲试验。
1、该试验机采用液压缸下置式,调整试验空间的动力及传动装置安装在试验机底部,传动平稳;上下钳口座为全开式结构,自动液压夹紧系统,装夹方便,稳定性好。
2、下横梁升降采用电机经减速器、链传动机构、丝杠副传动,实现拉伸、压缩空间的调整。
3、本液压万能试验机所有操作可通过电脑控制完成,操作方便保证安全。
4、本机有加荷速度显示功能,能实现试样要求的加荷速度,操纵部分及指示部分高度适当,便于试验者进行操作与观察。
5、该试验机采用微机控制全数字宽频电液数字阀,驱动精密液压缸,对试验力、位移、变形进行多种模式的自动控制。
二、主要规格1、液压万能试验机最大试验力kN :10002、试验力测量范围kN :2%-100%FS(20-1000KN)3、试验力示值相对误差:≤示值的±1%4、试验力分辨率:0.01kN5、位移测量分辨力mm :0.016、变形测量精度mm : 0.017、最大拉伸试验空间mm : 7008、最大压缩空间mm :6009、液压万能试验机活塞行程mm:20010、圆试样钳口夹持直径mm :Φ13-Φ40或Φ13-Φ6011、扁试样钳口夹持厚度mm : 0-4012、扁试样最大夹持宽度mm:70或12513、压盘尺寸mm: 204×20414、弯曲试验两点间最大距离mm:45015、拉伸空间两支柱距离mm:46516、弯曲支滚宽度mm :14017、弯曲支滚直径mm:Φ4018、最大弯曲度mm:15019、剪切试样直径mm : 1020、活塞最大移动速度mm/min :约8021、油泵电动机功率kw: 1.122、液压万能试验机横梁上下移动电动机功率kw : 0.7523、夹紧方式:自动/手动加紧24、主机外形尺寸mm :约1160×850×260025、测力柜外形尺寸mm :约1120×700×95026、机器重量kg :约3200以上参考资料是济南铂鉴测试技术有限公司提供。
一.概述WE-300B型液压式万能试验机用于金属材料的拉伸、压缩、剪切和弯曲试验,配上合适的夹具,也可做混凝土、砖石等非金属材料的抗压试验,是科研单位、冶金和机械制造厂、质检站和大专院校的必备设备。
本产品执行标准:GB/T 3159-92 《液压式万能试验机》。
二.主要技术参数1、最大载荷300kN2、试验机级别(示值精度) 一级(±1%)3、测力分度值0- 60kN 0.2 kN/小格0- 150kN 0.5kN/小格0-300kN 1.0 kN/小格4、拉伸夹头间最大距离(包括活塞行程)700 mm5、上下压力板间最大距离(包括活塞行程)700 mm6、活塞最大行程150 mm7、圆试样夹持范围(Φ5~Φ32)mm8、扁试样夹持范围(0~25)mm9、活塞上升速度(0-50)mm/min10、外形尺寸主机(820×550×1960)mm测力机(1200×750×1800)mm11、重量主机约1800kg测力系统约500kg三.结构与原理本机由主机和测力系统两部分组成,两者通过高压软管联接。
1、主机(图一)主要有底座(12)、工作台(11)、立柱(7)、丝杠(9)、移动横梁(6)以及上横梁(1)组成。
其中移动横梁上部安装有下钳口(3),下部安装有上压力板(8),上横梁下部安装有上钳口(2),工作台、上横梁通过两根立柱连接,构成一刚性框架。
工作台(11)与活塞连接,随着活塞一起上下移动。
移动横梁(6)通过传动螺母连接在丝杠(9)上,随着丝杠的转动而作上下运动。
丝杠的驱动机构由驱动电机、链轮、链条组成。
驱动电机通过链条传动使两根丝杠同步转动。
当高压油泵向油缸内供油,活塞上升,带动工作台向上运动,从而进行试样的拉伸、剪切试验和抗压试验。
拉伸和剪切试验在移动横梁和上横梁之间进行,抗压试验在工作台和移动横梁之间进行。
2、测力系统采用液压摆锤测力机构(图二),它与示值机构一起组成测力系统。
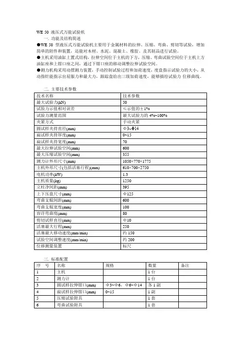
WE-50 液压式万能试验机一.功能及结构简述●WE-50型液压式万能试验机主要用于金属材料的拉伸、压缩、弯曲、剪切等试验,增加简单的附件和装置,还能对木材、水泥、混凝土、橡胶、及其制品进行试验。
●主机采用油缸上置式结构,拉伸空间位于主机的下方,压缩、弯曲试验空间位于主机上方油缸座和上钳口座之间,通过下钳口座的移动调整拉伸试验空间。
●测力机构采用动摆测力装置,手动控制试验过程和加荷速度,度盘指示试验力的大小,从动指针能指示出屈服力和最大力,跟踪盘给出三级加荷速度,能够描绘试验力-位移曲线。
WE-100 液压式万能试验机一.功能及结构简述●WE-100型液压式万能试验机主要用于金属材料的拉伸、压缩、弯曲、剪切等试验,增加简单的附件和装置,还能对木材、水泥、混凝土、橡胶及其制品进行试验。
●主机采用油缸上置式结构,拉伸空间位于主机的下方,压缩、弯曲试验空间位于主机上方油缸座和上钳口座之间,通过下钳口座的移动调整拉伸试验空间。
●测力机构采用动摆测力装置,手动控制试验过程和加荷速度,度盘指示试验力的大小,从动指针能指示出屈服力和最大力,跟踪盘给出三级加荷速度,能够描绘试验力-位移曲线。
三.标准配置WE-300A 液压式万能试验机一.功能及结构简述●WE-300A型液压式万能试验机主要用于金属材料的拉伸、压缩、弯曲、剪切等试验,增加简单的附件和装置,还能对木材、水泥、混凝土、橡胶及其制品进行试验。
●主机采用油缸上置式结构,拉伸空间位于主机的下方,压缩、弯曲试验空间位于主机上方油缸座和上钳口座之间,通过下钳口座的移动调整拉伸试验空间。
●测力机构采用动摆测力装置,手动控制试验过程和加荷速度,度盘指示试验力的大小,从动指针能指示出屈服力和最大力,跟踪盘给出三级加荷速度,能够描绘试验力-位移曲线。
二.主要技术参数WE-300D 液压式万能试验机一.功能及结构简述●WE-300D型液压式万能试验机主要用于金属材料的拉伸、压缩、弯曲等试验,增加简单的附件和装置,还能对木材、水泥、混凝土、橡胶及其制品进行试验。
液压式万能试验机操作规程一、实验前准备1. 试样和试验后处理相关要求•试样应当符合试验标准规定,并注意试样尺寸、形状的测量和标注;•试样表面应当清洁无损伤,如有锈蚀应当去除;•试样应当放置在干燥处,减少环境湿度的影响。
2. 测量仪器和设备的选择•选择具有合适测试范围、准确度和精度的仪器。
选用校准状态良好的测量设备;•平稳放置设备,减少振动影响;•保证设备的通电正常。
3. 外围环境要求•保持试验室稳定的温度和湿度,适宜操作人员的舒适度;•要保证周围环境安全,如安装先进的烟雾报警、灭火设备。
二、液压式万能试验机操作1. 试中液压系统的启动和调节•打开电源,启动液压系统;•填充液压油,确定油位。
加液量不超过油位标记;•调节系统压力。
按实验标准要求,确定液压系统的操作压力;2. 设置实验参数•设置试验参数:力、位移、速度等参数的调节;•根据实验要求,选择恰当的传感器,手动或自动方式进行调节。
3. 样品装夹和调节•根据尺寸和形状,安装试样在装夹器上;•保证夹紧各个点均匀,并满足试样的要求;•确保载荷能垂直作用在试样的中心。
4. 实验启动和过程控制•手动启动试验机的运行;•根据实验要求进行数据采集;•在实验过程中被测试材料是否符合标准要求,如不符合应停止实验。
5. 数据采集和保存•实时采集实验数据;•保证数据的准确性和可靠性;•定期进行数据的备份和存储。
6. 实验结束和设备的维护保养•实验完成后,清理压力机的工作台;•对设备定期进行保养和维护,确保设备的正常运转状态。
三、安全要求•实验人员必须受过正规的安全培训,熟悉液压试验机的构造、工作原理及注意事项;•在操作设备前,必须检查设备各部位能否正常工作;•严格执行操作规程,一人一机操作,并保持注意力集中。
避免发生人身意外伤害。
四、实验报告•实验报告应包含实验目的、方法、结果、分析和结论等内容;•实验报告应包含试验过程中的记录、仪器的使用和测量的结果;•实验报告应按照实验标准的要求,填写并备存档案。
万能试验机的种类目前市场上常见的主要有两大系列,四种类型:1、液压系列:手动液压万能试验机、电液伺服液压万能试验机2、电子万能系列:常规电子万能试验机、高性能电子万能试验机。
性能特点1、液压万能试验机系列:1) 手动液压万能材料试验机主要采用简易高压油源作为动力源,手动调整阀作为控制元件,并进行人工手动实现加载,因而,它属于开环控制系统。
由于受油源流量及主机结构的限制,它的油缸活塞行程较小,常见的一般在300mm左右,它的试验速度一般也较小。
受价格因素的影响,测力传感器一般采用压力传感器(大吨位基本采用压力传感器)。
因而,精度较低,量程较小,一般精度为1级或2级,量程一般为4%-100%F.S。
受油缸摩擦力的影响,吨位一般很难做到很小,国内最小为5T。
但由于它所特有的低价及大吨位的特点,目前,在成品检验、单一材料指标的测试中还在大量使用。
2)电液伺服类万能试验机主要采用了精密高压油源作为动力源,使用伺服阀或比例阀作为控制元件进行闭环自动控制,因而控制性能较高,一般可实现载荷、应变、位移三种控制模式。
同手动液压万能材料试验机一样,受油源流量的限制,他的试验速度较低。
由于采用闭环自动控制,系统刚度成了整个系统正常工作的关键。
众所周知,液体的刚度是比较低的,为了尽可能的减少液体对整机刚度的影响,一般电液伺服试验机的行程都不大,同样受整机刚度的影响,电液伺服类试验机的吨位都不可能做的很小,基本上都在一吨以上。
但由于它有多种控制模式,因而具有使用灵活,性能较高的特点。
2、电子万能试验机系列:1)常规电子万能试验机主要采用伺服电机作为动力源,丝杠、丝母作为执行部件,实现试验机移动横梁的速度控制,它的试验速度范围可进行调整,以RGM-200为例,它的试验速度可达0.001mm/min-1000mm/min,速比可达100万倍之多,试验行程可按需要而定,最大可达几米。
这是液压类试验机无论如何也实现不了的。
随着电子技术的发展及伺服电机性能的提高,电子万能所采用的电机从早期的直流伺服电机到现在的更多的采用交流伺服电机,从早期的功率元件选用可控硅进行移相触发控制到今天的采用多种功率模块实现脉宽调制控制,电子万能的性能有了质的飞跃,人们心目中的电子万能故障率高,性能较差的情况已经不复存在了由于常规电子万能采用速度控制,因而对系统刚度的要求不高,这样就为小吨位试验机的实现创造了有利的条件。
液压式万能材料试验机液压式万能材料试验机是一种用于测试材料性能的专用设备,它可以对金属、非金属、复合材料等各种材料进行拉伸、压缩、弯曲、剪切等多种性能测试。
本文将对液压式万能材料试验机的结构、工作原理以及应用领域进行详细介绍。
首先,液压式万能材料试验机的结构包括机械部分和液压部分。
机械部分主要由机架、上横梁、下横梁、活塞、试验空间等组成,而液压部分主要由液压缸、油泵、油箱、压力表等组成。
机械部分负责提供测试空间和施加载荷,而液压部分则负责提供动力和控制测试过程。
整个结构紧凑,操作方便,能够满足各种材料的测试需求。
其次,液压式万能材料试验机的工作原理是利用液压系统产生的压力,通过传递到试验空间,实现对材料的拉伸、压缩等测试。
当液压缸受到液压油的压力作用时,活塞会产生位移,并将力传递到试样上,从而对试样施加相应的载荷。
在测试过程中,可以通过控制液压系统的压力和流量来实现对试样的精确控制,从而获取准确的测试数据。
最后,液压式万能材料试验机在材料科学、机械制造、航空航天等领域有着广泛的应用。
在材料科学领域,可以用于测试材料的拉伸强度、屈服强度、断裂强度等力学性能,为材料的设计和选用提供参考依据。
在机械制造领域,可以用于测试零部件的强度和刚度,保证产品的质量和可靠性。
在航空航天领域,可以用于测试飞行器的结构材料,确保其安全可靠性。
总之,液压式万能材料试验机作为一种重要的测试设备,在材料研究和工程实践中发挥着重要作用。
它的结构简单、工作稳定、测试精度高,能够满足不同领域的测试需求,对推动材料科学和工程技术的发展具有重要意义。
希望本文的介绍能够帮助大家更加深入地了解液压式万能材料试验机的特点和应用,为相关领域的研究和实践提供参考。
WES-100B液压式万能试验机操作规程
一、检查三色标志,确认设备状态完好。
二、接通设备电源。
三、本试验机最大试验力100kN示值相对误差在±1%以内,根据试样
具体情况选档,并调零。
四、根据试样的大小和形状把相应的夹头装入上下钳口。
五、开动油泵,根据试样长度升降上下钳口至适宜位置(上下钳口夹
持试样的长度不小于钳口长度的4/5),稳固夹紧试样。
六、按试验要求的加荷速度,缓慢拧开送油阀进行加荷试验。
七、试样断裂后,关闭送油阀,打开回油阀,从表盘上读取试验数值,
并作好试验记录。
八、松开上下钳口,取出试样,关闭设备电源,做好清洁卫生工作。
九、作好设备运行记录,若发生故障及时向领导汇报。
十、操作过程中,注意设备电气安全,防止意外发生。
十一、非本检测所检测人员不得操作本机。
十二、维护和保养:
1)试验机各部件应经常擦拭,以防止生锈。
2)应定期更换液压油。
3)设备运动部位(如楔形块、丝杠等)应经常涂抹润滑剂(如二硫化钼),以保证运动顺畅。
4)不允许随意拆卸油源及管路,若出现油液渗漏需换密封件时,要注意管路清洁,此工作应由专业人员进行,以免堵塞伺服阀或划伤油缸活塞,影响试验机正常使用。
液压万能试验机的操作及操作规程液压万能试验机的操作?液压万能试验机能进行压缩、弯曲、拉伸等多种试验,用于对金属、非金属的各种材料进行拉伸、压缩、弯曲和剪切的试验仪器,常常显现在矿工业、学校试验室中,是常用的试验仪器。
液压万能试验机是万能材料试验机中的一种,此外,也可以依据客户需求进行一些产品的特别试验。
下面我们就一起来了解下液压万能试验机操作规程以及造成该设备油源热的原因吧!液压万能试验机操作规程1、接好电源线,按“电源”按钮,指示灯亮。
2、依据试样规格选用量程,在摆杆上挂上或取下砣,必要时调整缓冲手轮。
3、依据试样形状尺寸,把相应的钳口装入上下钳口座内。
4、液压万能试验机在描绘器的转筒上,卷压好记录纸(方格纸)。
5、开动油泵拧开送油阀使台板上升约10mm,然后关闭送油阀。
假如台板已在升起位置,则不必先开动油泵送油,仅将送油阀关好即可。
6、将试样的一端夹于上钳口中,对于配有液压夹头的机型,则按下掌控盒上的“上紧”按钮,夹紧试样。
7、液压万能试验机在台板已上升,送、回油阀都关闭的情况下,调整指针对准度盘零点。
(应在没有加压的条件下操作)8、启动升降电机调整拉伸试验空间,将试样垂直夹持好。
对于配有液压夹头的机型,则按下掌控盒上的“下紧”按钮,将试样垂直夹持好。
9、将推杆的描绘笔放下进入描绘状态。
10、液压万能试验机按试验要求得加力速度,缓慢的拧开送油阀进行加力试验。
试样断裂后关闭送油阀。
如下一组试验间隔较长时间,还应停止油泵工作。
11、把记录数值的描绘笔抬起。
12、打开回油阀卸力后,将从动针拨回零点。
13、取下断裂后的试样。
对于配有液压夹头的机型,先按“上松”按钮使上钳口松开,再按“下松”按钮松开下钳口,分别取下断裂的试样。
造成液压万能试验机油源热的原因1、液压元件的加工精度和装配质量不良。
解决方法:保证万能试验机液压元件的加工质量,不合格的元件不能装入系统使用。
相对运动件的安装精度必需达到规定的技术要求。
附录一液压式万能材料试验机
材料试验机是测定材料力学性能的主要设备。
常用的材料试验机有拉力试验机、压力试验机、扭转试验机、冲击试验机、疲劳试验机等,能兼作拉伸、压缩、弯曲等多种试验的试验机称为万能材料试验机,简称万能机。
供静力试验用的普通万能材料试验机,按其传递荷载的原理可分为液压式和机械式两类。
现以国产WE系列为例,介绍液压万能机。
其外观见图F1-1,结构简图见图F1-2。
下面分
别
介绍其加载系统和测力系统。
图F1-1 WE型液压万能机外观
一、加载系统
在底座1上由两根固定立柱2和固定横梁3组成承载框架。
工作油缸4固定于框架上。
在工作油缸的活塞5上,支承着由上横梁6、活动立柱7和活动平台8组成的活动框架。
当油泵16开动时,油液通过送油阀门17,经送油管18进入工作油缸,把活塞5连同活动平台8一同顶起。
这样,如把试样安装于上夹头9
和下夹头12之间,由于下夹头固定,上夹头随活动平台上升,试样将受到拉伸。
若把试样置放于两个承压垫板11之间,或将受弯试件置放于两个弯曲支座10上,则因固定横梁不动而活动平台上升,试样将分别受到压缩或弯曲。
此外,试验开始前如欲调整上、下夹头之间的距离,则可开动电机14,驱动螺杆13,便可使下夹头12上升或下降。
但电机14不能用来给试样施加压力。
二、测力系统
加载时,开动油泵电机,打开送油阀17,油泵把油液送入工作油缸4顶起工作活塞5给试样加载;同时,油液经回油管19及测力油管21(这时回油阀20是关闭的,油液不能流回油箱),进入测力油缸22,压迫测力活塞23,使它带动拉杆24向下移动,从而迫使摆杆26和摆锤25联同推杆27绕支点偏转。
推杆偏转时,推动齿杆28作水平移动,于是驱动示力度盘的指针齿轮,使示力指针29
绕(即拉示力指针旋转的角度与测力油缸活塞上的总压力的中心旋转。
30示力度盘.
所受拉力)成正比。
因为测力油缸和工作油缸中油压压强相同,两个油缸活杆24。
这样,示力指针的转角便与工作油缸活塞塞上的总压力成正比(活塞面积之比)上的总压力,亦即试样所受载荷成正比。
经过标定便可使指针在示力度盘上直接指示载荷的大小。
试验机一般配有重量不同的摆锤,可供选择。
对重量不同的摆锤,使示力指针转同样的转角,所需油压并不相同,即载荷并不相同。
所以,示力度盘上由刻、A-300试验机为例,它配有度表示的测力范围应与摆锤的重量相匹配。
以WE+BA+0-150kN,BAC三种摆锤。
摆锤对应的测力范围为0-60kN,A+对应B、 300kN。
C对应0-开动油泵电机,送油阀开启的大小可以调节油液进入工作油缸的快慢,因而1920,可使工作油缸中的油液经回油管可用以控制增加载荷的速度。
开启回油阀,从而卸减试样所受载荷。
37泻回油箱试验开始前,为消除活动框架等的自重影响,应开动油泵送油,将活动平台,使摆杆保持垂直位置,并使示力指针31略微升高。
然后调节测力部分的平衡铊指在零点。
试验机上一般还有自动绘图装置。
它的工作原理是,活动平台上升时,由绕绕轴线转动,在滚筒圆柱面上构成沿带动滚筒3332过滑轮(1)和(2)的拉绳在滚筒上就可自动绘出载荷-位移试验时绘图笔34周线表示载荷的坐标。
这样,曲线。
当然,这只是一条定性曲线,不是很准确的。
回油19
型液压万能机结构简图图 F1-2 WE
三、操作规程及注意事项选定相适应的示力度盘和摆锤重量。
估计最大载荷,根据试样尺寸和材料,.1.
需要自动绘图时,事先应将滚筒上的纸和笔装妥。
2.先关闭送油阀及回油阀,再开动油泵电机。
待油泵工作正常后,开启送油阀将活动平台上升约1cm,以消除其自重。
然后关闭送油阀,调整示力度盘指针,使它指在零点。
3.安装拉伸试样时,可开动下夹头升降电机以调整下夹头位置,但不能用下夹头升降电机给试样加载。
4.缓慢开启送油阀,给试件平稳加载。
应避免油阀开启过大进油太快。
试验进行中,注意不要触动摆杆或摆锤。
5.试验完毕,关闭送油阀,停止油泵工作。
破坏性试验先取下试样,再缓缓打开回油阀将油液放回油箱。
非破坏性试验,应先开回油阀卸载,才能取下试样。