成果地质资料电子文件汇交格式要求
- 格式:docx
- 大小:33.03 KB
- 文档页数:38
附件成果地质资料电子文件汇交格式要求(试行)为保证成果地质资料电子文件能有效地管理和利用,本格式要求(试行)规定了地质资料电子文件的格式和在保存介质中的组织方式。
本格式适用于成果地质资料正文(含插图、插照、插表)、附图、附表、附件等电子文件的制作和汇交。
按本格式要求制作的电子文件应与汇交的纸介质地质资料在内容上相一致。
一、成果地质资料电子文件的分类和命名(一)成果地质资料电子文件的分类成果地质资料电子文件按其信息内容和形式的不同,分为以下六类:1.正文类:成果地质资料全部正文(含插图、插照和插表);2.审批类:由法定单位对成果地质资料进行评审验收或评审认定时所形成的文件;3.附图类:成果地质资料中除正文插图外的各种图件;4.附表类:成果地质资料中除正文插表外的各种表格文件;5.附件类:成果地质资料所附的技术性或说明性文字材料;6.其他类成果地质资料中上述五类以外的文件。
(二)成果地质资料电子文件的命名成果地质资料电子文件按照其分类命名。
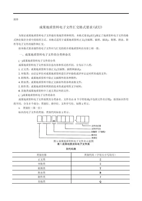
文件名由8个字符组成(不包括文件名后缀),按其标识作用的不同,分为3个部分:类别位、册序位、文件序号位,如图1所示。
1. 类别位(第一位)标识改电子文件的类别,类别代码如表1所示。
图1成果地质资料电子文件名示意图表1成果地质资料电子文件类别代码表类别名称类别代码(字母大小写均可)正文类 Z审批类 S附图类 T附表类 B附件类 J其他类 Q2.册序位(第2—3位)册序位用于标识该电子文件所在分册的顺序。
册序位的值为01—99。
若其值小于10,册序位的第1位填充“0”。
同类未成册的电子文件视为一册,册序位取值“01”。
3.文件序号位(第5—8位)标识该电子文件在本分册中的顺序。
同一分册电子文件的文件序号,从“0001”起连续取值。
成果地质资料电子文件分类与纸介质报告的对应关系及文件名示例见附录A。
二、成果地质资料电子文件的文件格式及编制(一)成果地质资料文字部分电子文件的文件格式及编制1.电子文件的文件格式成果地质资料文字部分电子文件的首选格式为Microsoft公司的Word97或Word2000简体中文格式,也可以采用WPS格式。
附件2《成果地质资料电子文件汇交格式要求》使用说明一、汇交人的工作内容在按照本《成果地质资料电子文件汇交格式要求》(以下简称“《格式要求》”)的规定制作成果地质资料电子文件时,汇交人应完成以下工作:1、按项目工作要求和《格式要求》的规定制作所有的成果地质资料源电子文件;2、生成存档电文文件(文本部分文件格式为“ .pdf”,图像文件格式为“.jpg、.tiff、.eps、.pdf、.gif”);3、如果电子文件中有插图、插照、图版等,创建“插图文件”文件夹,用于存放这些文件插入前的源图形文件;4、按《格式要求》组织电子文件;5、完整地著录《电子文件登记表》;6、制作载体外标签;7、检查所有电子文件,保证能正常使用后进行录制;8、向地质资料主管部门汇交制作好的,包括源电子文件、存档电子文件和附加文件在内的完整的电子文档。
二、配套软件为了进一步方便成果地质资料电子文件的制作和汇交,部组织开发一套与《格式要求》配套的《电子文档制作与浏览验收系统》工具软件,目的是帮助用户形成一套符合《格式要求》的适用于汇交和使用的成果地质资料电子文档。
该软件的应用参见《格式要求》配套软件应用示意图。
三、电子文件的类别根据《格式要求》,一份电子文档中的某个电子文件必须依据其内容而归入到的相应的类别中。
归类时,一般采用以下原则:根据成果地质资料电子文档的构成和电子文件的内容,确定电子文件归属的类别。
具体的归类可参照下面的《成果地质资料电子文件分类表》。
《格式要求》配套软件应用示意图除以上分类方法以外,为便于成果地质资料电子文件的管理和汇交,将数据库和软件类以及多媒体类以外的电子文件分为源电子文件和存档电子文件两类,数据库和软件类以及多媒体类只有源电子文件一类。
四、电子文件命名成果地质资料电子文件按照其类别进行命名,一般电子文件名的构成及命名方法见《格式要求》。
这里需要说明的是,对于附图类的成果地质资料电子文件分类表源电子文件以及数据库和软件类电子文件的命名,并不是按照以上分类法进行命名的,而是根据制图或建库时的相关规范或自身的命名规则进行,即保持其原来制图或建库时所取的电子文件名。
成果地质电子文档汇交格式与验收成果地质电子文档汇交格式与验收随着科技的发展,地质行业的信息技术也在不断进步。
地质调查的成果质量及时性和准确性直接影响着工程建设的质量和安全。
而成果地质电子文档的汇交是成果报告书及所收集的数据文档、简图、图片、样品分析数据和勘探数据等的基础,它的质量的高低,不仅关系到对于工程的安全,同时还关系到数千万工程建设的利益,因此规定成果地质电子文档汇交格式与验收的标准对于地质调查的工作也有着很大的帮助和指导作用。
一、成果地质电子文档汇交格式标准1、呈报信封对于成果地质电子文档的呈报,需要在信封外部标明该信封的名称、送达单位名称、送达文档的名称以及号数等信息。
2、封面封面需要包含“中国地质调查局地质探测院XX项目地球物理勘探XXXX年度技术成果”的字眼、项目说明、单位名称、作详细的说明,还应该附上项目编号、审批日期、项目责任人、主编以及参加单位、部门及姓名等。
3、目录项目目录是检索、处理文档的基础,自然应该是一个必不可少的组成部分,除要包含正文章节外,注明各类表格、附件等的名称和页码。
4、前言前言主要是说明项目背景、目的以及本项目进行的研究方向、研究方法,评价研究的实施效果以及后继工作的建议等。
5、正文正文一般包括综述、研究方法、目的、地层地貌、地下水资源、工程地质条件等内容。
6、相关词汇对于技术成果文档的相关词汇,应该按照物类、性质、过程、勘探方法等属性划分,对于每个类别设置独立的词汇图表。
7、参考文献参考文献需要按照国家标准GB7714规定格式书写,内含文献名称、作者、发表年份、出版社等信息。
8、附件将所涉及的全部数据、图纸、勘探资料、统计数据全部附于附件中。
二、验收标准成果地质电子文档汇交之后,最为重要的就是验收工作。
正确的验收标准可以杜绝一些不必要的风险和纠纷。
1、是否够全面成果地质电子文档的完整性是验收的重要依据。
验收人员应该核对所有的内容是否已经提交,是否要求的文件和文件格式是否一致,以及是否满足了文件编号和文件起草规定和数字标签规定等。
成果地质电子文档汇交格式与验收随着科技的飞速发展,地质工作中使用电子文档已经成为必然趋势。
与传统的纸质文档相比,电子文档具有易存储、易复制、易查询等优势,可以方便地保证文档的安全性和便捷性。
然而,在电子文档汇交和验收的过程中,格式的规范化问题就显得特别重要了。
为了保证成果地质电子文档的有效交流和共享,本文将介绍成果地质电子文档汇交格式与验收问题。
一、文档格式规范1、文件格式成果地质电子文档汇交格式应当具有较高的通用性和可读性。
因此,在制作电子文档时,尽量采用通用的文件格式,如PDF、Word文档、Excel表格等,以方便其他人浏览和使用。
对于一些专业软件生成的数据文档,尽量转换为通用的文件格式。
此外,为了方便文档的传输和收集,每个文档应该统一进行编号和命名,使得相关人员可以快速地找到所需文档。
2、文本编写不同的文本在编辑过程中需要遵守不同的规范。
对于规范的文本平台,如Word文档等,应该遵守版面设计标准进行文本的排版,包括首行缩进、标点符号、页眉页脚等。
此外,为了保证文本内容的准确性和完整性,应该尽量遵守语言文字的用法规范,注意拼写、语法和标点符号等错误。
3、图表处理地质工作中,图表是非常重要的数据展示形式,因此在成果地质电子文档汇交格式中,对图表的处理必须得当。
每个文档应该包含图表清单,并按照清单逐一进行检查。
此外,图表应该具有清晰、准确的描述,同时图表的格式规范应该符合标准化原则,包括图形大小、图表字体大小、图例位置等。
同时,对于文档中出现的图片,应该避免使用截屏等方式引入图片,而应该使用高清晰度的图片,以增强图表的观感效果。
4、文件结构成果地质电子文档汇交格式在结构上也应该具备规范性。
在文档的整体结构上,可以设立目录、章节、段落等,以方便人们按照自己的需求进行查找。
文档结构上的分级、名称等应该统一规范。
在文档的内容安排上,应该合理安排,按照行业标准、客户要求、逻辑顺序等进行安排,同时在每个类别的内容之间应该有明确的间隔符。
成果地质资料电子文档汇交格式与验收为了更好地推进科技创新,科研工作必不可少。
在地质科研领域中,成果地质资料的电子文档的汇交格式以及验收是至关重要的一环。
本文将从以下方面展开讨论:一、什么是成果地质资料电子文档二、汇交格式的要求与注意事项三、验收的步骤与标准一、什么是成果地质资料电子文档成果地质资料电子文档是指在地质科研过程中获得的数据、文献、图像和图片等内容所形成的电子化文件。
这些电子化文件能够为后续的研究提供更好的信息支持,从而推动科学研究的进一步发展。
成果地质资料电子文档是地质科研中不可或缺的一个环节,是各种研究报告和论文的基础。
二、汇交格式的要求与注意事项1、文件格式的要求:成果地质资料电子文档需要保证文件格式的统一性,以便于后续的处理和分析。
常见的成果地质资料电子文档格式包括PDF、Word、Excel、CAD等,需要根据实际需求选择。
2、文档内容的要求:成果地质资料电子文档需要包括研究数据、分析结果、论文内容和图表等。
这些内容需要在文档中清晰地展现出来,并需要标注好数据来源和处理方法。
3、命名规范的要求:成果地质资料电子文档需要遵守命名规范,以便于后续的管理和检索。
命名规范需要明确,包括文件名、文件类型以及内容信息等。
4、文件大小的要求:成果地质资料电子文档需要根据实际需求控制文件大小,以保证文件的传输和保存效率。
如果文件过大,需要考虑压缩处理,以减小文件大小。
5、法律标准的要求:成果地质资料电子文档需要遵守法律标准,如保护知识产权、保护隐私权等。
这些标准需要在汇交的过程中严格遵守,以免产生法律风险。
三、验收的步骤与标准1、一级验收:在完成成果地质资料电子文档的汇交后,需要进行一级验收。
一级验收需要检查电子文档的完整性、格式标准、内容准确性和命名规范等方面是否符合要求。
如果不符合要求,需要及时修改并重新提交。
2、二级验收:在一级验收合格的基础上,需要进行二级验收。
二级验收需要检查电子文档的数据完整性、分析准确性以及图表标准等方面是否符合要求。
附件2《成果地质资料电子文件汇交格式要求》使用说明一、汇交人的工作内容在按照本《成果地质资料电子文件汇交格式要求》(以下简称“《格式要求》”的规定制作成果地质资料电子文件时,汇交人应完成以下工作:1、按项目工作要求和《格式要求》的规定制作所有的成果地质资料源电子文件;2、生成存档电文文件(文本部分文件格式为“ .pdf”,图像文件格式为“.jpg、.tiff、.eps、.pdf、.gif”;3、如果电子文件中有插图、插照、图版等,创建“插图文件”文件夹,用于存放这些文件插入前的源图形文件;4、按《格式要求》组织电子文件;5、完整地著录《电子文件登记表》;6、制作载体外标签;7、检查所有电子文件,保证能正常使用后进行录制;8、向地质资料主管部门汇交制作好的,包括源电子文件、存档电子文件和附加文件在内的完整的电子文档。
二、配套软件为了进一步方便成果地质资料电子文件的制作和汇交,部组织开发一套与《格式要求》配套的《电子文档制作与浏览验收系统》工具软件,目的是帮助用户形成一套符合《格式要求》的适用于汇交和使用的成果地质资料电子文档。
该软件的应用参见《格式要求》配套软件应用示意图。
三、电子文件的类别根据《格式要求》,一份电子文档中的某个电子文件必须依据其内容而归入到的相应的类别中。
归类时,一般采用以下原则:根据成果地质资料电子文档的构成和电子文件的内容,确定电子文件归属的类别。
具体的归类可参照下面的《成果地质资料电子文件分类表》。
《格式要求》配套软件应用示意图除以上分类方法以外,为便于成果地质资料电子文件的管理和汇交,将数据库和软件类以及多媒体类以外的电子文件分为源电子文件和存档电子文件两类,数据库和软件类以及多媒体类只有源电子文件一类。
四、电子文件命名成果地质资料电子文件按照其类别进行命名,一般电子文件名的构成及命名方法见《格式要求》。
这里需要说明的是,对于附图类的源电子文件以及数据库和软件类电子文件的命名,并不是按照以上分类法进行命名的,而是根据制图或建库时的相关规范或自身的命名规则进行,即保持其原来制图或建库时所取的电子文件名。
成果地质资料电子文档汇交格式与验收一、引言在地质勘探和研究中,成果地质资料的电子文档汇交是一个关键环节。
本文将介绍成果地质资料电子文档的汇交格式要求和验收标准,以提高成果地质资料的整体质量和可追溯性。
二、汇交格式要求1. 文件格式•所有资料应以通用格式如PDF、DOCX或XLSX等提交,确保不同操作系统下的兼容性。
•图像资料应以常用格式如JPG、PNG等提交,清晰度不低于300 dpi。
2. 目录结构•汇交文件应有清晰的目录结构,包含必要的主目录、子目录和文件命名规范。
•目录中应包含关于项目信息、数据采集方法、处理过程、结论等详细内容。
3. 数据标识•所有文档和图像应在文件名中包含相关信息,如日期、项目名称、作者等。
•在文档内部应有明确的标题、注释和编号,便于查找和索引。
三、验收标准1. 完整性•核对资料是否齐全,包括地质图、地质报告、分析数据等内容。
•确保所有文件能够顺利打开并查看,无错误提示或损坏现象。
2. 准确性•核对数据来源和处理方法是否准确无误。
•确保地质图与报告中描述的内容一致,数据符合地质学原理。
3. 可读性•检查文档排版是否清晰整洁,字体大小、间距合适。
•确保图片清晰度高,文本内容易读。
4. 保密性•确保敏感数据得到合适的加密处理,不得外泄。
•限制查看权限,保护隐私信息。
四、结论成果地质资料的电子文档汇交格式和验收标准至关重要,对于提高地质资料的整体质量和价值具有重要意义。
汇交格式的规范和验收标准的严格执行有助于推动地质研究的进展,促进科研成果的共享和交流。
希望本文能为相关领域的从业者提供参考和指导,共同提升成果地质资料的管理水平和科研效率。
地质报告电子汇交排版要求纸张为a4(大小不得超过210×297毫米)70—80克的复印纸或者胶版纸,附表、插表、插照、图版等按实际尺寸制作。
所有插图、插照、插表、图版应直接插入文字中的相应位置,不得覆盖其他信息,也不得使用超链接的方式链接其它软件制作的文件。
所有图片、照片、表格、图版等在电子文件中的显示方向应向上。
需装订成册的资料务必用绳线装订整齐,不得用锈蚀的金属物装订。
按规定应该着色的图件务必着色,色泽要协调、均匀、鲜艳、分色界限要准确,不同意用彩色铅色、圆珠色等着色划线,不同意有光栅出的黑白图用手工着色。
其插图、插表、插照粘贴时不得压盖文字。
汇交的资料袋正面写清报告名称、正文、审批、附图、附表、附件的数量与汇交单位全称,其厚度不得超过10厘米。
1.地质报告文字的排序汇交的成果地质报告,其文字构成排序内容为。
正文封面、题名页(内封面)、正文目录、审批文件目录、附图目录、附表目录、附件目录与报告正文。
⑴正文封面内容。
文字报告的封面应反映地质工作项目的全称(包含所在省、县、乡(镇)、XX县区或者地区名称,矿种或者类别,工作性质)、工作单位名称(不得缩减)、报告提交时间。
封面使用大于80克以上的的封皮纸或者胶版纸(但不得过硬影响翻折),不得用塑料皮装订。
⑵题名页(内封面)内容:文字报告的扉页应反映地质工作项目全称。
除具备正文封面内容与相同格式外,还包含下列各项:野外工作起止日期、编写单位、要紧编写人、技术负责人或者总工程师、单位负责人、合作单位、提交报告单位与提交日期,并盖有报告编写单位或者汇交单位的印盖。
开本尺寸与规格要求与正文相同。
⑶正文目录页:要紧标注报告正文目录的级次,有篇、章、节、条、款等,与排序编号、标题名称与页号。
通常在正文目录中确定为三级,即:章、节、条,如遇特殊情况时可适当调整(省厅规定为二级,即:章、节)。
⑷审批文件目录页:依序为册号、序号、审批文件名称。
⑸附图目录页:依序为图号、顺序号、图名与比例尺。
成果地质资料电子文件汇交格式要求情况汇报成果地质资料电子文件汇交格式是目前地质行业中非常重要的一个环节,要求汇报的文件具有明确明确的格式、规范的排版、清晰的内容,以确保数据的准确性和可读性。
因此,为了能更好地掌握相关要求和规范,特地对成果地质资料电子文件汇交格式进行了详细的情况汇报。
1、总体要求成果地质资料电子文件的汇交,需要遵守国家标准规范和行业规定。
数据的格式及排版应该符合相关规定,确保数据的顺利交流和传输。
在进行电子文件的汇交格式时,需要按照相关标准进行整理,并进行版本控制,以确保数据的管理和归档。
2、文件格式首先需要注意的是,成果地质资料电子文件的汇交格式要求必须是可读的和可编译的。
具体来说,需要将数据保存为Microsoft Word或者PDF格式,以保证数据的可靠性和完整性。
这两种格式能够在大多数设备上进行浏览和打印,也能够在不同的操作系统和软件环境下进行读取和备份。
3、文档排版文件格式总体上说已经确定了,但在文档排版上,需遵循一些基本规范。
成果地质资料电子文件需要采用宋体字体,字号需为12号或14号,行距需为1.5倍以上,页边距需控制在2.5厘米左右。
另外,需要注意的是,一定要按照规定的格式来进行文档排版,包括目录、正文、插图和参考文献等等,以便读者更好地理解文档内容。
4、图表要求成果地质资料电子文件中的图表非常重要,因此在图表的准备过程中也需要特别注意。
图表的格式包括地图、剖面图以及各种柱状图、折线图等,需要保存为PNG或JPG格式,以便在汇交文件中进行引用和嵌入。
在制作图表时,需要使用专业绘图软件,例如CorelDraw或Adobe Illustrator来制作,以确保数据的准确性和形式的美观性。
5、参考文献成果地质资料电子文件的汇交也需要按照一定的规范来进行参考文献的编排。
参考文献需要按照GB/T7714-2015标准来进行编写和排版。
主要的格式要求包括文章名称、作者、文献来源、出版年份和页码等等,确保参考文献的信息完整和准确。
成果地质资料电子文件汇交格式要求本要求适用于各类地质工作形成的成果地质资料中正文、审批件、附图、附表、附件、数据库、软件、多媒体及其他等各类成果的电子文件的制作与汇交。
一、定义、分类和命名(一)定义。
1.地质资料指在地质工作中形成的文字、图表、声像、电磁介质等形式的原始地质资料、成果地质资料和岩矿芯、各类标本、光薄片、样品等实物地质资料。
2.成果地质资料各类地质工作与科学研究项目完成时,按相应技术规范和原项目设计要求,以文字、图、表、多媒体、数据库和软件等形式提供的反映工作成果的一整套科技文件材料。
3.成果地质资料电子文件指在数字设备及环境中生成,载有成果地质资料信息,以数码形式存储于磁带、磁盘、光盘等载体,依赖计算机等数字设备阅读、处理,并可在通信网络上传送的文件。
4.源电子文件指通过使用文字处理、制表、制图、数据库建设、系统开发以及多媒体制作等工具软件进行创建而直接得到的成果地质资料电子文件,保持原有文件格式及存储方式,未经过编辑修改的数据源文件。
5.存档电子文件指通过对成果地质资料的源电子文件进行格式转换或制作而间接得到的符合通用规范要求的文件存储格式的电子文件。
6.管理性文件在制作成果地质资料电子文件过程中所产生的在源电子文件和存档电子文件之外,用于对成果地质资料进行说明、登记和著录等的管理类附加性电子文件,以及与成果地质资料对应的地质档案文件目录、实物地质资料目录清单等原始地质资料、实物地质资料信息文件。
7.成果地质资料电子文档按照本要求将一份成果地质资料中所有的源电子文件、存档电子文件以及管理性文件等进行组织编制后所得到的电子文件的总和。
本要求中简称电子文档。
8.真实性指电子文件的内容、结构与形成时的原始状况一致。
9.完整性指电子文件的内容、结构和著录信息等无缺损。
10.有效性指电子文件应具备的可理解性和可被利用性,包括信息的可识别性、存储系统的可靠性、载体的完好性和兼容性等。
(二)分类。
成果地质资料电子文件按其形成方式或过程分为三种类型:源电子文件、存档电子文件和管理性文件。
成果地质资料电子文件中的源电子文件和存档电子文件包括以下九个类别:1.正文类:成果地质资料全部正文。
2.审批类:由项目管理部门或项目组织实施单位对成果地质资料进行评审、验收和审查时所形成的文件。
3.附图类:成果地质资料中除文本部分插图外的各种图形文件。
4.附表类:成果地质资料中除文本部分插表外的各种表格文件。
5.附件类:成果地质资料所附的技术性或说明性文件。
6.数据库类:成果地质资料中数据库建设工作形成的各类数据库文件。
7.软件类:成果地质资料中系统开发工作形成的各类软件,及非通用格式的电子文件运行或查看所必须的软件工具。
8.多媒体类:成果地质资料中包含的在地质工作过程中采集、记录、制作的各种图像、音频、视频文件等。
9.其他类:上述8类以外的文件。
(三)命名。
1.命名基本原则成果地质资料电子文件除管理性文件按其文件名称进行命名外,源电子文件与存档电子文件按照类别进行编码式命名。
文件名由8个字符组成(不包括文件名后缀),按其标识作用的不同,分为4个部分:类别位、册序位、间隔符、文件序号位,如图1所示。
附图类的源电子文件,数据库类、软件类源电子文件和存档电子文件等存在多个文件或多级目录存储等情况的,以本命名方式作为文件夹命名,文件夹以下所包含的所有子目录文件夹及文件的命名按照制图或建库时的相关规范或自身的命名规则进行。
图1 成果地质资料电子文件名示意图2.命名的结构(1)类别位类别位为电子文件命名第1位,用以标识该电子文件的类别,类别代码如表1所示。
.类别位册序位间隔符文件序号位文件名后缀(文件夹无)(2)册序位册序位为电子文件命名第2至第3位,用以标识该电子文件所在分册/分库的顺序。
册序位长度共2位,从“01”起连续取值至“99”。
(3)间隔符间隔符为电子文件命名第4位,作为册序位与文件序号位间的隔离符号,便于序号的视觉判别。
间隔符使用半角下划线字符“_”。
(4)文件序号位文件序号位为电子文件命名第5至第8位,用以标识该电子文件在分册中的顺序。
文件序号位长度共4位,从“0001”起连续取值至“9999”。
二、总则1.汇交的成果地质资料源电子文件及存档电子文件应是经过最终审查的全部成果。
2.按照本要求所编制的电子文档的内容,除数据库类、软件类、多媒体类外,其他各类电子文件应与纸介质资料相一致。
3.成果地质资料内容、层次较多,或逻辑结构复杂的,汇交时应考虑合理拆档,在“纸电一致”的前提下,可自成体系的一套资料应独立成档。
4.汇交的源电子文件应采用通用存储格式,且文件内容可编辑。
如为非通用存储格式的文件,且其编辑软件无法导出可供编辑的通用存储格式的,在汇交该文件的同时,应将查看或编辑文件用的相关软件及说明文件一并汇交。
汇交的存档电子文件应采用符合本要求的文件存储格式。
5.汇交电子文件应明确其技术环境、相关软件、版本、数据类型、格式、被操作数据、检测数据等,以保证电子文件的质量,确保其信息的真实性、完整性和有效性。
6.除数据库类、软件类、多媒体类电子文件外,所有汇交电子文件必须生成纸质文件等硬拷贝,进行汇交时,必须将电子文件与相应的纸质文件等硬拷贝一并汇交。
7. 采用扫描等数字化方法形成电子文件时,质量技术指标参照有关标准或规范执行,不得使用数码相机拍照的方式形成。
扫描分辨率的选取应保证电子文件的清晰度,一般应取300dpi 以上;对压缩的JPEG格式质量因子取75以上。
三、电子文件的格式及编制要求(一)正文类电子文件的格式要求及编制。
1.内容要求成果地质资料中的所有主、副报告均归为正文类电子文件。
正文类电子文件的文件内容中非引自第三方的插图、插照、插表、图版等附属内容,如为其他软件编辑生成,而非本体文件格式中编辑而成的,应在源电子文件中存放这些附属内容的原有文件格式,即未经过转换和修改的数据源文件。
2.格式要求(1)源电子文件正文类电子文件的源电子文件的格式应采用通用存储格式,如.docx、.doc、.wps、.rtf、.txt、.xml等。
正文类电子文件的文件内容中非引自第三方的插图、插照、插表、图版等附属内容的数据源文件应采用通用存储格式。
(2)存档电子文件正文类电子文件的存档电子文件的格式应采用PDF文件格式,符合PDF 1.4及以上规范,或ISO 32000规范。
3.编制要求正文类电子文件内容较多的,应按逻辑组织单元建立分册,如全国汇总材料为第一分册,分省材料分别建独立分册,各分册下分件组织每一件文档。
正文类电子文件如文件过大而影响浏览时可以分成多个电子文件,并存放于同一子目录下。
成果地质资料正文类电子文件的内容、编排体例(顺序)和编辑格式(如字体、字号等)按照地质工作相关专业规范和标准执行,无专业规范或标准的正文类电子文件的应遵循以下规定:文本文件编排符合清晰、美观的原则。
文字字号不小于5号字,行距不低于单倍行距。
所有插图、插照、插表、图版应直接插入文字中的相应位置,电子文件中的显示方向向上,不得覆盖其他信息,也不得采用超链接的方式链接其它软件制作的文件。
电子文件应有页码,页码位于页面底端。
文件题目、篇名、章节名采用标题定义,同一层次标题的阶次相同。
(二)审批类电子文件的格式要求及编制。
1.格式要求审批类电子文件可仅汇交存档电子文件。
内容包括(但不限于):验收意见书、审查意见书、评审意见书、决议书、储量评审备案证明等。
存档电子文件格式要求参照正文类存档电子文件格式要求。
2.编制要求成果地质资料中的审批材料单独组成一类电子文件。
当存在多个审批验收文件时,应按照审批级次由高到低依次进行编排。
对同级的认定书、决议书、审查意见书、评审意见书,以认定书、决议书在前,审查意见书、评审意见书在后进行编排;同级、同类的审批文件,按时间顺序由新到老进行编排。
制作审批类电子文件的存档电子文件时,对于盖章件,应采用盖章纸质件的扫描栅格图像制作成PDF文件来形成。
(三)附图类电子文件的格式要求及编制。
1.格式要求(1)源电子文件附图类电子文件的源电子文件的格式应采用通用存储格式。
除汇交图件的电子文件外,还需包括运行这些电子文件绘图时所必须的相关附属文件(如二次开发软件、系统库、外部链接文件、字体库和文件等),并保证这些文件可以被再利用。
(2)存档电子文件附图类电子文件的存档电子文件应采用下列5种格式之一:①PDF文件格式,参考正文类电子文件的存档电子文件格式要求;②JPEG文件格式,符合ISO 10918-1或ISO 15444-4或ISO 16485等标准规范;③TIFF文件格式,符合TIFF 6.0及以上格式规范;④GIF文件格式,符合GIF87a或GIF89a格式规范;⑤PNG文件格式,符合PNG 1.2或ISO 15948标准规范。
2.编制要求附图类电子文件的内容、幅面大小、用色标准、图例符号等按照地质行业标准及相关制图规范执行,而且在内容和图号数上要与纸介质一致。
附图类源电子文件如为带空间坐标参考的文件格式,应注意确保格式中附有有效的坐标投影信息。
在编制附图类电子文件时,应按照每张图使用一个顺序号的原则统一编号。
对超A0幅面图件的电子文件原则上不进行分割。
当影响浏览使用时可切割成多张图,切割后的各电子文件应能独立使用。
对分成多个文件的同一幅柱状图,每个文件中均应有图头。
对于分幅制印的同一幅图件,用数字化方法形成电子文件后,如果造成在计算机上浏览不便,应进行加工处理(拼接),形成一个电子文件。
附图类的存档电子文件应尽可能通过对源电子文件进行制作或转换而得。
对于特殊情况,也可以采用扫描等数字化方法形成,在制作或转换形成存档电子文件时,分辨率的选取在满足总则要求的前提下,以保证图形的精度和清晰度为准。
(四)附表类电子文件的格式要求及编制。
1.格式要求(1)源电子文件附表类电子文件的源电子文件的格式原则上不作限制,但应为通用存储格式,如.xlsx、.xls、.et、.csv、.xml、.mdb等。
(2)存档电子文件附表类存档电子文件格式要求参照正文类存档电子文件格式要求。
2.编制要求对附表类电子文件,内容类别不同的表格应分册制作,且每一个附表均应有表名和表栏头,且表栏头可被辨识与理解。
制作附表类电子文件时,应采用表格命令或插入文件的方式来直接制作,不得采用超链接的办法链接其他软件制作的表格。
附表的纵向尺寸应以版芯的尺寸为界限,如果横向或纵向超出版芯,可用续表。
续表中表名可以省略,但表栏头仍要保留。
附表类电子文件的表名要使用标题命令进行定义,标题样式不作具体规定,以美观实用为原则。
标题命令完成后应使用软件自动生成目录,其制作方法与正文类相同。
附表类电子文件,原则上不对表格做切割。