工人三级安全教育记录卡
- 格式:docx
- 大小:10.73 KB
- 文档页数:1
新工人三级安全教育记录卡安3-2-2编号姓名:身份证号码:单位名称:班组及工种:新工人进场安全须知交底1.新工人进入施工现场必须认真学习本工种安全操作规程,未经安全技术教育和培训不得上岗作业。
2.进入施工现场必须戴好安全帽,扣好帽带。
3.在没有防护设施的2米以上高处悬崖与陡坡施工作业时必须扣好安全带。
4.高空作业时,不准往下或向上抛掷材料,工具或其它垃圾杂物。
5.不懂电气和机械的人,严禁使用和玩弄机电设备,严禁任何人用铁丝或金属丝代替保险丝,严禁使用鸡插头私拉乱接,出现故障应找电工处理。
6.建筑材料或构件要堆放整齐稳妥,不要过高。
7.危险区域要有明显标志,要采取防范措施,夜间作业要有可靠的照明,并设置红灯警示。
8.在操作中应坚守岗位,不得串岗,严禁酒后作业。
施工现场禁止穿拖鞋、高跟鞋、赤脚和易滑、带钉的鞋和赤膊作业。
9.特殊工种必须经过有关部门培训考试合格持证后方可上岗作业。
10.施工现场的脚手架、防护设施、安全标志、警告牌、脚手架连接件严禁擅自拆除,需要拆除必须经过加固后经施工负责人同意。
11.经过施工现场的坑、洞、井架、塔吊等危险时,应集中精力,注意警告标志。
12.任何人不准向下、向上乱丢各种材料、工具、垃圾杂物等,不准随意开动一切机械。
操作中应思想集中,不准开玩笑、不准做私活。
不准在脚手架或脚手架防护栏杆上睡觉。
13.手推车装运物料,应注意平稳,掌握重心,不得猛跑或撒把流放。
用井架吊运钢管,钢筋等,应将两端绑扎牢靠。
14.拆下的脚手架、模板、支撑要及时整理堆放,铁钉必须同时拔除。
15.砌墙斩砖要向里斩,不准朝外,防止碎砖坠落伤人。
16.工具用好后应随时放入工具包。
17.不准在井架内穿行,不准在井架提升后不采取任何安全措施到下面去清理杂物。
不准吊蓝久停空中,下班后吊蓝必须放回地面,且切断电源。
18.脚手架上霜、雪、泥、油污危险,应及时清理。
19.脚手板两端应绑扎牢固,防止空头板(竹脚手片应四角扎牢)。
新工人三级安全教育记录卡一、背景介绍新工人是指刚刚进入某个工作单位或者岗位的员工,他们对于岗位的要求和工作环境可能不太了解,因此需要进行一定的安全教育,以提高其安全意识和应急响应能力。
为此,制定一套新工人三级安全教育记录卡,旨在对新工人进行安全教育的全过程进行记录和评估。
二、新工人三级安全教育记录卡的内容1. 基本信息包括新工人的姓名、性别、出生日期、入职日期、工作单位、岗位等基本信息,用于识别新工人的身份。
2. 安全教育记录(1)一级安全教育:针对新工人的入厂安全教育,包括对于公司安全制度、安全操作规程、应急预案等方面的培训和教育。
记录该项教育的时间、地点、授课人员、培训内容等。
(2)二级安全教育:主要针对新工人所在岗位的专业安全教育,内容包括岗位操作安全规程、安全防护知识、事故案例分析等。
记录该项教育的时间、地点、授课人员、培训内容等。
(3)三级安全教育:针对新工人的日常安全教育和培训,涵盖安全意识、危险源辨识、安全操作技能等。
记录该项教育的时间、地点、授课人员、培训内容等。
3. 安全教育评估每次安全教育结束后,对新工人进行评估,包括理论考试和实际操作考核。
评估内容和方法根据不同级别的安全教育有所不同。
评估结果将通过填写评估表格记录下来,以便对新工人的安全教育成果进行评价和总结。
4. 安全教育效果跟踪记录新工人在工作中的安全表现和事故概况,包括安全行为规范是否遵守、是否存在违章操作行为、是否报告安全问题等。
通过定期的安全巡检、安全培训和安全奖惩等手段,对新工人的安全意识和安全行为进行跟踪和管理。
三、新工人三级安全教育记录卡的使用流程1. 注册新工人信息在新工人入职时,由人力资源部门负责注册新工人的基本信息,并为其办理工资卡、社保卡等相关手续。
2. 进行一级安全教育新工人入职后的第一周,由安全教育部门组织一级安全教育培训。
通过课堂讲解、讨论互动、演示操作等方式,向新工人传授公司的安全制度和应急预案等重要内容。
新工人三级安全教育记录卡范文一、个人信息姓名:性别:出生日期:入职日期:所在部门:职位:联系电话:二、培训信息3级安全教育日期:培训地点:培训主题:安全意识和基本知识三、培训内容记录(1)安全意识培训内容:1. 工作安全意识的重要性和必要性;2. 岗位职责和工作流程;3. 工作中可能遇到的安全风险和事故;4. 安全操作规程和标准;5. 工作中应遵守的安全规定;6. 各类安全防护用品的正确使用方法。
(2)基本知识培训内容:1. 灭火器的种类、用途和操作方法;2. 紧急疏散和逃生的基本方法;3. 电气安全知识,包括电气设备的正确使用和维护;4. 机械设备的基本知识,包括操作规程和维护要求;5. 职业病防护知识,包括职业病的症状、危害因素和预防措施;6. 个人防护用具的选择和使用方法。
四、考核情况记录1. 参与培训的考核方式:笔试、实操考核、规则讲解等;2. 考核成绩:五、自评与总结(1)培训前个人安全意识和基本知识:1. 对工作安全的重视程度;2. 安全防护用具的使用情况;3. 灭火器的操作能力;4. 电气设备和机械设备的正确使用情况;5. 职业病防护措施的实施情况。
(2)培训后的自我评价:1. 对工作安全的认识和重视程度;2. 学习到的安全知识以及掌握程度;3. 对个人安全防护的规范和使用情况;4. 对灭火器的操作技巧和正确使用;5. 电气设备和机械设备的合理使用和维护;6. 防止职业病的措施是否有效。
(3)总结与反思:在整个培训过程中,我深刻认识到安全意识的重要性,以及学习安全知识的必要性。
通过参与培训,我对工作中可能遇到的安全风险和事故有了更清晰的认识,并学习了一些有效的防范措施。
在日常工作中,我将积极应用这些知识,保障自身安全,并通过不断学习和实践,提高自己的安全素养。
六、工作监督和指导意见(1)个人工作态度和安全防护意识的表现;(2)灭火器操作和职业病防护措施的执行情况;(3)是否按照规范操作机械和电气设备;(4)存在的问题和需要改进的方面。
河南中土吉利热电厂工程项目部
姓名出生年月文化程度班组入队日期带班师傅家庭住址身份证号码
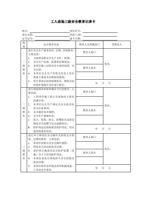
工人三级安全教育记录卡
三级安全教育内容教育人受教育人
公司
教育
进行安全基本知识、法规、法制教育,主要内容:
1、党和国家的安全生产方针、政策;
2、安全生产法规、标准和法制观念;
3、本单位施工过程的安全生产规章制度、安全纪律;
4、本单位安全生产形势及历史上发生的重大事故及应吸取的教训;
5、发生事故如何抢救伤员、排险,保护现场和及时进行报告。
签名:签名:
年月日
现场
项目部
教育
进行现场规章制度和遵章守纪教育,主要内容是:
1、本单位施工特点及施工安全基本知识;
2、本单位(包括施工生产现场)安全生产制度、规定及安全注意事项;
3、本工种的安全技术操作规程;
4、高处作业、机械设备、电气安全基础知识;
5、防火、防毒、防尘、防爆知识及紧急情况安全处置及及安全疏散知识;
6、防护用品发放标准及防护用品、用具的知识。
签名:签名:
年月日
班组
教育
进行本工种岗位安全操作及班组安全制度、纪录教育,主要内容:
1、本班组作业特点及安全操作规程;
2、班组安全活动制度及纪录;
3、爱护和正确使用安全防护装置(设施)及个人防护用品;
4、本岗位易发生事故的不安全因素及其防范对策;
5、不岗位是作业环境及使用的机械设备、工具的安全要求。
签名:签名:
年月日。
附:A面职工三级安全教育卡姓名:性别:家庭住址:文化程度:籍贯:进企业日期:班组及工种:身份证号:注:公司、项目部、班组三级培训教育的时间分别不得少于15、15、20学时。
附:B面施工现场职工入场安全教育考核试卷项目名称:XDG-2018-17号地块开发建设项目工种:姓名:得分:一、选择题(将正确答案的序号填在括号内。
每题3分,共60分)1、安全带的正确挂扣方法是()A、低挂高用B、高挂低用C、平挂平用2、特种劳动防护用品实行()制度A、安全标志管理B、登记C、备案3、塑料安全帽的使用期限为不超过()A、两年B、两年半C、三年半4、安全带的使用期限为()年,发现异常应提前报废。
A、3~5B、4~6C、5~75、下面哪个字母代表劳动防护用品具有防静电的性能?( )A、fhB、jdC、ny6、销售的特种劳动防护用品应由相应的产品合格证、特种劳动防护用品标志标识和()A、编号B、专利权证C、注册商标证7、电焊工使用的防护面罩,应()A、耐燃、导电B、耐燃、不导电、不导热C、耐燃、不导电但导热8、下列哪种职业病属于尘肺病?()A、铅及其化合物中毒B、黑变病C、矽肺病9、电焊作业时产生的有害气体的主要成分是()A、氮氧物B、二氧化碳C、氯气10、混凝土的强度等级是以()的高低划分的。
A.抗压强度B.抗拉强度C.抗弯强度D.抗剪强度11、使用灭火器扑灭火灾时要对准火焰( )进行喷射。
A、上部B、中部C、根部12、在狭小的地方使用二氧化碳灭火器容易造成()事故。
A、中毒B、缺氧C、爆炸13、用电设备着火时不能用()灭火。
A、四氯化碳或1211灭火器B、沙土C、水14、换岗、离岗()个月以上复工或者采用新工艺、新技术、新材料和使用新设备的从业人员,接受安全生产教育和培训的时间,均不得少于四学时。
A、三B、六C、九15、新招用的从事危险作业的人员上岗前接受安全生产教育和培训的时间不得少于()学时。
A、八B、十二C、二十四16、钢筋机械切料时,应在()握紧并压住钢筋以防末端弹出伤人。
员工三级安全教育记录卡2021年12月初,为了提升员工安全意识和技能,公司开展了员工三级安全教育培训。
本次培训将围绕“安全生产,人人有责”主题进行,旨在让员工了解安全生产的重要性,掌握必要的安全知识和技能,提高应对突发事件的能力。
以下是对员工三级安全教育培训的记录卡。
一、员工信息姓名:(填写员工姓名)部门:(填写员工所属部门)职位:(填写员工职位)培训日期:2021年12月XX日培训地点:(填写培训地点)培训时长:(填写培训时长)二、培训内容1. 安全责任与安全生产意识- 掌握企业安全责任和员工个人安全意识的重要性。
- 理解“安全生产,人人有责”的观念。
2. 安全制度与操作规程- 学习并熟悉公司的安全制度和操作规程。
- 理解安全标识和警示语的含义,严格按照规定执行。
3. 危险辨识与风险评估- 学会辨识工作中的潜在危险和风险点。
- 掌握常见的风险评估方法,如风险矩阵法等。
4. 紧急救援与应急处置- 学习基本的急救知识和技能。
- 了解常见的突发事件应急处置流程和方法。
5. 安全事故案例分析- 分析和研究前期发生的安全事故案例,吸取教训。
- 探索防范安全事故的有效措施和方法。
三、培训效果及建议(可以按照员工实际情况进行填写)1. 培训效果评价:(填写员工对培训内容的理解程度、参与度、反馈等)2. 建议或意见:(填写员工对培训内容、形式、讲师等的建议或意见)四、签字确认本人已参加上述培训,对培训内容和要求已了解并理解。
承诺将遵守相关安全规定,严格遵守公司的安全制度和操作规程。
员工签字:日期:____年___月___日主管签字:日期:____年___月___日备注:此为员工三级安全教育记录卡,便于对员工安全培训情况进行记录和管理,对于提升公司整体的安全防范能力和员工自身的安全意识有重要作用。
工人三级安全教育记录卡
编号:
姓名: ___________
单位名称: _______
身份证号码:—班组及工种:—本工
安全生产十项注意事项:
一、工作前穿戴好规定的劳动防护品,检查设备及作业场地,做到安全可靠。
二、不违章作业,并监督制止他人违章作业。
三、不准擅自开动别人操作的机械,电器开关设备。
登高作业应戴好安全带、安全帽、并有专人监护、防止坠落,严禁向下乱抛工具和设备零件。
四、不准随便拆除各种安全防护装置、信号标志、仪表及专指示器等。
保持设备齐全有效灵敏可靠。
五、不准随意启动设备。
机器设备停机检查或修理时,应切断电源并悬挂警示牌,取牌人应是挂牌人。
开机时发出信号,听到回音确定安全后才能开机。
六、不准吊装物及下行人。
多人操作起重搬运要统一指挥,密切配合。
不准超负荷使用机器。
七、不在易燃物品附近吸烟动火,不乱扔垃圾。
八、不在厂内无证驾驶机动车辆,机动车进出车间转弯必须鸣号减速。
车辆行驶中严禁爬上跳下。
九、工作时精力集中,不准打闹、赤脚、赤膊、穿拖鞋和高跟鞋。
十、上班时间不准怠工、滋事、脱岗或擅离职守。
有事请假经领导批准后方可离开岗位。
三级安全教育卡-----WORD格式--可编辑--专业资料-----“三级”安全教育记录卡姓名家庭住址身份证号三级教育名称内容性别年龄工种进公司、工地时间教育者及职务相片教育日期及时间公司1、国务院和建设部制定的安全生产方针、政策和规程、规范;2、安全生产、劳动保护的意义和任务;3、安全生产六大纪律、十项安全技术措施,安全生产“十不准”和其它的规章制度;4、公司安全生产形势和任务以及主要事故的预防,如高处坠落、触电、物体打击、机具伤害等;5、公司以往发生的重大事故分折及应吸取的教训;6、加强个人安全保护认识,认真开展我不伤害自已,不伤害别人,不被他人伤害的安全生产活动。
1、建筑工种施工特点及安全生产基本知识;2、本单位安全生产规章、制度、纪律和安全注意事项;3、各工种的安全技术操作规程、规定;4、机械设备、电气安全及高处作业等安全基本知识和防护措施;5、防火、防毒和防爆安全知识及预防措施;6、防护用具、用品的正确利用规定;7、爱护施工现场各类安全防护设施、设备、器具、严禁擅自拆卸、损坏及有关奖罚规定。
1、本班组的作业特点及安全操作规格和作业危险区域、部位及其安全防护要求、措施;2、班组安全作业活动制度及纪律;3、爱护和正确利用安全防护装置(设施)及个人劳保用品;4、本岗位易产生变乱的不安全身分及其防护计策;5、本岗位的作业环境及利用的机械设备、工具的安全要求XXX目部班组备注1、教育卡要同工人的花名册、考试卷一一对应起来,做到全员教育;2、公司、项目、班组安全教育时间累计不少于30小时;3、教育卡应按工种归类编号--完整版研究资料分享---------WORD格式--可编纂--专业资料-----公司教育:教育人:公司安全科安全工程师(必须具有相应资质,c 证和安全主任证或注册安全工程师证)。
接受人:公司员工(领导、管理、工人等)。
工程教育:XXX专职安全管理人员(必须具有相应资质,不再赘述。
)。
三级安全教育登记表建筑安全知识测试题幕墙施工班组姓名工种得分:一、是非题:(对打√,错打×)(每题2分,共10分)1、伤亡事故是指企业职工在生产劳动过程中,发生的人生伤害,急性中毒。
()2、同一供电系统中,可以将一部分电气设备接地,而将另一部分接零。
()3、高处作业是指凡在坠落高度基准面2m及其以上有可能坠落的高处进行作业。
()4、施工现场不同层次高度同时进行交叉作业时,作业人员可以在上下同一垂直面上作业。
()5、乘坐外用电梯时应该按照电梯限载人数的规定,有秩序的上下。
()二、填空题:(每格1.5分,共51分)1、我们国家的安全生产方针是,,。
2、建筑业常发生的五类伤亡事故是、、、、。
3、新进场的劳动者必须经过“三级教育”,即、、。
4、施工现场的“三违“是指、、。
5、安全防护的“三宝“是指、、。
6、安全防护的“四口“是指、、、。
7、作业人员操作过程中,要做到“三不伤害”、、。
8、安全电压是为防止触电事故而采用的特定电源供电的电压系列,分为、、、、五级,根据不同的作业条件,选用不同的安全电压。
9、电焊属特种作业,电焊工需持证上岗,电源控制应使用。
不准使用,一、二次线必须加防触电保护装置,一次线长度不超过米,二次线长度应小于米。
接线应压接牢固,并安装。
三、选择题:(每题3分,共24分)1、电气装置的保护接地,其接地电阻不得超过,塔吊、升降机、脚手架等防雷接地,其接地电阻不得超过。
A、4ΩB、6ΩC、10Ω2、使用机械设备,作业完毕操作人员离开时,必须。
A、对机械设备进行检查B、拉闸断电C、注意防雨措施3、作业现场应保持整洁。
A、杂物不能乱丢,一幢建筑施工完毕后应及时清理。
B、应该完工一层清理一层C、作业后应及时清理,施工杂物集中存放,完工一层清理一层4、正确戴安全帽必须注意两点:一是帽衬与帽壳应有一定间隙不能紧贴,二是。
A、应把安全帽戴正B必须系紧下颚带C、不能坐在安全帽上5正确使用安全带,是要求不准将安全绳打结使用,要把安全带挂在可靠处和应。
新工人三级安全教育记录卡范本
姓名:性别:入职日期:
部门:岗位:职务:
培训日期:培训地点:培训时长:
一、基本安全常识培训
培训内容:安全生产法律法规、安全生产管理体系、劳动保护法、职业病防治法、安全生产责任制等
培训机构:培训讲师:
培训学时:培训地点:
学习进度:培训成绩:
备注:
二、安全操作规程培训
培训内容:岗位操作规程、用电安全操作规程、危险品管理及防护、作业许可制度等
培训机构:培训讲师:
培训学时:培训地点:
学习进度:培训成绩:
备注:
三、事故案例剖析培训
培训内容:近期发生的事故案例剖析、事故原因分析及防范措施等
培训机构:培训讲师:
培训学时:培训地点:
学习进度:培训成绩:
备注:
四、专业技能培训
培训内容:必要的专业技能培训,如机械设备操作、电工、焊接、安装等
培训机构:培训讲师:
培训学时:培训地点:
学习进度:培训成绩:
备注:
五、安全生产知识培训
培训内容:防火防爆安全知识、用电安全知识、高处作业安全知识、防护用品使用方法等
培训机构:培训讲师:
培训学时:培训地点:
学习进度:培训成绩:
备注:
六、交底
工作岗位的安全技术交底及操作规程讲解等。
交底日期:
交底人:
七、复训
复训日期:复训内容:
复训机构:复训讲师:
复训成绩:学习进度:
备注:
八、安全工作台账
安全事故情况:安全检查情况:安全隐患整改情况:安全生产奖惩:备注:
以上内容由个人填写,确认无误后请签字:
日期:。
姓名培训级别(第一级)厂级培训(由企业组织进行)(学时许多于8 学时)(第二级)部门(车间)级培训(由车间组织进行)(学时许多于8 学时)(第三级)班组级培训(由班组进步行)新职工三级安全教育记录卡新职工三级安全教育记录卡所在部门岗位名称(车间)主要培训内容日期/ 地址/ 判断/ 指导师1、安全生产及安全生产培训的意义和任务;培训2、企业概略及安全管理;日期3、安全生产基本知识,职业安全健康知识;培训4、基本的安全技术知识,典型的工伤事故地址事例及防备举措;判断:5、作业场所和工作岗位存在的危险和危害指导师署名:要素、防备举措及事故应急举措;6、从业人员的权益和义务。
培训1、本车间的生产特色、危险地区、危险部日期位和设施状况;培训2、本车间的安全生产管理人员和规章制度;地址危险性作业项目、安全管理程序;判断:3、安全技术基础知识、劳动纪律及应注意的安全健康事项;指导师署名:4、本车间典型的事故事例及防备举措。
1、本班组的生产特色、作业环境、危险、培训危害地区和本岗位设施状况;日期2、本岗位、本工种的安全生产责任制、安培训全操作规程等;地址(学时许多于8 学时)3、个人劳动防备用品及正确佩戴、使用方法,本岗位安全卫生操作方法示范,清除故障的方法、相互合作的安全事项,危险性作判断:业项目、安全举措;指导师署名:4、本岗位及作业场所平时安全检查内容、方法和隐患报告、整顿要求;5、本岗位及作业场所不测状况的紧迫应变举措。
自己已经接受了上述三级职业健康、安全培训;并保证恪守国家法律法例,恪守御捷企业的安全规章制度,恪守岗位作业指导和安全要求;不违章操作、不违章指挥、不违犯劳动纪律,做一名御捷企业遵章守纪的职工!受培训人员署名(手签):年月日安全教育培训签到册培训时间组织部门培训内容培训地址讲课人姓名单位受训人培训签到成绩姓名单位成绩。
新工人三级安全教育记录卡编号:姓名: 身份证号码:单位名称:班组及工种:江桥酒店项目5号楼(酒店)油烟净化系统专业分包工程分包作业人员进场施工安全承诺书一、进入施工项目自觉出示有效身份证件、操作证,办理相关登记手续.二、进入施工现场前与上安公司相关分包单位签订有效的劳务用工合同三、自觉接受各类安全教育和培训,不断提高安全生产相关知识水平。
四、对项目部、公司及上级部门安全管理人员提出的工作要求坚决服从,不以任何形式阻扰安全检查,不谩骂、殴打安全检查及执法人员。
五、严格执行本工种安全技术操作规程,遵守国家、行业、地方和企业相关安全生产的各项规定,无有效的特殊工种操作证绝不从事特种作业。
六、进入施工现场戴好安全帽、扣好帽扣,穿着上安公司统一的工作服,并戴好安全带(不管是否登高作业),登高作业时将安全带保险钩正确挂扣与牢固部位,做到高挂低用。
七、不从脚手架和移动平台外侧攀爬,不爬上风管和桥架作业,不利用翘头板、钢梁、管道作为立足平台,不使用无验收合格牌的设备及设施.八、不在塔吊垂直下方及拆模、拆脚手管警戒区域内施工作业,不在临边搁置物品,现场交叉作业做好安全防护措施。
九、不在项目施工现场吸游烟,不在仓库、油漆间、易燃物堆场等禁火区域内吸烟及动用明火,动火作业按规定开具动火审批证。
十、在宿舍内不私拉乱接电线,不存放油漆、氧乙炔和液化气钢瓶等危险物品,不使用炉灶、热得快、电水壶、电饭煲等加热器具,不使用电热毯、小吊扇等危险电器,不卧床吸烟。
十一、发现重大安全隐患立即上报项目经理、安全员或相关管理人员,发现作业区内存在重大安全隐患且可能危及生命安全时应立即撤离.十二、如若违反上述规定,服从项目部按相关制度实施处罚。
承诺人签名:见证人签名(分包单位负责人):见证单位:上海易嘉建设工程有限公司2018年月日江桥酒店项目5号楼(酒店)油烟净化系统专业分包工程施工人员治安保卫综合治理、安全教育登记表受教育日期:2018。