三级安全教育记录卡
- 格式:docx
- 大小:400.38 KB
- 文档页数:3
三级安全教育记录卡安全教育是企业管理中非常重要的一环,尤其是在工业生产领域,安全教育更是必不可少的一项工作。
为了更好地记录和管理员工的安全教育情况,我们制定了三级安全教育记录卡,以便全面了解员工的安全教育情况,及时发现问题并进行改进。
一、员工基本信息。
姓名,__________ 性别,__________ 年龄,__________。
部门,__________ 岗位,__________ 入职时间,__________。
二、安全教育情况。
1. 参加安全教育培训的时间和内容。
日期,__________ 内容,__________。
日期,__________ 内容,__________。
日期,__________ 内容,__________。
2. 安全操作规程的掌握情况。
掌握情况,()完全掌握()基本掌握()未掌握。
3. 安全事故案例的学习情况。
学习情况,()已学习()未学习。
4. 安全防护用品的使用情况。
使用情况,()正确使用()未正确使用。
5. 安全意识和责任感。
意识和责任感,()较强()一般()较弱。
6. 安全生产知识的掌握情况。
掌握情况,()良好()一般()较差。
三、安全教育考核。
1. 安全教育考核成绩。
成绩,__________ 考核时间,__________。
2. 安全教育考核评价。
评价,__________ 考核人,__________。
四、安全教育改进意见。
1. 针对员工的安全教育改进意见。
意见,__________ 负责人,__________。
2. 针对安全教育培训内容的改进意见。
意见,__________ 负责人,__________。
3. 针对安全教育考核方式的改进意见。
意见,__________ 负责人,__________。
五、安全教育记录。
1. 安全教育记录人,__________ 记录时间,__________。
2. 安全教育记录审核人,__________ 审核时间,__________。
“三级”安全教育记录卡“三级”安全教育记录卡是一种用于记录和管理企事业单位员工安全教育培训情况的工具。
通过对每位员工的安全教育培训进行记录和管理,能够确保员工的安全意识得到提高,提高企事业单位的安全管理水平。
以下是对“三级”安全教育记录卡的详细介绍。
一、“三级”安全教育记录卡的作用1.记录员工的安全培训信息:包括培训时间、培训地点、培训内容、培训人员等。
通过记录员工的安全培训情况,能够清晰地了解到员工已经接受过哪些培训以及培训的内容。
2.提高员工的安全意识:通过不断进行安全培训,并对培训情况进行记录和管理,能够逐步提高员工的安全意识。
员工在接受过多次安全培训后,能够更加注重自身的安全行为,从而减少安全事故的发生。
3.加强安全管理:通过记录员工的安全培训情况,能够了解到员工的安全培训需求,有针对性地进行安全培训,提高培训的有效性。
同时,通过安全教育记录卡的管理,能够监督和评估安全培训的质量,及时纠正培训过程中的问题。
二、“三级”安全教育记录卡的内容1.员工信息:包括员工姓名、性别、岗位、部门、职务等基本信息,以便对员工进行个性化的安全培训。
2.安全教育培训信息:包括培训时间、培训地点、培训内容、培训人员、培训方式等。
通过记录这些信息,能够清楚了解到员工接受过哪些安全培训,以及培训的内容和方式。
3.安全教育培训记录:包括员工参加培训的次数、培训期限、培训结果等。
通过记录这些信息,能够了解员工的培训次数和效果,分析培训成果,并根据培训结果调整培训计划。
4.安全教育培训评价:包括员工对培训的评价、培训效果的评价等。
通过员工的评价,能够了解到培训的优点和不足之处,为改进培训提供依据。
5.安全教育培训管理:包括培训计划的制定、培训机构的选择、培训人员的选拔等。
通过对培训过程进行管理,能够提高培训的质量和效果。
三、“三级”安全教育记录卡的使用方法1.建立安全教育记录卡档案:将每位员工的安全教育记录卡进行归档,以便随时查阅和管理。
施工人员三级安全教育记录卡范本一、填写单位信息单位名称:________________________单位地址:________________________联系电话:________________________二、填写人员信息姓名:__________________________身份证号码:____________________岗位:__________________________工种:__________________________培训日期:______________________培训地点:______________________三、填写培训内容1. 安全生产法律法规及政策宣传教育a. 安全生产法律法规b. 安全生产政策c. 安全生产标准2. 安全生产基本知识培训a. 安全生产概述b. 安全生产标志及其含义c. 安全生产的基本要求3. 火灾防控培训a. 火灾原因及危险因素分析b. 火灾防控措施c. 火灾事故应急处理4. 事故现场处理培训a. 不同类型事故应急处理方法b. 事故现场救援流程c. 急救常识及应急措施5. 安全操作规范培训a. 不同工种的安全操作规范b. 安全用电知识c. 安全用火操作规范四、考核情况1. 理论知识考核a. 随堂测试b. 理论知识问答2. 实操技能考核a. 使用各类消防器材演示b. 灭火器操作演示五、评价1. 培训过程评价a. 培训内容是否充实、实用b. 培训方式是否生动、互动2. 培训效果评价a. 学员对培训内容的掌握情况b. 学员的培训反馈及建议六、签字确认经过培训的施工人员已经掌握了相关的安全生产知识,并愿意遵守国家和单位的安全生产规定。
培训负责人:____________________________培训人员签字:__________________________日期:______________________________。
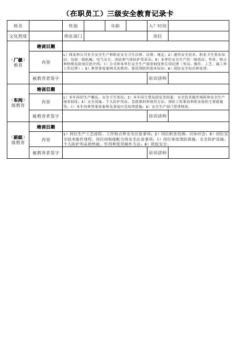
SUNDART ENGINEERING & CONTRACTING(BEIJING) LIMITED北京承达创建装饰工程有限公司“三级安全教育”记录卡姓名性别年龄家庭住址工种身份证号码进公司、工地时间三级教育级别内容教育日期及时间教育者及职务公司级1、国务院和建设部制定的安全生产方针、政策和规程、规范;2、安全生产、劳动保护的意义和任务;3、安全生产六大纪律、十项安全技术措施、安全生产“十不准”和其它的规章制度;4、公司安全生产捃任务以及主要类别事故的预防,如高处坠落、触电、物体打击、机具伤害等;5、公司以往发生的重大伤亡事故分析及应吸取的教训;6、增强个人安全保护意识,认真开展不伤害自己、不伤害别人、不被他人伤害的安全生产活动。
(企业安全教育负责本人签名)项目部级1、建筑工种施工特点及安全生产基本知识;2、本单位安全生产规章、制度、纪律和安全注意事项;3、各工种的安全技术操作规程、规定;4、机械设备、电气安全及高处作业等安全基本知识和防护措施;5、防火、防毒和防爆安全知识及预防措施;6、防护用具、用品的正确使用规定;7、爱护施工现场各类安全防护设施、设备、器具、严禁擅自拆卸、损坏及有关奖罚规定。
(安全员本人签名)班组级1、本班组的作业特点及安全操作规格和作业危险区域、部位及期安全防护要求、措施;2、班组安全作业活动制度及纪律;3、爱护和正确使用安全防护装置(设施)及个人劳保用品;4、本岗位易发生事故的不安人因素及其防护对策;5、本岗位的作业环境及使用的机械设备、工具的安全要求。
(班组长本人签名)备注1、教育卡要同工人的花名册、考试试卷一一对应起来,做到全员教育;2、教育卡应按工种归类编号。