万能充3582D图纸
- 格式:pdf
- 大小:248.87 KB
- 文档页数:5
MT3582C1万能充电器自动识别IC介绍左手665收藏时间:2016年2月15日 17:20MT3582C1 万能充电器自动识别IC MT3582C 1是一款高精度万能充电器自动识别IC,具有电池极性识别功能,对电池进行相应控制,不论电池以何种极性接入电路,都能正常充电。
支持普通三灯、二灯及七彩模式自动识别电池极性,充电饱和电压4.20V(典型值)(可通过LED1调整),空载时稳压输出,短路保护功能,极少的外围器件。
3852是一种集成化单芯片充电控制电路。
集成单芯片充电电路CT35823582是一种集成化单芯片充电控制电路。
当今社会,手机已成为每个人不可缺少的通讯工具。
作为一种移动通讯设备,最适宜的供电电源自然非充电电池莫属。
经过多年的实践应用,手机充电电池规格趋向统一,目前手机基本上都使用标称电压3.7V的锉电池作为供电电源。
现阶段手机这类对电源功率要求较高的电子产品尚不能直接使用1 .2V电压作供电电源,所以镍氢等单体电压仅有1.2V的充电电池,要用作移动设备供电电源,就必须采用串连的形式,才能满足设备的电压需求。
而铿电池的单体电压就达到3V以上,所以已经不再需要采用多节串连的形式了。
相对而言锉电池作电源的好处就显而易见了,可以忽略多电池串连应用所必须考虑的容量均衡问题。
这对延长手机电池的使用寿命,提高充电电池的使用效率至关重要。
电池标准趋于统一,为万能充电器的产生提供了广阔市场。
CT3582便是一种非常适于万能充电使用的芯片。
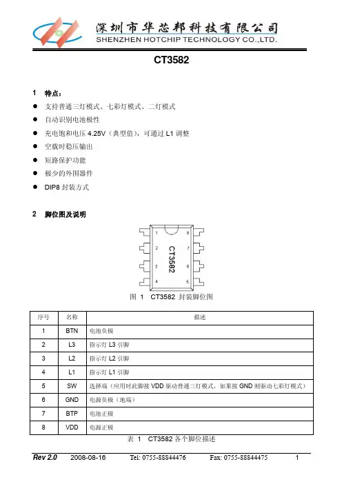
C丁3582采用了双列DIPS封装;恒流输出200mA,充电终止电压4.25V,具有终止电压微调装置,可以小范围设定终止电压,适应各表1引脚序号功能描述1充电输出负极2LEO3:指示灯L3引脚3LEOZ:指示灯L2弓}脚4LEDI电源(本文CD3582引脚资料1、BTN电池负极2、L3指示灯引脚3、L2指示灯引脚4、L1指示灯引脚5、SEL功能选择(接VDD为3灯和2灯模式,接GND为七彩模式)6、GND7、BTP电池正极8、VCC手机电池简易万能充电器的原理与制作、采用充电专用集成电路芯片CT3582的万能充这是一款采用充电专用集成电路芯片CT3582的万能充电器电路,图6是其外观图,图7为电路原理图,本电路同样完全根据厂家提供实物绘制整理,整体原理与上述电路大同小异。
手机电池简易万能充电器的原理与制作目前市场上面充斥着形形色色、各式各样的手机电池万能充电器,这里暂且不讨论这些万能充电器的充电效果如何,以及是否有损电池寿命等问题,因为事实上,有相当一部分人在使用这类万能充电器为手机电池充电.这些充电器虽然电路简单、成本低廉,但其内部大都采用了一个小型的开关电源电路,对于初学者而言,若能亲自动手组装一个手机万能充,并绘制其电路、剖析其原理,不失为入门学习开关电源原理的一个好途径。
这里介绍两款廉价、简易的手机电池万能充电器,该类充电器在市面上随处可见,价钱从4元到10几元不等,可以联系相关小厂购买电路散件套件,价格也仅为4—6元,如图1所示。
一. 跑马灯指示型万能充图2为该款跑马灯指示型万能充电路原理图,本电路完全根据实物绘制整理。
图2 跑马灯指示型万能充(一) 电路组成 从原理图中可知,该万能充实质就是一个小型开关电源电路,整个电路大致可分图1 廉价的手机万能充电器为以下几个部分:输入整流滤波电路、开关振荡电路、过压保护电路、次级整流滤波电路、稳压输出电路、自动识别极性及充电电路、跑马灯充电指示电路等。
(二)电路基本工作原理当充电器插到交流电源上后,220V交流电压经D1半波整流、C1滤波,得到约300V左右的直流电压。
由 Q1、T1、R1、R3、R4、R5、C2等元件组成的开关振荡电路将直流转换为高频交流,振荡过程如下:通电瞬间,+300V电压通过启动电阻R1为开关管Q1提供从无到有增大的基极电流I B,Q1集电极也随之产生从无到有增大的集电极电流I C,该电流流经开关变压器T1的1—2绕组,产生上正下负的自感应电动势,同时在T1的正反馈绕组3-4中也感应出上正下负的互感电动势,该电动势经R3、C2等反馈到Q1的基极,使I B进一步增大,这是一个强烈的正反馈过程:I I B↑在这个正反馈的作用下,Q1迅速进入饱和状态,变压器T1储存磁场能量。
此后正反馈绕组不断的对电容C2充电,极性为上负下正,从而使Q1基极电压不断下降,最后使Q1退出饱和状态,T1 1—2绕组的电流呈减小趋势,T1各绕组的感应电动势全部翻转,此时T1 3—4绕组的感应电动势极性为上负下正,该电动势反馈到Q1的基极后,使IB进一步减小,如此循环,进入另一个强烈正反馈过程,使Q1迅速截止.随后C2在自身放电及+300V对它的反向充电的作用下,又使Q1基极电压回升,进入下一轮循环,从而产生周期性的振荡,使Q1工作在不断的开、关状态下。
一、概要:HT3582D 是一款内置基准电压的万能充电器控制芯片,空载时稳压输出,无须外围元器件调整空载电压【LM358、3583、3582B/C 等方案需调整外围的参考电压——LED 结电压,对LED 灯的一致性要求高,并且受温度影响特别大】,HT3582D 还具有自动识别电池极性、恒压充电、预充电(电池BTP 与BTN 两端之间的电压差小于2.3V 【典型值】,电源通过HT3582D 对电池以一较小电流【25mA 典型值】进行预充电,当电池电压升高到2.3V 后即开始正常充电)、对0V 电池充电(电池正接)、短路保护、过温保护等功能。
二、脚位图及说明序号名称 描述 1 BTN 电池负极 2 L3 指示灯L3引脚 3 L2 指示灯L2引脚 4 L1 指示灯L1引脚 5 SW 功能选择(接VDD 为3灯和2灯模式,接GND 为七彩模式)6 GND 电源负极(地端) 7 BTP 电池正极 8VDD 电源正极表 1 HT3582D 各个脚位描述三.典型应用电路:14注:PIN1的104电容需接GND,与3582B/C等方案接法不一样四、充电特点HT3582D采用恒压充电模式,充电电流呈持续线性,充电结束后电池电压基本不会回滞,电池可以充得很满,电池更耐用,并且充电时不存在短时间回充的问题(俗称LED2和LED3来回闪)。
而市面上3582B/C等为脉冲充电模式,充电电压呈脉冲式关断,充电电流也呈脉冲式波动(电池的寿命跟充放电次数有很大的关系,这种充电模式很容易把电池充鼓,缩短电池的寿命),充电结束后电池电压一般会下降100mV左右,容易出现迅速回充问题。
HT3582D内置MOSFET具有比较低的内阻,在电源电压为5.2V(稳压源供电),充电的电池电压为3.6V时,充电电流一般超过350mA,特别适合带USB输出的方案使用。
下表是使用稳压电源5.2V供电时测试的电池电压在不同阶段的充电电流数据,如果万能充前级方案比较好,有足够的电流驱动能力也会有差不多的效果。
雅迪电动车充电器电路图(高标牌)雅迪的此款充电器是高标针对电动自行车铅酸电池包开发的智能型充电器,具有电池温度补偿和正负脉冲充电功能,能有效的延长电池的使用寿命、提高充电效率和避免电池硫酸盐化。
高效率开关电源加单片机智能控制技术,使本机具有输入电压宽、充电效率高、充电电压控制精准等特点;本充电器具有完善可靠的短路、过流、过压、反接等保护,使用更安全、更放心。
其电路图如下:T0:双向滤波抑制干扰D1:整流C11:滤波IC1:μc3842脉宽调制集成电路。
其5脚为电源负极;7脚为电源正极;6脚为脉冲输出直接驱动场效应管Q1(K1358);3脚为最大电流限制,调整R25(2.5欧姆)的阻值可以调整充电器的最大电流;2脚为电压反馈,可以调节充电器的输出电压;4脚外接振荡电阻R1,和振荡电容C1T1为高频脉冲变压器,其作用有三个:第一是把高压脉冲降压为低压脉冲;第二是起到隔离高压的作用,以防触电;第三是为μc3842提供工作电源D4:高频整流管(16A60V)C10:低压滤波电容D5:12V稳压二极管IC3:(TL431)为精密基准电压源,配合IC2(光电耦合器4N35)起到自动调节充电器电压的作用。
调整w2(微调电阻)可以细调充电器的电压。
D6:充电指示灯D10:电池浮充(充满)指示灯R27:电流取样电阻(0.1欧姆,5w)改变W1的阻值可以调整充电器转浮充的拐点电流(200-300 mA)通电开始时,C11上有300v左右电压。
此电压一路经T1加载到Q1。
第二路经R5,C8,C3, 达到IC1的第7脚。
强迫IC1启动。
IC1的6脚输出方波脉冲,Q1工作,电流经R25到地。
同时T1副线圈产生感应电压,经D3、R12给IC1提供可靠电源。
T1输出线圈的电压经D4、C10整流滤波得到稳定的电压。
此电压一路经D7(D7起到防止电池的电流倒灌给充电器的作用)给电池充电。
第二路经R14、D5、C9, 为LM358(双运算放大器,4脚为电源地,8脚为电源正)及其外围电路提供12V工作电源。
电路识图72-电动车充电器电路原理详解下面以TL494、LM358构成的充电器为例介绍电动车充电器电路。
一、市电滤波及变换电路市电滤波及变换电路的核心元器件是互感线圈L1、整流管D1~D4、滤波电容C1~C4,辅助元器件是熔断器F1、限流电阻RT1。
按下启动按键AN,市电电压经F1送到由C1、C2和互感线圈L1组成的线路滤波器滤除市电电网中的高频干扰脉冲,同时也可以防止开关电源产生的高频干扰脉冲窜入市电电网,影响其他用电设备的正常工作,然后再通过D1~D4组成的整流堆桥式整流,由C3,C4滤波,在C3两端建立310V左右的直流电压。
限流电阻RT1是负温度系数的热敏电阻,它可在开机瞬间限制C3因充电产生的冲击大电流。
二、功率变换器该变换器采用了自激启动、他激工作方式。
自激式启动电路的核心元器件是开关管V1,V2和电阻R2~R8,以及变压器T1和T2,他激式电路的核心元器件是PWM控制芯片IC1(TL494)、R26、C14。
由于IC1的13脚接5V电压,所以IC1的输出方式被设置为双端输出。
接通电源瞬间,由市电变换电路产生的300V电压不仅加到V1的集电极,而且通过启动电阻R2和限流电阻R3限流后加到V1的基级,为V1的发射结提供启动电流使他导通。
V1导通后,300V电压通过V1的集电极和发射极、激励变压器T2的2-4绕组、开关变压器T1的1-2绕组,C4到地构成回路,回路中的电流不仅为C4提供能量,而且在T1的一次绕组上产生2脚正、1脚负的电动势,在T2的2-4绕组上产生2脚正、4脚负的电动势,使T2的1-2绕组产生1脚正、2脚负的感应电动势,它的3-5绕组产生3脚正、5脚负的电动势。
3-5绕组的电动势使开关管V2截止,1-2绕组输出的脉冲电压通过C7,R3加到V1的基级,使V1在正反馈雪崩过程的作用下进入饱和导通状态,随后使V1和V2工作在自激振荡状态。
V1和V2工作在自激振荡状态后,T1的二次绕组输出的脉冲电压经D9和D10全波整流、C9滤波产生直流电压。
万能充电器自动极性调节芯片深圳市利源海湾实业有限公司CT3583 锂电池充电器控制芯片(DIP以及COB封装)CT3583是本公司开发的一款用于锂电万能充电器的控的IC,具有外围元器件少,性能稳定的特点。
CT3583集成了原方案充电器低压部分15个分立器件(12个电阻、一个三极管8550、一个双运放IC LM358、一个双刀双掷开关)。
【CT3581】七彩灯驱动、大电流、彩灯万能充电器自动识别IC,集成:碳膜电阻、瓷介电容、二三级管、稳压IC、电解电容等21个分立器件。
【CT3583】三色灯万能充电器自动识别IC,集成:电阻(1/4W,1/8W)、三极管(8550)、双运放(LM358)、双刀开关等15个分立器件。
【CT3584】七彩灯驱动、大电流、彩灯万能充电器自动识别IC,集成:碳膜电阻、瓷介电容、二三级管、稳压IC、电解电容等21个分立器件。
【CT3585】带开关电路,三色灯万能充电器驱动IC,集成:电阻(1/4W,1/8W)、三极管(8550)、双运放(LM358)等14个分立器件。
使用CT358x系列新方案的万能充电器与原方案相比优势:1 高度集成、减少流水线上工人人数,生产率大大提高,成品良率高。
(提高采购和生产管理、提高生产效率;产能约提高:30%以上)2 可以把产品做的更小、更精致,同时节省材料成本30%左右。
(PCB板能缩小30%,塑料外壳能缩30%)3 成品测试简单,同时大大降低返修率。
(保证在1%以下, 另维修方便, IC包退换)4 充满电压准,自动识别电池正负级、可以结合USB接口,符合国标,为客户带来更多附加价值。
(100%产品充电一致性)利源海湾实业有限公司专业CT358X系列万能充电器IC总销售超力通和亚力通等大公司已经成为我们的客户CT358X系列万能充电器IC现在已经成为市场上新的标准目前市面上面万能充主要种类:1、358+开关充电需要时间长,包装上面都写着150MA,其实很多厂家都是90mA以上都会出货的.大多都是100mA这个样子.而且充电到电池的八成满的时候,电流就越发小了.所以一般充电时间超级小,我买过一个佳能通的,一般600MAH的电池,竟然要充电8小时,而且很快就用完了.2、采用四个三极管达到自动识别效果.这种一般用在七彩灯万能充上面.(其实个人认为万能充采用七彩灯指示,晚上充电的时候,睡觉很晃眼睛.但是厂家一般都是闪的越亮越好).这种充电效果比用开关的更加差,充电到电池的八成满的时候,电流比第一种更加小,效果就更加差了.3、还有一种是利用闪灯做的,这类产品就有很多档次的,高的用了高精度电阻,充电效果比前面的两种好一些,但是还是没办法解决八成满的问题.低档次的就纯粹只是闪灯芯片在驱动灯闪烁,如果碰到电池没有保护板,一定会充爆电池的.4、使用CT3581系列芯片.目前有些公司采用了这类芯片.该芯片自动识别功能内置了,采用恒流恒压充电,充电时一直是一恒定电流,当电池达到4.25伏的时候,电流就只有几个MA,用于给指示灯供电,克服了充电八成满的问题.我试过,280MA的充电电流,三个小时就把电池充满了.一种自动识别极性的充电电路它有一个正电源,一个负电源,一个地线,正极稳压电路,负极稳压电路,分压电路,两个运放,正输出电路和负输出电路。
充电式手电筒电路图
(仅供参考,维修用)
从图上可以看出,前半部分的~220V整流很简易,没有任何的保护措施,所以这种电路给电池充电的话时间不能太长,否则电池寿命就较短,同时容易过充。
充电前要关闭电源开关(S1),否则容易烧毁电珠(L1)。
如果觉得电源整流部分不好的话,自己可以用手机充电器替代,但需要自己做一个恒流/恒压(DIY去吧),手机充电器输出5V,USB接口,自己在手电筒上安装一个充电接口,做个电路玩玩也不错。
(可以说现在每个人家里都有一大堆的手机充电器)。
七款12v充电器电路图详解简易12v充电器电路图(一)充电过程分析:1.维护充电:当电池电压较低时(可设定,本电路预设在9V以下),充电器工作在小电流维护充电状态下,工作原理为U⑨脚(同相端)电位低于⑧脚(反相端),U输出低电位,T4截止。
U1D11脚电位约0.18V.此时充电电流约250mA(恒流电路由R14,U1D,T1B周边外围电路构成,恒流原理自行分析).2.快速充电:随着维护充电继续,电池电压逐渐升高,当电池电压超过9V时,充电器转入大电流快充模式下,U⑨脚(同相端)电位高于⑧脚(反相端),U输出高电位,T4导通,U1D11脚电位约为0.48V,充电器恒定输出约电流给电池充电。
3.限压浮充:当电池接近充足电时,充电器自动转入限压浮充状态下(限压浮充电压设定为13.8V,如为6V蓄电池,则浮充电压应设定为6.9V),此时的充电电流会由快速充电状态下逐渐下降,至电池完全充足电后,充电电流仅为10~30mA,用以补充电池因自放电而损失的电量。
4.保护及充电指示电路:本电路设有反极性保护电路,由D4,U,U1D,T1及外围元件构成,当电池反接时,充电器限制输出电流不致发生事故。
充电指示由U,D7及外围元件构成,充电时,D7点亮,充电器进入浮充状态后,D7熄灭,表示充电结束。
简易12v充电器电路图(二)对于胶体电介质铅酸蓄电池来说,该电路是一个高性能的充电器。
该充电器能够迅速地为电池充电,且当电池充满时,它可迅速地断开充电。
最开始的充电电流限制在2A。
随着电池电流和电压的增加,当电流增加到150mA时,充电器就会调整至较低的漂浮电压,以防止过度充电。
简易12v充电器电路图(三)如图所示,该电路由7805构成恒流源电路,通过大功率三极管进行扩流。
简易12v充电器电路图(四)不管是一个低电流(50毫安),还是高电流(1安培),该电路都有能力提供。
你可以选择手动充电或者自动模式。
当电流很低的时候,你可以在选择高电流充电之前先用低电流。
LM358电子温控器电路图(五款模拟电路设计原理图详解)LM358电子温控器电路图(一)下图为一款使用时基电路为核心的恒温控制器电路,该恒温控制器电路使用了2只测温探头和2只上下限电位器,作为区间温度控制。
使用继电器输出的恒温控制电路,如果控温精度提高势必造成继电器在临界温度点产生抖动导致继电器触点损坏。
该款恒温控制器多次被授权,可见其有一定的影响,适合对控温精度要求不高的孵化器的控温等应用场合。
LM358电子温控器电路图(二)由LM358N构成的一款温度控制电路LM358电子温控器电路图(三)如图所示是简易的温度控制电路。
工作原理:合上电源开关K,温度低于需要的温度时,电接点水银温度计的两个探针断开,三极管基极开路,因此处于截止状态,继电器不动作,它的常闭点接通C的线圈回路,C吸合,电热器开始加热。
当温度升到需要值时,电接点水银温度计中的水银接点接通,使三极管接通,J吸合,C接触器释放,此时电热器断开电源,停止加热。
LM358电子温控器电路图(四)本例介绍的间歇控制器,能自动控制电热器、加湿器、单相交流电动机等用电设各,使之处于间歇工作状态。
电路工作原理该间歇控制器电路由电源电路、定时器和控制执行电路组成,如图所示。
图间歇控制器电路电源电路由电容器C2~C4、电阻器R3~R5、整流桥堆UR、稳压二极管VS和电源指示发光二极管VL组成。
定时器电路由计数/分频器集成电路IC、电容器C1、二极管VD2~VD4和电阻器R1、R2、R6组成。
其中R1、R2、C1和IC内电路组成时钟振荡器电路,振荡周期(T)由R2和C1的数值决定。
控制执行电路由晶体管V、电阻器R7、二极管VD1、继电器K和交流接触器KM组成。
交流220V电压经C2降压、UR整流、VS稳压、R5限流及C3滤波后,为继电器K和IC提供12V直流电压,同时将VL点亮。
IC通电工作后,对时钟振荡器产生的振荡信号进行计数和分频处理,当延时接通时间(等待时间)结束时,IC的Q14端(3脚)输出高电平,使V导通,K和KM吸合,将负载(受控用电设各)的工作电源接通。
lm358碱性电池与2.75W中功率USB充电器充电电路图详解LM358碱性电池与2.75W中功率usb充电器充电电路图详解一、lm358碱性电池充电器电路图碱性电池能否充电的问题,有两种不同的说法。
有的说可以充,效果非常好。
有的说绝对不能充,电池说明提示了会有爆炸的危险。
事实上,碱性电池确可充电,充电次数一般为30-50次左右。
实际上是由于在充电方法上的掌握,导致了截然不同的两种后果。
首先,碱性电池可以充电是毋庸置疑的,同时,在电池的说明中,都提到碱性电池不可充电,充电可能导致爆炸。
这也是没错的,但是注意这里的用词是“可能”导致爆炸。
你也可以理解为厂家的一种免责性的自我保护声明。
碱性电池充电的关键是温度。
只要能做到对电池充电时不出现高温,就可以顺利地完成充电过程,正确的充电方法要求有几点:1.小电流50MA2.不过充1.7V,不过放1.3V一些人尝试充电实践后,斩钉截铁地说不能充电,之所以出现充不进电、用电时间短、漏液、爆炸等问题,多数是充电器的问题,如果充电器充电电流太大,远超过50ma,如一些快速充电器充电电流在200ma以上,直接的后果是电池温度很高,摸上去烫手,轻则会漏液,严重的就会爆炸。
有的人使用镍氢充电电池充电器来充,低档的充电器没有自动停充功能,长时间的充电导致电池过充也会出现漏液和爆炸。
好一点的充电器有自动停充功能,但停充电压一般设定为镍氢充电电池的1.42V,而碱性电池充满电压约为1.7V。
因此,电压太低,感觉上就是充不进电,用电时间短,没什么效果。
再有就是电池不过放指的是不要等到电池完全没电再充电,这样操作,再好的电池也就能充三、五次,且效果差。
一般建议用南孚碱性电池电压不低于1.3V。
所以,你如果打算对碱性电池充电,必须要有一个合格的充电器,充电电流50ma左右,充电截止电压1.7V左右。
看看你家的充电器吧。
市面上有卖碱性电池专用充电器的,所谓专利产品。
实际上就是充电电压1.7V电流50ma的简单电路。
爱玛电动车充电器电路图(绿广牌)该电路使用可直接驱动MOS FET开关管的单端驱动器KA3842和双运算放大器LM358P构成。
KA3842在稳定输出电压的同时,还具有负载电流控制功能,因而常称其为电流控制型开关电源驱动器,用于充电器此功能具有独特的优势,只用极少的外围元件即可实现恒压输出,同时还能控制充电电流。
尤其是KA3842可直接驱动MOS FET管的特点,可以使充电器的可靠性大幅提高。
1,市电变换.市电输入经桥式整流后,形成约300V直流电压,300V电压一路通过开关变压器初级绕组加到开关管8N60的D极为它供电,另一路经150K1W电阻给KA3842供电端7脚外接47uF 电容充电,当7脚电压达到16V时,KA3842开使工作,由KA3842的6脚输出激励脉冲信号来驱动开关管8N60,此时开关变压器次级产生相应的脉冲电压.2,稳压控制.该电路的稳压控制电路由KA3842,误差取样电路TL431和光电耦合器817构成,当电源电压输出过高导致TL431的控制极1脚电压高于2.5V时TL431将控制光电耦合器817导通,从而导致KA3842的1脚电位降低,KA3842输出激励脉冲占空比减小,开关电源输出电压降低,若电源电压输出过低时控制过程相反.3,充电显示控制.当负载充电时,双运算放大器LM358P的5脚电位通过取样电阻3W0.1的取样将高于6脚电位,这时7脚输出高电位,充电指示灯红灯亮,风扇开使运转,同时7脚的高电位导致8脚输出低电位,此时5V稳压管不起作用,充电饱和指示灯绿灯不亮.当负载充足电时,双运算放大器LM358P的5脚电位通过取样电阻3W0.1的取样将低于6脚电位,这时7脚输出低电位,充电指示灯红灯灭,风扇停止运转,同时7脚的低电位导致8脚输出高电位,此时5V稳压管通过24K 电阻向TL431控制脚供电,导致开关电源整体输出有所下降,进入涓流充电状态,充电饱和指示灯绿灯亮.。
3842充电器电路图大全3842充电器电路图(一) UC3842组成的充电器电路图1中C1、V1~V4、C2组成滤波整流电路,变压器T为高频变压器,V5、R2、C11组成功率开关管V7的保护电路,NF为供给IC 电源的绕组。
单端输出IC为UC3842,其8脚输出5V基准电压,2脚为反相输入,1脚为放大器输出,4脚为振荡电容C9、电阻R7输入端,5脚为接地端,3脚为过流保护端,6脚为调宽单脉冲输出端,7脚为电源输入端。
R6、C7组成负反馈,IC启动瞬间由R1供给启动电压,电路启动后由NF产生电势经V6、C4、C5整流滤波后供给IC工作电压。
R12为过流保护取样电阻,V8、C3组成反激整流滤波输出电路。
R13为内负载,V9~V12及R14~R19组成发光管显示电路。
图1中V5、V6选用FR107,V8选用FR154,V7选用K792。
842充电器电路图(二) uc3842lm324充电器电路电路利用开关电源充电,以减小充电器的重量和体积。
本充电器电路的正常充电电流为250MA,涓流充电电流为200MA。
3842充电器电路图(三)基于KA3842的电动车充电器电路图常用电动车充电器根据电路结构,有一款是以KA3842驱动场效应管的单管开关电源,配合LM358双运放来实现三阶段充电方式。
原理如下:220v交流电经T0双向滤波抑制干扰,D1整流为脉动直流,再经C11滤波形成稳定的300V左右的直流电。
U1为KA3842脉宽调制集成电路。
其5脚为电源负极,7脚为电源正极,6脚为脉冲输出直接驱动场效应管Q1(K1358)3脚为最大电流限制,调整R25(2.5欧姆)的阻值可以调整充电器的最大电流。
2脚为电压反馈,可以调节充电器的输出电压。
4脚外接振荡电阻R1,和振荡电容C1.T1为高频脉冲变压器,其作用有三个。
第一是把高压脉冲将压为低压脉冲。
第二是起到隔离高压的作用,以防触电。
第三是为KA3842提供工作电源。
充电器充满变灯电路图(五款充电器充满变灯指示电路详细)充电器充满变灯电路图(一)电路原理图:输入直流电压高于所充电池电压3伏即可。
R1、Q1、W1、TL431组成精密可调稳压电路,Q2、W2、R2构成可调恒流电路,Q3、R3、R4、R5、LED为充电指示电路。
随着被充电池电压的上升,充电电流将逐渐减小,待电池充满后R4上的压降将降低,从而使Q3截止,LED将熄灭。
使用时请给Q2、Q3装上合适的散热器。
L:储能电感,C1:滤波,c2:自激正反馈,T3:输出短路保护,R1:限流保护,R2:启动电阻,D1:高频整流,D2:稳压基准。
工作原理上电,T2导通-》T1导通-》T1集电极电压有下降趋势--》C1反馈给T2基极-》T2基极电流增大并形成正反馈,导致T1、T2饱和,电感电流上升,上升到一定程度,T1退出饱和区,集电极电位上升,并通过C2反馈给T2基极,T2趋向截止,Ic电流减小--》T1集电极电流减小---》通过C2反馈给T2基极,最终T1、T2截止,储能电感释放能量,D1导通,C1充电。
电感储存的能量释放完毕,又回到上电的初始状态,当C1上的电压达到设定的电压,D2击穿,分流一部分T2的基极电流,T2导通时间减少,电感充电时间减少。
从而达到稳压的效果。
充电器充满变灯电路图(二)该充电器用于手机锂电池充电,电路简单。
元件少,具有恒流、限压、电池极性识别与保护功能等优点,价格低廉。
其工作原理图如图所示。
工作原理1.恒流、限压、充电电路该部分由02、R6、R8、ZD2、R9、R10和R13等元件组成。
当接通市电叫,开关变压器T1次级感应出交流电压。
经D4、C4整流滤波后提供约12.5V直流电压。
一路通过R6、R1l、R14、LED3(FuL 饱和指示灯)和R15形成回路,LED3点亮,表示待充状态:另一路电压通过R8限流,ZD2(5V1)稳压,再由并联的R9、R10和R13分压为Q2b极提供偏置,使Q2处于导通预充状态。