避雷、接地装置安装检查记录表样
- 格式:doc
- 大小:15.00 KB
- 文档页数:1
避雷带及引下线安装分部工程质量验收表工程编号:8-1表号:DL/T 5161.1表5.0.2序号分项工程名称分项验收结论备注1综合楼避雷带及引下线安装合格验收结论:验收单位签字施工单位年月日监理单位年月日接地装置安装分部工程质量验收表工程编号:8-2表号:DL/T 5161.1表5.0.2序号分项工程名称分项验收结论备注1屋外接地装置安装合格2屋内接地装置安装合格3电气二次系统等电位接地装置安装合格验收结论:验收单位签字施工单位年月日监理单位年月日全站地下-0.8m 接地网分项工程质量验收表工程编号:8-2-1.2表号:DL/T 5161.6表1.0.2安装位置全站地下-0.8m 接地网工序检验项目性质质量标准质量验收结果单项结论原材料检查接地材料材质、规格主控符合设计文件要求,有合格证明文件合格降阻材料材质、规格符合设计文件要求,有合格证明文件垂直接地极敷设接地极顶面埋设深度主控符合设计文件要求,设计无要求时应不小于0.8m埋深0.8米,符合设计要求合格接地极间距离不小于2倍接地极长度间距10米合格水平接地极敷设接地极顶面埋设深度(包括通过道路时的埋深)主控符合设计文件要求,设计无要求时应不小于0.8m埋深0.8米,符合设计要求合格水平接地极的间距符合设计文件要求,设计无要求时应不小于5m 间距7米,符合设计要求合格接地极与建筑物的距离符合设计文件要求间距大于1.5米,符合设计要求合格均压带敷设间距符合设计文件要求接地网的外缘各角应成圆弧形且闭合,圆弧的半径不小于1/2临近均压带间距半径为6m 的圆弧形合格接地线保护措施通过道路、铁路、管道等交叉处及可能使接地线遭机械损伤处用角钢覆盖或穿钢管;穿过已有建(构)筑物处有钢管或其他坚固的保护套穿钢管保护合格断接卡的位置、数量及保护措施符合设计文件要求断接卡位置、数量符合设计要求并设置断线盒保护合格引向建筑物入口处的接地点标识白底黑色的“”刷白色底漆并标以黑色“〨”符号合格标识位于接地点正上方,便于识别标识位于接地点正上方,便于识别合格接地装置连接焊接搭接长度扁钢与扁钢(槽钢)主控不小于2倍宽度,且焊接面不小于3面圆钢与圆钢或圆钢与扁钢(槽钢)主控双面焊接时不小于6倍圆钢直径单面焊接时不小于12倍圆钢直径直接焊接,或在接触部表号:DL/T 5161.6续表1.0.2工序检验项目性质质量标准质量验收结果单项结论接地装置连接焊接部位检查焊缝外观质量符合要求,无焊渣、表面防腐合格;放热焊接头无气孔放热焊接无气孔,并刷防腐沥青漆合格螺栓连接部位的检查连接规范、防松可靠断接卡螺栓连接紧固合格压接端子连接部位的检查紧密、电气连接可靠与其他连接装置间连接点数符合设计文件要求,且不小于2点大于2点,可靠连接形成闭合回路合格降阻和防腐施工降阻施工符合设计或产品技术文件要求接地极的防腐材料和质量符合设计文件要求回填土回填土质量符合设计文件要求,无腐蚀性,无石块、建筑垃圾粘土回填,无石块、建筑垃圾合格分层夯实符合设计文件要求250mm厚,分层夯实合格验收结论:验收单位签字施工单位年月日屋内接地装置安装分项工程质量验收表工程编号:8-2-2表号:DL/T 5161.6表2.0.2安装位置变电综合楼屋内工序检验项目性质质量标准质量验收结果单项结论原材料检查接地材料材质、规格主控符合设计文件要求,有合格证明文件-50×6热镀锌扁钢,合格证明文件齐全合格接地装置安装明敷接地线敷设位置符合设计文件要求,便于检查,不妨碍设备拆卸检修支持件安装支持件间距水平直线部分0.5m~1.5m垂直部分 1.5m~3.0m转弯部分0.3m~0.5m支持件固定主控牢固沿建筑物敷设时与建筑物的间距与建筑物平行,间距为10mm~15mm水平敷设时的距地面高度250mm~300mm跨越建筑物伸缩缝或沉降缝的措施应有伸缩补偿装置接地线弯成弧状合格穿过墙壁、楼板处的保护措施加装钢管或坚固的保护管穿管保护合格引向建筑物的入口处的接地点标识白底黑色的“”刷白色底漆并标以黑色“〨”符号合格标识位于接地点正上方,便于识别标识位于接地点正上方,便于识别合格电气装置的接地与接地母线或接地网的连接主控连接可靠、无串接连接可靠、无串接合格接地体连接扁钢与扁钢(槽钢)主控焊接长度不小于2倍宽度,且焊接不小于3个棱边搭接110mm,3面满焊合格圆钢与圆钢或圆钢与扁钢的连接长度主控双面焊接长度不小于6倍圆钢直径单面焊接长度不小于12倍圆钢直径焊接部位检查主控焊缝外观质量符合要求,无焊渣,表面防腐合格焊缝饱满,无焊渣合格表号:DL/T 5161.6续表2.0.2工序检验项目性质质量标准质量验收结果单项结论接地装置安装与屋外或其他接地装置连接点数主控符合设计文件要求,且不小于2点与屋外主接地网27点连接合格接地线与支持件间连接牢固其他明敷接地线标识15mm~100mm等宽的黄色、绿色相间的条纹标识中性线标识淡蓝色标识淡蓝色标识合格验收结论:验收单位签字施工单位年月日综合楼避雷带接地装置安装分项工程质量验收表工程编号:8-1-1表号:DL/T 5161.6表3.0.2安装位置综合楼楼顶工序检验项目性质质量标准质量验收结果单项结论集中接地装置敷设材料材质、规格主控符合设计文件要求,有合格证明或复检结论合格接地极顶面埋设深度主控符合设计文件要求,设计无要求时应不小于0.8m 接地极间距离不小于2倍接地极长度与接地网连接可靠引下线安装器材材质、规格主控符合设计文件要求-50×6热镀锌扁钢,合格证明文件齐全合格引下线与接地网的连接可靠引下线与避雷带焊接牢固,与主接地网螺栓连接紧固合格引下线固定牢固暗敷固定牢固合格断接卡设置与连接符合设计文件要求暗敷接线盒保护,距地1.6米,与主地网螺栓连接合格其他接地装置安装用作避雷针接地引线的金属筒体与接地极的连接两点对称,可靠独立避雷针及其接地装置与道路或建筑物的出入口距离主控≥3m ;当小于3m 时,应采取均压措施或铺设卵石或沥青地面独立避雷针和避雷线独立的集中接地装置与接地网的地中距离≥3m ;不能满足时,应符合设计文件要求避雷针或防雷金属网与建筑物顶部的其他金属物体连接可靠且连成一体可靠且连成一体合格厂、站内避雷线检查挡内不应有接头验收结论:验收单位签字施工单位年 月 日继电保护及安全自动装置的接地装置安装分项工程质量验收表工程编号:8-2-3表号:DL/T 5161.6表4.0.2安装位置变电综合楼工序检验项目性质质量标准质量验收结果单项结论等电位接地网装置安装材料材质、规格铜制材料,截面不小于100mm2TMY-25×4铜排,合格证明文件齐全合格与主接地网的连接主控采用不小于50mm2、不小于4根的铜缆与主接地一点直接连接,且连接位置远离强电场4根VV-1.0-1×50电缆与主地网1点连接合格屏柜下的等电位接地网连成环网,用绝缘子固定连成环网,用绝缘子固定合格屏柜内的等电位接地铜排截面不小于100mm2,用绝缘子固定25×4铜牌,用绝缘子固定牢固合格屏柜内等电位接地铜排与等电位接地网连接铜芯电缆,截面不小于50mm2合格电缆屏蔽层接地采用截面不小于4mm2的多股铜线与等电位铜排可靠连接,接地方式符合设计文件要求合格等电位接地铜排的固定符合设计文件要求用膨胀螺丝将380V绝缘子固定于沟道内上方沟壁,铜排与绝缘子螺栓固定合格其他电压互感器、电流互感器的二次回路接地电流回路各绕组一点接地,公用电压回路全站一点接地,接地点位置符合设计文件要求电流回路各绕组一点接地,公用电压回路全站一点接地,接地点位置符合设计文件要求合格控制电缆铠装层直接接地直接接地合格验收结论:验收单位签字施工单位年月日全站地下-0.8米接地网屋外接地装置隐蔽前检查签证工程编号:8-2-1.2表号:DL/T 5161.6表6.0.2检查范围全站地下-0.8m接地网检查项目检查结果备注接地沟深度(m)-0.8米水平接地极材质、规格垂直接地极材质、规格接地装置连接方法热熔焊接地极搭接长度接地极焊接面数水平与垂直接地极连接方法热熔焊焊接处的防腐措施刷沥青防腐漆接地装置顶面距地面高度(m)-0.8米沟内有无石块、建筑垃圾无石块建筑垃圾接地装置布置图应有份数1实有份数1验收结论:验收单位签字施工单位年月日接地电阻测试签证工程编号:表号:DL/T 5161.6表6.0.4测试范围测试日期年月日天气情况环境温度(℃)测试方案及过程简述:接地电阻实测值(Ω)接地电阻设计值(Ω)测试人员资格检查情况检测用设备、仪器检查情况施工记录资料检查情况附件:接地电阻测试报告,接地导通测试报告验收结论:[经检查验收:××接地网接地电阻测试记录及报告(接地电阻测试、接地导通测试)真实、齐全,所测区域接地电阻符合设计规定,接地导通合格]验收单位签字施工单位年月日。
2避雷及接地装置接地隐蔽工程验收记录日期:xxxx年xx月xx日项目名称:xxxx项目工程地点:xxxx地点工程单位:xxxx单位监理单位:xxxx单位施工单位:xxxx单位一、项目概述本次工程是为了确保建筑物在雷电天气下的安全运行,采取了避雷及接地装置接地隐蔽工程。
该工程包括避雷器、接地极、接地线等设备的安装,确保设备的有效接地,保护建筑物及其内部设备。
二、施工过程1.施工单位按照图纸要求,对避雷器、接地极、接地线等设备进行了准确的安装。
2.施工单位使用了符合国家标准的材料和设备,并在施工过程中注意了安全措施,确保施工人员的人身安全。
3.施工单位按照规范对避雷器、接地极、接地线等设备进行了必要的测试,确保设备的正常运行。
三、验收内容1.避雷器安装验收(1)根据图纸要求,避雷器的安装位置正确,与建筑物之间的距离合理。
(2)避雷器的接地线与接地极连接正常,接地线电阻符合规范要求。
(3)避雷器与其他设备之间的连接牢固,无松动现象。
2.接地极安装验收(1)接地极的数量及布置符合设计要求。
(2)接地极的材料、尺寸符合规范要求。
(3)接地极的安装深度符合规范要求。
(4)接地极与接地线之间的连接正常,无松动现象。
3.接地线安装验收(1)接地线的材料、规格符合国家标准要求。
(2)接地线的敷设路径合理,与避雷器、接地极之间的连接正常。
(3)接地线的绝缘性能良好,无破损、老化现象。
四、验收结论经过对避雷及接地装置接地隐蔽工程的验收,施工单位按照设计图纸要求进行了设备的安装,材料规格符合国家标准要求,施工质量良好。
避雷器、接地极、接地线等设备的安装位置、连接正常,达到了设计要求。
验收结论如下:1.避雷器安装合格。
2.接地极安装合格。
3.接地线安装合格。
五、存在的问题及改进措施在实际施工过程中,发现以下问题:1.XX避雷器与接地线之间存在连接不牢固的情况,需要进行重新固定。
2.XX接地极的安装深度未完全达到规范要求,需要重新调整。
防雷及接地安装隐蔽工程检查验收记录编号:(01-18/03-02/04-02/05-16)/06-17 /(08-20/09-01)□□□1 / 30防雷及接地安装隐蔽工程检查验收记录编号:(01-18/03-02/04-02/05-16)/06-17 /(08-20/09-01)□□□2 / 303 / 30防雷及接地安装隐蔽工程检查验收记录编号: (01-18/03-02/04-02/05-16)/06-17 /(08-20/09-01)□□□4 / 30防雷及接地安装隐蔽工程检查验收记录编号:(01-18/03-02/04-02/05-16)/06-17 /(08-20/09-01)□□□5 / 30防雷及接地安装隐蔽工程检查验收记录编号:(01-18/03-02/04-02/05-16)/06-17 /(08-20/09-01)□□□6 / 30防雷及接地安装隐蔽工程检查验收记录编号: (01-18/03-02/04-02/05-16)/06-17 /(08-20/09-01)□□□7 / 30防雷及接地安装隐蔽工程检查验收记录编号: (01-18/03-02/04-02/05-16)/06-17 /(08-20/09-01)□□□防雷及接地安装隐蔽工程检查验收记录编号:(01-18/03-02/04-02/05-16)/06-17 /(08-20/09-01)□□□8 / 30防雷及接地安装隐蔽工程检查验收记录9 / 30编号:(01-18/03-02/04-02/05-16)/06-17 /(08-20/09-01)□□□10 / 30防雷及接地安装隐蔽工程检查验收记录编号:(01-18/03-02/04-02/05-16)/06-17 /(08-20/09-01)□□□11 / 30防雷及接地安装隐蔽工程检查验收记录编号:(01-18/03-02/04-02/05-16)/06-17 /(08-20/09-01)□□□12 / 30电线导管敷设隐蔽工程检查验收记录编号:(01-18/03-02/04-02/05-16)/06-17 /(08-20/09-01)□□□13 / 30防雷及接地安装隐蔽工程检查验收记录编号:(01-18/03-02/04-02/05-16)/06-17 /(08-20/09-01)□□□14 / 3015 / 30防雷及接地安装隐蔽工程检查验收记录编号:(01-18/03-02/04-02/05-16)/06-17 /(08-20/09-01)□□□16 / 30防雷及接地安装隐蔽工程检查验收记录编号:(01-18/03-02/04-02/05-16)/06-17 /(08-20/09-01)□□□17 / 30防雷及接地安装隐蔽工程检查验收记录编号:(01-18/03-02/04-02/05-16)/06-17 /(08-20/09-01)□□□电线导管敷设隐蔽工程检查验收记录18 / 30编号:(01-18/03-02/04-02/05-16)/06-17 /(08-20/09-01)□□□19 / 30防雷及接地安装隐蔽工程检查验收记录编号:(01-18/03-02/04-02/05-16)/06-17 /(08-20/09-01)□□□20 / 30防雷及接地安装隐蔽工程检查验收记录编号:(01-18/03-02/04-02/05-16)/06-17 /(08-20/09-01)□□□21 / 30防雷及接地安装隐蔽工程检查验收记录编号:(01-18/03-02/04-02/05-16)/06-17 /(08-20/09-01)□□□防雷及接地安装隐蔽工程检查验收记录编号:(01-18/03-02/04-02/05-16)/06-17 /(08-20/09-01)□□□23 / 30防雷及接地安装隐蔽工程检查验收记录编号:(01-18/03-02/04-02/05-16)/06-17 /(08-20/09-01)□□□25 / 30防雷及接地安装隐蔽工程检查验收记录编号:(01-18/03-02/04-02/05-16)/06-17 /(08-20/09-01)□□□26 / 30防雷及接地安装隐蔽工程检查验收记录编号:(01-18/03-02/04-02/05-16)/06-17 /(08-20/09-01)□□□27 / 30防雷及接地安装隐蔽工程检查验收记录编号:(01-18/03-02/04-02/05-16)/06-17 /(08-20/09-01)□□□28 / 30防雷及接地安装隐蔽工程检查验收记录编号:(01-18/03-02/04-02/05-16)/06-17 /(08-20/09-01)□□□防雷及接地安装隐蔽工程检查验收记录编号:(01-18/03-02/04-02/05-16)/06-17 /(08-20/09-01)□□□29 / 3030 / 30。
地面防雷装置巡查记录表
说明:1.建筑物使用性质:填写住宅或非住宅。
2.检查内容中带“△”为重点检查项目,不带“△”为一般检查项目。
3.总评等级:填写完好、一般或较差即可。
避雷针设备检查共4项。
4项全部为完好的,总评等级为完好;4项中无较差项,切定为一般的等于或超过2项,总评等级为一般;4
项中定为较差的等于或超过2项(较差项中只要有1项需要通过改造或更新解决的),总评等级为较差。
4.分项等级:在相应的分项等级栏内划“√”即可。
每个分项的重点检查项目及一般检查项目全部合格,分项等级为完好;每个分项的重点检查项目全部合格,一般检查项目有
2条以下不合格(不合格项通过维修即能解决),分项等级为一般;入不合格项只能通过中修或大修解决的,分项等级为较差。
检查人: 记录人: 填报日期:
填报日期: 年 月 日。
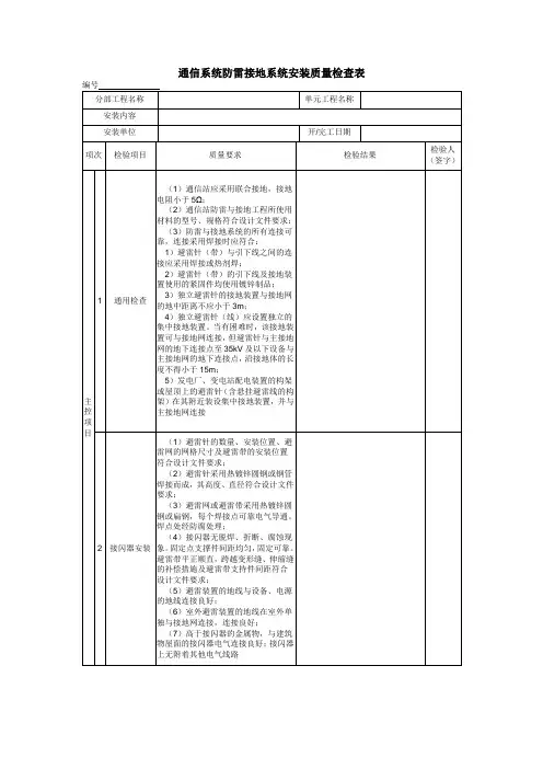
避雷、接地装置安装检查记录
DQ1-03
单位工程名称***降压站避雷、接地装置安装工程编号CXD-SC-01 施工图号CXD-SC-FY-D-B-12
1、绘图并简述避雷、接地装置情况:接地引下线为-40×5镀锌扁钢,垂直接地体为DN50热镀锌水煤气管。
水平接地体为-40×5×6000 镀锌扁钢,扁钢搭接长度大于80mm并四面施焊,扁钢与圆钢搭接长度大于圆钢直径的 6 倍,双面施焊。
接地体水平埋深 1.1 米。
屋顶避雷器为-25×4热镀锌扁钢,与降压站基础暗梁内ø12主钢筋可靠焊接连通。
简图略(图中应标明测试点并编号)
2、接地电阻测量记录:降压站接地装置共测试*处接地电阻分别为1#0.15 欧、2#***…屋顶避雷带接地共测试*处接地电阻分别为1#0.6 欧、2#***…。
3、检查意见:合格
施工班(组)长:
质检员:
技术负责人:
年月日建设(监理)单位专业工程师:
年月日
说明:绘图并简述避雷接地装置情况填写接地种类、材质、规格、长度、埋入深度,连接方法以及防腐情况等。
“检查意见”监理单位填写避雷、接地装置检查中发现的问题,整改意见及确认。