钻孔灌注桩旁站记录表样本
- 格式:doc
- 大小:52.27 KB
- 文档页数:3
旁站11钻孔灌注桩灌注混凝土监理旁站记录模板一:【工程项目名称】旁站11钻孔灌注桩灌注混凝土监理旁站记录1. 项目概况1.1 项目名称:1.2 项目地点:1.3 项目施工单位:1.4 项目监理单位:1.5 旁站人员:1.6 旁站日期:2. 灌注混凝土工程2.1 混凝土配合比:2.2 施工设备:2.3 施工方法:2.4 施工进度:3. 施工现场条件3.1 温度:3.2 湿度:3.3 天气状况:3.4 施工区域:3.5 施工环境:4. 施工过程记录4.1 开始时间:4.2 施工人员:4.3 施工材料准备:4.4 灌注混凝土过程:4.5 灌注混凝土质量控制: 4.6 施工安全措施:4.7 施工问题及解决方案:5. 结果评估5.1 混凝土灌注效果:5.2 施工质量合格情况: 5.3 施工进度满足要求:5.4 施工安全状况:6. 后续工作建议6.1 补充施工措施:6.2 施工质量改进方案:6.3 施工进度调整计划:6.4 安全管理措施补充:【附件】本文档涉及的附件请查阅附件清单。
【法律名词及注释】1. 监理单位:负责对工程施工进行监督、检查、验收的专业机构或个人。
2. 混凝土配合比:指混凝土中水泥、砂、骨料和掺合料等组成部分所占比例的确定。
3. 施工环境:指施工区域周围的自然和人为环境条件。
模板二:【工程项目名称】旁站11钻孔灌注桩灌注混凝土监理旁站记录1. 项目概况1.1 项目名称:1.2 项目地点:1.3 项目施工单位:1.4 项目监理单位:1.5 旁站人员:1.6 旁站日期:2. 施工准备2.1 材料准备:2.2 设备准备:2.3 周边环境评估:2.4 施工人员分工:3. 施工过程记录3.1 灌注混凝土设备:3.2 施工进度计划:3.3 灌注混凝土配合比:3.4 开始灌注混凝土时间:3.5 灌注混凝土的方法和技术要求:3.6 施工中的安全措施:3.7 施工中的质量控制措施:3.8 施工问题及处理措施:4. 施工结果评估4.1 混凝土灌注质量评估:4.2 施工质量合格情况:4.3 施工进度满足要求:4.4 施工安全状况:5. 后续工作建议5.1 对灌注混凝土质量的改进措施:5.2 对施工进度的优化建议:5.3 对安全管理的补充措施:【附件】本文档涉及的附件请查阅附件清单。
钻孔灌注桩监理旁站记录日期:具体年月日天气:天气情况工程名称:工程名称施工部位:具体施工部位施工单位:施工单位名称监理单位:监理单位名称一、施工准备情况1、施工人员现场施工人员数量满足施工要求,包括钻孔工人、钢筋工、混凝土工等。
施工人员均佩戴安全帽等安全防护用品,精神状态良好。
2、施工机械(1)钻孔桩机:型号为具体型号,设备运行正常,已进行调试和校准。
(2)吊车:用于吊运钢筋笼,型号为具体型号,性能良好,操作人员具备相应资质。
(3)混凝土搅拌车:数量为X辆,能够保证混凝土的连续供应。
3、材料准备(1)钢筋:规格、型号、数量符合设计要求,有质量证明书和检验报告,已进行见证取样送检,结果合格。
(2)混凝土:采用商品混凝土,由混凝土供应商名称供应,配合比符合设计要求,随车提供了出厂合格证和质量检验报告。
4、技术交底施工单位已对施工人员进行了技术交底,内容包括钻孔灌注桩的施工工艺、质量标准、安全注意事项等。
二、施工过程1、测量放线施工单位使用全站仪对桩位进行了测量放线,监理人员对测量结果进行了复核,偏差在允许范围内。
2、护筒埋设护筒采用钢板制作,直径比桩径大Xcm,埋设深度为Xm,护筒中心与桩位中心偏差小于Xcm,护筒周围用黏土分层夯实,以保证护筒的稳定性和防止泥浆流失。
3、钻孔(1)钻机就位后,对钻机的水平度和垂直度进行了调整,符合要求后开始钻孔。
(2)钻孔过程中,根据地质情况控制钻进速度和泥浆比重。
泥浆比重控制在X~X之间,以保证孔壁的稳定性和排渣效果。
(3)每隔Xm 左右测量一次钻孔深度和孔径,及时调整钻进参数。
钻孔深度达到设计要求后,进行清孔。
4、清孔(1)采用正循环清孔方法,清孔时间不少于X分钟,清孔后的泥浆比重控制在X以下,含砂率小于X%,孔底沉渣厚度小于Xcm。
(2)清孔完成后,监理人员对孔深、孔径、孔底沉渣厚度等进行了检查,符合设计和规范要求。
5、钢筋笼制作与安装(1)钢筋笼在现场加工制作,主筋的焊接采用双面搭接焊,焊缝长度大于Xd(d 为主筋直径),焊缝饱满、无夹渣。
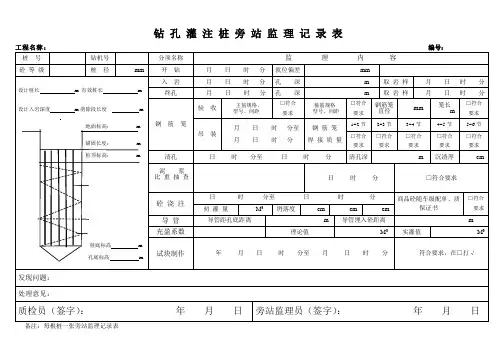
钻孔灌注桩旁站监理记录表
备注:每根桩一张旁站监理记录表
钻孔灌注桩旁站监理记录表填写方法
“桩号”填的是施工单位提供的桩编号
“钻机号”填的是钻孔灌注桩桩机的编号
“砼等级”与“桩径”填的是当前施工的桩需灌注的砼等级与桩直径
“地面标高”填的是施工单位根据施工现场所测的标高
“锚固长度”填的是钢筋笼主筋的直径的35倍(就是35D)
“桩顶标高”填的是图纸上设计所提供的灌注桩顶部标高
“桩底标高”填的是有效桩长的底部标高
“孔底标高”填的是施工单位钻孔记录表上记录的实际钻孔深度
假设孔底标高为70m;桩机施工所用的钻头(此钻头为三角钻,牙轮钻不减)为1.2m;地面标高为1.5m;桩顶标高为6.5m;沉渣为0.05m;凿除段(加灌长度)为1.5m
有效桩长的计算方法:孔底标高70m—0.4m(1.2m*1/3这部分属于无效桩长应减去)—沉渣0.05m+地面标高为1.5m—桩顶标高为6.5m=64.55m
理论值:(有效桩长+凿除段)*3.1415*桩半径*桩半径
实灌值:理论值*充盈系数(一般为1.15上下)
坍落度:一般为18±3cm
清孔深:孔深—沉渣厚
笼长:(钢筋笼总节数-1)*10D+35D D为钢筋笼主筋直径。
钻孔灌注桩旁站记录表(范例)
(2010-06-23 18:06:06)
转载▼
标签:
钻孔灌注桩
注浆
持力层
钢筋笼
坍落度
杂谈
分类:现场工作
钻孔灌注桩施工工序较多,每道工序均需监理验收,实测实量的项目也不少,因此,监理见证、旁站的过程按照工序的顺序编制了旁站记录表格,记录表里有按照设计要求填写的数据,也有需现场实测实量的数据,并要求对过程验收进行评价并签字。
本工程还有桩端注浆,因此将注浆工序也编列其中。
以下是本项目运用的旁站监理记录表的实例范本:
钻孔灌注桩监理检查记录表
工程名称:杭州来福士广场地下工程设计桩径:Φ600编号:129
准备工作桩号:K611钻机编号:3#签名护筒标高:-0.50 m就位情况:符合要求
钻具总长:46.23 m桩顶标高:-16.65 m
设计桩长:25.4 m桩底标高:42.05 m
机高: 1.2 m理论机余:3.48 m
钻开钻时间:6月13日5:30结束时间:6月13日13:00签名。
钻孔灌注桩监理检查记录表工程名称:杭州来福士广场地下工程设计桩径:Φ600 编号:129余杭老320国道至德清申嘉湖杭高速新市互通公路工程公路建设项目施工放样现场记录表承包人:浙江省宏途交通建设有限公司合同号:02 合同监理单位:杭州公路工程监理咨询公司编号:浙路(JS)101浙江省交通厅工程质量监督站监制余杭老320国道至德清申嘉湖杭高速新市互通公路工程公路建设项目基础(钻孔灌注桩)工程现场质量检验报告单(二)承包人:浙江省宏途交通建设有限公司合同号:02合同监理单位:杭州公路工程监理咨询公司工程编号:浙路(ZJ)813浙江省交通厅工程质量监督站监制余杭老320国道至德清申嘉湖杭高速新市互通公路工程公路建设项目钢筋和预应力筋加工、安装及张拉工程现场质量检验报告单(一)(钢筋安装)承包人:浙江宏途交通建设有限公司合同号:02合同监理单位:杭州公路工程监理咨询公司工程编号:浙路(ZJ)注:1、本表签字人员一般应指单位工程的相关人员(检验负责人除外)浙江省交通厅工程质量监督站监制余杭老320国道至德清申嘉湖杭高速新市互通公路工程公路建设项目桩基础回旋钻孔原始记录(一)承包人:浙江省宏途交通建设有限公司监理单位:杭州公路工程监理咨询公司合同号:02合同质检员:施工负责人:施工员:现场监理:浙江省交通厅工程质量监督站桩基础回旋钻孔原始记录(二)承包人:浙江省宏途交通建设有限公司监理单位:杭州公路工程监理咨询公司合同号:02合同质检员:施工负责人:施工员:现场监理:浙江省交通厅工程质量监督站监制余杭老320国道至德清申嘉湖杭高速新市互通公路工程公路建设项目钻(挖)孔桩终孔后灌注前检查记录承包人:浙江宏途交通建设有限公司合同号:02合同浙江省交通厅工程质量监督站监制余杭老320国道至德清申嘉湖杭高速新市互通公路工程公路建设项目桩基钢筋笼施工原始记录承包人:浙江省宏途交通建设有限公司合同号:02合同浙江省交通厅工程质量监督站监制余杭老320国道至德清申嘉湖杭高速新市互通公路工程公路建设项目水泥砼(砂浆)浇筑申请单承包人:浙江省宏途交通建设有限公司合同号:02合同余杭老320国道至德清申嘉湖杭高速新市互通公路工程公路建设项目结构物水泥(砂浆)配料通知单承包人:浙江省宏途交通建设有限公司合同号:02合同浙江省交通厅工程质量监督站监制余杭老320国道至德清申嘉湖杭高速新市互通公路工程公路建设项目水下砼灌注原始记录承包单位:浙江省宏途交通建设有限公司监理单位:杭州公路工程监理咨询公司合同号:02合同浙路(JS)610 结构物名称:编号:第页共页质检员:施工负责人:施工员:现场监理:浙江省交通厅工程质量监督站监制余杭老320国道至德清申嘉湖杭高速新市互通公路工程公路建设项目凿桩检查记录承包人:浙江宏途交通建设有限公司合同号:02合同监理单位:杭州公路工程监理咨询公司编号:浙路(JS)注:除一类桩外,经检测桩质量有少量缺陷而不影响使用者,须经设计代表认可。
钻孔灌注桩灌注旁站记录一、工程概况工程名称:_____施工单位:_____监理单位:_____灌注桩编号:_____桩径:_____桩长:_____设计混凝土强度等级:_____灌注日期:_____二、施工准备情况1、施工人员现场管理人员:_____,职责明确,能够有效组织施工。
灌注作业人员:_____,均持证上岗,具备相关施工经验。
2、施工机械设备混凝土搅拌运输车:_____辆,车况良好,能够满足混凝土运输需求。
灌注导管:_____套,经过检查和试压,无渗漏现象。
吊车:_____台,性能稳定,能够满足钢筋笼和导管的吊装要求。
3、原材料水泥:_____品牌,具有出厂合格证和质量检验报告,复试合格。
砂:_____产地,级配良好,含泥量符合要求。
石子:_____产地,粒径均匀,含泥量符合要求。
钢筋:_____品牌,具有出厂合格证和质量检验报告,复试合格。
4、施工方案施工单位已编制钻孔灌注桩灌注专项施工方案,并经监理单位审批通过。
三、施工过程1、钢筋笼安装钢筋笼制作符合设计要求,主筋间距、箍筋间距、钢筋笼直径和长度等偏差均在允许范围内。
钢筋笼采用吊车缓慢吊起,垂直下放至桩孔内,下放过程中未发生碰撞孔壁现象。
钢筋笼安装到位后,采用吊筋固定,确保钢筋笼的位置准确。
2、导管安装导管采用丝扣连接,连接牢固,密封性良好。
导管底口距孔底距离控制在 300 500mm 之间。
3、二次清孔采用正循环清孔方法,清孔时间约为_____小时。
清孔结束后,测量孔底沉渣厚度,符合设计要求(小于 50mm)。
测量孔内泥浆性能指标,比重为_____,黏度为_____,含砂率为_____,均符合规范要求。
4、混凝土灌注混凝土采用商品混凝土,由_____搅拌站供应,混凝土配合比符合设计要求。
混凝土运至现场后,检查坍落度,为_____mm,符合设计要求(180 220mm)。
首批混凝土灌注量经过计算,满足导管埋深大于 1m 的要求。
灌注过程中,导管埋深控制在 2 6m 之间,通过测量混凝土面高度,及时拆除导管。
钻孔灌注桩旁站监理记录表
备注:每根桩一张旁站监理记录表
钻孔灌注桩旁站监理记录表填写方法
“桩号”填的是施工单位提供的桩编号
“钻机号”填的是钻孔灌注桩桩机的编号
“砼等级”与“桩径”填的是当前施工的桩需灌注的砼等级与桩直径
“地面标高”填的是施工单位根据施工现场所测的标高
“锚固长度”填的是钢筋笼主筋的直径的35倍(就是35D)
“桩顶标高”填的是图纸上设计所提供的灌注桩顶部标高
“桩底标高”填的是有效桩长的底部标高
“孔底标高”填的是施工单位钻孔记录表上记录的实际钻孔深度
假设孔底标高为70m;桩机施工所用的钻头(此钻头为三角钻,牙轮钻不减)为1.2m;地面标高为1.5m;桩顶标高为6.5m;沉渣为0.05m;凿除段(加灌长度)为1.5m
有效桩长的计算方法:孔底标高70m—0.4m(1.2m*1/3这部分属于无效桩长应减去)—沉渣0.05m+地面标高为1.5m—桩顶标高为6.5m=64.55m
理论值:(有效桩长+凿除段)*3.1415*桩半径*桩半径
实灌值:理论值*充盈系数(一般为1.15上下)
坍落度:一般为18±3cm
清孔深:孔深—沉渣厚
笼长:(钢筋笼总节数-1)*10D+35D D为钢筋笼主筋直径
期间费用预算是预算期内经营活动必要的管理费用、销售费用、财务费用等预算。
在编制预算时应当区分变动费用与固定费用、可控费用与不可控费用编制。
根据以前年度实际费用水平和预算期内的变化因素,结合费用开支标准及合理控制成本、费用的要求进行编制。
钻孔灌注桩监理检查记录表工程名称:来福士广场地下工程设计桩径:Φ600编号:129余杭老320国道至德清申嘉湖杭高速新市互通公路工程公路建设项目施工放样现场记录表承包人:省宏途交通建设合同号:02 合同监理单位:公路工程监理咨询公司编号:浙路(JS)101省交通厅工程质量监督站监制余杭老320国道至德清申嘉湖杭高速新市互通公路工程公路建设项目基础(钻孔灌注桩)工程现场质量检验报告单(二)承包人:省宏途交通建设合同号: 02合同注:1、本表签字人员一般应指单位工程的相关人员(检验负责人除外)省交通厅工程质量监督站监制余杭老320国道至德清申嘉湖杭高速新市互通公路工程公路建设项目钢筋和预应力筋加工、安装及拉工程现场质量检验报告单(一)(钢筋安装)承包人:宏途交通建设合同号:02合同省交通厅工程质量监督站监制余杭老320国道至德清申嘉湖杭高速新市互通公路工程公路建设项目桩基础回旋钻孔原始记录(一)承包人:省宏途交通建设监理单位:公路工程监理咨询公司合同号:02合同质检员:施工负责人:施工员:现场监理:省交通厅工程质量监督站桩基础回旋钻孔原始记录(二)承包人:省宏途交通建设监理单位:公路工程监理咨询公司合同号:02合同质检员:施工负责人:施工员:现场监理:省交通厅工程质量监督站监制余杭老320国道至德清申嘉湖杭高速新市互通公路工程公路建设项目钻(挖)孔桩终孔后灌注前检查记录承包人:宏途交通建设合同号:02合同注:一座桥(或结构物)桩基完工后,需用JS612表对桩基进行汇总。
省交通厅工程质量监督站监制余杭老320国道至德清申嘉湖杭高速新市互通公路工程公路建设项目桩基钢筋笼施工原始记录承包人:省宏途交通建设合同号:02合同省交通厅工程质量监督站监制余杭老320国道至德清申嘉湖杭高速新市互通公路工程公路建设项目水泥砼(砂浆)浇筑申请单承包人:省宏途交通建设合同号:02合同省交通厅工程质量监督站监制余杭老320国道至德清申嘉湖杭高速新市互通公路工程公路建设项目结构物水泥(砂浆)配料通知单承包人:省宏途交通建设合同号:02合同省交通厅工程质量监督站监制余杭老320国道至德清申嘉湖杭高速新市互通公路工程公路建设项目水下砼灌注原始记录承包单位:省宏途交通建设监理单位:公路工程监理咨询公司合同号:02合同浙路(JS)610质检员:施工负责人:施工员:现场监理:省交通厅工程质量监督站监制余杭老320国道至德清申嘉湖杭高速新市互通公路工程公路建设项目凿桩检查记录承包人:宏途交通建设合同号:02合同监理单位:公路工程监理咨询公司编号:浙路(JS)注:除一类桩外,经检测桩质量有少量缺陷而不影响使用者,须经设计代表认可。
钻孔灌注桩监理旁站记录表工程名称:闵行区xx商办项目
桩号桩
径
设计桩长
垂直度
实际桩长
旁站监理的部位或工序:
桩机就位时间地面
标高
机高
桩机
编号
号机
成孔
设计孔深
(至磨盘)
设计桩顶标高
成孔
时间终极孔深
(至磨盘)
质量情况
下钢筋笼
钢筋笼长节数配筋情况时间焊接质量
监测
布管
下放前螺旋箍
脱焊的补焊情况
钢筋笼
除锈等
一次清孔泥浆
理
论比
重
实测
比重
沉渣
厚度
孔深
(至
磨盘)
时间
二次清孔泥浆
理
论比
重
实测
比重
沉渣
厚度
孔深
(至
磨盘)
时间
格构柱格构柱长度
灌砼
灌砼前泥浆
参数比重
开始时间结束时间砼标号
砼配
合比
试块
组数
砼坍
落度
设计
方量
灌砼实
际方量
充盈
系数
发现问题及处理情况:
旁站监理人员(签字):
年月日。
钻孔灌注桩灌注旁站记录日期:_____年_____月_____日天气:晴工程名称:_____工程施工部位:_____灌注桩编号:_____一、施工准备情况1、施工人员现场施工负责人:_____技术负责人:_____灌注桩施工班组人员:_____人,均已到位。
2、施工机械设备钻孔桩机:型号_____,设备运行正常。
混凝土搅拌机:型号_____,运转良好。
混凝土输送泵:型号_____,工作正常。
吊车:型号_____,性能可靠。
3、原材料水泥:品牌_____,强度等级_____,有出厂合格证及检验报告。
砂:产地_____,细度模数_____,质量符合要求。
石子:产地_____,粒径_____,级配良好。
钢筋:品牌_____,规格型号_____,有质量证明书及复试报告。
4、施工方案施工单位已提交钻孔灌注桩灌注专项施工方案,并经审批通过。
二、施工过程情况1、钻孔钻机就位准确,水平、稳固。
钻进过程中,泥浆比重控制在_____,黏度_____,含砂率_____,符合规范要求。
钻孔深度达到设计要求_____m,经测量孔底标高为_____m。
2、清孔采用_____方法进行清孔,清孔时间_____小时。
清孔后,泥浆比重_____,黏度_____,含砂率_____,孔底沉渣厚度_____cm,符合设计及规范要求。
3、钢筋笼制作与安装钢筋笼制作符合设计要求,主筋间距_____mm,箍筋间距_____mm,焊接质量良好。
钢筋笼采用吊车分段安装,连接牢固,垂直下放,保护层垫块设置均匀,符合规范要求。
4、混凝土灌注混凝土配合比设计报告编号_____,强度等级为_____。
混凝土坍落度实测值为_____mm,符合设计要求。
首批混凝土灌注量满足导管埋深要求,导管埋深_____m。
灌注过程中,导管埋深控制在_____m 至_____m 之间,混凝土上升速度均匀,无堵管、断桩等异常情况。
灌注混凝土顶面标高高于设计桩顶标高_____m,以保证桩头混凝土质量。
钻孔灌注桩旁站监理记录表
备注:每根桩一张旁站监理记录表
钻孔灌注桩旁站监理记录表填写方法
“桩号”填的是施工单位提供的桩编号
“钻机号”填的是钻孔灌注桩桩机的编号
“砼等级”与“桩径”填的是当前施工的桩需灌注的砼等级与桩直径
“地面标高”填的是施工单位根据施工现场所测的标高
“锚固长度”填的是钢筋笼主筋的直径的35倍(就是35D)
“桩顶标高”填的是图纸上设计所提供的灌注桩顶部标高
“桩底标高”填的是有效桩长的底部标高
“孔底标高”填的是施工单位钻孔记录表上记录的实际钻孔深度
假设孔底标高为70m;桩机施工所用的钻头(此钻头为三角钻,牙轮钻不减)为1.2m;地面标高为1.5m;桩顶标高为6.5m;沉渣为0.05m;凿除段(加灌长度)为1.5m
有效桩长的计算方法:孔底标高70m—0.4m(1.2m*1/3这部分属于无效桩长应减去)—沉渣0.05m+地面标高为1.5m—桩顶标高为6.5m=64.55m
理论值:(有效桩长+凿除段)*3.1415*桩半径*桩半径
实灌值:理论值*充盈系数(一般为1.15上下)
坍落度:一般为18±3cm
清孔深:孔深—沉渣厚
笼长:(钢筋笼总节数-1)*10D+35D D为钢筋笼主筋直径。