2020-2021全国备战中考物理电路类问题的综合备战中考模拟和真题分类汇总
- 格式:doc
- 大小:846.50 KB
- 文档页数:20
一、初中物理电路类问题1.如图所示,电源电压不变,1R 、2R 为定值电阻,R 为滑动变阻器,a 、b 是电流表或电压表,当只闭合开关S 、S 1时,a 、b 的指针均明显偏转,将位于中点的滑片P 向左移动,a 的示数不变,b 的示数有变化。
以下说法正确的是( )A .b 可能是电流表、也可能是电压表B .只闭合S 、S 2,移动滑片P ,则a 示数的变化量与b 示数的变化量的比值可能等于12R R +C .若将b 换成另一种电表,只闭合S 、S 2,将滑片P 向右移动,2R 消耗的功率一定变大D .若将a 与b 的位置互换,只闭合S 、S 2,则a 的示数与b 的示数的比值可能等于2R 【答案】D 【解析】 【分析】 【详解】A .假设b 是电流表,a 是电流表,当只闭合开关S 、S 1时,R 与R 2并联接在电路中,a 、b 的指针均明显偏转,将位于中点的滑片P 向左移动,根据UI R=可知,a 的示数是不变的,b 的示数有变化,这种情况符合题意,所以b 可能是电流表;假设b 是电压表,a 是电流表,当只闭合开关S 、S 1时,有电流流过R 2,但没有电流流过R ,a 的指针明显偏转,b 表测的是电源电压,也明显偏转,但是将位于中点的滑片P 向左移动,根据U I R=可知,a 的示数是不变的,b 的示数是不变的,这种情况与题意不符合,所以这个假设不成立;假设b 是电压表,a 是电压表,当只闭合开关S 、S 1时,两个电压表测的都是电源电压,指针均明显偏转,但是将位于中点的滑片P 向左移动,电源电压不变,那么两表的示数是不变的,这情况与题意不符合,所以这个假设也不成立;综上所述,b 不可能是电压表,只能是电流表,A 错误;B .假设b 是电流表,a 是电压表,当只闭合开关S 、S 1时,有电流流过b 表,b 表有示数,a 表测的是电源电压,也有示数,将位于中点的滑片P 向左移动,根据UI R=可知,b 的示数有变化,a 的示数是不变的,大小还是等于电源电压,这种情况符合题意,所以b 可能是电流表,a 可能是电压表;只闭合S 、S 2,这时R 1与R 串联,电压表a 测的是R 两端的电压,电流表测的是电路中的电流,则可知1UR I∆=∆,即电压表a 示数的变化量与电流表b 示数的变化量的比值等于R 1;当b 是电流表,a 是电流表时,只闭合S 、S 2,R 、R 2被短路,电路是R 1的简单电路,即使移动滑片P ,a 、b 两表的示数都不会变化;综上所述,a 示数的变化量与b 示数的变化量的比值不可能等于12R R +;B 错误;C .把b 换成电压表,a 是电压表时,只闭合S 、S 2,R 1、R 2与R 串联,滑片P 向右移动,电阻变小,电路的总电阻变小,电流变大,根据22P I R =可知,R 2消耗的功率变大;如果把b 换成电压表,a 是电流表时,只闭合S 、S 2,R 被短路,R 1、R 2串联,滑片P 向右移动,电阻不变,电路的总电阻不变,电流不变,根据22P I R =可知,R 2消耗的功率不变;C 错误;D .a 是电压表,b 是电流表时,若把a 与b 的位置互换,只闭合S 、S 2,R 被短路,R 1、R 2串联,电流表测电路中的电流,电压表测R 2两端的电压,那么a 的示数与b 的示数的比值是R 2;当a 、b 都是电流表时,若把a 与b 的位置互换,只闭合S 、S 2,R 、R 2被短路,只有R 1接在电路中,两电流表的示数相等,它们的比值是1;D 正确。
一、初中物理电路类问题1.如图所示,电源电压不变,R1、R2为定值电阻,R为滑动变阻器,a、b是电流表或电压表。
当只闭合开关 S、S1时,a、b的指针均明显偏转,将位于中点的滑片P向左移动,a 的示数不变,b的示数有变化。
下列说法正确的是()A.a是电流表B.只闭合S、S2,将滑片P 向右移动,a的示数一定变小C.只闭合S、S2,将滑片P向右移动,R1消耗的功率一定变大D.只闭合 S、S1,将滑片P向右移动,整个电路消耗的总功率一定变大【答案】D【解析】【分析】【详解】A.当只闭合开关 S、S1时,定值电阻R1短路, a、b的指针均明显偏转,滑动变阻器R与表b串联,将位于中点的滑片P向左移动,b的示数有变化,则表b一定是电流表;定值电阻R2与表a串联,若a是电流表,此时滑动变阻器R与定值电阻R2并联,根据并联等压的规律以及欧姆定律可判断,a是电流表时示数不变,若a是电压表,因为内阻很大,此时相当于测电源电压示数不变,所以a可能是电流表,也可能是电压表。
故A错误;BC.只闭合S、S2时,若a、b都是电流表,滑动变阻器R与定值电阻R2被短路,电流表a 测通过定值电阻R1的电流,由于定值电阻R1两端电压、阻值不变,所以电流表a的示数不变,根据P=UI可知R1消耗的功率不变;若a、b都是电压表,滑动变阻器R、定值电阻R1、定值电阻R2串联,电压表a测滑动变阻器R两端电压,将滑片P向右移动,滑动变阻器R接入阻值变小,电路通过电流变大,根据串联分压的规律可知滑动变阻器R两端电压变小,即电压表a的示数变小,根据P=I2R可知R1消耗的功率变大;若a是电流表,b是电压表,滑动变阻器R被短路,定值电阻R1、定值电阻R2串联,电流表a电路电流,由于定值电阻R1、定值电阻R2阻值不变,电源电压不变,根据欧姆定律可知电路电流不变,就电流表a的示数不变,根据P=I2R可知R1消耗的功率不变;若a是电压表,b是电流表,定值电阻R2被短路,滑动变阻器R、定值电阻R1串联,电压表a测滑动变阻器R两端电压,将滑片P 向右移动,滑动变阻器R接入阻值变小,电路通过电流变大,根据串联分压的规律可知滑动变阻器R两端电压变小,即电压表a的示数变小,根据P=I2R可知R1消耗的功率变大。
一、初中物理电路类问题1.两个完全相同的验电器,分别带上不等量的异种电荷,现将它们的金属球用一根金属导体接通后分开,则两验电器金属箔()A.张角一定都减小,且带上等量的异种电荷B.张角一定都增大,且带上等量的异种电荷C.张角一定是有一个增大,且带上等量的同种电荷D.张角一定是有一个减小,且带上等量的同种电荷【答案】D【解析】【详解】由于两个验电器带的是不同的电荷,所以在用金属导体接触时会发生中和现象,少的那种电荷会被多的电荷中和掉,然后剩余的电荷被两个验电器平分,所以最后两个验电器会带上等量的同种电荷;由于发生了中和现象,少的电荷会被中和掉,而多的电荷由于中和现象也会减少,所以原来带电荷多的验电器的夹角一定会减小;故D项符合题意、ABC项不符合题意;2.受新型冠状病毒的影响,一“罩”难求。
一般医用口罩至少要有三层,外层需要阻挡外界空气中的灰层、细菌、唾沫等飞溅物,中间层经过静电处理,可以阻挡细菌等微小颗粒(潮湿环境中会失去静电),内层要吸收佩戴者呼出的水汽、飞沫等。
某口罩的构造如图所示。
下列说法正确的是()A.口罩潮湿后防护能力降低B.佩戴口罩时应该使白色吸水无纺布朝外C.口罩的中间层静电熔喷布能吸引小磁针D.佩戴口罩后内层潮湿是呼出的水蒸气升华形成【答案】A【解析】【分析】【详解】A.潮湿环境中会失去静电,口罩潮湿后,会失去静电,中间层不可以阻挡细菌等微小颗粒, 口罩防护能力降低,A正确;B.由题意可知,内层要吸收佩戴者呼出的水汽、飞沫等,那么白色吸水无纺布应该是内层,有吸水能力,佩戴口罩时应该使白色吸水无纺布朝内,B错误;C.带电体能吸引轻小物体,所以中间层静电熔喷布能吸引细菌等微小颗粒,但它不是磁体,不能吸引小磁针,C错误;D.佩戴口罩后内层潮湿是呼出的水蒸气液化形成的,D错误。
故选A。
3.如图所示,当开关S闭合后,下列说法正确的是()A.灯L1与灯L2并联,电压表测的是灯L2两端的电压B.灯L1与灯L2串联,电压表测的是灯L2两端的电压C.电流表A1测的是灯L1的电流D.电流表A2测的是总电流【答案】A【解析】【分析】【详解】AB.从图中可以看到,电流从电源正极流出,流过开关、电流表A1,然后分成两部分电流,一部分电流流过灯泡L1,最后回负极;另一部分电流流过电流表A2,再流过灯泡L2,最后回负极;电压表并联在灯泡L2两端,可知灯L1与灯L2并联,电压表测的是灯L2两端的电压;A正确、B错误;C.电流表A1接在干路中,测的是干路电流,不是测灯L1的电流,C错误;D.电流表A2与灯L2串联,测的是灯L2的电流,不是总电流,D错误。
一、初中物理电路类问题1.图所示的电路中,能够实现每个开关都可以单独控制两盏灯同时工作的是()A.B.C.D.【答案】B【解析】【详解】A.从图中可以看到,当开关S1闭合时,四盏灯都被短路,这种情况不符合要求,A项不合题意;B.从图中可以看到,灯L1和灯L2并联后再和开关S1串联,灯L3和灯L4并联后再和开关S2串联,当开关S1闭合后,只控制灯L1和灯L2两灯亮,当开关S2闭合后,只控制灯L3和灯L4两灯亮,这种情况符合要求,选项B符合题意;C.从图中可以看到,灯L1和灯L2并联后再和开关S1串联,但开关S2接在干路中,当开关S2断开时,四盏灯都不能亮,这不是每个开关都可以单独控制两盏灯同时工作,C项不合题意;D.从图中可以看到,当开关S1闭合,开关S2断开时,灯L3和灯L4能亮,灯L1和灯L2不能亮,当开关S1断开,开关S2断开时,灯L3和灯L4还能亮,灯L1和灯L2还是不能亮,不能实现每个开关都可以单独控制两盏灯同时工作,D项不合题意。
2.如图所示电路,闭合开关 S1、S2,下列对电路的分析正确的是()A.L1 与 L2并联,电流表 A1测 L2的电流B .L 1 与 L 2 串联,电流表 A 2 测干路上的电流C .当开关 S 2 断开时,通过 L 1 的电流不变, A 2 的示数变小D .当开关 S 2 断开时, A 2 的示数不变,通过 L 1 的电流变大【答案】AC【解析】【分析】【详解】AB .由图可知,闭合开关 S 1、S 2,L 1 与 L 2 并联,电流表 A 1 与 L 2 在同一支路,所以的电流表 A 1 测 L 2 的电流,电流表 A 2测量干路电流,故A 正确、B 错误;CD .并联电路各支路互不影响,由图可知,当开关 S 2 断开时,L 2 所在支路断开,通过L 2电流为0,通过 L 1 的电流不变,干路电流表A 2示数变小,故C 正确、D 错误。
3.如图所示,电源电压U 保持不变,滑动变阻器R 0的最大电阻是20Ω。
一、初中物理电路类问题1.2019年10月18日凌晨,位于西双版纳的橄榄坝澜沧江大桥顺利合龙,为中老铁路全线按期建成奠定了坚实基础,由昆明呈贡坐高铁出境变为现实。
高铁内如果两个相邻的洗手间都有人并且锁住时(锁住相当于开关闭合),红灯亮,表示“有人”,如果两洗手间都没有人或者只有一个有人时,灯不亮,表示可以使用。
如下图所示的电路图中符合这一情况的是()A.B.C.D.【答案】C【解析】【详解】A.从图中可以看到,只有一个洗手间锁住时,两个开关中只有一个会闭合,这时红灯会亮,这与题意不符合,A项不合题意;B.从图中可以看到,只有S1闭合时,即只有一个洗手间锁住时,红灯是会亮的,这与题意不符合,B项不合题意;C.从图中可以看到,两个洗手间都锁上时,两个开关都是闭合的,这时红灯会亮;如果两个洗手间都没有锁上,两个开关是断开的,这时灯不会亮;只有一个洗手间锁上时,那么只有一个开关是闭合的,这样灯是不能亮的;上述各种情况都符合题意,选项C符合题意;D.从图中可以看到,两个洗手间都锁上时,两个开关都是闭合的,电流不会流过红灯,红灯不亮,这与题意不符合,D项不合题意。
故选C。
2.俄罗斯“库尔斯克”号核潜艇在巴伦支海遇难.救援人员在艇内发现了记录潜艇各种信息的“黑盒子”,其某一部件外壳上的三个电压表的示数分别为U1、U2、U3,三个电流表的示数分别为I1、I2、I3,它的内部结构如图所示,以下对各数据的分析正确的是A.U1=U2=U3B.I1=I2+I3C.U1+U2=U3D.以上说法都不正确【答案】C【解析】【分析】【详解】分析电路图,两电阻串联,三个电流表测量串联电路中的电流,所以三个电流表的示数相同,即I1=I2=I3;电压表V1测量R1两端的电压U1,电压表V2测量R2两端的电压U2,电压表V3测量R1和R1串联两端的总电压U3,所以U1+U2=U3,故选C.3.如图所示,闭合开关,两灯并联,各电表都能正常工作.下列判断正确的是A.甲、乙、丙都是电流表B.甲、乙、丙都是电压表C.甲、乙是电压表,丙是电流表D.甲、丙是电流表,乙是电压表【答案】D【解析】【分析】【详解】由电路图知道,要使左边的灯泡工作,需要使电流从正极出来到此灯泡,再经丙表回到负极,所以,丙表为电流表;要使右边的灯泡工作,需要使电流从正极出来经过甲表到此灯泡,再经丙表回到负极,所以,甲表为电流表;由于甲表为电流表,所以,乙表只能为电压表,否则会造成电源短路,故只有D正确.4.现有三个轻质小球,实验发现其中任意两个小球相互靠近(未接触)都相互吸引.由此可判断()A.两个小球带负电,一个小球带正电B.两个小球带正电,一个小球带负电C.一个小球带正电,一个小球带负电,一个小球不带电D.一个小球带电,两个小球不带电【答案】C【解析】【分析】【详解】由题可知,三个轻质小球任意两个小球相互靠近(未接触)都相互吸引;若两个小球带负电,一个小球带正电,或者两个小球带正电,一个小球带负电,则一定会出现带同种电荷的两个小球互相排斥;所以不可能是三个小球都带电,故A、B错误;若两个小球带异种电荷,另一个小球不带电,则两个带异种电荷的小球靠近时相互吸引,同时两个带电小球都会吸引不带电的小球,故C正确;若两个小球不带电,另一个小球带电,则两个不带电的小球靠近时不会相互吸引,故D错误;故应选C.5.小明为自家的花卉大棚设计了一套智能电路管理系统,整个电路的通断可以通过手动控制开关S1或手机远程控制开关S2实现。
一、初中物理电路类问题1.两个灯泡L1和L2分别标有“6V、2A”和“9V、1A”字样,不考虑温度的影响,将它们连入同一电路中,为确保两灯均不坏,下列说法正确的是()A.将它们串联时,电路两端允许最大电压是15V B.将它们并联时,干路中允许最大电流是3AC.将它们并联时,电路中允许最大总功率是21W D.将它们串联时,L1允许的最大功率是3W【答案】D【解析】【分析】【详解】由灯泡L1标有“6V、2A”,可以求出R1===3Ω,由灯泡L2标有“9V、1A”,可以求出R2===9Ω,通过它们的电流和两端电压都不能超过额定值,否则会损坏灯泡;将它们串联时,则干路最大电流是1A,总电压为1A×(3Ω+9Ω)=12V,故A不符合题意;将它们并联时,干路两端的最大电压为6v,所以干路中允许最大电流I=+ 2.67A故B不符合题意;将它们并联时,电路中允许最大总功率P=+=16W,故C不符合题意;将它们串联时,L1允许的最大电流是1A,所以最大功率P=I2R==3W,故D符合题意;故选D。
2.如图所示,开关S闭合时通过L1、L2和L3的电流分别是0.4A、0.2A和0.8A,则电流表A2、A3和A4的示数分别为()A.1A、0.4A、0.6AB.0.4A、0.6A、1AC.0.6A、1A、0.4AD.0.6A、0.4A、1A【答案】A【解析】【详解】可以将电路图简化,简化电路如下图:由图可以看出:A1测总电流,A2测L2、L3中电流,A3测L1电流,A4测L1、L2电流,即:A1中电流为干流电流,电流为:I1=0.4+0.2+0.8=1.4A;A2中电流为L2、L3中电流之和,电流为:I2=0.2+0.8=1A;A3测L1电流,电流为:I3=0.4A;A4测L1、L2电流,电流为:I4=0.4A+0.2A=0.6A。
故选A。
3.在探究电路的电流规律实验时用了下图中的某个电路,已知R1=R2<R3,电流表的读数分别是:A1为0.3A,A2为0.15A,A3为0.45A。
一、初中物理电路类问题1.关于如图所示电路的判断,正确的是( )A .只闭合开关1S 时,灯泡1L 、3L 并联B .只闭合开关2S 时,灯泡2L 、3L 并联C .只闭合开关2S 、3S 时,灯泡2L 、3L 串联D .闭合所有开关时灯泡1L 、2L 并联,3L 短路【答案】D【解析】【分析】【详解】A .从图中可以看到,只闭合开关1S 时,电流从电源正极流出,流过灯泡3L ,流过开关1S ,再流过灯泡1L ,最后回负极,这时灯泡1L 、3L 是串联的,A 错误;B .从图中可以看到,只闭合开关2S 时,电流从电源正极流出,流过灯泡3L ,流过开关2S ,再流过灯泡2L ,最后回负极,这时灯泡2L 、3L 是串联的,B 错误;C .从图中可以看到,只闭合开关2S 、3S 时,电流从电源正极流出,不会流过灯泡3L ,会流过开关3S ,接着电流不会流过开关2S ,因为开关1S 是断开的,电流会流过灯泡2L ,最后回负极,这情况下只有灯泡2L 接在电路中,C 错误;D .从图中可以看到,闭合所有开关时,电流从电源正极流出,不会流过灯泡3L ,会流过开关3S ,然后分为两部分电流,一部分电流往上流,流过开关2S 、1S 、灯泡1L ,最后回负极,另一部分电流流过灯泡2L ,最后回负极,由上述可知,灯泡1L 、2L 并联,3L 被短路了,D 正确。
故选D 。
2.某同学利用如图甲所示的电路图测定小灯泡电阻,电路中电源电压保持4.5V 不变,灯泡上标有“2.5V ,?A ”字样,滑动变阻器上标有“50Ω 1A ”。
闭合开关,将滑片P 滑到某一位置时,两电表的示数如图乙所示,则下列说法不正确的是( )A .此时灯泡的电阻为8ΩB .此时灯泡和滑动变阻器的阻值之比为8∶7C .该电路能探究串联电路电流的特点D .该电路能探究电流与电压的关系【答案】D【解析】【分析】由图示电路图可知,灯泡与滑动变阻器串联,电流表测电路电流,电压表测灯泡两端电压;由图示电表确定其量程与分度值,读出其示数,应用串联电路特点与欧姆定律分析答题。
一、初中物理电路类问题1.考试试卷保密至关重要,为确保试卷万无一失,存放试卷的保密室有厚厚的大门,要想开门,需要主考用钥匙闭合开关S,或者两名副主考同时使用钥匙闭合开关S1、S2,使电动机工作拉开大门。
为防止有小偷从窗户或排气扇处翻入,在窗户和排气扇处还分别设有自动感应开关S3、S4,当小偷闯入时感应开关自动闭合,警铃报警。
下列电路图符合设计要求的是()A.B.C.D.【答案】C【解析】【分析】【详解】由题意可知,闭合开关S或者同时闭合开关S1、S2时,电动机工作,说明开关S1、S2串联后再与开关S并联;闭合开关S3或S4时,警铃工作,说明开关S3和S4并联。
A.由电路图可知,开关S、S1、S2中任意一个闭合时电动机都可以工作,故A不符合题意;B.由电路图可知,开关S3、S4同时闭合时,警铃才工作,故B不符合题意;C.由电路图可知,开关S或者同时闭合开关S1、S2时,电动机工作,闭合开关S3或S4时,警铃工作,故C符合题意;D.由电路图可知,开关S、S1、S2都闭合时电动机才工作,开关S3、S4同时闭合时警铃才工作,故D不符合题意。
故选C。
2.俄罗斯“库尔斯克”号核潜艇在巴伦支海遇难.救援人员在艇内发现了记录潜艇各种信息的“黑盒子”,其某一部件外壳上的三个电压表的示数分别为U1、U2、U3,三个电流表的示数分别为I1、I2、I3,它的内部结构如图所示,以下对各数据的分析正确的是A.U1=U2=U3B.I1=I2+I3C.U1+U2=U3D.以上说法都不正确【答案】C【解析】【分析】【详解】分析电路图,两电阻串联,三个电流表测量串联电路中的电流,所以三个电流表的示数相同,即I1=I2=I3;电压表V1测量R1两端的电压U1,电压表V2测量R2两端的电压U2,电压表V3测量R1和R1串联两端的总电压U3,所以U1+U2=U3,故选C.3.如图所示是一种定时课间音乐播放装置的原理图,“播放器”是有电流通过时会播放音乐的装罝;“定时开关”是到达设定时间会自动断开的开关.闭合开关S,当“定时开关”处于闭合状态时,指示灯① (填“会”或“不会”)亮,播放器② (填“会”或“不会”)播放音乐;到达设定时间定时开关”处于③ (填“闭合”成“断开”)状态,“播放器”播放音乐,下列选项中正确的是( )A.①会,②不会,③断开B.①不会,②会,③闭合C.①不会,②会,③断开D.①会,②不会,③闭合【答案】A【解析】【分析】【详解】由题意知,闭合开关S,当“定时开关”处于闭合状态时,播放器被短路,指示灯会亮,则播放器中没有电流通过,播放器不会播放音乐;到达设定时间“定时开关”处于断开状态,播放器与指示灯串联,“播放器”有电流通过,“播放器”播放音乐,故选A.4.如图所示,两个规格不同的电灯L1、L2接在电路中.闭合开关,以下判断正确的是()A.L1、L2串联B.通过L1、L2的电流相等C.电流表测干路中的电流D.电流表测通过L2的电流【答案】C【解析】【详解】由图示可知,当开闭合后,两个灯泡是并联的,电流表测通过两个灯泡的总电流,由于两个灯泡不相同,电压相等,所以通过它们的电流是不相等的,故应选C.5.用滑动变阻器改变电路中小灯泡的亮度。
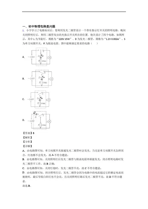
一、初中物理电路类问题1.小宇学习了电路知识后,想利用发光二极管设计一个带有指示灯开关的照明电路,晚间关闭照明灯后,利用二极管发出的光指示开关所在的位置.他共设计了四个电路,如图所示,其中L为节能灯,规格为“220V 15W”、D为发光二极管,规格为“1.2V 0.002A”、S 为单刀双掷开关、R为限流电阻。
图中能够满足要求的电路()A.B.C.D.【答案】B【解析】【分析】【详解】A.由电路图可知,单刀双掷开关接通发光二极管时会发光,当无论单刀双掷开关怎样闭合,灯泡都不会发光,故A不符合题意;B.由电路图可知,关闭照明灯后发光二极管与限流电阻串联能发光,闭合照明电路时发光二极管不工作,故B正确;C.由电路图可知,关闭灯泡时,发光二极管不亮,故C不符合题意;D.由电路图可知,闭合照明灯后,发光二极管会因为电路中的电流超过它的额定电流而被烧坏,最后导致白炽灯也不会亮,且关闭照明灯路后发光二极管不亮,故D不符合题意。
故选B。
2.如图所示是一个利用电磁继电器的温度自动控制装置。
关于该装置,下列说法正确的是()A.装置中的温度计使用的水银是绝缘体B.装置中的电磁继电器与电动机原理相同C.当温度达到90℃时,铃响灯不亮D.当温度低于90℃时,铃响灯不亮【答案】C【解析】【详解】A.装置中的温度计使用的水银是导体,这样才符合条件,使电路能够导电,A错误;B.装置中的电磁继电器是利用电流的磁效应,电动机的原理是通电线圈在磁场中受力而转动,这两个原理不同,B错误;C.从图中可以看到,当温度达到90℃时,电路接通,电磁铁会把上面的金属吸下来,此时工作电路中电铃接通,电铃会响,灯没有接入电路,灯不亮,C正确;D.当温度低于90℃时,控制电路断开,电磁铁不会把上面的金属吸下来,此时工作电路中灯接入电路,电铃没有接入电路,灯亮,电铃不响,D错误。
3.如图所示,当开关S闭合后,下列说法正确的是()A.灯L1与灯L2并联,电压表测的是灯L2两端的电压B.灯L1与灯L2串联,电压表测的是灯L2两端的电压C.电流表A1测的是灯L1的电流D.电流表A2测的是总电流【答案】A【解析】【分析】【详解】AB.从图中可以看到,电流从电源正极流出,流过开关、电流表A1,然后分成两部分电流,一部分电流流过灯泡L1,最后回负极;另一部分电流流过电流表A2,再流过灯泡L2,最后回负极;电压表并联在灯泡L2两端,可知灯L1与灯L2并联,电压表测的是灯L2两端的电压;A正确、B错误;C.电流表A1接在干路中,测的是干路电流,不是测灯L1的电流,C错误;D.电流表A2与灯L2串联,测的是灯L2的电流,不是总电流,D错误。
一、初中物理电路类问题1.《探索》节目介绍说,蜜蜂飞行与空气摩擦产生静电,因此蜜蜂在飞行中就可以吸引带正电的花粉。
经过摩擦以后的蜜蜂和空气带电情况,以下说法正确的是()A.空气不带电B.蜜蜂带正电C.蜜蜂带负电D.空气带负电【答案】C【解析】【详解】同种电荷互相排斥,异种电荷互相吸引,由题知花粉带正电与蜜蜂相互吸引,蜜蜂带负电,空气与蜜蜂摩擦生电,空气带正电,故C正确。
故选C。
2.压敏电阻的阻值是随所受压力的增大而减小的.小坤同学想设计一个通过电表示数反应压敏电阻所受压力大小的电路,其中R0是定值电阻,R代表压敏电阻,要求压力增大时电表示数增大且符合电路安全,在下图所示电路中符合要求的是:()A.B.C.D.【答案】C【解析】【分析】【详解】A.由电路图可知,压敏电阻R压与定值电阻R0并联,电流表测R0支路的电流,当压力增大时,压敏电阻R压的阻值减小,因并联电路中各支路两端的电压相等,所以由I=UR可知,电流表的示数不变,故A不符合题意;B.由电路图可知,压敏电阻R压与定值电阻R0并联,电压表测电源电压,电源电压不变,故B不符合题意;C.由电路图可知,压敏电阻R压与定值电阻R0串联,电压表测R0两端的电压,当压力增大时,压敏电阻阻值减小,根据串联电路用电器两端电压与其阻值成正比知,定值电阻两端电压增大,电压表示数增大,故C符合题意.D.由电路图可知,压敏电阻R压与定值电阻R0串联,电压表测R压两端的电压,当压力增大时,压敏电阻R压的阻值减小,由串联电路中电阻越大分得的电压越大可知,电压表的示数减小,故D不符合题意.3.图甲是身高、体重测量仪,当体检者站在台面上时,能自动显示身高和体重.电路原理如图乙所示,电压表、电流表分别显示身高和体重的大小,压敏电阻R 的阻值随压力增大而增大,滑片P 随身高增高而上滑.下列分析正确的是()A.身高越高电压表示数大B.身高越高通过R0流越小C.体重越大电流表示数越大D.体重越大压敏电阻两端电压越小【答案】A【解析】【分析】【详解】AB.由电路图可知,R与R0并联,电压表测滑片P下方电阻丝两端的电压,电流表测压敏电阻R支路的电流,因电压表的内阻很大、在电路中相当于断路,所以,人的身高变化即滑片移动时,R0接入电路中的电阻不变,因并联电路中各支路两端的电压相等,且各支路独立工作、互不影响,所以,由I=UR可知,通过R0的电流不变,故B错误;当身高越高时,滑片上移,滑片P下方电阻丝的阻值变大,由U=IR可知,滑片P下方电阻丝两端的电压变大,即电压表的示数变大,故A正确;C D.当体重越大时,压敏电阻受到的压力越大,由压敏电阻R的阻值随压力增大而增大可知,R的阻值越大,由I=UR可知,通过R的电流越小,即电流表的示数越小,故C错误;压敏电阻R两端的电压不变,仍等于电源电压,故D错误.4.在如图所示电路中,开关S闭合时,规格相同的灯泡L1、L2均能发光,图中甲、乙、丙为电表,粗心的小明在读数时只在纸上记录了如图所示数字,则下列说法中正确的是()A.L1和L2并联,甲、乙、丙示数分别为0.6V,1.2A,0.3AB.L1和L2并联,电源电压为1.2V,通过L1、L2的电流分别为0.3A、0.6AC.L1和L2串联,甲、乙、丙示数分别为0.3A、0.6V、1.2VD.L1和L2串联,电路中的电流为0.6A,L1、L2两端的电压分别为0.3V、1.2V【答案】C【解析】【分析】【详解】规格相同的两个灯泡均能发光时,它们的连接方式要么是串联,要么是并联。
一、初中物理电路类问题1.在如图所示的电路中,闭合开关S ,电路正常工作一段时间后灯L 熄灭,一个电表的示数变大,另一个电表的示数变为零,将两用电器位置互换后再次闭合开关S ,两个电表指针均发生明显偏转.若电路中只有一处故障,且只发生在灯L 或电阻R 上,则( )A .灯L 短路B .灯L 断路C .电阻R 断路D .电阻R 短路【答案】A 【解析】 【详解】A .当灯L 短路时,电压表示数为零,电流表示数变大;对调后,灯L 相当于导线,电流表和电压表均有示数,故A 符合题意;B .当灯L 断路时,将灯L 和电阻R 对调,电路处于断路状态,电流表和电压表示数均为零,故B 不符合题意;C .当电阻R 断路时,整个电路断路,电压表和电流表均没有示数,故C 不符合题意;D .当电阻R 短路时,电灯发光,对调后,电压表示数为零,故D 不符合题意.2.如图所示,电源电压U 保持不变,滑动变阻器R 0的最大电阻是20Ω。
当开关S 1闭合、S 2和S 3断开,滑动变阻器的滑片在最右端时,电压表示数是U 1,R 1的功率是P 1;当开关S 2闭合、S 1和S 3断开,滑动变阻器的滑片在最左端时,电压表示数是1U ',R 2和R 3的功率之和是1.6W ;当开关S 1、S 2和S 3都闭合,滑动变阻器的滑片在最左端时,R 1的功率是1P ',已知R 2∶R 3=1∶3,1U ∶1U ' =9∶5,11:P P ' =1∶25,下列结论正确的是( )A .电源电压是8VB .R 2的阻值是30ΩC .电流表的最大示数是2.7AD .该电路的最大功率是27W【答案】CD【解析】 【分析】 【详解】AB .第一过程:当开关S 1闭合、S 2和S 3断开,滑动变阻器的滑片在最右端时,R 1和滑动变阻器R 0的全部串联在电路中,电压表测量R 1的电压,电压表示数是U 1,如图甲。
第二过程:当开关S 2闭合、S 1和S 3断开,滑动变阻器的滑片在最左端时,R 1、R 2、R 3串联在电路中,电压表测量R 1的电压,电压表示数是U 1′,如图乙。
一、初中物理电路类问题1.如图所示,电源电压不变,1R 、2R 为定值电阻,R 为滑动变阻器,a 、b 是电流表或电压表,当只闭合开关S 、S 1时,a 、b 的指针均明显偏转,将位于中点的滑片P 向左移动,a 的示数不变,b 的示数有变化。
以下说法正确的是( )A .b 可能是电流表、也可能是电压表B .只闭合S 、S 2,移动滑片P ,则a 示数的变化量与b 示数的变化量的比值可能等于12R R +C .若将b 换成另一种电表,只闭合S 、S 2,将滑片P 向右移动,2R 消耗的功率一定变大D .若将a 与b 的位置互换,只闭合S 、S 2,则a 的示数与b 的示数的比值可能等于2R【答案】D【解析】【分析】【详解】A .假设b 是电流表,a 是电流表,当只闭合开关S 、S 1时,R 与R 2并联接在电路中,a 、b 的指针均明显偏转,将位于中点的滑片P 向左移动,根据U I R=可知,a 的示数是不变的,b 的示数有变化,这种情况符合题意,所以b 可能是电流表;假设b 是电压表,a 是电流表,当只闭合开关S 、S 1时,有电流流过R 2,但没有电流流过R ,a 的指针明显偏转,b 表测的是电源电压,也明显偏转,但是将位于中点的滑片P 向左移动,根据U I R=可知,a 的示数是不变的,b 的示数是不变的,这种情况与题意不符合,所以这个假设不成立;假设b 是电压表,a 是电压表,当只闭合开关S 、S 1时,两个电压表测的都是电源电压,指针均明显偏转,但是将位于中点的滑片P 向左移动,电源电压不变,那么两表的示数是不变的,这情况与题意不符合,所以这个假设也不成立;综上所述,b 不可能是电压表,只能是电流表,A 错误;B .假设b 是电流表,a 是电压表,当只闭合开关S 、S 1时,有电流流过b 表,b 表有示数,a 表测的是电源电压,也有示数,将位于中点的滑片P 向左移动,根据U I R=可知,b 的示数有变化,a 的示数是不变的,大小还是等于电源电压,这种情况符合题意,所以b 可能是电流表,a 可能是电压表;只闭合S 、S 2,这时R 1与R 串联,电压表a 测的是R 两端的电压,电流表测的是电路中的电流,则可知1U R I∆=∆,即电压表a 示数的变化量与电流表b 示数的变化量的比值等于R 1;当b 是电流表,a 是电流表时,只闭合S 、S 2,R 、R 2被短路,电路是R 1的简单电路,即使移动滑片P ,a 、b 两表的示数都不会变化;综上所述,a 示数的变化量与b 示数的变化量的比值不可能等于12R R +;B 错误;C .把b 换成电压表,a 是电压表时,只闭合S 、S 2,R 1、R 2与R 串联,滑片P 向右移动,电阻变小,电路的总电阻变小,电流变大,根据22P I R =可知,R 2消耗的功率变大;如果把b 换成电压表,a 是电流表时,只闭合S 、S 2,R 被短路,R 1、R 2串联,滑片P 向右移动,电阻不变,电路的总电阻不变,电流不变,根据22P I R =可知,R 2消耗的功率不变;C 错误;D .a 是电压表,b 是电流表时,若把a 与b 的位置互换,只闭合S 、S 2,R 被短路,R 1、R 2串联,电流表测电路中的电流,电压表测R 2两端的电压,那么a 的示数与b 的示数的比值是R 2;当a 、b 都是电流表时,若把a 与b 的位置互换,只闭合S 、S 2,R 、R 2被短路,只有R 1接在电路中,两电流表的示数相等,它们的比值是1;D 正确。
一、初中物理电路类问题1.如图所示,闭合开关,两只灯泡甲和乙能发光,则关于1、2、3三个学生实验电表(电流表或电压表),下列说法正确的是()A.1、2、3都是电流表B.1、2、3都是电压表C.1、2一定是同类型的表D.1和3一定是同类型的表【答案】D【解析】【详解】第一种情况:如果把2去掉,这样我们就能看出电路中有两条支路:L乙与 1串联在一条支路中,所以1就是电流表;L甲与3串联在一条支路中,所以3是电流表;2与两个灯泡并联,是电压表。
第二种情况:如果把1和3去掉,这样我们就能看出L甲、2、L乙在一条支路上,此时电路为串联电路,所以2就是电流表;1因为与灯L甲并联,所以是电压表;3与灯L乙并联,所以是电压表。
由此分析可知:1、2、3是电流表,还是电压表,取决于灯泡的连接方式,但1、3一定是同类型的表。
故选D。
2.如图所示的电路中,闭合开关时,下列说法正确的是()A.两个灯泡串联B.开关只能控制灯L1C.电流表测的是灯泡L1的电流D.电流方向从电流表到开关【答案】C【分析】【详解】A.由图可知,两灯泡并列连接,因此两个灯泡并联,故A错误;BD.电流从电源正极流出,再到开关,然后分为两条路径,一条从电流表到灯L1,另一条经过灯L2;汇合后回到负极,则开关控制整个电路,故BD错误;C.电流表A串联在L1支路上,测通过灯泡L1的电流,故C正确。
故选C。
3.在如图所示的电路中,电源电压保持不变,闭合开关S,电路正常工作,一段时间后,发现两个电表的示数都变大,则出现这种故障的可能原因是()A.R1短路B.R1断路C.R2短路D.R2断路【答案】C【解析】【分析】判断电路故障问题,是中考题中常见的题型,在不能直接确定故障原因时,将选项逐一代入题干,检查是否符合题意。
【详解】A.如果R1发生了短路,电压表示数变为零,故A错误;B.如果R1发生了断路,电流表示数变为零,故B错误;C.如果R2出现短路,电压表测量电源电压,示数变大;电路总电阻减小,电路电流增大,电流表示数增大,故C正确;D.如果R2出现断路,电流表示数变为零,故D错误。
一、初中物理电路类问题1.如图所示电路,闭合开关后,两灯正常发光,比较a b c d 、、、四处电流的大小,其中可能正确的是( )A .a d I I >B .a b I I <C .b c I I >D .c d I I =【答案】C 【解析】 【详解】A .由图知两灯并联a 、d 均为干路,电流相等,故A 错误;BD .由图知两灯并联,并联电路中干路电流大于支路电流,故BD 错误;C .没有给出两灯泡的其他信息,当两灯规格相同时,两灯电流相等,当两灯规格不同时,电阻小的,电流大,b 处电流可能大于c 处电流,故C 正确。
故选C 。
2.如图所示,电源电压U 保持不变,滑动变阻器R 0的最大电阻是20Ω。
当开关S 1闭合、S 2和S 3断开,滑动变阻器的滑片在最右端时,电压表示数是U 1,R 1的功率是P 1;当开关S 2闭合、S 1和S 3断开,滑动变阻器的滑片在最左端时,电压表示数是1U ',R 2和R 3的功率之和是1.6W ;当开关S 1、S 2和S 3都闭合,滑动变阻器的滑片在最左端时,R 1的功率是1P ',已知R 2∶R 3=1∶3,1U ∶1U ' =9∶5,11:P P ' =1∶25,下列结论正确的是( )A .电源电压是8VB .R 2的阻值是30ΩC .电流表的最大示数是2.7AD .该电路的最大功率是27W【答案】CD 【解析】 【分析】 【详解】AB .第一过程:当开关S 1闭合、S 2和S 3断开,滑动变阻器的滑片在最右端时,R 1和滑动变阻器R 0的全部串联在电路中,电压表测量R 1的电压,电压表示数是U 1,如图甲。
第二过程:当开关S 2闭合、S 1和S 3断开,滑动变阻器的滑片在最左端时,R 1、R 2、R 3串联在电路中,电压表测量R 1的电压,电压表示数是U 1′,如图乙。
已知23:1:3R R =,串联电路中功率比等于电阻比,所以23:1:3P P =,R 2和R 3的功率之和是1.6WP 2 +P 3=1.6W所以P 2 =0.4W ,P 3 =1.2W第三过程:当开关S 1、S 2和 S 3都闭合,滑动变阻器的滑片在最左端时,R 1、R 2、R 3 并联在电路中,电压表测量R 1的电压,电压表示数是电源电压U , 电流表测量R 1、R 2的总电流,如图丙。
一、初中物理电路类问题1.图甲是身高、体重测量仪,当体检者站在台面上时,能自动显示身高和体重.电路原理如图乙所示,电压表、电流表分别显示身高和体重的大小,压敏电阻R 的阻值随压力增大而增大,滑片P 随身高增高而上滑.下列分析正确的是()A.身高越高电压表示数大B.身高越高通过R0流越小C.体重越大电流表示数越大D.体重越大压敏电阻两端电压越小【答案】A【解析】【分析】【详解】AB.由电路图可知,R与R0并联,电压表测滑片P下方电阻丝两端的电压,电流表测压敏电阻R支路的电流,因电压表的内阻很大、在电路中相当于断路,所以,人的身高变化即滑片移动时,R0接入电路中的电阻不变,因并联电路中各支路两端的电压相等,且各支路独立工作、互不影响,所以,由I=UR可知,通过R0的电流不变,故B错误;当身高越高时,滑片上移,滑片P下方电阻丝的阻值变大,由U=IR可知,滑片P下方电阻丝两端的电压变大,即电压表的示数变大,故A正确;C D.当体重越大时,压敏电阻受到的压力越大,由压敏电阻R的阻值随压力增大而增大可知,R的阻值越大,由I=UR可知,通过R的电流越小,即电流表的示数越小,故C错误;压敏电阻R两端的电压不变,仍等于电源电压,故D错误.2.现有三个轻质小球,实验发现其中任意两个小球相互靠近(未接触)都相互吸引.由此可判断()A.两个小球带负电,一个小球带正电B.两个小球带正电,一个小球带负电C.一个小球带正电,一个小球带负电,一个小球不带电D.一个小球带电,两个小球不带电【答案】C【解析】【分析】【详解】由题可知,三个轻质小球任意两个小球相互靠近(未接触)都相互吸引;若两个小球带负电,一个小球带正电,或者两个小球带正电,一个小球带负电,则一定会出现带同种电荷的两个小球互相排斥;所以不可能是三个小球都带电,故A、B错误;若两个小球带异种电荷,另一个小球不带电,则两个带异种电荷的小球靠近时相互吸引,同时两个带电小球都会吸引不带电的小球,故C正确;若两个小球不带电,另一个小球带电,则两个不带电的小球靠近时不会相互吸引,故D错误;故应选C.3.如图所示是一种定时课间音乐播放装置的原理图,“播放器”是有电流通过时会播放音乐的装罝;“定时开关”是到达设定时间会自动断开的开关.闭合开关S,当“定时开关”处于闭合状态时,指示灯① (填“会”或“不会”)亮,播放器② (填“会”或“不会”)播放音乐;到达设定时间定时开关”处于③ (填“闭合”成“断开”)状态,“播放器”播放音乐,下列选项中正确的是( )A.①会,②不会,③断开B.①不会,②会,③闭合C.①不会,②会,③断开D.①会,②不会,③闭合【答案】A【解析】【分析】【详解】由题意知,闭合开关S,当“定时开关”处于闭合状态时,播放器被短路,指示灯会亮,则播放器中没有电流通过,播放器不会播放音乐;到达设定时间“定时开关”处于断开状态,播放器与指示灯串联,“播放器”有电流通过,“播放器”播放音乐,故选A.4.如图所示,两个规格不同的电灯L1、L2接在电路中.闭合开关,以下判断正确的是()A.L1、L2串联B.通过L1、L2的电流相等C.电流表测干路中的电流D.电流表测通过L2的电流【答案】C【解析】【详解】由图示可知,当开闭合后,两个灯泡是并联的,电流表测通过两个灯泡的总电流,由于两个灯泡不相同,电压相等,所以通过它们的电流是不相等的,故应选C.5.图中,用滑动变阻器来控制6伏小灯的亮暗。
一、初中物理电路类问题1.如图所示的电路中,R0是定值电阻,L是小灯泡,R是滑动变阻器,闭合开关S,发现无论怎样移动滑动变阻器的滑片,小灯泡都不发光。
现用一只电压表检测这一现象产生的原因,当电压表接ab两点时,电压表无示数;接ac两点时,电压表有示数,则产生上述现象的原因可能是()A.L短路B.L断路C.R断路D.R0短路【答案】A【解析】【分析】【详解】从图中可看到,这是一个串联电路,R、L、R0串联在一起。
A.假设L短路,电路中是有电流的,当电压表接ab两点时,电压表是没有示数的;接ac 两点时,电压表测R0的电压,有电流流过R0,那么电压表有示数;这些情况符合题中条件,所以可能是L短路,选项A符合题意;B.假设L断路,那么电路中是没有电流的,当电压表接ab两点时,有微小的电流流过电压表,电压表测的是电源电压,有示数;接ac两点时,没有电流流过电压表,电压表是没有示数的;这些情况不符合题中条件,所以不可能是L断路,B项不合题意;C.假设R断路,那么电路中是没有电流的,当电压表接ab两点时,没有电流流过电压表,电压表是没有示数的;接ac两点时,也没有电流流过电压表,电压表是没有示数的;这些情况不符合题中条件,所以不可能是R断路,C项不合题意;D.假设R0短路,电路中是有电流的,当电压表接ab两点时,有电流流过灯L,电压表有示数;接ac两点时,电压表是没有示数的;这些情况不符合题中条件,所以不可能是R0短路,D项不合题意。
故选A。
2.定值电阻R1标有“10Ω 2A”,R2标有“20Ω 1.5A”的字样。
则以下说法正确的是()A.若将两只电阻串联使用,则允许通过电阻的最大电流为2AB.若将两只电阻串联使用,允许加在它们两端总电压的最大值是45VC.若将两只电阻并联使用,则干路允许通过的电流最大值是3AD.若将两只电阻并联使用,电路允许的总电功率最大值是60W【答案】BCD【解析】【分析】【详解】A .定值电阻R 1允许通过的最大电流为2A ,R 2允许通过的最大电流为1.5A ,根据串联电路中电流处处相等,为不损坏定值电阻,则允许通过电阻的最大电流为1.5A ,故A 错误;B .由A 解析知,允许通过电阻的最大电流为1.5A ,根据I =UR 可得加在它们两端总电压的最大值为 U 大=I R ⨯大总=1.5A ⨯(10Ω+20Ω)=45V故B 正确;C .由定值电阻1R 、2R 的铭牌可知,加在它们两端的最大电压分别为1U =11I R ⨯=2A ⨯10Ω=20V ,2U =22I R ⨯=1.5A ⨯20Ω=30V根据并联电路中各用电器两端电压相等,可知它们两端的电压最大为20V ,则通过定值电阻1R 的电流为2A ,通过定值电阻2R 的电流为'2I =12U R =20V 20Ω=1A 干路允许通过的电流最大值为I 并大=2A+1A=3A故C 正确;D .若将两只电阻并联使用,电路允许的总电功率最大值为P 大=1U I 并大=20V ⨯3A=60W故D 正确。
一、初中物理电路类问题1.如图所示电路,闭合开关,电压表V1的示数为6V,V2的示数为3.4V,下列说法不正确的是()A.电源电压为6VB.将电压表V2换成电流表,则L1与L2并联C.将电压表V2换成电流表,则L1亮,L2不亮D.L1两端电压为2.6V【答案】B【解析】【分析】【详解】A.由图可知,电压表V1测量的是灯泡L1和L2组成的串联电路的总电压,电压表V1的示数为6V,即电源电压为6V,故A正确,A不符合题意;B C.将电压表V2换成电流表,则灯泡L2被短路,电路为L1的简单电路,因此灯泡L1亮,L2不亮,故B错误,C正确,B符合题意,C不符合题意;D.电压表V1测量的是电源电压,电压表V2测量的是灯泡L2两端的电压。
电压表V1的示数为6V,电压表V2的示数为3.4V,根据串联电路电压规律,因此L1两端电压为2.6V,故D正确,D不符合题意。
故选B。
2.如图(a)所示的电路中,当开关S闭合后,电路中通过的电流是0.1 A,电压表V1和V2的示数如图(b)所示,则灯L1、L2两端的电压可能是A.0.9 V,3.6 V B.0.9 V,0 VC.4.5 V,0 V D.4.5 V,4.5 V【答案】ABC【解析】【详解】由电路图可知,两灯泡串联,电压表V2测电源的电压,V1测灯L1两端的电压。
电路可能会存在以下几种情况:(1)若电路正常时:因串联电路中总电压等于各分电压之和,且V2偏转的角度等于V1偏转的角度,所以,电压表V2选择的量程为0~15V,分度值为0.5V,电源的电压U=4.5V;电压表V1选择的量程为0~3V,分度值为0.1V,灯泡L1两端的电压U1=0.9V;则灯泡L2两端的电压为:U2=U-U1=4.5V-0.9V=3.6V;(2)若L1短路,V1偏转的角度为零,图中没有这种情况;(3)若L2短路,则L2的电压为零,V1和V2测L1的电压,也就是电源电压,即示数相同,若都是大量程,即都是4.5V,若都是小量程,即都是0.9V;即则灯L1、L2两端的电压可能是4.5V、0;或0.9V、0;(4)若L1断路,V1和V2测电源电压,即示数相同,若都是大量程,即都是4.5V,若都是小量程,即都是0.9V,但电路中无电流,不符合题意;(5)若L2断路,V1不能和电源相连,故示数为零;V2测电源电压,若是大量程,即是4.5V,若是小量程,即是0.9V,但电路中无电流,不符合题意;故选ABC3.如图所示,闭合开关,两灯并联,各电表都能正常工作.下列判断正确的是A.甲、乙、丙都是电流表B.甲、乙、丙都是电压表C.甲、乙是电压表,丙是电流表D.甲、丙是电流表,乙是电压表【答案】D【解析】【分析】【详解】由电路图知道,要使左边的灯泡工作,需要使电流从正极出来到此灯泡,再经丙表回到负极,所以,丙表为电流表;要使右边的灯泡工作,需要使电流从正极出来经过甲表到此灯泡,再经丙表回到负极,所以,甲表为电流表;由于甲表为电流表,所以,乙表只能为电压表,否则会造成电源短路,故只有D正确.4.如图所示,电源电压为6V,闭合开关后,电压表的示数为4V,下列描述不正确的是()A .L 1两端电压为2VB .L 1两端电压为4VC .L 2两端电压为4VD .L 1和L 2两端电压之和为6V【答案】B【解析】【分析】【详解】 由图可知,L 1、L 2串联,电源电压为6 V ,故开关闭合后,两个灯泡的总电压是6 V , 电压表测L 2两端的电压,则L 2两端的电压:24V U =.因为两灯串联,根据串联电路电压关系,则L 1两端的电压:126?V 4?V 2?V U U U =-=-=.所以B 错误,ACD 正确. 故选ACD5.下列有关说法正确的是( )A .电路两端有电压,电路中一定有电流B .影响电阻大小的因素是材料和长度C .电动机工作时产热的多少可用Q=UIt 计算D .电功率是表示电流做功快慢的物理量【答案】D【解析】【分析】电压是形成电流的原因;电路中有电压且电路是通路,电路中才有电流.导体的电阻与导体的材料、长度、横截面积有关.电动机工作时产热多少克通过焦耳定律计算,即2Q I Rt =.电功率的物理意义是表示电流做功快慢的物理量.【详解】A 、电路两端有电压,电路中不一定有电流,还要看电路是否是通路;故A 错误;B 、导体的电阻与导体的材料、长度、横截面积有关.故B 错误;C 、电动机不属于纯电阻电路,故产热多少只能用2Q I Rt =计算.故C 错误;D 、电功率是表示电流做功快慢的物理量;故D 正确;故选D .【点睛】此题考查电学的多个知识点,理解电压与电流的关系、明确影响电阻的诸多因素、理解电动机属于非纯电阻电路、理解电功率的意义;可解答此题.6.如图甲所示的电路中,闭合开关,两灯泡均发光,且两个完全相同的电流表1A 和2A指针偏转分别如图乙、丙所示,通过灯泡1L 和2L 的电流分别为A .2.1A 0.24AB .1.2A 2.1AC .0.78A 0.42AD .0.9A 2.1A【答案】C【解析】【分析】【详解】 如图甲,A 1和A 2并联,A 1测量L 2的电流I 2,A 2位于干路,测量干路电流I ,根据干路电流等于和支路电流之和,所以2I I >,根据图乙和丙,可知,A 1使用小量程,读数为20.42A I =,A 2使用大量程,读数为 1.2A I =.因为干路电流等于和支路电流之和,所以通过L 1的电流为:12 1.2A 0.42A=0.78A I I I =-=-.故选C .7.小明设计了一种停车位是否被占用的模拟提醒装置:用指示灯L 发光的亮和暗分别表示车位被占用和未被占用,车位被占用时控制开关S 闭合,下列能实现此功能的电路是( )A .B .C .D .【答案】A【解析】【分析】【详解】由题知,车位被占用时控制开关S 闭合,此时指示灯L 发光较亮;车位未被占用时开关S 断开,指示灯L 发光较暗.A .由图知,当开关S 闭合时,此时R 被短路,只有L 接入电路,L 两端的电压为电源电压,指示灯发光较亮;开关S 断开时,L 与R 串联,总电阻较大,电流较小,指示灯发光较暗,故A 符合题意;B .由图知,当开关S 闭合时,此时L 被短路,指示灯不会发光,故B 不符合题意;C .由图知,当开关S 闭合时,此时L 与R 串联,此时灯的亮度较暗;开关S 断开时,灯泡不发光;故C 不符合题意;D .由图知,L 与R 并联,当开关S 闭合或断开,L 始终接入电路中,L 两端的电压始终为电源电压,则灯泡发光的亮度不变,故D 不符合题意.故选A .【点睛】注意熟练应用串、并联电路的电压和电流特点,都是电路的最基本规律,是分析电路的基础,一定要熟练掌握.8.如图所示的电路中,当开关S 1,S 2都闭合时,则A .电压表被烧坏B .电流表将被烧坏C .灯L 1亮,灯L 2不亮D .两只灯泡都将被烧坏【答案】B【解析】【分析】【详解】 开关1S 和2S 都闭合时,两灯以及电压表都被短路,电流表直接和电源连接。
一、初中物理电路类问题1.如图,三个不同的灯泡接在电源上,A1的示数为I1,A2的示数为I2,A3的示数为I3,各表读数关系正确的是()A.I1=I2=I3B.I1=I2+I3C.I3>I2>I1D.I1>I2>I3【答案】D【解析】【分析】由图可知三灯泡并联,A3测通过L3的电流,A2测通过L2、L3的电流,A1测干路电流,则由并联电路的电流规律可知三表中电流的大小关系。
【详解】由图可知三灯泡并联,A3测通过L3的电流,A2测通过L2、L3的电流,故一定有I2>I3A1测通过三个灯泡的电流,故一定有I1>I2所以I1>I2>I3故选D。
2.有一种能够节省电能的楼道灯控制开关。
晚上有人走动发出声音,电路接通,灯亮,过一会儿灯才自动熄灭。
不过,只有在晚上天黑后灯才亮;白天无论声音多大,灯都不亮。
这种的“光敏”和“声敏”自动装置比较复杂,我们不妨用、这样的两个符号表示,实际上,这就是两个开关:有声音时,是闭合的,环境光线非常暗时,是闭合的。
下列电路图中能实现以上功能的正确电路图是()A.B.C.D.【答案】B【解析】 【详解】由题意可知,这“光敏”和“声敏”自动装置相当于两个开关,有声音时,“声敏”自动装置闭合,环境光线非常暗时,“光敏”自动装置闭合,要求两个开关都闭合时,灯才亮,所以两个开关应该是串联,开关能够控制灯泡,所以灯泡应该与开关串联的。
故选B 。
3.如图所示的电路中,电源电压保持不变,当滑动变阻器的滑片P 向右移动时,则( )A .电流表示数变大,电压表示数变大B .电流表示数变小,电压表示数变小C .电流表示数变大,电压表示数变小D .电流表示数变小,电压表示数变大 【答案】D 【解析】 【分析】 【详解】由电路图可知,R 1与滑动变阻器R 3并联后,与R 2串联,电流表测通过R 3的电流,电压表测R 1两端电压。
当滑动变阻器的滑片P 向右移动时,R 3接入电路中电阻增大,则电路中总电阻变大,根据UI R =可知,电路中总电流变小;又根据U IR =可知,R 2两端电压U 2变小,因为电压表示数 2U U U =-源电源电压保持不变,所以电压表示数变大。
根据UI R=可知,电压表示数变大时,通过R 1的电流变大,又因为电路中总电流变小,由并联电路的电流规律可知,通过R 3的电流变小,即电流表示数变小。
故选D 。
4.如图所示,电源电压不变,闭合开关S ,当滑动变阻器滑片P 向右移动时( )A.电流表A1示数变小,电压表V示数不变B.电流表A2示数变大,电压表V示数不变C.电压表V示数与电流表A1示数比值不变D.电压表V示数与电流表A2示数比值变小【答案】C【解析】【分析】【详解】AB.由电路图可知,R1与R2并联,电流表A1测R1支路的电流,电流表A2测干路电流,电压表测电源的电压。
因电源电压不变,所以,当滑动变阻器滑片P向右移动时,电压表V 的示数不变。
因并联电路中各支路独立工作、互不影响,所以,通过R1的电流不变,即电流表A1的示数不变;当滑动变阻器滑片P向右移动时,滑动变阻器接入电路中的电阻变大,由=UIR可知,通过R2的电流变小,因并联电路中干路电流等于各支路电流之和,所以,干路电流变小,即电流表A2的示数变小。
综上可知,电压表V的示数不变,电流表A1的示数不变,电流表A2的示数变小,故AB错误;CD.因为电压表V的示数不变,电流表A1的示数不变,电流表A2的示数变小,所以电压表V的示数与电流表A1的示数的比值不变,电压表的示数与电流表A2的示数的比值变大,故C正确,D错误。
故选C。
5.如图所示的电路中,电源两端电压为6V并保持不变,定值电阻1R的阻值为10Ω,滑动变阻器2R标有“50Ω 0.5A”字样,电压表量程为0~3V,电流表量程为0~0.6A。
当开关S闭合,为保证电路安全,下列说法中正确的是A.滑动变阻器的阻值变化范围是0Ω~50ΩB.滑动变阻器的阻值变化范围是2Ω~50ΩC.电流表的示数变化范围为0.1A~0.6AD.电压表的示数变化范围为1V~3V【答案】D【分析】 【详解】由题意知当电压表示数为3V 时,滑动变阻器的阻值最小,此时的电流最大,此时电流的大小为2113V =0.3A 10ΩU I I I R ==== 此时滑动变阻器的两端电压为216V-3V=3V U U U =-=此时滑动变阻器的阻值为2223V=10Ω0.3AU R I == 当滑动变阻器的阻值250ΩR =时,电流最小,电压表的示数最小,此时电流的大小为126V ==0.1A +10Ω+50ΩU U I R R R == 电压表的示数为110.1A 10Ω=1V U I R ==⨯所以滑动变阻器的阻值变化范围是10Ω~50Ω,电流表的示数变化范围为0.1A ~0.3A ,电压表的示数变化范围为1V ~3V ,故选D 。
6.某商场安装的新型火灾报警器有手动报警和自动报警两种模式,当发生火灾,室内烟雾浓度超过设定值时,安装在电路中的感应器会使得开关1S 闭合,报警器响(符号同电铃)且窗户自动打开(窗户制动机符号为M );或人手动按下报警按钮,开关2S 闭合,报警器响且窗户自动打开.图中符合上述要求的电路图是 ( )A .B .C .D .【答案】A 【解析】串并联电路的识别。
【详解】由题意可知,传感器会使开关1S 闭合,报警器响,且窗户自动打开,可知1S 和电铃、电动机是一个串联电路;同时也可手动闭合开关2S ,报警器响且窗户自动打开,由此可得开关2S 与1S 并联,2S 和电铃与电动机串联,符合要求的只有电路A ,故选A 。
【点睛】较难题。
失分原因:一是没有理解题干中的要求;二是不会根据串并联电路的特点逆向推断所设计的电路中用电器和开关的串并联关系。
7.如图所示,电源电压不变,R 1、R 2为定值电阻,R 为滑动变阻器,a 、b 是电流表或电压表。
当只闭合开关 S 、S 1时,a 、b 的指针均明显偏转,将位于中点的滑片P 向左移动,a 的示数不变,b 的示数有变化。
下列说法正确的是( )A .a 是电流表B .只闭合S 、S 2,将滑片P 向右移动,a 的示数一定变小C .只闭合S 、S 2,将滑片P 向右移动,R 1消耗的功率一定变大D .只闭合 S 、S 1,将滑片P 向右移动,整个电路消耗的总功率一定变大 【答案】D 【解析】 【分析】 【详解】A .当只闭合开关 S 、S 1时,定值电阻R 1短路, a 、b 的指针均明显偏转,滑动变阻器R 与表b 串联,将位于中点的滑片P 向左移动,b 的示数有变化,则表b 一定是电流表;定值电阻R 2与表a 串联,若a 是电流表,此时滑动变阻器R 与定值电阻R 2并联,根据并联等压的规律以及欧姆定律可判断,a 是电流表时示数不变,若a 是电压表,因为内阻很大,此时相当于测电源电压示数不变,所以a 可能是电流表,也可能是电压表。
故A 错误; BC .只闭合S 、S 2时,若a 、b 都是电流表,滑动变阻器R 与定值电阻R 2被短路,电流表a 测通过定值电阻R 1的电流,由于定值电阻R 1两端电压、阻值不变,所以电流表a 的示数不变,根据P=UI 可知R 1消耗的功率不变;若a 、b 都是电压表,滑动变阻器R 、定值电阻R 1、定值电阻R 2串联,电压表a 测滑动变阻器R 两端电压,将滑片P 向右移动,滑动变阻器R 接入阻值变小,电路通过电流变大,根据串联分压的规律可知滑动变阻器R 两端电压变小,即电压表a 的示数变小,根据P=I 2R 可知R 1消耗的功率变大;若a 是电流表,b 是电压表,滑动变阻器R 被短路,定值电阻R 1、定值电阻R 2串联,电流表a 电路电流,由于定值电阻R1、定值电阻R2阻值不变,电源电压不变,根据欧姆定律可知电路电流不变,就电流表a的示数不变,根据P=I2R可知R1消耗的功率不变;若a是电压表,b是电流表,定值电阻R2被短路,滑动变阻器R、定值电阻R1串联,电压表a测滑动变阻器R两端电压,将滑片P 向右移动,滑动变阻器R接入阻值变小,电路通过电流变大,根据串联分压的规律可知滑动变阻器R两端电压变小,即电压表a的示数变小,根据P=I2R可知R1消耗的功率变大。
故BC错误;D.当只闭合开关 S、S1时,定值电阻R1短路, a、b的指针均明显偏转,滑动变阻器R与表b串联,将位于中点的滑片P向左移动, b的示数有变化,则表b一定是电流表;当a、b都是电流表时,此时滑动变阻器R与定值电阻R2并联,根据并联等压的规律以及公式P=UI可知定值电阻R2消耗的功率不变;将滑片P 向右移动,滑动变阻器R接入阻值变小,电路通过电流变大,根据并联等压的规律以及公式P=UI可知滑动变阻器R消耗的功率变大,则整个电路消耗的总功率变大;当a是电流表,b是电压表时,因为电压表内阻很大,此时定值电阻R2不在电路中,只有滑动变阻器接入电路,将滑片P 向右移动,滑动变阻器R接入阻值变小,电路通过电流变大,根据并联等压的规律以及公式P=UI可知滑动变阻器R消耗的功率变大,即整个电路消耗的总功率变大;故整个电路消耗的总功率一定变大。
故D正确。
故选D。
8.如图为某均匀金属薄板,现测得接线柱A、B之间的电阻为R.如果将该电阻板均匀分成9块,并挖去其中一小块,则此时A、B之间的电阻变为A.89RB.76RC.910RD.67R【答案】B【解析】【详解】如图将电阻板看作三个相同电阻串联而成,分别将1、2、3看作一个电阻,4、5、6看作一个电阻,7、8、9看作一个电阻,则由串联电阻规律可知,每个电阻阻值为13R,每个电阻由三个相同的块并联组成,设每块电阻阻值为R x,则由并联电阻规律可知:111113x x xR R R R =++ 解得R x =R ;则当挖去其中一块后,变为两个阻值为R 的电阻并联,整体再与两个阻值为13R 的电阻串联,则由串并联电阻规律可知总电阻为: AB 11721136R R R R R'=+⨯=+ 故选B 。
9.如图所示,两个规格不同的电灯L 1、L 2接在电路中.闭合开关,以下判断正确的是( )A .L 1、L 2串联B .通过L 1、L 2的电流相等C .电流表测干路中的电流D .电流表测通过L 2的电流【答案】C 【解析】 【详解】由图示可知,当开闭合后,两个灯泡是并联的,电流表测通过两个灯泡的总电流,由于两个灯泡不相同,电压相等,所以通过它们的电流是不相等的,故应选C .10.下列有关说法正确的是( ) A .电路两端有电压,电路中一定有电流 B .影响电阻大小的因素是材料和长度 C .电动机工作时产热的多少可用Q=UIt 计算 D .电功率是表示电流做功快慢的物理量 【答案】D 【解析】 【分析】电压是形成电流的原因;电路中有电压且电路是通路,电路中才有电流.导体的电阻与导体的材料、长度、横截面积有关.电动机工作时产热多少克通过焦耳定律计算,即2Q I Rt =.电功率的物理意义是表示电流做功快慢的物理量.【详解】A 、电路两端有电压,电路中不一定有电流,还要看电路是否是通路;故A 错误;B 、导体的电阻与导体的材料、长度、横截面积有关.故B 错误;C 、电动机不属于纯电阻电路,故产热多少只能用2Q I Rt 计算.故C 错误;D 、电功率是表示电流做功快慢的物理量;故D 正确; 故选D . 【点睛】此题考查电学的多个知识点,理解电压与电流的关系、明确影响电阻的诸多因素、理解电动机属于非纯电阻电路、理解电功率的意义;可解答此题.11.如图所示电路,闭合开关 S 1、S 2,下列对电路的分析正确的是( )A .L 1 与 L 2 并联,电流表 A 1 测 L 2 的电流B .L 1 与 L 2 串联,电流表 A 2 测干路上的电流C .当开关 S 2 断开时,通过 L 1 的电流不变, A 2 的示数变小D .当开关 S 2 断开时, A 2 的示数不变,通过 L 1 的电流变大 【答案】AC 【解析】 【分析】 【详解】AB .由图可知,闭合开关 S 1、S 2,L 1 与 L 2 并联,电流表 A 1 与 L 2 在同一支路,所以的电流表 A 1 测 L 2 的电流,电流表 A 2测量干路电流,故A 正确、B 错误;CD .并联电路各支路互不影响,由图可知,当开关 S 2 断开时,L 2 所在支路断开,通过L 2电流为0,通过 L 1 的电流不变,干路电流表A 2示数变小,故C 正确、D 错误。