起重机工作级别的含义和分类
- 格式:doc
- 大小:268.00 KB
- 文档页数:7
起重吊装作业分级
起重吊装作业分级通常按照所承载物体的重量、高度、风速、作业环境等因素来进行分级。
在中国,起重吊装作业分为A 级、B级、C级和D级四个等级,具体如下:
1. A级起重吊装作业:适用于承载物体重量大、高度高、风速大、作业环境复杂的作业。
这类作业一般由专业起重机械作业人员进行操作,需要经过相应的培训和考核。
2. B级起重吊装作业:适用于一般的起重作业,承载物体重量适中、高度较低,作业环境相对简单。
这类作业一般由经过培训的专业起重机械作业人员进行操作。
3. C级起重吊装作业:适用于小型起重作业,承载物体较轻、高度较低,作业环境简单。
这类作业一般由经过培训的一般作业人员进行操作。
4. D级起重吊装作业:适用于较小的起重作业,承载物体轻、高度低,作业环境相对简单。
这类作业一般由作业人员自行操作,无需专门培训。
需要注意的是,不同地区和不同行业对起重吊装作业的分级标准可能存在差异,因此在具体的作业时需要根据当地相关法规和规定进行执行。
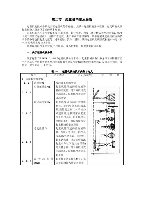
第二节起重机的基本参数起重机的技术参数是表征起重机的作业能力,是设计起重机的基本依据,也是所有从事起重作业人员必须掌握的基本知识。
起重机的基本技术参数主要有:起重量、起升高度、跨度(属于桥式类型起重机)、幅度(属于臂架式起重机)、机构工作速度、生产率和工作级别等。
其中臂架式起重机的主要技术参数中还包括起重力矩等,对于轮胎、汽车、履带、铁路起重机其爬坡度和最小转弯(曲率)半径也是主要技术参数。
随着起重机技术的发展,工作级别已成为起重机一项重要的技术参数。
一、关于起重机械参数国家标准GB 6974.2—86《起重机械名词术语——起重机械参数》中介绍了中国目前已生产制造与使用的各种类型起重机械的主要技术参数(标准的术语名称)、定义及示意图,现摘录一部分如表1—1所示。
二、起重机工作级别以往作为起重机的主要技术参数中,常常提起ⅡB%值、JC%值等标明起重机的级别,如轻级、中级或重级等即所谓的“工作制度”。
随着起重机技术的发展,显然起重机工作制度的技术概念和含义均有相当的欠妥与不足之处,因为起重机工作制度只考虑了起重机的通电时间的长短,来确定起重机的级别是十分不合理的。
当今,作为起重机的一个主要技术参数是起重机的工作级别,它代替了过去不合理的工作制度。
起重机的工作级别的大小高低是由二种能力所决定,其一是起重机的使用频繁程度,称为起重机利用等级;其二是起重机承受载荷的大小,称为起重机的载荷状态。
1.起重机的利用等级起重机在有效寿命期间有一定的工作循环总数。
起重机作业的工作循环是从准备起吊物品开始,到下一次起吊物品为止的整个作业过程。
工作循环总数表征起重机的利用程度,它是起重机分级的基本参数之一。
工作循环总数是起重机在规定使用寿命期间所有工作循环次数的总和。
确定适当的使用寿命时,要考虑经济、技术和环境因素,同时也要涉及设备老化的影响。
工作循环总数与起重机的使用频率有关。
为了方便起见,工作循环总数在其可能范围内,分成10个利用等级(U0~U9),如表1—2所示。
第二节起沉机的基原参数之阳早格格创做起沉机的技能参数是表征起沉机的做业本收,是安排起沉机的基原依据,也是所有进止起沉做业人员必须掌握的基原知识.起沉机的基原技能参数主要有:起沉量、起降下度、跨度(属于桥式典型起沉机)、幅度(属于臂架式起沉机)、机构处事速度、死产率战处事级别等.其中臂架式起沉机的主要技能参数中还包罗起沉力矩等,对付于轮胎、汽车、履戴、铁路起沉机其爬坡度战最小转直(直率)半径也是主要技能参数.随着起沉机技能的死少,处事级别已成为起沉机一项要害的技能参数.一、关于起沉板滞参数国家尺度GB 6974.2—86《起沉板滞名词汇术语——起沉板滞参数》中介绍了华夏暂时已死产制制取使用的百般典型起沉板滞的主要技能参数(尺度的术语称呼)、定义及示企图,现戴录一部分如表1—1所示.表1—1 起沉板滞的技能参数取定义编号名词汇术语定义(或者证明) 示意图1 品量战载荷参数1.1 起沉量G 被起降沉物的品量1.1.1 灵验起沉量Gp 起沉机能吊起的沉物或者物料的洁品量.对付于幅度可变的起沉机,根据幅度确定灵验起沉量1.1.2 额定起沉量Gn 起沉机允许吊起的沉物或者物料,连共可分吊具(或者属具)品量的总战(对付于震动式起沉机,包罗牢固正在起沉机上的吊具).对付于幅度可变的起沉机,根据幅度确定起沉机的额定起沉量1.1.3 总起沉量Gt 起沉机能吊起的沉物或者物料,连共可分吊具上的吊具或者属具(包罗吊钩、滑轮组、起沉钢丝绳,以及正在臂架或者起沉小车以下的其余吊物)的品量总战.对付于幅度可变的起沉机,根据幅度确定总起沉量1.1.4 最大起沉量Gmax起沉机仄常处事条件下,允许吊起的最大额定起沉量1.2 起沉力矩M 幅度L战相映起吊东西沉力Q的乘积1.3 起沉颠覆力矩M A起吊东西沉力Q战从载荷核心线至颠覆线距离A的乘积1.4 起沉机总品量Go 包罗压沉、仄稳沉、焚料、油液、润滑剂战火等正在内的起沉机各部分品量的总战1.5 轮压P 一个车轮传播到轨讲或者大天上的最大笔直载荷(按工况分歧,分为处事轮压战非处事轮压)2 起沉机尺寸参数2.1 幅度L 起沉机置于火仄场合时,空载吊具笔直核心线至回转核心线之间的火仄距离(非回转浮式起沉机为空载吊具笔直核心线至船艏护木的火仄距离)2.1.1 最大幅度Lmax 起沉机处事时,臂架倾角最小或者小车正在臂架最中极限位子时的幅度2.1.2 最小幅度Lmin 臂架倾角最大或者小车正在臂架最内极限位子时的幅度2.2 悬臂灵验伸缩距l 离悬臂迩去的起沉机轨讲核心线到位于悬臂端部吊具核心线之间的距离2.3 起降下度H 起沉机火仄停车里至吊具允许最下位子的笔直距离.——对付吊钩战货叉,算至它们的收启表面;——对付其余吊具,算至它们的最矮面(关合状态).对付桥式起沉机,应是空载置于火仄场合上圆,从大天启初测定其起降下度.2.4 下落深度h 吊具最矮处事位子取起沉机火仄收启里之间的笔直距离.——对付吊钩战货叉,从其收启里算起,——对付其余吊具,从其最矮面算起(关合状态).桥式起沉机从天仄里起算下落深度.应是空载置于火仄场合上圆,测定其下落深度.2.5 起降范畴D 吊具最下战最矮处事位子之间的笔直距离(D=H+h)2.6 起沉臂少度Lb 起沉臂根部销轴至顶端定滑轮轴线(小车变幅塔式起沉机为至臂端形位线)正在起沉臂纵背核心线目标的投影距离2.7 起沉机倾角正在起降仄里内,起沉臂纵背核心线取火仄线的夹角3 疏通速度3.1 起降(下落)速度Vn宁静疏通状态下,额定载荷的笔直位移速度3.2 微速下落速度Vm宁静疏通状态下,拆置或者堆垛最大额定载荷时的最小下落速度3.3 回转速度ω宁静状态下,起沉机转化部分的回转角速度.确定为正在火仄场合上,离天10m下度处,风速小于3m/s时,起沉机幅度最大,且戴额定载荷时的转速3.4 起沉机(大车)运止速度Vk宁静疏通状态下,起沉机运止的速度.确定为正在火仄路里(或者火仄轨里)上,离天10m下度处,风速小于3m/s时的起沉机戴额定载荷时的运止速度3.5 小车运止速度Vt 宁静疏通状态下,小车运止的速度.确定为离大天10m下度处,风速小于3m/s时,戴收定载荷的小车正在火仄轨讲上运止的速度3.6 变幅速度Vr 宁静疏通状态下,额定载荷正在变幅仄里内火仄位移的仄稳速度.确定为离天10m下度处,风速小于3m/s时,起沉机正在火仄路里上,幅度从最大值至最小值的仄稳速度4 取起沉机运止线路有关的参数4.1 跨度S 桥架型起沉机收启核心线之间的火仄距离5普遍本能参数二、起沉机处事级别往常动做起沉机的主要技能参数中,时常提起ⅡB%值、JC%值等标明起沉机的级别,如沉级、中级或者沉级等即所谓的“处事制度”.随着起沉机技能的死少,隐然起沉机处事制度的技能观念战含意均有相称的短妥取缺累之处,果为起沉机处事制度只思量了起沉机的通电时间的少短,去决定起沉机的级别是格中分歧理的.现正在,动做起沉机的一个主要技能参数是起沉机的处事级别,它代替了往日分歧理的处事制度.起沉机的处事级别的大小下矮是由二种本收所决断,其一是起沉机的使用一再程度,称为起沉机利用等第;其二是起沉机启受载荷的大小,称为起沉机的载荷状态. 1.起沉机的利用等第起沉机正在灵验寿命功夫有一定的处事循环总数.起沉机做业的处事循环是从准备起吊东西启初,到下一次起吊东西为止的所有做业历程.处事循环总数表征起沉机的利用程度,它是起沉机分级的基原参数之一.处事循环总数是起沉机正在确定使用寿命功夫所有处事循环次数的总战.决定适合的使用寿命时,要思量经济、技能战环境果素,共时也要波及设备老化的效率.处事循环总数取起沉机的使用频次有关.为了便当起睹,处事循环总数正在其大概范畴内,分成10个利用等第(U0~U9),如表1—2所示.表1—2起沉机利用等第2.起沉机载荷状态载荷状态是起沉机分级的另一个基原参数,它标明起沉机的主要机构——起降机构受载的沉沉程度.载荷状态取二个果素有关:一个是本量起降载荷G取额定载荷Gn之比G/Gn,另一个是本量起降载荷G的效率次数N取处事循环总数Nn之比N/Nn.表示G/Gn战N/Nn关系的线图称为载荷谱.表1—3列出了起沉机载荷状态.表1—3 起沉机载荷状态3.起沉机处事级别起沉机的处事级别,即起沉机的分级是由起沉机的利用等第(表1—2)战起沉机的载荷状态(表1—3)所决断,起沉机的处事级别用标记A表示,其处事级别分为8级,即A1~A8.级.起沉机的处事级别如表1—4所示.表1—4 起沉机的处事级别4.起沉机处事级别举例为便于广大起沉做业人员相识战掌握起沉机适用的处事级别,而枚举了以下百般起沉机的处事级别,如表1—5所示.表1—5 起沉机处事级别举例。
起重机的⼯作级别划分起重机的⼯作级别划分起重机按使⽤繁忙程度和载荷变化程度把起重机分为轻级、中级、重级和特重级如何合理选择起重机的⼯作级别呢?下⾯我们介绍⼀下起重机的⼯作类型和级别,供⼤家在选型时做个参考1 起重机⼯作类型及⼯作级别1.1 起重机⼯作类型起重机⼯作类型是表⽰起重机⼯作忙闲程度和载荷变化程度的参数。
⼯作忙闲程度包括起重机年⼯作⼩时数和起重机机构负载持续率。
载荷变化程度,⽤起重机在全年实际起重量的平均值与起重机额定起重量之⽐。
还包括每⼩时⼯作循环数。
根据起重机的⼯作忙闲程度和载荷变化程度把起重机分为轻级、中级、重级和特重级。
表1 起重机⼯作类型表⼯作类型⼯作忙闲程度载荷变化程度起重机年⼯作⼩时数机构运转时间率(JC%)机构载荷变化范围每⼩时⼯作循环数n轻级 1000 15 经常起吊1/3额定载荷 5中级 2000 25 经常起吊(1/3~1/2)额定载荷 10重级 4000 40 经常起吊额定载荷 20特重级 7000 60 起吊额定载荷机会较多 40为了安全,起重机使⽤中,必须考虑起重机的⼯作类型合理使⽤。
1.2 起重机⼯作级别起重机⼯作级别(GB3811-83)是根据起重机利⽤等级和载荷状态分为A1~A8级。
起重机利⽤等级是表征起重机在其有效寿命期间的使⽤频繁程度,⽤总的⼯作循环次数N表⽰。
根据总的循环次数N,把起重机利⽤等级分为U0~U910级。
表2起重机的利⽤等级利⽤等级总的⼯作循环次数N 附注U0 1.6×104U1 3.2×104U2 6.3×104U3 1.25×105 不经常使⽤U4 2.5×105 经常轻闲地使⽤U5 5×105 经常中等地使⽤U6 1×106 不经常繁忙地使⽤U7 U9 2×106U8 4×106 >4×106 繁忙地使⽤起重机的载荷状态起重机的载荷状态与两个因素有关,⼀个是实际起吊载荷与最⼤载荷的⽐(Pi/Pmax)有关,另⼀个是起吊载荷的作⽤次数与总的⼯作循环次数⽐(ni/N)有关。
吊车工作级别吊车作为一种重型机械设备,在现代工程建设中起着举足轻重的作用。
吊车工作级别是指吊车操作人员的技术水平和工作能力等级,不同级别的吊车工作人员具有不同的工作权限和责任。
在吊车操作中,不同级别的吊车工作人员需要具备不同的技能和经验,以确保吊车作业的安全和高效进行。
一、初级吊车工作级别。
初级吊车工作级别是指具备基本吊车操作技能和经验的工作人员。
初级吊车工作人员需要通过相关培训和考核,取得吊车操作证书,并在实际工作中积累一定的操作经验。
初级吊车工作人员通常负责吊车的基本操作和简单的吊装作业,如货物的装卸和简单的吊装搬运等。
他们需要熟悉吊车的基本结构和操作原理,能够熟练操作吊车的起吊、放下、移动等基本动作,并严格遵守吊车操作规程和安全操作规定。
二、中级吊车工作级别。
中级吊车工作级别是指具备较高吊车操作技能和丰富经验的工作人员。
中级吊车工作人员需要在初级操作基础上,进一步提升自己的技能水平和操作能力,具备较强的吊装作业能力和应急处理能力。
中级吊车工作人员通常负责复杂的吊装作业,如大型设备的安装和拆卸、建筑材料的高空吊装等。
他们需要具备较强的空间意识和协调能力,能够熟练操作各类吊装工具和配重器材,保证吊装作业的安全和高效进行。
三、高级吊车工作级别。
高级吊车工作级别是指具备丰富吊车操作经验和较高技术水平的工作人员。
高级吊车工作人员需要具备深厚的吊装作业经验和丰富的实战经验,能够独立完成复杂的吊装作业和特殊作业任务。
高级吊车工作人员通常负责重大工程项目的吊装作业,如大型桥梁的架设、重型机械设备的安装等。
他们需要具备较强的工程技术和管理能力,能够独立分析和解决吊装作业中的各种问题,保证吊装作业的安全和顺利进行。
总结,吊车工作级别是吊车操作人员的技术水平和工作能力等级,不同级别的吊车工作人员具有不同的工作权限和责任。
吊车工作级别的划分有利于规范吊车操作人员的技能水平和工作能力,提高吊车作业的安全性和效率。
不同级别的吊车工作人员应该不断提升自己的技能和经验,不断完善自己,以适应吊车作业的不断发展和变化。
起重机工作级别起重机是一种用来提升和移动重物的机械设备,广泛应用于建筑工地、港口、船厂、工厂等各个领域。
根据其作业能力和使用范围的不同,起重机可以分为不同的工作级别。
工作级别的划分对于选择合适的起重机及其安全使用具有重要意义。
本文将介绍起重机的工作级别及其特点,以便读者能够更好地了解和选择起重机。
一、A级工作级别。
A级工作级别是指起重机的标准工作级别,适用于一般的起重作业。
这类起重机通常用于工厂、仓库、码头等场所,作业频率较低,重量较轻的物品。
A级起重机的工作环境要求一般,操作人员也无需特别的技能和经验,因此是最常见的起重机工作级别。
二、B级工作级别。
B级工作级别是指起重机的中等工作级别,适用于一般的起重作业。
这类起重机通常用于建筑工地、装卸货场等场所,作业频率较高,重量较重的物品。
B级起重机的工作环境要求较高,操作人员需要具备一定的技能和经验,以确保起重作业的安全和高效进行。
三、C级工作级别。
C级工作级别是指起重机的重载工作级别,适用于重型起重作业。
这类起重机通常用于大型工程项目、船厂、钢铁厂等场所,作业频率较高,重量较大的物品。
C级起重机的工作环境要求非常严格,操作人员需要具备高级的技能和经验,同时需要严格遵守安全操作规程,以确保起重作业的安全和稳定进行。
四、D级工作级别。
D级工作级别是指起重机的特殊工作级别,适用于特殊的起重作业。
这类起重机通常用于危险环境、高温环境、爆炸危险场所等特殊场合,作业要求极其严格。
D级起重机的工作环境和操作要求非常苛刻,操作人员需要具备特殊的技能和经验,同时需要严格遵守特殊的安全操作规程,以确保起重作业的安全和稳定进行。
综上所述,起重机的工作级别根据其作业能力和使用范围的不同进行划分,分别适用于不同的起重作业环境。
在选择起重机时,需要根据实际需要和工作环境的要求来确定合适的工作级别,以确保起重作业的安全和高效进行。
同时,在操作起重机时,操作人员也需要根据起重机的工作级别来做好相应的准备和安全措施,以确保起重作业的顺利进行。
第二节起重机的基本参数起重机的技术参数是表征起重机的作业能力,是设计起重机的基本依据,也是所有从事起重作业人员必须掌握的基本知识。
起重机的基本技术参数主要有:起重量、起升高度、跨度(属于桥式类型起重机)、幅度(属于臂架式起重机)、机构工作速度、生产率和工作级别等。
其中臂架式起重机的主要技术参数中还包括起重力矩等,对于轮胎、汽车、履带、铁路起重机其爬坡度和最小转弯(曲率)半径也是主要技术参数。
随着起重机技术的发展,工作级别已成为起重机一项重要的技术参数。
一、关于起重机械参数国家标准GB 6974.2—86《起重机械名词术语—-起重机械参数》中介绍了中国目前已生产制造与使用的各种类型起重机械的主要技术参数(标准的术语名称)、定义及示意图,现摘录一部分如表1—1所示。
表1—1 起重机械的技术参数与定义编号名词术语定义(或说明) 示意图1 质量和载荷参数1.1 起重量G 被起升重物的质量1.1.1 有效起重量Gp 起重机能吊起的重物或物料的净质量。
对于幅度可变的起重机,根据幅度规定有效起重量1.1.2 额定起重量Gn 起重机允许吊起的重物或物料,连同可分吊具(或属具)质量的总和(对于流动式起重机,包括固定在起重机上的吊具)。
对于幅度可变的起重机,根据幅度规定起重机的额定起重量1.1.3 总起重量Gt 起重机能吊起的重物或物料,连同可分吊具上的吊具或属具(包括吊钩、滑轮组、起重钢丝绳,以及在臂架或起重小车以下的其它吊物)的质量总和。
对于幅度可变的起重机,根据幅度规定总起重量1.1.4 最大起重量Gmax起重机正常工作条件下,允许吊起的最大额定起重量1.2 起重力矩M 幅度L和相应起吊物品重力Q的乘积1.3 起重倾覆力矩M A起吊物品重力Q和从载荷中心线至倾覆线距离A的乘积1.4 起重机总质量Go 包括压重、平衡重、燃料、油液、润滑剂和水等在内的起重机各部分质量的总和1.5 轮压P 一个车轮传递到轨道或地面上的最大垂直载荷(按工况不同,分为工作轮压和非工作轮压)2 起重机尺寸参数2.1 幅度L 起重机置于水平场地时,空载吊具垂直中心线至回转中心线之间的水平距离(非回转浮式起重机为空载吊具垂直中心线至船艏护木的水平距离)2.1.1 最大幅度Lmax 起重机工作时,臂架倾角最小或小车在臂架最外极限位置时的幅度2.1.2 最小幅度Lmin 臂架倾角最大或小车在臂架最内极限位置时的幅度2.2 悬臂有效伸缩距l 离悬臂最近的起重机轨道中心线到位于悬臂端部吊具中心线之间的距离2.3 起升高度H 起重机水平停车面至吊具允许最高位置的垂直距离。
起重机通过起升和移动所吊运的物品完成搬运作业,为适应起重机不同的使用情况和工作要求,在设计和选用起重机及其零部件时,应对起重机及其组成部分进行工作级别的划分,包括:——起重机整机的分级;——机构的分级。
1、起重机整机的分级1.1、起重机的使用等级起重机的设计预期寿命,是指设计预设的该起重机从开始使用起到最终报废时止能完成的总工作循环数。
起重机的一个工作循环是指从起吊一个物品起,到能开始起吊下一个物品时止,包括起重机运行及正常的停歇在内的一个完整的过程。
起重机的使用等级是将起重机可能完成的总工作循环数划分成10个等级,用U0、U1、U2......U9表示,见下表1。
使用等级起重机总工作循环数C T起重机使用频繁程度U0 C T≦1.60×104很少使用U1 1.60×104<C T≦3.20×104很少使用U2 3.20×104<C T≦6.30×104很少使用U3 6.30×104<C T≦1.25×105很少使用U4 1.25×105<C T≦2.50×105不频繁使用U5 2.50×105<C T≦5.00×105中等频繁使用U6 5.00×105<C T≦1.00×106较频繁使用U7 1.00×106<C T≦2.00×106频繁使用U8 2.00×106<C T≦4.00×106特别频繁使用U9 4.00×106<C T特别频繁使用1.2、起重机整机的工作级别根据起重机的10个使用等级和4个载荷状态级别,起重机整机的工作级别划分为A1--A8共8个级别。
2、机构的分级2.1、机构的使用等级机构的设计预期寿命,是指设计预设的该机构从开始使用到预期更换或最终报废为止的总运转时间,它只是该机构实际运转小时数累计之和,而不包括工作中此机构的停歇时间。
起重机的工作级别和机构工作级别一、起重机工作级别在新的起重机设计规范中,根据利用等级和载荷状态把起重机的工作级别分为8级。
1.起重机的利用等级起重机的利用等级,表征起重机在其有效寿命期间的使用频繁程度,常用总的工作循环次数N来表示。
根据不同的总工作循环次数N,把起重机利用等级分为V0-V9共10级。
起重机总的工作循环数就是起重机结构的受载次数。
2.起重机的载荷状态起重机的载荷状态与两个因素有关。
一个是,实际起升载荷与最大载荷之比,另一个是起升载荷作用次数与总的工作循环次数之比。
两者关系的值称做载荷谱系数。
3.起重机工作级别根据起重机的利用等级和载荷状态把起重机划分为8种工作级别A1-A8。
从上述分类中可知,起重机工作级别是依金属结构受力状态为根据的。
它与起重机工作类型的分类是不同的。
尽管如此,还是可以找出两者的相互关系的。
即:A1-A4相当轻型;A5-A6相当中型;A7相当重型;A8相当重型。
二、起重机机构工作级别起重机机构工作级别根据机构工作级别和载荷状态分为8 级M1-M8。
1.机构利用等级机构利用等级按机构使用寿命分为10级。
总的使用寿命规定为机构在设计的使用年限内处于运转的总小时数,使用年限仅作为机构的设计基础,而不能视为保用期。
2.机构载荷状态机构的载荷状态表明机构受载的轻重程度,它是用载荷谱系数表示。
3. 机构工作级别机构工作级别按机构的利用等级和载荷状态分为8级。
它与起重机机构工作类型的分类根据是不同的。
但仍可找出两者的相当关系,即M1-M4相当于轻级;M5-M6相当于中级;M7相当于重级;M8 相当于特重级。
新的设计规范根据结构的受载状态分为:M1-M8个机构级别。
设计与安全标准都与机构的工作级别有关。
起重机的工作级别为便于广大起重作业人员了解和掌握起重机适用的工作级别,而列举了以下各种起重机的工作级别,如表1—5所示。
?描述:起重机。
第二节起重机的根本参数起重机的技巧参数是表征起重机的功课才能,是设计起重机的根本根据,也是所有从事起重功课人员必须控制的根本常识.起重机的根本技巧参数重要有:起重量.起升高度.跨度(属于桥式类型起重机).幅度(属于臂架式起重机).机构工作速度.临盆率和工作级别等.个中臂架式起重机的重要技巧参数中还包含起重力矩等,对于轮胎.汽车.履带.铁路起重机其爬坡度和最小转弯(曲率)半径也是重要技巧参数.跟着起重机技巧的成长,工作级别已成为起重机一项重要的技巧参数.一.关于起重机械参数国度尺度GB 6974.2—86《起重机械名词术语——起重机械参数》中介绍了中国今朝已临盆制作与应用的各类类型起重机械的重要技巧参数(尺度的术语名称).界说及示意图,现摘录一部分如表1—1所示.编号名词术语界说(或解释) 示意图1 质量和载荷参数1.1 起重量G 被起升重物的质量1.1.1 有用起重量Gp 起重机能吊起的重物或物料的净质量.对于幅度可变的起重机,根据幅度划定有用起重量1.1.2 额定起重量Gn 起重机许可吊起的重物或物料,连同可分吊具(或属具)质量的总和(对于流淌式起重机,包含固定在起重机上的吊具).对于幅度可变的起重机,根据幅度划定起重机的额定起重量1.1.3 总起重量Gt 起重机能吊起的重物或物料,连同可分吊具上的吊具或属具(包含吊钩.滑轮组.起重钢丝绳,以及在臂架或起重小车以下的其它吊物)的质量总和.对于幅度可变的起重机,根据幅度划定总起重量1.1.4 最大起重量Gmax起重机正常工作前提下,许可吊起的最大额定起重量1.2 起重力矩M 幅度L和响应起吊物品重力Q的乘积1.3 起重倾覆力矩M A起吊物品重力Q和从载荷中间线至倾覆线距离A的乘积1.4 起重机总质量Go 包含压重.均衡重.燃料.油液.润滑剂和水等在内的起重机各部分质量的总和1.5 轮压P 一个车轮传递到轨道或地面上的最大垂直载荷(按工况不合,分为工作轮压和非工作轮压)2 起重机尺寸参数2.1 幅度L 起重机置于程度场地时,空载吊具垂直中间线至反转展转中间线之间的程度距离(非反转展转浮式起重机为空载吊具垂直中间线至船艏护木的程度距离)2.1.1 最大幅度Lmax 起重机工作时,臂架倾角最小或小车在臂架最外极限地位时的幅度2.1.2 最小幅度Lmin 臂架倾角最大或小车在臂架最内极限地位时的幅度2.2 悬臂有用伸缩距l 离悬臂比来的起重机轨道中间线到位于悬臂端部吊具中间线之间的距离2.3 起升高度H 起重机程度泊车面至吊具许可最高地位的垂直距离.——对吊钩和货叉,算至它们的支承概况;——对其它吊具,算至它们的最低点(闭合状况).对桥式起重机,应是空载置于程度场地上方,从地面开端测定其起升高度.2.4 降低深度h 吊具最低工作地位与起重机程度支承面之间的垂直距离.——对吊钩和货叉,从其支承面算起,——对其它吊具,从其最低点算起(闭合状况).桥式起重机从地平面起算降低深度.应是空载置于程度场地上方,测定其降低深度.2.5 起升规模D 吊具最高和最低工作地位之间的垂直距离(D=H+h)2.6 起重臂长度Lb 起重臂根部销轴至顶端定滑轮轴线(小车变幅塔式起重机为至臂端形位线)在起重臂纵向中间线偏向的投影距离2.7 起重机倾角在起泰平承平面内,起重臂纵向中间线与程度线的夹角3 活动速度3.1 起升(降低)速度Vn稳固活动状况下,额定载荷的垂直位移速度3.2 微速降低速度Vm稳固活动状况下,装配或堆垛最大额定载荷时的最小降低速度3.3 反转展转速度ω稳固状况下,起重机迁移转变部分的反转展转角速度.划定为在程度场地上,离地10m高度处,风速小于3m/s时,起重机幅度最大,且带额定载荷时的转速3.4 起重机(大车)运行速度Vk稳固活动状况下,起重机运行的速度.划定为在程度路面(或程度轨面)上,离地10m高度处,风速小于3m/s时的起重机带额定载荷时的运行速度3.5 小车运行速度Vt 稳固活动状况下,小车运行的速度.划定为离地面10m高度处,风速小于3m/s时,带领定载荷的小车在程度轨道上运行的速度3.6 变幅速度Vr 稳固活动状况下,额定载荷在变幅平面内程度位移的平均速度.划定为离地10m高度处,风速小于3m/s时,起重机在程度路面上,幅度从最大值至最小值的平均速度4 与起重机运行线路有关的参数4.1 跨度S 桥架型起重机支承中间线之间的程度距离5一般机能参数5.1 工作级别斟酌起重量和时光的应用程度以及工作轮回次数的起重机械特征5.2 机构工作级别按机构应用等级(机构在应用刻日内,处于运转状况的总小时数)和载荷状况划分的机构工作特征二.起重机工作级别以往作为起重机的重要技巧参数中,经常提起ⅡB%值.JC%值等标明起重机的级别,如轻级.中级或重级等即所谓的“工作轨制”.跟着起重机技巧的成长,显然起重机工作轨制的技巧概念和寄义均有相当的欠妥与缺少之处,因为起重机工作轨制只斟酌了起重机的通电时光的长短,来肯定起重机的级别是十分不合理的.当今,作为起重机的一个重要技巧参数是起重机的工作级别,它代替了曩昔不合理的工作轨制.起重机的工作级此外大小高下是由二种才能所决议,其一是起重机的应用频仍程度,称为起重机应用等级;其二是起重机推却载荷的大小,称为起重机的载荷状况.1.起重机的应用等级起重机在有用寿命时代有必定的工作轮回总数.起重机功课的工作轮回是从预备起吊物品开端,到下一次起吊物品为止的全部功课进程.工作轮回总数表征起重机的应用程度,它是起重机分级的根本参数之一.工作轮回总数是起重机在划定应用寿命时代所有工作轮回次数的总和.肯定恰当的应用寿命时,要斟酌经济.技巧和情况身分,同时也要涉及装备老化的影响.工作轮回总数与起重机的应用频率有关.为了便利起见,工作轮回总数在其可能规模内,分成10个应用等级(U0~U9),如表1—2所示.载荷状况是起重机分级的另一个根本参数,它标明起重机的重要机构——起升机构受载的轻重程度.载荷状况与两个身分有关:一个是现实起升载荷G与额定载荷Gn之比G/Gn,另一个是现实起升载荷G的感化次数N与工作轮回总数Nn之比N/Nn.暗示G/Gn 和N /Nn 关系的线图称为载荷谱.表1—3列出了起重机载 荷状况.起重机的工作级别,即起重机的分级是由起重机的应用等级(表1—2)和起重机的载荷状况(表1—3)所决议,起重机的工作级别用符号A 暗示,其工作级别分为8级,即A1~A8. 级.起重机的工作级别如表1—4所示.为便于宽大起重功课人员懂得和控制起重机实用的工作级别,而列举了以下各类起重机的工作级别,如表1—5所示.。
起重机工作级别 The manuscript was revised on the evening of 2021的工作级别和机构工作级别一、工作级别在新的设计规范中,根据利用等级和载荷状态把起重机的工作级别分为8级。
1.起重机的利用等级起重机的利用等级,起重机在其有效寿命期间的使用频繁程度,常用总的工作循环次数N来表示。
根据不同的总工作循环次数N,把起重机利用等级分为V0-V9共10级。
起重机总的工作循环数就是起重机结构的受载次数。
2.起重机的载荷状态起重机的载荷状态与两个因素有关。
一个是,实际起升载荷与最大载荷之比,另一个是起升载荷作用次数与总的工作循环次数之比。
两者关系的值称做载荷谱系数。
3.起重机工作级别根据起重机的利用等级和载荷状态把起重机划分为8种工作级别A1-A8。
从上述分类中可知,起重机工作级别是依金属结构受力状态为根据的。
它与起重机工作类型的分类是不同的。
尽管如此,还是可以找出两者的相互关系的。
即:A1-A4相当轻型;A5-A6相当中型;A7相当重型;A8相当重型。
二、起重机机构工作级别起重机机构工作级别根据机构工作级别和载荷状态分为8 级M1-M8。
1.机构利用等级机构利用等级按机构使用寿命分为10级。
总的使用寿命规定为机构在设计的使用年限内处于运转的总小时数,使用年限仅作为机构的设计基础,而不能视为保用期。
2.机构载荷状态机构的载荷状态表明机构受载的轻重程度,它是用载荷谱系数表示。
3. 机构工作级别机构工作级别按机构的利用等级和载荷状态分为8级。
它与起重机机构工作类型的分类根据是不同的。
但仍可找出两者的相当关系,即M1-M4相当于轻级;M5-M6相当于中级;M7相当于重级;M8 相当于特重级。
新的设计规据结构的受载状态分为:M1-M8个机构级别。
设计与安全标准都与机构的工作级别有关。
的工作级别起重机工作级别举例为便于广大起重作业人员了解和掌握起重机适用的工作级别,而列举了以下各种起重机的工作级别,如表1—5所示。
起重机工作级别起重机是一种用于吊装和搬运重物的机械设备,广泛应用于建筑工地、港口、工厂等各种场所。
根据其吊装能力和使用环境的不同,起重机被分为不同的工作级别,以确保其安全可靠地运行。
在本文中,我们将对起重机的工作级别进行详细介绍。
首先,起重机的工作级别分为A、B、C、D四个级别。
每个级别都有其特定的使用范围和工作条件。
A级起重机适用于对人员和物品进行吊装的场所,如工厂车间、仓库等。
B级起重机适用于对重量较轻的物品进行吊装的场所,如轻工厂、轻型机械制造厂等。
C级起重机适用于对重量较重的物品进行吊装的场所,如重型机械制造厂、船厂等。
D级起重机适用于对超重物品进行吊装的场所,如钢铁厂、港口等。
其次,不同工作级别的起重机在设计和制造时需要符合相应的标准和要求。
A级起重机需要具备较高的安全性能,能够确保对人员和物品的安全吊装和运输。
B级起重机需要具备较高的稳定性和精准度,能够确保对轻量物品的准确吊装和定位。
C级起重机需要具备较高的承载能力和耐用性,能够确保对重量较重的物品的安全吊装和移动。
D级起重机需要具备超强的承载能力和稳定性,能够确保对超重物品的安全吊装和搬运。
此外,不同工作级别的起重机在使用时也需要严格按照相应的操作规程和安全要求进行操作和维护。
A级起重机的操作人员需要具备较高的操作技能和安全意识,严格按照操作规程进行操作。
B级起重机的操作人员需要具备较高的精准度和协调能力,确保吊装过程中物品的安全性和稳定性。
C级起重机的操作人员需要具备较高的承载能力和应急处理能力,确保吊装过程中的安全和稳定。
D级起重机的操作人员需要具备超强的应急处理能力和安全意识,确保吊装过程中的安全和稳定。
综上所述,起重机的工作级别是根据其吊装能力和使用环境的不同而划分的,不同级别的起重机在设计、制造、操作和维护时都有其特定的要求和标准。
只有严格按照要求进行使用和管理,才能确保起重机的安全可靠地运行,为各行各业的生产和建设提供有效的支持和保障。
起重机工作制度分级一、引言起重机是一种广泛应用于工业生产、物流运输等领域的特种设备,其主要功能是吊运重物。
由于起重机的工作环境和工作内容不同,其使用频率和载荷变化程度也存在很大差异。
为了确保起重机的安全、高效运行,合理使用和维护,需要对起重机的工作制度进行分级。
本文将详细介绍起重机工作制度的分级方法及其意义。
二、起重机工作制度分级方法1. 按使用繁忙程度分级根据起重机的工作忙闲程度和载荷变化程度,将其分为轻级、中级、重级和特重级。
(1)轻级:起重机年工作小时数在1000小时以下,机构运转时间率(JC%)在15%以下,机构载荷变化范围在经常起吊1/3额定载荷以下,每小时工作循环数n在5以下。
(2)中级:起重机年工作小时数在1000-2000小时之间,机构运转时间率(JC%)在15%-25%之间,机构载荷变化范围在经常起吊1/3-1/2额定载荷之间,每小时工作循环数n在10以下。
(3)重级:起重机年工作小时数在2000-4000小时之间,机构运转时间率(JC%)在25%-40%之间,机构载荷变化范围在经常起吊1/2-额定载荷之间,每小时工作循环数n在20以下。
(4)特重级:起重机年工作小时数在4000小时以上,机构运转时间率(JC%)在40%以上,机构载荷变化范围在额定载荷以上,每小时工作循环数n在40以下。
2. 按起重机利用等级和载荷状态分级根据起重机的利用等级和载荷状态,将其分为A1-A8共8个级别。
(1)A1级:起重机设计预期寿命为1.60×10^4工作循环数,使用频繁程度为很少使用。
(2)A2级:起重机设计预期寿命为3.20×10^4工作循环数,使用频繁程度为很少使用。
(3)A3级:起重机设计预期寿命为6.30×10^4工作循环数,使用频繁程度为很少使用。
(4)A4级:起重机设计预期寿命为1.25×10^5工作循环数,使用频繁程度为不频繁使用。
(5)A5级:起重机设计预期寿命为2.50×10^5工作循环数,使用频繁程度为中等频繁使用。
工程起重机的工作级别起重机是间歇工作的机器,具有短暂而重复工作的特征。
在工作时,起重机各机构时开时停,时而正转,时而反转。
有的起重机日夜三班工作,有的只工作一班,有的甚至一天只工作几次。
这种工作状况表明,起重机及其机构的工作繁忙程度是不同的。
同时,作用于起重机上的载荷也是变化的,有的起重机是经常满载的,有的经常只吊轻载,其负载情况很不相同。
此外,由于各机构速度不同,动力冲击载荷作用程度也不同。
起重机的这种工作特点,在设计起重机零部件、金属结构和确定起重机动力功率时都必须给以考虑。
一、起重机的利用等级重按我国起重机设计规范,起重机的利用等级按起重机设计寿命期内总的工作循环次数U速分为十级,见下表起重机的利用等级:二、起重机的载荷状态载荷状态表明起重机受载的轻重程度。
它与两个因素有关,一是起升的载荷与额定载荷之比,二是各个起升载荷的作用次数与总的工作循环次数之比。
起重机的载荷状态按名义载荷谱系数分为4级,见下表。
当已知起重机的实际载荷变化时,先计算出实际载荷谱系数,并按下表选择不小于此计算值的最接近的名义载荷谱系数作为该起重机的载荷谱系数。
如果不知其实际的载荷状态,则可按下表"说明"栏中的内容选择一个合适的载荷状态级别。
三、起重机工作级别的划分按起重机的利用等级和载荷状态,起重机工作级别分为A1~A8八级, 详见下表。
一台起重机各机构的工作级别可各不相同,而整机和金属结构部分的工作级别则由其主要机构(一般是主卷扬机构)的工作级别确定。
四、作用在起重机上的载荷设计起重机必须首先确定作用在起重机上的外载荷,以作为计算起重机稳定性、支腿压力或轮压、机构零部件和金属结构强度以及选择原动机功率的依据。
作用在起重机上的外载荷应根据实际情况确定,主要有:卷扬载荷、起重机自重载荷、风载荷、重物偏摆引起的载荷、惯性和离心力载荷以及振动、冲击引起的动力载荷等。
(一) 自重载荷自重载荷指除卷扬载荷外起重机各部分的总重量(不是质量,在此以N计),它包括结构、机构、电气设备以及附设在起重机上的存仓等的重力。
起重机工作级别工作级别是表征起重机工作特性的一个重要概念。
其划分原则是以起重机的寿命为标准,在荷载不同、作用频次不同的情况下,具有相同寿命的起重机划分在同一级别。
划分工作级别的目的是为设计、制造和用户的选用之间提供合理、统一的技术基础和参考标准,进而取得较好的安全和经济效果,使起重机的工作状态得到比较准确的反映。
起重机工作级别又是关系起重机安全的一个重要依据,是安全检查、事故分析计算和确定零部件报废标准的依据。
一般来说,工作级别不同,安全系数就不同,报废标准也不同。
起重机的工作级别、起重机金属结构工作级别和起重机机构的工作级别是有区别的,我们下面将分别予以讨论。
1.起重机工作级别起重机的利用等级是表征起重机在整个设计寿命期间的使用频繁程度,按设计寿命期内总的工作循环次数分为U0~U9共10级;起重机的载荷状态是表明起重机受载的轻重程度的指标,按名义载荷系数分为轻、中、重和特重四级。
综合考虑利用等级和载荷状态,按对角线原则,起重机工作级别分为A1~A8共8级2.起重机金属结构工作级别起重机金属结构工作级别按结构件中的应力状态的应力循环次数分为A1~A8级。
划分方式与起重机工作级别的划分方式相同。
3.起重机机构工作级别利用等级即机构工作的繁忙程度,按各个机构设计总使用寿命期内处于运转状态的总小时数分为T0~T9共10级。
载荷状态表明机构受载程度分为轻、中、重和特重四级。
工作级别根据利用等级和载荷状态,按对角线原则,分为M1~M8共8级。
这里,首先需要指出,起重机工作级别与起重机的起重量是两个不同的概念。
起重量是指一次被起升物料的质量,工作级别是起重机综合工作特性参数。
起重量大,工作级别未必高;起重量小,工作级别未必低。
即使起重量相同的同类型起重机,只要工作级别不同,则零部件的安全系数就不相同。
如果仅仅看起重吨位而忽略工作级别,把工作级别低的起重机频繁、满负荷使用,那么就会加速易损零部件报废,使故障频发,甚至引起事故。
第二节起重机的基本参数
起重机的技术参数是表征起重机的作业能力,是设计起重机的基本依据,也是所有从事起重作业人员必须掌握的基本知识。
起重机的基本技术参数主要有:起重量、起升高度、跨度(属于桥式类型起重机)、幅度(属于臂架式起重机)、机构工作速度、生产率和工作级别等。
其中臂架式起重机的主要技术参数中还包括起重力矩等,对于轮胎、汽车、履带、铁路起重机其爬坡度和最小转弯(曲率)半径也是主要技术参数。
随着起重机技术的发展,工作级别已成为起重机一项重要的技术参数。
一、关于起重机械参数
国家标准GB 6974.2—86《起重机械名词术语——起重机械参数》中介绍了中国目前已生产制造与使用的各种类型起重机械的主要技术参数(标准的术语名称)、定义及示意图,现摘录一部分如表1—1所示。
编号名词术语定义(或说明) 示意图
1 质量和载荷参数
1.1 起重量G 被起升重物的质量
1.1.1 有效起重量Gp 起重机能吊起的重物或物
料的净质量。
对于幅度可变
的起重机,根据幅度规定有
效起重量
1.1.2 额定起重量Gn 起重机允许吊起的重物或
物料,连同可分吊具(或属
具)质量的总和(对于流动式
起重机,包括固定在起重机
上的吊具)。
对于幅度可变
的起重机,根据幅度规定起
重机的额定起重量
1.1.3 总起重量Gt 起重机能吊起的重物或物
料,连同可分吊具上的吊具
或属具(包括吊钩、滑轮组、
起重钢丝绳,以及在臂架或
起重小车以下的其它吊物)
的质量总和。
对于幅度可变
的起重机,根据幅度规定总
起重量
1.1.4 最大起重量
Gmax
起重机正常工作条件下,允
许吊起的最大额定起重量
1.2 起重力矩M 幅度L和相应起吊物品重
力Q的乘积
1.3 起重倾覆力矩M A起吊物品重力Q和从载荷
中心线至倾覆线距离A的
乘积
1.4 起重机总质量Go 包括压重、平衡重、燃料、
油液、润滑剂和水等在内的
起重机各部分质量的总和
1.5 轮压P 一个车轮传递到轨道或地
面上的最大垂直载荷(按工
况不同,分为工作轮压和非
工作轮压)
2 起重机尺寸参数
2.1 幅度L 起重机置于水平场地时,空
载吊具垂直中心线至回转
中心线之间的水平距离(非
回转浮式起重机为空载吊
具垂直中心线至船艏护木
的水平距离)
2.1.1 最大幅度Lmax 起重机工作时,臂架倾角最
小或小车在臂架最外极限
位置时的幅度
2.1.2 最小幅度Lmin 臂架倾角最大或小车在臂
架最内极限位置时的幅度
2.2 悬臂有效伸缩距l 离悬臂最近的起重机轨道
中心线到位于悬臂端部吊
具中心线之间的距离
2.3 起升高度H 起重机水平停车面至吊
具允许最高位置的垂直距
离。
——对吊钩和货叉,算至
它们的支承表面;
——对其它吊具,算至它
们的最低点(闭合状态)。
对桥式起重机,应是空载
置于水平场地上方,从地面
开始测定其起升高度。
2.4 下降深度h 吊具最低工作位置与起
重机水平支承面之间的垂
直距离。
——对吊钩和货叉,从其
支承面算起,
——对其它吊具,从其最
低点算起(闭合状态)。
桥式起重机从地平面起
算下降深度。
应是空载置于
水平场地上方,测定其下降
深度。
2.5 起升范围D 吊具最高和最低工作位置
之间的垂直距离(D=H+h)
2.6 起重臂长度Lb 起重臂根部销轴至顶端定
滑轮轴线(小车变幅塔式起
重机为至臂端形位线)在起
重臂纵向中心线方向的投
影距离
2.7 起重机倾角在起升平面内,起重臂纵向
中心线与水平线的夹角
3 运动速度
3.1 起升(下降)速度
Vn
稳定运动状态下,额定载荷
的垂直位移速度
3.2 微速下降速度
Vm
稳定运动状态下,安装或堆
垛最大额定载荷时的最小
下降速度
3.3 回转速度ω稳定状态下,起重机转动部
分的回转角速度。
规定为在
水平场地上,离地10m高度
处,风速小于3m/s时,起
重机幅度最大,且带额定载
荷时的转速
3.4 起重机(大车)运
行速度Vk
稳定运动状态下,起重机运
行的速度。
规定为在水平路
面(或水平轨面)上,离地
10m高度处,风速小于3m
/s时的起重机带额定载荷
时的运行速度
3.5 小车运行速度Vt 稳定运动状态下,小车运行
的速度。
规定为离地面10m
高度处,风速小于3m/s
时,带领定载荷的小车在水
平轨道上运行的速度
3.6 变幅速度Vr 稳定运动状态下,额定载
荷在变幅平面内水平位移
的平均速度。
规定为离地10m高度处,
风速小于3m/s时,起重机
在水平路面上,幅度从最大
值至最小值的平均速度
4 与起重机运行线路有关的参数
4.1 跨度S 桥架型起重机支承中心线
之间的水平距离
5一般性能参数
5.1 工作级别考虑起重量和时间的利用
程度以及工作循环次数的
起重机械特性
二、起重机工作级别
以往作为起重机的主要技术参数中,常常提起ⅡB%值、JC%值等标明起重机的级别,如轻级、中级或重级等即所谓的“工作制度”。
随着起重机技术的发展,显然起重机工作制度的技术概念和含义均有相当的欠妥与不足之处,因为起重机工作制度只考虑了起重机的通电时间的长短,来确定起重机的级别是十分不合理的。
当今,作为起重机的一个主要技术参数是起重机的工作级别,它代替了过去不合理的工作制度。
起重机的工作级别的大小高低是由二种能力所决定,其一是起重机的使用频繁程度,称为起重机利用等级;其二是起重机承受载荷的大小,称为起重机的载荷状态。
1.起重机的利用等级
起重机在有效寿命期间有一定的工作循环总数。
起重机作业的工作循环是从准备起吊物品开始,到下一次起吊物品为止的整个作业过程。
工作循环总数表征起重机的利用程度,它是起重机分级的基本参数之一。
工作循环总数是起重机在规定使用寿命期间所有工作循环次数的总和。
确定适当的使用寿命时,要考虑经济、技术和环境因素,同时也要涉及设备老化的影响。
工作循环总数与起重机的使用频率有关。
为了方便起见,工作循环总数在其可能范围内,分成10个利用等级(U0~U9),如表1—2所示。
2.起重机载荷状态
载荷状态是起重机分级的另一个基本参数,它表明起重机的主要机构——起升机构受载的轻重程度。
载荷状态与两个因素有关:一个是实际起升载荷G与额定载荷Gn之比G/Gn,另一个是实际起升载荷G的作用次数N与工作循环总数Nn之比N/Nn。
表示G/Gn 和N/Nn关系的线图称为载荷谱。
表1—3列出了起重机载
荷状态。
3.起重机工作级别
起重机的工作级别,即起重机的分级是由起重机的利用等级(表1—2)和起重机的载荷状态(表1—3)所决定,起重机的工作级别用符号A表示,其工作级别分为8级,即A1~A8。
级。
起重机的工作级别如表1—4所示。
4.起重机工作级别举例
为便于广大起重作业人员了解和掌握起重机适用的工作级别,而列举了以下各种起重机的工作级别,如表1—5所示。