标准公差值与孔和轴的极限偏差值
- 格式:doc
- 大小:245.50 KB
- 文档页数:9
公差与配合标准表1.基本偏差系列及配合种类.2.标准公差值及孔和轴的极限偏差值有缘学习更多关注桃报:奉献教育(店铺)标准公差值(基本尺寸大于6至500mm)基本尺寸mm公差等级IT5 IT6 IT7 IT8 IT9 IT10 IT11 IT12孔的极限差值(基本尺寸由大于10至315mm)μm轴的极限偏差(基本尺寸由于大于10至315mm)注:标注▼者为优先公差等级,应优先选用。
形状和位置公差(摘自GB1182~1184-80)形位公差符号分类形状公差位置公差项目直线度平面度圆度圆柱度平行度垂直度倾斜度同轴度对称度位置度圆跳动全跳动符号圆度和圆柱度公差μm主参数d(D)图例公差等级主参数d(D) mm应用举例>6~10>10~18>18~30>30~50>50~80>80~120>120~180>180~250>250~315>315~400>400~5005 1.5 2 2.5 2.5 3 4 5 7 8 9 10 安装E、C级滚6 2.5 3 4 4 5 6 8 10 12 13 15动轴承的配合面,通用减速器的轴颈,一般机床的主轴。
7 4 5 6 7 8 10 12 14 16 18 20千斤顶或压力油缸的活塞,水泵及减速器的轴颈,液压传动系统的分配机构8 6 8 9 11 13 15 18 20 23 25 279 9 11 13 16 19 22 25 29 32 36 40 起重机、卷扬机用滑动轴承等10 15 18 21 25 30 35 40 46 52 57 63直线度和平面度公差μm 主参数L图例公差等级主要参数L mm应用举例≤10>10~16>16~25>25~40>40~63>63~100>100~160>160~250>250~400>400~6305 2 2.5 3 4 56 8 10 12 15 普通精度的机床导轨6 3 4 5 6 8 10 12 15 20 257 5 6 8 10 12 15 20 25 30 40 轴承体的支承面,减速器的壳体,轴系支承轴承的接合面8 8 10 12 15 20 25 30 40 50 609 12 15 20 25 30 40 50 60 80 100辅助机构及手动机械的支承面,液压管件和法兰的连接面10 20 25 30 40 50 60 80 100 120 150平行度、垂直度和倾斜度公差有缘学习更多关注桃报:奉献教育(店铺)μm主参数L、d (D)图例公差等级主参数L、d(D)mm应用举例≤10>10~16>16~25>25~40>40~63>63~100>100~160>160~250>250~400>400~6305 56 8 10 12 15 20 25 30 40 垂直度用于发动机的轴和离合器的凸缘,装D、E级轴承和装C、D级轴承之箱体的凸肩6 8 10 12 15 20 25 30 40 50 60 平行度用于中等精度钻模的工作面,7~10级精度齿轮传动壳体孔的中心线7 12 15 20 25 30 40 50 60 80 100 垂直度用于装F、G 级轴承之壳体孔的轴线,按h6与g6连接的锥形轴减速机的机体孔中心线8 20 25 30 40 50 60 80 100 120 150 平行度用于重型机械轴承盖的端面、手动传动装置中的传动轴同轴度、对称度、圆跳动和全跳动公差确良有缘学习更多关注桃报:奉献教育(店铺)μm主参数d(D)、B、L图例公差等主参数d(D)、B、Lmm 应用举例级>3~6 >6~10>10~18 >18~30>30~50>50~120>120~250>250~5005 3 4 56 8 10 12 156和7级精度齿轮轴的配合面,较高精度的快速轴,较高精度机床的轴套6 5 6 8 10 12 15 20 257 8 10 12 15 20 25 30 40 8和9级精度齿轮轴的配合面,普通精度高速轴(100r/min以下),长度在1m以下的主传动轴,起重运输机的鼓轮配合孔和导轮的滚动面M 12 15 20 25 30 40 50 60 表面粗糙度表面粗糙度R a值的应用范围粗糙度代号光洁度代号表面形状、特征加工方法应用范围ⅠⅡ除净毛刺铸、锻、冲压、热轧、冷轧用于保持原供应状况的表面微见刀痕粗车,刨,立铣,平铣,钻毛坯粗加工后的表面可见加工痕迹车,镗,刨,钻,平铣,立铣,锉,粗铰,磨,铣齿比较精确的粗加工表面,如车端面、倒角微见加工痕迹车,镗,刨,铣,刮1~2点/cm2,拉,磨,锉滚压,铣齿不重要零件的非结合面,如轴、盖的端面,倒角,齿轮及皮带轮的侧面、平键及键槽的上下面,轴或孔的退刀槽看不见加工痕迹车,镗,刨,铣,铰,拉,磨,滚压,铣齿,刮1~2点/cm2IT12级公差的零件的结合面,如盖板、套筒等与其它零件联接但不形成配合的表面,齿轮的非工作面,键与键槽的工作面,轴与毡圈的摩擦面可辨加工痕迹的方向车,镗,拉,磨,立铣,铰,滚压,刮3~10点/cm2IT8~IT12级公差的零件的结合面,如皮带轮的工作面,普通精度齿轮的齿面,与低精度滚动轴承相配合的箱体孔微辨加工痕迹的方向铰,磨,镗,拉,滚压,刮3~10点/cm2IT6~IT8厅级公差的零件的结合面;与齿轮、蜗轮、套筒等的配合面;与高精度滚动轴承相配合的轴颈;7级精度大小齿轮的工作面;滑动轴承轴瓦的工作面;7~8 级精度蜗杆的齿面不可辨加工痕迹的方向布轮磨,磨,研磨,超级加工IT5、IT6级公差的零件的结合面,与C级精度滚动轴承配合的轴颈;3、4、5级精度齿轮的工作面暗光泽面超级加工仪器导轨表面;要求密封的液压传动的工作面;塞的外表面;活汽缸的内表面注:1. 粗糙度代号I为第一种过渡方式。
..2.标准公差值及孔和轴的极限误差值标准公差值 ( 基本尺寸大于 6 至 500mm)基本尺寸公差等级mm IT5IT6IT7IT8IT9IT10IT11IT12 >6~ 10>10~ 18>18~ 30691522365890150 >30~ 5081118274370110180 >50~ 8091321335284130210 >80~ 1201116253962100160250 >120~1319304674120190300 1801522355487140220350 >180~18254063100160250400 25020294672115185290460 >250~23325281130210320520 31525365789140230360570 >315~27406397155250400630 400>400~500孔的极限差值(基本尺寸由大于10 至 315mm)μm 等基本尺寸 mm公差带级>0~ 18>18~ 30 >30 ~ 50 >50 ~ 80>80~>120~>180~>250~1201802503158+77+98+119+146+174+208+242+271 +50+65+80+100+120+145+170+190▼9+93+117+142+174+207+245+285+320 +50+65+80+100+120+145+170+190D+120+149+180+220+260+305+355+400 10+50+65+80+100+120+145+170+19011+160+195+240+290+340+395+460+510 +50+65+80+100+120+145+170+1906+43+53+66+79+94+110+129+142 +32+40+50+60+72+85+100+1107+50+61+75+90+107+125+146+162 +32+40+50+60+72+85+100+110E8+59+73+89+106+126+148+172+191 +32+40+50+60+72+85+100+1109+75+92+112+134+159+185+215+240 +32+40+50+60+72+85+100+110+32 +40 +50 +60 +72 +85 +100 +110+27 +33 +41 +49 +58 +68 +79 +886 +20 +25 +30 +36 +43 +50 +56 +16+34 +41 +50 +60 +71 +83 +96 +1087+20 +25 +30 +36 +43 +50 +56 F+16 +43 +53 +64 +76 +90 +106 +122 +137▼8+20 +25 +30 +36 +43 +50 +56 +16+59 +72 +87 +104 +123 +143 +165 +1869+20 +25 +30 +36 +43 +50 +56 +16+11 +13 +16 +19 +22 +25 +29 +3260 0 0 0 0 0 0 0+18 +21 +25 +30 +35 +40 +46 +52 H▼70 0 0 0 0 0 0 0+27 +33 +39 +46 +54 +63 +72 +81▼80 0 0 0 0 0 0 0+43 +52 +62 +74 +87 +100 +115 +130▼90 0 0 0 0 0 0 0+70 +84 +100 +120 +140 +160 +185 +210100 0 0 0 0 0 0 0+110 +130 +160 +190 +220 +250 +290 +320▼110 0 0 0 0 0 0 0+2 +2 +3 +4 +4 +4 +5 +56- 11 - 13 - 15 - 18 - 21 - 24 - 27- 9 K+6 +6 +7 +9 +10 +12 +13 +16 ▼7 - 15 - 18 - 21 - 25 - 28 - 33 - 36 - 12+8 +10 +12 +14 +16 +20 +22 +258 - 23 - 27 - 32 - 38 - 43 - 50 - 56 - 19- 9 - 11 - 12 - 14 - 16 - 20 - 22 - 256- 28 - 24 - 33 - 38 - 45 - 51 - 57- 20 N- 5 - 7 - 8 - 9 - 10 - 12 - 14 - 14 ▼7- 28 - 33 - 39 - 45 - 52 - 60 - 66 - 23- 3 - 3 - 3 - 4 - 4 - 4 - 5 - 58- 36 - 42 - 50 - 58 - 67 - 77 - 86 - 30- 15 - 18 - 21 - 26 - 30 - 36 - 41 - 476- 31 - 37 - 45 - 52 - 61 - 70 - 79 P- 26 - 11 - 14 - 17 - 21 - 24 - 28- 33- 36▼7- 35- 42- 51- 59- 68- 79- 88- 29 轴的极限误差(基本尺寸因为大于 10 至 315mm )等 基本尺寸 mm公差带级>80~ >120~ >180~>250~ 315>10~ 18 >18 ~ 30 >30~ 50 >50~ 80120180 250d6-- 65 - 80- 100- 120- 145- 170- 19050- 78 - 96- 119- 142- 170- 199- 222-617-- 65 - 80- 100- 120- 145- 170- 19050- 86 - 105- 130- 155- 185- 216- 242-688-- 65 - 80- 100- 120- 145- 170- 19050- 98 - 119- 146- 174- 208- 242- 271-77▼9-- 65 - 80- 100- 120- 145- 170- 19050-- 142- 174- 207- 245- 285- 320-1179310-- 65 - 80- 100- 120- 145- 170- 19050-- 180- 220- 260- 305- 355- 400-149120f▼7-- 20- 25- 30- 36- 43- 50- 5616- 41- 50- 60- 71- 83- 96- 108-348-- 20- 25- 30- 36- 43- 50- 5616- 53- 64- 76- 90- 106- 122- 137-439-- 20- 25- 30- 36- 43- 50- 5616- 72- 87- 104- 123- 143- 165- 186-59g5- 6 - 7- 9- 10- 12- 14- 15- 17-- 16- 20- 23- 27- 32- 35- 4014▼6- 6 - 7- 9- 10- 12- 14- 15- 17-- 20- 25- 29- 34- 39- 44- 49177- 6 - 7- 9- 10- 12- 14- 15- 17-- 28- 34- 40- 47- 54- 61- 6924h500000000— 8— 9— 11— 13— 15— 18— 20— 230000000▼6 — 1— 32— 13— 16— 19— 22— 25— 2910000000▼7 — 1— 52— 21— 25— 30— 35— 40— 46800000008— 2— 81— 33— 39— 46— 54— 63— 7270000000▼9 — 4— 130— 52— 62— 74— 87— 100— 1153K+9+11+13+15+18+21+24+275+4 +1+2+2+2+3+3+4+12+15+18+21+25+28+33+36▼6+4 +1+2+2+2+3+3+3+19+23+27+32+38+43+50+567+4 +1+2+2+2+3+3+4M+15+17+20+24+28+33+37+435+20 +7+8+9+11+13+15+17+18+21+25+30+35+40+46+526+20 +7+8+9+11+13+15+17+25+29+34+41+48+55+63+727+20 +7+8+9+11+13+15+17N+20+24+28+33+38+45+51+575+34 +12+15+17+22+23+27+31+23+28+33+39+45+52+60+66▼6+34 +12+15+17+20+23+27+31+30+36+42+50+58+67+77+867+34 +12+15+17+20+23+27+31p5+26 +31+37+45+52+61+70+79+18 +22+26+32+37+43+50+56+29+35+42+51+59+68+79+88+56▼6+22+26+32+37+43+50+18+36+43+51+62+72+83+96+108 +567+22+26+32+37+43+50+18注:标明▼者为优先公差等级,应优先采用。
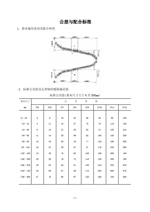
公差与配合标准
1.基本偏差系列及配合种类
.2.标准公差值及孔和轴的极限偏差值
标准公差值(基本尺寸大于6至500mm)
孔的极限差值(基本尺寸由大于10至315mm)μm
形位公差符号
圆度和圆柱度公差
主参数d (D)图例
直线度和平面度公差
主参数L 图例
表面粗糙度R a 值的应用范围
注:1. 粗糙度代号I为第一种过渡方式。
它是取新国标中相应最靠近的下一档的第1
的最大允许值取6.3。
因此,在不影响系列值,如原光洁度(旧国标)为▽5,R
a
原表面粗糙要求的情况下,取该值有利于加工。
2. 粗糙度代号Ⅱ为第2种过渡方式。
它是取新国标中相应最靠近的上一档的第1
系列值,如原光洁度为▽5,R
的最大允许值取3.2。
因此,取该值提高了原表面
a
粗糙度的要求和加工的成本。
公差与配合1.基本偏差系列及配合种类.2.标准公差值及孔和轴的极限偏差值标准公差值(基本尺寸大于6至500mm)基本尺寸mm公差等级IT5 IT6 IT7 IT8 IT9 IT10 IT11 IT12孔的极限差值(基本尺寸由大于10至315mm)μm轴的极限偏差(基本尺寸由于大于10至315mm)公差带级>10~18 >18~30 >30~50 >50~80 >80~120 >120~180 >180~250 >250~315 ▼6+29+18+35+22+42+26+51+32+59+37+68+43+79+50+88+567+36+18+43+22+51+26+62+32+72+37+83+43+96+50+108+56注:标注▼者为优先公差等级,应优先选用。
形状和位置公差(摘自GB1182~1184-80)形位公差符号分类形状公差位置公差项目直线度平面度圆度圆柱度平行度垂直度倾斜度同轴度对称度位置度圆跳动全跳动符号圆度和圆柱度公差μm主参数d(D)图例公差等级主参数d(D) mm应用举例>6~10>10~18>18~30>30~50>50~80>80~120>120~180>180~250>250~315>315~400>400~5005 1.5 2 2.5 2.5 3 4 5 7 8 9 10安装E、C级滚动轴承的配合面,通用减速器的轴颈,一般机床的主轴。
6 2.5 3 4 4 5 6 8 10 12 13 157 4 5 6 7 8 10 12 14 16 18 20千斤顶或压力油缸的活塞,水泵及减速器的轴颈,液压传动系统的分配机构8 6 8 9 11 13 15 18 20 23 25 279 9 11 13 16 19 22 25 29 32 36 40 起重机、卷扬机用滑动轴承等10 15 18 21 25 30 35 40 46 52 57 63直线度和平面度公差μm 主参数L图例公主要参数L mm 应用举例差等级≤10>10~16>16~25>25~40>40~63>63~100>100~160>160~250>250~400>400~6305 2 2.5 3 4 56 8 10 12 15 普通精度的机床导轨6 3 4 5 6 8 10 12 15 20 257 5 6 8 10 12 15 20 25 30 40 轴承体的支承面,减速器的壳体,轴系支承轴承的接合面8 8 10 12 15 20 25 30 40 50 609 12 15 20 25 30 40 50 60 80 100 辅助机构及手动机械的支承面,液压管件和法兰的连接面10 20 25 30 40 50 60 80 100 120 150平行度、垂直度和倾斜度公差μm主参数L、d (D)图例公差主参数L、d(D)mm 应用举例同轴度、对称度、圆跳动和全跳动公差确良μm主参数d(D)、B、L图例公差等级主参数d(D)、B、Lmm应用举例>3~6 >6~10>10~18>18~30>30~50>50~120>120~250>250~5005 3 4 56 8 10 12 15 6和7级精度齿轮轴的配合面,较高精度的快速轴,较高精度机床的轴套6 5 6 8 10 12 15 20 257 8 10 12 15 20 25 30 40 8和9级精度齿轮轴的配合面,普通精度高速轴(100r/min 以下),长度在1m 以下的主传动轴,起重运输机的鼓轮配合孔和导轮的滚动面M 12 15 20 25 30 40 50 60表面粗糙度表面粗糙度R a值的应用范围粗糙度代号光洁度表面形状、特征加工方法应用范围ⅠⅡ代号除净毛刺铸、锻、冲压、热轧、冷轧用于保持原供应状况的表面微见刀痕粗车,刨,立铣,平铣,钻毛坯粗加工后的表面可见加工痕迹车,镗,刨,钻,平铣,立铣,锉,粗铰,磨,铣齿比较精确的粗加工表面,如车端面、倒角微见加工痕迹车,镗,刨,铣,刮1~2点/cm2,拉,磨,锉滚压,铣齿不重要零件的非结合面,如轴、盖的端面,倒角,齿轮及皮带轮的侧面、平键及键槽的上下面,轴或孔的退刀槽看不见加工痕迹车,镗,刨,铣,铰,拉,磨,滚压,铣齿,刮1~2点/cm2IT12级公差的零件的结合面,如盖板、套筒等与其它零件联接但不形成配合的表面,齿轮的非工作面,键与键槽的工作面,轴与毡圈的摩擦面可辨加工痕迹的方向车,镗,拉,磨,立铣,铰,滚压,刮3~10点/cm2IT8~IT12级公差的零件的结合面,如皮带轮的工作面,普通精度齿轮的齿面,与低精度滚动轴承相配合的箱体孔微辨加工痕迹的方向铰,磨,镗,拉,滚压,刮3~10点/cm2IT6~IT8厅级公差的零件的结合面;与齿轮、蜗轮、套筒等的配合面;与高精度滚动轴承相配合的轴颈;7级精度大小齿轮的工作面;滑动轴承轴瓦的工作面;7~8 级精度蜗杆的齿面不可辨加工痕迹的方向布轮磨,磨,研磨,超级加工IT5、IT6级公差的零件的结合面,与C级精度滚动轴承配合的轴颈;3、4、5级精度齿轮的工作面暗光泽面超级加工仪器导轨表面;要求密封的液压传动的工作面;塞的外表面;活汽缸的内表面注:1. 粗糙度代号I为第一种过渡方式。
轴孔配合公差表公差与配合(摘自GB1800~1804-79)1.基本偏差系列及配合种类2.标准公差值及孔和轴的极限偏差值基本尺寸mm公差等级IT5IT6IT7IT8IT9IT10IT11IT12>6~10>10~18 >18~30 >30~50 >50~80 >80~12>120~180>180~250>250~315>315~468911131518202325279111316192225293236401518212530354046525763222733394654637281899736435262748710011513014015558708410012014016018521023025090110130160190220250290320360400150180210250300350400460520570630形状和位置公差(摘自GB1182~1184-80)形位公差符号分类形状公差位置公差项目直线度平面度圆度圆柱度平行度垂直度倾斜度同轴度对称度位置度圆跳动全跳动符号圆度和圆柱度公差μm主参数d(D)图例公差等级主参数d(D) mm应用举例>6~1>10~18>18~3>30~50>50~8>80~120>120~180>180~250>250~315>315~400>400~5005234578910安装E、C级滚动轴承的配合面,通用减速器的轴颈,一般机床的主轴。
634456********* 745678101214161820千斤顶或压力油缸的活塞,水泵及减速器的轴颈,液压传动系统的分配机构86891113151820232527 9911131619222529323640起重机、卷扬机用滑动轴承等101518212530354046525763主参数L图例公差等级主参数L、d(D) mm应用举例≤10>10~16>16~25>25~4>40~63>63~100>100~160>160~250>250~400>400~630556810121520253040垂直度用于发动机的轴和离合器的凸缘,装D、E级轴承和装C、D级轴承之箱体的凸肩68101215202530405060平行度用于中等精度钻模的工作面,7~10级精度齿轮传动壳体孔的中心线7121520253040506080100垂直度用于装F、G级轴承之壳体孔的轴线,按h6与g6连接的锥形轴减速机的机体孔中心线820253040506080100120150平行度用于重型机械轴承盖的端面、手动传动装置中的传动轴主参数d(D)、B、L图例公差等级主参数d(D)、B、Lmm应用举例>3~6>6~10>10~18>18~30>30~50>50~12>120~250>250~5005345681012156和7级精度齿轮轴的配合面,较高精度的快速轴,较高精度机床的轴套6568101215202578101215202530408和9级精度齿轮轴的配合面,普通精度高速轴(100r/min以下),长度在1m以下的主传动轴,起重运输机的鼓轮配合孔和导轮的滚动面M1215202530405060表面粗糙度粗糙度代号光洁度代号表面形状、特征加工方法应用范围ⅠⅡ除净毛刺铸、锻、冲压、热轧、冷轧用于保持原供应状况的表面微见刀痕粗车,刨,立铣,平铣,钻毛坯粗加工后的表面可见加工痕迹车,镗,刨,钻,平铣,立铣,锉,粗铰,磨,铣齿比较精确的粗加工表面,如车端面、倒角微见加工痕迹车,镗,刨,铣,刮1~2点/cm2,拉,磨,锉滚压,铣齿不重要零件的非结合面,如轴、盖的端面,倒角,齿轮及皮带轮的侧面、平键及键槽的上下面,轴或孔的退刀槽看不见加工痕迹车,镗,刨,铣,铰,拉,磨,滚压,铣齿,刮1~2点/cm2IT12级公差的零件的结合面,如盖板、套筒等与其它零件联接但不形成配合的表面,齿轮的非工作面,键与键槽的工作面,轴与毡圈的摩擦面可辨加工痕迹的方向车,镗,拉,磨,立铣,铰,滚压,刮3~10点/cm2IT8~IT12级公差的零件的结合面,如皮带轮的工作面,普通精度齿轮的齿面,与低精度滚动轴承相配合的箱体孔微辨加工痕迹的方向铰,磨,镗,拉,滚压,刮3~10点/cm2IT6~IT8厅级公差的零件的结合面;与齿轮、蜗轮、套筒等的配合面;与高精度滚动轴承相配合的轴颈;7级精度大小齿轮的工作面;滑动轴承轴瓦的工作面;7~8 级精度蜗杆的齿面不可辨加工痕迹的方向布轮磨,磨,研磨,超级加工IT5、IT6级公差的零件的结合面,与C级精度滚动轴承配合的轴颈;3、4、5级精度齿轮的工作面暗光泽面超级加工仪器导轨表面;要求密封的液压传动的工作面;塞的外表面;活汽缸的内表面洁度(旧国标)为▽5,R a的最大允许值取。
.2.标准公差值及孔和轴的极限偏差值标准公差值(基本尺寸大于6至500mm)基本尺寸mm公差等级IT5 IT6 IT7 IT8 IT9 IT10 IT11 IT12>6~10 >10~18 >18~30>30~50 >50~80 >80~120 >120~180 >180~250 >250~315 >315~400 >400~50068911131518202325279111316192225293236401518212530354046525763222733394654637281899736435262748710011513014015558708410012014016018521023025090110130160190220250290320360400150180210250300350400460520570630孔的极限差值(基本尺寸由大于10至315mm)μm公差带等级基本尺寸mm>0~18>18~30>30~50>50~80>80~120>120~180>180~250>250~315D8+77+50+98+65+119+80+146+100+174+120+208+145+242+170+271+190 ▼9+93+50+117+65+142+80+174+100+207+120+245+145+285+170+320+190 10+120+50+149+65+180+80+220+100+260+120+305+145+355+170+400+190 11+160+50+195+65+240+80+290+100+340+120+395+145+460+170+510+190E 6+43+32+53+40+66+50+79+60+94+72+110+85+129+100+142+110 7+50+32+61+40+75+50+90+60+107+72+125+85+146+100+162+110 8+59+32+73+40+89+50+106+60+126+72+148+85+172+100+191+110 9+75+32+92+40+112+50+134+60+159+72+185+85+215+100+240+11010 +102+32+124+40+150+50+180+60+212+72+245+85+285+100+320+110F6+27+16+33+20+41+25+49+30+58+36+68+43+79+50+88+56 7+34+16+41+20+50+25+60+30+71+36+83+43+96+50+108+56 ▼8+43+16+53+20+64+25+76+30+90+36+106+43+122+50+137+56 9+59+16+72+20+87+25+104+30+123+36+143+43+165+50+186+56H6+11+13+16+19+22+25+29+320 ▼7+18+21+25+30+35+40+46+520 ▼8+27+33+39+46+54+63+72+810 ▼9+43+52+62+74+87+100+115+1300 10+70+84+100+120+140+160+185+2100 ▼11+110+130+160+190+220+250+290+320K6+2-9+2-11+3-13+4-15+4-18+4-21+5-24+5-27 ▼7+6-12+6-15+7-18+9-21+10-25+12-28+13-33+16-36 8+8-19+10-23+12-27+14-32+16-38+20-43+22-50+25-56N6-9-20-11-28-12-24-14-33-16-38-20-45-22-51-25-57 ▼7-5-23-7-28-8-33-9-39-10-45-12-52-14-60-14-66 8-3-30-3-36-3-42-4-50-4-58-4-67-5-77-5-86P6-15-26-18-31-21-37-26-45-30-52-36-61-41-70-47-79 ▼7-11-29-14-35-17-42-21-51-24-59-28-68-33-79-36-88 轴的极限偏差(基本尺寸由于大于10至315mm)等基本尺寸mm公差带 级 >10~18 >18~30 >30~50 >50~80 >80~120 >120~180 >180~250 >250~315 d6-50 -61 -65 -78-80 -96 -100 -119 -120 -142 -145 -170 -170 -199 -190-2227-50 -68 -65 -86-80 -105 -100 -130 -120 -155 -145 -185 -170 -216 -190 -2428-50 -77 -65 -98-80 -119 -100 -146 -120 -174 -145 -208 -170 -242 -190 -271▼9-50 -93 -65 -117-80 -142 -100 -174 -120 -207 -145 -245 -170 -285 -190 -32010-50 -120-65 -149 -80 -180 -100 -220 -120 -260 -145 -305 -170 -355 -190 -400f ▼7-16 -34 -20 -41-25 -50 -30 -60 -36 -71 -43 -83 -50 -96 -56 -1088-16 -43 -20 -53-25 -64 -30 -76 -36 -90 -43 -106 -50 -122 -56 -1379-16 -59 -20 -72-25 -87 -30 -104 -36 -123 -43 -143 -50 -165 -56 -186g 5-6 -14 -7 -16 -9 -20 -10 -23 -12 -27 -14 -32 -15 -35 -17 -40 ▼6-6 -17 -7 -20 -9 -25 -10 -29 -12 -34 -14 -39 -15 -44 -17 -49 7-6 -7 -9-10 -12 -14 -15 -17-24 -28-34 -40 -47 -54 -61 -69h5—8—9—110—130—150—180—200—23▼6—11—13—160—190—220—250—290—32▼7—18—21—25—30—35—40—460—528—27—33—39—46—54—63—72—81▼9—43—52—62—74—87—100—115—130K5 +9+1+11+2+13+2+15+2+18+3+21+3+24+4+27+4▼6+12+1+15+2+18+2+21+2+25+3+28+3+33+3+36+47 +19+1+23+2+27+2+32+2+38+3+43+3+50+4+56+4M5 +15+7+17+8+20+9+24+11+28+13+33+15+37+17+43+206 +18+7+21+8+25+9+30+11+35+13+40+15+46+17+52+207 +25+7+29+8+34+9+41+11+48+13+55+15+63+17+72+20N5 +2+12+24+15+28+17+33+22+38+23+45+27+51+31+57+34▼6+23+1+28+15+33+17+39+20+45+23+52+27+60+31+66+3427 +3+12+36+15+42+17+50+20+58+23+67+27+77+31+86+34p5 +26+18+31+22+37+26+45+32+52+37+61+43+70+50+79+56▼6+29+18+35+22+42+26+51+32+59+37+68+43+79+50+88+567 +36+18+43+22+51+26+62+32+72+37+83+43+96+50+108+56注:标注▼者为优先公差等级,应优先选用。
.2.标准公差值及孔和轴的极限偏差值标准公差值 ( 基本尺寸大于 6 至 500mm)基本尺寸公差等级mm IT5IT6IT7IT8IT9IT10IT11IT12 >6~ 10>10~ 18>18~ 30691522365890150 >30~ 5081118274370110180 >50~ 8091321335284130210 >80~ 1201116253962100160250 >120~1319304674120190300 1801522355487140220350 >180~18254063100160250400 25020294672115185290460 >250~23325281130210320520 31525365789140230360570 >315~27406397155250400630 400>400~500孔的极限差值(基本尺寸由大于10 至 315mm)μm 等基本尺寸 mm公差带级>0~ 18>18~ 30 >30 ~ 50 >50 ~ 80>80~>120~>180~>250~1201802503158+77+98+119+146+174+208+242+271 +50+65+80+100+120+145+170+190▼9+93+117+142+174+207+245+285+320 +50+65+80+100+120+145+170+190D+120+149+180+220+260+305+355+400 10+50+65+80+100+120+145+170+19011+160+195+240+290+340+395+460+510 +50+65+80+100+120+145+170+1906+43+53+66+79+94+110+129+142 +32+40+50+60+72+85+100+1107+50+61+75+90+107+125+146+162 +32+40+50+60+72+85+100+110E8+59+73+89+106+126+148+172+191 +32+40+50+60+72+85+100+1109+75+92+112+134+159+185+215+240 +32+40+50+60+72+85+100+11010+102+124+150+180+212+245+285+320+32 +40 +50 +60 +72 +85 +100 +110+27 +33 +41 +49 +58 +68 +79 +886 +20 +25 +30 +36 +43 +50 +56 +16+34 +41 +50 +60 +71 +83 +96 +1087+20 +25 +30 +36 +43 +50 +56 F+16 +43 +53 +64 +76 +90 +106 +122 +137▼8+20 +25 +30 +36 +43 +50 +56 +16+59 +72 +87 +104 +123 +143 +165 +1869+20 +25 +30 +36 +43 +50 +56 +16+11 +13 +16 +19 +22 +25 +29 +3260 0 0 0 0 0 0 0+18 +21 +25 +30 +35 +40 +46 +52 H▼70 0 0 0 0 0 0 0+27 +33 +39 +46 +54 +63 +72 +81▼80 0 0 0 0 0 0 0+43 +52 +62 +74 +87 +100 +115 +130▼90 0 0 0 0 0 0 0+70 +84 +100 +120 +140 +160 +185 +210100 0 0 0 0 0 0 0+110 +130 +160 +190 +220 +250 +290 +320▼110 0 0 0 0 0 0 0+2 +2 +3 +4 +4 +4 +5 +56- 11 - 13 - 15 - 18 - 21 - 24 - 27- 9 K+6 +6 +7 +9 +10 +12 +13 +16 ▼7 - 15 - 18 - 21 - 25 - 28 - 33 - 36 - 12+8 +10 +12 +14 +16 +20 +22 +258 - 23 - 27 - 32 - 38 - 43 - 50 - 56 - 19- 9 - 11 - 12 - 14 - 16 - 20 - 22 - 256- 28 - 24 - 33 - 38 - 45 - 51 - 57- 20 N- 5 - 7 - 8 - 9 - 10 - 12 - 14 - 14 ▼7- 28 - 33 - 39 - 45 - 52 - 60 - 66 - 23- 3 - 3 - 3 - 4 - 4 - 4 - 5 - 58- 36 - 42 - 50 - 58 - 67 - 77 - 86 - 30- 15 - 18 - 21 - 26 - 30 - 36 - 41 - 476- 31 - 37 - 45 - 52 - 61 - 70 - 79 P- 26 - 11 - 14 - 17 - 21 - 24 - 28- 33- 36▼7- 35- 42- 51- 59- 68- 79- 88- 29 轴的极限偏差(基本尺寸由于大于 10 至 315mm )等 基本尺寸 mm公差带级>80~ >120~ >180~>250~ 315>10~ 18 >18 ~ 30 >30~ 50 >50~ 80120180 250d6-- 65 - 80- 100- 120- 145- 170- 19050- 78 - 96- 119- 142- 170- 199- 222-617-- 65 - 80- 100- 120- 145- 170- 19050- 86 - 105- 130- 155- 185- 216- 242-688-- 65 - 80- 100- 120- 145- 170- 19050- 98 - 119- 146- 174- 208- 242- 271-77▼9-- 65 - 80- 100- 120- 145- 170- 19050-- 142- 174- 207- 245- 285- 320-1179310-- 65 - 80- 100- 120- 145- 170- 19050-- 180- 220- 260- 305- 355- 400-149120f▼7-- 20- 25- 30- 36- 43- 50- 5616- 41- 50- 60- 71- 83- 96- 108-348-- 20- 25- 30- 36- 43- 50- 5616- 53- 64- 76- 90- 106- 122- 137-439-- 20- 25- 30- 36- 43- 50- 5616- 72- 87- 104- 123- 143- 165- 186-59g5- 6 - 7- 9- 10- 12- 14- 15- 17-- 16- 20- 23- 27- 32- 35- 4014▼6- 6 - 7- 9- 10- 12- 14- 15- 17-- 20- 25- 29- 34- 39- 44- 49177- 6 - 7- 9- 10- 12- 14- 15- 17-- 28- 34- 40- 47- 54- 61- 6924h500000000— 8— 9— 11— 13— 15— 18— 20— 230000000▼6 — 1— 32— 13— 16— 19— 22— 25— 2910000000▼7 — 1— 52— 21— 25— 30— 35— 40— 46800000008— 2— 81— 33— 39— 46— 54— 63— 7270000000▼9 — 4— 130— 52— 62— 74— 87— 100— 1153K+9+11+13+15+18+21+24+275+4 +1+2+2+2+3+3+4+12+15+18+21+25+28+33+36▼6+4 +1+2+2+2+3+3+3+19+23+27+32+38+43+50+567+4 +1+2+2+2+3+3+4M+15+17+20+24+28+33+37+435+20 +7+8+9+11+13+15+17+18+21+25+30+35+40+46+526+20 +7+8+9+11+13+15+17+25+29+34+41+48+55+63+727+20 +7+8+9+11+13+15+17N+20+24+28+33+38+45+51+575+34 +12+15+17+22+23+27+31+23+28+33+39+45+52+60+66▼6+34 +12+15+17+20+23+27+31+30+36+42+50+58+67+77+867+34 +12+15+17+20+23+27+31p5+26 +31+37+45+52+61+70+79+18 +22+26+32+37+43+50+56+29+35+42+51+59+68+79+88+56▼6+22+26+32+37+43+50+18+36+43+51+62+72+83+96+108 +567+22+26+32+37+43+50+18注:标注▼者为优先公差等级,应优先选用。
27+3+12+36+15+42+17+50+20+58+23+67+27+77+31+86+34p5+26+18+31+22+37+26+45+32+52+37+61+43+70+50+79+56 ▼6+29+18+35+22+42+26+51+32+59+37+68+43+79+50+88+56 7+36+18+43+22+51+26+62+32+72+37+83+43+96+50+108+56注:标注▼者为优先公差等级,应优先选用。
形状和位置公差(摘自GB1182~1184-80)形位公差符号分类形状公差位置公差项目直线度平面度圆度圆柱度平行度垂直度倾斜度同轴度对称度位置度圆跳动全跳动符号圆度和圆柱度公差μm主参数d(D)图例公差等级主参数d(D) mm应用举例>6~10>10~18>18~30>30~50>50~80>80~120>120~180>180~250>250~315>315~400>400~5005 1.5 2 2.5 2.5 3 4 5 7 8 9 10 安装E、C级滚动轴承的配合面,通6 2.5 3 4 4 5 6 8 10 12 13 15用减速器的轴颈,一般机床的主轴。
7 4 5 6 7 8 10 12 14 16 18 20 千斤顶或压力油缸的活塞,水泵及减速器的轴颈,液压传动系统的分配机构8 6 8 9 11 13 15 18 20 23 25 279 9 11 13 16 19 22 25 29 32 36 40 起重机、卷扬机用滑动轴承等10 15 18 21 25 30 35 40 46 52 57 63直线度和平面度公差μm主参数L图例公差等级主要参数L mm应用举例≤10>10~16>16~25>25~40>40~63>63~100>100~160>160~250>250~400>400~6305 2 2.5 3 4 56 8 10 12 15 普通精度的机床导轨6 3 4 5 6 8 10 12 15 20 257 5 6 8 10 12 15 20 25 30 40 轴承体的支承面,减速器的壳体,轴系支承轴承的接合面8 8 10 12 15 20 25 30 40 50 609 12 15 20 25 30 40 50 60 80 100 辅助机构及手动机械的支承面,液压管件和法兰的连接面10 20 25 30 40 50 60 80 100 120 150平行度、垂直度和倾斜度公差μm主参数L、d (D)图例公差等级主参数L、d(D) mm应用举例≤10>10~16>16~25>25~40>40~63>63~100>100~160>160~250>250~400>400~6305 56 8 10 12 15 20 25 30 40垂直度用于发动机的轴和离合器的凸缘,装D、E级轴承和装C、D级轴承之箱体的凸肩6 8 10 12 15 20 25 30 40 50 60平行度用于中等精度钻模的工作面,7~10级精度齿轮传动壳体孔的中心线7 12 15 20 25 30 40 50 60 80 100垂直度用于装F、G级轴承之壳体孔的轴线,按h6与g6连接的锥形轴减速机的机体孔中心线8 20 25 30 40 50 60 80 100 120 150平行度用于重型机械轴承盖的端面、手动传动装置中的传动轴同轴度、对称度、圆跳动和全跳动公差确良μm主参数d(D)、B、L图例公差等级主参数d(D)、B、Lmm应用举例>3~6 >6~10>10~18>18~30>30~50>50~120>120~250>250~5005 3 4 56 8 10 12 15 6和7级精度齿轮轴的配合面,较高精度的快速轴,较高精度机床的轴套6 5 6 8 10 12 15 20 257 8 10 12 15 20 25 30 40 8和9级精度齿轮轴的配合面,普通精度高速轴(100r/min以下),长度在1m以下的主传动轴,起重运输机的鼓轮配合孔和导轮的滚动面M 12 15 20 25 30 40 50 60表面粗糙度表面粗糙度R a值的应用范围粗糙度代号光洁度代号表面形状、特征加工方法应用范围ⅠⅡ除净毛刺铸、锻、冲压、热轧、冷轧用于保持原供应状况的表面微见刀痕粗车,刨,立铣,平铣,钻毛坯粗加工后的表面可见加工痕迹车,镗,刨,钻,平铣,立铣,锉,粗铰,磨,铣齿比较精确的粗加工表面,如车端面、倒角微见加工痕迹车,镗,刨,铣,刮1~2点/cm2,拉,磨,锉滚压,铣齿不重要零件的非结合面,如轴、盖的端面,倒角,齿轮及皮带轮的侧面、平键及键槽的上下面,轴或孔的退刀槽看不见加工痕迹车,镗,刨,铣,铰,拉,磨,滚压,铣齿,刮1~2点/cm2IT12级公差的零件的结合面,如盖板、套筒等与其它零件联接但不形成配合的表面,齿轮的非工作面,键与键槽的工作面,轴与毡圈的摩擦面可辨加工痕迹的方向车,镗,拉,磨,立铣,铰,滚压,刮3~10点/cm2IT8~IT12级公差的零件的结合面,如皮带轮的工作面,普通精度齿轮的齿面,与低精度滚动轴承相配合的箱体孔微辨加工痕迹的方向铰,磨,镗,拉,滚压,刮3~10点/cm2IT6~IT8厅级公差的零件的结合面;与齿轮、蜗轮、套筒等的配合面;与高精度滚动轴承相配合的轴颈;7级精度大小齿轮的工作面;滑动轴承轴瓦的工作面;7~8 级精度蜗杆的齿面不可辨加工痕迹的方向布轮磨,磨,研磨,超级加工IT5、IT6级公差的零件的结合面,与C级精度滚动轴承配合的轴颈;3、4、5级精度齿轮的工作面暗光泽面超级加工仪器导轨表面;要求密封的液压传动的工作面;塞的外表面;活汽缸的内表面注:1. 粗糙度代号I为第一种过渡方式。
+18 +22 +26 +32 +37 +43 +50 +56▼6+29+18+35+22+42+26+51+32+59+37+68+43+79+50+88+567 +36+18+43+22+51+26+62+32+72+37+83+43+96+50+108+56注:标注▼者为优先公差等级,应优先选用。
形状和位置公差(摘自GB1182~1184-80)形位公差符号分类形状公差位置公差项目直线度平面度圆度圆柱度平行度垂直度倾斜度同轴度对称度位置度圆跳动全跳动符号圆度和圆柱度公差μm主参数d(D)图例公差等级主参数d(D) mm应用举例>6~10>10~18>18~30>30~50>50~80>80~120>120~180>180~250>250~315>315~400>400~5005 1.5 2 2.5 2.5 3 4 5 7 8 9 10 安装E、C级滚动轴承的配合面,通用减速器的轴颈,一般机床的主轴。
6 2.5 3 4 4 5 6 8 10 12 13 157 4 5 6 7 8 10 12 14 16 18 20 千斤顶或压力油缸的活塞,水泵及减速器的轴颈,液压传8 6 8 9 11 13 15 18 20 23 25 27动系统的分配机构9 9 11 13 16 19 22 25 29 32 36 40 起重机、卷扬机用滑动轴承等10 15 18 21 25 30 35 40 46 52 57 63直线度和平面度公差μm主参数L图例公差等级主要参数L mm应用举例≤1>10~16>16~25>25~40>40~63>63~100>100~160>160~250>250~400>400~6305 2 2.5 3 4 56 8 10 12 15 普通精度的机床导轨6 3 4 5 6 8 10 12 15 20 257 5 6 8 10 12 15 20 25 30 40 轴承体的支承面,减速器的壳体,轴系支承轴承的接合面8 8 10 12 15 20 25 30 40 50 609 12 15 20 25 30 40 50 60 80 100 辅助机构及手动机械的支承面,液压管件和法兰的连接面10 20 25 30 40 50 60 80 100 120 150平行度、垂直度和倾斜度公差μm主参数L、d (D)图例公差等级主参数L、d(D) mm应用举例≤10>10~16>16~25>25~40>40~63>63~100>100~160>160~250>250~400>400~6305 56 8 10 12 15 20 25 30 40垂直度用于发动机的轴和离合器的凸缘,装D、E级轴承和装C、D级轴承之箱体的凸肩6 8 10 12 15 20 25 30 40 50 60平行度用于中等精度钻模的工作面,7~10级精度齿轮传动壳体孔的中心线7 12 15 20 25 30 40 50 60 80 100垂直度用于装F、G级轴承之壳体孔的轴线,按h6与g6连接的锥形轴减速机的机体孔中心线8 20 25 30 40 50 60 80 100 120 150平行度用于重型机械轴承盖的端面、手动传动装置中的传动轴同轴度、对称度、圆跳动和全跳动公差确良μm主参数d(D)、B、L图例公差等级主参数d(D)、B、Lmm应用举例>3~6 >6~10>10~18>18~30>30~50>50~120>120~250>250~5005 3 4 56 8 10 12 15 6和7级精度齿轮轴的配合面,较高精度的快速轴,较高精度机床的轴套6 5 6 8 10 12 15 20 257 8 10 12 15 20 25 30 40 8和9级精度齿轮轴的配合面,普通精度高速轴(100r/min以下),长度在1m以下的主传动轴,起重运输机的鼓轮配合孔和导轮的滚动面M 12 15 20 25 30 40 50 60表面粗糙度表面粗糙度R a值的应用围粗糙度代号光洁度代号表面形状、特征加工方法应用围ⅠⅡ除净毛刺铸、锻、冲压、热轧、冷轧用于保持原供应状况的表面微见刀痕粗车,刨,立铣,平铣,钻毛坯粗加工后的表面可见加工痕迹车,镗,刨,钻,平铣,立铣,锉,粗铰,磨,铣齿比较精确的粗加工表面,如车端面、倒角微见加工痕迹车,镗,刨,铣,刮1~2点/cm2,拉,磨,锉滚压,铣齿不重要零件的非结合面,如轴、盖的端面,倒角,齿轮及皮带轮的侧面、平键及键槽的上下面,轴或孔的退刀槽看不见加工痕迹车,镗,刨,铣,铰,拉,磨,滚压,铣齿,刮1~2点/cm2IT12级公差的零件的结合面,如盖板、套筒等与其它零件联接但不形成配合的表面,齿轮的非工作面,键与键槽的工作面,轴与毡圈的摩擦面可辨加工痕迹的方向车,镗,拉,磨,立铣,铰,滚压,刮3~10点/cm2IT8~IT12级公差的零件的结合面,如皮带轮的工作面,普通精度齿轮的齿面,与低精度滚动轴承相配合的箱体孔微辨加工痕迹的方向铰,磨,镗,拉,滚压,刮3~10点/cm2IT6~IT8厅级公差的零件的结合面;与齿轮、蜗轮、套筒等的配合面;与高精度滚动轴承相配合的轴颈;7级精度大小齿轮的工作面;滑动轴承轴瓦的工作面;7~8 级精度蜗杆的齿面不可辨加工痕迹的方向布轮磨,磨,研磨,超级加工IT5、IT6级公差的零件的结合面,与C级精度滚动轴承配合的轴颈;3、4、5级精度齿轮的工作面暗光泽面超级加工仪器导轨表面;要求密封的液压传动的工作面;塞的外表面;活汽缸的表面注:1. 粗糙度代号I为第一种过渡方式。
公差与配合(摘自GB1800~1804-2000)1.基本偏差系列及配合种类
.2.标准公差值及孔和轴的极限偏差值
标准公差值(基本尺寸大于6至500mm)
孔的极限差值(基本尺寸由大于10至315mm)μm
轴的极限偏差(基本尺寸由于大于10至315mm)
注:标注▼者为优先公差等级,应优先选用。
形状和位置公差(摘自GB1182~1184-80)
形位公差符号
圆度和圆柱度公差μm
主参数d(D)图例
直线度和平面度公差 μm
主参数L 图例
平行度、垂直度和倾斜度公差 μm 主参数L 、d (D)图例
同轴度、对称度、圆跳动和全跳动公差确良 μm
主参数d(D)、B 、L 图例
表面粗糙度R a 值的应用范围
注:1. 粗糙度代号I为第一种过渡方式。
它是取新国标中相应最靠近的下一档的第1系列值,如原光洁度(旧国标)为▽5,R a的最大允许值取6.3。
因此,在不影响原表面粗糙要求的情况下,取该值有利于加工。
2. 粗糙度代号Ⅱ为第2种过渡方式。
它是取新国标中相应最靠近的上一档的第1系列值,如原
光洁度为▽5,R a的最大允许值取3.2。
因此,取该值提高了原表面粗糙度的要求和加工的成本。
长度单位:1毫米=1000微米公差与配合(摘自GB1800~1804-79)1.基本偏差系列及配合种类.2.标准公差值及孔和轴的极限偏差值标准公差值(基本尺寸大于6至500mm) μm孔的极限差值(基本尺寸由大于10至315mm)μm轴的极限偏差(基本尺寸由于大于10至315mm)注:标注▼者为优先公差等级,应优先选用。
形状和位置公差(摘自GB1182~1184-80)形位公差符号圆度和圆柱度公差 μm主参数d (D)图例直线度和平面度公差 μm主参数L 图例平行度、垂直度和倾斜度公差 μm 主参数L 、d (D)图例同轴度、对称度、圆跳动和全跳动公差确良 μm主参数d(D)、B 、L 图例表面粗糙度表面粗糙度R a值的应用范围注:1. 粗糙度代号I为第一种过渡方式。
它是取新国标中相应最靠近的下一档的第1系列值,如原光洁度(旧国标)为▽5,R a的最大允许值取6.3。
因此,在不影响原表面粗糙要求的情况下,取该值有利于加工。
2. 粗糙度代号Ⅱ为第2种过渡方式。
它是取新国标中相应最靠近的上一档的第1系列值,如原光洁度为▽5,R a的最大允许值取3.2。
因此,取该值提高了原表面粗糙度的要求和加工的成本。
机械加工自由公差2011-02-28 09:32何谓自由尺寸公差?旧国标(HG)159-59中,在基准件公差上,把精度等级分成 12级。
取自其中8、9两级精度基准件公差,称为自由尺寸公差。
将偏差分为;单向(+)或(-)、双向(±)二种。
在自由尺寸公差的注解中提示;① 自由尺寸公差仅适用于机械加工表面。
② 自由尺寸公差在工作图上不标注。
③ 单向偏差对于轴用(-)号,对于孔、孔深、槽宽、螬深及槽长用(+)号,其余均用双向正负偏差(±)。
④ 不能纳入上述明确原则的自由尺寸,且有单向偏差要求时,设计者应在工图中注出,否则按双向偏差制造。
修定后国标(GB)1800-79中,标准公差分20级。
即;IT01、IT0、IT1至IT18。
2
7
+3
+1
2
+36
+15
+42
+17
+50
+20
+58
+23
+67
+27
+77
+31
+86
+34
p
5
+2
6
+1
8
+31
+22
+37
+26
+45
+32
+52
+37
+61
+43
+70
+50
+79
+56 ▼6
+2
9
+1
8
+35
+22
+42
+26
+51
+32
+59
+37
+68
+43
+79
+50
+88
+56 7
+3
6
+1
8
+43
+22
+51
+26
+62
+32
+72
+37
+83
+43
+96
+50
+108
+56
注:标注▼者为优先公差等级,应优先选用。
形状和位置公差(摘自GB1182~1184-80)
形位公差符号
分类形状公差位置公差
项目
直线
度
平面
度
圆度
圆柱
度
平行
度
垂直
度
倾斜
度
同轴
度
对称
度
位置
度
圆跳
动
全跳动符号
圆度和圆柱度公差μm
主参数d(D)图例
公
差
等
级
主参数d(D) mm
应用举例>6
~
10
>10
~18
>18
~30
>30
~50
>50~
80
>80
~
120
>120
~180
>180
~250
>250
~315
>315
~400
>400
~500
5 1.5 2 2.5 2.5 3 4 5 7 8 9 10 安装E、C
级滚动轴承
的配合面,
通用减速器
的轴颈,一
般机床的主6 2.5 3 4 4 5 6 8 10 12 13 15
轴。
7 4 5 6 7 8 10 12 14 16 18 20 千斤顶或压
力油缸的活
塞,水泵及
减速器的轴
颈,液压传
动系统的分
配机构
8 6 8 9 11 13 15 18 20 23 25 27
9 9 11 13 16 19 22 25 29 32 36 40 起重机、卷
扬机用滑动
轴承等10 15 18 21 25 30 35 40 46 52 57 63
直线度和平面度公差μm
主参数L图例
公
差
等
级
主要参数L mm
应用举例≤1
>10~
16
>16~
25
>25~
40
>40~
63
>63~
100
>100
~160
>160
~250
>250
~400
>400~
630
5 2 2.5 3 4 5
6 8 10 12 15 普通精度的
机床导轨
6 3 4 5 6 8 10 12 15 20 25
7 5 6 8 10 12 15 20 25 30 40 轴承体的支
承面,减速器
的壳体,轴系
支承轴承的
接合面
8 8 10 12 15 20 25 30 40 50 60
9 12 15 20 25 30 40 50 60 80 100 辅助机构及
手动机械的
支承面,液压
管件和法兰
的连接面10 20 25 30 40 50 60 80 100 120 150
平行度、垂直度和倾斜度公差μm
主参数L、d (D)图例
公差等级
主参数L、d(D)mm
应用举例≤10
>10~
16
>16~
25
>25~
40
>40~
63
>63~
100
>100
~160
>160
~250
>250
~400
>400
~630
5 5
6 8 10 12 15 20 25 30 40
垂直度用于发动机的轴和离合器的凸缘,装D、E级轴承和装C、D级轴承之箱体的凸肩
6 8 10 12 15 20 25 30 40 50 60
平行度用于中等精度钻模的工作面,7~10级精度齿轮传动壳体孔的中
心线
7 12 15 20 25 30 40 50 60 80 100
垂直度用于装F、G级轴承之壳体孔的轴线,按h6与g6连接的锥形轴减速机的机体孔
中心线
8 20 25 30 40 50 60 80 100 120 150
平行度用于重型机械轴承盖的端面、手动传动装置中的传
动轴
同轴度、对称度、圆跳动和全跳动公差确良μm
主参数d(D)、B、L图例
公差等级
主参数d(D)、B、Lmm
应用举例>3~6 >6~10
>10~
18
>18~
30
>30~
50
>50~
120
>120
~250
>250
~500
5 3 4 5
6 8 10 12 15 6和7级精度齿
轮轴的配合面,
较高精度的快速
轴,较高精度机
床的轴套
6 5 6 8 10 12 15 20 25
7 8 10 12 15 20 25 30 40 8和9级精度齿
轮轴的配合面,
普通精度高速轴
(100r/min以
下),长度在1m
以下的主传动
轴,起重运输机
的鼓轮配合孔和
导轮的滚动面
M 12 15 20 25 30 40 50 60
表面粗糙度
表面粗糙度R a值的应用围
粗糙度代号光洁度
代号表面形状、特
征
加工方法应用围
ⅠⅡ
除净毛刺铸、锻、冲压、热
轧、冷轧
用于保持原供应状况的表面
微见刀痕粗车,刨,立铣,
平铣,钻
毛坯粗加工后的表面
可见加工痕迹车,镗,刨,钻,
平铣,立铣,锉,
粗铰,磨,铣齿
比较精确的粗加工表面,如车
端面、倒角。