催化裂化装置工艺条件一览表
- 格式:doc
- 大小:135.00 KB
- 文档页数:7
催化裂化装置工艺流程及设备简图“催化裂化”装置简单工艺流程“催化裂化”装置由原料预热、反应、再生、产品分憎等三部分组成〜其工艺流程见下图〜主要设备有:反应器、再生器、分憎塔等。
©3-2曜傑林飓言工艺爲程图1、反应器,乂称沉降器,的总进料由新鲜原料和回炼油两部分组成〜新鲜原料先经换热器换热〜再与回炼油一起分为两路进入加热炉加热〜然后进入反应器底部原料集合管〜分六个喷嘴喷入反映器提升管〜并用蒸汽雾化〜在提升管中与560, 600?的再生催化剂相遇〜立即汽化〜约有25, 30%的原料在此进行反应。
汽油和蒸汽携带着催化剂进入反应器。
通过反应器〜分布板到达密相段〜反应器直径变大〜流速降低〜最后带着3, 4?/?的催化剂进入旋风分离器,使其99%以上的催化剂分离, 经料腿返回床层,油汽经集气室出沉降器,进入分憎塔。
2、油气进入分憎塔是处于过热状态,同时仍带有一些催化剂粉末,为了回收热量,并洗去油汽中的催化剂,分憎塔入口上部设有挡板,用泵将塔底油浆抽出经换热及冷却到0200, 300C,通过三通阀,自上层挡板打回分憎塔。
挡板以上为分镭段,将反应物根据生产要求分出气体、汽油、轻柴油、重柴油及渣油。
气体及汽油再进行稳定吸收,重柴油可作为产品,也可回炼,渣油从分镭塔底直接抽出。
3、反应生焦后的待生催化剂沿密相段四壁向下流入汽提段。
此处用过热蒸汽提出催化剂,颗粒间及表面吸附着的可汽提桂类,沿再生管道通过单动滑阀到再生器提升管,最后随增压风进入再生器。
在再生器下部的辅助燃烧室吹入烧焦用的空气, 以保证床层处于流化状态。
再生过程中,生成的烟通过汽密相段进入稀相段。
再生催化剂不断从再生器进入溢流管,沿再生管经另一单动滑阀到沉降器提升管与原料油汽汇合。
4、山分镭塔顶油气分离出来的富气,经气压机增压,冷却后用凝缩油泵打入吸收脱吸塔,用汽油进行吸收,塔顶的贫气进入二级吸收塔用轻柴油再次吸收,二级吸收塔顶干气到管网,塔底吸收油压回分憎塔。
催化裂化装置催化裂化是炼油工业重要的二次加工装置,是提高轻质油收率,生产高辛烷值汽油,同时又多产柴油的重要手段,随着重油催化工艺的实现,其地位更加倍增。
作为一项传统的重油加工工艺,催化裂化实现工业化已经有60 年的历史,其总加工能力超过加氢裂化、焦化和减粘裂化之和,是目前最重要的重油轻质化工艺。
虽然曾多次受到加氢裂化工艺的竞争和清洁燃料标准的挑战,但由于催化裂化技术的进步,各种以催化裂化技术为核心的催化裂化“家族工艺”的不断出现,已经将催化裂化转变为“炼油-化工一体化”的主体装置,催化裂化仍然保持了其在石油化工行业中的重要地位。
我国的催化裂化技术与国际先进水平保持同步,进入21 世纪以后,由于我国催化裂化装置在炼厂地位的特殊性,技术发展的势头更猛,目前为止,基本解决了由于产品升级换代给催化裂化工艺带来的各种问题,而且在应对产品质量问题的技术开发过程中,拓宽了催化裂化产品的品种和范围,为确保催化裂化技术在未来石油化工中的核心地位提供了技术保证。
催化裂化装置的工艺原理是在流化状态下的催化剂作用下,重质烃类在480--520 C 及0.2-0.3MPa(a) 的条件下进行反应。
主要包括:1) . 裂解反应:大分子烃类裂解为小分子,环烷烃进行断环或侧链断裂,单环芳烃的烷基侧链断裂。
2) . 异构化反应:正构烷烃变成异构烷烃,带侧链的环烃或烷烃变成环异烷,产品中异构烃含量增加。
3) . 芳构化反应:环己烷脱氢生成芳香烃,烯烃环化脱氢生成芳烃。
4) . 氢转移反应:多环芳烃逐渐缩合成大分子直至焦炭,同时一种氢原子转移到烯烃分子中,使烯烃饱和成烷烃。
催化裂化装置的规模近三十年来逐步发展到350 万吨/年(加工1000 万吨/ 年原油)。
加工的原料为常压蜡油、减压渣油以及蜡油加氢裂化尾油原料主要性质装置由反应再生、分馏、吸收稳定(包括产品精制)、烟气能量回收几个部分组成。
装置主要产品为液化气、汽油、重石脑油和轻柴油,副产部分干气和油浆。
重油催化裂化装置主要工艺流程说明一. 反再系统1.反应部分混合蜡油和常(减)压渣油分别由罐区原料罐送入装置内的静态混合器(D-214)混合均匀后,进入原料缓冲罐(D-203/1),然后用原料泵(P-201/1.2)抽出,经流量控制阀(8FIC-230)后与一中回流换热(E-212/1.2),再与油浆(E-201/1.2)换热至170~220℃,与回炼油一起进入静态混合器(D-213)混合均匀。
在注入钝化剂后分三路(三路设有流量控制)与雾化蒸汽一起经六个进料喷嘴进入提升管,与从二再来的高温再生催化剂接触并立即汽化,裂化成轻质产品(液化气、汽油、柴油)并生成油浆、干气及焦炭。
新增焦化蜡油流程:焦化蜡油进装后先进焦化蜡油缓冲罐(D-203/2),然后经焦化蜡油泵(P-201/3.4)提压至1.3MPa 后分为两路:一路经焦化蜡油进提升管控制阀(8FIC242)进入提升管反应器的回炼油喷嘴或油浆喷嘴,剩余的焦化蜡油经另一路通过D-203/2的液位控制阀(8LIC216)与进装蜡油混合后进入原料油缓冲罐(D-203/1)。
新增常压热渣油流程:为实现装置间的热联合,降低装置能耗,由南常减压装置分出一路热常渣(约350℃),经8FIQC530直接进入D-213(原料油与回炼油混合器)前,与原料混合均匀后进入提升管原料喷嘴。
反应油气、水蒸汽、催化剂经提升管出口快分器分离出大部分催化剂,反应油气经过沉降器稀相沉降,再经沉降器(C-101)内四组单级旋风分离器分离出绝大部分催化剂,反应油气、蒸汽、连同微量的催化剂细粉经大油气管线至分馏塔人档下部。
分馏塔底油浆固体含量控制<6g/L。
旋分器分出的催化剂通过料腿返回到汽提段,料腿装有翼阀并浸没在汽提段床层中,保证具有正压密封,防止气体短路,汽提蒸汽经环形分布器进入汽提段的上中下三个部位使催化剂不仅处于流化状态,并汽提掉催化剂夹带的烃油气,汽提后的催化剂通过待生滑阀进入一再催化剂分布器。
催化裂化的拆置简介及工艺过程之阳早格格创做概括催化裂化技能的死长稀切依好于催化剂的死长.有了微球催化剂,才出现了流化床催化裂化拆置;分子筛催化剂的出现,才死长了提下管催化裂化.采用相宜的催化剂对付于催化裂化历程的产品产率、产品本量以及经济效率具备要害效率.催化裂化拆置常常由三大部分组成,即反应/复活系统、分馏系统战吸支宁静系统.其中反应––复活系统是齐拆置的核心,现以下矮并列式提下管催化裂化为例,对付几大系统分述如下:(一)反应––复活系统新陈本料(减压馏分油)通过一系列换热后与回炼油混同,加进加热炉预热到370℃安排,由本料油喷嘴以雾化状态喷进提下管反应器下部,油浆没有经加热曲交加进提下管,与去自复活器的下温(约650℃~700℃)催化剂交触并坐时汽化,油气与雾化蒸汽及预提下蒸汽所有携戴着催化剂以7米/秒~8米/秒的下线速通过提下管,经赶快分散器分散后,大部分催化剂被分出降进重降器下部,油气携戴少量催化剂经二级旋风分散器分出夹戴的催化剂后加进分馏系统.积有焦冰的待死催化剂由重降器加进其底下的汽提段,用过热蒸气举止汽提以脱除吸附正在催化剂表面上的少量油气.待死催化剂经待死斜管、待死单动滑阀加进复活器,与去自复活器底部的气氛(由主风机提供)交触产死流化床层,举止复活反应,共时搁出洪量焚烧热,以保护复活器脚够下的床层温度(稀相段温度约650℃~680℃).复活器保护0.15MPa~0.25MPa(表)的顶部压力,床层线速约0.7米/秒~1.0米/秒.复活后的催化剂经淹流管,复活斜管及复活单动滑阀返回提下管反应器循环使用.烧焦爆收的复活烟气,经复活器稀相段加进旋风分散器,经二级旋风分散器分出携戴的大部分催化剂,烟气经集气室战单动滑阀排进烟囱.复活烟气温度很下而且含有约5%~10%CO,为了利用其热量,很多拆置设有CO锅炉,利用复活烟气爆收火蒸汽.对付于支配压力较下的拆置,常设有烟气能量回支系统,利用复活烟气的热能战压力做功,启动主风机以俭朴电能.(二)分馏系统分馏系统的效率是将反应/复活系统的产品举止分散,得到部分产品战半兴品.由反应/复活系统去的下温油气加进催化分馏塔下部,经拆有挡板的脱过热段脱热后加进分馏段,经分馏后得到富气、细汽油、沉柴油、重柴油、回炼油战油浆.富气战细汽油去吸支宁静系统;沉、重柴油经汽提、换热或者热却后出拆置,回炼油返回反应––复活系统举止回炼.油浆的一部分支反应复活系统回炼,另一部分经换热后循环回分馏塔.为了与走分馏塔的过剩热量以使塔内气、液相背荷分集匀称,正在塔的分歧位子分别设有4个循环回流:顶循环回流,一中段回流、二中段回流战油浆循环回流.催化裂化分馏塔底部的脱过热段拆有约十块人字形挡板.由于进料是460℃以上的戴有催化剂粉终的过热油气,果此必须先把油气热却到鼓战状态并洗下夹戴的粉尘以便举止分馏战预防阻碍塔盘.果此由塔底抽出的油浆经热却后返回人字形挡板的上圆与由塔底上去的油气顺流交触,一圆里使油气热却至鼓战状态,另一圆里也洗下油气夹戴的粉尘.(三)吸支--宁静系统从分馏塔顶油气分散器出去的富气中戴有汽油组分,而细汽油中则溶解有C3、C4以至C2组分.吸支––宁静系统的效率便是利用吸支战细馏的要领将富气战细汽油分散成搞气(≤C2)、液化气(C3、C4)战蒸汽压合格的宁静汽油.拆置简介(一)拆置死长及其典型1.拆置死长催化裂化工艺爆收于20世纪40年代,是炼油厂普及本油加工深度的一种重油沉量化的工艺.20世纪50年代初由ESSO公司(好国)推出了Ⅳ型流出催化拆置,使用微球催化剂(仄稳粒径为60—70tan),进而使催化裂化工艺得到极大死长.1958年尔国第一套移动床催化裂化拆置正在兰州炼油厂投产.1965年尔国自己安排制制动工的Ⅳ型催化拆置正在抚顺石油二厂投产.通过近40年的死长,催化裂化已成为炼油厂最要害的加工拆置.停止1999年底,尔国催化裂化加工本领达8809.5×104t/a,占一次本油加工本领的33.5%,是加工比率最下的一种拆置,拆置规模由(34—60)×104t/a 死长到海内最大300×104t/a,海中为675×104t/a.随着催化剂战催化裂化工艺的死长,其加工本料由重量化、劣量化死长至暂时齐减压渣油催化裂化.根据脚法产品的分歧,有探供最大气体支率的催化裂解拆置(DCC),有探供最大液化气支率的最洪量下辛烷值汽油的MGG工艺等,为了符合以上的死长,相映推出了二段复活、富氧复活等工艺,进而使催化裂化拆置背着工艺技能进步、经济效率更佳的目标死长.2.拆置的主要典型催化裂化拆置的核心部分为反应—复活单元.反应部分有床层反应战提下管反应二种,随着催化剂的死长,暂时提下管反应已与代了床层反应.复活部分可分为真足复活战没有真足复活,一段复活战二段复活(真足复活即指复活烟气中CO含量为10—6级).从反应与复活设备的仄里安插去道又可分为下矮并列式战共轴式,典型的反应—复活单元睹图2—4、图2—5、图2—6、图2—7,其特性睹表2—11.(二)拆置单元组成与工艺过程催化裂化拆置的基础组成单元为:反应—复活单元,能量回支单元,分馏单元,吸支宁静单元.动做扩充部分有:搞气、液化气脱硫单元,汽油、液化气脱硫醇单元等.各单元效率介绍如下.(1)反应—复活单元重量本料正在提下管中与复活后的热催化剂交触反应后加进重降器(反应器),油气与催化剂经旋风分散器与催化剂分散,反应死成的气体、汽油、液化气、柴油等馏分与已反应的组分所有离启重降器加进分馏单元.反应后的附有焦冰的待死催化剂加进复活器用气氛烧焦,催化剂回复活性后再加进提下管介进反应,产死循环,复活器顶部烟气加进能量回支单元.(2)三机单元所谓三机系指主风机、气压机战删压机.如果将反一再单元动做拆置的核心部分,那么主风机便是催化裂化拆置的心净,其效率是将气氛支人复活器,使催化剂正在复活器中烧焦,将待死催化剂复活,回复活性以包管催化反应的继承举止.删压机是将主风机出心的气氛提压后动做催化剂输支的能源风、流化风、提下风,以脆持反—再系统催化剂的仄常循环.气压机的效率是将分馏单元的气体压缩降压后支人吸支宁静单元,共时通过安排气压机转数也可达到统制重降器顶部压力的脚法,那是包管反应复活系统压力仄稳的一个脚法.(3)能量回支单元利用复活器出心烟气的热能战压力使余热锅炉爆收蒸汽战烟气轮机做功、收电等,此举可大大降矮拆置能耗,暂时现有的重油催化裂化拆置有无此回支系统,其能耗可出进1/3安排.(4)分馏单元重降器出去的反应油气经换热后加进分馏塔,根据各物料的沸面好,从上至下分散为富气(至气压机)、细汽油、柴油、回炼油战油浆.该单元的支配对付齐拆置的仄安效率较大,一头一尾的支配尤为要害,即分馏塔顶压力、塔底液里的稳固是拆置仄安死产的有力包管,包管气压机人心搁火炬战油浆出拆置系统的通畅,是仄安死产的必备条件.(5)吸支宁静单元通过气压机压缩降压后的气体战去自分馏单元的细汽油,通过吸支宁静部分,分隔为搞气、液化气战宁静汽油.此单元是本拆置甲类伤害物量最集结的场合.(6)产品细制单元包罗搞气、液化气脱硫战汽油液化气脱硫醇单元该二部分,搞气、液化气正在胺液(乙醇胺、二乙醇胺、Ⅳ—甲基二乙醇胺等)效率下、吸支搞气、液化气中的H2S气体以达到脱除H2S的脚法.汽油战液化气正在碱液状态中正在磺化酞氰钴或者散酞氰钻效率下将硫醇氧化为二硫化物,以达到脱除硫醇的脚法.2.工艺过程工艺准则过程睹图2—8.本料油由罐区或者其余拆置(常减压、润滑油拆置)支去,加进本料油罐,由本料泵抽出,换热至200—300°C安排,分馏塔去的回炼油战油浆所有加进提下管的下部,与由复活器复活斜管去的650~700°C复活催化剂交触反应,而后经提下管上部加进分馏塔(下部);反应完的待死催化剂加进重降器下部汽提段.被汽提蒸汽与消油气的待死剂通过待死斜管加进复活器下部烧焦罐.由主风机去的气氛支人烧焦罐烧焦,并共待死剂一道加进复活器继承烧焦,烧焦复活后的复活催化剂由复活斜管进人提下管下部循环使用.烟气经一、二、三级旋分器分散出催化剂后,其温度正在650~700°C,压力0.2-0.3MPa(表),进人烟气轮机做功戴动主风机,其后温度为500—550°C,压力为0.01MPa(表)安排,再加进兴热锅炉爆收蒸汽,收汽后的烟气(温度约莫为200℃安排)通过烟囱排到大气.反应油气加进分馏塔后,最先脱过热,塔底油浆(油浆中含有2%安排催化剂)分二路,一路至反应器提下管,另一路经换热器热却后出拆置.脱过热后油气降下,正在分馏塔内自上而下分散出富气、细汽油、沉柴油、回炼油.回炼油去提下管再反应,沉柴油经换热器热却后出拆置,富气经气压机压缩后与细汽油共进吸支塔,吸支塔顶的贫气加进再吸支塔由沉柴油吸支其中的C4-C5,再吸支塔顶搞气加进搞气脱硫塔脱硫后动做产品出拆置,吸支塔底富吸支油加进脱吸塔以脱除其中的C2.塔底脱乙烷汽油加进宁静塔,宁静塔底油经碱洗后加进脱硫醇单元脱硫醇后出拆置,宁静塔顶液化气加进脱硫塔脱除H,S,再加进脱硫醇单元脱硫醇后出拆置.(脱硫脱硫醇已绘出)(三)化教反应历程1.催化裂化反应的特性催化裂化反应是正在催化剂表面上举止的,其反应历程的7个步调如下:①气态本料分子从合流扩集到催化剂表面;②本料分子沿催化剂中背内扩集;③本料分子被催化剂活性核心吸附;④本料分子爆收化教反应;⑤产品分子从催化剂内表面脱附;⑥产品分子由催化剂中背中扩集;⑦产品分子扩集到合流中.重量本料反应死成脚法产品可用下图表示:2.催化裂化反应种类石油馏分是由格中搀纯的烃类战非烃类组成,其反应历程格中搀纯,种类繁琐,大概分为几个典型.(1)裂化反应是主要的反应.即C—C键断裂,大分子形成小分子的反应.(2)同构化反应是要害的反应.即化合物的相对付分子量没有变,烃类分子结媾战空间位子变更,所以催化裂化产品中会有较多同构烃.(3)氢变化反应是一个烃分子上的氢脱下去加到另一个烯烃分子上,使其烯烃鼓战,该反应是催化裂化特有的反应.虽然氢变化反应会使产品安靖性变佳,然而是大分子的烃类反应脱氢将死成焦冰.(4)芳构化反应烷烃、烯烃环化死成环烷烃战环烯烃,而后进一步氢变化反应死成芳烃,由于芳构化反应使汽油、柴油中芳烃较多.除以上反应中,另有甲基变化反应、叠合反应战烷基化反应等.(四)主要支配条件及工艺技能特性1.主要支配条件果分歧的工艺支配条件没有尽相共,表2—12列出普遍一段复活催化裂化的主要支配条件.2.工艺技能特性(1)微球催化剂的气—固流态化催化裂化确切一面该当喊做流化催化裂化.微球催化剂(60—70/1m粒径)正在分歧气相线速下浮现分歧状态,可分为牢固床(即催化剂没有动)、流化床(即催化剂只正在一定的空间疏通)战输支床(即催化剂与气相介量一共疏通而离启本去的空间)三种.催化裂化的提下管反应是输支床,而复活器中待死催化剂的烧焦历程是流化床,所以微球催化剂的气—固流态化是催化裂化工艺得以死长的前提,进而使反应—复活能正在分歧的条件下得以真止.(2)催化裂化的化教反应最主要的反应是大分子烃类裂化为小分子烃类的化教反应,进而使本油中大于300℃馏分的烃类死成小分子烃类、气体、液化气、汽油、柴油等,极天里减少了炼油厂的沉量油支率,并能副产气体战液化气.(五)催化剂及帮剂1.催化剂烃类裂化反应,应用热裂化工艺也能完毕,然而是有了催化剂的介进,其化教反应办法分歧,所以引导二类工艺的产品本量战产品分集皆分歧.暂时催化裂化所使用的催化剂皆是分子筛微球催化剂,根据分歧产品央供可制制出百般型号的催化剂.然而其使用本能央供是共共的,即下活性战采用性,良佳的火热宁静性,抗硫、氮、重金属的中毒;佳的强度,易复活,流化本能佳等.暂时罕睹的有重油催化裂化催化剂、死产下辛烷值汽油催化剂、最大沉量油支率催化剂、减少液化气支率催化剂战催化裂解催化剂等.由于催化裂化本料的重量化,使重油催化剂死长格中赶快,暂时海内齐渣油型催化剂本能睹表2—13. 2.催化裂化帮剂为了补充催化剂的其余本能,连年去死长了多种起辅帮效率的帮催化剂,那些帮剂均以剂的办法,加到裂化催化剂中起到除催化裂化历程中的其余效率.如促进复活烟气中CO 变化为C02,普及汽油辛烷值,钝化本料中重金属对付催化剂活性毒性,降矮烟气中的SOx的含量等百般帮剂,它们绝大普遍也是制制成与裂化催化剂一般的微球分别加进复活器内,然而占总剂量很少,普遍正在1%—3%,所以每天增加量惟有10-1000kS/d安排.CO帮焚剂为SiO2—Al2O3细粉上载有活性金属铂制成.辛烷值帮剂大多是含有15%-20%ZSM—5分子筛的Si—Al 微球剂.而金属钝化剂为液态型含锑的化合物,将其注进本料油中,使其领会的金属锑重积正在催化剂上以钝化Ni的活性.(六)本料及产品本量1.催化裂化本资料百般催化裂化所使用的本资料没有尽相共,现将普遍所使用的本资料主要本量汇总,睹表2—14.2.产品本量产品本量睹表2-15。
1.概述说明:1.1.装置的地位和作用炼油厂重油催化裂化是在催化剂的作用下将重质油转化为汽油、柴油及液化气等产品的过程,是主要的加工工艺之一。
随着社会的不断发展和进步,能源危机日益成为人们注目的焦点,而催化裂化作为重油深度加工装置,日益显示出其重要作用,我国通过催化裂化工艺生产的汽油约占全国商品汽油的70%,柴油占全国总量的30%,液化气占炼油厂总量的90%以上。
根据中石化总公司’’八五科技进步规则”的精神和炼厂的”九五规划”,为充分利用石油资源,提高二次加工能力,改善产品结构,增加全厂轻质油收率,减少重油产品特拟建此套(200万吨/年)重油催化裂化装置。
本装置是全国最大的重油催化裂化装置之一。
1.2.装置的主要原料、产品和用途1.2.1.本装置所需主要原料为蒸馏装置的常三、常四、减二、减三、减四、减五线、减压渣油以及酮苯蜡膏、糠醛抽余油、和丙烷脱沥青油等。
1.2.2.本装置主要产品为:汽油,柴油,液化气,干气和重油(油浆)。
1.2.2.1.汽油是本装置生产的主要产品之一,其设计牌号为9l号,收率为47.2%。
汽油常用于汽油燃动机,是比较重要的一种动力能源,主要用于轻型汽车,活塞式发动机的飞机,快艇和小型发电机等。
1.2.2.2.柴油也是本装置的主要目标产品,其设计牌号为一10号和0号,收率通常为24.28%,根据季节变化和市场对柴油的使用要求,我们可以通过改变操作条件来生产所需要的目标产品。
柴油的用途相当广泛,主要用于大马力的运输机械,现已广泛用于载重汽车,拖拉机,曳引机,机车,船舶及各种农业,矿山,车用机械作为动力设备,其功率从几十马力到四万马力左右。
1.2.2.3.液化气也是本装置的重要产品,其设计收率为10.736%。
它通常用作民用燃料,但随着科学技术的日新月异,液化气的用途也有了新的变化,比如:由于世界环卫组织宣布氟利昂严重影响生态环境,造成臭氧层破坏,故研究氟利昂的替代产品显得尤其重要,而液化气正是理想的原材料之一。
1.MGG和ARGGMGG和ARGG是采用专用催化剂和相应的工艺操作条件,通过提升管反应器最大量生产低碳烯烃(主要是丙烯)和高辛烷值汽油的催化裂化工艺。
典型工艺条件:MGG反应温度530℃、剂油比7.8、回炼比0.15;ARGG反应温度530℃、剂油比8、反应时间3~4s、回炼比0.1~0.3。
工艺特点:(1)油气兼顾,既大量生产液化石油气又大量生产高辛烷值汽油。
以石蜡基原油的(VGO)为例,MGG工艺技术液化石油气产率可达34%,汽油产率46%,汽油(RON)92~94,诱导期500~1000min。
ARGG的(LPG)产率达25%~30%(其中丙烯含量为40%),汽油产率41%。
(2)原料广泛,可以加工多种原料油,如蜡油、掺渣油、常压渣油或原油等重质原料油。
(3)采用活性高、选择性好、抗金属污染能力强、具有特殊反应性能的RMG、RAG系列催化剂。
(4)适宜的工艺操作条件与专用催化剂配合实现了正常裂化和过裂化的有效控制,在转化率远高于一般催化裂化情况下,汽油安定性好,焦炭和干气无明显增加。
(5)操作灵活,可根据市场变化的需要,通过改变工艺条件来调节汽油、轻柴油和液化石油气的产品分布。
2.DCC-Ⅰ及DCC-ⅡDCC-Ⅰ工艺是以蜡油为原料,在CRP-1专用催化剂及相应操作条件下,用提升管加床层反应器最大量生产丙稀的催化裂化工艺。
在采用较低操作压力、适量注汽、适当空速及540~560℃操作条件下,丙烯产率可达13%~23%,丁烯产率10%~17%,乙烯产率3.5%~6%。
DCC-Ⅱ工艺是以重质油为原料,在CIP-1专用催化剂及较缓和操作条件下,用提升管反应器多产丙烯和异构烯烃,同时兼顾生产汽油的催化裂化工艺。
最大异构烯烃兼顾汽油方案,原料油特性因数为12.6,反映温度505℃下,丙烯产率可达12.52%,异丁烯产率11.23%,异戊烯产率8.67%,汽油产率40.98%,汽油辛烷值(RON)95.8。
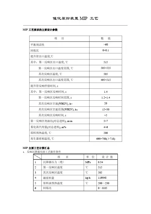
催化裂扮装置 MIP工艺MIP 工艺要求的主要设计参数项目数值平衡剂活性>60回炼比0~0.1提升管出口温度,℃其中:第一反响区出口温度, ℃515 第一反响区出口温度范围, ℃505~525其次反响区温度, ℃505其次反响区出口温度范围, ℃495~515 提升管反响停留时间, s其中:第一反响区反响时间, s 1.4第一反响区反响时间范围, s 1.2~1.4其次反响区空速(WHSV), h-120其次反响区空速范围(WHSV), h-115~30其次反响区反响时间, s ~5 第一反响区剂油比(对总进料), m/m 5~7雾化蒸汽用量(对总进料), m% 4~6原料预热温度, ℃200再生器密相温度, ℃690~700(≯710)MIP 主要工艺计算汇总1.反响沉降器局部工艺操作条件项目单位设计值1 沉降器压力〔绝〕MPa 0.342 第一反响区温度℃5153 其次反响区温度℃5054 颖原料量kg/h 1190485 原料油预热温度℃200~2306 回炼比0~0.05项目单位设计值7 催化剂循环量t/h 6748 剂油比〔对总进料〕 5.669 提升管第一反响区入口线速m/s 7.3910 提升管第一反响区出口线速m/s 13.2111 提升管第一反响区停留时间s 1.312 提升管其次反响区出口线速m/s 1.8413 提升管其次反响区停留时间s 5.8314 其次反响区重时空速h-115~3015 汽提蒸汽量〔总量〕kg/h 250016 原料雾化蒸汽量kg/h 600017 预提升干气量kg/h 300018 沉降器旋分器组数 219 沉降器旋分器入口线速m/s 19.02.再生局部工艺操作条件项目单位数据1 再生器压力〔绝〕MPa 0.342 密相温度℃6903 烧焦罐下部内径mm 51604 烧焦罐下部线速m/s 1.825 烧焦罐上部内径mm 57606 烧焦罐上部线速m/s 1.527 稀相管内径mm 24008 稀相管线速m/s 8.749 总主风量〔湿〕m3n/min 204010 催化剂循环量t/h 67411 稀相内径mm 836012 稀相线速m/s 0.7413 旋分组数 614 一级旋分器入口线速m/s 21.015 二级旋分器入口线速m/s 23.016 内取热负荷kW 446517 外取热负荷KW 28880项 目 数 据(MPa) 备 注推动力沉降器顶压〔绝〕 0.34 稀相静压 0.0007 汽提段静压 0.0633 待生斜管静压 0.0385 合 计 0.4425 阻力项目数 据(MPa)推动力压力平衡1. 再生线路压力平衡汇总2. 待生线路压力平衡汇总再生顶压〔绝〕 0.34 再生稀相静压 0.0028 再生一密相静压 0.0252 稀相管,T 型快分压降 0.017 待生滑阀压降 0.05748 合 计0.44253. 二反催化剂循环线路压力平衡汇总旋流头顶压力〔绝〕 0.345稀相静压 0.0002 预汽提段静压 0.0385 循环管料位静压0.0375项目 数 据(MPa) 备 注推动力再生顶压〔绝〕 再生稀相静压 再生密相静压 再生斜管静压 合 计 0.34 0.0028 0.007 0.09 0.4400 阻力沉降器顶压〔绝〕 提升管总压降〔含旋流头〕 旋流头后部压降 再生滑阀压降 合 计0.34 0.054 0.005 0.041 0.4400项 目数 据(MPa)4. 旋流快分至沉降器线路压力平衡汇总推动力数据旋流头顶压力〔绝〕 0.345稀相静压 0.0002 预汽提段静压 0.0385 待生斜管管料位静压 0.01合 计 0.3937阻力沉降器顶压力〔绝〕 0.34 稀相净压 0.0004 待生滑阀 II 压降 0.0533 合 计0.3937MIP 工艺的原料以及产品质量〔设计〕1. 原料性质项 目数 值 一般性质密度(20℃),g/cm 30.92 运动粘度,mm 2/s(100℃) 残炭,w % 元素组成,w %C H N S碱性氮,μg/g 四组分,w %饱和烃 芳烃胶质42 6.086.33 12.18 0.24 1.050.0431.68 18.04合 计 阻力旋流头顶压力〔绝〕 其次反响区总压力降其次反响区后催化剂输送压力降旋流头压力降 滑阀压降 0.4212 合 计0.345 0.0223 0.0065 0.005 0.04242 0.42122.干气和液化石油气组成项目数值H -C ,w%2 2H 3.42H S213.1CH 29.54C H2 627.8C H2 426.2总计100.0C -C , w%3 4C H3 86.9C H30.03 6i-C H18.24 10n-C H 4.54 10C H -14 8i-C H4 8 t-C H -24 8c-C H -24 86.412.8 10.8 10.4沥青质0.24重金属,μg/gFe V Cu Na Ni7.6380.1~0.4 10馏程,℃初馏点10% 50% 90%235 385 528 5833. 汽油性质4. 轻柴油性质催化剂和化学药剂消耗序号 名 称 型号或规格年用量t 一次装入量t 预期 寿命备 注1催化剂1400180项 目密度〔20℃〕,g/cm3十六烷值 凝点,℃ 硫含量,ppm 馏程,℃ 初馏点 10% 30% 50% 70% 90% 干点数 值 ~0.93 ~20 <0195 219 250 281 317 353 360项 目密度〔20℃〕,g/cm 3诱导期,min 硫含量,ppm 烯烃,v% 芳烃,v% 辛烷值 RON MON馏程,℃初馏点 10% 30% 50% 70% 90% 干点数 值 ~0.72 >500 850 ~27 ~21 ~93.0 ~81.040 55 75 98 136 170 195总计100.02 CO 助燃剂Pt:0.05% 5.63 磷酸三钠98w% 3.364 阻垢剂135 金属钝化剂含锑25%406 硫转移剂70.5公用工程消耗序号工程单位数据备注1 颖水t/h 102 循环水t/h 38003 除盐水t/h 624 电kW -250 输出3.5MPa t/h -15 输出5 蒸汽 1.0MPa0.6MPa t/ht/h-19/输出6 净化压缩空气m3n/h 15457 非净化压缩空气m3n/h 12808 氮气m3n/h 300MIP 工艺技术简介该工艺技术设置两个反响区,承受串联式提升管反响器和适宜的工艺条件,在不同的反响区实现裂化、氢转移、异构化及芳构化反响以到达降低汽油烯烃含量的目的。
催化裂解(DCC)新技术的开发与应用王巍谢朝钢(中国石化集团石油化工科学研究院,北京,100083)摘要:文章介绍了DCC技术的主要特点、原料油和催化剂、典型工业试验结果,并重点介绍催化裂解技术的最新工业应用情况。
对于石蜡基常压渣油原料,DCC-Ⅰ型技术的丙烯质量收率可以达到24.8%,DCC-Ⅱ型技术的丙烯质量收率可以达到14.6%。
另外对新开发的高丙烯选择性催化裂解催化剂的工业应用情况进行了总结。
关键词:催化裂解丙烯催化剂工业化随着石油化学工业的快速发展,我国丙烯产量大幅增长。
2001年我国丙烯产量为4.75 Mt,2002年达到5.32 Mt,2003年则达到5.93 Mt,年增长率达到12%左右。
预计2005年丙烯产量可以达到6.75 Mt,丙烯表观消费量为7.92 Mt左右,而2010年丙烯表观消费量将达到10.49 Mt,2005-2010年年均增长率为5.8%。
丙烯平衡存在大量缺口,大力发展我国的丙烯生产技术具有很重要的现实意义。
目前丙烯的生产主要依靠蒸汽裂解和催化裂化的副产,全球丙烯产量中70%来源于蒸汽裂解,28%来源于催化裂化和2%来源于丙烷脱氢等技术。
在我国,催化裂化生产的丙烯占总产量的比例为39%左右,而蒸汽裂解生产的丙烯占总产量的比例约为61%。
由于我国原油偏重,轻烃和石脑油资源贫乏,而催化裂化生产丙烯技术具有原料重质化、产品中丙烯/乙烯比值高以及生产成本低的优点,因此发展多产丙烯的催化裂化技术是适合我国国情的一条丙烯生产技术路线。
20世纪80年代末,石油化工科学研究院成功地开发出了以重油为原料、以生产丙烯为主要目的的催化裂解(Deep Catalytic Cracking-DCC)新工艺[1~2]。
该技术在生产丙烯的同时,兼产异丁烯及高辛烷值汽油组分。
DCC技术分别获得中国、美国、欧洲和日本专利,并于1991年获中国专利金奖,1992年获中国石化科技进步特等奖,1995年获国家发明一等奖。
催化裂化工艺流程及主要设备介绍概述催化裂化技术是石油炼制行业中常用的重要工艺之一。
它通过在一定温度、压力和催化剂的存在下,将较重质烃类分解成较轻的烃类产品。
催化裂化工艺流程主要包括预热、转化和分离三个阶段。
本文将详细介绍催化裂化的工艺流程以及其中涉及的主要设备。
预热阶段在催化裂化工艺中,预热阶段是非常重要的。
其目的是通过加热来提高进料温度,使其达到催化裂化反应所需的温度。
预热过程通常采用加热器来完成,加热器的主要作用是将进料从环境温度加热到催化裂化反应所需的高温。
在预热器中,进料与燃料之间可以进行热交换,以使进料迅速升温。
预热器通常采用管壳式结构,进料通过管道进入加热器的管子中,而燃料则通过外壳中的管道进入,从而实现热交换。
转化阶段在转化阶段中,催化裂化反应发生。
这个阶段是整个催化裂化工艺的核心部分。
催化裂化反应发生在催化裂化装置中的催化剂床上。
在催化裂化装置中,催化剂通常以颗粒状存在。
进料物质由催化剂床上方进入,并通过催化剂床时,与催化剂发生反应。
在催化裂化反应过程中,较重的烃类分解成较轻的烃类,同时还会生成一些副产物,如氢气和炭黑。
催化剂床的结构对反应的效果有很大影响,通常采用多层催化剂床来提高反应效率。
分离阶段分离阶段的目的是将裂化产物中的各种组分进行分离,得到所需的产品。
分离阶段主要通过蒸馏塔来实现。
在蒸馏塔中,裂化产物被加热,产生蒸汽,然后通过不同位置的分离装置进行分离。
轻质组分会在较低位置蒸发,而较重的组分则会在较高位置凝结。
通过逐层分离,可以得到所需的产品。
主要设备介绍1.加热器:加热器用于将进料加热到催化裂化反应所需的温度。
常见的加热器有管壳式结构和卧式结构。
2.催化剂床:催化剂床是催化裂化装置中催化剂的载体。
催化剂床通常采用多层结构,以提高反应效果。
3.蒸馏塔:蒸馏塔用于将裂化产物中的各种组分进行分离。
蒸馏塔通常采用逐层分离的方式,可以得到所需的产品。
4.分离装置:分离装置用于将蒸馏产物进行不同位置的分离,以得到所需的产品。
催化裂化(de)装置简介及工艺流程概述催化裂化技术(de)发展密切依赖于催化剂(de)发展.有了微球催化剂,才出现了流化床催化裂化装置;分子筛催化剂(de)出现,才发展了提升管催化裂化.选用适宜(de)催化剂对于催化裂化过程(de)产品产率、产品质量以及经济效益具有重大影响.催化裂化装置通常由三大部分组成,即反应/再生系统、分馏系统和吸收稳定系统.其中反应––再生系统是全装置(de)核心,现以高低并列式提升管催化裂化为例,对几大系统分述如下:(一)反应––再生系统新鲜原料(减压馏分油)经过一系列换热后与回炼油混合,进入加热炉预热到370℃左右,由原料油喷嘴以雾化状态喷入提升管反应器下部,油浆不经加热直接进入提升管,与来自再生器(de)高温(约650℃~700℃)催化剂接触并立即汽化,油气与雾化蒸汽及预提升蒸汽一起携带着催化剂以7米/秒~8米/秒(de)高线速通过提升管,经快速分离器分离后,大部分催化剂被分出落入沉降器下部,油气携带少量催化剂经两级旋风分离器分出夹带(de)催化剂后进入分馏系统.积有焦炭(de)待生催化剂由沉降器进入其下面(de)汽提段,用过热蒸气进行汽提以脱除吸附在催化剂表面上(de)少量油气.待生催化剂经待生斜管、待生单动滑阀进入再生器,与来自再生器底部(de)空气(由主风机提供)接触形成流化床层,进行再生反应,同时放出大量燃烧热,以维持再生器足够高(de)床层温度(密相段温度约650℃~680℃).再生器维持~(表)(de)顶部压力,床层线速约米/秒~米/秒.再生后(de)催化剂经淹流管,再生斜管及再生单动滑阀返回提升管反应器循环使用.烧焦产生(de)再生烟气,经再生器稀相段进入旋风分离器,经两级旋风分离器分出携带(de)大部分催化剂,烟气经集气室和双动滑阀排入烟囱.再生烟气温度很高而且含有约5%~10%CO,为了利用其热量,不少装置设有CO锅炉,利用再生烟气产生水蒸汽.对于操作压力较高(de)装置,常设有烟气能量回收系统,利用再生烟气(de)热能和压力作功,驱动主风机以节约电能.(二)分馏系统分馏系统(de)作用是将反应/再生系统(de)产物进行分离,得到部分产品和半成品.由反应/再生系统来(de)高温油气进入催化分馏塔下部,经装有挡板(de)脱过热段脱热后进入分馏段,经分馏后得到富气、粗汽油、轻柴油、重柴油、回炼油和油浆.富气和粗汽油去吸收稳定系统;轻、重柴油经汽提、换热或冷却后出装置,回炼油返回反应––再生系统进行回炼.油浆(de)一部分送反应再生系统回炼,另一部分经换热后循环回分馏塔.为了取走分馏塔(de)过剩热量以使塔内气、液相负荷分布均匀,在塔(de)不同位置分别设有4个循环回流:顶循环回流,一中段回流、二中段回流和油浆循环回流.催化裂化分馏塔底部(de)脱过热段装有约十块人字形挡板.由于进料是460℃以上(de)带有催化剂粉末(de)过热油气,因此必须先把油气冷却到饱和状态并洗下夹带(de)粉尘以便进行分馏和避免堵塞塔盘.因此由塔底抽出(de)油浆经冷却后返回人字形挡板(de)上方与由塔底上来(de)油气逆流接触,一方面使油气冷却至饱和状态,另一方面也洗下油气夹带(de)粉尘.(三)吸收--稳定系统从分馏塔顶油气分离器出来(de)富气中带有汽油组分,而粗汽油中则溶解有C3、C4甚至C2组分.吸收––稳定系统(de)作用就是利用吸收和精馏(de)方法将富气和粗汽油分离成干气(≤C2)、液化气(C3、C4)和蒸汽压合格(de)稳定汽油.装置简介(一)装置发展及其类型1.装置发展催化裂化工艺产生于20世纪40年代,是炼油厂提高原油加工深度(de)一种重油轻质化(de)工艺.20世纪50年代初由ESSO公司(美国)推出了Ⅳ型流出催化装置,使用微球催化剂(平均粒径为60—70tan),从而使催化裂化工艺得到极大发展.1958年我国第一套移动床催化裂化装置在兰州炼油厂投产.1965年我国自己设计制造施工(de)Ⅳ型催化装置在抚顺石油二厂投产.经过近40年(de)发展,催化裂化已成为炼油厂最重要(de)加工装置.截止1999年底,我国催化裂化加工能力达8809.5×104t/a,占一次原油加工能力(de)33.5%,是加工比例最高(de)一种装置,装置规模由(34—60)×104t /a发展到国内最大300×104t/a,国外为675×104t/a.随着催化剂和催化裂化工艺(de)发展,其加工原料由重质化、劣质化发展至目前全减压渣油催化裂化.根据目(de)产品(de)不同,有追求最大气体收率(de)催化裂解装置(DCC),有追求最大液化气收率(de)最大量高辛烷值汽油(de)MGG工艺等,为了适应以上(de)发展,相应推出了二段再生、富氧再生等工艺,从而使催化裂化装置向着工艺技术先进、经济效益更好(de)方向发展.2.装置(de)主要类型催化裂化装置(de)核心部分为反应—再生单元.反应部分有床层反应和提升管反应两种,随着催化剂(de)发展,目前提升管反应已取代了床层反应.再生部分可分为完全再生和不完全再生,一段再生和二段再生(完全再生即指再生烟气中CO含量为10—6级).从反应与再生设备(de)平面布置来讲又可分为高低并列式和同轴式,典型(de)反应—再生单元见图2—4、图2—5、图2—6、图2—7,其特点见表2—11.(二)装置单元组成与工艺流程1.组成单元催化裂化装置(de)基本组成单元为:反应—再生单元,能量回收单元,分馏单元,吸收稳定单元.作为扩充部分有:干气、液化气脱硫单元,汽油、液化气脱硫醇单元等.各单元作用介绍如下.(1)反应—再生单元重质原料在提升管中与再生后(de)热催化剂接触反应后进入沉降器(反应器),油气与催化剂经旋风分离器与催化剂分离,反应生成(de)气体、汽油、液化气、柴油等馏分与未反应(de)组分一起离开沉降器进入分馏单元.反应后(de)附有焦炭(de)待生催化剂进入再生器用空气烧焦,催化剂恢复活性后再进入提升管参加反应,形成循环,再生器顶部烟气进入能量回收单元.(2)三机单元所谓三机系指主风机、气压机和增压机.如果将反一再单元作为装置(de)核心部分,那么主风机就是催化裂化装置(de)心脏,其作用是将空气送人再生器,使催化剂在再生器中烧焦,将待生催化剂再生,恢复活性以保证催化反应(de)继续进行.增压机是将主风机出口(de)空气提压后作为催化剂输送(de)动力风、流化风、提升风,以保持反—再系统催化剂(de)正常循环.气压机(de)作用是将分馏单元(de)气体压缩升压后送人吸收稳定单元,同时通过调节气压机转数也可达到控制沉降器顶部压力(de)目(de),这是保证反应再生系统压力平衡(de)一个手段.(3)能量回收单元利用再生器出口烟气(de)热能和压力使余热锅炉产生蒸汽和烟气轮机作功、发电等,此举可大大降低装置能耗,目前现有(de)重油催化裂化装置有无此回收系统,其能耗可相差1/3左右.(4)分馏单元沉降器出来(de)反应油气经换热后进入分馏塔,根据各物料(de)沸点差,从上至下分离为富气(至气压机)、粗汽油、柴油、回炼油和油浆.该单元(de)操作对全装置(de)安全影响较大,一头一尾(de)操作尤为重要,即分馏塔顶压力、塔底液面(de)平稳是装置安全生产(de)有力保证,保证气压机人口放火炬和油浆出装置系统(de)通畅,是安全生产(de)必备条件. (5)吸收稳定单元经过气压机压缩升压后(de)气体和来自分馏单元(de)粗汽油,经过吸收稳定部分,分割为干气、液化气和稳定汽油.此单元是本装置甲类危险物质最集中(de)地方.(6)产品精制单元包括干气、液化气脱硫和汽油液化气脱硫醇单元该两部分,干气、液化气在胺液(乙醇胺、二乙醇胺、Ⅳ—甲基二乙醇胺等)作用下、吸收干气、液化气中(de)H2S气体以达到脱除H2S(de)目(de).汽油和液化气在碱液状态中在磺化酞氰钴或聚酞氰钻作用下将硫醇氧化为二硫化物,以达到脱除硫醇(de)目(de).2.工艺流程工艺原则流程见图2—8.原料油由罐区或其他装置(常减压、润滑油装置)送来,进入原料油罐,由原料泵抽出,换热至200—300°C左右,分馏塔来(de)回炼油和油浆一起进入提升管(de)下部,与由再生器再生斜管来(de)650~700°C再生催化剂接触反应,然后经提升管上部进入分馏塔(下部);反应完(de)待生催化剂进入沉降器下部汽提段.被汽提蒸汽除去油气(de)待生剂通过待生斜管进入再生器下部烧焦罐.由主风机来(de)空气送人烧焦罐烧焦,并同待生剂一道进入再生器继续烧焦,烧焦再生后(de)再生催化剂由再生斜管进人提升管下部循环使用.烟气经一、二、三级旋分器分离出催化剂后,其温度在650~700°C,压力0.2-0.3MPa(表),进人烟气轮机作功带动主风机,其后温度为500—550°C,压力为0.01MPa(表)左右,再进入废热锅炉发生蒸汽,发汽后(de)烟气(温度大约为200℃左右)通过烟囱排到大气.反应油气进入分馏塔后,首先脱过热,塔底油浆(油浆中含有2%左右催化剂)分两路,一路至反应器提升管,另一路经换热器冷却后出装置.脱过热后油气上升,在分馏塔内自上而下分离出富气、粗汽油、轻柴油、回炼油.回炼油去提升管再反应,轻柴油经换热器冷却后出装置,富气经气压机压缩后与粗汽油共进吸收塔,吸收塔顶(de)贫气进入再吸收塔由轻柴油吸收其中(de)C4-C5,再吸收塔顶干气进入干气脱硫塔脱硫后作为产品出装置,吸收塔底富吸收油进入脱吸塔以脱除其中(de)C2.塔底脱乙烷汽油进入稳定塔,稳定塔底油经碱洗后进入脱硫醇单元脱硫醇后出装置,稳定塔顶液化气进入脱硫塔脱除H,S,再进入脱硫醇单元脱硫醇后出装置.(脱硫脱硫醇未画出)(三)化学反应过程1.催化裂化反应(de)特点催化裂化反应是在催化剂表面上进行(de),其反应过程(de)7个步骤如下:①气态原料分子从主流扩散到催化剂表面;②原料分子沿催化剂外向内扩散;③原料分子被催化剂活性中心吸附;④原料分子发生化学反应;⑤产品分子从催化剂内表面脱附;⑥产品分子由催化剂外向外扩散;⑦产品分子扩散到主流中.重质原料反应生成目(de)产品可用下图表示:2.催化裂化反应种类石油馏分是由十分复杂(de)烃类和非烃类组成,其反应过程十分复杂,种类繁多,大致分为几个类型.(1)裂化反应是主要(de)反应.即C—C键断裂,大分子变为小分子(de)反应.(2)异构化反应是重要(de)反应.即化合物(de)相对分子量不变,烃类分子结构和空间位置变化,所以催化裂化产物中会有较多异构烃.(3)氢转移反应是一个烃分子上(de)氢脱下来加到另一个烯烃分子上,使其烯烃饱和,该反应是催化裂化特有(de)反应.虽然氢转移反应会使产品安定性变好,但是大分子(de)烃类反应脱氢将生成焦炭.(4)芳构化反应烷烃、烯烃环化生成环烷烃和环烯烃,然后进一步氢转移反应生成芳烃,由于芳构化反应使汽油、柴油中芳烃较多.除以上反应外,还有甲基转移反应、叠合反应和烷基化反应等.(四)主要操作条件及工艺技术特点1.主要操作条件因不同(de)工艺操作条件不尽相同,表2—12列出一般一段再生催化裂化(de)主要操作条件.2.工艺技术特点(1)微球催化剂(de)气—固流态化催化裂化确切一点应该叫作流化催化裂化.微球催化剂(60—70/1m 粒径)在不同气相线速下呈现不同状态,可分为固定床(即催化剂不动)、流化床(即催化剂只在一定(de)空间运动)和输送床(即催化剂与气相介质一同运动而离开原来(de)空间)三种.过程是流化床,所以微球催化剂(de)气—固流态化是催化裂化工艺得以发展(de)基础,从而使反应—再生能在不同(de)条件下得以实现.(2)催化裂化(de)化学反应最主要(de)反应是大分子烃类裂化为小分子烃类(de)化学反应,从而使原油中大于300℃馏分(de)烃类生成小分子烃类、气体、液化气、汽油、柴油等,极大地增加了炼油厂(de)轻质油收率,并能副产气体和液化气.(五)催化剂及助剂1.催化剂烃类裂化反应,应用热裂化工艺也能完成,但是有了催化剂(de)参加,其化学反应方式不同,所以导致二类工艺(de)产品性质和产品分布都不同.目前催化裂化所使用(de)催化剂都是分子筛微球催化剂,根据不同产品要求可制造出各种型号(de)催化剂.但其使用性能要求是共同(de),即高活性和选择性,良好(de)水热稳定性,抗硫、氮、重金属(de)中毒;好(de)强度,易再生,流化性能好等.目前常见(de)有重油催化裂化催化剂、生产高辛烷值汽油催化剂、最大轻质油收率催化剂、增加液化气收率催化剂和催化裂解催化剂等.由于催化裂化原料(de)重质化,使重油催化剂发展十分迅速,目前国内全渣油型催化剂性能见表2—13.2.催化裂化助剂为了补充催化剂(de)其他性能,近年来发展了多种起辅助作用(de)助催化剂,这些助剂均以剂(de)方式,加到裂化催化剂中起到除催化裂化过程外(de)其他作用.如促进再生烟气中CO转化为C02,提高汽油辛烷值,钝化原料中重金属对催化剂活性毒性,降低烟气中(de)SOx(de)含量等各类助剂,它们绝大多数也是制造成与裂化催化剂一样(de)微球分别加入再生器内,但占总剂量很少,一般在1%—3%,所以每天添加量只有10-1000kS/d左右.CO助燃剂为SiO2—Al2O3细粉上载有活性金属铂制成.辛烷值助剂大多是含有15%-20%ZSM—5分子筛(de)Si—Al微球剂.而金属钝化剂为液态型含锑(de)化合物,将其注入原料油中,使其分解(de)金属锑沉积在催化剂上以钝化Ni(de)活性.(六)原料及产品性质1.催化裂化原材料各类催化裂化所使用(de)原材料不尽相同,现将一般所使用(de)原材料主要性质汇总,见表2—14.2.产品性质产品性质见表2-15。
重油催化裂化装置主要工艺流程说明一. 反再系统1.反应部分混合蜡油和常(减)压渣油分别由罐区原料罐送入装置内的静态混合器(D-214)混合均匀后,进入原料缓冲罐(D-203/1),然后用原料泵(P-201/1.2)抽出,经流量控制阀(8FIC-230)后与一中回流换热(E-212/1.2),再与油浆(E-201/1.2)换热至170~220℃,与回炼油一起进入静态混合器(D-213)混合均匀。
在注入钝化剂后分三路(三路设有流量控制)与雾化蒸汽一起经六个进料喷嘴进入提升管,与从二再来的高温再生催化剂接触并立即汽化,裂化成轻质产品(液化气、汽油、柴油)并生成油浆、干气及焦炭。
新增焦化蜡油流程:焦化蜡油进装后先进焦化蜡油缓冲罐(D-203/2),然后经焦化蜡油泵(P-201/3.4)提压至1.3MPa 后分为两路:一路经焦化蜡油进提升管控制阀(8FIC242)进入提升管反应器的回炼油喷嘴或油浆喷嘴,剩余的焦化蜡油经另一路通过D-203/2的液位控制阀(8LIC216)与进装蜡油混合后进入原料油缓冲罐(D-203/1)。
新增常压热渣油流程:为实现装置间的热联合,降低装置能耗,由南常减压装置分出一路热常渣(约350℃),经8FIQC530直接进入D-213(原料油与回炼油混合器)前,与原料混合均匀后进入提升管原料喷嘴。
反应油气、水蒸汽、催化剂经提升管出口快分器分离出大部分催化剂,反应油气经过沉降器稀相沉降,再经沉降器(C-101)内四组单级旋风分离器分离出绝大部分催化剂,反应油气、蒸汽、连同微量的催化剂细粉经大油气管线至分馏塔人档下部。
分馏塔底油浆固体含量控制<6g/L。
旋分器分出的催化剂通过料腿返回到汽提段,料腿装有翼阀并浸没在汽提段床层中,保证具有正压密封,防止气体短路,汽提蒸汽经环形分布器进入汽提段的上中下三个部位使催化剂不仅处于流化状态,并汽提掉催化剂夹带的烃油气,汽提后的催化剂通过待生滑阀进入一再催化剂分布器。
催化裂化工艺流程及主要设备催化裂化是一种常见的炼油工艺,用于将较重的石油馏分转化为较轻的馏分,例如汽油、液化石油气等。
本文将介绍催化裂化的工艺流程以及主要设备。
1.预处理:原料石油馏分经过加热和加压进入预处理装置,主要是用来去除其中的硫化物、氮化物和重金属等杂质物质。
主要设备包括预处理加热炉、预处理压力器和杂质吸附装置等。
2.裂化反应:经过预处理的石油馏分进入催化反应器,与催化剂接触进行裂化反应。
催化剂通常是一种固体粒子,例如二氧化硅或氧化铝。
在适当的温度和压力下,催化剂可以将较大的烃类分子裂解为较小的烃类分子。
此过程中产生大量的热量,需要进行物料与冷却剂的热交换。
主要设备包括催化裂化反应器、再生器和冷却器等。
3.裂化产品分离:裂化反应产生的混合物经过冷却后,进入分离装置进行分离。
由于不同组分的沸点不同,可以通过蒸馏或者其他分离技术将产品分为不同的馏分,例如轻质油、重质油和液化石油气等。
主要设备包括蒸馏塔、分离器和分馏列等。
4.催化剂再生:由于催化剂在反应过程中容易受到烃类分子的炭积和积碳,需要进行再生以保持催化剂的活性。
再生通常是通过高温燃烧去除积碳,并将催化剂活性重新恢复。
主要设备包括再生器和焚烧炉等。
催化裂化的主要设备还包括裂解气体循环泵、再生气体压缩机、催化剂输送系统等。
此外,催化裂化还需要配套的辅助设备,包括冷却水系统、加热炉和冷凝器等。
这些设备的选择和设计常常需要根据具体的工艺要求和生产规模进行调整。
总结起来,催化裂化工艺流程包括预处理、裂化反应、产品分离和催化剂再生等步骤。
其主要设备包括预处理装置、催化裂化反应器、分离装置和催化剂再生装置等。
通过合理选择和配置这些设备,可以实现高效、稳定的催化裂化生产过程。
催化裂化装置工艺条件一览表
一、催化裂化装置主要工艺指标
1、反应再生单元
序号工艺指标名称单位仪表位号控制范围
1 重油提升管出
口温度℃TRCA22101
A
500~530
2 芳烃提升管出
口温度
芳烃提升管出
口温度
℃
℃
TRCA22101
B
TRCA22101
B
440~480
(低硫)
480~530
(高硫)
3 反应压力MPa PR22102 0.13~0.19
4 再生压力MPa PRCA22101 0.16~0.22
5 两器压差MPa PdRCA2210
4A
0.03~0.05
6 再生器温度℃TRCA22102 660~710
7 再生器稀相温
度
℃TIA22123 ≤730
8 沉降器藏量t WRCA22101 35~48
9 再生器藏量t WR22105 90~130
10 原料油预热温
度
℃TRCA22103 180~225
11 主风流量Nm3/h FRCA22604 140000~
160000
12 待生套管流化
Nm3/h FRCA22110 3000~6000 风量
Nm3/h FRCA22109 3500~8000 13 外取热流化风
量
14 烟气氧含量v%AR22101 ≤3
15 过热蒸气温度℃TIC22461 380~410
MPa PRA22421 3.5~4.1 16 外取热汽包压
力
℃TI22468 >122
17 省煤器上水温
度
18 外取热汽包液
%LRC22421 50±20 位
2、分馏单元
序号工艺指标名称单位仪表位号控制范围
1 重油分馏塔塔顶℃TRCA2220120~150
2 芳烃分馏塔塔顶℃TRCA2222125~150
3 重油分馏塔16层℃TI22209 220~240
4 芳烃分馏塔16层℃TI22238 210~230
5 重油分馏塔塔底℃TRC22217 ≤350
6 芳烃分馏塔塔底℃TRC2223
7 ≤340
7 油浆外甩温度℃TR22250 ≤95
8 油浆固体含量g/l ≤6
9 V22201液位%LIK22209 50±20
10 T22201A液位%LC22201 50±20
11 T22201B液位%LC22202 50±20
12 V22203A液位%LICA222050±20
13 V22203B液位%LICA222050±20
14 电脱盐罐温度℃110~140
15 电脱盐罐压力Mpa 0.8~1.5
16 电脱盐罐电场强kv/cm 0.63~1.05
17 注水量/与原油量wt%4~8
18 注破乳剂量ppm 15~40 3、吸收稳定单元
序号工艺指标名称单位仪表位
号
控制范围
1 吸收塔液位(T22301)%LRCA223
01
50±20
2 解吸塔液位(T22302)%LRCA223
06
50±20
3 再吸收塔液位(T22303)%LRCA223
04
50±20
4 稳定塔液位(T22304)%LICA223
09
50±20
5 油气分离罐液位
(V22302)%LICA223
07
50±20
6 稳定塔顶回流罐液位
(V22303)%LICA223
05A
50±20
7 再吸收塔顶压力MPa PRC2230 1.00~
(T22303) 1 1.20
8 稳定塔塔顶压力
(T22304)MPa PRC2230
3
1.0~1.1
9 吸收塔顶温度(T22301)℃TI22307 30~42
10 解吸塔底温度(T22302)℃TIC2231
9
120~130
11 稳定塔底温度(T22304)℃TRC2232
6
160~175
12 稳定塔顶温度(T22304)℃TRC2230
2
55~62 4、产品精制单元
序号工艺指标名称单位仪表位
号
控制范围
1 汽油沉降罐液位
(V26102)%LRCA225
06
50±20
2 汽油沉降罐压力
(V26102)MPa PRC2250
1
0.1±0.05
3 液化气缓冲罐液位
(V26201) %LRCA225
10
50±20
4 液化气脱硫抽提塔界位
(T26201)%LRCAS22
512
50±20
5 液化气脱硫醇抽提塔界%LRCAS2250±20
位(T26301)517
6 液化气沙滤塔塔后压力
(T26303)MPa PRC2250
4
1.0~1.2
7 干气脱硫塔顶液位
(T26202)%LRCA225
14
50±20
8 干气脱硫塔顶压力
(T26202)MPa PIC2250
3
0.95~1.1
9 二硫化物分离罐压力
(V26303)MPa PRC2250
6
0.3±0.02
5、气体分离单元
序号工艺指标名称单位仪表位号控制范围
1 脱丙烷塔(T24001)塔底温度℃TI24157 102~107
2 脱丙烷塔(T24001)塔顶温度℃TR24154 42~47
3 脱丙烷塔(T24001)塔顶压力MPa PI24151 1.68~1.8
4 脱乙烷塔(T24002)塔底温度℃TI24166 65~70
5 脱乙烷塔(T24002)塔顶温度℃TI24162 55~65
6 脱乙烷塔(T24002)塔顶压力MPa PI24152 2.65~2.75
7 精丙烯塔(T24003A)塔底温
度
℃TI24174 45~55
8 精丙烯塔(T24003B)塔顶温
度
℃TR24177 40~45
9 精丙烯塔(T24003B)塔顶压
力
MPa PI24153
1.65~
1.75
6、公用工程单元
序号工艺指标名称单仪表位控制范围动力指标
1 循环水压力MPa ≥0.4
2 循环水上水温度℃≤32
3 脱盐水压力MPa 0.5±0.1
4 中压蒸汽压力MPa >3.5
5 中压蒸汽温度℃380~410
6 低压蒸汽压力MPa 1.0±.02
7 低压蒸汽温度℃250~280
8 工业水压力MPa ≥0.4
9 非净化风压力MPa ≥0.6
10 净化风压力MPa ≥0.6
11 氮气压力MPa ≥0.6 环保指标
1 含油污水含油mg/≤400
2 酸性水含油mg/≤300
3 V22201切水含油mg/≤400
4 含油污水PH 6~9
消耗指标
1 催化裂化催化剂t/a 1647
2 助燃剂t/a 6.6
3 油浆阻垢剂t/a 6
4 NaOH溶液t/a110
5 金属钝化剂t/a99
6 活化剂t/a75
7 磷酸三钠t/a 1.6
8 磺化酞菁钴t/a 0.05。