某公司五金喷砂件检验标准
- 格式:doc
- 大小:93.00 KB
- 文档页数:4
五金产品喷砂检验规范
一、目的:
为确保每一制程质量稳定度及满足客户的需求,每一站均需严格制程检验,并将检验之记录值填写记录表中,使制程中每一动作均能符合标准作业程序。
二、范围:
适合本公司所有五金产品的喷砂检验。
三、检验环境:
光源800-1200Lux
四、检验内容:
五、流程说明:
1、产品批量生产前,生产应先送3-5PCS至品质,并填写好首件送检单交当班 IPQC确认首件;
2、首件OK,方可开机生产;首件NG,需重新调整机台参数后再重新送首件确认;
3、生产过程中IPQC要严格监督产线员工按工艺要求操作;
4、IPQC在巡检过程中,当发现问题应及时反馈生产责任人,单项不良超出5%,IPQC应及时开出品质异常联络单给责任分析改善,并追踪改善效果。
5、当生产出现重大异常时,如严重不良已导致报废不良比例在10%以上,应要求生产立即停线,并开出停线通知单。
6、IPQC要稽核现场的7S,并要求和监督现场操作人员对产品按要求作好防护措施。
六、相关文件
《不合格品控制程序》
七、相关表格
《内部品质异常联络单》
《IPQC检验报表》。
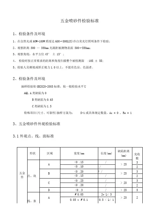
五金喷砂件检验标准
1、检验条件及环境
1、在自然光或60W-100W照度达600〜800LUX)冷白荧光灯照明条件下检验;
2、观察距离:300 — 350mm光源距被测物表面 500〜550mm;
3、观察角度:水平方位45° 土15°;
4、检验时按正常要求的距离和角度扫描整个被检测面:10S ± 5S;
5、检验人员裸视或矫正视力1.0以上,不能有色盲、色弱者。
2、检验条件及环境
抽样检验依GB2828-2003标准,取一般检验水平U
AQL A类缺陷为0
B类缺陷为0.65
C类缺陷为1.5
特殊项目(尺寸、可靠性)抽样方案为:S-1或具体规定数量,Ac = 0 , Re = 1 3、五金喷砂件外观检验标准
3.1外观点、线、面标准
3.2五金其它缺陷判定
4、五金喷砂件外观检验可靠性测试。
喷砂机用砂材的质量检测与评估标准喷砂机是一种常用的表面处理设备,广泛应用于金属制品、建筑材料等行业中。
而砂材是喷砂机的主要喷射材料之一,对喷砂机的使用效果和工作寿命起着重要作用。
因此,对喷砂机用砂材的质量进行检测和评估是至关重要的。
本文将介绍喷砂机用砂材的质量检测方法和评估标准。
首先,喷砂机用砂材的质量检测主要包括外观质量检验、颗粒度分析、化学成分检测以及磨损性能评估等方面。
外观质量检验是对砂材外部形态的检测,主要包括砂粒形状、颜色和干燥程度等方面。
砂粒形状应均匀且无结块现象,颜色应符合标准要求,干燥程度应适中。
此外,还需要检查砂材是否含有杂质,如石块、泥土等,这些杂质会对喷砂机的喷射效果产生不良影响。
颗粒度分析是对砂材颗粒粒径大小进行测试的关键步骤。
通过颗粒度分析,可以确定砂材的均匀性和稳定性。
常用的颗粒度分析方法有筛选法和激光粒度分析法。
筛选法适用于颗粒大小范围较大的砂材,而激光粒度分析法适用于颗粒大小范围较小的砂材。
颗粒度分析结果应符合相关标准的要求,以确保砂材的喷砂效果和工作寿命。
化学成分检测是评估砂材质量的另一个重要方面,常用于检测砂材中主要化学成分的含量,如硅、铁、镁、钙等。
这些成分对砂材的性能和耐磨性有着直接的影响。
化学成分检测可以通过化学分析仪器和设备进行,结果应与相关标准进行对比,以确定砂材的质量。
另外,砂材的磨损性能也是评估其质量的重要指标之一。
砂材的耐磨性直接关系到喷砂机的使用寿命和喷射效果。
常用的砂材磨损性能评估方法主要包括砂材的硬度测试、耐磨试验和悬浮颗粒物浓度的测定。
这些测试方法可以帮助确定砂材的质量和适用性。
总结起来,喷砂机用砂材的质量检测与评估标准主要包括外观质量检验、颗粒度分析、化学成分检测和磨损性能评估。
通过对砂材进行全面的检测和评估,可以确保喷砂机的正常运行,提高工作效率和产品质量。
然而,每个行业对喷砂机用砂材的要求不尽相同。
因此,在进行质量检测和评估时,还需要根据实际应用场景和行业标准进行相应的调整和优化。
喷砂机用砂材的质量标准与检测方法喷砂机是一种常用的表面处理设备,广泛应用于金属、非金属等工业领域。
在喷砂机的工作过程中,砂材是至关重要的原料之一。
砂材的质量直接影响到喷砂机的效率和工作品质。
因此,了解喷砂机用砂材的质量标准与检测方法,对保证喷砂机的正常运行和提高工作效率具有重要意义。
1. 砂材质量标准喷砂机用的砂材应该符合一定的标准,以确保其适用于喷砂工作。
常见的砂材质量标准包括:1.1 粒度分布:砂材的粒度分布应均匀,具有一定的粒度范围。
过大或过小的颗粒会造成喷砂效果不佳或者喷砂机的堵塞。
常见的粒度要求为40目-200目。
1.2 抗压强度:砂材的抗压强度是指在一定压力下,能够承受的压力值。
较高的抗压强度说明砂材耐磨性好,不易破碎,并具有较长的使用寿命。
1.3 纯度:砂材应具备较高的纯度,不能含有过多的杂质,如泥土、金属或其他颗粒物。
杂质的存在会对喷砂机的喷砂效果产生不良影响。
1.4 湿度:砂材的湿度应控制在合适的范围内。
过高的湿度会导致砂材结块,增加喷砂机的堵塞风险;而过低的湿度会增加喷砂时的尘埃产生。
以上是喷砂机用砂材的一般质量标准,具体标准可以根据实际工作需求和喷砂机型号进行调整。
2. 砂材的检测方法为了确保喷砂机用的砂材符合质量标准,进行砂材的定期检测是必要的。
常见的砂材检测方法包括:2.1 粒度分布检测:粒度分布是砂材质量的重要指标之一。
可以使用筛分分析仪进行粒度分布检测。
将砂材样品通过不同粒径的筛网进行分离,然后根据筛网上通过颗粒的重量比例计算出粒度分布曲线。
2.2 抗压强度检测:抗压强度的检测可以通过压力试验机进行。
将砂材样品放置在试验平台上,施加一定压力进行压缩,测量压缩过程中的应力和变形,然后计算出抗压强度。
2.3 纯度检测:纯度的检测可以通过化学分析的方法进行。
将砂材样品进行溶解,然后对溶液进行化学分析,检测其中的杂质含量。
2.4 湿度检测:湿度的检测可以使用湿度计进行。
将砂材样品放置在湿度计中,测量其湿度值。
喷砂机用砂材的质量检测标准喷砂机是一种常用的工业设备,广泛应用于金属表面除锈、清洗和改善表面粗糙度的工艺过程中。
而喷砂机所使用的砂材质量直接关系到工艺效果的好坏。
因此,制定和严格执行砂材的质量检测标准对于保障喷砂机工作的稳定性和生产效率至关重要。
砂材主要是通过粉碎天然矿物质,如石英、蛭石、膨润土等,具有适度的硬度和尺寸分布。
为了确保砂材的质量,我们可以参考以下标准进行检测:1. 砂料粒度分布:砂材颗粒的大小和分布直接影响到喷砂的效果。
通常,砂材颗粒分为粗粒、中粒和细粒三种类型。
粗粒砂材用于去除较厚的涂层和氧化层,中粒砂材适用于减小表面粗糙度,而细粒砂材则用于提高表面光洁度。
通过对砂材颗粒的筛分,可以得到砂料的粒度分布曲线,检测其是否符合标准要求。
2. 砂料硬度:砂材的硬度对于喷砂的效果和砂材的寿命有着重要影响。
通常,摩氏硬度测量是常见的硬度测试方法之一。
对于喷砂机来说,硬度适中的材料可有效去除污渍和氧化层,同时不会造成过于严重的表面损伤。
因此,根据具体喷砂工艺需求,选用适当硬度的砂材是非常关键的。
3. 砂材湿度:砂材的湿度对于喷砂时的粉尘控制和制品的表面干燥度有直接影响。
过湿的砂料容易导致泥化、结块和喷射不均匀的问题,而过干的砂料则容易产生粉尘过多的问题。
因此,在使用砂材之前需要对其湿度进行测量和调整,确保在适宜的湿度范围内。
4. 砂材杂质含量:砂材中可能存在一些非矿物性的杂质,如泥土、木屑、细菌等。
这些杂质会对喷砂机的正常工作产生不利影响,例如堵塞喷砂嘴、减少砂料的利用率等。
因此,通过对砂材进行杂质含量的测定,可以确保喷砂过程的稳定性和效果的一致性。
总之,喷砂机用砂材的质量检测标准主要包括砂料粒度分布、砂料硬度、砂料湿度和砂料杂质含量。
只有确保砂材质量符合要求,才能提高喷砂工艺的效率和效果,同时延长设备的使用寿命。
因此,在选用喷砂机砂材时,企业应严格按照相关标准进行品质检测,并根据实际情况进行合理的调整和优化,以获得更好的工艺效果。
物料类别五金件物料名称五金喷油件共2页第1页文件编号S TY.329.016 版本 A类别检验项目技术要求检验方法检验器具质量特性抽样判定标志▲包装要求1.包装方式:每个用珍珠棉包好后再装在套袋里,然后整齐装在纸箱里(层与层之间用纸板隔开,并上层面和箱顶缘要保留10mm以上的空间,且每箱数量不多于16个);2.存放堆码层数极限为3层;3.标签内容应该包括产品名称、物料编码、规格型号、厂名、数量、生产日期(或批次)、检验合格标志。
目测-- C (1;0,1)外观质量▲外观质量1.材料牌号、规格使用正确;2.喷涂层外观符合相关外观判定标准;3.喷油表面不应有泪痕、表面手感光滑,色泽明亮;4.喷油表面颜色对照签样,无明显色差,不允许局部色差。
目测-- C 按《抽样标准》结构尺寸▲结构尺寸结构尺寸符合图纸要求。
游标卡尺测量游标卡尺B 按《抽样标准》涂膜性能▲涂膜厚度涂膜厚度要求见附表。
膜厚仪测量膜厚仪 B 按《抽样标准》▲涂膜硬度喷油硬度要求≥HB(西德铅笔)。
使用西德铅笔(或与其相当的铅笔)对涂层面成45°用使用20N的力度划涂层力往来前推, 观察铅笔对涂层表面的痕迹,以不露底材为准。
西德铅笔 B (2;0,1)▲涂膜附着力经试验后,涂层附着力符合要求。
划100个面积为1mm²的小格,用日本胶布(或相当的胶布)沿着小格的对角线贴紧,然后垂直于测试方向迅速拉脱胶布,1次无一小格脱落。
日本胶布戒刀B (2;0,1)编制/日期校对/日期会签/日期审核/日期批准/日期标记处数更改文件号签字日期生活电器电饭煲公司零部件检验通用标准物料类别五金件物料名称五金喷油件共2页第2页文件编号S TY.329.016 版本 A类别检验项目技术要求检验方法检验器具质量特性抽样判定涂膜性能涂膜冷热冲击性经试验后无异味、变色、开裂及脱落等不良现象。
样品经过130℃x30Min烘烤后,再经过-20℃x15Min,试验6个循环,目视表面质量状况;样件的涂层附着力和硬度能达到要求。
喷砂除锈外观质量标准
一、钢材表面锈蚀和除锈等级标准为国家标准GB8923-88《涂装前钢材表面锈蚀等级和除锈等级》。
二、标准将除锈等级分成喷射或抛射除锈、手工和电动除锈、火焰除锈三种类型。
三、喷射和抛射除锈,用字母“sa”表示,分四个等级: sa1——轻度的喷射后抛射除锈。
钢材表面无可见的油脂、污垢、无附着的不牢的氧化皮、铁锈、油漆涂层等附着物。
sa2——彻底的喷射或抛射除锈。
钢材表面无可见的油脂、污垢,氧化皮、铁锈等附着物基本清除。
sa21/2——非常彻底的喷射或抛射除锈。
钢材表面无可见的油脂、污垢、氧化皮、铁锈、油漆涂层等附着物,任何残留的痕迹仅是点状或条状的轻微色斑。
sa3——使钢材表面非常洁净的喷射或抛射除锈。
钢材表面无可见的油脂、污垢、氧化皮、铁锈、油漆涂层等附着物,该表面显示均匀的金属色泽。
质检部
2013年5月20日。
喷砂机用砂材的质量验收标准与程序喷砂机是一种常见的表面处理设备,广泛应用于金属加工、建筑装饰、船舶维修等行业。
在喷砂作业中,砂材的质量对于工作效果和产品质量有着重要的影响。
为了确保喷砂作业的顺利进行,制定一套合理的砂材质量验收标准与程序是非常必要的。
砂材质量验收标准是根据喷砂机作业的具体要求而制定的。
一般来说,砂材质量验收标准应包括以下几个方面:1. 砂材粒度:砂材粒度的选择应根据喷砂机的型号和作业要求来确定。
通常情况下,砂材的粒度应符合制造商的要求,并且需要进行粒度分析和筛网检验,确保砂材粒度的均匀性和合适性。
2. 砂材硬度:砂材的硬度直接影响到喷砂作业的效果。
在验收过程中,可以通过硬度测试仪对砂材进行硬度测试,确保砂材的硬度符合要求。
3. 砂材清洁度:砂材清洁度是指砂材中的杂质和粉尘含量。
在验收过程中,可以通过目测和质量检测仪器对砂材进行检验,确保砂材的清洁度符合要求。
如果砂材含有过多的杂质和粉尘,会对喷砂作业产生不良影响,甚至损坏设备。
4. 砂材湿度:砂材的湿度对喷砂作业有较大影响。
一般来说,砂材的湿度应符合制造商的要求,通常在验收过程中,可以通过湿度计对砂材进行湿度测试,确保砂材的湿度在合理范围内。
在确定了砂材质量验收标准之后,还需要制定一套合理的验收程序来确保砂材质量的合格性。
以下是一种常用的砂材质量验收程序:1. 取样:从供应商提供的砂材中,按照规定的数量和比例进行取样。
取样时应使用干净的容器,避免杂质和污染的混入。
2. 应用检测工具:根据砂材质量验收标准,使用相应的检测工具对取样的砂材进行检测。
例如,使用粒度分析仪、硬度测试仪、质量检测仪器等进行砂材的粒度、硬度、清洁度等方面的测试。
3. 检测结果分析:根据检测结果进行分析,判断砂材的合格性。
如果砂材不符合要求,需要通知供应商并要求其进行调整或更换。
4. 记录和报告:将检测结果记录在质量验收报告中,并及时上报给相关人员。
同时,在砂材进入喷砂机作业前,应确保所有的质量验收程序和结果都有相应的记录,以备查验。
检验文件标题:文件编号:编写日期修订日期版本页数编写:会签:修订日期修订内容描述修订版本:页码版本页码版本页码版本1 A/1 5 A/22 A/1 6 A/23 A/27 A/14 A/2 8 A/1版权所有,文件派发单位:E五金喷涂(喷粉)件检验规范文件编号:版本/次:A/1第1页,共8页1. 目的为了保证品质,作为质控部门检验判定的依据(进料\制程\出货),符合顾客的要求.2. 范围:此标准可适用公司所有外发五金件表面喷涂细砂纹粉和橘纹粉的检验依据。
3. 权责:3.1质控部: 负责所有物料检验及品质标准之执行。
3.2物控部: 负责自购件, 委外加工品出现品质问题时, 与供应商进行联络, 沟通。
3.3 研发部: 负责新产品开发及产品结构、功能、标准等的变更。
3.4 生产部:负责物料的在线生产且符合公司及客户的标准及要求。
3.5 工程部 :负责制定公司的作业文件, 并协助生产部和质控部拟定生产中品质问题的解决方案。
4、检验工具:游标卡尺、点规5、检验条件:5.3.1目视距离 ------ A 等级面为300±50mm ;B 等级面为500±50mm ;C 等级面为800±50mm 。
5.3.2视力要求 ------ 标准视力1.0以上(含纠正后视力).5.3.3光照条件 ------ 自然光源或D65光源或双管日光灯(1000LUX ±200LUX ). 5.3.4检验角度 ------ 视角为45°或9005.3.5目视时间 ------ 以扫描方式在所检查面停留3-10秒. 6、抽样方案:按照MIL-STD-105E 抽样标准,一般检验水平的Ⅱ级,严重缺点不允许,主要缺点按AQL=0.4,主要缺点按AQL=0.65进行抽样和检验。
7、定义: 7.1表面等级划分:A 面(一级区域): 在正常的产品操作中可见的表面。
如面板,装饰框、保险柜的正面和门板的外表面。
五金打磨清洗喷砂拉丝FQC检验规范
一、目的:
为规范全检员对五金半成品或成品的全检作业,挑选出不合格品及时通知生产返工,及时发现问题、反应问题、解决问题,确保不合格品不流入下一制程或流入客户手中。
二、范围:
适合对本公司所有五金半成品打磨、清洗、喷砂、拉丝后的产品的全数检查和成品的检验。
三、检验环境:
光源800-1200Lux
四、检验内容:
五、流程说明:
1、针对冲压打磨并清洗后的产品进行全检,良品与不良品分开标识并统计数量,良品转下一制程,不良品退生产处理。
把检验结果记于对应FQC报表上
2、全检过程中,当全检员发现明显严重不良应及时反应到组长、课长或经理,当单项不良比例超出10%,全检组长要及时开出品质异常单至责任单位分析改善。
3、全检组每天按生产的排期,合理安排对各类产品的检验,要保质保量完成每天的任务。
4、做好7S,时刻保持工作台面的整洁。
六、相关文件
《不合格品控制程序》
七、相关表格
《PQC检验报表》
《内部品质异常联络单》。
喷砂Sa1,2,2.5,3级判定
喷砂 Sa1,2,2.5,3级判定
Sa1级——相当于美国SSPC—SP7级。
采用一般简单的手工刷除、砂布打磨方法,这是四种清洁度中度最低的一级,对涂层的保护仅仅略好于未采用处理的工件。
Sa1级处理的技术标准:工件表面应不可见油污、油脂、残留氧化皮、锈斑、和残留油漆等污物。
Sa1级也叫做手工刷除清理级。
(或清扫级)
Sa2级——相当于美国SSPC—SP6级。
采用喷砂清理方法,这是喷砂处理中最低的一级,即一般的要求,但对于涂层的保护要比手工刷除清理要提高许多。
Sa2级处理的技术标准:工件表面应不可见油腻、污垢、氧化皮、锈皮、油漆、氧化物、腐蚀物、和其它外来物质(疵点除外),但疵点限定为不超过每平方米表面的33%,可包括轻微阴影;少量因疵点、锈蚀引起的轻微脱色;氧化皮及油漆疵点。
如果工件原表面有凹痕,则轻微的锈蚀和油漆还会残留在凹痕底部。
Sa2级也叫商品清理级(或工业级)。
Sa2.5级——是工业上普遍使用的并可以作为验收技术要求及标准的级别。
Sa2.5级也叫近白清理级(近白级或出白级)。
Sa2.5级处理的技术标准:同Sa2要求前半部一样,但疵点限定为不超过每平方米表面的5%,可包括轻微暗影;少量因疵点、锈蚀引起的轻微脱色;氧化皮及油漆疵点。
Sa3级——级相当于美国SSPC—SP5级,是工业上的最高处理级别,也叫做白色清理级(或白色级)。
Sa3级处理的技术标准:与Sa2.5级一样但5%的阴影、疵点、锈蚀等都不得不存在了。
喷砂 SA2.5:。
五金喷砂件检验标准
1、检验条件及环境
1、在自然光或60W-100W(照度达600~800Lux)冷白荧光灯照明条件下检验;
2、观察距离:300-350mm;光源距被测物表面500~550mm ;
3、观察角度:水平方位45°±15°;
4、检验时按正常要求的距离和角度扫描整个被检测面:10S±5S;
5、检验人员裸视或矫正视力1.0以上,不能有色盲、色弱者。
2、检验条件及环境
抽样检验依GB2828-2003标准,取一般检验水平Ⅱ
AQL:A类缺陷为0
B类缺陷为0.65
C类缺陷为1.5
特殊项目(尺寸、可靠性)抽样方案为:S-1或具体规定数量,Ac = 0,Re = 1。
3、五金喷砂件外观检验标准
3.1外观点、线、面标准
3.2五金其它缺陷判定
4、五金喷砂件外观检验可靠性测试。