五金件、塑胶件外观检验标准
- 格式:doc
- 大小:96.50 KB
- 文档页数:7
外观检验标准,供参考1目的本标准为IQC对塑胶(包括五金件)来料检验、测试提供作业方法指导。
2适用范围本标准适用于所有须经IQC检验、测试塑胶(包括五金件)来料的检测过程。
3职责IQC检查员负责按照本标准对相关来料进行检验、测试。
4工具4.1卡尺(精度不低于0.2mm)。
4.2打火机。
5外观缺陷检查条件5.1 距离:肉眼与被测物距离30CM。
5.2 时间:10秒钟内确认缺陷。
5.3 角度:15-90度范围旋转。
5.4 照明:60W日光灯下。
5.5 视力:1.0以上(含较正后)。
6检验项目及要求6.1塑壳6.1.1外观a.所有外观面光滑过渡、无注塑不良。
b.外观面无划伤、痕迹、压痕。
c.非喷涂面不能有喷涂印。
d.喷涂均匀完整、不粗糙、无暗纹、亮斑,不能有局部堆积,少油,纤维丝。
喷涂是否牢固,硬度是否符合要求。
e.喷涂层色差光泽均匀、光亮。
6. 1.2尺寸测量下列尺寸,所有尺寸均须同图纸吻合或与样板一致。
a.五金槽的尺寸。
b.外型轮廓。
c.定位孔位置d.特殊点位置及规格(超声线)。
6.1.3材质a.原材料是符合相关设计要求。
b.防火材料应用打火机做实验(需在确保安全的条件下进行)。
6.1.4试装配a.将胶壳与相应的保护板、五金、支架等配件试装应配合良好。
b.必要时应取1-3个胶壳试超声,超声缝隙应均匀一致,焊接良好。
6.2五金件6.2.1尺寸测量五金的尺寸,须与样品或BOM一致。
6.2.2外观目测检查五金的色泽是否与样品一致,是否有划伤、变形,电镀层脱落等。
7检验方法7.1外观使用目测法检查被检品的外观。
7.2尺寸使用卡尺测量被检品的尺寸。
8塑壳表面分类A面:塑壳壳面;B面:塑壳底面。
9等级分类A级:公司所生产原配、原装产品的塑壳和五金来料;B级:公司所生产自有品牌或类似产品塑壳和五金来料;C级:以客户所承认样品生产的产品的塑壳和五金来料。
10 质量评定10.1检验办法塑胶(包括五金件)来料按按GB/T 2828-87 正常检查一次抽样方案II级检查水平进行抽样检查。
PRODUCT APPEARANCE INSPECTION STANDARD外觀檢驗標准Class accept standard(允收等級標准)1.A Zone, Class B (0.1mm²) A區, B等級(0.1mm2)The total numbers of one side can’t over two points and the distance betweena. points must over 100mm 在100mm 以內雜質點的數量不允許超過2點. 單面不超過2點.2.B Zone, Class C (0.2mm²) B區,C等級(0.2mm2)a. The total numbers of one side can’t over four points and the distance between points must over 50mm在50mm 以內雜質點的數量不允許超過2點,單面不超過4點.b. If the points smaller than 0.1mm2, the total point numbers of one side can’t over five points and the distance between points must over 50mm.如果雜質點小于0.1mm, 在50mm 以內雜質點的數量不允許超過2點,單面不超過5點.c. If any point bigger than 0.1mm2of one side then use item a to measure 如果雜質點大于0.1 mm2用第一條去量.3.C Zone, Class D (0.3mm²)C區,D等級The total numbers of one side can’t over ten points and the distance betweenpoint must over 10mm在10mm 以內雜質點的數量不允許超過2點. 單面不超過10點.。
1目的定义塑料类制品质量标准,为检验员提供塑料类制品检验与判定的参考依据,同时是对塑料类制品供应商质量要求认知的准则。
2适用范围适用于我司所有产品。
3 职责由品管部负责制定、实施并维护,本规范的解释权归品管部。
4 定义4.1缺陷:影响产品的安全性能,或产品实用性能不能达到所期望的目标,或显著的降低其使用性质,或不影响产品的实用性但影响产品外观的缺点。
4.2塑料制品外观缺陷4.2.1缺胶---射胶量不足,制件缺料或不饱满。
4.2.2披锋---分模面溢出的多余塑料。
4.2.3缩水---材料冷却收缩造成的表面凹陷。
4.2.4凹痕---制件受挤压、碰撞引起的表面凹陷。
4.2.5凸起---制件受挤压、碰撞引起的表面隆起。
4.2.6融接痕/结合线---塑料分支流动重新结合的发状细线。
4.2.7合模线/模印---挤压塑料在端面所形成的突出线条。
4.2.8水纹---射胶时留在制件表面的条纹。
4.2.9拖伤---开模时分模面或皮纹拖拉制件表面造成的划痕。
4.2.10浅划痕---手指甲触摸无凹凸感。
4.2.11深划痕---手指甲触摸有凹凸感。
4.2.12变形---制件出现弯曲、扭曲、拉伸现象。
4.2.13顶白---颜色泛白,常出现在模具顶针顶出位置。
4.2.14斑点---与周围颜色有差异的点状缺陷。
4.2.15油污---脱模剂、顶针油、防锈油造成的污染。
4.2.16烧焦---塑料燃烧变质,通常颜色发黄,严重时炭化发黑。
4.2.17断裂---局部材料分离本体。
4.2.18开裂---制件本体可见的裂纹。
4.2.19气泡---透明制品内部形成的中空。
4.2.20色差---实际颜色与标准颜色的差异。
4.2.21修饰不良---修除制件毛边、披锋时过切或未修除干净。
4.2.22雾状---透明塑料表面上的模糊、不清晰、不光亮的现象。
4.3喷油与电镀涂层外观缺陷:4.3.1浅划痕---目测不明显、手指甲触摸无凹凸感、未伤及材料本体的伤痕。
塑胶五金产品检验标准
一、目的
确定塑胶/五金件品质合乎要求与否之客观依据,尽可能避免主观判定,保证产品品质.
二、范围.
适用于厂内所有品质过程中的塑胶/五金件产品的检验.
三、定义:
缺点的定义:
致命缺陷(CR): 对使用者或携带者生命安全造成威协,或造成财产损失之缺陷.
严重缺陷(MA): 达不到产品使用的预期目的或显著低其实用性.
轻微缺陷(MI): 使用之性能不影响产品功能,虽与规格不符,但在使用和操作效用上并无影响.
四、条件
4.1 外观检查需在300 ~ 1000 lux(勒克斯) 光线下进行, 目测距离为
25~35cm.裸眼或正常视力1.0以上
4.2 检测视角为±45度角, 缺陷在10秒内发现.
4.3 检测方式包括目测及工具测量.
五、抽样标准
5.1MIL-STD-105EⅡ级检验标准,AQL值为(MA:0.65 MI:1.0)
5.2将部品依据装配区域的外观重要性画分为三等级,单体部件以外观等级区
分,组装部件则以区域区分,相关定议如下表:
六、检验标准。
五金件、塑胶件外观检验标准五金件\塑胶件外观检验标准1目的本标准定义五金件、塑胶件产品外观品质的基本要求,并确立允收、拒收的准则。
2适用范围本标准适用于公同现有产品所使用的五金件和塑胶件。
3职责和权限3.1 开发部:对本标准的制定提出指导并提供相关的设计要求。
3.2 生产部:负责对本标准提出改善建议。
3.3 品质部:负责本标准的制定和升级换版。
4定义4.1 表面重要度定义A级面:产品正常使用时经常看到的面,如面板,前壳,产品的上表面、正面。
B级面:产品正常使用时不经常看到的面,如产品的后面、侧面等。
C级面:产品在移动或被打开时才能看到的面,如产品的底面,内部零件的表面等。
4.2 缺陷定义4.2.1 五金件(包括喷粉、丝印)常见外观缺陷定义4.2.1.1 变形:零件整体或局部有弯曲、凹凸、不平、不直,有明显的形位偏移。
4.2.1.2 毛刺:金属表面、边缘出现余屑和表面极细小的金属颗粒。
4.2.1.3 压痕:零件表面的呈不规则的浅沟。
4.2.1.4 生锈/氧化:暴露在空气中的金属表面发生的化学反应。
4.2.1.5 零件松脱:冲压螺母、螺柱等松动、脱落,铆钉松脱等。
4.2.1.6 划伤:由尖锐物件在零件表面造成的沟痕。
4.2.1.7 软划伤:沒有明显深度的划痕(无手感,但肉眼能明显看出)。
4.2.1.8 露底:露底为该喷的部位没喷或喷涂厚度过薄,可看见底色。
4.2.1.9 气泡:有气泡或无附着力的喷涂区域。
4.2.1.10 杂质:喷涂面上的外来物。
4.2.1.11流痕:喷涂涂料过多且不均匀干燥后导致的流痕。
4.2.1.12尺寸偏差:因加工设备的精度不够,导致产品尺寸偏差超过设计允许水平。
4.2.1.13色差:同一产品上喷涂面颜色不一致或同一批产品里喷涂颜色不一致。
4.2.1.14 丝印不完整:字体、符号、图案印刷不完整4.2.1.15 锯齿边状:字体、符号、图案边缘不圆滑,拖尾。
4.2.1.16 字体倾斜:字体、符号、图案丝印倾斜。
塑胶件外观质量检验标准一、目的:为检验过程中对产品可见表面质量有一个统一的判断依据。
二、适用范围:适用我司所有的塑胶件在进货检验、过程检验及成品检验之用。
三、塑胶表面分类:3.1检查面-指产品能看见的表面,它包括正面、侧面和底面三个表面。
3.2正面-指在最经常能被看到的主面。
3.3侧面-指要在某种方向的视线才能看到的表面。
3.4底面-指很少被见到或要在拆装时才能见到的表面。
(如图所示):四、缺陷释解:是指加工成型后的零件,存在某种不良现象和问题点。
它分别包括致命、严重和轻微三种不同程度的不良现象。
4.1致命缺陷(CRI ):是指引起顾客退货、抱怨及在过程中会出现危害和涉及人身安全的缺点。
4.2严重缺陷(MAJ ):是指对产品的使用性能有影响或降低其使用性能缺点。
4.3轻微缺陷(MIN ):是指对产品的使用功能无影响的缺点。
五、检查条件: A BB BCBA :正面B :侧面C :底面或内面5.1检查的环境5.1.1环境光亮度应在600-1000LUX的光线,且光源应高于检查者的头部。
5.1.2环境四周不能有反光面。
5.1.3人眼与被测的零件的距离应保证在40cm,且与检测零件的角度为45°,(如图所示)5.3接受标准:见6.1表格所示40CM455.4检查范围时间如下:检测面正面侧面底面时间10秒5秒5秒六、缺陷判定标准:以下判定标准只用于正面检查,而侧面检查缺陷大小及数目在正面的基础上×2。
对于底面的检查缺点大小及数目在正面的基础上×3,夹水纹及变形除外。
对不影响装配的底面不作严格要求。
检查判定中“接受”代表此缺点状态可接受;检查判定中“严重(MA)”代表此缺陷状态按AQL1.0来检验判定;检查判定中“轻微(MI)”代表此缺陷状态按AQL4.0来检验判定。
6.1塑胶件外观检查标准如下表:项目缺陷名称缺点状态检查工检查判定。
塑胶件检验标准1目的本标准为IQC对塑胶(包括五金件)来料检验、测试提供作业方法指导。
2适用范围本标准适用于所有须经IQC检验、测试塑胶(包括五金件)来料的检测过程。
3职责IQC检查员负责按照本标准对相关来料进行检验、测试。
4工具4.1卡尺(精度不低于0.2mm)。
4.2打火机。
5外观缺陷检查条件5.1 距离:肉眼与被测物距离30CM。
5.2 时间:10秒钟内确认缺陷。
5.3 角度:15-90度范围旋转。
5.4 照明:60W日光灯下。
5.5 视力:1.0以上(含较正后)。
6检验项目及要求6.1塑壳6.1.1外观a.所有外观面光滑过渡、无注塑不良。
b.外观面无划伤、痕迹、压痕。
c.非喷涂面不能有喷涂印。
d.喷涂均匀完整、不粗糙、无暗纹、亮斑,不能有局部堆积,少油,纤维丝。
喷涂是否牢固,硬度是否符合要求。
e.喷涂层色差光泽均匀、光亮。
6. 1.2尺寸测量下列尺寸,所有尺寸均须同图纸吻合或与样板一致。
a.五金槽的尺寸。
b.外型轮廓。
c.定位孔位置d.特殊点位置及规格(超声线)。
6.1.3材质a.原材料是符合相关设计要求。
b.防火材料应用打火机做实验(需在确保安全的条件下进行)。
6.1.4试装配a.将胶壳与相应的保护板、五金、支架等配件试装应配合良好。
b.必要时应取1-3个胶壳试超声,超声缝隙应均匀一致,焊接良好。
6.2五金件6.2.1尺寸测量五金的尺寸,须与样品或BOM一致。
6.2.2外观目测检查五金的色泽是否与样品一致,是否有划伤、变形,电镀层脱落等。
7检验方法7.1外观使用目测法检查被检品的外观。
7.2尺寸使用卡尺测量被检品的尺寸。
8塑壳表面分类A面:塑壳壳面;B面:塑壳底面。
9等级分类A级:公司所生产原配、原装产品的塑壳和五金来料;B级:公司所生产自有品牌或类似产品塑壳和五金来料;C级:以客户所承认样品生产的产品的塑壳和五金来料。
10 质量评定10.1检验办法塑胶(包括五金件)来料按按GB/T 2828-87 正常检查一次抽样方案II级检查水平进行抽样检查。
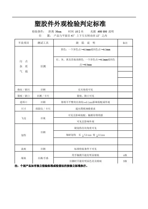
塑胶件外观检验判定标准
检验条件: 距离 30cm 时间 10 S 内 光源 :600-800 流明
位 置: 产品与平面呈45°上下左右转动在15°之内
注:个别产品如有独立检验标准或检查法的按独立标准执行。
不良项目
测试工具
缺 陷 说 明
备注
污 点 杂 质 气 泡
目测
黑色:一个异色点>=0.3mm 或同色点>=0.5mm
红、灰、黄及其他浅颜色: 一个异色点>=0.2mm 或同色
点>=0.3mm
指纹/脏污 目测 反光角度可见 裂痕/缺口 目测/卡尺
裂痕,缺口可见
进料口 目测 修剪不平整突出部份>=0.1mm 影响装配或外观
尺寸
投影仪/卡尺
超出图纸规格要求
飞边 目视
可见且影响装配、触摸有锋利感
可见且影响外观 划伤
目测
硬划伤任何角度可见
细碎划伤 长 > 5.0 mm 宽 > 0.1mm
流痕 目测 标准检验条件下可见 缩痕 目测/手感
用手触摸不能有明显缩痕
1级 目测时不能有明显色差及缩痕
2级。
塑胶件/五金件检验标准撰写人:刘琪峰塑胶件外观五金件检验标准一、目的:1.1为规范塑料外观五金件检验标准,确保产品质量要求。
二、职责:2.1本标准必须经由培训合格之检验人员执行2.2检验中如有疑问及争执,须由相关负责人协调处理。
2.3若出现本标准中未涉及的项目,应立即通知相关负责人修改或增加标准。
,三、参考文件:3.1 GSM FQA外观检验标准3.2客户要求的相关文件四、缺陷定义4.1 点(含杂质):具有点的形状,测量时以其最大直径为其尺寸4.2 毛边:在塑料零件的边缘或结合线处线性凸起 (通常为成型不良所致)4.3 银丝:在成型中形成的气体使塑料零件表面退色(通常为白色)。
这些气体大多为树脂内的湿气,某些树脂易吸收湿气,因此制造前应加入一道干燥工序4.4气泡:塑料内部的隔离区使其表面产生圆形的突起4.5变形:制造中内应力差异或冷却不良引起的塑料零件变形4.6顶白:成品被顶出模具所造成之泛白及变形﹐通常发生在顶出稍的另一端(母模面)4.7缺料:由于模具的损坏或其他原因﹐造成成品有射不饱和缺料情形.4.8断印:印刷中由于杂质或其他原因造成印刷字体中的白点等情况。
4.9漏印:印刷内容缺划或缺角或字体断印缺陷大于0.3mm,也被认为有漏印。
4.10色差:指实际部品颜色与承认样品颜色或色号比对超出允收值。
4.11同色点 : 指颜色与部品颜色相接近的点;反之为异色点。
4.12流水纹:由于成形的原因﹐在浇口处留下的热溶塑料流动的条纹4.13熔接痕:由于两条或更多的熔融的塑料流汇聚,而形成在零件表面的线性痕迹4.14装配缝隙:除了设计时规定的缝隙外,由两部组件装配造成的缝隙4.15细碎划伤:无深度的表面擦伤或痕迹 (通常为手工操作时造成)4.16硬划伤:硬物或锐器造成零件表面的深度线性伤痕 (通常为手工操作时造成)4.17凹痕缩水:零件表面出现凹陷的痕迹或尺寸小于设计尺寸 (通常为成型不良所致)4.18颜色分离:塑料生产中,流动区出现的条状或点状色痕(通常由于加入再生材料引起)4.19不可见:指瑕疵直径<0.03mm为不可见,透明区除外(依每部品材料所订定之检测距离)4.20碰伤:产品表面或边缘遭硬物撞击而产生的痕迹4.21油斑:附着在对象表面的油性液体4.22漏喷:应喷漆之产品表面部份因异常原因而导致油漆没有喷到露出底材之现象 4.23修边不良:产品边缘处因人工修边而产生缺口等不规则形状4.24毛屑:分布在喷漆件表面的线型杂质。
五金件\塑胶件外观检验标准1目的本标准定义五金件、塑胶件产品外观品质的基本要求,并确立允收、拒收的准则.2适用范围本标准适用于公同现有产品所使用的五金件和塑胶件。
3职责和权限3。
1 开发部:对本标准的制定提出指导并提供相关的设计要求。
3.2 生产部:负责对本标准提出改善建议。
3。
3 品质部:负责本标准的制定和升级换版。
4定义4.1 表面重要度定义A级面:产品正常使用时经常看到的面,如面板,前壳,产品的上表面、正面。
B级面:产品正常使用时不经常看到的面,如产品的后面、侧面等。
C级面:产品在移动或被打开时才能看到的面,如产品的底面,内部零件的表面等。
4.2 缺陷定义4。
2.1 五金件(包括喷粉、丝印)常见外观缺陷定义4。
2.1。
1 变形:零件整体或局部有弯曲、凹凸、不平、不直,有明显的形位偏移。
4。
2.1。
2 毛刺:金属表面、边缘出现余屑和表面极细小的金属颗粒。
4.2.1.3 压痕:零件表面的呈不规则的浅沟。
4.2.1.4 生锈/氧化:暴露在空气中的金属表面发生的化学反应。
4。
2.1。
5 零件松脱:冲压螺母、螺柱等松动、脱落,铆钉松脱等。
4.2.1.6 划伤:由尖锐物件在零件表面造成的沟痕。
4。
2.1。
7 软划伤:沒有明显深度的划痕(无手感,但肉眼能明显看出)。
4。
2。
1。
8 露底:露底为该喷的部位没喷或喷涂厚度过薄,可看见底色。
4。
2。
1。
9 气泡:有气泡或无附着力的喷涂区域。
4.2.1。
10 杂质:喷涂面上的外来物。
4.2。
1.11流痕:喷涂涂料过多且不均匀干燥后导致的流痕。
4.2.1。
12尺寸偏差:因加工设备的精度不够,导致产品尺寸偏差超过设计允许水平。
4。
2.1.13色差:同一产品上喷涂面颜色不一致或同一批产品里喷涂颜色不一致。
4。
2。
1.14 丝印不完整:字体、符号、图案印刷不完整4.2。
1.15 锯齿边状:字体、符号、图案边缘不圆滑,拖尾。
4.2。
1。
16 字体倾斜:字体、符号、图案丝印倾斜。
塑胶件的检验标准工具:卡尺(精度不低于0.2mm)、打火机、外观缺陷检查条件、距离:肉眼与被测物距离30CM;时间:10秒钟内确认缺陷;角度:15-90度范围旋转;照明:60W日光灯下;视力:1.0以上(含较正后)。
检验项目及要求一、塑壳(一)外观a.所有外观面光滑过渡、无注塑不良;b.外观面无划伤、痕迹、压痕;c.非喷涂面不能有喷涂印;d.喷涂均匀完整、不粗糙、无暗纹、亮斑,不能有局部堆积,少油,纤维丝。
喷涂是否牢固,硬度是否符合要求;e.喷涂层色差光泽均匀、光亮;(二)尺寸测量下列尺寸,所有尺寸均须同图纸吻合或与样板一致。
a.五金槽的尺寸;b.外型轮廓;c.定位孔位置;d.特殊点位置及规格(超声线)。
(三)材质a.原材料是符合相关设计要求。
b.防火材料应用打火机做实验(需在确保安全的条件下进行)。
(四)试装配a.将胶壳与相应的保护板、五金、支架等配件试装应配合良好。
b.必要时应取1-3个胶壳试超声,超声缝隙应均匀一致,焊接良好。
二、五金件(一)尺寸测量五金的尺寸,须与样品或BOM一致。
外观目测检查五金的色泽是否与样品一致,是否有划伤、变形,电镀层脱落等。
检验方法使用目测法检查被检品的外观。
尺寸使用卡尺测量被检品的尺寸。
塑壳表面分类A面:塑壳壳面;B面:塑壳底面。
等级分类A级:公司所生产原配、原装产品的塑壳和五金来料;B级:公司所生产自有品牌或类似产品塑壳和五金来料;C级:以客户所承认样品生产的产品的塑壳和五金来料。
质量评定检验办法塑胶(包括五金件)来料按按GB/T 2828-87 正常检查一次抽样方案II级检查水平进行抽样检查。
缺陷分类A级来料附件一执行。
B级来料参照附件二执行。
C极来按客户承认样品进行检验。
塑胶验货标准1、目的:本规范旨在定义**公司品质标准,对胶塑产品检验与判定的依据,同时为客户及协力厂商对本公司品质要求认知准则。
2、适用范围:本公司生产或加工组装所需塑胶件产品皆适用之。
表面处理(含烤漆/喷漆/印刷/电镀/阳极)外观要求1.水印在外观面不允许,非外观面可接受. 1.水印在外观面不允许,非外观面可接受.不管控.2.脱皮现象不允许 2.脱皮现象不允许 2.脱皮现象不允许3.膜厚/盐务试验/折弯测试依<进料检验标准>要求执行.3.膜厚/盐务试验/折弯测试依<进料检验标准>要求执行. 3.膜厚/盐雾试验/折弯测试依<进料检验标准>要求执行.1.掉漆不允许 1.掉漆不允许 1.掉漆不允许2.百格测试/附着力测试/折弯测试依<进料检验标准>要求执行. 2.百格测试/附着力测试/折弯测试依<进料检验标准>要求执行. 2.百格测试/附着力测试/折弯测试依<进料检验标准>要求执行.1.漏白:印刷断线/不完整造成.1.线宽H 在0~2mm,漏白处x≤1/4H,距离>100mm 允许2处.2.线宽H 在2~20mm,漏白处x ≤0.5mm,距离>100mm 允许2处.3.线宽H 大于20mm,漏白处x ≤1.0mm,距离>100mm 允许2处.1.线宽H 在0~2mm,漏白处x≤1/4H,距离>100mm 允许2处.2.线宽H 在2~20mm,漏白处x ≤0.5mm,距离>100mm 允许2处.3.线宽H 大于20mm,漏白处x ≤1.0mm,距离>100mm 允许2处.1.线宽H 在0~2mm,漏白处x≤1/4H,距离>100mm 允许2处.2.线宽H 在2~20mm,漏白处x ≤0.5mm,距离>100mm 允许2处.3.线宽H 大于20mm,漏白处x ≤1.0mm,距离>100mm 允许2处.2.浓淡不均:印刷颜色浓淡不均匀.1.线宽H 在0~2mm,h=H,允许1处.2.线宽H 在2~20mm,h=2*2mm ,允许1处.3.线宽H 大于20mm,h=3*3mm,允许1处.1.线宽H 在0~2mm,h=H,允许1处.2.线宽H 在2~20mm,h=2*2mm ,允许1处.3.线宽H 大于20mm,h=3*3mm,允许1处.1.线宽H 在0~2mm,h=H,允许1处.2.线宽H 在2~20mm,h=2*2mm ,允许1处.3.线宽H 大于20mm,h=3*3mm,允许1处.3.溢墨:印刷油墨溢出. 1.线宽H 在0~2mm,溢墨处x≤1/4H,距离>100mm 允许2处.2.线宽H 在2~20mm,溢墨处x ≤0.3mm,允许1处.3.线宽H 大于20mm,溢墨处x ≤0.5mm,允许1处.1.线宽H 在0~2mm,溢墨处x≤1/4H,距离>100mm 允许2处.2.线宽H 在2~20mm,溢墨处x ≤0.3mm,允许1处.3.线宽H 大于20mm,溢墨处x ≤0.5mm,允许1处.1.线宽H 在0~2mm,溢墨处x≤1/4H,距离>100mm 允许2处.2.线宽H 在2~20mm,溢墨处x ≤0.3mm,允许1处.3.线宽H 大于20mm,溢墨处x ≤0.5mm,允许1处.4.残墨:印刷油墨喷出残留.1.¢<0.15mm,允许3点,距离大于20mm.2.0.3<¢<0.15mm,允许2点,距离大于20mm..3.¢>0.3mm,不允许.1.¢<0.15mm,允许5点,距离大于20mm..2.0.3<¢<0.15mm,允许3点,距离大于20mm..3.0.5<¢<0.3mm,允许1点,距离大于20mm..3.¢>0.5mm,不允许.不管制.烤漆(喷漆)件掉漆/百格测试/附着力测试/折弯测试1.掉漆:表面烤漆(喷漆)层掉落能看到产品内层.印刷漏白/浓淡不均/溢墨/残墨/杂点/偏移/倾斜/附着力测试/耐磨测试电镀水印不良/脱皮/膜厚/盐务试验/折弯测试1.水印:因产品经电镀后因水份烘干不够形成水纹状.2.脱皮:因镀层附着不够,电镀层自然或受力后镀层与产品分离现象.5.杂点:印刷表面附着异物.1.线宽H在0~2mm,¢0.2mm,距离>100mm允许2处.2.线宽H在2~20mm,¢0.3mm,距离>100mm允许2处.3.线宽H大于20mm,¢0.5mm,距离>100mm允许2处.1.线宽H在0~2mm,¢0.2mm,距离>100mm允许2处.2.线宽H在2~20mm,¢0.3mm,距离>100mm允许2处.3.线宽H大于20mm,¢0.5mm,距离>100mm允许2处.1.线宽H在0~2mm,¢0.2mm,距离>100mm允许2处.2.线宽H在2~20mm,¢0.3mm,距离>100mm允许2处.3.线宽H大于20mm,¢0.5mm,距离>100mm允许2处.6.偏移:相邻文字偏移.1.文字间距P≤5mm,允许偏移量x≤0.1mm. 2.文字间距P5~10mm,允许偏移量x≤0.2mm. 3.文字间距P10~20mm,允许偏移量x≤0.3mm. 4.文字间距P20~100mm,允许偏移量x≤0.4mm. 5.文字间距P>100mm,允许偏移量x≤0.6mm.1.文字间距P≤5mm,允许偏移量x≤0.1mm. 2.文字间距P5~10mm,允许偏移量x≤0.2mm. 3.文字间距P10~20mm,允许偏移量x≤0.3mm. 4.文字间距P20~100mm,允许偏移量x≤0.4mm. 5.文字间距P>100mm,允许偏移量x≤0.6mm.1.文字间距P≤5mm,允许偏移量x≤0.1mm. 2.文字间距P5~10mm,允许偏移量x≤0.2mm. 3.文字间距P10~20mm,允许偏移量x≤0.3mm. 4.文字间距P20~100mm,允许偏移量x≤0.4mm. 5.文字间距P>100mm,允许偏移量x≤0.6mm.7.倾斜:字串偏移基准线,上下左右位置不符.1.文字长度L≤5mm,允许偏移量x≤0.1mm. 2.文字长度L5~10mm,允许偏移量x≤0.2mm. 3.文字长度L10~20mm,允许偏移量x≤0.3mm. 4.文字长度L20~100mm,允许偏移量x≤0.4mm. 5.文字长度L>100mm,允许偏移量x≤0.6mm.1.文字长度L≤5mm,允许偏移量x≤0.1mm. 2.文字长度L5~10mm,允许偏移量x≤0.2mm. 3.文字长度L10~20mm,允许偏移量x≤0.3mm. 4.文字长度L20~100mm,允许偏移量x≤0.4mm. 5.文字长度L>100mm,允许偏移量x≤0.6mm.1.文字长度L≤5mm,允许偏移量x≤0.1mm. 2.文字长度L5~10mm,允许偏移量x≤0.2mm. 3.文字长度L10~20mm,允许偏移量x≤0.3mm. 4.文字长度L20~100mm,允许偏移量x≤0.4mm. 5.文字长度L>100mm,允许偏移量x≤0.6mm.生锈氧化产品表面被腐蚀,生锈.1.电镀层/烤漆层表面不允许.未经电镀或烤漆面切断面生锈面积不超过所有切断面的10%可接受.2.如产品有指定防锈处理产品不允许生锈. 3.如客户有特别要求时依客户定义管控.1.电镀层/烤漆层表面不允许.未经电镀或烤漆面切断面生锈面积不超过所有切断面的10%可接受.2.如产品有指定防锈处理产品不允许生锈. 3.如客户有特别要求时依客户定义管控.1.电镀层/烤漆层表面不允许.未经电镀或烤漆面切断面生锈面积不超过所有切断面的10%可接受.2.如产品有指定防锈处理产品不允许生锈. 3.如客户有特别要求时依客户定义管控.1.所有面不允许有湿状油污.1.所有面不允许有湿状油污.1.所有面不允许有湿状油污.2.表面油痕在外观面不可接受,非外观面可接受.2.表面油痕在外观面不可接受,非外观面可接受.2.表面油痕在外观面不可接受,非外观面可接受.色差与样品确认颜色是否一致1.与标准样对比,色差值△E<1.0以内可接受. 2.△E>1.0不可接受.1.与标准样对比,色差值△E<1.0以内可接受. 2.△E>1.0不可接受.不管控色差.裂痕/裂缝如凸包裂/折弯裂/拉深开裂等不允许不允许不允许变形产品结构形状况发生变异不允许不允许不影响到组装功能及不可影响到外观面可接受.油污1.湿状油污:表面未经洗油或因洗不掉留在产品上的油污.2.表面油渍/油痕:经清洗后留下油印痕迹,手摸无湿状.印刷漏白/浓淡不均/溢墨/残墨/杂点/偏移/倾斜/附着力测试/耐磨测试。
五金件\塑胶件外观检验标准
1目的
本标准定义五金件、塑胶件产品外观品质的基本要求,并确立允收、拒收的准则。
2适用范围
本标准适用于公同现有产品所使用的五金件和塑胶件。
3职责和权限
3.1 开发部:对本标准的制定提出指导并提供相关的设计要求。
3.2 生产部:负责对本标准提出改善建议。
3.3 品质部:负责本标准的制定和升级换版。
4定义
4.1 表面重要度定义
A级面:产品正常使用时经常看到的面,如面板,前壳,产品的上表面、正面。
B级面:产品正常使用时不经常看到的面,如产品的后面、侧面等。
C级面:产品在移动或被打开时才能看到的面,如产品的底面,内部零件的表面等。
4.2 缺陷定义
4.2.1 五金件(包括喷粉、丝印)常见外观缺陷定义
4.2.1.1 变形:零件整体或局部有弯曲、凹凸、不平、不直,有明显的形位偏移。
4.2.1.2 毛刺:金属表面、边缘出现余屑和表面极细小的金属颗粒。
4.2.1.3 压痕:零件表面的呈不规则的浅沟。
4.2.1.4 生锈/氧化:暴露在空气中的金属表面发生的化学反应。
4.2.1.5 零件松脱:冲压螺母、螺柱等松动、脱落,铆钉松脱等。
4.2.1.6 划伤:由尖锐物件在零件表面造成的沟痕。
4.2.1.7 软划伤:沒有明显深度的划痕(无手感,但肉眼能明显看出)。
4.2.1.8 露底:露底为该喷的部位没喷或喷涂厚度过薄,可看见底色。
4.2.1.9 气泡:有气泡或无附着力的喷涂区域。
4.2.1.10 杂质:喷涂面上的外来物。
4.2.1.11流痕:喷涂涂料过多且不均匀干燥后导致的流痕。
4.2.1.12尺寸偏差:因加工设备的精度不够,导致产品尺寸偏差超过设计允许水平。
4.2.1.13色差:同一产品上喷涂面颜色不一致或同一批产品里喷涂颜色不一致。
4.2.1.14 丝印不完整:字体、符号、图案印刷不完整
4.2.1.15 锯齿边状:字体、符号、图案边缘不圆滑,拖尾。
4.2.1.16 字体倾斜:字体、符号、图案丝印倾斜。
4.2.1.17 丝印颜色不对:油墨颜色不对。
4.2.2 塑胶件(包括喷油、丝印)常见外观缺陷定义
4.2.2.1 缺料:塑件边缘光滑,形状不规则,有不齐整之感。
4.2.2.2 多料:塑件表面多出,一般在发生在塑件边缘等位置。
4.2.2.3 缩水:因部品收缩导致啤件表面凹痕,不平整,呈波浪状。
4.2.2.4 批锋:塑件边缘多出来的很薄的皮。
4.2.2.5 气泡:塑件表面有与周围颜色不同的泡泡,常见于透明部件。
4.2.2.6 黑点:啤件表面有黑色之点状杂质。
4.2.2.7 变形:塑件整体或局部不平、不直。
4.2.2.8 变色:与要求颜色不一致。
4.2.2.8 用错料:与规定用用料不同。
4.2.2.9 划伤:由尖锐物件在零件表面造成的沟痕。
4.2.2.10 露底:露底为该喷的部位没喷或喷涂厚度太薄,可看见底色。
4.2.2.11丝印不完整:字体、符号、图案印刷不完整。
4.2.2.12锯齿边状:字体、符号、图案边缘不圆滑,拖尾。
4.2.2.13字体倾斜:字体、符号、图案丝印倾斜。
4.2.2.14丝印颜色不对:油墨颜色不对。
5 检测条件
5.1 检验条件
5.1.1外观检验条件
5.1.1.1 光源:40W 至60W 日光灯下,并模拟最终使用条件下进行。
检测过程中不使用放大镜。
5.1.1.2目视角度:所检验表面和人眼呈45°角(如图1)。
5.1.1.3目视时间:10~30S 。
5.1.1.4:A 级面在检验时应转动,以获得最大反光效果。
B 级面和C 级面在检验时不必转动。
5.1.1.5:人眼距离500MM 。
光源=40W 日光灯
毫米
图1
5.1.2 检验工具
5.1.2.1)量测工具:精度为0.01mm 的游标卡尺、精度为0.1mm 的卷尺或钢板尺、精度为0.01mm 的塞尺、精度为0.01mm 的塞规、精度为0.01mm 的高度规、厚薄规、孔径规、3M 胶纸、盐雾测试箱、烤箱、恒温恒湿箱。
5.1.3 检验单位代码对照表
6五金件外观检验标准
6.1 允收总则
6.1.1 可接受的缺陷不能影响该零件的装配和功能,否则拒收。
6.1.2 缺陷允收定义了1250平方毫米的区域内各类缺陷的最大允收数量,对于较大的零件表面,可允收数量和该表面所含1250平方毫米区域数量成正比。
7 缺陷允收表
7.1 五金件(包括喷粉、丝印)表面缺陷允收表:
7.2 塑胶件(包括喷油、丝印)表面缺陷允收表:
8 喷涂附着力和丝印可靠度试验:
9 相关文件
9.1 《不合格品控制程序》
9.2 《标识和可追溯性控制程序》9.3 《记录控制程序》
9.4 《纠正预防措施控制程序》
9.5 《来料检验作业指导书》
10 相关记录
10.1 《IQC来料检验报告》
10.2 《生产异常质量报告单》。