锂亚硫酰氯电池知识
- 格式:doc
- 大小:187.00 KB
- 文档页数:10
3.6v硫亚硫酸酰氯电池随着现代科技的飞速发展,电池作为能源供应的重要部分,在各个领域都发挥着至关重要的作用。
其中,3.6V硫亚硫酸酰氯电池以其独特的化学特性和较高的电压输出,在众多电池类型中脱颖而出。
本文将详细探讨3.6V硫亚硫酸酰氯电池的工作原理、结构特点、性能优势、应用领域以及未来发展趋势,旨在为读者提供全面、深入的了解。
一、工作原理3.6V硫亚硫酸酰氯电池(简称Li/SOCl₂电池)是一种基于锂金属负极、硫亚硫酸酰氯(SOCl₂)正极和无机盐电解质的高能电池。
其工作原理主要依赖于锂金属与硫亚硫酸酰氯之间的化学反应。
在放电过程中,锂金属负极失去电子,形成锂离子;而硫亚硫酸酰氯正极则接受这些电子,发生还原反应。
这一过程中,电解质起到传递锂离子的作用,确保电池内部反应的持续进行。
具体反应方程式如下:负极反应:Li → Li⁺ + e⁻正极反应:2SOCl₂ + 4e⁻→ 4Cl⁻ + S + SO₂总反应:4Li + 2SOCl₂→ 4LiCl + S + SO₂需要注意的是,硫亚硫酸酰氯电池在放电过程中会产生二氧化硫气体,因此在使用时需要确保电池密封性良好,避免气体泄漏。
二、结构特点1.电池外壳:3.6V硫亚硫酸酰氯电池通常采用金属外壳,如不锈钢或铝合金,以确保电池的机械强度和密封性。
2.正负极材料:负极采用高纯度的锂金属,具有较高的电化学活性和较低的电极电位;正极则为硫亚硫酸酰氯,具有较高的电化学稳定性和较宽的电压平台。
3.电解质:电解质通常采用无机盐溶液,如氯化锂(LiCl)等,具有良好的离子导电性和化学稳定性。
4.隔膜:隔膜位于正负极之间,起到隔离正负极材料并允许锂离子通过的作用。
隔膜通常采用聚烯烃或多孔陶瓷材料,具有较高的机械强度和化学稳定性。
三、性能优势高电压输出:3.6V硫亚硫酸酰氯电池具有较高的电压输出,能够满足许多高功率设备的需求。
1.长储存寿命:该电池在储存过程中自放电率极低,因此具有较长的储存寿命。
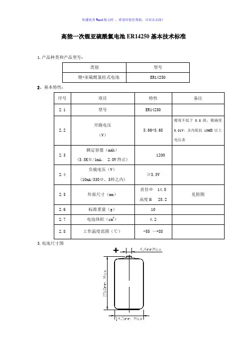
高能一次锂亚硫酰氯电池ER14250基本技术标准1.产品种类和产品型号:
2、基本特性:
3.电池尺寸图
4.外观:电池表面无划伤、裂纹、脏污、变形及电解液泄漏等缺陷。
焊脚焊点清晰、平整、牢固,无氧化、虚焊、断裂、脱落等不可靠现象。
5、标示日期编码:
在电池外套标贴上标示生产日期。
方法:MM—YY 月—年
年
月
6.性能
10mA/330欧姆测试性能≥70h,工作中点电压≥3.35 V。
8mA/428欧姆测试性能≥95h,工作中点电压≥3.40V。
7.安全
7.1符合UL1642安全标准
7.2符合UN38.3安全运输标准
7.3符合欧标CE标准
7.4符合RoHS指令,无有毒有害物质
7.5提供MSDS(材料说明)资料
8.运输包装:
-电池在运输过程中,应避免日晒、火烤、雨淋、水浸及与腐蚀性物质放在一起。
-运输和装卸中的冲击、震动应限制在最小程度。
-对于纸质的包装箱堆放高度不超过 1.5 米时,包装无变形、破损、散落。
防水、防潮包装
-电池长途运输时,如是船运,应放在远离发动机的地方;夏季不应该长期滞留在不通风的环境内。
锂亚硫酰氯电池
锂亚硫酰氯电池是一种全新的电池,被誉为21世纪的能源转换
技术。
这种电池可以实现从太阳能、风能和水力能量转换到可以在空间和时间上使用能源的电能储存与转换。
锂亚硫酰氯电池有很多优点,特别是它的能量密度高、运行温度宽、安全性好和价格低,这些性能使得它成为当前主流的储能技术。
锂亚硫酰氯电池是一种采用锂离子电池技术的可充电电池,其锂离子储能器中的锂离子在充电的过程中,通过电池的特定化学反应转化得到电能,从而实现了能量的转化。
锂亚硫酰氯电池的主要原料是锂亚硫酰氯,它是一种含有锂离子的新型化学结构构成材料,具有良好的化学稳定性,能够保证电池的安全性及寿命。
因为锂亚硫酰氯电池具有高能量密度、运行温度宽、安全性好和价格低等优点,所以它广泛应用于能源发电、存储和转换领域。
在能源发电领域,锂亚硫酰氯电池可以存储可再生能源,从而有效地拓宽了太阳能发电的运行时间,从而节省资源和减少排放,同时也可以改善系统的可靠性和可用性。
另外,在能源储存领域,它可以有效储存太阳能、风能和水力能量,经过调制后可以用于普通电源。
在能源转换领域,它可以将太阳能、风能和水力能量转换成可以在时间和空间上使用的电能。
另外,锂亚硫酰氯电池还可以更有效的利用金属资源,使可再生能源在大规模普及,从而有效减少我们使用化石燃料对环境造成的污染。
它具有低温启动、低内阻、低报废率、低过充和短充电时间等特
点,能够更好的满足现代能源转换领域的需求。
因此,锂亚硫酰氯电池已经成为当今能源转换技术发展的主流。
它拥有出众的性能,能够实现可再生能源的转换与储存。
它的使用也可以减少我们使用化石燃料的不良影响,可以实现更加可持续的发展。
亿纬锂亚硫酰氯电池是一种新型的电池技术,它采用了硫酰氯(S2Cl2)作为正极材料,相较于传统的锂离子电池具有更高的能量密度和长循环寿命。
随着全球对电动汽车和储能技术需求的不断增长,亿纬锂亚硫酰氯电池作为一种新型的储能技术逐渐受到人们的关注。
国际标准在亿纬锂亚硫酰氯电池的研发、生产和应用过程中起着重要的作用。
本文将对亿纬锂亚硫酰氯电池国际标准的相关内容进行系统的介绍,以期为相关行业提供参考和借鉴。
一、国际标准的意义国际标准是为了促进技术的发展和应用,保护消费者的权益,促进国际贸易的发展而制定的。
在亿纬锂亚硫酰氯电池的生产和应用过程中,严格遵循国际标准可以保证产品的质量和安全,促进国际合作和交流,提高产品的竞争力和影响力。
二、亿纬锂亚硫酰氯电池国际标准的内容亿纬锂亚硫酰氯电池国际标准主要涉及以下几个方面的内容:1. 产品的定义和分类:国际标准对亿纬锂亚硫酰氯电池的产品范围、种类、型号进行了定义和分类,明确了产品的基本特性和用途。
2. 技术要求:国际标准对亿纬锂亚硫酰氯电池的技术参数、性能指标、生产工艺、质量控制等方面进行了详细的规定,确保产品的性能和质量达到国际标准要求。
3. 测试方法:国际标准规定了亿纬锂亚硫酰氯电池的测试方法和试验评定的程序,包括电池的容量测定、循环寿命测试、安全性能测试等,为产品的检验和评定提供了科学的依据。
4. 标志、包装和运输:国际标准还对亿纬锂亚硫酰氯电池的标志、包装和运输进行了规定,确保产品在交付和使用过程中的安全和可靠。
5. 环境保护和安全:国际标准对亿纬锂亚硫酰氯电池的环境保护和安全使用方面进行了规定,强调了生产和使用过程中对环境的保护和对人身安全的保障。
三、亿纬锂亚硫酰氯电池国际标准的意义和影响遵循国际标准对亿纬锂亚硫酰氯电池的生产和应用具有重要的意义和影响:1. 促进国际贸易:遵循国际标准可以消除贸易壁垒,提高产品的国际竞争力,促进亿纬锂亚硫酰氯电池产品的国际贸易。
放置10年依然可用的锂亚硫酰氯电池面向监测建筑物的劣化情况及耕地环境的无线传感器网络系统的电源用途,有一种在耗电量极小的情况下可使用10年的电池备受关注,那就是锂亚硫酰氯电池。
这就意味着锂亚硫酰氯电池的自然放电极少,即便放置10年,依然可以正常使用。
而一般大多数电池在没有负载的情况下也会自然放电,几年之后便无法使用了。
而且,这种电池的价格比利用热量、振动及光能等发电的能量采集设备更便宜。
“目前主要是使用锂亚硫酰氯电池作为无线传感器网络的电源”,大型半导体厂商凌力尔特科技的日本子公司——凌力尔特科技日本的地区统括销售经理小林纯一这样说道。
无线传感器网络在广大范围内铺设传感器、以无线方式发送温度等环境数据。
作为其电源,不需要更换电池的能量采集设备是很好的选择。
凌力尔特也在积极开发和销售用于能量采集设备的电源IC。
尽管如此,凌力尔特仍把目光投向了电池,小林经理解释了其中的原因:“能量采集设备是利用热量和振动来发电,所以有时会有发电量不均的现象,使用起来不方便。
尤其是工业用途,需要时必须使用可靠的电源。
很多用途都要求使用可在设计阶段提出定量性能指标的电池。
”当然,也有适合使用能量采集设备的用途。
但小林经理介绍说,如果能够降低模块的耗电量,很多用途使用长寿命电池就能满足需求。
对于讨厌自然环境不稳定而带来不确实性的系统设计人员来说,价格便宜且已被使用的电池是具有现实性的选择。
锂亚硫酰氯电池的内部构造利用电极表面的覆膜来抑制自然放电凌力尔特在数种电池中看中锂亚硫酰氯电池的理由正是这种电池的自然放电量很小的特点。
据介绍,若在完全不使用的情况下保存10年,常温下这种电池可保留初始容量的绝大部分。
销售这种电池的东芝家电公司的电池事业部员工大石浩巳表示,“每年的自然放电量在常温下仅为初始值的0.5%左右。
虽然放电量会随条件而不同,但自然放电比每年电量以2%的速度减少的二氧化锰锂电池还要少”。
锂亚硫酰氯电池自然放电少的原因是,电池内部正负极之间的自然反应很难顺利进行。
(锂-亚硫酰氯)电池锂-亚硫酰氯电池(Lithium Thionyl Chloride battery)是一种非充电电池,在工业、军事、航空航天、医疗等领域广泛应用。
它的电化学反应为:2Li+SOCl2=Li2S+Cl2↑。
亚硫酰氯(SOCl2)是一种极强的电负性化合物,可与锂离子(Li+)发生反应生成硫酰氯离子(LiCl)和亚硫酰离子(SO)。
两者再进一步反应生成硫酰氯离子(SOCl2)和锂离子(Li+)。
这个反应具有高电压、高能量密度、低自放电、宽工作温度范围、长工作寿命等优点。
锂-亚硫酰氯电池电压高,一般为3.6V。
它的能量密度为350Wh/kg,比铅酸电池高5倍左右,比镍镉电池高2.5倍左右。
同时,它的自放电率非常低,储存能力强,可以保存5年以上。
而且,它还具有很好的耐温性能,在-55℃~+85℃范围内仍然有很好的性能表现。
这些特性使它成为一个性能优良的电池。
锂-亚硫酰氯电池在航空航天领域得到广泛应用。
在宇航器、卫星和飞行器上,由于空间宝贵而且航行条件苛刻,一般使用最轻、最小、最耐高温和低温的LTC电池。
因为它被广泛应用于空间技术,被人们称为“宇宙电池”。
除了航空航天领域,锂-亚硫酰氯电池在工业、军事、医疗等领域也有广泛应用。
在石油、化工、核电等领域,锂-亚硫酰氯电池常常作为控制系统、安全设备以及电子仪器的电源。
在医疗设备方面,锂-亚硫酰氯电池在人工心脏、除颤器、心脏起搏器等医疗设备方面有广泛应用。
锂-亚硫酰氯电池在使用过程中需要注意,因为它的内部电压高,一旦接错极性,就会导致严重的电池泄漏等问题。
因此,在操作中,应按正确的极性操作,不要过度充电和过度放电。
总之,锂-亚硫酰氯电池是一种性能优良、应用广泛的电池,随着科技不断进步,它的应用范围将不断扩大,并得到更广泛的应用。
锂亚硫酰氯电池知识1、什么是锂亚硫酰氯电池标称电压为3.6V,以金属锂为负极,以亚硫酰氯为正极,采用无机电解液的锂原电池称为锂-亚硫酰氯电池。
2、产品分类2.1 按电池工作特性分为容量型(后缀符号缺省)功率型(后缀符号为M)高温型(后缀符号为S)2.2 型号说明E R □□□□□□表示电池工作特性表示电池高度,单位mm表示电池直径的整数部分,单位mm表示该种电池为圆柱形表示为锂-亚硫酰氯电池2.3标注示例ER14505M 表示为电池高度为50.5mm、直径为14mm的功率型圆柱形锂-亚硫酰氯电池。
2.4 主要规格型号容量型:ER13150、ER14250、ER14335、ER14505、ER18505、ER26500、ER34615;功率型:ER14250M、ER14335M、ER26500M、ER18505M、ER34615M高温型:ER13150S、ER14250S、ER14505S、ER26500S、ER34615S3、电池结构3.1 功率型电池的结构及材料:电池的正极材料是碳,负极材料是金属锂,电解液是亚硫酰氯,用玻璃纤维隔膜将正负极隔开。
电池的结构为卷绕式。
结构简图如下。
3.2容量型电池的结构及材料:电池的正极材料是碳,负极材料是金属锂,电解液是亚硫酰氯,用玻璃纤维隔膜将正负极隔开。
电池的结构为碳包式。
结构简图如下。
假盖钢壳绝缘垫片热缩套管(PVC )封口钢珠盖组绝缘垫片镍条负极(锂) 绝缘垫片PTC 隔膜正极电解液镍条电解液热收缩套管 (PVC ) 钢壳假盖绝缘垫片环氧树脂盖组负极(锂)顶膜边膜正极(碳包)封口钢珠底膜镍网4、电池特性:4.1 电池的比能量高达430Wh/kg(1000Wh/dm3),在各种锂电池中是最高的。
4.2 开路电压高,单粒电池高达3.6伏(V);工作电压高,工作电压随负荷变化,通常在3.2~3.6伏(V)之间。
4.3 自放电率低,年自放电率在2%以下;储存寿命长,室温下可储存10~15年。
4.4 使用温度范围宽广,一般使用温度在-55℃~+85℃之间。
4.5工作电压平稳。
90%以上的电池容量是在电压几乎不变的高电压平台上输出的。
4.6 一般以微电流连续长时间工作,并能提供中等电流脉冲,工作时间可长达8年。
4.7 电池本身有PTC保护片,电池短路在5S内电流降到<600mA,PTC通过400mA时压降小于0.04V。
5、电池使用注意事项:5.1 严禁短路,严禁充电。
5.2 严禁用户自行组合电池。
5.3 严禁过放电、挤压、焚烧或拆卸。
5.4 严禁在允许的温度范围之外使用或加热。
5.5 电池使用至终止电压时,应及时从仪器中取出。
5.6 不得直接在电池表面焊接,应使用预先装有导耳或引线的电池。
5.7 使用过的电池应按照当地环保规定处理,深埋于地下或投入深水中。
以上注意事项应严格遵守,以免电池操作、使用不当,导致电池鼓胀、泄露甚至起火或发生爆炸。
6、安全警示:6.1 使用前严格检查外包装,出现包装破损,要查清原因,不得轻易使用。
6.2 电池装机前,检查电池的开路电压、负荷电压以及有效期。
6.3 严禁将不同系列的电池、不同规格的电池混合串联使用。
6.4 不能随意在电池正负极端进行锡焊,在引出片上的锡焊要在几秒钟内完成。
6.5 电池放电至截止电压后,严禁继续使用。
6.6 报废电池的处理:将电池及时放入5%食盐水溶液中浸泡,将剩余电压放至0V ,然后集中在指定地点深埋于1米左右的地底下。
7、保护电路:8、为什么说锂电池是智能水表专用电池? 8.1 现代电子仪表需用电池做为主电源(IC 卡气、水、热表+读数器) 8、为什么锂电池是智能水表专用电池?8 应用说明8.1电子仪表中用电池作为主电源(IC 卡气、水、热表 + 读数器)和作为记忆后备和实时时钟电源(复费率电表)。
8.2 电子仪表为何使用锂电池?◆ 工作电压超过2V ;◆ 工作温度范围宽广;◆ 脉冲放电能力强;◆ 数年的工作寿命内可靠性高;◆ 安全性好;8.3 当前市场上有4种锂电化学体系:Li-SOCl2 (LS) , Li-SO2 (LO) , Li-MnO2 (CR) , Li-CFX (BR);ABLE 能提供其中的3项: Li-SOCl2, Li-SO2,Li-MnO2;ABLE 为多数仪表推荐使用Li-SOCl2电池;8.4 为什么是ABLE Li-SOCl2电池?◆ 高电压及稳定工作电压(开路电压 ≥3.66V ,负载电压≥ 3.2V );1、当锂电池不是线路中的唯一电源时, 电路1被推荐用以阻拦充电电流。
二 极管的最大漏电流应该小于20μA。
2、当两只电池串联使用时,两只电池 有互相强制过放电的可能。
这会引 起电池的反极。
电路2即被推荐防止 这类事情。
3、单只电池也不允许被过放电。
线路必须在截止电压(2.0V/只)前断 开。
电池线路保护电路1二极管主电源电路2电池1电池2负载二极管保护电阻锂电池二极管二极管◆功率型电池具备较大电流脉冲放电优势;◆更为宽阔的工作温度范围(-55/85℃);◆更高的容量(ER14250≥1.2AH ER14505≥2.4AH);◆更小的自放电,更长的贮存、使用寿命(小于2%,5~15年);◆更突出的安全性能(无运输限制,UL认证,符合EN50020“欧洲防爆电气标准”要求);◆良好的记录和口碑;8.5 仪表行业对锂电池应用的要求:◆电池预期寿命;◆脉冲时电压响应;◆工作温度范围;◆安全性;◆环境;◆旧电池处理;◆电池制造商的技术支持;8.5.1电池预期寿命取决于:①单体电池中的锂金属数量;②仪表消耗的电流;③在储存和使用时“自放电”消耗的容量。
电表常用:ABLE Li-SOCl2 14250 (1.1Ah、1.2Ah)水表常用:ABLE Li-SOCl2 14505 (2.0Ah、2.4Ah)ABLE Li-SOCl2 14250 在20℃储存时,年自放电率< 1%在45℃储存时自放电率是20℃时的2倍。
8.5.2脉冲时电压响应Li-SOCl2电池的寿命终点来得十分突然(其内阻的急剧增加),用纯电压读数展望早于5%的早期警告信号是困难的。
在有更多鉴别力的电流脉冲条件下,作出电压读数时,10%超前的信号是可能的8.5.3工作温度范围锂电池(一次性)能在宽广的温度范围内贮存和工作,特别是具有玻璃-金属的密封的Li-SOCl2电池,是唯一保证完美密封性和防止电解液损失的方法。
低温下:取决于密封结构(Li-SOCl2的气密密封无限制,而Li-MnO2的塑料密封易变脆,造成电液泄漏)(SOCl2的凝固点为-104℃,因此在-55℃仍然可以工作;而Li-MnO2的有机电解质易凝固,不适合在-20℃以下工作高温下:取决于密封结构(Li-SOCl2电池在120℃保持气密密封,而Li-MnO2的塑料/树脂密封易软化、开裂等)ABLE Li-SOCl2 储存:-55/+60℃工作:-55/+85℃8.5.4安全性安全性意味着在运输、贮存、操作、使用和处理过程中无电解液泄漏,电池泄放、解体(爆炸)或火焰之类不受欢迎的事件出现的能力。
在运输、贮存中:a)ABLE Li-SOCl2电池不受运输限制;b)以往无生产和运输过程中的不良记录;在正常使用中:a) 气密性封装结构保证电池无泄漏;b)常用的Li-SOCl2电池是碳包式结构,属“低功率”型。
万一误操作时,具有很好的安全性(短路时无泄漏、无爆炸,挤压时无爆炸、无起火);c)符合50020“欧洲防爆电气标准”的要求。
在滥用条件下:冲击、跌落、振动、撞击→无泄漏挤压、针刺→无爆炸、无起火在20℃下短路→I max 0.8A T max 85℃无泄漏,无爆炸充电→OK,如果充分小的/充分短的(UL:MH12609)加热→在85℃以下无泄漏安全性指南:a)了解并掌握锂电池的特性,正确使用;b)不要挤压、充电、拆卸、加热、焚烧或短路;c)对锂电池的合理保护。
8.6技术支持ABLE专攻专业用途,并惯于研究仪表项目ABLE的经验仪表项目需要长时间的预备讨论在项目启动后,最好尽早考虑电池的选择经常评估仪表电路特性和工作温度条件仪表行业在设计和使用电池中应注意的事项:(1)设计研发或设计人员选择电池应考虑:a) 工作电流b) 环境温度c) 终止电压d) 预期寿命(2)检验检验程序可根据用户而变化,但一般包括:a) 外观检验b) 尺寸检验c) 开路电压检验(检出异常:①零电压②低电压③高电压;电压表:阻抗≥100kΩ/V,精度≥0.5级)d) 负载电压检验(检查电池的良好工作和钝化状态)e) 放电检验(评价电池的容量:C = I×t (mAh)(3)贮存ABLE锂原电池的重要建议是简单的:阴凉、通风良好的条件和期限最好不超过3年。
在贮存的范围内,应用先进先出的原则(根据打印在外套管上的电池日期码)。
对于锂电池来说,在低温下贮存有助于延长电池的贮存寿命,低温下电池的自放电率大大下降,如-20℃时自放电率低于0.3%, 而高温下贮存电池的自放电率将大大上升,如60℃时将达到7%左右。
而且高温下电池的电压滞后现象将会非常严重,而低温下贮存电压滞后现象将会很轻微。
(4)操作锂电池的操作是安全的,只要注意防止机械损坏和偶发性的短路。
在使用中,请注意以下事项:用该电池前请勿除去原有包装;a)为避免短路,请勿散装电池;b)请勿加热超过85°C,或焚烧电池;c)请勿解剖电池;d)禁止给电池充电;e)请勿直接在电池体上焊锡(应使用带引出片电池焊锡);f)请勿混用新旧电池,或产地不同的电池;g)请勿反极。
8.7 常见问题(FAQ)在与大量客户进行沟通后,我们总结出如下一些常见的问题:a)开路电压不足:电池开路电压低于3.6V,这种情况表明电池容量已基本放完,产生这种情况的原因主要有三种:一是电池自身内部微短路导致电池自放电大;二是用户电路板功耗过大,电池容量消耗完;三是由于某些错误原因使电池一直处于大电流放电状态(如阀门开或关的动作不能停止),在短时间内电池容量就会消耗完。
b)电池开路电压正常、负载电压低并有上升:此种情况是由于电池的电压滞后所引起的,在8.8中将详细说明如何消除电压滞后的影响。
c)报警电压设定:在水表、气表电路中,由于带动阀门所需要的电流较大,此时电池电压也较低,而锂亚硫酰氯电池具有电压平台非常平稳的特点,前期电池电压不会有明显的变化,在电池放电末期时电池电压下降迅速,所以当在小电流(如微安级)工作时检测到电池电压下降到很低(3V 以下)时,此时电池以大电流(如100mA)脉冲,电压可能已经低于2V,在关闭或打开阀门时,就会由于电压过低而无法正常动作。
因此,我们建议在消除了电压滞后的前提下,电路对电池电压的检测以大电流脉冲时进行最准确。