倒虹吸设计汇总
- 格式:doc
- 大小:262.00 KB
- 文档页数:15
1. 引言 (4)2. 设计依据文件和规范 (4)3. 设计基本资料及主要参数 (4)4 设计一般原则 (9)5.布置要求与优化设计 (9)6.水力计算 (11)7.结构设计 (12)8.有关构造、细部结构 (16)9.观测设计 (16)10.技术专题研究 (17)11.工程量计算 (17)12.应提供的设计成果 (17)..................................1 引言格节河 倒虹吸管是 引汤 灌区(电站或其他工程)的 引汤 引水渠上(桩号33+800~36+466)的输水(引水)建筑物,位于 黑龙江 省 汤原 县(市) 胜利 乡的 格节河 ,对外交通为 公路 ,距 哈尔滨—罗北 公路里程约 2 km 。
按初步设计报告,本倒虹吸管经审定为:设计流量 17.31 m 3/s ,采用 方 形过水断面,管径(宽×高) 2.8×3 m ,根数 3 条,进出口设计水位差 0.54 m 。
管体采用 结构,设计最大水头 0.57m ,由进口段、管道、出口段及管道支承结构等建筑物组成,全长 242 m 。
22.1(1)初步设计文件(包括补充文件); 一、概况引汤灌区位于汤旺河下游松花江的北岸,黑龙江省汤原县境内,引汤灌区近期灌区范围,西起引汤渠首,东至乌龙河合阿凌达河,南起汤旺河、松花江交界,北至阶地的夹长条状,区内地形西北、东南低,地面坡度在1/5000左右。
近期灌区面积26.87万亩。
二、工程地质引汤灌区的总干渠和干渠均布设在阶地的边缘。
粘性土较厚,一般在2-4m 左右,其下层为中砂和砂砾石,除沟谷外地下水位较深,一般在4-6m ,大部分建筑物基础坐落在砂层上。
根据地质剖面图显示从上而下4-8米均为含壤土的细砾层,垂直渗透系数0.0865厘米/秒,渗透损失较大,休止角为水上35.5°、水下34°。
据《中国地震动参数区划图》(GB18306--2001),该区地震动峰值加速度0.05g ,相当于地震基本烈度为VI 度,地震动反应谱特征周期为0.35s 。
倒虹吸构造浇筑方案优选
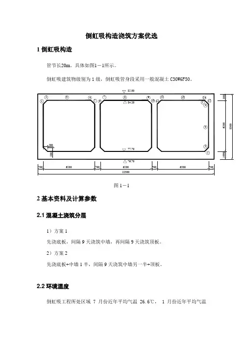
1倒虹吸构造
管节长20m。
具体如图1-1所示。
2基本资料及计算参数
2.1混凝土浇筑分层
1)方案1
先浇底板,间隔9天浇筑中墙,再间隔9天浇筑顶板。
2)方案2
先浇底板+中墙1半,间隔9天浇筑中墙另一半+顶板。
2.2环境温度
倒虹吸工程所处区域7月份近年平均气温26.6℃, 1月份近年平均气温
-2.7℃,极端最高气温42.7℃,极端最低气温-19.8℃。
本次仿真分析管段混凝土浇筑、养护期间环境温度如表1-1所示。
表1-1 管段浇筑、养护期间环境温度
注:表1-1中旳气温为每八小时实测气温旳平均值。
2.3计算参数
1)混凝土旳弹性模量
混凝土弹性模量采用下面旳公式计算。
0.52
0.28281t E t
E e
式中E t 为混凝土龄期t 时旳弹性模量,28E 为混凝土龄期28d 旳弹性模量,
1028
3.010E MPa ,t 为混凝土龄期,以d 计。
2) 混凝土绝热温升
混凝土绝热温升采用下面旳公式:。
倒虹吸设计1. 引言 (4)2. 设计依据文件和规范 (4)3. 设计基本资料及主要参数 (4)4 设计一般原则 (9)5.布置要求与优化设计 (9)6.水力计算 (11)7.结构设计 (12)8.有关构造、细部结构 (16)9.观测设计 (16)10.技术专题研究 (17)11.工程量计算 (17)12.应提供的设计成果 (17)21引言格节河倒虹吸管是引汤灌区(电站或其他工程)的引汤引水渠上(桩号33+800~36+466)的输水(引水)建筑物,位于黑龙江省汤原县(市)胜利乡的格节河,对外交通为公路,距哈尔滨—罗北公路里程约 2 km。
按初步设计报告,本倒虹吸管经审定为:设计流量 17.31 m3/s,采用方形过水断面,管径(宽×高) 2.8×3 m,根数 3 条,进出口设计水位差 0.54 m。
管体采用结构,设计最大水头 0.57m,由进口段、管道、出口段及管道支承结构等建筑物组成,全长 242 m。
2 设计依据文件和规范2.1 有关本工程主要文件(1)初步设计文件(包括补充文件);一、概况引汤灌区位于汤旺河下游松花江的北岸,黑龙江省汤原县境内,引汤灌区近期灌区范围,西起引汤渠首,东至乌龙河合阿凌达河,南起汤旺河、松花江交界,北至阶地的夹长条状,区内地形西北、东南低,地面坡度在1/5000左右。
近期灌区面积26.87万亩。
二、工程地质引汤灌区的总干渠和干渠均布设在阶地的边缘。
粘性土较厚,一般在2-4m左右,其下层为中砂和砂砾石,除沟谷外地下水位较深,一般在4-6m,大部分建筑物基础坐落在砂层上。
根据地质剖面图显示从上而下4-8米均为含壤土的细砾层,垂直渗透系数0.0865厘米/秒,渗透损失较大,休止角为水上35.5°、水下34°。
据《中国地震动参数区划图》(GB18306--2001),该区地震动峰值加速度0.05g,相当于地震基本烈度为VI度,地震动反应谱特征周期为0.35s。
水工建筑物——倒虹吸倒虹吸管是设置在渠道与河流、山沟、谷地、道路等相交处的压力输水建筑物。
它与渡槽相比,具有造价低、施工方便的优点,但水头损失较大,运行管理不如渡槽方便。
一般在下列情况时采用:1、渠道跨越宽深河谷,修建渡槽、填方渠道或绕线方案困难或造价高时;2、渠道与原有渠、路相交,因高差较小不能修建渡槽、涵洞时;3、修建填方渠道影响原有河道泄流等。
一、倒虹吸管的布置(一)管路布置倒虹吸管一般由进口、管身和出口三部分组成。
管路布置应根据地形、地质、施工、水力条件等分析确定。
总体布置的一般原则是:管身最短、岸坡稳定、管基密实,进出口连接平顺,结构合理。
根据流量大小及运用要求,可采用单管、双管或多管。
根据管路埋设情况及高差大小,倒虹吸管的布置形式可分为以下几种。
竖井式多用于压力水头较小(H<3~5m),穿越道路的倒虹吸。
这种形式构造简单、管路短。
进出口一般用砖石或混凝土砌筑成竖井。
竖井断面为矩形或圆形,其尺寸稍大于管身,底部设0.5m深的集沙坑,以沉积泥沙,并便于清淤及检修管路时排水。
管身断面一般为矩形、圆形或其他形式。
竖井式水力条件差,但施工比较容易,一般用于工程规模较小的倒虹吸管。
斜管式多用于压力水头较小,穿越渠道、河流的情况(图8-67)。
斜管式倒虹吸管构造简单,施工方便,水力条件好,实际工程中常被采用。
竖井式倒虹吸斜管式倒虹吸曲线式当岸坡较缓(土坡m>1.5~2.0,岩石坡m≥1.0)时,为减少施工开挖量,管道可随地面坡度铺设成曲线形。
管身常为圆形的混凝土管或钢筋混凝土管,可现浇也可预制安装。
管身一般设置管座。
当管径较小且土基很坚实时,也可直接设在土基上。
在管道转弯处应设置镇墩,并将圆管接头包在镇墩内。
为了防止温度引起的不利影响,减小温度应力,管身常埋于地下,为减小工程量,埋置不宜过深。
从已建倒虹吸管工程运行情况看,不少工程因温度影响或土基不均匀沉陷,造成管身裂缝,有的渗漏严重,危及工程安全。
目录一、工程概况 (1)二、施工安排 (1)1、管理人员配置 (1)1、施工组织机构配置人员管理.............................................. 错误!未定义书签。
2、施工安排 (1)3、工程进度计划 (2)三、施工工艺和方法 (3)1、施工工艺 (3)2、施工工艺要点 (3)四、回填 (6)五、确保安全施工的措施 (7)六、确保工程质量的措施 (9)1、避免砼圬工表面出现蜂窝、麻面的措施 (9)2、避免出现砼圬工缺棱掉角的措施 (10)3、避免砼圬工出现塑性裂缝的措施 (10)4、质量检验项目及标准 (10)七、确保环境保护、水土保持、文明施工的措施 (12)1、环境保护措施 (12)2、水土保持措施 (13)3、文明施工措施 (14)八、确保工期的措施 (14)九、冬季施工措施 (15)(一)混凝土工程冬季施工 (15)(二)钢筋工程冬季施工...................................................... 错误!未定义书签。
K76+800倒虹吸施工方案一、工程概况K76+800倒虹吸结构形式为1-φ1.2m,与路线交角0°,设计荷载公路-Ⅰ级,基底承载力要求不小于150kPa。
倒虹吸长度40m,填土高度2.0m,采用5m管节8节,进出口形式为竖井。
倒虹吸管节及竖井基础采用C20混凝土,管道围护、管枕及竖井采用C20钢筋混凝土。
K76+800倒虹吸主要工程数量见表“主要工程数量表”。
为使该工程按时保质保量完成,特编制此施工方案。
二、施工安排1、管理人员配置为保证优质高效完成本工程,项目部安排精干高效管理人员负责该工程施工管理,详见“管理人员配置表”。
2、施工安排(1)劳动力配置拟投入本工程劳动力见表“劳动力配置表”。
(2)机械设备拟投入本工程的主要机械设备及材料见表“机械设备材料配置表”。
3、工程进度计划(1)工期计划本工程计划开工日期2012年5月28日,完工日期2012年7月11日,总工期45天。
目录第一章工程概况1.1 工程概述倒虹吸及是渠村引黄闸改建项目中的关键工程之一。
倒虹吸是“工程分上游渐变段、进出口节制闸段、虹吸管段。
上游渐变段长42m,进、出口闸室段各长10 m,虹吸管长149m。
进口闸室上游为17m 长铺盖,然后通过25m扭曲渐变段与上游渠道连接。
设计灌区引水流量为Q=90 m3/s,供水流量Q=10m3/s,进、出口节制闸布置为5孔钢筋混凝土箱型涵洞,其中灌溉闸孔数4孔,单孔净宽3.9m,供水闸孔数1孔,单孔净宽1.9m,孔净高均为2.6m,进出口闸室段均长10m。
两节制闸之间设计为15节地下虹吸管,长149m(其中13节10 m,2节9.5m)。
闸室墩顶部设钢筋混凝土排架,其上布置启闭机室。
倒虹吸设置为一联5孔隧洞,总宽度在闸室段为23.5m,涵洞段为20.7m。
左侧4孔为灌溉用,净宽3.9m;右侧边孔为城市供水用,净宽1.9m,孔口高度均为2.6m。
闸室段中边墩厚度均为1.0m,涵洞段边墙厚0.6m,隔墙厚0.5m,上下底板厚度均为0.6m。
进口处顶板设计高程为60.44m,底板高程57.24m。
涵洞段底板高程进口55.53m,出口55.27m,沿线设1/500的纵坡。
1.2 水文气象条件1.2.1 水文天然文岩渠属黄河一级支流,是豫北平原的一条主要排涝河道,涉及新乡、濮阳两市八县,流域面积2514km2,天然文岩渠干流分南北两支,南为天然渠,北为文岩渠,在长垣县大车集汇合为天然文岩渠。
干流流经原阳、延津、封丘、长垣四县,全长160km,在濮阳县三合村后入黄河。
濮阳境内干流长5.0km,右岸渠堤长4.6km。
天然文岩渠下段三年一遇设计排涝流量155m3/s,设计水深2.8m,十年一遇设计防洪流量385m 3/s,设计水深3.68m,排涝渠底比降1/33567,主槽底宽90m。
勘测区位于黄河冲积平原上,紧临黄河主河道,含水层岩性主要为极细砂、砂壤土,地下水类型属孔隙型潜水。
渠道倒虹吸混凝土施工设计倒虹吸施工是水利工程中的重要部分,在倒虹吸工程中混凝土浇筑有很大的工程量。
混凝土的浇筑施工的好坏与否,对于如何确保施工质量,如何减小或杜绝渠道渗漏的发生,保证渠道安全,有着极为重要影响。
所以,要进行科学合理的施工组织和施工优化设计,施工过程中要提高施工技术,加强施工监督与控制,确保水利工程的质量。
标签:渠道;倒虹吸;混凝土;施工设计1、工程概况某渠道工程,设计渠道与高速公路交叉建筑物为三孔一联箱形钢筋砼结构倒虹吸。
2、施工工艺依据设计伸缩缝分缝,每节管身长度14m。
经过方案比选,管身砼分两期施工,即底板为一期浇筑块,侧墙和顶板为二期浇筑块施工。
一期砼采用定型钢模板,二期采用液压钢模台车进行施工。
砼均采用移动门架式布料机入仓。
3、施工程序测量放线→垫层砼浇筑→底板钢筋安装→底板模板安装及砼浇筑→侧墙、顶板钢筋安装→侧墙、顶板台车就位及砼浇筑。
4、施工方法4.1 移动门架式布料机就位地基处理结束后,根据建筑物中线布设布料机的轨道并进行门机架组装。
移动门架式布料机两支腿间距31m,其宽度可满足倒虹吸结构尺寸、外模的安拆、模板的支撑及施工架的安设空间。
在门架水平横梁上安装80cm宽输送皮带,有效利用宽度40—50cm,运转速度0.8m/s,输料长度10—15m。
扣除行走移动等各种时耗,按照2/3有效时间计算,布料强度可达70m3/h以上。
根据不同浇筑部位,在水平皮带两侧设置多个卸料口,由卸料口把砼送入缓降串筒,再由串筒把砼拌合物卸至需浇筑的位置,能够充分满足砼入仓速度要求。
布料机平行于总干渠轴线位移,可满足不同部位的砼浇筑要求。
4.2 垫层砼浇筑基础面验收合格后,进行垫层砼浇筑,垫层砼由砼拌和站集中拌和,8m3砼罐车运输,砼罐车直接溜放料入仓,人工平仓,平面板振动器振捣。
垫层砼浇筑完毕并达到3天龄期后,进行钢筋、模板、预埋件、止水等安装。
4.3 钢筋制安钢筋在加工厂统一制作,制作完成后运输至现场进行安装,钢筋制安严格按照规范要求进行。
水工建筑物——倒虹吸倒虹吸管是设置在渠道与河流、山沟、谷地、道路等相交处的压力输水建筑物。
它与渡槽相比,具有造价低、施工方便的优点,但水头损失较大,运行管理不如渡槽方便。
一般在下列情况时采用:1.渠道跨越宽深河谷,修建渡槽、填方渠道或绕线方案困难或造价高时;2.渠道与原有渠、路相交,因高差较小不能修建渡槽、涵洞时;3.修建填方渠道影响原有河道泄流等。
一、倒虹吸管的布置(一)管路布置倒虹吸管一般由进口、管身和出口三部分组成。
管路布置应根据地形、地质、施工、水力条件等分析确定。
总体布置的一般原则是:管身最短、岸坡稳定、管基密实,进出口连接平顺,结构合理。
根据流量大小及运用要求,可采用单管、双管或多管。
根据管路埋设情况及高差大小,倒虹吸管的布置形式可分为以下几种。
竖井式多用于压力水头较小(H<3~5m),穿越道路的倒虹吸。
这种形式构造简单、管路短。
进出口一般用砖石或混凝土砌筑成竖井。
竖井断面为矩形或圆形,其尺寸稍大于管身,底部设0.5m深的集沙坑,以沉积泥沙,并便于清淤及检修管路时排水。
管身断面一般为矩形、圆形或其他形式。
竖井式水力条件差,但施工比较容易,一般用于工程规模较小的倒虹吸管。
斜管式多用于压力水头较小,穿越渠道、河流的情况(图8-67)。
斜管式倒虹吸管构造简单,施工方便,水力条件好,实际工程中常被采用。
竖井式倒虹吸斜管式倒虹吸曲线式当岸坡较缓(土坡m>1.5~2.0,岩石坡m≥1.0)时,为减少施工开挖量,管道可随地面坡度铺设成曲线形。
管身常为圆形的混凝土管或钢筋混凝土管,可现浇也可预制安装。
管身一般设置管座。
当管径较小且土基很坚实时,也可直接设在土基上。
在管道转弯处应设置镇墩,并将圆管接头包在镇墩内。
为了防止温度引起的不利影响,减小温度应力,管身常埋于地下,为减小工程量,埋置不宜过深。
从已建倒虹吸管工程运行情况看,不少工程因温度影响或土基不均匀沉陷,造成管身裂缝,有的渗漏严重,危及工程安全。
倒虹吸课程设计一、教学目标本节课的教学目标是让学生掌握倒虹吸现象的基本概念、原理和应用,能够运用所学的知识分析和解决实际问题。
具体目标如下:1.知识目标:(1)了解倒虹吸现象的定义、特点和产生条件;(2)掌握倒虹吸现象的原理,能够解释不同液体之间的相互吸水现象;(3)了解倒虹吸现象在生活中的应用,如农业灌溉、污水处理等。
2.技能目标:(1)通过实验和观察,培养学生的观察能力和实验操作能力;(2)通过问题分析和讨论,培养学生的思维能力和解决问题的能力;(3)能够运用所学的知识,设计和实施简单的倒虹吸实验。
3.情感态度价值观目标:(1)培养学生对科学的兴趣和好奇心,激发学生学习物理的积极性;(2)培养学生珍惜水资源,关注环境保护的意识;(3)通过小组合作和讨论,培养学生的团队合作精神和沟通表达能力。
二、教学内容本节课的教学内容主要包括以下几个部分:1.倒虹吸现象的基本概念和特点;2.倒虹吸现象的产生条件和原理;3.倒虹吸现象的应用实例;4.倒虹吸实验的设计和实施。
具体的教学大纲如下:1.导入:通过引入实际生活中的倒虹吸现象,激发学生的兴趣和好奇心;2.理论讲解:讲解倒虹吸现象的定义、特点和产生条件,引导学生理解倒虹吸现象的原理;3.应用实例:介绍倒虹吸现象在农业灌溉和污水处理等领域的应用,让学生了解倒虹吸现象的实际意义;4.实验操作:指导学生进行倒虹吸实验,培养学生的实验操作能力和观察能力;5.问题讨论:通过问题分析和讨论,培养学生的思维能力和解决问题的能力;6.总结和反思:总结本节课的主要内容和知识点,引导学生反思学习过程和收获。
三、教学方法为了达到本节课的教学目标,我将采用以下教学方法:1.讲授法:通过讲解倒虹吸现象的基本概念、原理和应用,为学生提供系统的知识结构;2.实验法:通过引导学生进行倒虹吸实验,培养学生的实验操作能力和观察能力;3.问题讨论法:通过问题分析和讨论,培养学生的思维能力和解决问题的能力;4.案例分析法:通过分析实际生活中的倒虹吸现象,让学生了解倒虹吸现象的实际意义;5.小组合作法:通过小组合作和讨论,培养学生的团队合作精神和沟通表达能力。
倒虹吸施工方法与技术措施倒虹吸是一种利用大自然的力量收集水资源的技术。
它利用光的折射和反射原理,通过将太阳光聚焦到一个小区域内,达到加热水的效果。
这种技术对于一些资源匮乏地区或者是有限水资源的地区来说,是一种非常有效的收集水的方法。
下面将介绍倒虹吸施工方法及其技术措施。
1.布局设计:在选择施工地点时,需考虑到阳光照射的条件,一般来说,建议选择阳光充足,无高大遮挡物阻挡的地区。
同时需要根据施工地点的气候条件和降水情况,合理安排倒虹吸收集池的规模和数量。
2.施工材料:倒虹吸主要由玻璃、镜子、透明塑料膜、绝缘材料等组成。
选材时需注意其耐高温、耐候性和抗紫外线等性能。
3.玻璃安装:根据设计要求,使用适当的支撑结构将玻璃板固定在地面或支柱上。
玻璃板之间的缝隙应该密封,以防止热量的损失。
4.镜子设置:在倒虹吸的朝向上方,设置反光镜或反光面板,以便反射更多的太阳光进入倒虹吸收集池。
镜子应该能够调整角度,以适应不同时间的太阳光角度。
5.透明塑料膜安装:透明塑料膜一般铺设在倒虹吸收集池的顶部,用于收集和蒸发水蒸气。
膜应该保持干净,以保证最大的光线透过率。
6.绝缘材料使用:为了防止热量的散失,需要在倒虹吸周围使用绝缘材料进行围护,以减少热量的流失,提高能源利用率。
7.水收集池设计:根据需要,可以设计多个倒虹吸收集池,以增加水收集的总量。
收集池应该具备一定的容积,同时还需要有排水装置,以便在需要时排除多余的水。
8.定期维护:倒虹吸设备应定期检查和维护,确保其正常运行。
清洗玻璃和塑料膜表面的灰尘和污垢,以保持光的透过率。
总结起来,倒虹吸的施工方法和技术措施主要包括:布局设计、施工材料选择、玻璃安装、镜子设置、塑料膜安装、绝缘材料使用、水收集池设计和定期维护等。
同时,还需要根据具体情况制定相应的施工方案和操作规范,确保倒虹吸能够有效地收集水资源,提高水利利用效率。
倒虹吸工程专项方案第一章前言倒虹吸工程是一种利用自然重力或负压原理,在管道内进行水的抽取和输送的新型工程技术。
倒虹吸工程可以应用于城市供水、农田灌溉、工业生产等多个领域,具有节能环保、运行成本低、维护成本低等优点。
本文将从倒虹吸工程的原理、设计方案、施工工艺和运行管理等方面进行详细描述。
第二章原理及优点倒虹吸工程主要依靠管道内的负压原理,通过利用重力和自然水力将地下水或地表水抽取并输送至指定地点。
该工程的主要原理包括倒虹吸原理、水力计算原理、管道设计原理和运行管理原理。
倒虹吸原理是借助管道内的负压,在大气压力的作用下将水抽取并输送;水力计算原理是根据水的流动速度、压力损失和管道的水力特性进行计算,以确保水能顺利流动;管道设计原理是根据工程需求和地质条件设计出合适的管道结构,满足输水要求;运行管理原理是指根据实际情况进行工程调整和维护,以确保工程的安全运行。
倒虹吸工程的优点主要包括节能环保、运行成本低、维护成本低、灵活性强、适用性广等。
节能环保是指该工程采用自然水力和重力原理,无需额外能源投入,降低了对环境的影响;运行成本低是指该工程的运行成本远低于传统的水泵输水系统,能够降低水资源的浪费和能源的消耗;维护成本低是指管道结构简单,维护方便,减少了维护成本支出;灵活性强是指该工程适用于各种水源和用水场景,具有很强的适用性和灵活性。
第三章设计方案倒虹吸工程的设计方案主要包括站点选址、管道设计、泵站设置、水质处理等内容。
站点选址是根据输送水的需求和水源分布情况选择合适的站点,以保证水能够顺利抽取和输送;管道设计是根据输水距离、流量和水质要求设计合适的管道结构和尺寸,保证水能够顺利输送至指定地点;泵站设置是根据输水距离和地势高差设置合适的泵站,以保证水能够顺利抽取和输送;水质处理是指根据输送水的水质要求设置合适的水质处理设备,以确保输送水的水质符合要求。
第四章施工工艺倒虹吸工程的施工工艺主要包括站点建设、管道铺设、泵站设置、水质处理等内容。
倒虹吸管施工方案编制:审核:批准:四川希望华西建设工程总承包有限公司二〇一四年八月一日一、工程概况本工程位于森源苗圃大门左侧处,该倒虹吸管长度约为9m,倒虹吸形式为两端为现浇钢筋混凝土井,中间为砼预制管,管径:1.6m,孔数:单孔,两端为现浇钢筋混凝土井在用DN1600预制混凝土管与原有亚特兰蒂斯人工湖泄洪渠和现有农灌渠相连接。
该倒虹吸基坑开挖深度约为5米,宽4米,对沟槽开挖要求较高,属于危险性较大的分部分项工程。
通过结合地块四地勘报告及现场实地勘测,本安装工程所在位置地下水位线较高,长年处于地表土下1m左右,故进行施工时必须采用人工降低地下水位的方法。
同时现有农灌渠横跨施工部位,故还将对现有当地村委修建的农灌渠进行截渠引流施工。
二、编制依据1、建设单位提供的设计图纸;2、地块四地勘报告及现场踏勘调查所获得的工程地质、水文地质、气象、当地资源、及施工环境等调查资料;3、《混凝土模块式排水检查井》05SS5224、《给水排水管道工程施工及验收规范》GB50268-2008三、工期目标本工程根据实际施工,工期计划为共32日历天(后附横道图进度计划)。
四、主要施工方法1、移植灌木和平整场地经现场踏勘调查,现场施工区域有森源苗圃公司种植的园林绿化、灌木和其他单位堆放的大量钢筋砼预制管。
需建设单位与森源苗圃公司及与之相关的单位进行协调,对施工区域园林绿化、灌木和钢筋砼预制管进行移除清理,以创造足够的施工工作界面。
同时施工时要使用各种机械、车辆,故需对场地进行临时道路的平整,临时道路采用砂夹石进行填筑,满足施工车辆驶入。
2、截渠引流根据对施工现场情况,在施工前对当地村委修建的现有农灌渠进行截渠引流。
首先在倒虹吸管安装位置前后20m的位置挖一条沟底宽度为1.5m,面宽4.5m,深度1.5m的临时引流渠,主要采用小型挖掘机按1:1放坡进行开挖。
开挖完成后,由建设单位和当地村委进行协调暂时截断关闭农灌渠水源入口,使得农灌渠中无水,随后对农灌渠和引流渠交汇处进行截流墙砌筑,截流墙采用编织袋内装砂层叠交错施工,由于农灌渠宽约2m,深约1.5m,考虑透水时的水压力,截流墙采用双层砂袋交错砌筑。
1. 引言 (4)2. 设计依据文件和规范 (4)3. 设计基本资料及主要参数 (4)4 设计一般原则 (9)5.布置要求与优化设计 (9)6.水力计算 (11)7.结构设计 (12)8.有关构造、细部结构 (16)9.观测设计 (16)10.技术专题研究 (17)11.工程量计算 (17)12.应提供的设计成果 (17)151引言格节河倒虹吸管是引汤灌区(电站或其他工程)的引汤引水渠上(桩号33+800~36+466)的输水(引水)建筑物,位于黑龙江省汤原县(市)胜利乡的格节河,对外交通为公路,距哈尔滨—罗北公路里程约 2 km。
按初步设计报告,本倒虹吸管经审定为:设计流量 17.31 m3/s,采用方形过水断面,管径(宽×高) 2.8×3 m,根数 3 条,进出口设计水位差 0.54 m。
管体采用结构,设计最大水头 0.57m,由进口段、管道、出口段及管道支承结构等建筑物组成,全长 242 m。
2 设计依据文件和规范2.1 有关本工程主要文件(1)初步设计文件(包括补充文件);一、概况引汤灌区位于汤旺河下游松花江的北岸,黑龙江省汤原县境内,引汤灌区近期灌区范围,西起引汤渠首,东至乌龙河合阿凌达河,南起汤旺河、松花江交界,北至阶地的夹长条状,区内地形西北、东南低,地面坡度在1/5000左右。
近期灌区面积26.87万亩。
二、工程地质引汤灌区的总干渠和干渠均布设在阶地的边缘。
粘性土较厚,一般在2-4m左右,其下层为中砂和砂砾石,除沟谷外地下水位较深,一般在4-6m,大部分建筑物基础坐落在砂层上。
根据地质剖面图显示从上而下4-8米均为含壤土的细砾层,垂直渗透系数0.0865厘米/秒,渗透损失较大,休止角为水上35.5°、水下34°。
据《中国地震动参数区划图》(GB18306--2001),该区地震动峰值加速度0.05g,相当于地震基本烈度为VI度,地震动反应谱特征周期为0.35s。
属区域构造稳定区。
依据《水工建筑物抗震设计规范》SL203-1997,采用基本烈度作为设计烈度,不进行抗震设计。
三、总干渠36+466倒虹吸工程的格节河洪水按20年一遇洪水标准设计。
按50年一遇洪水标准校核。
工程级别为3级。
抗滑稳定安全系数:基本组合1.25,特殊组合1.10.四、水利要素:上下游水位、渠道比降、渠底高程、渠道边坡、渠道底宽、地面高程、设计流量等见表X(2)初步设计审批文件(包括对本工程的其他文件);(3)技术设计任务书;(4)其它有关文件及资料。
2.2 主要设计规范(1)SDJ12-78 水利水电枢纽工程等级划分及设计标准和补充规定(山区、丘陵区部分)(试行);(2)SDJ217-87 水利水电枢纽工程等级划分及设计标准(平原、滨海部分)(试行);15(3)SDJ10-78①水工建筑物抗震设计规范(试行);(4)SDJ20-78②水工钢筋混凝土结构设计规范(试行);(5)SDJ207-82 水工混凝土施工规范;(6)SD303-88 水电站进水口设计规范(试行);2.3 主要参考资料[1]《水工建筑物》第三版天津大学[2]《水力学》(上下册)高速水力学国家重点实验室吴持恭第三版[3]《结构力学》高等教育出版社龙驭球[4]《钢筋混凝土结构学》[5]AutoCAD2002 中文版应用教程[6]《灌溉与排水工程设计规范GB50288-99》等3 设计基本资料及主要参数3.1 工程等别与建筑物级别(1)工程等别:根据本工程规模及SDJ12-78或SDJ217-87规范,确定本工程为等工程。
(2)建筑物级别:管道、支承结构及管道进出口段等各部建筑物的设计级别应按有关规范确定。
3.2 地震烈度(1)基本地震烈度:根据《中国地震动参数区划图》(GB18306--2001),该区地震动峰值加速度 0.05g ,其地震基本烈度为 VI 度。
(2)设计地震烈度:按《水工建筑物抗震设计规划》SL203-1997规定,本工程设计地震烈度为 VI 度。
3.3 输水流量及允许水头损失(1)输水流量(见表1)。
序号名称数量,m3/s 备注1 设计流量41.112 加大流量47.28 或校核流量3 最小设计流量41.114 常见的中小流量44.81(2)允许水头损失:根据渠系水面线要求,通过设计流量时,本倒虹吸管允许最大水头损失值为m。
3.4 输水水质引汤灌区的总干渠和干渠均布设在阶地的边缘。
粘性土较厚,一般在2-4m左右,其下层为中①范本是按SDJ10-78编写的,如用新规范DL5073-1997,则有关内容需作相应修改。
②范本是按SDJ20-78编写的,如用新规范SL/T191-96(或DL/T5057-1996),则有关内容需作相应修改。
15砂和砂砾石,除沟谷外地下水位较深,一般在4-6m,大部分建筑物基础坐落在砂层上。
根据地质剖面图显示从上而下4-8米均为含壤土的细砾层,垂直渗透系数0.0865厘米/秒,渗透损失较大,休止角为水上35.5°、水下34°。
3.5 进出口渠道要素(见表2)序号名称进口渠道出口渠道备注1 土质类别2 断面形式3 渠道边坡4 断面尺寸,m×m5 底坡i6 糙率n7 渠底高程,m8 设计流量(Q=m3/s)时水面高程,m9 加大流量(Q=m3/s)时水面高程,m或校核流量10 最小流量(Q=m3/s)时水面高程,m11 常见中小流量(Q=m3/s)时水面高程,m12 堤顶高程,m3.6 管线区的地形资料(见表3)序号名称施测范围与要求比例尺1 平面地形图1.包括进出口段的渠道2.地形图宽度应视布置要求拟定:一般在管轴线两侧各100m左右一般采用1:200~1∶500,若管线太长(大于1000m)可采用1∶1000~1∶2000(指管道段部分)2 纵剖面图沿拟定的轴线施测水平与垂直比例尺可以不同,视具体情况定3 横剖面图根据具体情况选在各控制点上视具体情况定3.7 管线区的地质资料(1)管线区的综合地质平面图(1∶200~1∶500,管线长于1000m时1∶1000~1∶2000);(2)管线纵、横地质剖面图(1∶200~1∶500);(3)管线区不良地质构造处及特殊地段(如跨越河溪、道路等)的平面图、剖面图(1∶200~1∶500)及有关专题报告;(4)建筑材料产地、贮量及质量分布图;(5)地基及回填土的物理力学指标(见表4、表5,包括不同的管段区);15(6)地质报告或说明书。
表4 地基物理力学指标管段区名:序项目名称单位部位指标备注1 地基岩性2 地基允许承载能力MPa3 地基变形模量MPa4 建筑物与地基间的摩擦系数f5 建筑物与地基间的凝聚力C MPa6 地基内部滑动面的摩擦系数f'7 地基内部滑动面的凝聚力C' MPa8 临时开挖边坡1∶m 水上水下9 永久开挖边坡1∶m 水上水下…表5 回填土的物理力学指标管段区名:序号项目名称单位部位指标备注1 回填土的名称2 回填土的容重γkN/m33 回填土的内摩擦角φ(°)4 回填土的粘着力CMPa…3.8 水文气象资料(1)气温及水温:多年实测的日平均气温及水温,或月平均资料(见表6);月份 1 2 3 4 5 6 7 8 9 10 11 12 全年平均气温平均水温(2)极端最高气温℃(发生在年月日);(3)极端最低气温℃(发生在年月日);(4)多年平均最大风速m/s(风向);(5)冰冻期为月,结冰厚度m,持续最长时间d,冻土层厚度m;(6)地下水埋深;(7)冰凌资料。
提示:当倒虹吸管通过或跨越河溪、道路等时,需要有下列内容的专题15资料。
(1)跨越河溪:查清楚河溪该处的最高洪水位、一般河水位、最低河水位,相应的流量、流速,以及通航和冲刷等情况;(2)跨越铁路、公路:要了解该路段的交通运输,今后发展及对本工程的要求等有关情况。
3.10 材料特性3.10.1混凝土(1)混凝土设计强度与弹性模量见表7。
表7 混凝土设计强度与弹性模量表单位:MPa混凝土设计强度弹性模量Eh轴心抗压Ra弯曲抗压Rw抗拉RI抗裂Rf(2)混凝土的其它参数见表8。
表8 混凝土其他参数序号名称单位数值备注1 素混凝土容重kN/m32 钢筋混凝土容重kN/m33 混凝土抗渗标号4 混凝土抗冻标号5 混凝土线膨胀系数α℃-13.10.2钢筋设计强度及弹性模量,见表9表9 钢筋设计强度及弹性模量钢筋品种符号直径mm设计强度,Mpa 弹性模量EgGPa受拉Rg 受压R'g3.10.3其他3.11 安全系数(1)混凝土结构构件强度安全系数见表10。
建筑物级别荷载组合基本特殊基本特殊基本特殊按抗压强度计算的受压构件、局部承压按抗拉强度计算的受压、受拉、受弯构件(2)钢筋混凝土结构构件强度安全系数见表11。
建筑物级别荷载组合基本特殊基本特殊基本特殊15轴心受压构件、偏心受压构件、局部承压、斜截面受剪、受扭轴心受拉、受弯、偏心受拉构件(3)钢筋混凝土结构构件使用中不允许出现裂缝的抗裂安全系数(Kf),见表12。
表12 钢筋混凝土结构构件抗裂安全系数Kf建筑物级别荷载组合基本特殊基本特殊基本特殊轴心受拉、小偏心受拉构件受弯、偏心受压、大偏心受拉构件(4)建筑物稳定安全系数见表13。
表13 建筑物稳定安全系数序号建筑物名称抗滑抗倾基本特殊基本特殊1 管道与管座2 管座与地基3 镇墩与地基4 边墙与地基3.12 其他系数(1)管节搬运、吊装等动力系数:Kη=:(2)管体与管座之间的摩擦系数: f=。
4 设计一般原则4.1 倒虹吸管设计除执行本大纲外,还应符合有关标准、规程和规范的规定。
4.2 倒虹吸管是引水建筑物,其工作情况及设计要求必须满足整个引水工程规划设计的要求。
4.3鉴于温度荷载对管道应力影响较大,又难于准确计算,因此,在管道设计中,应采取适当的构造措施,尤其要注重隔温措施,一般尽量采用掩埋式或其它隔温结构,以减小温度荷载对管道应力的影响。
4.4混凝土收缩的影响在设计上一般不进行计算,只提请施工部门采取措施,应控制均匀收缩在允许范围之内,并应尽量避免非均匀收缩。
4.5地震力为特殊荷载,设计中一般可不考虑,应着重采取抗震结构及工程措施。
只有对7度以上地震区的大型倒虹吸管,且是露天铺设时,应按SDJ10-78的要求进行设计。
4.6倒虹吸管主要是承受较大的内水压力荷载,因此,钢筋混凝土管道结构应按不允许开裂的要求进行设计。
4.7因混凝土具有易裂性,对混凝土水管,尤其是高压管,应从结构构造、布筋、施工等方面注重采取抗裂防渗措施。
4.8 在结构设计中,应充分考虑施工中(如用顶管法、盾构法施工,或管道通过河谷道路等)的一些特殊要求。
4.9 在寒冷地区,应按防冻要求设计,采取必要的防冻措施。