东北大学2019现代控制理论试题及答案
- 格式:doc
- 大小:262.00 KB
- 文档页数:6
东北大学继续教育学院自动控制原理IX 试卷(作业考核线上2) A 卷(共 3 页)1、自动控制系统由哪些基本环节组成?各环节的功能是什么?(10分)答:1)控制对象或调节对象——要进行控制的设备或过程。
2)执行机构——一般由传动装置和调节机构组成。
执行机构直接作用于控制对象,使被控制量达到所要求的数值。
3)检测装置或传感器——该装置用来检测被控制量,并将其转换为与给定量相同的物理量。
4)给定环节——设定被控制量的给定值的装置。
5)比较环节——将所检测的被控制量与给定量进行比较,确定两者之间的偏差量。
6)中间环节——一般包括比较环节和校正环节。
2、传递函数适合哪类控制系统?如何定义?(10分)答:传递函数适合线性连续系统。
其定义为:零初始条件下,输出量的拉氏变换与输入量的拉氏变换之比。
3、通常有哪几种减小稳态误差的途径?(10分)答:1、增大系统的放大系数2、增加积分环节,提高系统的型别自动控制(automatic control)是指在没有人直接参与的情况下,利用外加的设备或装置,使机器、设备或生产过程的某个工作状态或参数自动地按照预定的规律运行。
自动控制是相对人工控制概念而言的。
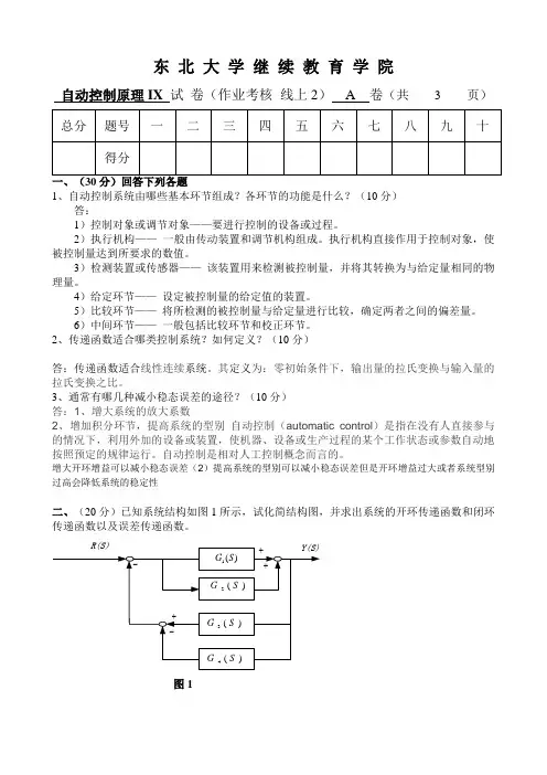
增大开环增益可以减小稳态误差(2)提高系统的型别可以减小稳态误差但是开环增益过大或者系统型别过高会降低系统的稳定性二、(20分)已知系统结构如图1所示,试化简结构图,并求出系统的开环传递函数和闭环传递函数以及误差传递函数。
图1解:开环传递函数))((4321G G G G W K -+= 闭环传递函数121234()1()()B G G W G G G G +=++-误差传递函数Ke W W +=11三、(20分)已知一单位负反馈控制系统的开环传递函数为()(1)KK K W s s s τ=+,其单位阶跃响应曲线如图2所示,图中的 1.25m X =, 1.5m t s =。
试确定系统参数K K 及τ值。
图2解由图2可知221 1.51() 1.251%100%100%25%100%()1m n m t x x e x ξπξωξσ--⎧==⎪-⎪⎨⎪-∞-=⨯=⨯==⨯⎪∞⎩解得 0.42.285 nξω≈⎧⎨≈⎩本系统的开环传递函数整理为()1KK K W s s s ττ=⎛⎫+ ⎪⎝⎭与标准形式()()22nk n W s s s ωξω=+相对比得 22 2.2851 220.4 2.285K n nK ωτξωτ⎧==⎪⎪⎨⎪==⨯⨯⎪⎩解得 2.8560.547 K K τ≈⎧⎨≈⎩四、(20分)试绘制下列环节的对数频率特性。
计算机控制系统复习题B一、选择题(每题4分)1.二阶系统的超调量与_____?A.固有频率无关,阻尼比无关B. 固有频率有关,阻尼比有关C. 固有频率有关,阻尼比无关D. 固有频率无关,阻尼比有关2.连续控制系统的不稳定性条件是S平面的______部分。
A.单位圆内B. 单位圆外C. 左半D.右半3.计算机控制系统是以_____为核心部件的自动控制系统。
A.计算机B. 控制器C. 转换器D.保持器4.下列哪个不是计算机控制系统控制过程的步骤?A.数据采集B. 数据转换C. 计算机控制量D.输出控制信号5.下列哪个不属于计算机控制系统的过程输入通道。
A.温度B. 压力C. 流量D.继电器6. 单位阶跃输入下输出响应,经过____周期就稳定在设定值上。
A. T C 3T7.低通滤波器可以让高于_____Hz虑掉。
A50 B. 60 C. 708.计算机控制系统稳定性条件是Z平面的______部分。
A单位圆内 B. 单位圆外 C. 左半 D.右半9.连续控制系统的稳定性条件是S平面的______部分。
A单位圆内 B. 单位圆外 C. 左半 D.右半10.下列属于共模干扰?A电容的静电耦合 B. 长线传输的互感 C.磁场耦合 D.变压器漏电二、判断题(每题2分)1. 输入输出通道时计算机控制系统的核心。
()2. 连续控制系统的传递函数分母式系统的特征多项式,代表系统的固有特性?()3. 计算机的硬件对计算机控制系统的非常重要,管理计算机的程序及过程控制的应用程序。
()4. 被控对象可以是模拟量,不可以是开关量。
()5.一般采用多路通道共享采样/保持或模数转换器。
()6. 转速传感器的激励绕组与输出绕组之间在空间相差180°()7. PID的积分环节经常单独使用。
()8. 空间辐射干扰中来自通道的干扰最大。
()9. 低通滤波器可让80Hz的工频信号无衰减地通过。
()10.计算机控制系统的分析与设计是以系统的数学模型为基础。
现代控制理论试卷一、简答题(对或错,10分)(1)描述系统的状态方程不是唯一的。
(2)用独立变量描述的系统状态向量的维数不是唯一的。
(3)对单输入单输出系统,如果1()C sI A B --存在零极点对消,则系统一定不可控或者不可观测。
(4)对多输入多数出系统,如果1()sI A B --存在零极点对消,则系统一定不可控。
(5)李雅普诺夫直接法的四个判定定理中所述的条件都是充分条件。
(6)李雅普诺夫函数是正定函数,李雅普诺夫稳定性是关于系统平衡状态的稳定性。
(8)线性定常系统经过非奇异线性变换后,系统的可控性不变。
(9)用状态反馈进行系统极点配置可能会改变系统的可观测性。
(10)通过全维状态观测器引入状态反馈来任意配置系统的闭环极点时,要求系统必须同时可控和可观测。
对一个线性定常的单输入单输出5阶系统,假定系统可控可观测,通过设计输出至输入的反馈矩阵H 的参数能任意配置系统的闭环极点。
二、试求下述系统的状态转移矩阵()t Φ和系统状态方程的解x 1(t)和x 2(t)。
(15分)1122()()012()()()230x t x t u t x t x t ⎡⎤⎡⎤⎡⎤⎡⎤=+⎢⎥⎢⎥⎢⎥⎢⎥--⎣⎦⎣⎦⎣⎦⎣⎦12(0)0,(),0(0)1tx u t e t x -⎡⎤⎡⎤==≥⎢⎥⎢⎥⎣⎦⎣⎦ 三、设系统的传递函数为()10()(1)(2)y s u s s s s =++。
试用状态反馈方法,将闭环极点配置在-2,-1+j ,-1-j 处,并写出闭环系统的动态方程和传递函数。
(15分) 四、已知系统传递函数2()2()43Y s s U s s s +=++,试求系统可观标准型和对角标准型,并画出系统可观标准型的状态变量图。
(15分)五、已知系统的动态方程为[]211010a x x uy b x ⎧⎡⎤⎡⎤=+⎪⎢⎥⎢⎥⎨⎣⎦⎣⎦⎪=⎩,试确定a ,b 值,使系统完全可控、完全可观。
19春学期《自动控制原理Ⅰ》在线作业1最大超调量越大,说明系统过渡过程越不平稳。
A.是B.否正确答案:A调节时间的长短反映了系统动态响应过程的波动程度,它反映了系统的平稳性。
A.是B.否正确答案:BA.是B.否正确答案:A对于最小相位系统,相位裕度等于零的时候表示闭环系统处于临界稳定状态。
()A.是B.否正确答案:A开环对数频率特性的中频段反映了系统的稳定性和暂态性能。
()A.是B.否正确答案:A典型的非线性环节有继电器特性环节、饱和特性环节、不灵敏区特性环节等。
A.是B.否正确答案:A振荡次数越少,说明系统的平稳性越好。
A.是B.否正确答案:A系统结构图等效变换的原则是,换位前后的()保持不变。
A.输入信号B.输出信号C.反馈信号D.偏差信号正确答案:B上升时间指系统的输出量第一次达到输出稳态值所对应的时刻。
A.是B.否正确答案:A开环对数频率特性的低频段反映了系统的控制精度。
()A.是B.否正确答案:A在典型二阶系统中,当()时,系统是不稳定的。
A.AB.BC.CD.D正确答案:DA.是B.否正确答案:B典型二阶系统,()时为二阶工程最佳参数。
A.AB.BC.CD.D正确答案:B时滞环节在一定条件下可以近似为()A.比例环节B.积分环节C.微分环节D.惯性环节正确答案:D最大超调量反映了系统的平稳性。
A.是B.否正确答案:A自动控制系统按其主要元件的特性方程式的输入输出特性,可以分为线性系统和非线性系统。
A.是B.否正确答案:A频率特性可分解为相频特性和幅频特性。
()A.是B.否正确答案:A对于最小相位系统,相位裕度大于零的时候表示闭环系统是不稳定的。
()A.是B.否正确答案:B在典型二阶系统中,()时,系统是不稳定的。
A.过阻尼状态B.欠阻尼状态C.临界阻尼状态D.无阻尼状态正确答案:D最大超调量反映了系统的A.稳定性B.快速性C.平稳性D.准确性正确答案:C对于一般的控制系统,输出量的暂态过程中,下列哪种情况是稳定的A.持续振荡过程B.衰减振荡过程C.发散振荡过程D.等幅振荡过程正确答案:B振荡次数越多,说明系统的平稳性越好。
信息工程学院现代控制理论课程习题清单正确理解线性系统的数学描述,状态空间的基本概念,熟练掌握状态空间的表达式,线性变换,线性定常系统状态方程的求解方法.重点内容:状态空间表达式的建立,状态转移矩阵和状态方程的求解,线性变换的基本性质,传递函数矩阵的定义.要求熟练掌握通过传递函数、微分方程和结构图建立电路、机电系统的状态空间表达式,并画出状态变量图,以及能控、能观、对角和约当标准型.难点:状态变量选取的非唯一性,多输入多输出状态空间表达式的建立。
预习题1。
现代控制理论中的状态空间模型与经典控制理论中的传递函数有何区别?2。
状态、状态空间的概念?3.状态方程规范形式有何特点?4。
状态变量和状态矢量的定义?5。
怎样建立状态空间模型?6.怎样从状态空间表达式求传递函数?复习题1.怎样写出SISO系统状态空间表达式对应的传递函数阵表达式2.若已知系统的模拟结构图,如何建立其状态空间表达式?3.求下列矩阵的特征矢量⎥⎥⎥⎦⎤⎢⎢⎢⎣⎡--=2510221-1A4.(判断)状态变量的选取具有非惟一性。
5.(判断)系统状态变量的个数不是惟一的,可任意选取。
6.(判断)通过适当选择状态变量,可将线性定常微分方程描述其输入输出关系的系统,表达为状态空间描述。
7.(判断)传递函数仅适用于线性定常系统;而状态空间表达式可以在定常系统中应用,也可以在时变系统中应用。
8.如果矩阵A 有重特征值,并且独立特征向量的个数小于n ,则只能化为模态阵。
9.动态系统的状态是一个可以确定该系统______(结构,行为)的信息集合。
这些信息对于确定系统______(过去,未来)的行为是充分且必要的。
10.如果系统状态空间表达式中矩阵A, B, C, D中所有元素均为实常数时,则称这样的系统为______(线性定常,线性时变)系统.如果这些元素中有些是时间t 的函数,则称系统为______(线性定常,线性时变)系统。
11.线性变换不改变系统的______特征值,状态变量)。
、名词解释与简答题(共3题,每小题5分,共15分)U i21 这甲 3!::l即U['4 _3 111 02 7 ^23 -u 2⑶尖用芷養变换送求取状壽空问表込5t 对賀分产 程⑶在零初Ife 条井下取拉氏娈换笹Jv(J)+ ⅛⅛(r)+3⅛ru) + 5K⅛)=5ιt⅛j)+7Γ(i) Γ⅛⅜g√⅛7LF(O =S 7Ti?+JijTS在用传诺两數求系绑的状态空何表达式IL 一定要 注咸传递函JS 足百为严搐H 育瑾分SL 即■是百小 于札 ⅛ffl =ri WPflTSt 理*U C1R 2 _ U 2U C 21、经典控制理论与现代控制理论的区别2、对偶原理的内容3、李雅普诺夫稳定5、已知系统的微分方程 y - 2y 3y7u。
试列写出状态空间表达式。
6、试将下列状态方程化为对角标准型或者约当标准型。
二、分析与计算题(共8小题,其中4-10小题每题10分,第11小题15分,共 85分)4、电路如图所示,设输入为U 1 ,输出为U 2 ,试自选状态变量并列写出其状态空间表达式。
麻曙秋恋爱■为J l*i ζlX i甘态空闿枝达式为 IHl IitBG 迦睾样机理分箭法,首先帳撼电踣定律则 ^ffl⅛⅛SS ・苒选澤就JS 娈■・求欄粗应的糸筑狀 盃空珂舌达式B 也珂以先由电路邀求袴糸址f⅛递函 ≡,再由悟越塑救求潯系臧帝空间表达式 采厢机理分护走“设G 两鋼电∣1⅛*ΓP G 两睛的电丘為越小则气 I *+ M TJ C M l⑴j Of ", ⅝+⅞c j i 1口白逐求得条统吠态△■期表込丄(刊 -13」LX3」L5ff It i.IW 1I⅛GV ∙K2 Lu试将下处伏越程化为朋融感P-I-I•-^S∣9U[-3-a 1•u≡IIZ7 4J u..,U.则猖对吊标■壯理l∣⅞^tη=Kn代入求聲公弍轉—⅛l- —<,i*2 f1 丿 1 ,j,1 ⅛'3f,-t i,rt<r-⅛* ft r2 2 2 1-r,(0J- JM(My IM MW-女"C F-3⅛"λf乩* J⅛4f丄■■i⅛,≡≡^Ll J——-一JfJOI-------- ---- X i(O)+βf- Iι7 -.∙Kl⅛ιp TΓl«期于占=-ι¾-I -L d-3 -( -2IJ Il∣2) IK:(IJ液转证追® 求4,j tf-3-3-1-2P llF l aLπIl%二i-3127J如n"Jf Ij= -3^f,A尸U1-12-41■'3 ⅛f,'=H1 -351 -21-I91-S5-21-12I35J7*5-27-Zfl -1I5 3 15J17I27JA_ 2*J22—_屯尸a371-15-27-202716HΛJ-A∣= -J Λs*^⅛r7、已知系统状态空间表达式为X -1-3 y =h:X Iu1 Ix求系统的单位阶跃响应。
哈工大2010年春季学期现代控制理论基础 试题B 答案一.(本题满分10分)请写出如图所示电路当开关闭合后系统的状态方程和输出方程。
其中状态变量的设置如图所示,系统的输出变量为流经电感2L 的电流强度。
【解答】根据基尔霍夫定律得:11132223321L x Rx x u L x Rx x Cx x x++=⎧⎪+=⎨⎪+=⎩ 改写为1131112232231211111R x x x uL L L R x x x L L x x x C C ⎧=--+⎪⎪⎪=-+⎨⎪⎪=-⎪⎩,输出方程为2y x =写成矩阵形式为[]111112222331231011000110010RLL x x L R x x u L L x x C C x y x x ⎧⎡⎤--⎡⎤⎪⎢⎥⎢⎥⎪⎢⎥⎡⎤⎡⎤⎢⎥⎪⎢⎥⎢⎥⎢⎥=-+⎢⎥⎪⎢⎥⎢⎥⎢⎥⎢⎥⎪⎢⎥⎢⎥⎢⎥⎪⎣⎦⎣⎦⎢⎥⎢⎥⎨⎢⎥-⎣⎦⎢⎥⎪⎣⎦⎪⎡⎤⎪⎢⎥⎪=⎢⎥⎪⎢⎥⎪⎣⎦⎩二.(本题满分10分)单输入单输出离散时间系统的差分方程为(2)5(1)3()(1)2()y k y k y k r k r k ++++=++回答下列问题:(1)求系统的脉冲传递函数; (2)分析系统的稳定性;(3)取状态变量为1()()x k y k =,21()(1)()x k x k r k =+-,求系统的状态空间表达式; (4)分析系统的状态能观性。
【解答】(1)在零初始条件下进行z 变换有:()()253()2()z z Y z z R z ++=+系统的脉冲传递函数:2()2()53Y z z R z z z +=++ (2)系统的特征方程为2()530D z z z =++=特征根为1 4.3z =-,20.7z =-,11z >,所以离散系统不稳定。
(3)由1()()x k y k =,21()(1)()x k x k r k =+-,可以得到21(1)(2)(1)(2)(1)x k x k r k y k r k +=+-+=+-+ 由已知得(2)(1)2()5(1)3()y k r k r k y k y k +-+=-+-112()5(1)3()r k x k x k =-+-[]212()5()()3()r k x k r k x k =-+-123()5()3()x k x k r k =--- 于是有:212(1)3()5()3()x k x k x k r k +=--- 又因为12(1)()()x k x k r k +=+所以状态空间表达式为[]112212(1)()011()(1)35()3()()10()x k x k r k x k x k x k y k x k ⎧+⎡⎤⎡⎤⎡⎤⎡⎤=+⎪⎢⎥⎢⎥⎢⎥⎢⎥+---⎣⎦⎣⎦⎪⎣⎦⎣⎦⎨⎡⎤⎪=⎢⎥⎪⎣⎦⎩(4)系统矩阵为0135⎡⎤=⎢⎥--⎣⎦G ,输出矩阵为[]10=c ,[][]01100135⎡⎤==⎢⎥--⎣⎦cG 能观性矩阵为o 1001⎡⎤⎡⎤==⎢⎥⎢⎥⎣⎦⎣⎦c Q cG ,o rank 2=Q ,系统完全能观。
现代控制理论试题B 卷及答案 一、 1 系统[]210,01021x x u y x ⎡⎤⎡⎤=+=⎢⎥⎢⎥-⎣⎦⎣⎦能控的状态变量个数是cvcvx , 能观测的状态变量个数是cvcvx 。
( 4分)2试从高阶微分方程385y y y u ++=求得系统的状态方程和输出方程( 4分) 解:1. 能控的状态变量个数是2, 能观测的状态变量个数是1。
状态变量个数是2。
…..( 4分)2. 解: 选取状态变量1x y =, 2x y =, 3x y =, 可得 …..….…….( 1分)12233131835x x x x x x x u y x ===--+= …..….…….( 1分)写成010*********x x u ⎡⎤⎡⎤⎢⎥⎢⎥=+⎢⎥⎢⎥⎢⎥⎢⎥--⎣⎦⎣⎦…..….…….( 1分)[]100y x = …..….…….( 1分)二、 1给出线性定常系统(1)()(),()()x k Ax k Bu k y k Cx k +=+=能控的定义。
( 3分)2已知系统[]210 020,011003x x y x ⎡⎤⎢⎥==⎢⎥⎢⎥-⎣⎦, 判定该系统是否完全能观? (5分) 解:1.答: 若存在控制向量序列(),(1),,(1)u k u k u k N ++-, 时系统从第k 步的状态()x k 开始, 在第N 步达到零状态, 即()0x N =, 其中N 是大于0的有限数, 那么就称此系统在第k 步上是能控的。
若对每一个k , 系统的所有状态都是能控的, 就称系统是状态完全能控的, 简称能控。
…..….…….( 3分) 2.[][]320300020012 110-=⎥⎥⎥⎦⎤⎢⎢⎢⎣⎡-=CA ………..……….( 1分)[][]940300020012 3202=⎥⎥⎥⎦⎤⎢⎢⎢⎣⎡--=CA ……..……….( 1分)⎥⎥⎥⎦⎤⎢⎢⎢⎣⎡-=⎥⎥⎥⎦⎤⎢⎢⎢⎣⎡=940320110 2CA CA C U O ………………..……….( 1分)rank 2O U n =<, 因此该系统不完全能观……..….…….( 2分)三、 已知系统1、 2的传递函数分别为2122211(),()3232s s g s g s s s s s -+==++-+求两系统串联后系统的最小实现。
2012年现代控制理论考试试卷一、(10分,每小题1分)试判断以下结论的正确性,若结论是正确的,(√)1.由一个状态空间模型可以确定惟一一个传递函数。
(√)2.若系统的传递函数不存在零极点对消,则其任意的一个实现均为最小实现。
(×)3.对一个给定的状态空间模型,若它是状态能控的,则也一定是输出能控的。
(√)4.对线性定常系统,其Lyapunov 意义下的渐近稳定性和矩阵A xAx = 的特征值都具有负实部是一致的。
(√)5.一个不稳定的系统,若其状态完全能控,则一定可以通过状态反馈使其稳定。
(×)6.对一个系统,只能选取一组状态变量;(√)7.系统的状态能控性和能观性是系统的结构特性,与系统的输入和输出无关;(×)8.若传递函数存在零极相消,则对应的状态空间模型1()()G s C sI A B -=-描述的系统是不能控且不能观的;(×)9.若一个系统的某个平衡点是李雅普诺夫意义下稳定的,则该系统在任意平衡状态处都是稳定的;(×)10.状态反馈不改变系统的能控性和能观性。
二、已知下图电路,以电源电压u(t)为输入量,求以电感中的电流和电容中的电压作为状态变量的状态方程,和以电阻R2上的电压为输出量的输出方程。
(10分)解:(1)由电路原理得:二.(10分)图为R-L-C 电路,设为控制量,电感上的支路电流和电容u L C 上的电压为状态变量,电容C 上的电压为输出量,试求:网络的状态2x 2x 方程和输出方程,并绘制状态变量图。
解:此电路没有纯电容回路,也没有纯电感电路,因有两个储能元件,故有独立变量。
以电感上的电流和电容两端的电压为状态变量,即令:,L 12,L c i x u x ==由基尔霍夫电压定律可得电压方程为:从上述两式可解出,,即可得到状态空间表达式如下:1x ∙2x ∙=+⎥⎦⎤⎢⎣⎡21y y ⎥⎥⎦⎤⎢⎢⎣⎡++-211212110R R R R R R R ⎥⎦⎤⎢⎣⎡21x x u R R R ⎥⎦⎤⎢⎢⎣⎡+2120三、(每小题10分共40分)基础题(1)试求的一个对角规范型的最小实现。
19春北理⼯《智能控制基础》在线作业【标准答案】北理⼯《智能控制基础》在线作业-0004试卷总分:100 得分:0⼀、单选题 (共 20 道试题,共 40 分)1.⼀般认为,⼈⼯神经⽹络适⽤于()A.线性系统B.多变量系统C.多输⼊多输出系统D.⾮线性系统2.递阶控制系统的结构是根据下列原理设计的()A.精度随智能降低⽽提⾼B.精度随智能提⾼⽽提⾼C.精度随智能降低⽽降低D.精度与智能⽆关3.智能控制成为国际上独⽴新学科的时间为20世纪()A.60年代B.70年代C.80年代D.90年代4.基于模式识别的控制系统属于()A.学习控制系统B.专家控制系统C.进化控制系统D.模糊控制系统5.能够在系统运⾏过程中估计未知信息,并据之进⾏优化与控制,以便逐步改进系统性能的控制叫做()A.最优控制B.反馈控制C.随机控制D.学习控制6.最早提出⼈⼯神经⽹络思想的学者是()A.McCulloch-PittsB.HebbC.Widrow-HoffD.Rosenblatt7.解决⾃动控制⾯临问题的⼀条有效途径就是把⼈⼯智能等技术⽤于⾃动控制系统,其核⼼是()C.控制器智能化D.控制系统仿真8.智能控制的“四元交集结构”的四元,指的是()A.计算机科学、⾃动控制、⼈⼯智能、神经⽹络B.⼈⼯智能、⾃动控制、信息论、系统论C.⼈⼯智能、⾃动控制、信息论、机器学习D.⾃动控制、⼈⼯智能、信息论、运筹学9.模糊控制是以模糊集合为基础的,提出模糊集合的科学家是()A.N.J.NilsonB.L.A.ZadehC.A.TuringD.H.A.Simon10.神经控制的基础源于()A.进化主义B.⾏为主义C.逻辑主义D.连接主义11.递阶控制的⼀个重要原理是()A.Petri原理B.Bottom up原理C.IPDI原理D.Top down原理12.智能机器能够在各种环境下⾃主地或交互地执⾏()A.拟⼈任务B.侦察任务C.探测任务D.决策任务13.增强学习属于()A.⾃主学习B.有师学习C.主动学习D.⽆师学习14.被称为“智能控制先驱”的科学家是()C.K-J-AstromD.N-Wiener15.智能⾃动化研究开发与应⽤应当⾯向()A.⽣产系统B.复杂系统C.管理系统D.⾮线性系统16.成为“专家控制先⾏者”的科学家是()A.P.H.WinstonB.N.J.NilssonC.K.J.AstromD.E.A.Feigenbaum17.建⽴专家系统最艰难的任务是()A.知识表⽰B.知识应⽤C.知识推理D.知识获取18.学习控制具有()等功能。
第3章 “状态方程的解”习题解答3.1计算下列矩阵的矩阵指数te A 。
200200(1)020;(2)031002003--⎡⎤⎡⎤⎢⎥⎢⎥=-=-⎢⎥⎢⎥⎢⎥⎢⎥--⎣⎦⎣⎦A A0001(3) ; (4) 1040-⎡⎤⎡⎤==⎢⎥⎢⎥⎣⎦⎣⎦A A(1)解 222000000tt t t e e e e ---⎡⎤⎢⎥=⎢⎥⎢⎥⎣⎦A (2)解 233300000tt t t t e e e te e ----⎡⎤⎢⎥=⎢⎥⎢⎥⎣⎦A (3)解()122011001111s s s s s s s s s s -⎡⎤-=⎢⎥-⎣⎦⎡⎤⎢⎥⎡⎤-==⎢⎥⎢⎥⎣⎦⎢⎥⎢⎥⎣⎦I A I A ()()()11101t t e L s t t --⎡⎤⎡⎤=-=⎢⎥⎣⎦⎣⎦A I A (4)解: 14s s s ⎡⎤-=⎢⎥-⎣⎦I A()1222221144124242244s s s s ss s s s s --⎡⎤-=⎢⎥+⎣⎦⎡⎤-⋅⎢⎥++=⎢⎥⎢⎥⎢⎥++⎣⎦I A 221221242422441cos 2sin 222sin 2cos 2ts s s e L s s s t t tt -⎡⎤-⎢⎥++=⎢⎥⎢⎥⎢⎥++⎣⎦⎡⎤-⎢⎥=⎢⎥⎣⎦A3.2 已知系统状态方程和初始条件为()1001010,000121⎡⎤⎡⎤⎢⎥⎢⎥==⎢⎥⎢⎥⎢⎥⎢⎥⎣⎦⎣⎦x x x(1) 试用拉氏变换法求其状态转移矩阵; (2) 试用化对角标准形法求其状态转移矩阵; (3) 试用化te A 为有限项法求其状态转移矩阵; (4) 根据所给初始条件,求齐次状态方程的解。
(1)解 12100010012O O ⎡⎤⎡⎤⎢⎥==⎢⎥⎢⎥⎣⎦⎢⎥⎣⎦A A A , 其中, 12101,12⎡⎤==⎢⎥⎣⎦A A则有 1200ttt e ee ⎡⎤=⎢⎥⎣⎦A A A 而 1tt ee =A , ()2112t e L s --⎡⎤=-⎣⎦A I A()112101220111(1)(2)101111212s s s s s s s s s s s ---⎡⎤-=⎢⎥--⎣⎦-⎡⎤=⎢⎥---⎣⎦⎡⎤⎢⎥-=⎢⎥⎢⎥-⎢⎥---⎣⎦I A()2112220ttt tt e eL s e e e --⎡⎤⎡⎤=-=⎢⎥⎣⎦-⎣⎦A I A 所以状态转移矩阵为()112200000tt t t tt e e L s e e e e --⎡⎤⎢⎥⎡⎤=-=⎢⎥⎣⎦⎢⎥-⎣⎦A I A (2)解 21(1)(2)012I λλλλλ--==--=--A121,2λλ==对于11λ=,100011101⎡⎤⎡⎤⎡⎤=⇒=⎢⎥⎢⎥⎢⎥---⎣⎦⎣⎦⎣⎦1P P 对于22λ=,2210001001⎡⎤⎡⎤⎡⎤=⇒=⎢⎥⎢⎥⎢⎥-⎣⎦⎣⎦⎣⎦P P110101111-⎡⎤⎡⎤=⇒=⎢⎥⎢⎥-⎣⎦⎣⎦P P2122220010100111100t tt t t tt t t e ee e e e e ee -⎡⎤=⎢⎥⎣⎦⎡⎤⎡⎤⎡⎤=⎢⎥⎢⎥⎢⎥-⎣⎦⎣⎦⎣⎦⎡⎤=⎢⎥-⎣⎦A P P2200000t t t t tt e e e e e e ⎡⎤⎢⎥=⎢⎥⎢⎥-⎣⎦P (3)解 矩阵的特征值为1,21λ=, 32λ=对于32λ=有: 2012()2()4()te t t t ααα=++对于1,21λ=有: 012()()()te t t t ααα=++因为是二重特征值,故需补充方程 12()2()tte t t αα=+ 从而联立求解,得:202122()2()322()t tt t t t t tt e te t te e e t e e te ααα=-=-+=--()()20122222222()()()20100020322010002012100100 0100100120120000 0t t t t t t t t t t t t t tt t tt e t t t e te e te te e e e te e e te e e e e e ααα=++⎡⎤-⎡⎤⎢⎥⎢⎥=-+-+⎢⎥⎢⎥⎢⎥⎢⎥-⎣⎦⎣⎦⎡⎤⎡⎤⎢⎥⎢⎥+--⎢⎥⎢⎥⎢⎥⎢⎥⎣⎦⎣⎦⎡⎤⎢⎥=⎢⎥⎢⎥-⎣⎦A I A A(4)解:0)0222()()(0)001000001t t t t t t t tt t t e t e e e e e e e e -==⎡⎤⎡⎤⎡⎤⎢⎥⎢⎥⎢⎥==⎢⎥⎢⎥⎢⎥⎢⎥⎢⎥⎢⎥-⎣⎦⎣⎦⎣⎦A(A x x x3.3 矩阵A 是22⨯的常数矩阵,关于系统的状态方程式= xAx ,有 1(0)1⎡⎤=⎢⎥-⎣⎦x 时, 22t t e e --⎡⎤=⎢⎥-⎣⎦x2(0)1⎡⎤=⎢⎥-⎣⎦x 时, 2t t e e --⎡⎤=⎢⎥-⎣⎦x试确定这个系统的状态转移矩阵(,0)t Φ和矩阵A 。
2005年现代控制理论试题及答案1 ①已知系统,试求其状态空间最小实现。
(5分)u u u y y 222++=+ ②设系统的状态方程及输出方程为11000101;0111x x u ⎡⎤⎡⎤⎢⎥⎢⎥=+⎢⎥⎢⎥⎢⎥⎢⎥-⎣⎦⎣⎦[]001y x =试判定系统的能控性。
(5分)解:① 取拉氏变换知 )()2()()22(33s u s s s y s ++=+ (3分)21121)1(21)(2213++-=+++=s s s s s g 其状态空间最小实现为;(2分)u x x ⎥⎦⎤⎢⎣⎡+⎥⎦⎤⎢⎣⎡-=101110 21021+⎥⎦⎤⎢⎣⎡=x y ②(2分)1n c u B AB A B -⎡⎤=⎣⎦,秩为2,012111101⎡⎤⎢⎥=⎢⎥⎢⎥-⎣⎦系统状态不完全能控。
(3分)2 已知系统的状态空间表达式为;; 00001⎛⎫⎡⎤=+ ⎪⎢⎥⎝⎭⎣⎦ x x u t []x y 01=⎥⎦⎤⎢⎣⎡=11)0(x 试求当时,系统的输出。
(10分)0;≥=t t u )(t y 解 , (5分)02210(,)0.50.51⎛⎫Φ= ⎪-⎝⎭t t t t(3分)()(,0)(0)(,)()tx t t x t B d τττ=Φ+Φ⎰(2分)1y =3给定系统的状态空间表达式为,u x x ⎥⎥⎥⎦⎤⎢⎢⎢⎣⎡+⎥⎥⎥⎦⎤⎢⎢⎢⎣⎡--=100100110100013 211021y x -⎡⎤=⎢⎥⎣⎦试确定该系统能否状态反馈解耦,若能,则将其解耦(10分)解, [][]100211101101c B ⎡⎤⎢⎥=-=-⎢⎥⎢⎥⎣⎦[][]200021102101c B ⎡⎤⎢⎥==⎢⎥⎢⎥⎣⎦所以,(4分)120d d ==。
(1分)121121E E E -⎡⎤⎡⎤==⎢⎥⎢⎥⎣⎦⎣⎦ 1111213--⎡⎤=⎢⎥⎣⎦E 又因为非奇异,所以能用实现解耦控制。
(2分)E (1分)12630011c A F c A ⎡⎤⎡⎤==⎢⎥⎢⎥-⎣⎦⎣⎦求出 (2分)u kx Lv =-+4 给定系统的状态空间表达式为[]12020110,1001011--⎡⎤⎡⎤⎢⎥⎢⎥=-+=⎢⎥⎢⎥⎢⎥⎢⎥-⎣⎦⎣⎦Ax x u y x设计一个具有特征值为的全维状态观测器(10分)1 1 1---,,解 令, 代入系统得122E E E E ⎡⎤⎢⎥=⎢⎥⎢⎥⎣⎦()123120()011100101s E s I A EC s E s E --⎛⎫⎛⎫⎛⎫⎪ ⎪ ⎪--=--- ⎪ ⎪ ⎪ ⎪ ⎪ ⎪-⎝⎭⎝⎭⎝⎭12312011101s E E s E s ++=+--++32211132233122222s s s E s E s E E E s E =+++++++---(5分)32113123(3)(623)33s E s E E s E E E =++++-+--+理想特征多项式为(1分)*332()(1)331f x s s s s =-=+++列方程,比较系数求得001E ⎡⎤⎢⎥=⎢⎥⎢⎥⎣⎦(2分)全维状态观测器为[]ˆˆx A EC x Bu Ey =-++ (2分)12020ˆ01100,00111x u y --⎡⎤⎡⎤⎡⎤⎢⎥⎢⎥⎢⎥=-++⎢⎥⎢⎥⎢⎥⎢⎥⎢⎥⎢⎥-⎣⎦⎣⎦⎣⎦5 ①已知非线性系统 ⎩⎨⎧--=+-=2112211sin 2x a x xx x x试求系统的平衡点,并确定出可以保证系统大范围渐近稳定的的范围。
现代控制理论基础考试题西北工业大学考试题(A卷)(考试时间120分钟)学院:专业:姓名:学号:一.填空题(共27分,每空1.5分)1.现代控制理论基础的系统分析包括___________和___________。
2._______是系统松弛时,输出量、输入量的拉普拉斯变换之比。
3.线性定常系统齐次状态方程是指系统___________时的状态方程。
4.推导离散化系统方程时在被控对象上串接一个开关,该开关以T为周期进行开和关。
这个开关称为_______。
5.离散系统的能______和能______是有条件的等价。
6.在所有可能的实现中,维数最小的实现称为最小实现,也称为__________。
7.构造一个与系统状态x有关的标量函数V(x, t)来表征系统的广义能量,V(x, t)称为___________。
8.单输入-单输出线性定常系统,其BIBO稳定的充要条件是传递函数的所有极点具有______。
9.控制系统的综合目的在于通过系统的综合保证系统稳定,有满意的_________、_________和较强的_________。
10.所谓系统镇定问题就是一个李亚普诺夫意义下非渐近稳定的系统通过引入_______,以实现系统在李亚普诺夫意义下渐近稳定的问题。
11.实际的物理系统中,控制向量总是受到限制的,只能在r维控制空间中某一个控制域内取值,这个控制域称为_______。
12._________和_________是两个相并行的求解最优控制问题的重要方法。
二.判断题(共20分,每空2分)1.一个系统,状态变量的数目和选取都是惟一的。
(×)2.传递函数矩阵的描述与状态变量选择无关。
(√)3.状态方程是矩阵代数方程,输出方程是矩阵微分方程。
(×)4.对于任意的初始状态)(tx和输入向量)(t u,系统状态方程的解存在并且惟一。
(√)5.传递函数矩阵也能描述系统方程中能控不能观测部分的特性。