开利19XL离心式冷水机组常见故障
- 格式:doc
- 大小:403.00 KB
- 文档页数:7
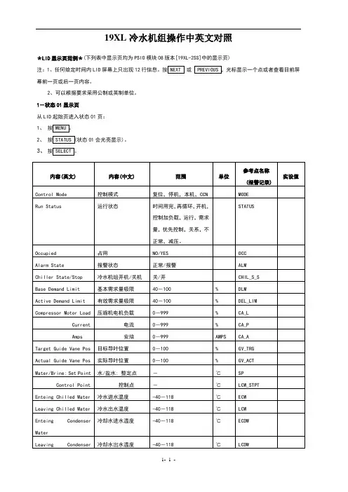
19XL 冷水机组操作中英文对照*LID 显示页范例*(下列表中显示页均为PSIO 模块08版本[19XL-2SS]中的显示页)注:1、任何给定时间内LID 屏幕上只出现12或幕前一页或后一页内容。
2、可以根据要求采用公制或英制单位。
1-状态01显示页从LID 起始页进入状态01页: 1、2、 状态01会光亮显示)。
3、2-状态02显示页要从LID 起始页进入状态02页: 1、2、3、 光标向下移动到STATUS02。
4、3-状态03显示页 由LID 初始页到此页: 1、 2、 3、 向下移动到 STATUS03。
4、 按4-整定点显示页由LID初始页到此页:11-维护(MAINT03)显示页 (注:本维护页不支持优先控制)由LID起始页到本页1、2、4、5、5-整定显示页由LID起始页到本页:1、2、4、5、光标向下找到 CONFIG。
6-服务1显示页由LID起始页到此页:1、2、3、光标向下找到EQUIPMENT SERVICE (设备服务)4、5、光标向下找到 SERVICE1。
6、*注:降压 Reduce7-服务2显示页由LID起始页到此页1、2、3、光标向下找到EQUIPMENT SERVICE (设备服务)。
4、5、光标向下找到 SERVICE2。
6、8-服务3显示页由LID起始页到此页1、2、3、光标向下找到EQUIPMENT SERVICE (设备服务)。
4、5、光标向下找到 SERVICE3。
9-维护(MAINT01)显示页 (注:本维护页不支持优先控制)由LID起始页到本页1、2、3、光标向下移到CONTROL ALGORITHM STATUS (控制器逻辑状态)。
4、5、光标向下移到MAINT01。
10-维护(MAINT02)显示页 (注:本维护页不支持优先控制)由LID起始页到本页1、2、3、光标向下移到CONTROL ALGORITHM STATUS (控制器逻辑状态)。
离心式冷水机组常见故障及处理方法(总3页)--本页仅作为文档封面,使用时请直接删除即可----内页可以根据需求调整合适字体及大小--1、蒸发压力过低:原因:(1)冷水量不足。
(2)冷负荷少。
(3)节流孔板故障(仅使蒸发压力低)。
(4)蒸发器的传热管因水垢等污染而使传热恶化(仅使蒸发压力过低)。
(5)冷媒量不足(仅使蒸发压力过低)。
处理办法:(1)检查冷水回路,使冷水量达到额定水量。
(2)检查自动起停装置的整定温度。
(3)检查膨胀节流管是否畅通。
(4)清扫传热管。
(5)补充冷媒至所需量。
2、冷凝压力过高:原因:(1)冷水量不足。
(2)冷却塔的能力降低。
(3)冷水温度太高,制冷能力太大,使冷凝器负荷加大。
(4)有空气存在。
(5)冷凝器管子因水垢等污染,传热恶化。
处理方法:(1)检查冷却水回路,调整至额定流量。
(2)检查冷却塔。
(3)检查膨胀节流管等,使冷水温度尽快接近额定温度。
(4)进行抽气运转排除空气,若抽气装置需频繁运行,则必须找出空气漏入的部位消除之。
(5)清扫管子。
3、油压差过低:原因:(1)油过滤器堵塞。
(2)油压调节阀(泄油阀)开度过大。
(3)油泵的输出油量减少。
(4)轴承磨损。
(5)油压表(或传感器)失灵。
(6)润滑油中混入的制冷剂过多(由于启动时油起泡而使油压过低)。
处理方法:(1)更换油过滤器滤芯。
(2)关小油压调节阀使油压升至额定油压。
(3)解体检查。
(4)解体后更换轴承。
(5)检查油压表,重新标定压力传感器,必要时更换。
(6)制冷机停车后务必将油加热器投入,保持给定油温(确认油加热器有无断线,油加热器温度控制的整定值是否正确)。
4、油温过高:原因:(1)油冷却器冷却能力降低。
(2)因冷媒过滤器滤网堵塞而使油冷却器冷却用冷媒的供给量不足。
(3)轴承磨损。
处理方法:(1)调整油温调节阀。
(2)清扫冷媒过滤器滤网。
(3)解体后修理或更换轴承。
5、断水:原因:冷水量不足。
处理方法:检查冷水泵及冷水回路,调至正常流量。
冷水机组常见问题和故障的分析与解决方法核心提示:冷水机组在中央空调系统运行时担负着提供冷量的重任,作为运行管理人员,除了要正确操作、认真维护保养外,能及时发现和排除常见的一些问题和故障,对保证中央空调系统不中断正常运行,减小因出现的问题和故障造成的损失及所付出的代价有重要作用。
1.冷水机组运行中故障的早期发现与分析对冷水机组进行精心的维护保养,可以尽量减少故障的发生,但不可能杜绝故障的出现。
因为冷水机组本身和客观的外部条件,使得冷水机组的结构制造、安装质量、使用方法和操作水平等优劣程度各异,不可能绝对地全部消除潜在的不利因素,因此构成冷水机组故障的不安全因素始终是存在的。
为了保证冷水机组安全、高效、经济的长期正常运转,在其使用过程中尽早发现故障的隐患是十分重要的。
作为运行操作人员,可以通过“看、摸、听、想”来达到这个目的。
一看:看冷水机组运行申高、低压力值的大小。
油压的大小,冷却水和冷冻水进出口水压的高低等参数,这些参数值以满足设定运行工况要求的参数值为正常,偏离工况要求的参数值为异常,每一个异常的工况参数都可能包含着一定的故障因素。
此外,还要注意看冷水机组的一些外观表象,例如出现压缩机吸气管结霜这样的现象,就表示冷水机组制冷量过大,蒸发温度过低,压缩机吸气过热度小,吸气压力低。
这对于活塞式擒口喹。
机组将会引起“液击”;对于离心式冷水机组则会引起踹振。
二摸:在全面观察各部分运行参数的基础上t进一步体验各部分的温度情况,用手触摸冷水机组各部分及管道(包括气管、液管、水管、油管等),感觉压缩机工作温度及振动;两器的进出口温度;管道接头处的油迹及分布情况等。
正常情况下,压缩机运转平稳,吸、排气温差大,机体温升不高;蒸发温度低,冷冻水进出口温差大;冷凝温度高,冷却水进、出口温差大;各管道接头处无制冷剂泄漏则无油污等;任何与上述情况相反的表现,都意味着相应的部位存在着故障因素。
用手摸物体对温度的感觉特征见表1。
离心式制冷机常见故障分析与处理故障现象原因措施压缩机启动不了同上电机电源故障检查电源,恢复供电导叶不能全关将导叶自动/手动切换开关换至手动位置上,并手动将导叶关闭控制线路熔断器断检查熔断器进行更换过载继电器动作按下继电器的复位开关,或检查继电器的电流设定值压缩机转动不平稳,出现振动油压过高降低油压至给定值轴承间隙过大调整间隙或更换轴承防震装置装置调整不良调整弹簧或更换密封填料和旋转体接触调整间隙,消除接触增速齿轮磨损修理或更换轴弯曲修理,校正齿轮连轴节齿面,污垢磨损调正,清洗或更换电机过负荷制冷负荷过大减少制冷负荷压缩机吸入液体制冷剂降低蒸发器内制冷剂液面冷凝器冷却水量过高降低冷却水量温冷凝器冷却水量减少增加冷却水温系统内有空气开启抽气回收装置排出空气压缩机冷凝压力过高或蒸发压力过低或导叶开度太小开起抽气回收装置,排出系统内空气清除铜管壁污垢增加冷却水量,检查冷却水过滤器检查冷却塔工作情况检查制冷剂量,如不足应增加调正导叶风门的开度检查浮球阀的开度冷凝压力过高机组内渗入空气开动抽气回收装置冷凝器管子污垢清洗冷凝器水管冷却水量不足使循环不正常增加冷却水量,检查过滤器冷却水量过高降低冷却水温,检查冷却塔工作情况蒸发压力过低制冷剂不足增加制冷剂蒸发器管子污垢清洗蒸发器水管浮球阀动作失灵检修浮球阀制冷剂不纯提纯或更换制冷剂制冷负荷减少关小进口导叶水路中有空气打开铜考克放气蒸发压力过高制冷负荷加大开足导叶风门浮球室液面下降,没有形成液封检修浮球阀压缩机排气温度过低蒸发器液面太高,吸入了液态制冷剂取出多加入的部分制冷剂故障现象原因措施油压过低油内含有制冷剂,使油变稀提高油温,减少油冷却器水量油过滤器堵塞清洗过滤器油压调节阀失灵研磨修理调节阀均压管阀开度过大,油箱内压力过低减小均压管的开度油面过低补充油到规定液位油泵故障检修油泵,排除故障油压过高调节阀失灵检修调节阀压力表至轴承间堵塞拆卸清洗油压波动激烈油压表故障修理或更换油路中有空气或气体制冷剂打开油路中最高处的管接头放气油压调节阀失灵检修或更换轴封漏油,并伴有温度升高现象机械密封损环更换新组件油循环不良检查、清洗油路系统油压降低用调节阀增大油压轴承温度过高轴瓦磨损更换轴瓦润滑油污染或混入水更换新油油冷却器有污垢清洗冷却器或更换油冷却器冷却水量不足检查冷却器水路系统压缩机排气温度过高参见上面的“冷凝压力过高”机器严重腐蚀机器气密性不好,有空气渗入检查渗漏部分,修复冷冻水、冷却水水质不好进行水质处理,改善水质,添加缓蚀剂润滑油质不好更换润滑油长期停止使用时,R11没有抽净抽净R11。
开利19XL故障信息详解19XL故障信息详解故障检修指南中的主要信息,补充信息和报警 / 警告信息A、带开关 / 关 / 复位—关的关机主要信息补充信息可能原因 / 修复方法手动停机—按MANUALLY STOPPED — PRESS CCN或成本机启动CCN OR LOCAL TO START PIC和OFF 模式,按本机或CCN键启动机组终止减压模式TERMINATE PUMPDOWN MODE 选择CCN或本机TO SELECT CCN OR LOCAL 进入控制测试菜单,选择终止锁定解锁压缩机,并进入OFF模式。
B、定时和定时结束主要信息补充信息可能原因 / 修复方法××分钟后准备启动READY TO START IN ××MIN 未占用模式UNOCCUPIED MODE PIC日程表未占用,占用后机组才能启动××分钟后准备启动READY TO START IN ××MIN 遥控接触器开路REMOTE CONTACTS OPEN 遥控接触器使机组停机。
闭合接触器启动××分钟后准备启动READY TO START IN ××MIN 停机命令有效STOP COMMAND IN EFFECT 机组在01状态页启动 / 停机键被手动强制关机。
释放强制关机后启动。
××分钟后准备启动READY TO START IN ××MIN 再循环暂缓再启动RECYCLE RESTART PENDING 机组在再循环模式。
准备启动READY TO START 未占用模式UNOCCUPIED MODE PIC日程表未占用。
占用后机组才能启动准备启动READY TO START 遥控接触器开路REMOTE CONTACTS OPEN 遥控接触器使机组停机。
闭合接触器启动准备启动READY TO START 停止命令有效STOP COMMAND IN EFFECT 在01状态页启动 / 关机键被手动强制关机××分钟后准备启动READY TO START IN ××MIN 遥控接触器闭合REMOTE CONTACTS CLOSED 机组定时器倒计时,准备启动。
19XL冷水机组操作中英文对照* LID显示页范例* (下列表中显示页均为PSIO模块08版本[19XL-2SS]中的显示页)注:1、任何给定时间内LID屏幕上只出现12行信息。
按| NEXT |或| PREVIOUS 光标显示一个点或者查看目前屏幕前一页或后一页内容。
2、可以根据要求采用公制或英制单位。
1 —状态01显示页从LID起始页进入状态01页:1、按 | MENU |。
2、按| STATUS](状态01会光亮显示)。
3、按| SELECT |。
311-5-整定显示页2、 按| SERVICE |。
3、 光标向下找到 EQUIPMENT SERVICE (设备服务)-5、 光标向下找到6、 按| SELECTSERVICE12、 按| SERVICE |。
3、 光标向下找到 EQUIPMENT SERVICE (设备服务)o 5、 光标向下找到 SERVICE2 6、按 SELECT2、 按| SERVICE |。
3、 光标向下找到 EQUIPMENT SERVICE (设备服务)1、 按 MENU |。
2、 按| SERVICE |o3、 光标向下移到 CONTROL ALGORITHM STATUS :控制器逻辑状态)10—维护(MAINT02)显示页(注:本维护页不支持优先控制 ) 由LID 起始页到本页 1、 按 | MENU |。
2、 按I SERVICE |o3、 光标向下移到 CONTROL ALGORITHM STATUS :控制器逻辑状态)o 5、 光标向下找到 SERVICE34、 按 SELECT |。
5、 光标向下移到MAINT014、按 SELECT5、 光标向下移到MAINT026、 按 SELECT |。
19XL故障信息详解故障检修指南中的主要信息,补充信息和报警/警告信息3-预启动报警★ [LTMIT]极限值在LID上以温度、压力、电压显示,由操作人员作为优先控制报警而预先定义或选择。
冷水机组常见问题和故障的分析与解决方法来源:凯德利冷机冷水机组在中央空调系统运行时担负着提供冷量的重任,作为运行管理人员,除了要正确操作、认真维护保养外,能及时发现和排除常见的一些问题和故障,对保证中央空调系统不中断正常运行,减小因出现的问题和故障造成的损失及所付出的代价有重要作用。
1.冷水机组运行中故障的早期发现与分析对冷水机组进行精心的维护保养,可以尽量减少故障的发生,但不可能杜绝故障的出现。
因为冷水机组本身和客观的外部条件,使得冷水机组的结构制造、安装质量、使用方法和操作水平等优劣程度各异,不可能绝对地全部消除潜在的不利因素,因此构成冷水机组故障的不安全因素始终是存在的。
为了保证冷水机组安全、高效、经济的长期正常运转,在其使用过程中尽早发现故障的隐患是十分重要的。
作为运行操作人员,可以通过“看、摸、听、想”来达到这个目的。
一看:看冷水机组运行申高、低压力值的大小。
油压的大小,冷却水和冷冻水进出口水压的高低等参数,这些参数值以满足设定运行工况要求的参数值为正常,偏离工况要求的参数值为异常,每一个异常的工况参数都可能包含着一定的故障因素。
此外,还要注意看冷水机组的一些外观表象,例如出现压缩机吸气管结霜这样的现象,就表示冷水机组制冷量过大,蒸发温度过低,压缩机吸气过热度小,吸气压力低。
这对于活塞式擒口喹。
机组将会引起“液击”;对于离心式冷水机组则会引起踹振。
二摸:在全面观察各部分运行参数的基础上t进一步体验各部分的温度情况,用手触摸冷水机组各部分及管道(包括气管、液管、水管、油管等),感觉压缩机工作温度及振动;两器的进出口温度;管道接头处的油迹及分布情况等。
正常情况下,压缩机运转平稳,吸、排气温差大,机体温升不高;蒸发温度低,冷冻水进出口温差大;,冷却水进、出口温差大;各管道接头处无制冷剂泄漏则无油污等;任何与上述情况相反的表现,都意味着相应的部位存在着故障因素。
用手摸物体对温度的感觉特征见表1。
冷水机组常见问题和故障的分析与解决方法欧阳家百(2021.03.07)核心提示:冷水机组在中央空调系统运行时担负着提供冷量的重任,作为运行管理人员,除了要正确操作、认真维护保养外,能及时发现和排除常见的一些问题和故障,对保证中央空调系统不中断正常运行,减小因出现的问题和故障造成的损失及所付出的代价有重要作用。
1.冷水机组运行中故障的早期发现与分析对冷水机组进行精心的维护保养,可以尽量减少故障的发生,但不可能杜绝故障的出现。
因为冷水机组本身和客观的外部条件,使得冷水机组的结构制造、安装质量、使用方法和操作水平等优劣程度各异,不可能绝对地全部消除潜在的不利因素,因此构成冷水机组故障的不安全因素始终是存在的。
为了保证冷水机组安全、高效、经济的长期正常运转,在其使用过程中尽早发现故障的隐患是十分重要的。
作为运行操作人员,可以通过“看、摸、听、想”来达到这个目的。
一看:看冷水机组运行申高、低压力值的大小。
油压的大小,冷却水和冷冻水进出口水压的高低等参数,这些参数值以满足设定运行工况要求的参数值为正常,偏离工况要求的参数值为异常,每一个异常的工况参数都可能包含着一定的故障因素。
此外,还要注意看冷水机组的一些外观表象,例如出现压缩机吸气管结霜这样的现象,就表示冷水机组制冷量过大,蒸发温度过低,压缩机吸气过热度小,吸气压力低。
这对于活塞式擒口喹。
机组将会引起“液击”;对于离心式冷水机组则会引起踹振。
二摸:在全面观察各部分运行参数的基础上t进一步体验各部分的温度情况,用手触摸冷水机组各部分及管道(包括气管、液管、水管、油管等),感觉压缩机工作温度及振动;两器的进出口温度;管道接头处的油迹及分布情况等。
正常情况下,压缩机运转平稳,吸、排气温差大,机体温升不高;蒸发温度低,冷冻水进出口温差大;冷凝温度高,冷却水进、出口温差大;各管道接头处无制冷剂泄漏则无油污等;任何与上述情况相反的表现,都意味着相应的部位存在着故障因素。
开利空调19XL离心式冷水机组常见故障处理19X系列机组控制系统较为先进,具备全方位的多重保护功能于一身,能保证机组在安全的前提下可靠运行。
但当机组运行工况发生明显变化或当部分检测、控制元器件发生故障时便会产生一些控制系统方面的故障,常见故障的处理方法如下:〔一〕压缩机高扬程、涌浪保护离心式制冷压缩机其压缩比较低,当运行工况发生严重变化时易发生压缩机喘振现象。
开利19X系列机组控制中心通过对运行数据的监测,可以有效防止喘振现象的发生,该系列机组除了对冷凝压力进行监测外还会测量冷冻水的进出水温差〔当冷冻水流量一定时其温差代表着机组的负荷量,即制冷量〕,及冷凝压力与蒸发压力差〔机组的扬程〕,机组运行在不同的负荷时应有相应的扬程〔冷凝压力与蒸发压力差〕,实际扬程过高则会发生喘振。
当控制中心显示压缩机高扬程或涌浪保护时应检查以下内容:1.机组冷冻水流量过小或缺少制冷剂,使蒸发压力过低。
2.机组冷却水流量过小、制冷剂过多、冷却水进水温度过高或机组内有不凝性气体存在使冷凝压力过高。
3.冷冻水流量过大使冷冻水进出口温差过小,控制中心允许的扬程过小而使保护程序误动作。
4.控制中心的SERVICE1菜单中△T1、△T2、△P1、△P2设定数据不合理使机组保护程序误动作。
当机组出现喘振现象〔电流剧裂波动并伴有强裂气流声〕时说明控制中心的保护功能未启作用,应检查以下方面:1.控制中心SERVICE1菜单中△T1、△T2、△P1、△P2设定数据是否合理,该数据在机组出厂调试时均已设定,但在运行、维护及更换PSIO板的过程中大多做过调整。
2.冷冻水流量过小,使冷冻水温差过大控制中心允许的扬程过高。
〔二〕水温传感器故障19X系列机组的温度传感器为负温度系数的热敏电阻,由于其设计的缺陷使得其接线端易因腐蚀而接触不良〔接插处直接受冷冻水温过低而出现冷凝水凝结,其插针选材不合理较易锈断〕,一般均出现接触电阻过大、温度显示值偏低,用除锈剂清洗接头并紧固改善接触状况后可恢复正常,假设插针断裂则必须更换。
19XR开利离心机故障综述来源:发布时间:2011-04-01 01:55 493 次浏览大小:16px 14px 12px 开利离心式冷水机组19XR系列离心式冷水机组控制系统较为先进,具备全方位的多重保护功能于一身,能保证机组在安全的前提下可靠运行。
但当机组运行工况发生明显变化或当部分检测、控制元器件发生故障时便会产生一些控制系统方面的故障,常见故障的处理方法如下:(一)压缩机高扬程、涌浪保护离心式制冷压缩机其压缩比较低,当运行工况发生严重变化时易发生压缩机喘振现象。
开利19X系列机组控制中心通过对运行数据的监测,可以有效防止喘振现象的发生,该系列机组除了对冷凝压力进行监测外还会测量冷冻水的进出水温差(当冷冻水流量一定时其温差代表着机组的负荷量,即制冷量),及冷凝压力与蒸发压力差(机组的扬程),机组运行在不同的负荷时应有相应的扬程(冷凝压力与蒸发压力差),实际扬程过高则会发生喘振。
当控制中心显示压缩机高扬程或涌浪保护时应检查以下内容:1 •机组冷冻水流量过小或缺少制冷剂,使蒸发压力过低。
2 .机组冷却水流量过小、制冷剂过多、冷却水进水温度过高或机组内有不凝性气体存在使冷凝压力过高。
3 .冷冻水流量过大使冷冻水进出口温差过小,控制中心允许的扬程过小而使保护程序误动作4 .控制中心的SERVICE菜单中△ □、△ T2、A P1、A P2设定数据不合理使机组保护程序误动作。
当机组出现喘振现象(电流剧裂波动并伴有强裂气流声)时表明控制中心的保护功能未启作用,应检查以下方面:1 .控制中心SERVICE菜单中△ □、△ T2、A P1、A P2设定数据是否合理,该数据在机组出厂调试时均已设定,但在运行、维护及更换PSIO板的过程中大多做过调整。
2 .冷冻水流量过小,使冷冻水温差过大控制中心允许的扬程过高。
(二)水温传感器故障19X 系列机组的温度传感器为负温度系数的热敏电阻,由于其设计的缺陷使得其接线端易因腐蚀而接触不良(接插处直接受冷冻水温过低而出现冷凝水凝结,其插针选材不合理较易锈断),一般均出现接触电阻过大、温度显示值偏低,用除锈剂清洗接头并紧固改善接触状况后可恢复正常,若插针断裂则必须更换。
冷水机组常见问题和故障的分析与解决方法冷水机组在中央空调系统运行时担负着提供冷量的重任,作为运行管理人员,除了要正确操作、认真维护保养外,能及时发现和排除常见的一些问题和故障,对保证中央空调系统不中断正常运行,减小因出现的问题和故障造成的损失及所付出的代价有重要作用。
1.冷水机组运行中故障的早期发现与分析对冷水机组进行精心的维护保养,可以尽量减少故障的发生,但不可能杜绝故障的出现。
因为冷水机组本身和客观的外部条件,使得冷水机组的结构制造、安装质量、使用方法和操作水平等优劣程度各异,不可能绝对地全部消除潜在的不利因素,因此构成冷水机组故障的不安全因素始终是存在的。
为了保证冷水机组安全、高效、经济的长期正常运转,在其使用过程中尽早发现故障的隐患是十分重要的。
作为运行操作人员,可以通过“看、摸、听、想”来达到这个目的。
一看:看冷水机组运行申高、低压力值的大小。
油压的大小,冷却水和冷冻水进出口水压的高低等参数,这些参数值以满足设定运行工况要求的参数值为正常,偏离工况要求的参数值为异常,每一个异常的工况参数都可能包含着一定的故障因素。
此外,还要注意看冷水机组的一些外观表象,例如出现压缩机吸气管结霜这样的现象,就表示冷水机组制冷量过大,蒸发温度过低,压缩机吸气过热度小,吸气压力低。
这对于活塞式擒口喹。
机组将会引起“液击”;对于离心式冷水机组则会引起踹振。
二摸:在全面观察各部分运行参数的基础上t进一步体验各部分的温度情况,用手触摸冷水机组各部分及管道(包括气管、液管、水管、油管等),感觉压缩机工作温度及振动;两器的进出口温度;管道接头处的油迹及分布情况等。
正常情况下,压缩机运转平稳,吸、排气温差大,机体温升不高;蒸发温度低,冷冻水进出口温差大;冷凝温度高,冷却水进、出口温差大;各管道接头处无制冷剂泄漏则无油污等;任何与上述情况相反的表现,都意味着相应的部位存在着故障因素。
用手摸物体对温度的感觉特征见表1。
的部件和管道的温度情况及其变化趋势,对于迅速准确地判断故障有着重要的实用价值。
离心式冷水机组常见故障及处理方法1、蒸发压力过低:原因:(1)冷水量不足。
(2)冷负荷少。
(3)节流孔板故障(仅使蒸发压力低)。
(4)蒸发器的传热管因水垢等污染而使传热恶化(仅使蒸发压力过低)。
(5)冷媒量不足(仅使蒸发压力过低)。
处理办法:(1)检查冷水回路,使冷水量达到额定水量。
(2)检查自动起停装置的整定温度。
(3)检查膨胀节流管是否畅通。
(4)清扫传热管。
(5)补充冷媒至所需量。
2、冷凝压力过高:原因:(1)冷水量不足。
(2)冷却塔的能力降低。
(3)冷水温度太高,制冷能力太大,使冷凝器负荷加大。
(4)有空气存在。
(5)冷凝器管子因水垢等污染,传热恶化。
处理方法:(1)检查冷却水回路,调整至额定流量。
(2)检查冷却塔。
(3)检查膨胀节流管等,使冷水温度尽快接近额定温度。
(4)进行抽气运转排除空气,若抽气装置需频繁运行,则必须找出空气漏入的部位消除之。
(5)清扫管子。
3、油压差过低:原因:(1)油过滤器堵塞。
(2)油压调节阀(泄油阀)开度过大。
(3)油泵的输出油量减少。
(4)轴承磨损。
(5)油压表(或传感器)失灵。
(6)润滑油中混入的制冷剂过多(由于启动时油起泡而使油压过低)。
处理方法:(1)更换油过滤器滤芯。
(2)关小油压调节阀使油压升至额定油压。
(3)解体检查。
(4)解体后更换轴承。
(5)检查油压表,重新标定压力传感器,必要时更换。
(6)制冷机停车后务必将油加热器投入,保持给定油温(确认油加热器有无断线,油加热器温度控制的整定值是否正确)。
4、油温过高:原因:(1)油冷却器冷却能力降低。
(2)因冷媒过滤器滤网堵塞而使油冷却器冷却用冷媒的供给量不足。
(3)轴承磨损。
处理方法:(1)调整油温调节阀。
(2)清扫冷媒过滤器滤网。
(3)解体后修理或更换轴承。
5、断水:原因:冷水量不足。
处理方法:检查冷水泵及冷水回路,调至正常流量。
6、主电机过负荷:原因:(1)电源相电压不平衡。
(2)电源线路电压降大。
开利19XL离心式冷水机组常见故障处理
19X系列机组控制系统较为先进,具备全方位的多重保护功能于一身,能保证机组在安全的前提下可靠运行。
但当机组运行工况发生明显变化或当部分检测、控制元器件发生故障时便会产生一些控制系统方面的故障,常见故障的处理方法如下:
(一)压缩机高扬程、涌浪保护
离心式制冷压缩机其压缩比较低,当运行工况发生严重变化时易发生压缩机喘振现象。
开利19X系列机组控制中心通过对运行数据的监测,可以有效防止喘振现象的发生,该系列机组除了对冷凝压力进行监测外还会测量冷冻水的进出水温差(当冷冻水流量一定时其温差代表着机组的负荷量,即制冷量),及冷凝压力与蒸发压力差(机组的扬程),机组运行在不同的负荷时应有相应的扬程(冷凝压力与蒸发压力差),实际扬程过高则会发生喘振。
当控制中心显示压缩机高扬程或涌浪保护时应检查以下内容:1.机组冷冻水流量过小或缺少制冷剂,使蒸发压力过低。
2.机组冷却水流量过小、制冷剂过多、冷却水进水温度过高或机组内有不凝性气体存在使冷凝压力过高。
3.冷冻水流量过大使冷冻水进出口温差过小,控制中心允许的扬程过小而使保护程序误动作。
4.控制中心的SERVICE1菜单中△T1、△T2、△P1、△P2设定数据不合理使机组保护程序误动作。
当机组出现喘振现象(电流剧裂波动并伴有强裂气流声)时表明控制中心的保护功能未启作用,应检查以下方面:
1.控制中心SERVICE1菜单中△T1、△T2、△P1、△P2设定数据是否合理,该数据在机组出厂调试时均已设定,但在运行、维护及更换PSIO板的过程中大多做过调整。
2.冷冻水流量过小,使冷冻水温差过大控制中心允许的扬程过高。
(二)水温传感器故障
19X系列机组的温度传感器为负温度系数的热敏电阻,由于其设计的缺陷使得其接线端易因腐蚀而接触不良(接插处直接受冷冻水温过低而出现冷凝水凝结,其插针选材不合理较易锈断),一般均出现接触电阻过大、温度显示值偏低,用除锈剂清洗接头并紧固改善接触状况后可恢复正常,若插针断裂则必须更换。
开利公司新出厂的19XR机组其水温传感器结构已改进,中间无接插头、直接引线至CCM模块。
(三)导叶驱动器故障
导叶也称扇门,是控制离心式机组运行负荷高低的调节机构。
当导叶实际工作位置与控制中心显示位置存在较大偏差、电流出现周期性波动、或导叶无法打开时应检查以下方面:
1.传动链条是否太松,齿轮锁紧螺钉是否牢固。
2.驱动电机主绕组工作电压(AC24V),电压异常应检查供电电压或电机。
3.驱动电机副绕组空载电压(AC16V)及运行电压(小于AC1V或大于AC15V),空载电压异常表明电机损坏,运行电压异常表明驱
动模块损坏。
4.电机尾部反馈电位器不得随意调动,若出现导叶驱动超前或滞后时应考虑重新调整该电位器。
(四)起动前油压故障
先查看油泵是否起动,若油泵未启动则应查看油泵电源、油泵驱动继电器、显示屏油压值。
1.若油泵电源供应正常但油泵未启动则应检修油泵。
2.油泵无电源供应时若显示屏油压显示值超过20Kpa表明油压传感器故障,应予以校验或更换。
若显示值小于20Kpa则应检查其控制模块及输出线路。
3.若油泵已起动且油压显示值正常,则为保护控制线路故障。
(五)通讯故障
控制中心显示通讯故障时应检查以下方面:
1.显示、主控及起动模块的地址开关设定值。
2.显示及主控板的通讯地址码、通讯速度设定值。
3.通讯线的连接是否正确、可靠。
4.显示及主控板的内部程序是否丢失,丢失后需送厂家重写。
(六)电压过高或过低故障
电压信号由一个AC24V可调变压器供给,电压过高或过低报警时应检查电压采样信号是否在额定输入电压时为AC24V,否则应对变压器输出及控制中心显示值进行调校。
(七)压缩机实际运行电流与显示值不一致
首先应使机组实际电流处于满负荷运行时,电流信号电压应约为
AC0.5V,否则应调整信号电阻值。
显示值与实际运行值不一致时应在手动锁住导叶的情况下在显示板中进行调校(为保证安全运行可考虑显示值略大于实际值)。
(八)机组常见泄漏点
1.电机尾部冷却用供液管接头。
2.蒸发器供液阀底部接头。
3.安全释放阀及其接头。
4.排气隔离阀杆填料盒。
5.油加热器接线柱。
(九)换热器铜管破裂
蒸发器或冷凝器铜管可能因水系统非正常磨损造成穿孔、破裂。
若出现极少量铜管破裂时可考虑对铜管进行堵塞(对换热效果稍有影响),出现大量铜管损坏时应进行更换(维修成本较高),当出现水压高于筒体内制冷剂压力造成制冷系统内部进水时必须更换冷冻机油及制
冷剂并加压查漏、保压、抽真空除湿(对于机组为封闭式电机的,除湿必须彻底)。
(十)油位过低故障
可能原因如下:
1.冷冻机油充注量不够。
2.机组长时间低负荷运行或回油系统故障,引起回油系统效果差使油箱油位降低。
机械系统的示意图,非常有用
彩色照片19XRV,与19XL大体上相同,继承并有极大的创新
零部件第一部分详细列表
零部件第二部分详细列表。