桥梁桩基钢筋笼加工技术交底
- 格式:docx
- 大小:14.00 KB
- 文档页数:4
桥梁桩基施工技术交底1.施工准备1.1 材料准备C35水下混凝土、HPB300和HRB400钢筋、SY-KS抗侵蚀防腐剂1.2 机具准备根据施工工艺要求,所需机械设备应提前进场,并检查其性能和工作状态,符合施工要求后方可投入使用,对机械操作人员应做好现场培训和安全技术交底。
1.3 作业条件及人员准备桥梁桩基施工前应清理出足够的工作面,针对作业面要做出合理的人员计划,提前配备技术人员,对进场人员要做好入场安全教育和技术交底。
2.操作工艺2.1 工艺流程施工准备→测量定位→桩机就位及安装护筒→复测桩位→开钻→检查孔深及清孔→钢筋笼制作及安装→二次清孔→安装导管→浇注混凝土→拆除导管→凿除桩头2.2 作业准备施工前要熟悉施工图纸,施工现场做好场地规划,提前清理地表留出足够的材料堆放、机械停放和行车通道场地。
2.3 施工工艺2.3.1测量定位将桩基场地平整后,利用全站仪,根据设计图纸的坐标,将桩基孔位准确定位。
2.3.2桩机就位及安装护筒1.根据已经定位后的桩基孔位,将钻机移动到相应位置,安装护筒,复测桩基孔位。
2.护筒埋设深度:护筒顶面宜高出施工水位或地下水位2m, 并高出施工地面0.3m。
其高度还应满足孔内泥浆面的高度要求。
2.3.3检查孔深及清孔当钻机预计开钻达到桩基孔位的设计标高时,应检查孔深。
若孔底实际标高<设计标高时,则继续往下钻,达到孔底实际标高不小于设计标高为止。
若孔底实际标高≥设计标高时,停止钻机工作,并及时清孔,准备下一道工序。
2.3.4 钢筋笼制作及安装1.钢筋笼制作严格按照设计图纸加工,在钢筋笼制作、运输和吊装过程中应采取适当的加固措施,防止变形。
2.吊车采用两点起吊钢筋笼,第一吊点设在骨架的下部,第二吊点设在骨架长度的中点到上三分之一之间。
3.加劲箍设在主筋内壁,每隔2米设置一组;定位钢筋,每隔2米设置一组,每组4根均匀设于加劲箍的四周。
4.吊放钢筋笼入孔时,不得碰撞孔壁,就位后应才采取加固措施固定钢筋笼的位置。
昆明(岷山)至楚雄(广通)高速公路扩建工程安全技术交底表钢筋笼采用钢筋笼滚焊机生产桩基钢筋笼,即桩基钢筋笼整体成型工艺,具体施工工艺流程如下;(2)钢筋笼出场报检成型后的钢筋笼自检合格后报监理验收,验收合格后挂牌置于场地处存放。
存放时下部要垫起30cm 。
制作过程中,按照设计要求在钢筋笼上安装声测管和保护层垫块。
声测管采用φ57×3mm 钢管制作,桩径大于1.5m 的灌注桩设置4根,桩径小于或等于1.5m 的设置3根。
声测管应埋设至桩底,管口顶标高高出桩顶面30cm ,底节钢筋笼声测管底口采用圆形钢板焊接封闭,施工时应注意保持钢管竖直,并不得堵塞管道,声测管接头和底部均应密封,不漏浆,确保管道畅通。
桩基定位钢筋每隔2m 设置一道,均匀布置在桩周,与钢筋笼焊接固定,其位置与主筋不重叠,避免影响混凝土浇筑质量。
制好后的钢筋骨架存放在平整、干燥的场地上,底部垫高以免沾上泥土,每个钢筋骨架按照各节次序排好,并在每个节段上挂上标志牌,写明墩号、桩号、节号等,以便使用时按顺序装车运出。
二、钢筋笼的安装1、上料 主筋放在主筋料架;盘筋放在箍筋料架2、穿筋、固定主筋通过分料盘穿过固定盘到移动盘,并在移动盘对其固定3、起始焊接 将箍筋和主筋交叉焊接固定,箍筋并排连续绕两圈,并与主筋焊接牢固4、正常焊接 两个盘同步旋转,使箍筋连续在主筋上缠绕,并进行焊接;同时移动盘缓慢移动。
5、终止焊接 并排绕二圈,进行焊接牢固。
6、切断箍筋 切断箍筋7、分离固定盘移动钢筋笼,使钢筋笼和固定盘8、松筋 松开固定主筋和移动盘的螺栓。
9、分离移动盘移动钢筋笼,使钢筋笼和移动盘分离。
10、卸笼 把加工好的钢筋笼移离支撑架。
11降下支撑架支撑架降下归位。
12移动盘归位移动盘归位,准备生产下一个笼钢筋笼生产流程图。
钢筋笼施工安全技术交底工程名称:347国道应城段改扩建工程上跨立交桥4、5、6联交底范围:桩基交底内容:钢筋笼施工安全技术交底交底日期:交底内容:一、技术交底范围本交底适用于上跨长江埠附属线桥粱桩基工程二、施工内容1、上跨长江埠附属线桥梁桩基(包括9#~17#桥墩1.8m桩基、18#桥台1.2m桩基及人行天桥1.0m桩基)基)钢筋制作2、钢筋笼安装施工三、钢筋笼加工1、钢筋下料时应严格按照施工图纸设计长度下料。
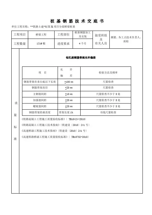
钢筋主筋顺长度方向加工后的全长允许偏为+10m弯起钢筋的奇起位置允许偏差+20mm箍筋内净尺寸允许偏差+5m2、钢筋笼应根据设计图纸用胎具成型制作。
根据钢筋笼的设计长度及汽车吊机的作业能力确定钢筋笼整体加工和吊装。
3、刚筋笼主筋直径大于等于Φ25mm时,钢筋笼连接处采用套简连接;钢筋笼主筋直径小于Φ25mm时,钢筋笼连接处采用搭接焊。
加强筋接头采用搭接焊,长度单面焊不小于10d、双面焊不小5d,焊缝宽度不小于0.7d并不小于8mm:焊缝厚度不小于0.3d并不小于4mm4、搭接接头钢筋的端部要预弯,使搭接钢筋的轴线位于同一直线上。
5、钢筋笼与墩柱连接处主筋(N1与N2a、N2b)为搭接焊,接头错开90cm以上,接头率不大于50%。
钢筋笼骨架允许偏差及检验方法6、钢筋丝头加工钢筋丝头加工参数丝头长度允许偏差0~2P(P为螺距)1)按钢筋规格所需的调整试棒并调整好滚丝头内孔最小尺寸。
2)按钢筋规格更换涨刀环,并按规定的丝头加工尺寸调整好剥肋直径尺寸。
3)调整剥肋挡块及滚压行程开关位置,保证剥肋及滚压螺纹的长度符合丝头加工尺寸的规定。
4)钢筋丝头长度的确定,确定原则:以钢筋连接套筒长度的一半为钢筋丝扣长度,由于钢筋的开始端和结東端存在不完整丝扣,初步确定钢筋丝扣的有效长度见表钢筋丝头加工参数。
允许偏差为0~2P(P为螺距),施工中按0~1P控制。
对钢筋吊装处丝口长度应适当加长,但不得小于2倍有效螺纹长度,确保钢筋吊装时套筒连接顺利进行。
01桩基钢筋笼(声测管)技
术交底
本页仅作为文档页封面,使用时可以删除
This document is for reference only-rar21year.March
山东莱阳项目部
技术交底书
工程名称:上跨青荣城际铁路公铁立交第五联编号:2014052101
山东莱阳项目部
技术交底书
工程名称:上跨青荣城际铁路公铁立交第五联编号:2014052101
山东莱阳项目部
技术交底书
工程名称:上跨青荣城际铁路公铁立交第五联编号:2014052101
山东莱阳项目部
技术交底书
工程名称:上跨青荣城际铁路公铁立交第五联编号:2014052101
山东莱阳项目部
技术交底书
工程名称:上跨青荣城际铁路公铁立交第五联编号:2014052101。
桥梁桩基施工技术交底1.施工准备1.1 材料准备C35水下混凝土、HPB300和HRB400钢筋、SY-KS抗侵蚀防腐剂1.2 机具准备根据施工工艺要求,所需机械设备应提前进场,并检查其性能和工作状态,符合施工要求后方可投入使用,对机械操作人员应做好现场培训和安全技术交底。
1.3 作业条件及人员准备桥梁桩基施工前应清理出足够的工作面,针对作业面要做出合理的人员计划,提前配备技术人员,对进场人员要做好入场安全教育和技术交底。
2.操作工艺2.1 工艺流程施工准备→测量定位→桩机就位及安装护筒→复测桩位→开钻→检查孔深及清孔→钢筋笼制作及安装→二次清孔→安装导管→浇注混凝土→拆除导管→凿除桩头2.2 作业准备施工前要熟悉施工图纸,施工现场做好场地规划,提前清理地表留出足够的材料堆放、机械停放和行车通道场地。
2.3 施工工艺2.3.1测量定位将桩基场地平整后,利用全站仪,根据设计图纸的坐标,将桩基孔位准确定位。
2.3.2桩机就位及安装护筒1.根据已经定位后的桩基孔位,将钻机移动到相应位置,安装护筒,复测桩基孔位。
2.护筒埋设深度:护筒顶面宜高出施工水位或地下水位2m, 并高出施工地面0.3m。
其高度还应满足孔内泥浆面的高度要求。
2.3.3检查孔深及清孔当钻机预计开钻达到桩基孔位的设计标高时,应检查孔深。
若孔底实际标高<设计标高时,则继续往下钻,达到孔底实际标高不小于设计标高为止。
若孔底实际标高≥设计标高时,停止钻机工作,并及时清孔,准备下一道工序。
2.3.4 钢筋笼制作及安装1.钢筋笼制作严格按照设计图纸加工,在钢筋笼制作、运输和吊装过程中应采取适当的加固措施,防止变形。
2.吊车采用两点起吊钢筋笼,第一吊点设在骨架的下部,第二吊点设在骨架长度的中点到上三分之一之间。
3.加劲箍设在主筋内壁,每隔2米设置一组;定位钢筋,每隔2米设置一组,每组4根均匀设于加劲箍的四周。
4.吊放钢筋笼入孔时,不得碰撞孔壁,就位后应才采取加固措施固定钢筋笼的位置。
钢筋笼施工安全技术交底工程名称:347国道应城段改扩建工程上跨立交桥4、5、6 联交底范围:桩基交底内容:钢筋笼施工安全技术交底交底日期:交底内容:一、技术交底范围本交底适用于上跨长江埠附属线桥粱桩基工程二、施工内容1、上跨长江埠附属线桥梁桩基(包括9#~17#桥墩1.8m桩基、18#桥台1.2m桩基及人行天桥1.0m 桩基)基)钢筋制作2、钢筋笼安装施工三、钢筋笼加工1、钢筋下料时应严格按照施工图纸设计长度下料。
钢筋主筋顺长度方向加工后的全长允许偏为+10m 弯起钢筋的奇起位置允许偏差+20mm箍筋内净尺寸允许偏差+5m2、钢筋笼应根据设计图纸用胎具成型制作。
根据钢筋笼的设计长度及汽车吊机的作业能力确定钢筋笼整体加工和吊装。
3、刚筋笼主筋直径大于等于Φ 25mm时,钢筋笼连接处采用套简连接; 钢筋笼主筋直径小于Φ25mm时,钢筋笼连接处采用搭接焊。
加强筋接头采用搭接焊,长度单面焊不小于10d、双面焊不小5d,焊缝宽度不小于0.7d 并不小于8mm焊: 缝厚度不小于0.3d 并不小于4mm4、搭接接头钢筋的端部要预弯,使搭接钢筋的轴线位于同一直线上。
5、钢筋笼与墩柱连接处主筋(N1 与N2a、N2b)为搭接焊,接头错开90cm以上,接头率不大于50%。
钢筋笼骨架允许偏差及检验方法6、钢筋丝头加工钢筋丝头加工参数丝头长度允许偏差0~2P(P为螺距)1)按钢筋规格所需的调整试棒并调整好滚丝头内孔最小尺寸2) 按钢筋规格更换涨刀环,并按规定的丝头加工尺寸调整好剥肋直径尺寸。
3) 调整剥肋挡块及滚压行程开关位置,保证剥肋及滚压螺纹的长度符合丝头加工尺寸的规定。
4) 钢筋丝头长度的确定,确定原则: 以钢筋连接套筒长度的一半为钢筋丝扣长度,由于钢筋的开始端和结東端存在不完整丝扣,初步确定钢筋丝扣的有效长度见表钢筋丝头加工参数。
允许偏差为0~2P(P 为螺距) ,施工中按0~1P控制。
对钢筋吊装处丝口长度应适当加长,但不得小于2倍有效螺纹长度,确保钢筋吊装时套筒连接顺利进行。
技术交底书ZT11GLT3施工单位:中铁十一局公司广乐高速项目部编号:主送单位桥梁三队一工班页数第1页共4页工程名称仙水河 1#大桥工程部位桩基交底内容:1.基本概略:钢筋笼在钢筋加工场集中加工,分克制作,运至现场吊车吊装,钢筋笼下料及制作尺寸详见所附图纸。
2.技术要求:1>. 钢筋笼制作前应进行钢筋除锈,调直,调直后主筋中心线误差应不大于主筋长度的1%,其实不得有局部弯折,依据骨架长度尽量减少接头与废料,主筋应尽量用整根钢筋。
2>. 桥梁桩基主筋钢筋(直径≥22mm)的连结均采纳螺纹套筒机械连结,钢筋接头切合设计及规范要求。
3>. 其余部位的钢筋可采纳搭接焊,两钢筋搭接端部应早先折向一侧,使两联合钢筋轴线一致。
接头双面焊缝长度不小于5d,单面焊缝长度不小于10d(d 为钢筋直径)。
4>. 钢筋下料时,切口端面应与钢筋轴线垂直,不得有马蹄形或扰曲。
5>. 钢筋笼加工时,应严格依照设计要求进行并切合规范规定,保证主筋平直,地点准确,主筋接头应相互错开,保持同一截面(梁截面间距离一定大于35d 且≥ 50cm)接头数目不多于主筋根数的50%。
6>. 接头拼准时用管钳扳手扭紧,使两个丝头在套筒中央地点相互顶紧。
7>. 拼接达成后,套筒每端不得有一扣以上的完好丝扣外露,加长型接头的外露丝扣数不受限制,但应当有显然的标志,以便检查进入套筒的丝头长度能否知足要求。
编制:复核:签收:年月日注:“技术交底书”一式两份,一份交工点负责人作为施工依照,一份保存备查,并办理交接手续。
技术交底书ZT11GLT3施工单位:中铁十一局公司广乐高速项目部三分部编号:主送单位桥梁三队一工班页数第2页共4页工程名称仙水河 1#大桥工程部位桩基8>. 丝头加工现场查验及套筒出厂查验应合格,所用的套筒一定洁净无损,并保证边连结边取用套筒。
9>. 力矩扳手是连结钢筋和查验接头连结质量的定量工具,可保证钢筋连结质量,所以所用的力矩扳手一定拥有生产厂家的合格证,假如使用次数多的状况下,一定进行校核,在不用时应将刻度调至0 刻度,以保持扳手的精度。
技术交底记录(编号)合同号:No.8 监理单位:江苏伟信工程咨询有限公司承包商:核工业西北工程建设总公司工程名称濮范高速公路NO.8合同段日期交底内容:钻孔灌注桩钢筋笼加工技术交底一、概况:濮范高速公路第八合同段起讫桩号为K40+000~K46+000,全长6.0km,按双向四车道高速公路标准设计,设计车速100km/h,路基宽度26米。
本标段共设中桥2座;分离式立交桥8座,其中包括汤台铁路分离式立交桥,该桥全长394.8.8米;天桥1座;通道及涵洞共14道。
桥梁基础全部采用钻孔灌注桩基础,桩基直径分为1.2m、1.5m、1.8m三种。
标段桩基总数为235根,总长10372米,其中Ф1.2米桩基8根,总长312米,主筋直径为25㎜;Ф1.5米桩基176根,总长7376米主筋直径为25㎜;Ф1.8米桩基51根,总长2684米,主筋直径为28㎜。
桩基混凝土分为钢筋混凝土及素混凝土两部分,根据设计要求,所有桩基应进行超声波检测,每根桩基均布三根Ф57㎜声测管,声测管沿全桩长布置。
二、准备工作一)熟悉图纸、规范要求,复核图纸工程数量,完善施工计划。
二)钢筋笼加工必须在进场材料检验合格后才能开始;三)钢筋加工场的建设:钢筋加工场面积必须满足钢筋存放、钢筋半成品存放、钢筋加工工作以及原材料进场、半成品出厂的要求,必须做好防潮处理,并做好硬化工作;场地建设应充分考虑排水要求,场地规划应考虑原产料进场及半成品出场道路的要求,钢筋加工及半成品存放应有专门篷房。
四)钢筋原材料及半成品的存放:钢筋原材料及半成品存放应离开地面30㎝以上,下面应支垫方木,上面应用帆布或彩条布覆盖。
五)人员、机械的配备:钢筋加工人员、机械数量应满足现场加工及进度计划要求需要,焊工、电工等特殊工种人员必须取得特殊工种上岗证。
三、钢筋笼的加工钢筋笼应考虑分段加工,分段运输、分段沉放。
钢筋笼制作采用加劲筋成型法:首先按钢筋笼设计长度进行合理分节,每节长度可按11~16m考虑(根据桩基总长度灵活掌握,尽可能节省原材料),按设计要求加工好加强箍,并设“十”字撑以防钢筋笼变形,在钢筋笼下放时割除。
桥梁桩基施工安全技术交底桥梁桩基施工是桥梁建设中的重要环节,其施工质量和安全直接关系到桥梁的整体稳定性和使用寿命。
为了确保桥梁桩基施工的安全进行,特向参与施工的人员进行以下安全技术交底。
一、施工前的准备工作1、技术准备施工前,必须熟悉施工图纸和地质勘察报告,了解桩位的地质情况、桩的类型、长度、直径等技术参数,制定详细的施工方案,并向施工人员进行技术交底。
2、现场准备(1)平整场地,清除施工现场内的障碍物,确保施工场地畅通。
(2)设置好排水系统,防止场地积水。
(3)在施工现场设置明显的安全警示标志,如“小心坑洞”“注意高空坠物”等。
3、设备准备(1)对施工所需的机械设备进行全面检查和调试,确保设备性能良好,运转正常。
(2)对机械设备的操作人员进行培训和考核,确保操作人员熟悉设备的性能和操作规程。
4、材料准备(1)准备好施工所需的钢材、水泥、砂、石等材料,并确保材料质量符合要求。
(2)对材料进行分类存放,做好防潮、防雨、防晒等措施。
二、施工过程中的安全注意事项1、钻孔灌注桩施工(1)钻机安装钻机安装必须平稳、牢固,钻架应加设斜撑或缆风绳。
在钻进过程中,应经常检查钻机的稳定性,发现异常应立即停机处理。
(2)钻进作业钻进时,操作人员应密切观察钻杆的垂直度和钻进速度,如发现钻杆倾斜或钻进速度异常,应及时调整。
严禁在钻进过程中进行修理或保养设备。
(3)泥浆制备泥浆池周围应设置防护栏杆,并悬挂明显的警示标志。
泥浆的排放应符合环保要求,不得随意排放。
(4)钢筋笼制作与安装钢筋笼制作应在平整的场地上进行,制作好的钢筋笼应分类存放,防止变形。
在安装钢筋笼时,应使用吊车等起重设备,并有专人指挥,严禁人员在起重臂下停留或通过。
(5)混凝土灌注灌注混凝土前,应检查导管的密封性和连接牢固性。
灌注过程中,应密切观察混凝土面的上升高度和导管的埋深,确保导管埋深符合要求。
2、人工挖孔灌注桩施工(1)孔口防护孔口周围应设置高于地面30cm 的防护栏,并悬挂明显的警示标志。
桩基钢筋笼加工技术交底
施工技术要求:
二、施工安全措施及注意事项:
1施工过程中必须组织有经验的施工人员,特别是特种机械设备的操纵人员,
必须持证上岗,并严格按照操作规程的要求施工。
2、各种机械设备运转作业前,必须检查防火、防漏电等相应防护措施是否齐全
有效。
对焊机作业时应有一定的安全距离。
\ /
3、施工人员进入施工现场必须佩戴合格的安全帽等劳保用品,上班时着装应规范,严禁穿拖鞋、短裤,严禁酒后作业。
4、钢筋笼在运输及安装过程中使用吊车等大型机械,施工人员严禁站在机械臂下施工。
5、施工过程中要严格执行项目部现场管理人员的要求,做到文明施工,杜绝野蛮施工。
对不听从指挥,野蛮施工的人员要将其清除出场。
6、加工场必须配备专门的看场人员,特别是夜间,须做好防盗措施。
7、施工过程中要严格按照技术交底等有关规定执行,如发现质量问题或没按要求施工,将不予验收、计价。
&施工中注意保护钢筋场周围的环境卫生,做到“人走场清”。